Guten Abend, ich habe folgendes Problem: Ich habe einen Mikrofonverstärker entworfen "Anhang1", dieser beinhaltet 2 Verstärkerstufen, einer mit Vu=10 und einer mit einer einstellbaren Verstärkung von 2..48. Dazwischen liegt ein Butterworth Tiefpass 4. Ordnung zur Bandbegrenzung auf 3,4kHz. Anhang3 zeigt nun einen 200 Hz Störer, dessen Amplitude 13x höher ist, als die des Mikrofonsignals. Diese kommt durch einen "Sendeimpuls" eines SIM900 Moduls (Das einen eigenen Spannungsregler 5V + 4700µF Kondensator besitzt). Meine Idee, es mit einer Spulen-Kondensator Kombi zu versuchen, allerdings habe ich das noch nie gemacht und das würde auf sehr groeße Induktivitäten hinauslaufen 150mH + die 1000µF Kapazität, um den Störer-Impuls auf unter 1mV zu dämpfen. Eine weitere Idee wäre ein aktiver Hochpass, allerdings würde die Ordnung auf mindestens 6. Ordnung steigen um eine Dämpfung von -40dB über 100 Hz zu erreichen. Ich bin für Ideen offen..
Das Mikrofon sollte mit einer extra geregelten Spannung versorgt werden. In der Praxis reicht dazu eine Zenerdiode und ein Elko. Hast du keine Sorgen, dass die vier verketteten Verstärker zu viel Rauschen?
Warum sollte eine Zehnerdiode besser sein als ein Spannungsregler? Ich habe doch geschrieben, das der Störer durch den 2A Sendeimpuls verursacht wird. Aber ich kann dazu gerne den Schaltplan hochladen.. Edit: Naja der OP ist schon relativ Rauscharm und das soll kein Hifi werden, sonst würde ich die Bandbreite wohl kaum auf 3,4kHz begrenzen.
:
Bearbeitet durch User
> Warum sollte eine Zehnerdiode besser sein als ein Spannungsregler?
Ich habe noch keine Ahnung, woher die Spannungsversorgung von Mikrofon,
OP-Amp und anderen Komponenten kommen.
Zenerdioden sind jedenfalls hilfreich, ist ein Erfahrungswert. Auch wenn
die 9V aus einem Regler kommen. Der versorgt doch sicher auch die
Operationsverstärker, oder nicht? Aber so oder so würde ich eine
Zenerdiode (+Widerstand+Kondensator) zur Stabilisierung hinzufügen.
Und natürlich solltest du HF und digitale Schaltungsteile EMV mäßig von
den analogen fern halten, also abschirmen.
Stefan U. schrieb: > Ich habe noch keine Ahnung, woher die Spannungsversorgung von Mikrofon, > OP-Amp und anderen Komponenten kommen. Dann guck Dir mal die linke Schaltung an. @Florian Wie ist dieses SIM900-Modul elektrisch mit dieser verbunden? Hängt das vorn an den gleichen +12 Volt? MfG Paul
Stefan U. schrieb: >> Warum sollte eine Zehnerdiode besser sein als ein > Spannungsregler? > > Ich habe noch keine Ahnung, woher die Spannungsversorgung von Mikrofon, > OP-Amp und anderen Komponenten kommen. Bild1 - Anhang ... zeigt die Spannungsverorgung der OP-Amps, und des Mikrofons, sowie der virtuellen Masse. Das hat alles wunderbar funktioniert, bis das SIM900 Modul die 200 Hz Spannungseinbrüche verursacht. Der Spannungsregler, sowie der 1000µF Kondensator können diese nicht abblocken, ich bezweifle daher, das eine Z-Diode das kann. Probieren kann ich das natürlich.. > Und natürlich solltest du HF und digitale Schaltungsteile EMV mäßig von > den analogen fern halten, also abschirmen. Das ist mir bewusst, dort liegt aber gar nicht das Problem.
> @Florian > Wie ist dieses SIM900-Modul elektrisch mit dieser verbunden? Hängt das > vorn an den gleichen +12 Volt? > > MfG Paul Ja tut es, habe nochmal den Schaltplan angehängt.. Edit: Die 12V werden von einem Labornetzteil getrieben 12V/3A. Später ist aber Steckernetzteil vorgesehen.
:
Bearbeitet durch User
Der 9V Spannungsregler ist nicht Gott. Er kann Hochfrequente Störungen nur bedingt raus filtern. Die Leitungen und Widerstände der analogen Schaltung wirken als Antennen, die HF empfangen. Und dann kann es noch hässliche Rückkoppelungen von der Stromaufnahme der Verstärker zum Mikrofon geben, wogegen die zusätzliche Zenerdiode helfen wird. Die hilft auch gegen Rest-HF Anteile:
1 | 1k 5,6V |
2 | 9V o---[===]-----+-----|<|-----| |
3 | | |
4 | +-----||------| 100nF |
5 | | |
6 | +-----||------| 100µF |
7 | | |
8 | +--[===]---(MIC)---| |
9 | 2,2k |
Glaub mir, das hilft. Ich hatte genau das gleiche Problem mal mit einem Mikrofon-Vorverstärker, den ich in ein PC Gehäuse eingebaut hatte.
Gut. Wo kommen aber die + 12 Volt her? Ich frage deshalb, weil ich VOR den Reglern 7805 und 7809 keinen großen Ladekondensator von ein paar tausend µF sehe, wie er hinter den Reglern angeordnet ist. Irgendjemand muß ja die Energie puffern... MfG Paul
Paul B. schrieb: > Gut. Wo kommen aber die + 12 Volt her? Ich frage deshalb, weil ich > VOR > den Reglern 7805 und 7809 keinen großen Ladekondensator von ein paar > tausend µF sehe, wie er hinter den Reglern angeordnet ist. Irgendjemand > muß ja die Energie puffern... > > MfG Paul Labornetzteil 12V/3A, du meinst ich sollte die Kondensatoren lieber vor den Spannungsreglern anordnen? Darüber habe ich so an sich noch nicht nachgedacht.
Stefan U. schrieb: > Glaub mir, das hilft. Ich hatte genau das gleiche Problem mal mit einem > Mikrofon-Vorverstärker, den ich in ein PC Gehäuse eingebaut hatte. Hmm, naja das sind ja cent Artikel, ausprobieren kann ich es ja, aber wie gesagt Hochfrequenten Störungen schön und gut, aber die Störfrequenz ist 200 Hz.
Florian H. schrieb: > du meinst ich sollte die Kondensatoren lieber vor > den Spannungsreglern anordnen? Ja, das meine ich. MfG Paul
Paul B. schrieb: > Florian H. schrieb: >> du meinst ich sollte die Kondensatoren lieber vor >> den Spannungsreglern anordnen? > > Ja, das meine ich. > > MfG Paul Gut, ich baue dann mal 2x 2200µ/16V LowESR ein. Die Zehner-Diode+100µ/10V auch noch. Da ich die teile erst bei Conrad holen muss, kann ich das jetzt sofort nicht testen, aber ich versuche es Zeitnah auszuprobieren. Danke :)
Du kannst das ganz einfach testen: 1) Schließe das Mikrofon kurz. Wenn die Störungen dann noch da sind, ist die Versorgung des Mikrofons nicht dein Hauptproblem. 2) Entferne das Mikrofon. Wenn die Störungen dann größer werden, hast primär ein Problem auf der Versorgungsspannung. Beide Tests gehen davon aus, dass die digitalen und HF Teile abgeschirmt sind. Wenn das nicht der Fall ist, solltest du das erstmal tun, weil sonst jede weitere Messung für die Katz ist. Wenn das primäre Problem behoben ist, kann man dann ja weiter nach den Nebenschauplätzen sehen.
Du kannst statt Zenerdiode auch zwei (rote, grüne, gelbe) LED's in Reihe nehmen oder eine blaue oder eine weiße.
Stefan U. schrieb: > Du kannst das ganz einfach testen: > > 1) Schließe das Mikrofon kurz. Wenn die Störungen dann noch da sind, ist > die Versorgung des Mikrofons nicht dein Hauptproblem. > > 2) Entferne das Mikrofon. Wenn die Störungen dann größer werden, hast > primär ein Problem auf der Versorgungsspannung. Die Versorgungsspannung ist das Problem, was ich allerdings aufgrund des Datenblattes vorher wußte. (Siehe angehängten Auszug aus dem Datenblatt) 4,6ms = 1/(217 Hz) ;) => ~ die Störerfrequenz! Ich habe das nochmal durchgerechnet: dU = (I*dt)/C = (2A*577µs)/4400µF = 262 mV Bei einem PSRR von 67dB ~ 1000 , würde der Störer zur 262µV gedämpft. Das könnte also tatsächlich klappen. Edit: Hab hier leider gerde keine Dioden oder Leuchtdiodensammlung ;)
:
Bearbeitet durch User
Florian H. schrieb: > Ja tut es, habe nochmal den Schaltplan angehängt.. Eine Riesenkapazität wie sie sich am Ausgang des Reglers befindet verschlechtert die Reglereigenschaften anstatt sie zu verbessern. An den Ausgang gehört nur soviel wie der Hersteller vorgibt/ empfiehlt. Verschlechterung der Reglereigenschaften bedeuted auch Ver- schlechterung der Stördämpfung. Dagegen sollte am Eingang eines Reglers "ausreichend" Kapazität vorhanden sein aus der der Regler seine Pufferenergie beziehen kann. So gesehen betrachte ich die Beschaltung als grundlegend falsch.
Die dicken Elko haben hinter dem Regler nix verloren. Dadurch wird der Regler unnötig träge und man handelt sich so einige Nachteile ein. Vor dem Regler wären die richtig platziert. Was die Störquelle angeht, sollte man schauen ob man nicht an der Quelle etwas unternehmen kann, statt die Senke zu verstümmeln.
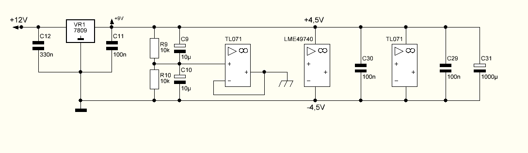
C9 würde ich weglassen und C10 verkleinern. C9 überträgt bloß Störungen in der Versorgungsspannung auf den OP-Eingang.
nemesis... schrieb: > Die dicken Elko haben hinter dem Regler nix verloren. > Dadurch wird der Regler unnötig träge und man handelt sich > so einige Nachteile ein. Vor dem Regler wären die richtig > platziert. > Was die Störquelle angeht, sollte man schauen ob man nicht > an der Quelle etwas unternehmen kann, statt die Senke zu > verstümmeln. Okay, das wußte ich nicht. Dann tausche ich die Position der Elkos vom Ausgang zum Eingang. Hab leider nun nur die 10V Elkos da, die 16V besorg ich dann.
Hallo, ich vermisse beim ersten LMe49740 einen gleichstrompfad am + Eingang. Wie kommt der zu einer definierten Spannung? Der sollte doch auf Ub/2 (der virtuellen Masse) liegen? Wozu eigentlich die virtuelle Masse, wenn die restlichen ohnehin nur mit Kondensatoren dort angekoppelt sind? Die könnten auch gegen die echte Masse und der erste Eingang bekommt einen Spannungsteiler auf Ub/2 an den + Eingang. Oder habe ich was übersehen? Gruß aus Berlin Michael
Die großen Elkos am 5 V Regler sollten eher auf die Eingangsseite, 100 µF am Ausgang sind Ok mehr hilf aber fast nichts mehr und schadet ggf. eher. Bei 200 Hz kommt der 7805 ja auch noch mit dem Regeln nach. Für 2 A Spitzenstrom sollte es aber eher ein 78S05 oder was ähnliches sein. Zwischen die 12 V und die Elkos vor dem 78S05 kann dann noch als Filter eine Induktivität oder ggf. auch einfach ein Widerstand - etwas Reserve ist bei der Spannung noch. Der erste Verstärker braucht noch eine DC Masse für den OP Eingang. Da fließt zwar nur wenig Strom, aber ein definierter DC Pegel ist schon nötig. Je nach Umgebung sollte man auch zu niedrige Frequenzen nicht durchlassen. Wenn überhaupt ist das Rauschen beim ersten Verstärker wichtig. Dahinter könnte man auch sparsamere OPs wählen (z.B. TL074 + ein guter OP). Das Filter sollte man auch eher etwas hochohmiger auslegen, damit der direkte Durchgriff wegen der Ausgangsimpedanz nicht so stark wird.
Lurchi schrieb: > Die großen Elkos am 5 V Regler sollten eher auf die Eingangsseite, > 100 > µF am Ausgang sind Ok mehr hilf aber fast nichts mehr und schadet ggf. > eher. Bei 200 Hz kommt der 7805 ja auch noch mit dem Regeln nach. Für 2 > A Spitzenstrom sollte es aber eher ein 78S05 oder was ähnliches sein. > Zwischen die 12 V und die Elkos vor dem 78S05 kann dann noch als Filter > eine Induktivität oder ggf. auch einfach ein Widerstand - etwas Reserve > ist bei der Spannung noch. Genau, sorry. Habe auch den 78S05 verbaut. Hatte da einen Buchstaben vergessen. Der normale 7805 kann ja nur 1A. Aber wie gesagt, Kondensatoren besorge ich und verbaue die entsprechend nach den Anregungen aus dem Forum. > Der erste Verstärker braucht noch eine DC Masse für den OP Eingang. Da > fließt zwar nur wenig Strom, aber ein definierter DC Pegel ist schon > nötig. Je nach Umgebung sollte man auch zu niedrige Frequenzen nicht > durchlassen. Auch hier, habe ich etwas vergessen. Ich habe einen Widerstand hinter dem ersten Koppel-Kondensator auf die virtuelle Masse verbaut. Hatte aber den Schaltplan für das Forum zur besseren Übersicht etwas verändert und habe den schlichtweg vergessen wieder einzuzeichnen. (Veränderter Schaltplan im Anhang) > Wenn überhaupt ist das Rauschen beim ersten Verstärker wichtig. Dahinter > könnte man auch sparsamere OPs wählen (z.B. TL074 + ein guter OP). Das > Filter sollte man auch eher etwas hochohmiger auslegen, damit der > direkte Durchgriff wegen der Ausgangsimpedanz nicht so stark wird. Joar den LME49740 hatte jetzt praktischerweise schon 4 Verstärker in einem Gehäuse. Wie ist das mit den Filtern gemeint?
:
Bearbeitet durch User
Moin, Es wurde zwar schon gesagt, aber noch nicht von jedem: Der C9 sollte ersatzlos rausfliegen. Der sorgt dafuer, dass jeder Dreck auf der Versorgungsspannung nur um 6dB gedaempft in den Verstaerker reinfluppt. Wenn der OpAmp nicht irgendwelche Spezial-hiCurrent Ausgaenge hat, kommen mir die 1kOhm im Filter auch deutlich zu klein vor. 10k waeren besser; muessen die OpAmp Ausgaenge weniger Strom treiben. Gruss WK
Dergute W. schrieb: > Moin, > > Es wurde zwar schon gesagt, aber noch nicht von jedem: > Der C9 sollte ersatzlos rausfliegen. Der sorgt dafuer, dass jeder Dreck > auf der Versorgungsspannung nur um 6dB gedaempft in den Verstaerker > reinfluppt. > Wenn der OpAmp nicht irgendwelche Spezial-hiCurrent Ausgaenge hat, > kommen mir die 1kOhm im Filter auch deutlich zu klein vor. 10k waeren > besser; muessen die OpAmp Ausgaenge weniger Strom treiben. > > Gruss > WK Okay, ich schmeiße C9 raus. Der Operationsverstärker ist für eine 600 Ohm Last optimiert und zu den 1k Widerständen, da passten die Kondensatoren so schön ;)
Michael U. schrieb: > Die könnten auch gegen die echte > Masse und der erste Eingang bekommt einen Spannungsteiler auf Ub/2 an > den + Eingang. Bei einer asymmetrischen Versorgung wird jeder OP mit UB/2 eine Vorspannung benötigen, damit das Signal (in der Regel ein Sinus) nicht plötzlich am Wellenhügel oder -tal flach und verzerrt (übersteuert) wird. Hier gibt es auch keine Wechselspannung, sondern eine mit einem Signal überlagerte Gleichspannung. Schließlich soll ja der OP mit seinem Dynamikbereich vernünftig ausgesteuert werden und nicht oben oder unten an die Begrenzung gegen.
Hallo, nemesis... schrieb: > Michael U. schrieb: >> Die könnten auch gegen die echte >> Masse und der erste Eingang bekommt einen Spannungsteiler auf Ub/2 an >> den + Eingang. > > Bei einer asymmetrischen Versorgung wird jeder OP mit UB/2 eine > Vorspannung benötigen, damit das Signal (in der Regel ein Sinus) > nicht plötzlich am Wellenhügel oder -tal flach und verzerrt > (übersteuert) wird. Hier gibt es auch keine Wechselspannung, > sondern eine mit einem Signal überlagerte Gleichspannung. > Schließlich soll ja der OP mit seinem Dynamikbereich vernünftig > ausgesteuert werden und nicht oben oder unten an die Begrenzung > gegen. genau die hat er, wenn der + Eingang des ersten OPV mit einem Spannungsteiler auf UB/2 gelegt wird. Der Rest ist direkt gekoppelt, alle haben also dann UB/2 von Ausgang des vorhergehenden (+ Offsetspannung). Die virtuelle Masse entfällt dann komplett. Man kann die 2x 10k + C10 auch gleich so lassen und geht mit 10k von dort an den + Eingang. Dann hat man die auch noch etwas entkoppelt. Gruß aus Berlin Michael
Guten Abend, also ich habe die vorgeschlagenen Änderungen eingebaut und es hat sich NICHTS verändert oO Das wundert mich schon irgendwie.. Ich habe die Änderungen in kurzform im Anhang. Aber vllt fällt ja jemanden noch was ein? Vllt braucht 78S05 noch einen Elko am Ausgang? Allerdings geht der Ausgang des 78S05 auf einen weiteren Regler.. den MIC29302, der schon auf der Platine des SIM900 Moduls verbaut ist. Dort sehe ich 2x 100µF SMD Kondensatoren.
:
Bearbeitet durch User
Hmm, das finde ich jetzt auch überraschend. Dumm gelaufen. Jetzt habe ich nur noch einen letzten Vorschlag: Prüfe mal die Masseverbindungen. Das Oszilloskop sollte an sämtlichen Massepunkten möglichst gar keine Spannung messen.
Florian H. schrieb: > Aber vllt fällt ja jemanden noch was > ein? C9 (und C10...) sind jetzt aber draussen, ja? Ich tippe ja hier eher auf eine GND Verschiebung. Wie sieht denn das Layout aus? Und: wie ist das Mikrofon und die hochohmigen Analogleitungen gegen elektromagnetische Einstrahlungen des Senders abgeschirmt?
:
Bearbeitet durch User
Guten Abend Florian, bei so einem hartnäckigen Problem muss man einfach alle möglichen Fehlerquellen ausschalten und nicht nur einzelne Massnahmen versuchen. Das heisst, alle Verbesserungen beibehalten vis ihre Summe ausreichend wirksam ist. Was mir auffällt: Das Mikro hängt sehr niederohmig an den 9V. Da habe ich in einer änlichen Situation 39k gebraucht, damit das Mikro im Bereich seiner Spezifikation betrieben wird. Der Eingang ist ein Elektrometer Vertärker, mit 10µF hast du eine extrem niedrige fug. 100n bis 330n sollten da ausreichen. Die virtuelle Masse hängst du wechselstrommässig zwischen 9V und Masse, ich würde sie an Masse Legen mit EINEM Elko + 100n hochwertigen Kondensator // dazu. Und überprüfe, ob deine Versorgung wirklich sauber zwei mal sternförmig ausgeführt ist. Masse sternförmig und 12V sternförmig, damit keine Kopplungen an Spannungsabfällen längs einer Leitung auftreten können. grüsse und wünsche viel Erfolg
Klingt komisch, aber ich favorisiere das Prinzip der Fußmatte. Natürlich kann man auch alle paar Stunden die Bude fegen, saugen oder wischen, das Leben wird aber einfacher, wenn man außen/vorne anfängt! Auf Dein Problem bezogen bedeutet das: Vorher dafür Sorge tragen dass z.B. das Mikro eine supersaubere Versorgungsspannung bekommt. Vorher dafür Sorge tragen, dass der Regler was ordentlichen zu futtern bekommt. Kommt es hinter dem Regler zu Spannungseinbrüchen, so ist VORHER etwas in die berühmt, berüchtigte Hose gegangen. Nachher, hinter dem Regler, z.B. mit großen Kondensatoren, kann man normalerweise etwas nur verschlimmbessern. Ich habe in noch keinem Datenblatt zu einem Regler gelesen: "Hinterher ruhig ordentlich puffern". Oder wie man im Metzgerladen sagt: "Darf‘s auch ein bissel mehr sein..." Zum Thema Filter: Auf dem Papier ist das Ergebnis oft besser, aber die vielen Kompromisse, die man dafür eingehen muss... Etwas eigenartig wird es aber, wenn man versucht den eigenen Mist (aus der eigenen Schaltung) zu beseitigen.
Florian H. schrieb: > Vllt braucht 78S05 noch einen Elko am Ausgang? Allerdings geht der > Ausgang des 78S05 auf einen weiteren Regler.. den MIC29302, der schon > auf der Platine des SIM900 Moduls verbaut ist. Dort sehe ich 2x 100µF > SMD Kondensatoren. Auf keinen Fall. Nach den Datenblättern der Hersteller sind allenfalls Kondensatoren im Nanofarad-Bereich zulässig um HF zu blocken. Keinesfalls Elkos oder Module mit Elkos. Was ist denn das für ein SIM900-Modul, dass du in Serie zum Ausgang des Reglers schaltest? Was tut das? Hat es ein Relais intern oder steuert es eine induktive Last? Du schrobst am Anfang das hier: Florian H. schrieb: > Diese kommt durch einen "Sendeimpuls" eines > SIM900 Moduls (Das einen eigenen Spannungsregler 5V + 4700µF Kondensator > besitzt). Daher gehört das Modul auch nicht hinter dem Regler fürs Mikro, vor allem nicht wenn der vom gleichen Typ (5V) ist, sondern vor den Regler an die 12V, also quasi parallel. So ein Regler braucht eine höhere Versorgungsspannung als Ausgangsseitig ausgeregelt wird. Wenn eine induktive Last versorgt wird, muss man die Spannung dafür auch vor dem Regler abgreifen, oder zusätzlich kann man dann eine Reversdiode zwischen Ausgang und Eingang des Reglers schalten, wenn es nicht anders geht (z.B. bei 5V-Relais). Wenn man sich das Oszillogramm anschaut, erkennt man, dass da ein E-Funktion einer Kapazität zu wirken scheint, aber vom Tau-Wert kann das nicht sehr groß sein.
Ich habe nochmal zur besseren Übersicht ein Blockschaltbild erstellt. Zum ersten Post, ich habe C9 ausgelötet. C10 ist noch drin. Ich habe die Masse ja extra sternförmig getrennt aufgebaut um Potentialanhebungen zu vermeiden. Jetzt wo ich aber das Blockbild sehe, habe ich da auch eine super Masseschleife aufgebaut. Ich meine mich aber zu erinnern, das mal aufgetrennt zu haben und es hatte sich nichts verändert, das wird aber gleich erneut getestet. Ich habe den Schaltplan des SIM900 Moduls auch nochmal angehängt um da auch nochmal Fehlerquellen ausschließen zu können. Jetzt wird gesagt es ist nicht gut 2 Regler in Reihe zu schalten, aber wie soll das anders gehen, wenn das SIM900 Modul nur einen 5V Eingang hat und dann auf der eigenen Platine einen Regler hat...
Florian H. schrieb: > Jetzt wird gesagt es ist nicht gut 2 Regler in Reihe zu schalten, aber > wie soll das anders gehen, wenn das SIM900 Modul nur einen 5V Eingang > hat und dann auf der eigenen Platine einen Regler hat... Wenn das SIM900-Modul einen 5V-Regler hat, dann braucht es auch wenigstens 7V oder mehr Input. 5V reichen da nicht. Wenn du eine Masseschleife hast, musst du die Masse eben unterbrechen oder eine zweite galvanisch getrennte Versorgung nutzen.
nemesis... schrieb: > Florian H. schrieb: >> Jetzt wird gesagt es ist nicht gut 2 Regler in Reihe zu schalten, aber >> wie soll das anders gehen, wenn das SIM900 Modul nur einen 5V Eingang >> hat und dann auf der eigenen Platine einen Regler hat... > > Wenn das SIM900-Modul einen 5V-Regler hat, dann braucht es auch > wenigstens 7V oder mehr Input. 5V reichen da nicht. > Wenn du eine Masseschleife hast, musst du die Masse eben unterbrechen > oder eine zweite galvanisch getrennte Versorgung nutzen. Nein, das SIM900 Modul hat einen 5V Eingang. Der eigentliche SIM900 Chip läuft mit 3,7V oder so, deswegen ja der zweite Regler. Da ich aber nur ein 12V Netzteil habe, muss die SPannung eben auf 5V und dann auf 3,7V.. Den Dropout vom 5V Regler habe ich ja beachtet (Min. 2V) Naja whatever, ich habe das gerade nochmal mit unterbrochener Masseschleife getestet und siehe da die Störung hat sich drastisch verringert. Nun habe ich gegenüber dem Mikrofonsignal nur noch einen kleinen Hub (Siehe Anhang) Die Restliche Störung wird eine Induktive Kopplung sein, da das Mic-Eingangsignale direkt neben der 12V Leitung liegt. Die 9V Versorungsspannung ist jedenfalls nach dem Regler ohne diese Peaks. Ich versuche jetzt mal ein bischen Abstand zwischen den Leiern zu gewinnen, vllt gehts dann ja endlich :)
Nach deinem Schaltbild scheint da noch ein 100µF-Kondensator hinter dem Regler zu sitzen oder ist das schon geändert? Insgesamt könnte der Plan etwas lesbarer sein. Was die Verbesserung des Störsignals angeht, habe ich Zweifel ob das durch die Masseschleife kam. Gewöhnlich fängt man sich da 50Hz-Brummen ein, was aber hier ja nicht der Fall war.
nemesis... schrieb: > Nach deinem Schaltbild scheint da noch ein 100µF-Kondensator > hinter dem Regler zu sitzen oder ist das schon geändert? > Insgesamt könnte der Plan etwas lesbarer sein. > Was die Verbesserung des Störsignals angeht, habe ich Zweifel > ob das durch die Masseschleife kam. Gewöhnlich fängt man sich > da 50Hz-Brummen ein, was aber hier ja nicht der Fall war. Du meinst C31 im Startpost? Den habe ich ausgelötet, nachdem der Einwand kam, das dicke Elkos hinter einem Spannungsregler quatsch sind. Ich denke ich habe es weniger mit der klassichen Masseschleife zutun, sondern um eine Potentialhub auf der Masseleitung über den Klinkestecker.. Habe die nochmal mit angeschlossenem Oszilloskop verbunden und die Störungen wurden schlagartig wieder größer ;) Jetzt gehts an die Feinjustierung, denn auch wenn die Störung nun nur knapp über den eigentlichen Signal liegt, wird das durch die große Verstärkung wieder zu einem echten Störer verstärkt.. hmm
:
Bearbeitet durch User
Florian H. schrieb: > Meine Idee, es mit einer Spulen-Kondensator Kombi zu versuchen, Welchen Sinn soll es machen, einen virtuellen GND per TL071 einzufügen, und dann an diesen virtuellen GND alle verbindungen per Kondenstaor zu machen (C2, C3, C5, C7) ? Welchen Sinn soll es machen, das Mikro per Widerstand zum Spannungsteiler zu machen, und dann den virtuellen GND nicht ebenso als Widerstandsspannungsteiler sondern kondenstaorabgeklockt (C9, C10) zu machen ? Welche Sinn soll es machen, erst den Nullpunkt auf virtuelles GND zu legen, und dann den Ausgang, der ohne Signal genau 0V des virtuellen GND hat, noch mit einem Elko (C8) abzutrennen ? Welchen Sinn soll es machen, den OpAmp Eingang mit C27 vor Gleichspannung zu trennen, und dann keine Verbindung zu einer Gleichspannung herzustellen, z.B. über einen Widerstand zum virtuellen GND ? (das wurde dann ja mit R10 in einem der letzteren Schaltpläne behoben). Welchen Sinn sollen dort 10uF machen ? Welche Poltern unter 10Hz willst du verstärken ? Wie du richtig erkannt hast, reicht nach oben eine Frequenz von 3.5kHz, dann reichen nach unten 150..350 Hz. Dein SIM900 Modul will 3.2..4.8V bei 2A, nicht 5V. http://simcom.ee/documents/SIM900/SIM900_Hardware%20Design_V2.05.pdf Florian H. schrieb: > Anhang3 zeigt nun einen 200 Hz Störer, Wie viel davon kommt über den 2A Strom über die Masseleitung ? Du musst eine Sternverdrahtung machen, ausgehend von der Spannungsquelle. Eigentlich regelt ein 7809 solche Spannungseinbrüche nämlich aus, und das, was er nicht ausregelt, puffern die 100nF an seinem Ausgang. Ok, nicht ganz in Audioqualität, aber ausreichend als Audioversorgungsspannung. Jetzt wäre es schon, deinen viel zu grossen C31 vor den 7809 zu schalten statt dahinter, aber dafür ist keine Spannung mehr da, da der 7809 selbst schon 11.5V braucht. Mna kann noch so was probieren: +----+ +12V --10R--+--|7809|--+------+----+------2k4--+---+ | +----+ | | 1k | 2k4 1000uF | 10uF OpAmp +---+-VGND 47uF +--220nF--+--OpAmp | | | | 1k 100uF | Mikro | GND Sternpunkt-----+----+---+-------+---+ 47k an VGND Wen man nicht, wie du, aus dieser Spannung direkt die virtuelle Masse per Spannungsteiler erzeugt. Der zweite Elko C9 zerstört die Pufferwirkung von C10. Und die Versorgungsspanung des Mirkops sollte auch nicht die 9V sien, sondern 9V über einen Widerstand gepuffert durch einen Kondensator, am besten teilst du 4k7 in 2k4+2k4 und hängst 47uF nach GND (nicht virtuellem GND) dazwischen. Wie viel kommt über Einstreuung des Sendesignals in die Leitungen (Versorgung etc.) des Mikrophonverstärkers ? Probiere es mal aus mit einem 5m weiter weg liegenden Sender (und halte die Mikrophonschaltung sehr klein, unter 10cm, eher 3cm).
Michael B. schrieb: > Florian H. schrieb: >> Meine Idee, es mit einer Spulen-Kondensator Kombi zu versuchen, > > Welchen Sinn soll es machen, einen virtuellen GND per TL071 einzufügen, > und dann an diesen virtuellen GND alle verbindungen per Kondenstaor zu > machen (C2, C3, C5, C7) ? Da muss ich ganz ehrlich zugeben, weil ich dachte, der Operationsverstärker braucht eine Rail-to-Rail Versorgung, ich wollte die Gleichspannungsverstärkung zu 1 machen. Mittlerweile bin ich auch schlauer, muss dafür aber nicht die ganze Schaltung neu aufbauen. Ich bin halt noch Student und das ist meine erste selbst entworfene Schaltung. Also vllt etwas nachsicht, wenn nicht alles perfekt ist. > Welchen Sinn soll es machen, das Mikro per Widerstand zum > Spannungsteiler zu machen, und dann den virtuellen GND nicht ebenso als > Widerstandsspannungsteiler sondern kondenstaorabgeklockt (C9, C10) zu > machen ? Hä, weil des Mikrofon nur aus einem FET besteht? Und durch den Widerstand bekommt es einen Strom der dort fließen kann um das Signal zu erzeugen. C9 habe ich schon ausgelötet. C10 ist weiterhin drin. > Welche Sinn soll es machen, erst den Nullpunkt auf virtuelles GND zu > legen, und dann den Ausgang, der ohne Signal genau 0V des virtuellen GND > hat, noch mit einem Elko (C8) abzutrennen ? Weil der Mikrofoneingang des SIM900 Moduls ebenfalls einen Internen Pullup Widerstand hat. Dessen Spannung aber nicht mit meinem VGND Kompatibel ist. > Welchen Sinn soll es machen, den OpAmp Eingang mit C27 vor > Gleichspannung zu trennen, und dann keine Verbindung zu einer > Gleichspannung herzustellen, z.B. über einen Widerstand zum virtuellen > GND ? (das wurde dann ja mit R10 in einem der letzteren Schaltpläne > behoben). War von Anfang an so, hatte ich nur vergessen einzuzeichnen ;) > Welchen Sinn sollen dort 10uF machen ? Welche Poltern unter 10Hz willst > du verstärken ? Wie du richtig erkannt hast, reicht nach oben eine > Frequenz von 3.5kHz, dann reichen nach unten 150..350 Hz. Gut, könnte ich natürlich einbauen ;) > Dein SIM900 Modul will 3.2..4.8V bei 2A, nicht 5V. > http://simcom.ee/documents/SIM900/SIM900_Hardware%20Design_V2.05.pdf Falsch, da Modul braucht zwar 3.2-4.8V allerdings ist dafür ja ein eigener Regler auf der Platine..MIC39302. Das Modul hat einen 5V Eingang. > Florian H. schrieb: >> Anhang3 zeigt nun einen 200 Hz Störer, > > Wie viel davon kommt über den 2A Strom über die Masseleitung ? Du musst > eine Sternverdrahtung machen, ausgehend von der Spannungsquelle. Hab ich doch. > Eigentlich regelt ein 7809 solche Spannungseinbrüche nämlich aus, und > das, was er nicht ausregelt, puffern die 100nF an seinem Ausgang. Ok, > nicht ganz in Audioqualität, aber ausreichend als > Audioversorgungsspannung. > Jetzt wäre es schon, deinen viel zu grossen C31 vor den 7809 zu schalten > statt dahinter, aber dafür ist keine Spannung mehr da, da der 7809 > selbst schon 11.5V braucht. Mna kann noch so was probieren: Ich habe den 1000µ vom Ausgang auf den Eingang umgebaut. Aber der Strörer ist halt immer noch einen Tick über dem Signal, durch die große Verstärkung wird das wieder zu einem richtigen Störer, aber vllt würde das ja durch einen 100nF Koppelkondensator gedämpft? > +----+ > +12V --10R--+--|7809|--+------+----+------2k4--+---+ > | +----+ | | 1k | 2k4 > 1000uF | 10uF OpAmp +---+-VGND 47uF +--220nF--+--OpAmp > | | | | 1k 100uF | Mikro | > GND Sternpunkt-----+----+---+-------+---+ 47k an VGND > > Wen man nicht, wie du, aus dieser Spannung direkt die virtuelle Masse > per Spannungsteiler erzeugt. Der zweite Elko C9 zerstört die > Pufferwirkung von C10. Und die Versorgungsspanung des Mirkops sollte > auch nicht die 9V sien, sondern 9V über einen Widerstand gepuffert durch > einen Kondensator, am besten teilst du 4k7 in 2k4+2k4 und hängst 47uF > nach GND (nicht virtuellem GND) dazwischen. Jo, werde ich machen ist ja im moment über einen 690 Ohm Widerstand um 10µF angeschlossen. > Wie viel kommt über Einstreuung des Sendesignals in die Leitungen > (Versorgung etc.) des Mikrophonverstärkers ? Probiere es mal aus mit > einem 5m weiter weg liegenden Sender (und halte die Mikrophonschaltung > sehr klein, unter 10cm, eher 3cm). Die Mikrofonschaltung habe ich so klein wie Möglich gebaut (Auf Lochraster) 10*5cm
Bitte melde dich an um einen Beitrag zu schreiben. Anmeldung ist kostenlos und dauert nur eine Minute.
Bestehender Account
Schon ein Account bei Google/GoogleMail? Keine Anmeldung erforderlich!
Mit Google-Account einloggen
Mit Google-Account einloggen
Noch kein Account? Hier anmelden.










