Hallo. Ich hoffe ich bin hier richtig. Habe googel schon durchsucht, Aber nix passendes gefunden. Ich bin kein elektronik experte. Normal versuche ich alles mit einfacher elektrik zu lösen. Mein problem: Ich baue ein komplett elektrisches auto, ähnlich einem rasentraktor. Stahlbau und motoren sind soweit komplett. Steuerung hatte ich über relais und pwm verstärkern schon am laufen. Nur mit der lenkung bin ich unzufrieden. Jetzt bin ich auf das arduino bord gestoßen und finde das ne super sache. Grundlage: Ich habe 2 Joysticks die ich in dem arduino auslese. Diese sollen mir fahr und lenk bewegung erzeugen. 5 pwm ausgänge am arduino sollen viele irliz44n fets schalten. Meine frage: Sollte ich voreiederstände an den fets installieren? Hab für einzelne fets viel gefunden. Aber nix für ne parallel schaltung dieser. Es sollen einmal 7, 2 mal 5 und einmal 3 irliz44n parallel geschaltet werden. Lg und ich hoffe auf hilfe
@Thomas (Gast) >5 pwm ausgänge am arduino sollen viele irliz44n fets schalten. >Meine frage: >Sollte ich voreiederstände an den fets installieren? Hab für einzelne >fets viel gefunden. Aber nix für ne parallel schaltung dieser. >Es sollen einmal 7, 2 mal 5 und einmal 3 irliz44n parallel geschaltet >werden. Bei so vielem MOSFETs sollte man besser MOSFET-Treiber dazwischen schalten. https://www.mikrocontroller.net/articles/MOSFET-%C3%9Cbersicht#MOSFET-Treiber ICL7667 & Co.
Hallo. Danke für die Antwort. Ich bin mir leider nicht ganz sicher, wie viele fets ich nehmen sollte. Mein antrieb besteht aus einem 800 watt und 2 240 watt motoren. Alles an 24v. Bei insgesammt 6 irliz44n sind mir die bach den ersten anfahrversuchen abgeraucht. Deshalb die aufteilung und massieve erhöhung der leistungsbereitstellung. Das fahrzeug wird dann zw. 150 und 400 kg wiegen. Und da sind reserven nicht schlecht. Grad an berg oder in der wiese. Was gibts fpr möglichkeiten die fats anzusteuern? Habe viel mit 180 Ohm gelesen. Ist ein pwm treiber wirklich nötig? Und wenn ja, gibts empfehlungen? Lg
@Thomas (Gast) >Hallo. Danke für die Antwort. Ich bin mir leider nicht ganz sicher, wie >viele fets ich nehmen sollte. Mein antrieb besteht aus einem 800 watt >und 2 240 watt motoren. Alles an 24v. Macht 33A bzw. 10A Nennstrom. Der Anlauf bzw. Blockierstrom liegt gut Faktor 10 drüber ;-) >Bei insgesammt 6 irliz44n sind mir die bach den ersten anfahrversuchen >abgeraucht. Deshalb die aufteilung und massieve erhöhung der >leistungsbereitstellung. Das ist der russische Ansatz. Etwas eleganter sind Leistungsstufen mit elektronischer Strombegrenzung. Sowas gibt es fertig für kleines Geld bei Ebay & Co. >Was gibts fpr möglichkeiten die fats anzusteuern? >Habe viel mit 180 Ohm gelesen. >Ist ein pwm treiber wirklich nötig? Und wenn ja, gibts empfehlungen? Lg "Ich bin kein elektronik experte. Normal versuche ich alles mit einfacher elektrik zu lösen." Kauf dir fertige Endstufen, alles andere wird nix.
Habe ich. Nit denen funktioniert es bedingt. Mein peoblem war die lenkung. Wie mit einem Joystick steuern?! Momentan Funktioniert die lenkung ähnlich wie die antriebe. Um so weiter ich den Joystick auslenke, um so schneller wird eingelenkt. Bis zur begrenzung. Um wieder weniger lenkeinschlag zu bekommen, muss ich momentan den Joystick in entgegengesetzter richtung auslenken. Das macht das gefährt sehr schwer zu bedienen. Daher die idee mit dem arduino den Joystick hub mit dem lenkwinkel vergleichen und gleich zu setzen. Bedeutet, soweit ich den Joystick auslenke, soll auch der lenkwinkel erreicht werden. Und jetzt, durch diese steuerung wäre es ja eigentlich ein einfaches, alle Joystick signale auszuwerten und komplett über das arduino bord zu steuern. Also nicht nur lenken, auch fahren. Nur dafür muss ich wohl mehrere irliz44n parallel schalten, um auf meine leistungsparameter zu kommen. Plus kleine reserven. Also noch mal meine frage, was sollte ich zw einem arduino pwm ausgang und 7 irliz44n schalten?! Lg
Thomas schrieb: > Also noch mal meine frage, was sollte ich zw einem arduino pwm ausgang > und 7 irliz44n schalten?! Lg Das schrob Falk doch schon: Falk B. schrieb: > Kauf dir fertige Endstufen, alles andere wird nix.
Kann man mir nicht einfach auf meine frage antworten? Ich bin für andere ideen offen. Und wie auch schon beschrieben, habe ich auch anderes versucht. Ich würde es gern so versuchen. Und ob das was wird oder nicht, wird sich später raus stellen. Mein kumpel googel hat mir verraten, dass ich zw arduino und dem gate vom fat nen 180 ohm widerstand und zw gate und source 10k ohm schalten soll. Das funktioniert auch soweit ganz gut. Habe es mit nem kleinen motor getestet. Nun will ich 7 fats parallel schalten. Und bevor ich mir den ausgang des arduino oder die fats kaputt mache, war halt die idee hier mal zu fragen. Gibt ja jetzt einige Möglichkeiten. Die erste: einen 180 ohm widerstand und daran die 7 gates schalten. Zweite, 7 180 ohm widerstände an einen arduino ausgang und jeden fat sozusagen nen eigenen widerstand gönnen. Ich weiß nicht ob ich dabei die max. 40 ma am ausgang des arduino überschreite. Vielleicht hat ja jemand sowas oder ähnliches schon probiert. Oder hat noch andere ideen was zw arduino und 7 irliz44n zu schalten ist?! Lg
180 Ohm Gate-Vorwiderstand sind viel zu viel. Die machen dir die Ansteuerung langsam, viel Verlustleistung an den FETs. Sinn ist das Dämpfen von Schwingungen. Wenn du kein Oszi hast: Fang mit 0 Ohm an, wenn das Radio dann nicht geht, taste dich langsam hoch, 1 Ohm, 2 Ohm, ... 10 Ohm. Sinn des Gate-Widerstands ist nicht der Schutz des AVR-Ports vor überlastung! CMOS Ports sind von Anfang an und von Grund auf dazu designed, andere FET-Gates im Rahmen des Fan-Out ohne Widerstände umzuladen. Aber: Du brauchst einen FET-Treiber, soviel parallelgeschaltete Gates kriegt der AVR nicht schnell genug umgeladen. Wenn du sowieso einen Gate-Treiber hast: Such andere FETs, dann muss es kein Logic-Level mehr sein. "Normale" FETs mit z.B. 12V-Gatespannung sind z.T. viel besser. Achte auf gute&kurze Verbindungen von Gate-Treiber zu FETs, sowohl zu Gate als auch Source!.
@ Thomas (Gast) >Habe ich. Nit denen funktioniert es bedingt. Mein peoblem war die >lenkung. Wie mit einem Joystick steuern?! Momentan Funktioniert die >lenkung ähnlich wie die antriebe. Um so weiter ich den Joystick >auslenke, um so schneller wird eingelenkt. Bis zur begrenzung. Um wieder >weniger lenkeinschlag zu bekommen, muss ich momentan den Joystick in >entgegengesetzter richtung auslenken. Das macht das gefährt sehr schwer >zu bedienen. Daher die idee mit dem arduino den Joystick hub mit dem >lenkwinkel vergleichen und gleich zu setzen. Bedeutet, soweit ich den >Joystick auslenke, soll auch der lenkwinkel erreicht werden. Das kann man ja machen, das ist ja "nur" die Logik. Aber Leistungsendstufen sind eine GANZ andere Liga! >steuern. Also nicht nur lenken, auch fahren. Nur dafür muss ich wohl >mehrere irliz44n parallel schalten, um auf meine leistungsparameter zu >kommen. Plus kleine reserven. Du musst vor allem mal lernen zuzuhören und mitzudenken! >Also noch mal meine frage, was sollte ich zw einem arduino pwm ausgang >und 7 irliz44n schalten?! Lg Sagte ich das nicht bereits?
@Thomas (Gast) >Kann man mir nicht einfach auf meine frage antworten? Lern lesen. >Ich bin für andere ideen offen. Auch die hat man dir gegeben! Du bist aber bockig und auf deine "Lösung" fixiert. > Und wie auch schon beschrieben, habe ich auch anderes >versucht. >Ich würde es gern so versuchen. >Und ob das was wird oder nicht, wird sich später raus stellen. Na dann mach mal. >Mein kumpel googel hat mir verraten, dass ich zw arduino und dem gate >vom fat Ist das die coole Schreibweise oder Legasthenie? Es heißt FET, genauer MOSFET. >nen 180 ohm widerstand und zw gate und source 10k ohm schalten >soll. Das funktioniert auch soweit ganz gut. Habe es mit nem kleinen >motor getestet. Ja, mit einem KLEINEN Motor. >Nun will ich 7 fats parallel schalten. Und bevor ich mir den ausgang des >arduino oder die fats kaputt mache, war halt die idee hier mal zu >fragen. Und dazu gab es eine Antwort. Nimm MOSFET-Treiber.
Wenn du die Lenkung auch elektrisch machen willst, brauchst du einen Servokreis (ähnlich wie ein Modellbauservo), bei dem an der Lenkstange eine Rückmeldung ist. Diese geht wieder zurück zum MC und dient als Istwert. Mit dem Joystick stellt du den Sollwert ein. Die Software im MC steuert nun die Lenkendstufe so, das sie probiert, Soll- und Istwert zur Deckung zu bringen. Vorsicht, das ist nicht trivial, denn es ist ein sicherheitsrelevanter Regelkreis. Du musst also sorgfältig alle Raceconditions der Regelung vermeiden und dafür sorgen, das der Istwert vom Sensor sauber und ohne Artefakte ist, genauso die Signale vom Joystick. Für jemanden ohne grosse Software Ahnung ist es da empfehlenswert, sich eine Spezi hinzuzuziehen.
Hallo planlos. Danke für die antwort. So würde ich mir das vorstellen. Ich werde mich mal mit gate treibern beschäftigen. Somit könnte ich ja dann mit einem treiber alle fets ansteuern. Nur sollte ich den 10k widerstand zwischen gate und source am fet trotzdem bei behalten? Einen einzelner irliz44n sollte ja direkt am arduino ausgang funktionieren. Mit den gate widerstand teste ich mich ran :-) für meine lenkung sollte einer völlig ausreichend sein Allgemein: ich bin nicht sehr oft in foren unterwegs. Wenn meine Fragestellung unsachlich sind, bitte ich das zu verzeihen. Ich bin hier um etwas dazu zu lernen. Klar ist das ein sehr weitläufiges Gebiet. Und wenns nicht klappt, dann kann ich immer noch was fertiges verwenden. Kann nachher auch gern zeichnungen und bilder zum geplanten Objekt einstellen. Lg
>Nur sollte ich den 10k widerstand zwischen gate und source am fet >trotzdem bei behalten? Beschäftige Dich bitte erst mit den Treibern, Schaltbeispielen dazu und stell dann gezielt Fragen dazu. 10kOhm ist für Deine Anwendung sicher Quatsch. >Einen einzelner irliz44n sollte ja direkt am arduino ausgang >funktionieren. Mit den gate widerstand teste ich mich ran :-) für meine >lenkung sollte einer völlig ausreichend sein Wieso dann wieder dieser Text? Willst Du Deine bisher geplante Lösung verwenden, bittesehr. Dann frag aber bitte nicht weiter nach der besseren Lösung. Sondern mach einfach Deinen Stiefel weiter. Wenn Du dann auf die Schnauze gefallen bist, dann kannst Du Dich ja wieder melden.
ein IR2184 (zum Beispiel) schafft es NICHT, 10x IRLIZ44N "ordentlich" anzusteuern. Du musst hier nach einem Treiber mit hohem maximalstrom suchen. Mach aus den vorhandenen 24Volt stabile 15 und steuere deine (neu auszusuchenden) MOSFETs damit an. TO247 sollte als Gehäuse dabei stehen. Minimalspannung 75Volt. (IRFP064N?) parallel zu jedem FET (oder zu allen, je nach aufbau) ein (google:"snubber")glied schalten. Die FETS sterben sonst an Überspannung wegen den paras. Induktivitäten. die Anschlüsse zu den Fets alle gleich lang machen.Die FETs sollten für den "Avalanchebetrieb" ausgelegt sein. parallel zur Versorgung und bei den FETS GANZ DICHT ein schneller, aber doch dicker Elko, der die Überspannung "frisst". usw. Ehj, da gibt es soo viel zu beachten... StromTuner
Hi, was Falk dir auf seine Art sagen will... Lese mal Aufmerksam das geschriebene: Thomas schrieb: > Steuerung hatte ich über > relais und pwm verstärkern schon am laufen Falk B. schrieb: > Das kann man ja machen, das ist ja "nur" die Logik. Aber > Leistungsendstufen sind eine GANZ andere Liga! Falk B. schrieb: > Kauf dir fertige Endstufen, alles andere wird nix. Jetzt könnte man ja mal auf die Idee kommen evtl. die vorhandene Endstufe (und funktionierende) mit einem Arduino anzusteuern. Nur mal so als ganz ganz weit hergeholte Überlegung ;) Gruß Matze
Hallo gatetreiber. Ich habe 3 fahrmotoren und ein lenkmotor verbaut. Bei den fahrmotoren sind hohe stöme zu erwarten. Die lenkung hingegen nimmt um die 3 Ampere. Also wollte ich einen ausgang ohne treiber und 3 ausgänge mit treibern versehen. Der 10k widerstand ist ja eigentlich zum entladen des fets, wenn ich es richtig verstanden habe. Hallo mathias, Die lenkung bedient ein ganz normaler motor, der mit einem massiven winkelgetriebe die räder ein lenkt. Da habe ich ein poti für den lenkwinkel angebracht. Die Programmierung ist kein problem. Dienstlich habe ich damit viel zutun und habe auch noch nen Ingenieur zur hand. Die lenk Geschwindigkeit ist nicht all zu hoch, genauso wie die Fahrgeschwindigkeit. Max 7 kmh. Danke für die infos ;-)
Hallo m.p. Meine endstufen sind ausreichend für die kleinen motoren. Für den großen benötige ich eine andere lösung. Hallo stromtuner. Interessante punkte. Ich werde mich heute abend damit mal näher befassen ;-) Lg
Hallo Thomas, Warum genau verbaust du die iz Version? Nimm lieber die ohne iz. Freundliche Grüße, Richard
Hi, will dir echt nicht zu nahe treten... Aber das wird so nix! Thomas schrieb: > Der 10k widerstand ist ja eigentlich zum entladen des fets, wenn ich es > richtig verstanden habe. Nein. Das ist nur ein Pulldown. Weiter: 1. Der Lenkmotor muss ja bestimmt in beide Richtungen drehen. Also benötigst Du eine H-Brücke. Die besteht schon mal aus 4 Transistoren. 2. Die 3A sind ja schön und gut aber was nimmt der auf wenn er blockiert ist? DAS ist der Strom um den du dich kümmern musst. Stichwort Strombegrenzung. Glaub mir das ist alles andere als einfach! Beim Lenkmotor gehts noch. Bei den anderen unmöglich... Dazu wirst du gar nicht die notwendigen Messgeräte haben. Ich habe ja mal (vor gefühlten tausend Jahren) Elektroniker gelernt... Aber ich würde trotzdem fertige Regler nehmen damit man auch mal zum Ziel kommt. Schau dir doch mal Modellbauregler für Autos an. Sind Fertig, mit dem Arduino in 5 Minuten angesteuert, günstig und haben alles drin was du brauchst. Gruß Matze
Hallo matze, Richtungsänderung aller motoren realisiere ich über relais. Für die fahrmotoren nutze ich richtungskontakte an den Joysticks. Fürs lenken werden dann 2 ausgänge vom arduino genommen. Ich merke schon, wird etwas aufwendiger. An sich habe ich nur das problem den großen motor anzusteuern. Da war ursprünglich meine idee einen versterker zu nehmen und den um ein paar fets zu erweitern. Momentan hat er 5. Dieser kommt aber aus china und man hat alle bezeichnungen entfernt. Meine momentan genutzten verstärker haben einen eingang von 0 bis 5 volt. Somit kann ich diesen nicht direkt mit dem arduino ansteuern. Daher meine Überlegung einen komplett anderen weg zu gehen. Wie gesagt, bildet und infos folgen heute abend. Trotzdem schon mal vielen Dank für die zahlreichen ratschläge ;-)
Falk B. schrieb: > Ist das die coole Schreibweise oder Legasthenie? Es heißt FET, > genauer MOSFET. May be: He need a fat FET. :-)
Na dann mal los. Und immer gut lüften! Thomas schrieb: > Meine momentan genutzten verstärker haben einen eingang von 0 bis 5 > volt. Somit kann ich diesen nicht direkt mit dem arduino ansteuern. Verdammt! Ich sollte mal einen DA-Wandler für 1,50€ erfinden. Könnte die Millionen nur so scheffeln ;-) Gruß Matze
Das wäre eine Überlegung wenn die verstärker die benötigte leistung bereit stellen würden. Ich hab jetzt verschiedene Lösungsansätze, mal sehen wie es am besten gelingen kann.
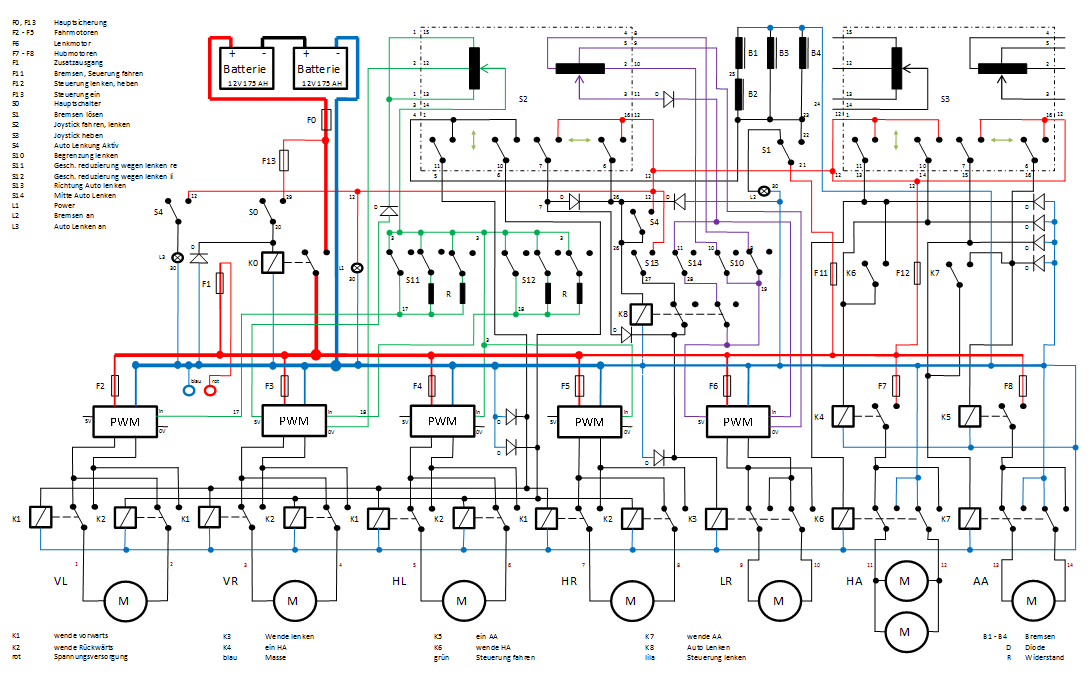
Hier mal ein paar bilder vom gesammten objekt, der lenkung und den antrieben, Der steuerung, der momentan verbauten endstufen und der plan dazu. Sicher nicht sehr übersichtlich gezeichnet... bei fragen einfach fragen. Lg
Ich glaube ich habe noch eine komplette Lenksteuerung. Musst du nur ein Motor mit zwei Reihenschlussfeldern haben. Melde dich mal an und dann guck ich mal, ob ich noch eine habe die heile ist. Gegen Porto.
Das mondmobil is ein witz dagegen ;-) Ja es sieht noch sehr "roh" aus. Der Schaltschrank wird noch liegend umgebaut... Verkleidungen hab ich auch schon fast fertig. Ich will aber nicht alles zusammenbauen, wenn noch es noch nicht komplett funktioniert und weil ichs zum schluss eh komplett zerlege um alles zu lackieren... Hallo f.fo, An sich ist das alles fertig, mir gehts an sich nur um die ansteuerung der motoren, vor allem aber dem kräftigen Antriebsmotor.
oha! Kabelquerschnitt wird unterberwertet. Das ist keine Glühlampe. Da fließt richtig Strom! Der Rückstrom erzeugt auf der Masseseite hohe negative Spannungsspitzen, die alles durcheinander bringen. Sieht natürlich darüber hinaus sehr ordentlich aus, das alles. 35mm², ordentliche Adernendhülsen, Übergangswiderstände minimieren, Abblockkondensatoren überall. usw. StromTuner
Thomas schrieb: > vor allem aber dem kräftigen Antriebsmotor. Dann kauf dir doch ne Curtis. Die sind bestens geeignet, gehen selten kaputt und im Netz sind die auch nicht so teuer. Außerdem sind sie recht klein.
Thomas schrieb: > Sollte ich voreiederstände an den fets installieren? Hab für einzelne > fets viel gefunden. Aber nix für ne parallel schaltung dieser. Es sollen > einmal 7, 2 mal 5 und einmal 3 irliz44n parallel geschaltet werden. Ja, müssen sein, Begründung: http://www.irf.com/technical-info/appnotes/an-941.pdf Thomas schrieb: > Mein antrieb besteht aus einem 800 watt und 2 240 watt motoren. Alles an > 24v. > Bei insgesammt 6 irliz44n sind mir die bach den ersten anfahrversuchen > abgeraucht Natürlich. Es zählt bei schneller und damit schnell kaputtgehender Elektronik auch der Anlaufstron=Blockierstrom=Betriebsspannung/Innenwiederstand, und der ist deutlich höher als der Nennstrom den der Motor im Dauerbetrieb ohne Überhitzung überlebt, so 2-10 mal so hoch. Thomas schrieb: > 20160719_212834.jpg Lochrasteraufbau ist bei schnellen MOSFET Treibern ungeeignet, niederinduktive Masse-Plane ist nötig. Thomas schrieb: > Ich werde mich mal mit gate treibern beschäftigen. Somit könnte ich ja > dann mit einem treiber alle fets ansteuern. > Nur sollte ich den 10k widerstand zwischen gate und source am fet > trotzdem bei behalten? Bei Gate-Treibern kommen die an den EINGANG des Gate Treibers, bleiben also beim Ausgang des uC.
MaWin schrieb: > Lochrasteraufbau ist bei schnellen MOSFET Treibern ungeeignet, > niederinduktive Masse-Plane ist nötig. Gib mal bitte ein Beispiel, wo du weißt, dass das definitiv nicht klappt.
F. F. schrieb: > Dann kauf dir doch ne Curtis. Habe gerade mal deinen Schaltplan angesehen, da ziehe ich die Curtis mal zurück. Alter Schwede, der Maßrover ist ein Scheiß dagegen. Wofür die vielen Motore?
Guten morgen f.fo Motoren: jeweils am gelenkten antriebsrad einer, anderen 2 räder über einen motor mit differenzial (ursprünglich waren da auch jeweils pro rad ein motor geplant, hat aber mechanisch nicht funktioniert, bei dem plan müsste dann der motor ganz links weg) Lenkmotor, hubmotor (doppelte ausführung) und arbeitsmotor. Die letzten 3 sind für den hubarm und haben nix mit der fahrbewegung zutun. Ich hoffe mein e plan ist halbwegs leserlich :-) Danke mawim für die infos. Momentan ist grad meine zeit etwas knapp bemessen. Übers Wochenende werde ich aber weiter tüfteln ;-) Hallo stromtuner, Pro motor arbeite ich mit 5mm2 Versorgung über 16mm2 Die hubmotoren habe ich mit 2,5mm2 angeschlossen. Erstmal sollte das ausreichen zumal die kabellängen meist unter einem meter liegen... aber die querschnitte zu erhöhen, kann nicht falsch sein. Danke
F. F. schrieb: > MaWin schrieb: > Lochrasteraufbau ist bei schnellen MOSFET Treibern ungeeignet, > niederinduktive Masse-Plane ist nötig. > > Gib mal bitte ein Beispiel, wo du weißt, dass das definitiv nicht > klappt. Alleine hier um Forum hatte einer Probleme damit trotz Platine, aber eben schlechter Platine mit lochrasterähnlicher Leiterbahnführung Ist allerdings Jahre her, und die Suchfunktion.... Die Physik ist aber klar, bei 10nH/cm und 1000-10000V/us gibt es eben Masseversatz ohne Ende.
Mawin, wenn ich über die löcher eine zinn spur ziehe, müsste es doch besser gehen. Und auch vom strom her ist das ja sinnvoll. Verdrahtung quer zu den lochbahnen wird mit mehreren 0,5mm2 realisiert. Ist sowieso irgendwie n ding, dass das funktioniert. Ich komme und gehe mit 5mm2 adern an die verstärker und die kleinen beinchen an den mosfets halten das aus...
Thomas schrieb: > Ich komme und gehe mit 5mm2 > adern an die verstärker und die kleinen beinchen an den mosfets halten > das aus... Das liegt daran, dass die Beinchen nicht besonders lang sind. Überleg nur mal, auf dem Chip selbst sind die Leiterbahnen nur wenige 100um breit und wenige 10u tief...wenn überhaupt... ;)
MaWin schrieb: > Alleine hier um Forum hatte einer Probleme damit trotz Platine, aber > eben schlechter Platine mit lochrasterähnlicher Leiterbahnführung Ist > allerdings Jahre her, So was finde ich immer sehr interessant und am meisten interessieren mich die Lösungen, wie dann jemand auf diesen Umstand kam.
Ich hatte auch die idee einen von den Verstärkern aus china etwas nach zu rüsten. Aauf meiner skizze ist zu sehen, was vor jedem der 5 mosfets geschaltet ist. Und der alle 5 dind parallel verbunden. Könnt ihr mir nen tipp geben, ob ich da nicht einfach so vorgeschalten noch ein paar weitere dazu bringen kann? Irgendwann wird der treiber das sicher nicht mehr schaffen... oder? Ich habe von den verstärkern ne menge rum liegen. Und meine idee war jetzt, einfach einen zweiten nehmen und nur die mosfets und die ansteuerung drauf zu lassen und das steuersignal auf dem originalen zu klauen und auf den zweiten zu bringen. Und halt den rest parallel anschließen...
Thomas schrieb: > wenn ich über die löcher eine zinn spur ziehe, müsste es doch > besser gehen. nix da, (verzinnten)Kupferdraht legen, bei Masse und dicken Strömen auch gerne ma1 1,5mm² oder breite selbstklebende Kupferfolie! Nur Zinnbahnen haben irgendwas um 6-fach höheren Widerstand, ob man wirklich 6x mehr Zinnquerschnitt zum Ausgleich überall hat bleibt unbekannt. Kann natürlich mit einem Milliohmmeter oder 4w-Messung festgestellt werden.
Hallo. Hab etwas Experimentiert... An die china verstärker einfach noch ein paar mosfets parallel schalten, klappt nur begrenzt. Meine frage ist nun, kann man an den arduino pwm ausgang nen wandler schalten, der 0 - 5v generiert?? Also damit ich die china verstärker ansteuern kann? Lg
Thomas schrieb: > Meine frage ist nun, kann man an den arduino pwm ausgang nen wandler > schalten, der 0 - 5v generiert? Natürlich kann man das machen, warum sollte dass denn nicht gehen? Was du suchst nennt sich Mosfettreiber. Alternativ könnte man auch einen "Motortreiber" zweckentfremden, z.B. einen L293 oder L298 (sind beides Halbbrücken-Treiber die gerne für DC-Motoren verwendet werden/wurden).
Hallo m.köhler, Ich habe verstärker, die zum regeln einen 0 bis 5 volt eingang haben. Das arduino bord hat aber nen pwm ausgang. Das würde sich nicht vertragen. Der mosfet treiber ist doch eigentlich eher dafür da, die mosfets sauber durchzusteuern?! Und dabei den ausgang nicht zu überlasten...
Aber wenn das Steuereingänge eines Verstärkers sind sollte das doch kein Problem sein, die sollten doch nahezu leistungsfrei ansteuerbar sein oder? ggf. hilft dir bei deinem Problem auch eine Gegentaktstufe.
Könnte noch mal jemand helfen? Es geht um ne kleine Spannungsversorgung für die steuerung meines Fahrzeugs.... Brauche 5 und 12 volt. Habe dazu jeweils einen 7805 und einen 7812 verbaut. Eingansseitig 24v und gegen masse nen kondensator gegen masse mit 100 nf. Ausgangsseitig Kondensatoren 100 nf und 47yf. Am ausgang hängen momentan leds mit entsprechenden vorwiderständen. Sonst keine last. Beide liefern ihre spannungen. Nur werden sie innerhalb von 5 min sehr warm (ca. 50 grad) Stören die großen kondensatoren? Oder habe ich die kleinen falsch gewählt?! Lg
Dann rechne mal die Verlustleistung aus. Die Kondensatoren sind soweit ok, aber der 5 Volt Regler verbrät 19 Volt, der 12 Volt-Regler 12 Volt und beides mal dem Strom der jeweils fließt. Da wird schon was warm.
Hallo. Ich bitte noch mal um hilfe. Mein Antriebsmotor hat 4 Anschlüsse. Augenscheinlich auch 4 bürsten. Aus dem motor kommen 2 mal 2 adern. Zwischen jeder zu jeder ader habe ich 1,2 ohm. Also haben die alle kreuz und quer kontakt. Meine frage: Ich will den motor mittels mosfets antsteuern. Kann ich pro aderpaar mit einem mosfet ansteuern oder lieber die paare parallel zusammen an einen mosfet?! Lieber wäre mir natürlich jedes paar einzeln ansteuern, weil sich dann die last auf 2 mosfets verteilt. Momentan habe ich sie parallel, was meinem mosfet nicht gefällt...
Frage hat sich erübrigt. Wenn ich je einem polpaar von einem mosfet ansteuern lasse, knallen die direkt weg. Beide polpaare parallel an einem mosfet geht. Habe bis jetzt irliz44n mosfets genutzt. Leider zu schwach. Mein Fahrzeug fährt damit zwar, aber nicht sehr lange. Kann ich die irliz44n gegen irl1404 tauschen? Sind beides logiklevel mosfets. Und nächste frage, kann ich auch 2 irl1404 parallel betreiben, mit entsprechendem höheren gate widerstand? Also möglichst direkt an einem arduino ausgang... Ich werde dazu auch die Frequenz von momentan 16000 herz auf ca 1000 reduzieren. Könnte das gehen?
Hier mal ein neuer schaltplan. könntet ihr da nen blick drüber werfen, ob die ein und ausgänge vom arduino so machbar wären?!
Ich meine natürlich den 2. Plan. Da ist die ein und ausgangsbeschaltung für die arduinos gezeichnet. Der erste plan ist nur zur Verständnis mit dabei. Da sieht man, was angesteuert wird...
Thomas schrieb: >Also möglichst direkt an einem arduino ausgang... Hast während der letzten 2000 Beiträge immer noch nicht mitbekommen, dass man dir MOSFET-Gatetreiber ICs empfiehlt? Wie viele Kilogram kaputte FETs haben sich bei dir schon angehäuft? > Ich werde dazu auch die Frequenz von momentan 16000 herz auf ca 1000 > reduzieren. Könnte das gehen? Ich schlage 440 Hertz vor, das ist der Kammerton A. Das klingt schöner. Mit 16kHz verjagst du immer noch Kinder, Hunde, Fledermäuse... Dass du bei hohen Frequenzen Probleme hast, liegt daran dass deine Gate-Ansteuerung schlecht ist. Daher braten dir die FETs durch. Zu dem Schaltplan brauche ich nicht viel zu sagen. Einmal ist der selbst total unübersichtlich, zweitens ist das gesamte Konzept total dämlich. 7 FETs parallel schalten, aber dann ne lahme Gateansteuerung mit Widerständen an 5V. Du hast ne Heizung gebaut, keine Motorsteuerung!
Hallo Sascha, Mit den gate treibern komme ich irgendwie nicht so richtig klar. Kann nix so richtig finden, was da für meinen aufbau sinnvoll wäre. Und weiter will ich eigentlich den aufbau simpel halten. Bis jetzt habe ich 2 irliz44n kaputt gemacht. Mit den beiden habe ich alle motoren betrieben. Ging ne halbe stunde, und dann hab ich den blockierzustand erzeugt (bin gegen die wand gefahren) räder haben kurz durch gedreht, dann waren die irliz44n irgendwie andauernd leitend und danach kam die sicherung. Also eigentlich ein zufrieden stellendes ergebnis. Kann auch sein, dass meine Freilauf dioden zu schwach waren.... 3 mosfets sollen dann mein Fahrzeug antreiben. Momentan waren es zwei. Und anstelle von irliz44n sollen irl1404 genutzt werden. Diese sind ja deutlich leistungsfähiger. Zu dem thema gate treiber, wenn ich einen logiklevel mosfet pro arduino pwm ausgang betreibe, wozu dann der gate treiber? Die Frequenz habe ich eigentlich nur runter genommen, um weniger schaltvorgänge im mosfet zu haben. Und damit ist die Erwärmung geringer. Große geräuache waren da auch keine... Was ist an dem konzept nicht gut? Ok, der schaltplan ist nicht der beste... sollte aber ausreichend sein
Thomas schrieb: > Hallo Sascha, > Mit den gate treibern komme ich irgendwie nicht so richtig klar. Kann > nix so richtig finden, was da für meinen aufbau sinnvoll wäre. Steht in jedem Gatetreiber IC Datenblatt wie der zu verschalten ist. IR2110 als Beispiel. > Und weiter will ich eigentlich den aufbau simpel halten. Ob du das Ziel erreicht hast wage ich zu bezweifeln. > Bis jetzt habe ich 2 irliz44n kaputt gemacht. Mit den beiden habe ich > alle motoren betrieben. Ging ne halbe stunde, und dann hab ich den > blockierzustand erzeugt (bin gegen die wand gefahren) räder haben kurz > durch gedreht, dann waren die irliz44n irgendwie andauernd leitend und > danach kam die sicherung. > Also eigentlich ein zufrieden stellendes ergebnis. Das nennst du zufriedenstellend? Wenn die FETs durchlegieren und DANACH die Sicherung auslöst? > Kann auch sein, dass meine Freilauf dioden zu schwach waren.... Dann wären die ja durchgebrannt und nicht die Transistoren. Ausserdem: Wissen, nicht glauben. > 3 mosfets sollen dann mein Fahrzeug antreiben. Momentan waren es zwei. > Und anstelle von irliz44n sollen irl1404 genutzt werden. Diese sind ja > deutlich leistungsfähiger. > Zu dem thema gate treiber, wenn ich einen logiklevel mosfet pro arduino > pwm ausgang betreibe, wozu dann der gate treiber? > Die Frequenz habe ich eigentlich nur runter genommen, um weniger > schaltvorgänge im mosfet zu haben. Und damit ist die Erwärmung geringer. > Große geräuache waren da auch keine... Ah, die Erwärmung ist geringer, wenn die Frequenz sinkt. Was sagt uns das? Deine Gate-Ansteuerung ist Kappes. 5V sind zu wenig für optimalen Rdson und die Schaltzeiten sind bestimmt auch nicht optimal, denn son µC Pin ist kein Gatetreiber. Pro IRL1404 müssen mindestens 140nC Kapazität umgeladen werden und zwar in möglichst kurzer Zeit. Gatetreiber sind dazu ideal, µC Pins nicht. > Was ist an dem konzept nicht gut? Die ganze Parallelschaltungssache ist schlecht durchdacht. Es gibt dicke Einzel-FETs die wunderbar die Ströme vertragen, die bei dir vorkommen. Und dann stört der positive Temperaturkoeffizient eines MOSFET auch nicht mehr. > Ok, der schaltplan ist nicht der beste... sollte aber ausreichend sein Viel zu viele Linien. Da macht man überall Vcc und Gnd Symbole dran, statt die Versorgungsleitungen durchzuziehen. Und den Elektromotor tatsächlich einzuzeichnen würde auch nicht schaden.
Sascha, danke für deine gute Erklärung und deine zeit. Ich habe den plan gezeichnet, wie ich es dann aufbauen will. Es gibt eine hauptzeichnung, in der die arduinos mit den leistungs ein und ausgängen integriert gezeichnet sind. Das verdrahte ich in meinem steuerungskasten. Der 2. Plan stellt die leistungs ein und ausgänge dar. Das kommt alles auf eine platine mit kupfer schienen. So meine idee. Ich habe nix parallel geschaltet. Pro arduino ausgang und pro motor ein mosfet. Hast du einen tip, welche mosfets und auch welche treiber da sinnvoll wären?? Bei der Temperatur hatte ich nicht wirklich probleme, nach ner halben stunde fahren konnte ich die Kühlkörper noch kurz berühren. Denke mal um die 60 grad hatten diese... Hatte auch von anderen gehört, ne niedrigere frequenz ist bei den großen motoren kein Problem. Und ich versuche halt auch an jeder stelle optimal mit der elektronik um zu gehen. Es hat nur bei dem blockiertem zustand schaden genommen. Sonst ging es ja. Zumal ich dann 3 statt 2 deutlich kräftigere mosfets verwenden will. Ich denke auch noch über eine strombegrenzung nach... Lg
Mehr Mosfets bringen dir nichts, da du mit dem selben Strom 3 Gates umladen mußt, was dann 3x solange dauert, wenn du nicht den Ladevorgang durch niederohmigere Ansteuerung beschleunigst. Das Einzige weswegen es mehr schlecht als recht funktionieren kann, weil sich die Verlustleistung auf 3 nicht ganz leitende FETs aufteilt. Guck dir mal den IRFP064N an. Den mit einem vernünfigen Gate Treiber und 12V oder mehr am Gate, da schützt dann auch nicht mehr der FET die Sicherung, sondern die Sicherung den FET :-) Ich habe den zwar nur statisch betrieben, aber ich habe ihn mit 12V angesteuert und von einem 12V Bleiakku eine Dieselglühkerze betrieben. Da flossen schon mal 15A rum, im kalten Zustand auch mal kurzzeitig mehr. Ich hatte eine 20A KFZ Sicherung in Reihe und habe bewußt auch mal den Worst Case mit Kurzschluss der Glühkerze simuliert. Die Sicherung brannte ab und der FET war gerade mal handwarm - ohne Kühlung! Fazit: Test bestanden und alltagstauglich.
Gerald B. schrieb: > Ich hatte eine 20A KFZ Sicherung in Reihe und habe bewußt auch mal > den Worst Case mit Kurzschluss der Glühkerze simuliert. Die Sicherung > brannte ab und der FET war gerade mal handwarm - ohne Kühlung! > Fazit: Test bestanden und alltagstauglich. Interessante Argumentationskette, sicher alltagstauglich....
Wozu gibt es dann logiklevel mosfets?? Und ich betreibe einen! Pro arduino ausgang. Ich wollte eigentlich nur wissen, ob es so funktionieren kann, wie gezeichnet. Und ich meine nicht das ganze Projekt, eher nur die ein und ausgangsbeschaltung um den arduino. Es sollen natürlich nie sicherungen auslösen. Wenn alles gut funktioniert, wird das auch nicht passiern. Ich fange jetzt das 3. Neue Konzept an und wollte meinungen hören und vielleicht auch was zu der Beschaltung, wenn ich es so aufbauen würde. Ich besitze leider nicht ausreichend messtechnik um alles selber zu prüfen. Und wenn jemand tipps zu mosfets mit großer leistung und auch für treiber hat... immer her damit.
Thomas schrieb: > Wozu gibt es dann logiklevel mosfets? Das sind mosfets, die eine Schwellspannung haben die niedrig genug ist, um mit TTL Pegel vernünfig und sicher durchzuschalten. Aber das hat seine Nachteile, vor allem bei hohen Strömen. Bei MOSFET Transistoren gilt im Allgemeinen (auch in jedem Datenblatt nachzulesen): Mehr Ugs ergibt weniger Rdson. Und da P = I² * R zählt da jedes Milliohm, wenn die Ströme hoch werden. Also: Gatetreiber. IR2110 und IRL1404 an 12V Betriebsspannung und das dann 2 Mal aufgebaut. Beschaltung siehe Datenblatt.
Zwei mal aufgebaut bedeutet, pro ausgang vom arduino? Aber das war mal echt hilfreich!!! Ich werde mal einen kreis zum test aufbaun und später berichten. Danke ;-)
Thomas schrieb: > Zwei mal aufgebaut bedeutet, pro ausgang vom arduino? > Aber das war mal echt hilfreich!!! > Ich werde mal einen kreis zum test aufbaun und später berichten. > Danke ;-) Jeder IR2110 ist ne Halbbrücke, für ne H-Brücke braucht man zwei. Es sei denn, der jeweilige Elektromotor muss nicht rückwärts drehen können. Dann reicht ne Halbbrücke mit Freilaufdiode.
Rückwerts und vorwärts wird über relais realisiert. Ich nutze 3 arduino pwm ausgänge für 3 fahrmotoren. Diese werden über 8 kfz relais jewails vorwärts oder Rückwerts angesteuert. Bei keiner Betätigung werden die motorwicklungen kurz geschlossen. Was bei eine erhebliche bremsung zur folge hat. Die anderen 3 pwm ausgänge nutze ich für den lenkmotor und 2 Hubmotoren. Richtung wird immer über relais geschaltet. Also 6 mal je ein pwm ausgang mit einem mosfet dahinter und noch mal 5 ausgänge, welche die richtungs relais ansteuern. Ist in meinen plänen auch so gezeichnet. Noch immer ist meine fage, passt de beschaltung so? Mit irliz44n mosfets hatte es funktioniert. Ob es jetzt so funktioniert, kann ich nur mit nem test heraus finden. Oder es sagt jemand, mein schaltplan ist falsch. Bezüglich der widerstände oder auch der sonstigen bauteile. Ich merke aber schon, dass hier keine hilfe zu erwarten ist. Bis auf sascha wurde einfach nur gemeckert....
Thomas schrieb: > Rückwerts und vorwärts wird über relais realisiert. Ich nutze 3 > arduino > pwm ausgänge für 3 fahrmotoren. Diese werden über 8 kfz relais jewails > vorwärts oder Rückwerts angesteuert. Kann man so machen. Wäre aber ne schöne Aufgabe für ne H-Brücke. > Bei keiner Betätigung werden die > motorwicklungen kurz geschlossen. Was bei eine erhebliche bremsung zur > folge hat. Hä? Auf Deutsch bitte? > Die anderen 3 pwm ausgänge nutze ich für den lenkmotor und 2 Hubmotoren. > Richtung wird immer über relais geschaltet. > Also 6 mal je ein pwm ausgang mit einem mosfet dahinter und noch mal 5 > ausgänge, welche die richtungs relais ansteuern. Jaja is klar soweit, PWM + Relais. > Ist in meinen plänen auch so gezeichnet. Zur Übersichtlichkeit der Pläne wurde schon was gesagt. > Noch immer ist meine fage, passt de beschaltung so? > Mit irliz44n mosfets hatte es funktioniert. Ob es jetzt so funktioniert, > kann ich nur mit nem test heraus finden. > Oder es sagt jemand, mein schaltplan ist falsch. > Bezüglich der widerstände oder auch der sonstigen bauteile. Nochmal: Die Widerstände an den FETs führen zu hoher Verlustleistung, das macht man mit Gatetreibern. Man KANN das so machen wie du (direkt am µC Pin mit Widerständen), aber dann werden die FETs halt sehr warm und gehen ggf. kaputt. Bei einer ordentlichen Ansteuerung mit 12V Ugs und Schaltzeiten im ns Bereich ist das nicht zu erwarten. Weiterhin scheinst du die Relais direkt am µC zu haben. Beim Schalten induktiver Lasten immer ne Freilaufdiode! > Ich merke aber schon, dass hier keine hilfe zu erwarten ist. Bis auf > sascha wurde einfach nur gemeckert.... Nicht ganz zu Unrecht. Alle deine Fragen beziehen sich auf irgendwelche Details deiner Schaltung, auf die Kritik dass die Schaltung im Allgemeinen grobe Designfehler hat, gehst du gar nicht ein. Und meine Geduld ist auch so langsam am Ende. Lad dir mal ein Schaltplanprogramm wie Eagle herunter, bau dann da nen IR2110 ein, dazu nen MOSFET deiner Wahl und häng den an die Low-Side. High-Side inklusive Bootstrap kannste dann weglassen. Dann setzt du da das Relais rein, mit Verbindung zum µC Pin und Freilaufdiode. Dann setzt du den Elektromotor da rein (modelliert mit Spannungsquelle, Widerstand und Induktivität). Schreib die Daten vom Motor dran (z.B. GM, 12V, 2 Ohm Klemmenwiderstand, 2000rpm). Dann verbindest du das alles, die Anschlüsse zum µC führst du auf ne Klemme. Und da können wir dann drüber reden. Und wenn das gut ist, darfst du das 7 Mal aufbauen.
Hallo sascha. Zur besseren verständlichkeit zeichne ich noch mal den plan eines ausganges. Sollte Übersichtlicher sein. Bin leider kein experte auf dem gesammten Gebiet. Ich habe aber auch keine fertige Lösung für meine aufgabe gefunden. Deshalb wage ich mich an die elektronik... Ich weiß auch, das es mit mir nicht grad einfach ist. Das tut mir auch sehr leid. Bin eben doch nur n Mechatroniker mit oberflächlichen Kenntnissen... Wegen der H Brücke, ich nutze arduino uno. Die haben ja nur 6 pwm ausgänge. Betreibe 6 motoren... Und die richtung realisiere ich über relais. Wenn nix angesteuert ist, wird über 2 ruhende relais der motor kurz geschlossen. Bewege ich einen joystick, wird ein Relais angesteuert und eben auch ein pwm ausgang. Damit dreht der motor in einer Richtung jeh nach joystick Hub mit einer gewissen Geschwindigkeit. Bewege ich den Joystick in die andere Richtung, fällt das angezogene relais ab und das 2. Zieht an. Somit richtungswechsel. Das alles softwareseitig gedämpft. Das hat so bis jetzt auch grundsätzlich funktioniert. Ich will jetzt eigentlich nur leistungsfähigere mosfets einsetzen. Und es gibt halt mosfets, die man an logiklevel ausgängen betreiben kann. Ich werde das jetzt für einen motor mal aufbauen mit den kräftigeren mosfets. Testen, und dann gebe ich mal hier bescheid. Einen treiber kann ich noch nachrüsten, wenn es hitze probleme gibt. Dazu noch die Frage, kann ich da trotzdem bei den irl1404 bleiben? Wäre der Ir2110 dafür geeignet? Relais werden über einen Transistor geschaltet und freilaufdiode baue ich grundsätzlich ein. Bei motoren schottky dioden... Wie gesagt, ich zeichne das mal für einen motor und teste das parallel mal. Danke erst mal bis hier her ;-)
Hallo, hier ist ja immer von gaaanz vielen FETs die Rede. Am besten zehn parallel. Aber bitte ebenso fette und schnelle Freilaufdioden nicht vergessen. Diese mögen die Fets ganz besonders. Also fett und schnell im TO220 oder TO247-Gehäuse. Schön kühlen und isoliert montieren. Mit freundlichem Gruß
Aktuell schalte ich keine mosfets parallel. Ich baue grad an einem Kreis für einen motor, um das dann ordentlich testen zu können. Eine Frage bleibt mir dabei... Ich nutze als freilaufdiode eine schottky diode mit 30v und 70a. Ist die arbeitsspannung zu gering? Lg
Hallo. Kann mir noch mal jemand einen Tipp zu meinem motor geben? Mein haupt antriebsmotor hat 2 mal 2 adern die raus kommen. Augenscheinlich auch 4 bürsten. Kann ich jetzt pro adernpaar ein mosfet nutzen oder doch lieber die adernpaare parallel zusammen nehmen und auf einen mosfet?!? Momentan habe ich es so. Funktioniert auch. Aber ich hatte den gedanken, mit 2 mosfets den motor anzusteuern. Habe mich aber noch nicht getraut. Weil jede ader hat zu jeder anderen ader reichlich 1 ohm widerstand. Also scheinen miteinander verbunden zu sein...
hallo an alle, der Vollständigkeit halber hier mal meine aktuelle Entwicklung des Projektes: nach vielen tests und sehr viel lesen habe ich jetzt meinen treiberbaustein für die motoren fertig und getestet. der aufbau ist eigentlich im Nachhinein relativ einfach aber sehr stabil. eine Spannungsversorgung (gleichrichter, 78s05, siebelkos) versorgt einen gatetreiber (mcp1407, 6ampere ausgang) der wird von einem arduino pwm ausgang angesteuert. der gatetreiber steuert dann 3 irl1404 mosfets an. die mosfets sind auf einem cpu kühler geschraubt und direkt verkabelt. das ganze 5 mal für die 5 motoren. auf einem 2. kühlkörper sitzen alle 78s05 und die schottky freilaufdioden. das ganze funktioniert wunderbar. bei fahrt und selbst im blockiertzstand der räder werden die kühlkörper nur geringfügig warm. dennoch habe ich einen lüfter mit eingeplant. eine frage bleibt noch, wie könnte man am besten zur zusätzlichen sicherheit den strom messen, im arduino einlesen um bei Blockierung oder zu hoher stromaufnahme zurück zu regeln?!? ich habe bereits ein volt und amperemeter verbaut um händisch weniger anzusteuern. aber man schaut ja nicht andauernd auf die anzeige...
habe ich aber nicht. hab die platiene über die zeit immer weiter entwickelt und erstmal einen strang aufgebaut und getestet. sollte ich noch mal eine platiene benötigen, lasse ich mir eine bauen. aber bis da hin tut die es auch ganz gut ;-)
th.hefter@gmx.net schrieb: > eine frage bleibt noch, wie könnte man am besten zur zusätzlichen > sicherheit den strom messen, im arduino einlesen um bei Blockierung oder > zu hoher stromaufnahme zurück zu regeln?!? Die meisten Leute bauen in die Massezuleitung zur Motorendstufe einen sehr niederohmigen Widerstand ein (oft Shunt genannt) und messen zwischen Masse und dem oberen Ende des Widerstandes die Spannung, z.B. mit einem ADC des Arduino. Dabei folgt die Spannung dem Ohmschen Gesetz U = R x I. Bei einem 0,1 Ohm Widerstand also 100mV, wenn 1 A durch den Widerstand fliesst. Sollte also ein Lesitungswiderstand sein, denn der ganze Motorstrom fliesst da durch.
ich habe bereits einen shunt eingebaut für ein amperemeter. kann ich da zb ein AGS712T einfach parallel mit drauf klemmen?
th.hefter@gmx.net schrieb: > kann ich da > zb ein AGS712T einfach parallel mit drauf klemmen? Du meinst vermutlich den ACS712T - 5A Sensor von Allegro. Ja, das geht, aber du klemmst ihn nicht parallel zum Shunt, sondern statt des Shunt. Einen zusätzlichen Shunt würdest du nur brauchen, wenn die 5A des ACS712 nicht ausreichen.
ich erwarte dauerlasten von 70 ampere bis hin zu spitzen strömen von 200ampere. daher muss ich mit einem shunt arbeiten. habe das ganze getestet und werde wohl an dem shunt mein amperemeter und den acs712 in reihe schalten
Ich baue gerade etwas ähnliches wie du und habe so etwas eingesetzt. Funktioniert bei mir sehr gut...
th.hefter@gmx.net schrieb: > ich erwarte dauerlasten von 70 ampere bis hin zu spitzen strömen von > 200ampere. daher muss ich mit einem shunt arbeiten. Warum? Du könntest auch einen ACS758 oder ACS770 verwenden.
Wolfgang schrieb: > Du könntest auch einen ACS758 oder ACS770 verwenden. Oder einen Sensor von LEM, der ums Kabel gelegt wird. Aber das ist alles nicht nötig, weil du ja schon einen Shunt hast. An dem kannst du doch bequem auch die Spannung abgreifen und zur Messung durch den Controller verwenden.
th.hefter@gmx.net schrieb: > und werde wohl an dem shunt mein amperemeter und > den acs712 in reihe schalten Klingt eher nach einem Stromwandler - wobei bei zwei Geräten 'in Reihe' oder 'Parallel' exakt die gleiche Verschaltung ist ;) Kommt ein drittes Gerät dazu (z.B. µC) ist Das nicht mehr egal. MfG
Zum Strom am Shunt messen, nimm doch nen INA216! Wenn der Shunt am Pluspol hängt sagt er dir (über I2C) sogar Strom, Spannung und Leistung!
Bitte melde dich an um einen Beitrag zu schreiben. Anmeldung ist kostenlos und dauert nur eine Minute.
  
  Bestehender Account
  
  
  
  Schon ein Account bei Google/GoogleMail? Keine Anmeldung erforderlich!
Mit Google-Account einloggen
Mit Google-Account einloggen
  Noch kein Account? Hier anmelden.













