Hallo, Ich hätte ein paar Fragen zu meiner geplanten IN-12B (4-Digit)- Nixie-Uhr. 1. Ist meine Schaltung zur Erstellung der Anodenspannung so korrekt? 2. Wie berechne ich den Vorwiderstand für die Röhren? 3. Würdet Ihr pro Röhre einen K155ID1 verwenden und diesen über ein 74HC595 Schieberegister ansteuern Oder würdet ihr nur einen K155ID1 verwenden und die Röhren wie in Bild 2 mit BS108 multiplexen? Die Schaltung stammt von hier: http://www.heise.de/make/artikel/Glimmziffern-hinter-Glas-2690746.html multiplexen ist anscheinend eine recht weit verbreitete und erfolgreiche Praxis, auch wenn hier im Forum die Meinungen dazu eher kritisch sind... Viele Grüße & Danke für die Hilfe,
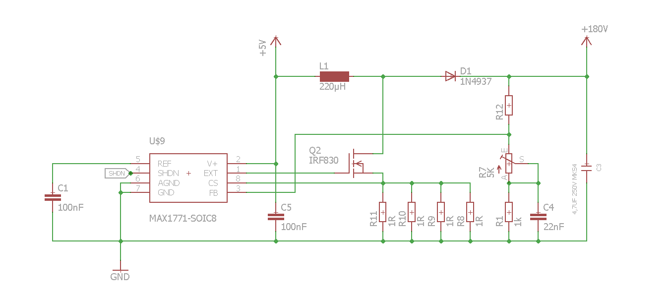
DavidG98 schrieb: > 1. Ist meine Schaltung zur Erstellung der Anodenspannung so korrekt? Ein Stepup Wandler der aus 5V 180V macht ist nicht besonders gut. Durch den Transistor fliessen in der Spitze 0.1V / 0.25Ohm = 0.4A. Der IRF830 hat einen RDSon von 1.5Ohm macht 0.6V Spannungsabfall am Transistor. Da fehlen dir schon 0.7V von den 5V. Sowas macht man mittels Sperrwandler. Dann kann man vernueftige FETs mit kleinen RDSOn fuer Niederspannung einsetzen.
Also, wenn die Möglichkeit besteht, würde ich nicht multiplexen. Funktioniert auch,aber statisch ist auf jeden Fall besser für die Nixies. Zum Widerstand..Mit ein bisschen googeln und den Daten der Röhre bekommst du es hin.
Hallo, zu 5V auf 180V wurde schon was gesagt. Ansonsten wünsche ich Dir mehr Glück mit dem MAX1771 als ich es hatte, ist ein Sensibelchen... Wenn Du TPIC6B595 als Schieberegister nimmst kannst damit die Röhren direkt ansteuern. Auf Grund des Verhaltens von Glimmröhren (Zünd-/Brenn-/Löschspannung) reichen die 50V des TPIC zuverlässig aus. Auch ULN2803 haben mit Nixie-Röhren keine Probleme. Spannung macht hier ein MC34063 aus 12V. Ansteuerung des MOSFets mit Gegentakt-Transistortreiber. Wirkungsgrad durchwachsen, die 5V macht ein China-StepDown für unter 1 Euro. Multiplex würde ich auch vermeiden, es verringert die Lebensdauer. Ich kann meinen Bekannten fragen, wie er die IN12 betreibt, das Datenblatt ist mit zu russisch und zu unvollständig... Brennspannung habe ich mit ca. 145V gefunden, Zündspannung max. 170V. Damit reichen 180V, Brennstrom um 2mA, also 180-145 = 35/2 = 17,5k Anondenwiderstand. Vermutlich 22k bei 180V, wenn der Brennstrom zu niedrig ist leuchten die Ziffern nicht mehr komplett. Löschspannung dürfte um 130V liegen, die Differenz zwischen Zünd- und Löschspannung muß der Treiber sperren können. Die 74141 können auch nur 60V maximal. Gruß aus Berlin Michael
Also, zum Dunkelsteuern der Anzeige die Anodenspannung kurzzuschließen, daß habe ich noch nirgens gesehen. Ziemliche Energieverschwendung. 170-180V Anodenspannung reichen völlig aus! 10V über der Zündspannung der Röhre sind allemal genug. Mehr muß nur verbraten werden. Der Anodenwiderstand rechnet sich wie folgt (mit Ua = 170V, Ub = 135V und Ib = 3mA:
| 1 | U(Anode) - U(Brenn) 170V - 135V | 
| 2 | Rv = --------------------- = ------------- = 11,7 kOhm | 
| 3 | I(Brenn) 3 mA | 
Genaue Auskunft gibt das Datenblatt der Röhre.
DavidG98 schrieb: > multiplexen ist anscheinend eine recht weit verbreitete und erfolgreiche > Praxis, auch wenn hier im Forum die Meinungen dazu eher kritisch sind... Mit kaltem Motor in den Drehzahlbegrenzer ist anscheinend [in gewissen Kreisen] eine recht weit verbreitete und erfolgreiche Praxis, auch wenn bei Herstellern und anderen Verkehrsteilnehmern die Meinungen dazu eher kritisch sind...
Автомат К. schrieb: > Mit kaltem Motor in den Drehzahlbegrenzer ist anscheinend [in gewissen > Kreisen] eine recht weit verbreitete und erfolgreiche Praxis, auch wenn > bei Herstellern und anderen Verkehrsteilnehmern die Meinungen dazu eher > kritisch sind... ???? Ich will ja nicht jedes Wort mit der Goldwaage spalten, aber: Das ist doch bestimmt in der falschen Rubrik gelandet... MfG Paul
Danke für die Antworten! @helmut tut mir leid, ich habe deine Ausführungen nicht ganz verstanden... 1. Du schreibst dass mir 0,7V von meinen 5V fehlen, welche Auswirkungen hätte dies? 2. Du schreibst ich sollte einen Sperrwandler benutzen. Ich habe versucht mich in die Thematik einzulesen, vermute jedoch dass es mindestens ein paar Tage dauern würde, bis ich dazu imstande wäre, deinen Vorschlag "Sperrwandler mit vernünftigen FETs (kleinen RDSOn)" zu verstehen/realisieren. Hast du vielleicht ein Schaltungsbeispiel mit Bild, wie eine solche Schaltung aussehen könnte? Ich hab ja nicht besonders viel Platz im Gehäuse Ich habe hier eine 12V -Schaltung von Falk Brunner gefunden: https://www.mikrocontroller.net/articles/Datei:Stepup.png Meine ursprüngliche Idee war es, die Uhr später über Micro-USB mit Strom zu versorgen, sollte ich meinen Plan aufgeben, die Schaltung auf 12V bringen und die 5V per 7805 erzeugen? Michael U. schrieb: > Wenn Du TPIC6B595 als Schieberegister nimmst kannst damit die Röhren > direkt ansteuern. Auf Grund des Verhaltens von Glimmröhren > (Zünd-/Brenn-/Löschspannung) reichen die 50V des TPIC zuverlässig aus. > Auch ULN2803 haben mit Nixie-Röhren keine Probleme. Danke für den Tipp, Ich habe mal einen Versuch in Eagle gewagt. -> Bild 3 Carsten W. schrieb: > Also, zum Dunkelsteuern der Anzeige die Anodenspannung kurzzuschließen, > daß habe ich noch nirgens gesehen. Ziemliche Energieverschwendung. Wo ist hier ein Kurzschluss? R12 hat 1,5m Ohm Die Schaltung ist von hier: http://www.bader-frankfurt.de/nix/netztnixie.GIF Nochmals Danke für die Hilfe,
Paul B. schrieb: > Das ist > doch bestimmt in der falschen Rubrik gelandet... Nein, ist es nicht, auch wenn nicht alles was hinkt ein Vergleich sein sollte... Anders ausgedrückt: Ich wage es zu bezweifeln, dass multiplexen von Nixies "eine recht weit verbreitete und erfolgreiche Praxis" ist und zudem sind die kritischen Meinungen dazu auch nicht ohne Grund (siehe dazu z.B. Aussage von Holm: Beitrag "Re: NIXIE Uhr mit vielen Funktionen in C mit ATTiny2313").
http://www.desmith.net/NMdS/Electronics/NixiePSU.html Anhand von diesem Layout habe ich ein eigenes erstellt. Mangels Oszi konnte ich die Spannungsform zwar leider nicht prüfen, aber es funktioniert problemlos, und nichts wird warm. Einziger Nachteil: 12V Eingangsspannung, ist aber wegen Effizienz sowieso besser als 5V. DavidG98 schrieb: > 3. Würdet Ihr pro Röhre einen K155ID1 verwenden und diesen über ein > 74HC595 Schieberegister ansteuern Genau so hab ich es auch gemacht, ohne Multiplex.
Hallo, die Schaltung von Falk Brunner geht auf jeden Fall. Die Version mit den TPIC6B595 sollte so auch passen. Ich habe im Moment hier nur eine Uhr mit Panaplex-Anzeigen laufen, das Sammelsurium Nixies liegt noch hinten. Mein Bekannter ist wohl inzwischen bei der 4. Nixie-Uhr. IN12, IN-2 und eine Panaplex laufen bereits bei meinem Bekannten, IN-1/LC-516 ist gerade in Arbeit. Z570 wären auch noch da... Gruß aus Berlin Michael
Автомат К. schrieb: > Anders ausgedrückt: Ich wage es zu bezweifeln, dass multiplexen von > Nixies "eine recht weit verbreitete und erfolgreiche Praxis" ist... Ich sage es auf Neusprech: Da bin ganz bei Dir. :) MfG Paul
Die Schaltung von Nick De Smith habe ich bereits schon öfters verbaut, die funktioniert ganz prima. Falls du ein Anfänger mit solchen Wandlern bist, rate ich entweder zum bau einer Schaltung mit dem MC34043 oder zum kauf eines fertigen Moduls Ansteuerung der Kathoden entweder mit den genannten IC's oder einem Spezial-IC Falls Multiplexing gewünscht, würde ich 2 HV513 empfehlen, welche als dir direkt die Anodenspannung durchalten könenn. Jedoch ist hier etwas mehr Sotware nötig. Falls interesse besteht, kann ich ein Schema bereitstellen. Ebenfalls gäbe es noch varianten mit HV5122, die brauchen aber 12V Logik. Ich habe diese IC's bei einer meiner Nixie-Uhren benutzt. http://www.swissnixie.com/index.php?go=z5660mclock
Michael U. schrieb: > Mein Bekannter ist wohl inzwischen bei der 4. Nixie-Uhr. Viiier Nixie-Uhren! Da frage ich mich, was daran so interssant sein soll. Meine Uhr mit den Zifferanzeigeröhren, (um 1970 gebastelt; musste damals jeder Bastler mal gebaut haben) hatte ich, nachdem grüne 7-Segment Anzeigen erhältlich waren, rel. schnell ersetzt.
wolle g. schrieb: > > Viiier Nixie-Uhren! > Da frage ich mich, was daran so interssant sein soll. Nun, "Nixie-Zahlen" kann man m.E. wesentlichbesser ablesen als Siebensegment-Anzeigen > Meine Uhr mit den Zifferanzeigeröhren, (um 1970 gebastelt; musste damals > jeder Bastler mal gebaut haben) hatte ich, nachdem grüne 7-Segment > Anzeigen erhältlich waren, rel. schnell ersetzt. Nixieröhren müsste man eigentlich auch in grün bauen können, grüne Glimmlampen gibt es ja auch.
Harald W. schrieb: > Nixieröhren müsste man eigentlich auch in grün bauen können, > grüne Glimmlampen gibt es ja auch. Bei grünen Glimmlampen sieht man aber nicht die Kathode leuchten, sondern die "Phosphor"/Leuchtstoff-Beschichtung an der Innenseite des Glases. Ist Dir das noch nie aufgefallen? Wie willst Du damit Zahlen darstellen?
Hallo, wolle g. schrieb: > Michael U. schrieb: >> Mein Bekannter ist wohl inzwischen bei der 4. Nixie-Uhr. > > Viiier Nixie-Uhren! > Da frage ich mich, was daran so interssant sein soll. > Meine Uhr mit den Zifferanzeigeröhren, (um 1970 gebastelt; musste damals > jeder Bastler mal gebaut haben) hatte ich, nachdem grüne 7-Segment > Anzeigen erhältlich waren, rel. schnell ersetzt. Zeitraum dürfte auch bei mir etwa passen. Lebt leider auch nicht mehr, hat aber jahrelang zuverlässig die Zeit angezeigt. Heute? Kaum Aufwand (µC und Treiber-ICs statt einer Tonne Miniplast-Bastlertypen...) und die Nixies sind im Umfeld irgendwo aufgetaucht als ich mit meinen Panaplex rumgespielt habe. Bei meinem Bekannten ist es ja eher mechanischer Kram und Gehäusefragen... Die Uhrenhardware ist ESP8266 + TPIC6B595 + 180V Wandler mit 43063. Uhrzeit per NTP, wenn er Lust hat zwischendurch Datumsanzeige oder Temperatur, dann kommt MQTT mit rein und die Temperatur kommt von einem sowieso vorhandenen Sensor. Ist also mehr diese Spielerei und die Nutzung vorhandener Nixies. PS: die Panaplex-Anzeigen finde ich sehr angenehm, habe gerade kein besseres Bild zur Hand. Gruß aus Berlin Michael
Hallo Michael, nettes Projekt mit den Panaplexanzeigen. Ich hätte mal eine Frage zu den TPIC6B595.. Laufen die auch an 3,3V oder hast du einen Pegelwandler zwischen ESP und TPIC? Das Datenblatt deutet ja eher an, dass er 5V benötigt und der Highpegel soll mindestens 85% von Vcc sein..
Hallo, die TPIC laufen mit 5V. Da nur Ausgänge vom ESP mit Eingängen vom TPIC verbunden sind, muß nur der H-Pegel vom ESP reichen und das macht er. Pegelwandler wird erst nötig wenn man von den 5V TPIC mit dem ESP lesen wollte. Wenn man will, kann man ja "Angst-"Widerstände in die Leitungen legen, ich frage heute abend mal meinen Bekannten, ob er es gemacht hat. Ich sehe keinen wirklichen Grund dafür. Die TPIC bekommen ihre 5V aus den 12V mit China-StepDown, der ESP die 3,3V aus den 5V mit einem China-AMS1117-Modul und 220µ an den 3,3V des ESP. Versorgt aus einem 12V 1,5A Steckernetzteil eines Festplatten-Gehäuses. Die Panaplex hat die alten Original-Treiber-ICs drauf, einen Arduino-ProMini und einen ESP8266-01. Wandler 12V-180V mit MC34063. Verbrauch sagt 3,7W. Wenn ich mich nicht verrechnet habe sind das rund 1€/Monat. Kann ich mich noch leisten... Die Panaplex hat den ESP wegen NTP erst nachträglich bekommen und alles umzubauen hatte ich keine Lust, nur um den ProMini durch Schieberegister zu ersetzen. Gruß aus Berlin Michael
Hallo, ich bin mittlerweile einige Schritte weitergekommen und habe mich einmal an einem Board in Eagle versucht. Habt ihr Verbesserungsvorschläge? Passt die Dicke der Leiterbahnen? Ich habe mich bemöht möglichst viele Leiterbahnen auf der Unterseite zu platzieren, damit ich die Platine später einseitig ätzen kann. Es ist mir Bewusst, das der Step-up-Wandler sowie der DS1307 und der Atmega im Anhang fehlen, die werden später über die untere Reihe der Stiftleisten aufgesteckt. Viele Grüße & Danke für die Hilfe, David
DavidG98 schrieb: > Passt die Dicke der Leiterbahnen? Das ist bei den paar Milliampere einer Nixie völlig egal. Und auch 180V sind nicht so viel, als daß man einen grösseren Abstand bräuchte als du jetzt hast. Aber Brücken ? Das geht bei den Nixies auch ohne. Auch wenn man nur 1 mal durch Pins geht und die Röhren so dicht nebeneinandersetzt. Die fetten Folienkondenatoren sind deutlich übertrieben, auch Elkos halten so lange wie die Nixies an Lebensdauer haben und einer reicht.
Hallo, den 100n an der Anodenspannung kannst weglassen. 4,7µ reichen als Lade-C für die Anodenspannung aus, ich plazieren den allerdings beim StepUp. Ich vermisse 100n an den Logik-ICs, wenigestens an jedem Pärchen einer nahe den Spannungsanschlüssen der ICs. Außerdem fehlen den TPIC teilweise die GND-Verbindungen. Bei den Anodenwiderständen dran denken, daß ca. 100mW zwar keine große Verlustleistung sind, kleine Widerstände aber durchaus etwas warm werden können. Gruß aus Berlin Michael
Hi Bin damit gut gefahren, da sparst du dir auch das multiplexen. https://www.mikrocontroller.net/articles/Stepup_f%C3%BCr_Nixier%C3%B6hren Gruss EDIT: 6 Röhren auch kein Problem, liefert ca. 30mA.
Bitte melde dich an um einen Beitrag zu schreiben. Anmeldung ist kostenlos und dauert nur eine Minute.
  
  Bestehender Account
  
  
  
  Schon ein Account bei Google/GoogleMail? Keine Anmeldung erforderlich!
Mit Google-Account einloggen
Mit Google-Account einloggen
  Noch kein Account? Hier anmelden.







 Thread beobachten
 Thread beobachten Seitenaufteilung abschalten
 Seitenaufteilung abschalten