Bei mir liegt noch ein Game Boy Classic Display rum. Wie kann dieses Display mit einem 8051 oder Z80 zum Leben erweckt werden?
Mit viel Aufwand, denn das ist ein controllerloses STN-Display. Ein Beispiel für die Ansteuerung derartiger Displays, allerdings mit 'nem AVR, findest Du in der Codesammlung: Beitrag "Grafikfähiger LCD Controller für 320x240 LCD mit 4 Graustufen"
Verbindlichen Dank für den Link. Wer kann jetzt das Hardware-Puzzle lösen?
Michael B. schrieb: > Wer kann jetzt > das Hardware-Puzzle lösen? Das ist selbstverständlich dein eigener Job. Falls du wissen willst, welche Pins des Generators an welche Pins des Displays gehen sollen, hier der Hinweis, das an den Pins des LCD schon verdammt ähnliche Bezeichnungen stehen. FLM = First Line Marker = Vsync LP = Line Pulse = Hsync CP = Clockpulse = Datalatch Frame = FR = Altsigl - das variiert und wird manchmal auch für ober/untere Hälfte des Dispalys verwendet. usw.
Michael B. schrieb: > Wie kann dieses Display mit einem 8051 oder Z80 zum > Leben erweckt werden? am Besten mit einem GameBoy. Da steckt ein Z80 (bzw. sehr ähnlicher Custom-Prozessor) schon drin und der hat auch gleich den zugehörigen "Display Controller".
Spitze! Als deutscher Elektroniker kenne ich zwar Horizontal- und Vertikalimpulse, aber bei FLM und Altsigl bleibt der Mund offen. Markus F. schrieb: > Da steckt ein Z80 (bzw. sehr ähnlicher Custom-Prozessor) schon drin. Die CPU des Game Boy ist ein unsauberer Custom-Chip.
Markus F. schrieb: > Michael B. schrieb: >> ein unsauberer Custom-Chip > > was issn' das? Hilft Waschen? Das istn Z80, dem die schönsten Dinge fehlen und der an allen Ecken kastriert ist. Apropos Z80, irgendwie muss doch der heutzutage nutzlose Refresh der Kiste für Displays nutzbar sein - habe da vor langer Zeit mal drüber gegrübelt, aber dann war immer irgendwas anderes.
Michael B. schrieb: > Als deutscher Elektroniker kenne ich zwar > Horizontal- und Vertikalimpulse, aber bei > FLM und Altsigl bleibt der Mund offen. Hmm. FLM findet man bei den dummen STN-Displays aber recht häufig. Auch LP und CP sind sehr oft anzutreffen. Altsigl sehe ich allerdings auch zum ersten Mal. Ich würde hier hier auf ein Äquivalent zum eher üblichen "M"-Signal tippen (und es mit "alternating signal level" übersetzen). Wenn man noch einen funktionierenden Gameboy hat, sollte sich das sehr leicht überprüfen lassen, dann dürfte hier nur ein sehr regelmäßiges Rechtecksignal mit 50% duty anliegen. Einfach Frequenz messen und gut isses. Relativ typisch wäre, das die Frequenz der Hälfte von der an FLM entpricht.
Zu Altsigl ist bei Google nichts zu finden. https://www.google.de/#q=gameboy+display+altsigl+pdf Woher Jeff Frohwein diesen Begriff hat, ..?
Dieses Display gibt es immer noch bei Pollin. http://www.pollin.de/shop/suchergebnis.html?S_TEXT=120486&log=internal Die Pinbelegung ähnelt der des Game Boy Displays.
Wenn man schon so ein Display hat, ist es ja vielleicht nachvollziehbar, warum man sich so etwas noch antun möchte, aber eigens so ein uraltes und grottenschlechtes Display anzuschaffen, um Aufwand mit der Ansteuerung zu treiben, um dann schlussendlich ein mieses Schlamm-Display* zu erhalten (so sind halt passive LC-Displays), das ist schon arg Retro. Displays mit eingebautem Controller, sogar TFT-Displays werden einem heutzutage nachgeworfen. *) bläuliche Matschfarbe auf hellerer Matschfarbe mit je nach Bildschirminhalt unterschiedlichen Störungen und schwankendem Kontrast
Es sei denn, das ist ein richtig schönes Spezial Display. Mein alter uCSimm bedient ein sehr stromsparendes EPSON (oder wars ein Sharp?) LCD aus einer Schreibmaschine mit 640 * 160 Pixeln - breit wie eine DIN A4 Seite und gerade mal 10mA Arbeitsstrom. Allerdings hat der Dragonball MC auf dem uCSimm einen LCD Controller in Hardware, so das ich nur einen Framebuffer Treiber basteln bzw. umschreiben musste. Ein Haken ist oft die nötige Versorgung. Manche Displays brauchen ne negative Spannung, oder eine, die bei 10V+ liegt etc.
Rufus Τ. F. schrieb: > Wenn man schon so ein Display hat, ist es ja vielleicht nachvollziehbar, > warum man sich so etwas noch antun möchte, aber eigens so ein uraltes > und grottenschlechtes Display anzuschaffen, um Aufwand mit der > Ansteuerung zu treiben, um dann schlussendlich ein mieses > Schlamm-Display* zu erhalten (so sind halt passive LC-Displays), das ist > schon arg Retro. Es gab auch recht gute STN-Displays. Natürlich hat kein's auch nur annähernd den Kontrast eines TFT, dafür gibt es aber oft andere Vorteile. Inbesondere natürlich beim Thema Energieverbrauch. Wenn Ablesbarkeit bei vorhandenem Fremdlicht genügt, aber eine halbwegs schnelle Anzeige benötigt wird, gibt's auch heute noch nichts besseres als ein reflexives STN, um den Energiebedarf gering zu halten, da kann kein TFT auch nur annähernd mithalten. Wenn sich der Anzeigeinhalt hingegen nur selten ändern muss, wäre natürlich eInk vorzuziehen. Zumindest theoretisch, wären da nicht die teilweise echt abstrusen Preise für eInk-Displays mit einer Auflösung von wenigstens 320x240... Aber es gibt noch einen weiteren Vorteil für reflexive STNs. Wenn nämlich Fremdlicht nicht nur einfach vorhanden ist, sondern dies auch noch in überreichem Maße, sprich: direkte Sonneneinstrahlung. Dann muss man für die Beleuchtung von TFTs entweder einen fetten Akku mitschleppen (damit die leistungsmässig massiv aufzurüstende Hintergrundbeleuchtung überhaupt über akzeptable Zeiträume betreibbar wird) oder die Ablesbarkeit geht gegen Null. Hier sind reflexive STNs ganz klar massiv im Vorteil, was die Darstellungsqualität betrifft. Insbesondere, wenn man das dann auch noch in Relation zur dafür benötigten Energie betrachtet... Und weil das alles so ist, gibt es auch immer noch solche Displays zu kaufen (aus aktueller Produktion). Es gibt halt auch Leute, die vorurteilsfrei abwägen können, was für ihre Anwendung die am besten geeignete Technologie ist. Das haben sie dir wohl voraus... Übrigens: das Display des Gameboy ist garnicht schlecht, auch wenn seit seiner Produktion doch schon ein paar Wochenenden verstrichen sind. Das kannst du ganz leicht überprüfen: Setz dich mit einem Gameboy in die Herbstsonne (so sie denn scheint) und spiele ein Spiel. Versuche das gleiche mit einem HighEnd-Handy (ausgestattet mit den neuesten Errungenschaften der TFT-Technologie). Und dann vergleiche, wer mehr Spaß am Spiel hat und wer länger spielen kann... Und ja: es gibt auch ernsthafte Anwendungen, die sich außerhalb geschlossener Räume abspielen...
Bei meiner Suche nach Informationen zum Game Boy Display, bin ich auf der Seite von Jörg Bredendieck (Sprut) gelandet. http://sprut.de/electronic/lcd/index.htm Der Pin mit dem Namen Altsigl ist auch dort nicht zu finden, jedoch einfache konstruktive Hinweise zur Inbetriebnahme von unbekannten LCD-Displays.
In Erinnerung an die Zusammenarbeit von Nintendo und Sharp wurde der Link zum Sharp Display Unit User's Manual gefunden. http://eecs.oregonstate.edu/education/docs/datasheets/lcd-spec.pdf Interessant auf Seite 22 das Interface LCD width Z80.
Michael B. schrieb: > Interessant auf Seite 22 das Interface LCD width Z80. Hier nicht anzuwenden. In Deinem Beispiel geht es um Displays mit eingebautem Controller und wie dieser mit dem steuernden Prozessor zu verbinden ist. Das Display hier aber hat keinen Controller, damit ist das eine komplett andere Baustelle.
Michael B. schrieb: > In Erinnerung an die Zusammenarbeit von Nintendo und Sharp > wurde der Link zum Sharp Display Unit User's Manual gefunden. > > http://eecs.oregonstate.edu/education/docs/datasheets/lcd-spec.pdf > > Interessant auf Seite 22 das Interface LCD width Z80. In dieser Aufstellung geht es um 1- und 2-zeilige Punktmatrixdisplays, wie die Überschrift schon sagt: "Dot-Matrix LCD Units (with built-in controllers". Damit kannst gar nix anfangen. Ich geb' dir mal ein Stichwort: HD61830
Michael B. schrieb: > Woher Jeff Frohwein diesen Begriff hat, ..? Von einem Frohwein hätte ich eigentlich Krawehl oder Melusine erwartet. Gruß Jobst
Jobst M. schrieb: > Von einem Frohwein hätte ich eigentlich Krawehl oder Melusine > erwartet. Um 00:54 kann man schon mal Jeff mit Lothar verwechseln. Erich schrieb: > Ich geb' dir mal ein Stichwort: HD61830 In einer partiellen PDF-Datei, aus einer Google-Suche, befindet sich die Seite 1321 eines Hitachi LCD Manuals mit Applikationen eines HD61830 LCD Controlers.
Michael B. schrieb: > Um 00:54 kann man schon mal Jeff mit Lothar verwechseln. Verwandschaft!? Sohn oder so? ;-) Gruß Jobst
Rufus Τ. F. schrieb: > In Deinem Beispiel geht es um Displays mit > eingebautem Controller Auf der Game Boy Platine ist aber ein kleiner LCD-Controller IR3E02. Die Konstrukteure von Nintendo, Sharp und dem Display-Hersteller haben ihre Sache sehr gut gemacht. Nach 27 Jahren hat der Game Boy Classic (Bj.1989) immer noch Geheimnisse.
Michael B. schrieb: > Auf der Game Boy Platine ist aber ein kleiner LCD-Controller IR3E02. Das ist doch kein LCD-Controller, sondern ein Supply-IC. Im wesentlichen eine Ladungspumpe, einige OVs und eine Spannungsteilerkette sind darin integriert und der Zweck der Sache ist schlicht die Bereitstellung der verschiedenen Versorgungsspannungen, die so ein STN-Display benötigt. Im Thread findet sich bereits ein Hinweis auf eine ganz ähnliche Schaltung aus handelsüblichen Bauelementen. AN aus dem Datenblatt eines Display, was es bei Pollin immer noch zu kaufen gibt. Da fehlt nur die Ladungspumpe, der Rest dürfte ziemlich genau dem entsprechen, was auch der IR3E02 tut. > Nach 27 Jahren hat der Game Boy Classic (Bj.1989) immer > noch Geheimnisse. Nicht "noch", sondern "wieder". Wenn man kompetent googelt, findet man mehrere Verweise auf ein fertiges Projekt, in dem jemand so ein Gameboy-Display ansteuert. Leider ist aber die Seite tot, auf der das mal veröffentlicht war. Aber das, was sich per Google noch an anderen Projekten rund um den Gameboy finden läßt, enthält eigentlich genug Wissen, um das relativ problemlos "neu" zu erfinden. Wenn man einen noch funktionsfähigen Gameboy hat, ist es sogar ein Kinderspiel, weil man dann alle noch fehlenden Informationen in fünf Minuten "ermessen" kann. Man muss eigentlich nur das Prinzip der Ansteuerung solcher dummen LCDs begriffen haben, damit man weiss, was man wo messen muss. Und das einzige, was bei dem Gameboy-Display etwas ungewöhnlich ist, nämlich das Pixelformat, findet man in mindestens einem der noch per Google auffindbaren Projekte erklärt, braucht man also nicht einmal selbst zu "reverse engineeren".
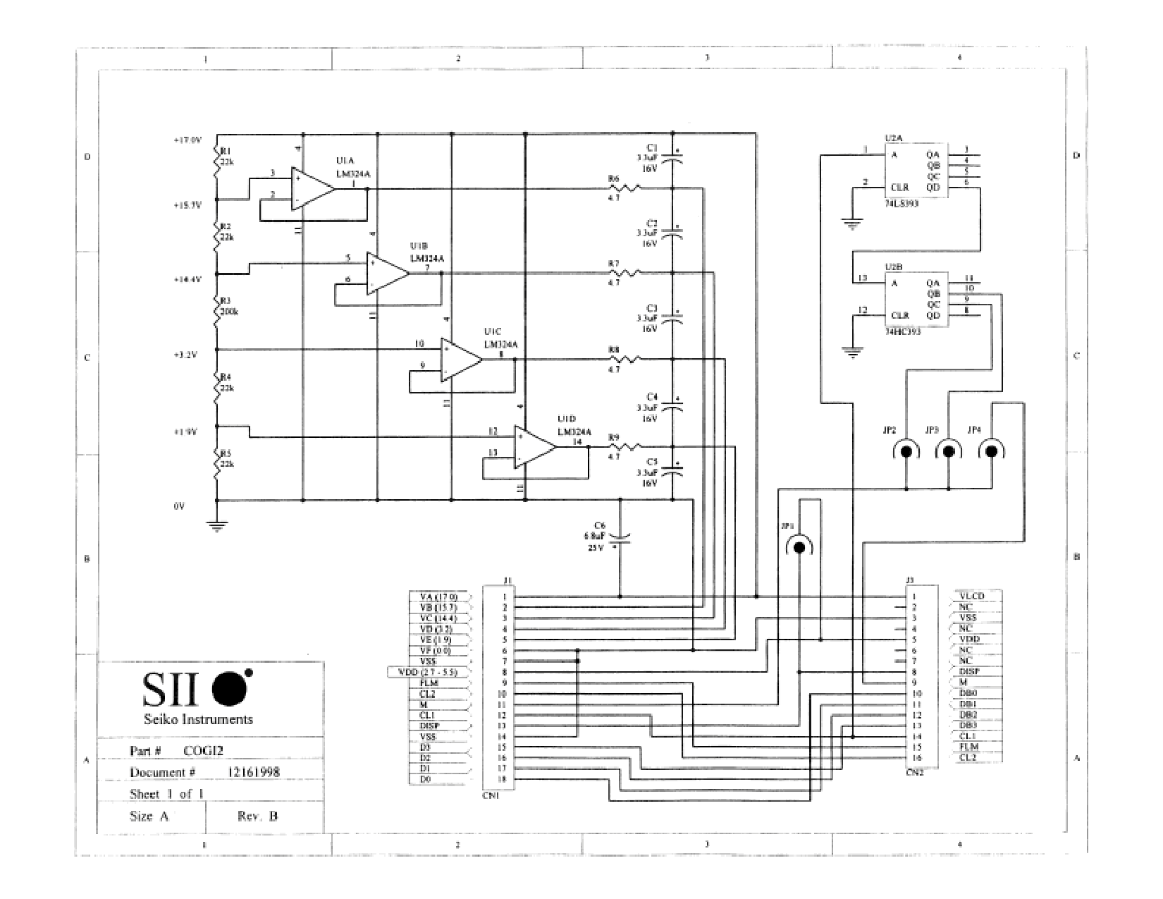
Als Beispiel hänge ich dir mal das Datenblatt eines Seiko LCD mit 320*240 Pixeln an, in dem die Ansteuerung mit Oszillogrammen gut beschrieben wird. Das hier die Pixelclock als CL2 bezeichnet wird, braucht uns nicht zu stören, und das LP hier CL1 heisst, auch nicht. Aber alle anderen guten Bekannten tauchen wieder auf, sowohl FLM als auch das 'Altsigl', also M Signal usw. Das Display des GB ist allerdings den ganzen Aufwand nicht wert - zu klein, zu dunkel, zu langsam.
Matthias S. schrieb: > Als Beispiel hänge ich dir mal das Datenblatt eines Seiko LCD mit > 320*240 Pixeln an, Verbindlichen Dank für das Seiko-Datenblatt. Werde diese Schaltung jedoch nicht weiter untersuchen. Nächstes Posting gibt es Informationen zu Altsigl.
Die CPU des Game Boy Classic liefert die notwendigen Signale für das Display, auch das Signal Altsigl, dass hier FR heißt. http://www.weblearn.hs-bremen.de/risse/RST/SS99/gameboy/Bilder/schaltplan1.gif Wie generiere ich diese Signale mit einem Z80 und externer Hardware?
Michael B. schrieb: > Wie generiere ich diese Signale mit einem Z80 und externer Hardware? Hm, ich bin sicher, dass Du die erforderlichen Signale nicht generieren wirst, egal ob mit einer Z80 und externer Hardware oder irgendetwas anderem. Vielleicht mit der "bo8"-"CPU" vom "Josef G."; Bist Du mit dem eigentlich verwandt? Du hast von den anderen Teilnehmern ausreichend Hinweise und Links erhalten, um die Frage selbst zu beantworten bzw. durch ein wenig experimentieren zu einem Ergebnis zu kommen. Was erwartest Du? Das jemand bei Dir zum "googeln" vorbeikommt oder Dir eine Schaltung zusammenlötet? Egal, schönes Wochenende.
egbert schrieb: > bla, bla, ... Thema verfehlt. Es wird nicht erkannt, daß hier präparierte Komponenten von Nintendo eingesetzt werden. Der Game Boy Classic ist damit vor deutschem "Reverse Engineering" sicher.
Michael B. schrieb: > [realtitätsfremdes und beratungsresistentes Geschwafel] > "präparierte Komponenten von Nintendo" ...eine seltsam sachfremde Bezeichnung für die in solchen Stückzahlen-Geräten vollkommen normaler Custom-Logik. > "Der ... ist damit vor deutschem "Reverse Engineering" sicher" Das ist Bullshit. Er ist aber ganz offensichtlich "vor Dir" und Deinem Unvermögen sicher. (Und überhaupt: Wer interessiert sich denn ernsthaft für eine 1/4 Jahrhundert alte kontrastfreie pixelmatschgrünanzeige aus 'nem alten Spielzeug mit miserablen technischen Daten?!) Andere können die Anzeige übrigens ansteuern: https://www.youtube.com/watch?v=OeLtfpQtkaU Das Du "Elektroniker" oder etwas auch nur annähernd vergleichbares bist, bezweifle ich. Bestenfalls durftest Du irgendwann in den 50er Jahren 'mal bei 'nem Elektriker den Spannungsabfall in die Wertstofftonne sortieren. plonk
egbert (Gast) schrieb: > Das ist Bullshit. Beende Deinen Gastauftritt, trolle Dich in Dein Kaff zurück und lappe alpha13 voll.
Michael B. schrieb: > Beende Deinen Gastauftritt, trolle Dich in Dein Kaff > zurück und lappe alpha13 voll. So wirst du hier sicher keine fachlichen Antworten mehr bekommen. Michael B. schrieb: > Wie generiere ich diese Signale mit einem Z80 und externer Hardware? Mit zusätzlicher Hardware oder evtl., wie ich oben schon mal schrieb, vllt. mit der Refresh Logik des Z80. Aber du bist sehr, sehr weit entfernt von einem Bild auf dem LCD. Du siehst ja schon am GB Schaltbild - externer Video RAM, eigene Logik mit Timing Generator , interner Adresszähler fürs Video RAM, usw. Das ist ein harter Brocken und lohnt die Sache nicht. Hol dir den Emulator von http://problemkaputt.de/gba.htm Und erfreu dich daran. Du kommst mit dem gesamten Projekt etwa 15 Jahre zu spät.
Die Emulatoren stehen schon im Visier der Winkeladvokaten, die sogar schon einen weiteren Angriff planen, siehe Absatz Problematic https://de.wikipedia.org/wiki/Homebrew
Bitte melde dich an um einen Beitrag zu schreiben. Anmeldung ist kostenlos und dauert nur eine Minute.
  
  Bestehender Account
  
  
  
  Schon ein Account bei Google/GoogleMail? Keine Anmeldung erforderlich!
Mit Google-Account einloggen
Mit Google-Account einloggen
  Noch kein Account? Hier anmelden.








