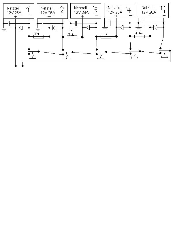
Ich werde mir ein bisschen leistungsfähigeres Netzteil bauen. Dazu habe ich mir 5x 12V/26A Server-Netzeile besorgt ( auch schon die Erde vom Sekundärkreis getrennt). Ein großes Gehäuse mit Netzfilter steht auch schon bereit. Vorrangig will ich 60V mit den 26A aus dem Netzteil bekommen doch ich möchte es so vielfältig einsetzbar wie möglich machen. Ich habe noch ne menge Step-up und Step-down Wandler die ich in dem Netzteil einbringen will. Der bisherige Plan siehe Bild: Mit den Wechselschaltern kann ich die Spannung in 12V schritten einstellen und mit den Sicherungen kann Netzteile von einander trennen um mehrere galvanisch getrennte Versorgungen zu haben die ich mit den Step-up oder Step-down regeln kann. Jetzt stehe ich aber ein bisschen auf dem Schlauch wie am besten die Wandler in die Schaltung einbringe. Ich möchte auch nicht 100 Stecker mit einem Kabel-gewirr an der Front von meinem Netzteil haben. Auch massig 30A Relais die 60V schalten habe ich gerade nicht vorrätig um das ganze mit einem Arduino zu regeln ( die Option ist zwar nicht verworfen aber erstmal muss es ordentlich funktionieren. Hat schon mal jemand ein ähnliches Projekt gesehen von dem ich ein bisschen abschauen kann ? Edit: Ganz vergessen Meine Wandler die ich noch zur Verfügung habe: 10-32V auf 60-97V DC 100W 8-32V auf 45-390V AC 75kHz 150W 12V auf 110-220V AC 20kHz 150W 8-60V auf 12-83V DC 1200W ( der Grund für das Netzteil ) 3-6V auf 400kV 15W 4-38V auf 1,25-36V 75W ( 2 Stück die auch von aneinander getrennt eingesetzt werden sollen )
:
Verschoben durch User
Siehe Anhang. Ich habe da mal den Stromlauf skizziert wenn ein Schalter gedrückt wird. Du solltest das noch überarbeiten.
:
Bearbeitet durch User
Ich bin nicht so gut in Wechselschalter zeichnen ;-) Aber wie soll der Strom beim 5ten Schalter zwischen den beiden Kontakten laufen?
:
Bearbeitet durch User
Schalte die ganzen Netzteile in Reihe und dann den 1200W Wandler dahinter. Das ist für Dich die sicherste und beste Lösung. Bevor Du den ganzen Apparat länger unbeaufsichtigt laufen lässt, schau aber bitte wie die Wärmeentwicklung davon ist. Was das für Wandler oder Netzteile sind ist ja geheim
DELL Server-Netzteil 320 W für PowerEdge 1750 0M1662 / 0W0212 Ja Lüfter haben die leider nicht und ich muss selber was basteln. Erstmal werde ich die Sache mit voller Power belüften und die Temperatur per LCD anzeigen lassen . Später werde ich auf jeden Fall noch eine PWM Regelung mit NTC´s einbauen. Entweder mit dem Arduino oder paar NE555´s ( da habe ich aber noch keine schöne Lösung gefunden ) Edit: Wenn du ein Datenblatt findest zu der Belegung vom Server-Netzteil zahle ich 5€
:
Bearbeitet durch User
Dog G. schrieb: > Meine Wandler die ich noch zur Verfügung habe: > 10-32V auf 60-97V DC 100W > 8-32V auf 45-390V AC 75kHz 150W > 12V auf 110-220V AC 20kHz 150W > 8-60V auf 12-83V DC 1200W ( der Grund für das Netzteil ) > 3-6V auf 400kV 15W > 4-38V auf 1,25-36V 75W ( 2 Stück die auch von aneinander getrennt > eingesetzt werden sollen ) > 1,5 KW Netzteil Sinnvolle Funktionen hm, was ist denn ein <sinnvoller Anwendungsfall> für ein solches Netzteil (außer, viele Wandler als Verbraucher daran anzuschließen)? Antigravitationsgenerator? Wurmloch-DTE? Heim-Replikator? Ich dachte, der Trend geht zu kleinen und wenig Energie verbrauchenden Geräten?
:
Bearbeitet durch User
Mein Antigravitationsgenerator versorgt sich eigentlich zu größten Teil selber. Die Wurmloch-DTE versorgen sich aus der Raumzeit Differenzen zum Ausgang ( mein Nachbar meint zwar das er deswegen immer zu spät auf die Arbeit kommt aber das ist mir egal ) Und die Heim-Replikator ernähren sich hauptsächlich von Spannungsabfällen die ich sowieso weg schmeiße. Nein die Versorgungen brauche ich für eine für mein Magnetron sputter und andere andere Projekte die ich noch nicht kenne.
Hier ist das Servicemanual von dem zugehörigen Server. http://downloads.dell.com/manuals/all-products/esuprt_ser_stor_net/esuprt_poweredge/poweredge-1750_service%20manual_en-us.pdf Fast die gleichen Geräte hatten wir auch mal im Einsatz. Du musst die grünen Kabel verbinden und mindestens 5W Leistung auf der 12V Schiene abnehmnen damit es läuft. Wegstaben V. schrieb: > hm, was ist denn ein <sinnvoller Anwendungsfall> für ein solches > Netzteil (außer, viele Wandler als Verbraucher daran anzuschließen)? Elektrolyse, Galvanisieren, Heimfunkanlagen -- u.v.m.
Dog G. schrieb: > Auch > massig 30A Relais die 60V schalten habe ich gerade nicht vorrätig wenn die auch unter Last öffnen sollen wird das nicht billig. Insgesamt recht viel Aufwand für eine Elektroheizung. Oder hat sich nur mir nicht der Sinn des ganzen erschlossen?
Auf dem Telekomschrottplatz seines Vertrauens hätte er auch gleich 48 V bei max. 60 A wegtragen können. Das sind dann schonmal knapp 3 kW. Als "handlicher" 19"-Einschub steckt sowas in ausgemusterten WAN-Switchen...
Die Anleitung habe ich auch schon durchgelesen aber nix sinnvolles gefunden. Die Anschlüsse sind diese : https://www.cbo-do.de/images/product_images/popup_images/28905_1.JPG Kontakte auf der unteren Seite sind fast gleich angeordnet. Wenn ich den unteren ganz rechten an Masse schließe läuft das Netzteil mit 12,2V bis 11,4V je nach Last. Aber ich hätte aber gerne noch was zu nachregeln und für die Lüfter Steuerung gehabt. PS: der Magnetron sputter war erst gemeint ;)
es könnte eher Sinn machen, sich nen Trafo z.B. von einem Schrottplatz zu holen. gucken, dass mindestens eine Primärseite f. 230V OK ist dann den Sek-Bereich anpassen. Rupf den ganzen Kram raus und Wickel Dir da mal ein paar Wdg 6mm² rein. Gleichrichten kann man sowas auch. und für alles, was nur warm werden soll, kann man auch den Wechselstrom ohne Gleichrichtung nutzen. ist wesentlich günstiger und sinnvoller, als in der Sekundärseite diverse Schalter dieser Leistungsklasse
Um den 1200W Regler voll nutzen zu können muss ich den Eingang zwischen 12 und 60V regeln können weil er am Eingang nur 20A verträgt. http://www.ebay.de/itm/like/252456334828?lpid=106&chn=ps&ul_noapp=true Kann auch noch was aufgemotzt werden aber alles zu seiner Zeit... Die 5 Netzteile habe ich für 25€ ink. Versand gekauft. Und will sie auch verwenden.
:
Bearbeitet durch User
Hallo, der 1200W Wandler ist ja ein echtes Monster! Macht 80 Watt / Euro, kommt für 60 cent und bringt noch einen Kühler mit. Beachtlich! Wie wäre es mit einem Stelltrafo zur variablen Versorgung? MfG
@ Christian S. Du hast warscheinlich den Thread nicht komplett gelesen. Ich habe 5 Netzteile a 12V 26A für 25€ und ein Step up Wandler für 15,30 € an dem ich auch den Ausgangsstrom (0,5-20A) einstellen kann. Das mach 34W / Euro + 300W Reserve von den Netzteilen abzüglich Kleinmaterial. Die Wechselschalter sind noch schwierig aber die kann man höchstwahrscheinlich auch weg lassen da die Dioden ausgeschaltete Netzteile überbrücken. Ich versuch es jetzt mal mit modifizierten Stufenschalter wenn die es nicht verkraften schalte ich nur die Netzteile über die ON Kontakte.
:
Bearbeitet durch User
Hallo, die Netzteile sind schon OK. Nur bei dem Ebay-Angebot habe ich mich gewundert, wie solche Leistungsdaten für nur 15 Euro geboten werden können. Hoffentlich entspricht alles Deinen Vorstellungen. Wünsche viel Erfolg. MfG
Was fehlt, ist eine Einschaltstrombegrenzung, sonst fliegt jedesmal die Sicherung in der Hausverteilung. Die Ausgänge nicht schalten, sondern an solide Polklemmen an der Front führen und extern verbinden.
Christian S. schrieb: > Nur bei dem Ebay-Angebot habe ich mich > gewundert, wie solche Leistungsdaten für nur 15 Euro geboten werden > können. Da wurde wohl die maximale Eingangsspannung mit dem maximalen Ausgangsstrom multipliziert - also ähnlich PMPO Angaben.
Volker S. schrieb: > Was fehlt, ist eine Einschaltstrombegrenzung, sonst fliegt jedesmal die > Sicherung in der Hausverteilung. Die Ausgänge nicht schalten, sondern an > solide Polklemmen an der Front führen und extern verbinden. Ich habe ein „kleinen“ Netzfilter ( Pi filter) und die Netzteile sind im Standby bis ich sie durch mein Stufenschalter aus wähle. Was hättest du als Einschaltstrombegrenzung im Kopf ? 12 Polklemmen die ich immer umstecken muss sind die letzte Lösung aber eine stabile Notlösung. @ Christian S. Ich habe das teil schon zu Haus liegen und die Leistung ist dem Teil zu zu trauen. Habe in leider noch nicht an die Grenze fahren können aber das wird dann bald soweit sein. Die 1200 Watt sind auch nur bei 60V Eingang und Kühlung möglich. Die Bauteile die das leisten können bekommt man bestimmt da unten für 8€. Ich werde hier von dem Erlebnis berichten.
So leider musste ich ein Rückschlag erleiden. Nicht der Wandler sonder der Netzteil-aufbau macht mir Probleme. Der Stufenschalter funktioniert nicht so wie ich das gerne hätte: Da ich mehrere Kontakte parallel und und reihe geschaltet habe um die DC Leistung zu schalten, sind die Übergänge nicht mehr sauber und erzeugen während des Schaltvorgangs kurz ein Kurzschluss. Da ich keine 3Stufen Wechselschalter oder Relais für 30A und 60V DC in meiner Preisklasse gefunden habe werde ich erst mal versuchen nur die Netzteile zu schalten und über die Dioden die ausgeschalteten Netzteile dann zu überbrücken. ( siehe Zeichnung ). Leider habe ich bei mir jetzt nur diese Dioden gefunden: bwy 92 150: [[http://www.datasheetarchive.de/dl/342c2e7cae781e814cc03df4d7c95f5686bad2/O/95%2Fdiode+BYW+92]] Von den Leistungsdaten eigentlich ganz in Ordnung aber als ich die Kühlkörper einschätzen wollte bin ich auf max. 25W pro Diode gekommen. Wenn ich ohne umstecken die 12-60V haben will sind das bis zu 100W Verlust an Dioden. Ich muss mir also für die Dauer was besseres einfallen. Eigentlich fällt mir jetzt nur noch Mosfet´s ein die weniger Verluste habe. Kennt jemand ein Schaltung die ohne ic´s sicher schaltet ?
Dog G. schrieb: > Da ich mehrere Kontakte parallel und und reihe geschaltet [..] > während des Schaltvorgangs kurz ein Kurzschluss. An der Stelle waren wir doch schon bei der Stromlaufskizze. Du versuchst hier eine variable Reihenschaltung von mehreren Schaltnetzteilen. Mit der vorgeschlagenen Schaltung darfst Du nur spannungsfrei schalten. Ich habe das im Anhang nochmal skizziert, damit wir uns hier nicht falsch verstehen. Schau Dir mal bitte Pläne von DIY-Labornetzteilen an, wo Trafowicklungen umgeschaltet werden und danach dickere Kondensatoren einen Linearregler speisen.
@ Chris Im Prinzip die Schaltung Also das einzige was ich jetzt finden konnte war was in der Richtung: http://www.mikrocontroller.net/attachment/139925/Labornetzteil.pdf S.9 Leider viel weniger Leistung und da wird AC geschaltet was wesentlich einfacher ist als DC. Sorry aber andere Schaltungen finde ich nicht oder ich verstehe nicht was du meinst. Kannst du mir ein Beispiel zeigen?
Ich meinte damit, dass Du Dir da die Ideen und Ansätze holen kannst wie man von einem Universaltrafo die einzelnen Sekundärwicklungen dazuschaltet. Das geht dort aber nur deswegen unter Last weil es eine Pufferung und Regelung nach den Sekundärwicklungen gibt.
Unter Last schalten kann ich wohl vergessen. Ich teste mal ein bisschen mit den Dioden und wenn die 40A Relais da sind trenne ich mit 2 MosFet´s die Last wenn ich umschalte. Da die Relais ein weiten weg haben werde ich bis dahin auch schon ein Arduino mit eingebracht haben der mir das dann alles relativ schnell schalten kann. Glaube aber nicht das ich die Zeit mit Kondensatoren puffern kann.
:
Bearbeitet durch User
Ich bin dann auch mal aus dem Urlaub zurück und habe mich bei dem Wetter gleich in den Keller verzogen. Die Netzteile laufen jetzt erst mal über die Dioden die auf Aluwinkel befestigt wurden. Für den Aufbau der Kühlung im Gehäuse brauche ich jetzt erst mal eine Dummy-Last. Habe 16 Foto Projektor Lampe mit 12V/100W im Keller gefunden. ( Osram Xenophot HLX 64625 ) Leider habe ich irgendwie kein Plan wie ich die Teile einfach und effektiv montiere. Die Andere Möglichkeit wäre ein Drahtwiderstand zu basteln doch den V2 Draht den ich habe ist viel dick ca.2mm und den Kupferlackdraht ist ca. 0,15mm und müsste gekühlt werden um auf eine realistische Länge zu kommen. Jemand eine Idee wie man eine provisorische Dummy-last ohne Keramikröhren aufbauen kann. PS: Ich hab jetzt auch die Spannungsregelung an den Netzteilen gefunden, wenn jemand die Belegung braucht einfach anschreiben.
:
Bearbeitet durch User
Ein paar IRFP460 auf Aluschiene montiert (aus altem Hifi-Verstärker ausschlachten) und die mit ner Op-Amp Schaltung als Stromquelle ansteuern.
paar IRFP460 auf Aluschiene montiert... Ja über die Technik habe ich auch gelesen aber bei 1,5kW werde ich es mir( glaube ich ) schwer tun die 6+ Mosfet´s unter 200°C ( oder noch weniger ) zu halten. So wie ich bis jetzt ähnliche Projekte gesehen habe müsste ich sie schon direkt an ein großen Topf mit Wasser kleben. Ich hab mir jetzt was Kanthaldraht für 2kW bestellt und bis jetzt ist der Plan ihn einfach auf eine Vermiculit Platte zu fädeln und dort an verschiedenen Punkten ab zugreifen. Muss dann in 0,438 Ohm Schritten bis auf 2,63 Ohm gehen. Bin mir aber noch nicht im klaren wie ich das mit dem abgreifen mache. Eine Kombination von Mosfet´s und Kanthaldraht wäre schick... nur wie ?
Dog G. schrieb: > Jemand eine Idee wie man eine provisorische Dummy-last ohne > Keramikröhren aufbauen kann. Hallo, nehme eine oder mehrere Herdplatten vom Schrottplatz, die Du ggf. parallel und oder in Reihe schalten kannst. So z.B. teste ich leistungsstarke PA-Anlagen für Livemusik in der Größenordnung von ca. 8 kW Bereich. MfG. Zeinerling
Dann brauch ich aber viele: Ich hab ja keine 230V sondern 12V und 25A (max. 27A) = 0,47 Ohm So ne Herdplatte hat wahrscheinlich 30 Ohm und mehr.
Dog G. schrieb: > paar IRFP460 auf Aluschiene montiert... > > Ja über die Technik habe ich auch gelesen aber bei 1,5kW werde ich es > mir( glaube ich ) schwer tun die 6+ Mosfet´s unter 200°C ( oder noch > weniger ) zu halten. > So wie ich bis jetzt ähnliche Projekte gesehen habe müsste ich sie schon > direkt an ein großen Topf mit Wasser kleben. 1,5kW bekommt man schon weggekühlt, dickes Aluprofil aus dem Baumarkt und da ein Gebläse davor. Kannste natürlich auch teilweise in Wasser eintauchen. FETs sind wasserdicht und deine Spannungen reichen für nen signifikanten Stromfluss nicht aus. Etwas professioneller ist es dann, sich nen Wasserkühler zu bauen, einfach ne Kupferplatte an die du deine FETs anschraubst (Schraublöcher abdichten), dann ein "Ring" aus Kupfer als Abstandhalter und dann die gleiche Platte wie vorn auch hinten noch. Irgendwo noch Anschlüsse mit einkleben, fertig. Das mit den Herdplatten ist auch gar nich so verkehrt, aber müssen vermutlich thermisch einschwingen. Ausserdem hat man den Ranz dann rumliegen. Da ist letzten Endes die Frage welche Genauigkeit man benötigt, sind x Ohm +-10% ok oder darfs nur 1% sein.
Dog G. schrieb: > Dann brauch ich aber viele: Manche Herdplatten haben auch mehrere (2-3) Heizwiderstände, die Du entsprechend verschalten kannst. Es gibt auch Herdpatten mit 3x230 Volt die Du dann in Stern- oder Dreieck schalten kannst. MfG. Zeinerling
@THOR So was: https://www.youtube.com/watch?v=uJyDK1X2rCc oder so was: https://www.youtube.com/watch?v=t5rglrH168E Ist zwar schön mal zu bauen aber nichts für ein Abend mal schnell zu basteln. Ich muss schauen das ich mich nicht ewig an einem neben Projekt für ein neben Projekt für mein Projekt aufhalte wenn ihr wisst was ich meine. Ohm +-5% sind schon ok es ist ja nur fürs Wärmemanagement der Netzteile
:
Bearbeitet durch User
Werner F. schrieb: > Dog G. schrieb: >> Jemand eine Idee wie man eine provisorische Dummy-last ohne >> Keramikröhren aufbauen kann. > > Hallo, > nehme eine oder mehrere Herdplatten vom Schrottplatz, die Du ggf. > parallel und oder in Reihe schalten kannst. > So z.B. teste ich leistungsstarke PA-Anlagen für Livemusik in der > Größenordnung von ca. 8 kW Bereich. > > MfG. Zeinerling Witzig, so habe ich meine 750W PFC auch getestet. Man kann mit dem Schalter vorne an der Herdplatte schön die Last umschalten. Wenn es länger laufen soll, muss man allerdings einen Topf mit Wasser draufstellen. Man hat meist zwei Platten, und durch parallel und Reihenschaltung der vielen Heizwicklungen kann man ganz gut Leistung einstellen. Eine Doppelherdplatte ist eine kostengünstige ohmsche Last für satte 4kW. Für quasi nix, kann man sich meist vom Dachboden holen.
Ich habe mal ein Frage: Gefährde ich die Netzteile wenn kurzzeitig eine höhere Spannung am ausgang anliegt als das Netzteil liefert ? Der Hintergrund: Ich will die Schaltung wie ganz oben gezeigt aufbauen ( die Relais habe ich jetzt ) Um die Ströme bei einer Trennung durch ein Relais zur verringern möchte ich am Ausgang ein Kondensator parallel setzen ( unterste Anschlüsse ). Jetzt lädt sich der Kondensator zb. bei zwei Netzteilen auf 24V . Wenn ich dann wieder ein Netzteil ausschalte speist der Kondensator das eine 12V Netzteil ja kurzzeitig mit 24V. Einfach ausprobieren will ich es nicht und eine Diode im Lastkreis heizt auch unnötig.
:
Bearbeitet durch User
Damit könntest du nen Elko oder ne Diode durchschiessen, ja. Da hilft nur reingucken.
Dog G. schrieb: > Um die Ströme bei einer Trennung durch ein Relais zur verringern möchte > ich am Ausgang ein Kondensator parallel setzen. Habe ähnliche Versuche mit 3 12V/8A SMPS gemacht. Dabei führten die Ausgleichsströme zwischen den Kondensatoren insbesondere beim zurückschalten auf niedrigere Ausgangsspannung, immer wieder zu klebenden Relaiskontakten. Der C am Ausgang hatte wohl 2200µ, letztendlich brachte nur eine Diode vor diesem Besserung. Vielleicht hätte auch die Verwendung von leistungsstarken KFZ-Relais anstelle der gesockelten 10A-Industrierelais geholfen, wurde aber nicht getestet da 24V Ansteuerung nicht mehr ohne weiteres änderbar.
Bitte melde dich an um einen Beitrag zu schreiben. Anmeldung ist kostenlos und dauert nur eine Minute.
Bestehender Account
Schon ein Account bei Google/GoogleMail? Keine Anmeldung erforderlich!
Mit Google-Account einloggen
Mit Google-Account einloggen
Noch kein Account? Hier anmelden.


