Hallo, ich habe ein Sinus Signal unbekannter Spannung und möchte dies zu einem Rechteck und Dreiecksignal wandeln, wobei bei diesen der Spannungslevel der gleiche wie vom Sinus sein soll. Ich habe als Bild einen ersten Entwurf ohne Bauteilwerte angehangen. Kann ich diese so verwenden, ohne dass die einzelnen Wandler sich gegenseitig oder die Signalquelle all zu sehr beeinflussen? Das Sinussignal kommt aus einem Transistor Oszillator mit L/C Glied. Am Ende soll über einen dreifach Schalter das gewünschte Signal an einen Verstärker weitergegeben werden. Vielen dank schonmal!
R60 würde ich weglassen, du willst einen Komparator und keinen Verstärker. Ich weiss aber auf Anhieb nicht, welcher Spannungsunterschied zwischen + und - beim TL072 sein darf. Der Rest macht Sinn.
Aus einem Sinusförmigen Signal ein Rechtecksignal zu machen, das geht. Daraus wiederum eine dreieckförmige Wechselspannung zu machen, das geht auch. Mit Schmitt-Trigger und Integrator hast du die richtigen Bauteile im Visier. Nur beider Amplitude wird es kompliziert - nicht nur dass die Amplitude des Sinussignals unbekannt ist - die Ausgangsspannung deines Integrators ist noch dazu frequenzabhängig. Willst du einen Funktionsgenerator bauen? Oder was hast du vor?
Nils schrieb: > ... wobei bei diesen der Spannungslevel > der gleiche wie vom Sinus sein soll. Das ist bei der gezeigten Schaltung sicher nicht der Fall. Die Amplitude des Rechtecks hängt von der Betriebsspannung ab und die Amplitude des Dreiecks unter anderem von der Frequenz.
Ernst O. schrieb: die Ausgangsspannung deines Integrators > ist noch dazu frequenzabhängig. Bzw. clippt bei niedrigen Frequenzen auch noch. Der XR2206 kann sowas auch.
THOR schrieb: > R60 würde ich weglassen, du willst einen Komparator und keinen > Verstärker. R60 erzeugt eine Mitkopplung und damit eine Schalthysterese, verhindert wilde Schwingungen im Schaltmoment.
Nils schrieb: > ich habe ein Sinus Signal unbekannter Spannung und möchte dies zu einem > Rechteck und Dreiecksignal wandeln, Das macht man normalerweise anders: Man erzeugt ein Dreiecksignal und macht daraus Rechteck und Sinus. Wobei allerdings die Qualität des so erzeugten Sinus nicht ausreicht, um damit Klirrfaktormes- sungen an Verstärkern zu machen.
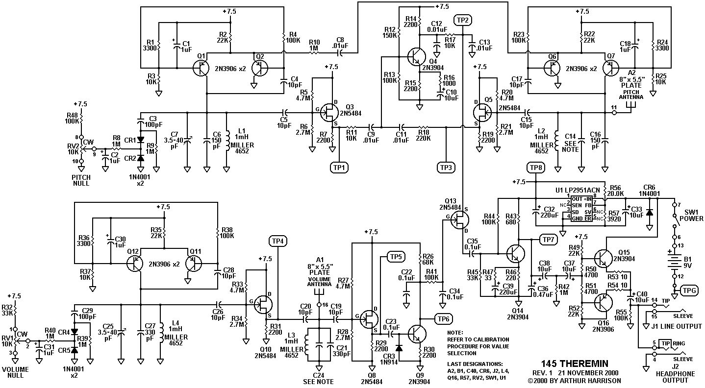
Soweit ich das verstanden habe, lässt sich mit R60 eine Hysterese einstellen. Ob ich die brauche ist natürlich fraglich - jedes Bauteil weniger ist herzlich willkommen. Den TL072 habe ich nur genommen, weil Standartbauteil in vielen (alten) Audioschaltungen, z.B. Gitarreneffektgeräte. Fiel mir spontan als erstes ein. Mit R64/64 und R66/67 will ich ja die Ausgangsspannung der Wandler auf ein definiertes Potential bringen - in der Annahme, dass die Spannung von Sinus konstant ist. Der Spannungslevel vom Sinus ist für mich unbekannt, ggf. könnte das erfragt, ausgrechnet oder erlesen werden. TP2 aus folgender Schaltung: http://www.theremin.us/145/145schematic.gif PS: Das Eingangssignal ist im hörbaren Bereich, also 0-2kHz.
PS: Ja, Dreiecksignal ist Frequenzabhängig, das sehe ich ein. Gibts da eine alternative Lösung?
R60 brauchst du wirklich. Hatte mich verguckt und das für den - Eingang gehalten. Sollen die Spannungteiler in Wirklichkeit Potis sein? Dann könntest du damit bei Bedarf die Amplitude nachjustieren. Aber beim Dreieck musst du das dann ständig machen sobald sich die Frequenz ändert.
Meine alternative Lösung wäre der XR2206. In dem Frequenzbereich macht der sogar nen akzeptablen Sinus. Ich hab den als FG in ner kleinen Plastikbox mit 12V Single Supply. Muss man ggf. noch nen Verstärker hinterschalten weil der Rechteckausgang immer nen höheren Pegel als Dreieck und Sinus hat, aber der Pegel ist zumindest nicht stark frequenzabhängig.
Nils schrieb: > ich habe ein Sinus Signal unbekannter Spannung Nils schrieb: > in der Annahme, dass die Spannung > von Sinus konstant ist. Ja wenn das so ist (Überraschung), dann kannst du natürlich die Ampltude des Rechtecks entsprechend einstellen - beim Dreieck reicht das nicht, da wirst du mit einem zusätzlichen Schaltungsteil die Amplitude entsprechend regeln müssen, da sie mit zunehmender Frequenz kleiner wird. Kommt auf den Frequenzbereich an, ob das so einfach ist. Wie hier üblich weiss man ja wieder mal garnichts, weder Amplituden noch Frequenzbereich. Sicher alles VS vertraulich. Georg
Nein, das soll einmal gemessen, ausgrechnet und dann fix sein. Wie man dem von mir verlinkten Schaltplan entnehmen kann, ist der Sinus vorgegeben. Gerne nehme ich einen anderen Chip, eine fertige Lösung, die mir aus Sinus verschiedene Kurven erzeugt, die Basis ist aber immer der Sinus von meinem Oszillator, welcher immer die selbe Spannung haben sollte.
Nichts vertraulich. Spannung wird vermutlich unter 1V Peak to Peak sein. Ich nehme dies der Test und Calibration Procedure: http://www.theremin.us/145/145.html. http://www.theremin.us/145/145calibration.html: "Connect the oscilloscope PROBE to TP2 (output of the MIXER). (Oscilloscope set for 200mv/div. vertical sensitivity, AC coupled; 1mS/div. horizontal sweep rate, internally triggered.)"
Georg schrieb: > Wie hier üblich weiss man ja wieder mal garnichts, weder Amplituden noch > Frequenzbereich. Sicher alles VS vertraulich. Nils schrieb: > Der Spannungslevel vom Sinus ist für mich unbekannt, ggf. könnte das > erfragt, ausgrechnet oder erlesen werden. TP2 aus folgender Schaltung: ... > Das Eingangssignal ist im hörbaren Bereich, also 0-2kHz.
Nils schrieb: > Kann ich diese so verwenden Wofür ? Sie tut nicht, also überhaupt nicht, was du angeblich willst: Nils schrieb: > zu einem Rechteck und Dreiecksignal wandeln, wobei bei diesen > der Spannungslevel der gleiche wie vom Sinus sein soll. Wobei man erst mal drüber nachdenken müsste, was Spannungslevel heisst, dieselbe Spitzenspannung oder dieselbe RMS Spannung ? Dann wäre vielleicht interessant zu wissen, wie sauber die Signale sein sollen (Klirrfaktor unter 1%?) in welchem Frequenzbereich und wie genau die Spannung eingehalten werden muss. Nils schrieb: > Am Ende soll über einen dreifach Schalter das gewünschte Signal an einen > Verstärker weitergegeben werden. klingt ja nach Audio, 20Hz-20kHz, bis einige Volt, aber gerade bei Audio will man meist geringe Klirrfaktoren, besser 0.01% als 1%. Man wird zunächst mal die Spannugn des Eingangssignals ermitteln müssen, das kann man mit einem Spitzenwertgleichrichter (sample & hold des differenzierten Signals) oder Effektivwertgleichrichter (AD637) machen. Dann erzeugt man zur Spannung die identische negative Spannung (OpAmp invertierend). Dann kann man mit einem Analogschalter zwischen den beiden ermittelten und gespeicherten Spannungen hin und herschalten, der Analogschalter bekommt seine Umschaltimpuls immer wenn das Eingangssignal von plus nach minus oder minus nach plus welchselt, also einen Nulldurchgang hat, das kann ein Komparator. Bleibt das Dreiecksignal. Das kann beliebig schwierig sein, denn damit man eine gleichmässig ansteigende Rampe bekommt, muss man wissen wie hoch der Zielwert ist, also die Spitzenspannung, und weil die von der Eingangsspannung abhängt, und zudem noch exakt der Frequenz folgen muss, weiss man gar nicht wie steil die Rampe beginnen soll. Man kann also nur ein Dreieck für die VERGANGENE Periode des Eingangssignals erzeugen, man ermittelt bei ihr welche Frequenz (Zeittdauer zwischen Nulldurchgängen) sie hatte und welche RMS oder Spitzenspannung dazwischen auftrat, und bildet dann in der NÄCHSTEN Periode ein Dreiecksignal. Weil Analogtechnik dafür multiplizieren muss, und Multiplizierer in analog immer doof sind, wäre eine Lösung per uC (DSP) sinnvoll. Wenn derselbe Sinus lange anliegt und das Dreieck nur langsam sich daran anpassen soll, dann könnte man auch regeln: Das Rechtecksignal integrieren, das Ausgangssignal entweder nach Spitzenwert oder RMS Wert messen, und die Aplidude dann per PID Regler so regeln, daß sie nach einiger Zeit genau der Amplitude des Eingangssiognals entspricht, das spart den Multiplizierer. Deine Schaltung ist jedenfalls weitgehend untauglich, oder deine Bescheibung war bloss Wunschdenken.
Nils schrieb: > Ja, Dreiecksignal ist Frequenzabhängig, das sehe ich ein. Gibts da > eine alternative Lösung? Dazu müßte man wissen, wofür das ganze gut sein soll. Ein Dreiecksignal mit einer bestimmten Amplitude und Frequenz zu erzeugen ist einfach. Es so zu erzeugen, daß es Amplitude und Frequenz eines beliebigen Sinus-Signals entspricht, dann schon weniger. Wobei es natürlich ganz wesentlich darauf ankommt, von welchen Spannungen und Frequenzen wir reden. Dreieck bei hohen Frequenzen ist auch schwierig, weil in der Spitze enorm Oberwellen stecken. Im Rechteck stecken zwar auch Oberwellen, aber da kann man zur Erzeugung auf Logikschaltungen zurückgreifen. Für das Dreieck braucht man dann einen sehr schnellen OPV. Die ganz große Lösung wäre ein Dreieck/Rechteck VCO, der per PLL der Eingangsfrequenz nachläuft. Und ein zweiter Regelkreis, der die Amplituden der Ausgangssignale angleicht. Aber vermutlich ist die zu lösende Aufgabe den Aufwand nicht im Ansatz wert.
Ein Theremin hat meist zwei Antennnen, mit denen sich er Klaang beeinflussen lässt: eine für die Tonhöhe und eine für die Lautstärke. Beides beeinflusst einen Sinus-Dreieckwandler. Und damit wird die Sache kompliziert. Kommt es dir beim Theremin auf die Gestensteuerung oder auf die Kangfarbe an? Wenn es die Klangfarbe ist, bist du mit Rechteck unnd Dreieck vermutlich auf dem Holzweg, probiere es mal mit einem Funktionsgenerator aus.
Also, ich habe zwei Oszillatoren, wovon einer eine feste Frequenz hat, der andere eine variable. Variable heißt, dass dessen Frequenz mit einer Antenne und Handbewegung in dessen Feld verändert werden kann. Die Differenz beider Frequenzen ist meine Ausgangsfrequenzn und liegt im hörbaren Bereich - ja Audio ist korrekt. Der Bauanleitung entnehme ich, dass die Spannung ca. 1-2V peak to peak ist, eher weniger. Die Lautstärke dieses Sinussignal wird von einem zweiten Oszillator, der am Ende eine Steuerspannung erzeugt in der Lautstärke reguliert. DAVOR möchte ich das Sinussignal umwandeln, also VOR der Änderung der Amplitude. Um Klirrfaktor habe ich mir bis jetzt noch keine Gedanken gemacht, das tut mir leid.
Ernst O. schrieb: > Ein Theremin hat meist zwei Antennnen, mit denen sich er Klaang > beeinflussen lässt: eine für die Tonhöhe und eine für die Lautstärke. > Beides beeinflusst einen Sinus-Dreieckwandler. Und damit wird die Sache > kompliziert. > > Kommt es dir beim Theremin auf die Gestensteuerung oder auf die > Kangfarbe an? Wenn es die Klangfarbe ist, bist du mit Rechteck unnd > Dreieck vermutlich auf dem Holzweg, probiere es mal mit einem > Funktionsgenerator aus. Aber ich habe doch quasi einen Funktionsgenerator - die Differenz der Oszillatoren? Aber Klangfarbe ist auch ein gutes Stichwort, dahin soll es gehen.
Axel S. schrieb: > vermutlich ist die zu lösende Aufgabe den Aufwand nicht im Ansatz wert Nachdem nun der Hinweis auf das Theremin kam, kann ich mir vorstellen, was das ganze soll: den Klang eines Theremins aufhübschen. Und natürlich ist der geplante Ansatz, das Ausgangssignal des Theremins zur Steuerung zu verwenden, vollkommen unsinnig. Das Theremin hat bereits einen VCA eingebaut. Zur Beeinflussung des Klangs würde man das Signal zwischen dem Mischer und dem VCA modifizieren. Z.B. könnte man das Sinussignal - das an dieser Stelle eine konstante(!) Amplitude hat - in ein Rechteck wandeln (simpler Komparator) und dann ein Poti als "Tonblende" verwenden, um eine Mischung aus Sinus und Rechteck zu bekommen. Das Dreiecksignal ist auch unnötig. Für den Klang ist ausschließlich der Anteil der Oberwellen wichtig. Diese Anteile stellt man besser mit einem Filter (vulgo: Klangregler) ein, nachdem man einmal durch eine passende Signalumformung genug Oberwellen erzeugt hat.
Nils schrieb: > Aber Klangfarbe ist auch ein gutes Stichwort, dahin soll es gehen. Dann schnappe dir einen Funktionsgenerator und spiele mal alle Kuurvenformen durch, damit du eein Gefühl davon bekommst, wie deine akustisch bevorzugte oder angestrebte Kurvenform auf eiinem Oszilloskop aussieht. Beim Originalen Theremin ist das fast eine pure Sinusschwingung, eventuell mit etwas Sägezahn dabei.
Nils schrieb: > Nein, das soll einmal gemessen, ausgrechnet und dann fix sein. Nicht alles was man sich wünscht, lässt sich auch technisch verwirklichen. > Wie man dem von mir verlinkten Schaltplan entnehmen kann, ist der Sinus > vorgegeben. Dann ersetze in Deinem Schaltplan den Sinusoszillator doch durch einen Dreieckoszillator. > Gerne nehme ich einen anderen Chip, eine fertige Lösung, die mir aus > Sinus verschiedene Kurven erzeugt. Einen solchen Fertigchip gibt es nicht. Du könntest höchstens einen µC passend programmieren. Der müsste dann den Sinus in eine frequenz- proportionale Spannung umwandeln, und aus dieser ein neues Dreieck erzeugen. Da eine solche Umwandlung mit Fehlern behaftet ist, glaube ich nicht, das Dir das Ergebnis gefallen wird.
Axel S. schrieb: > Z.B. könnte man das Sinussignal - das an dieser Stelle eine konstante(!) > Amplitude hat - in ein Rechteck wandeln (simpler Komparator) und dann > ein Poti als "Tonblende" verwenden, um eine Mischung aus Sinus und > Rechteck zu bekommen. Von diesem Punkt spreche ich doch oder irre ich mich? TP2 jedoch nach dem Mixer, aber vor dem VCA - welcher hier ein simpler Transistor ist oder? Am TP2 sollte doch die Amplitude konstant sein oder irre ich mich? Dann Rechteck wandeln und mit einem Potentiometer eine "Tonblende" machen?
Wäre also ggf. so etwas angebrachter? Sinus zu Rechteck mit regelbarem Hoch- und Tiefpass? Ggf. den zweiten Operationsverstärker als Buffer nutzen?
Nils schrieb: > Wäre also ggf. so etwas angebrachter? Sinus zu Rechteck mit regelbarem > Hoch- und Tiefpass? Angebracht wäre IMHO, dem Theremin seinen reinen Sinus-Klang zu lassen. Ansonsten ist erlaubt, was gefällt. Probiere es aus. Insofern ist der Hinweis auf einen Funktionsgenerator gar nicht so falsch. Warum baust du nicht erst mal ein Theremin? Du hast ja jetzt eine Schaltung gefunden, die ohne abgleichbare Spulen auskommt. Obwohl die 1mH Spulen in dieser Schaltung auch eher speziell sind (hohe Güte). Bevor du am Klang eines Theremins herumschraubst, bau mal eins und vor allem: lerne es zu spielen. Ein Theremin gut zu spielen (vulgo: so daß einem auch jemand zuhören mag) ist schwierig. Schwerer als Klavier.
Harald W. schrieb: > Der müsste dann den Sinus in eine frequenz- > proportionale Spannung umwandeln, und aus dieser ein neues Dreieck > erzeugen. Da eine solche Umwandlung mit Fehlern behaftet ist, glaube > ich nicht, das Dir das Ergebnis gefallen wird. Wär' zumindest mal ein Spass. Ich würde allerdings nicht vom Sinus, sondern vom Rechteck ausgehen - der Haken ist aber, das mindestens ein Wellenzug verspätet ausgegeben wird. Capture misst Zeit zwischen zwei Flanken -> MC rechnet aus, wie hoch gesampelt werden muss, um eine Dreieck/Sägezahn Rampe am Ausgang mit voller Amplitude zu machen, oder, wieviel Schritte für FullRange erlaubt sind bei gegebener Samplefrequenz und wirfts auf den DAC.
:
Bearbeitet durch User
Digitalisieren, FFT - dann hat man Pegel und Frequenz. Obertonanteile für Rechteck und Dreieck berechnen und hinzufügen und wieder zurück in die Zeitdomäne. Gruß Jobst
Axel S. schrieb: > Warum baust du nicht erst mal ein Theremin? Du hast ja jetzt eine > Schaltung gefunden, die ohne abgleichbare Spulen auskommt. Puh, wer macht denn sowas noch 100% analog ... Wenn er es digital machen würde, dann könnte er dem Ding einfach mehrere Tabellen für den DDS geben und schwupps könnte er auf Knopfdruck auf Dreieck, Rechteck, "Hohoho" usw umschalten ... Nils möchte etwas, was viel zu kompliziert ist ... *edit*: Oder die zwei Kanäle eines analog-Frontend (Pitch und Lautstärke) mit einem Mega8 digitalisieren und per v-USB an den PC schicken und dort die Klangsynthese machen ... PC Programmierung ist einfacher ... Wenn man es als Stand-Alone wirklich haben möchte, kann man es immer noch in einen Raspi migrieren oder oder oder ;)
:
Bearbeitet durch User
Hier zB: http://www.sciencezero.org/index.php?title=Capacitive_proximity_detector Kleine Schaltung, erzeugt einen Rechteck, deren Frequenz abhängig ist, wie nah man an der Antenne ist ... Wenn man sie zweimal aufbaut: - für Pitch: Die Frequenz des Rechtecks direkt für den DDS-Oszillator verwenden - für Lautstärke: Periodendauer messen und das als Lautstärke verwenden Entweder den DDS gleich in einen Mega8 oder per vusb an den PC anbinden und dort die Klangsynthese machen. Oder kann mir jemand erklären, weshalb man ein Theremin heutzutage noch so hardcore analog bauen würde?
Der Weg Sinus zu Rechteck und / oder Dreieck wäre für einen DDS Funktionsgenerator schon passend. Nur die Amplitudenanpassung wäre dann natürlich anders. DDS geht halt direkt nur gut für Sinus. Das Rechtecksignal dann per Komparator und daraus halt das Dreiecksignal. Bei der Einstellung der Amplitude des Dreiecks (und ggf. DC Level) hat man da dann ein paar Optionen.
Lurchi schrieb: > DDS geht halt direkt nur gut für Sinus. Wer sagt denn sowas? Es gibt eine Menge DDS-Generatoren, die Dreieck erzeugen ... Wüsste nicht, was dagegen sprechen würde ...
Mampf F. schrieb: > Wer sagt denn sowas? Es gibt eine Menge DDS-Generatoren, die Dreieck > erzeugen ... Wüsste nicht, was dagegen sprechen würde ... Bei einem Sinus kann man Zwischenwerte durch Filterung rekonstuieren, bei Dreieck nicht, die Spitze ist ein Problem:
1 | 10 * |
2 | 9 * * |
3 | 8 * * |
4 | 7 * * |
5 | 6 * * |
6 | 5 * * |
7 | 4 * * |
8 | 3 * * * |
9 | 2 * * |
10 | 1 * * |
11 | 0 *-------------------*-------------------*- |
12 | -1 * * |
13 | -2 * * |
14 | -3 * * |
15 | -4 * * |
16 | -5 * * |
17 | -6 * * |
18 | -7 * * |
19 | -8 * * |
20 | -9 * * |
21 | -10 * |
Und bei Rechteck ist der genaue Nulldurchgang ein Problem. Deswegen empfehlen viele Hersteller, den gefilterten Sinus durch einen Komparator zu schicken. Gruß Jobst
:
Bearbeitet durch User
Rechteck direkt per DDS gibt ein deutliches Jitter, einfache weil die Zeit diskretisiert wird. Einiger DDS Chips haben für die Erzeugung eines Rechtecks sogar gleich einen Komparator mit drin. Beim Dreieck ist es mit den Störungen nicht ganz so schlimm, aber die Spitzen kann man nur schwer extrapolieren. Entsprechend gibt es brauchbares Dreieck nur für deutlich niedrigere (z.B. Faktor 100) Frequenzen als den Sinus. Bei einigen neueren Generatoren fällt das ggf. nicht mehr so auf weil da ggf. der Ausgangsverstärker die maximale Frequenz stärker einschränkt als der DDS Takt.
Naja, niemand wird auf die Idee kommen, für einen 1kHz Dreieck einen 2kHz oder 3kHz DDS zu verwenden ... Ich würde da schon eine deutlich höhere DDS-Frequenz verwenden :) *edit*: Ach, das hattest du ja mit Faktor 100 geschrieben ... Dann sind wir uns ja einig :) *edit2*: Aber ansonsten ist die DDS-Idee echt gut ... Also auch in Kombination mit dem analog-Theremin ... Braucht halt einen µC, aber das wäre imho der Weg, den man gehen sollte.
:
Bearbeitet durch User
Mampf F. schrieb: > Oder kann mir jemand erklären, weshalb man ein Theremin > heutzutage noch so hardcore analog bauen würde? Aus demselben Grund, aus dem Konzertpianisten auf einem Flügel (und nicht auf einem Casio-Keyboard) spielen, manche Leute Holzmöbel haben wollen (und keinen Ikea-Pressspan) und wieder andere ihr Brot selber backen.
Lurchi schrieb: > Rechteck direkt per DDS gibt ein deutliches Jitter, einfache weil die > Zeit diskretisiert wird. Exakt. Es braucht eine zweistufige Schaltung, die den Sinus filtert und in ein Rechteck verwandelt, das als Takt für eine DDS fungiert. Normalerweise ist das ein entsprechendes Bandfilter im Bereich der zu erwartenden Frequenzen. Den Takt liefert der Schmitt-trigger. Dann eine PLL, die den Tabellentakt der DDS macht. Der Zähler liefert dann das Dreieck. Fürs Rechteck reicht eine PLL 1:2 und ein Taktausgang 2:1 wegen 50:50 d.c. Beim Dreieck muss man hochaufgeloest arbeiten. Diese Transformation ist das Problem: Die PLL muss weich genug sein, um Änderungen des Sinus folgen zu können, ohne außer Tritt zu kommen. Bleibt noch die Amplitudenmessung und Regelung des DDS-Ausgangs.
Wenn ich mich recht erinnere hat der Oszillator vom NE567 einen Rechteck und einen Dreieckausgang sowie Detektoren für PLL. Wäre das nicht ein Ansatz? Eine andere Möglichkeit um Oberwellen zu bekommen wäre ein Verzerrer wie für E-Gitarren. Damit könnte man mit der Lautstärke zugleich die Klangfarbe ändern.
Leute! Habt ihr mal gelesen (und kurz darüber nachgedacht) was der TE eigentlich im Sinn hat? Er hat ein Theremin (bzw. will eins bauen). Und dessen Klang will er ver(schlimm)bessern. Und er glaubt, dazu wäre ein Sinus- zu Dreieck- Konverter eine gute Idee. Ist es aber nicht. Für den Klang muß man bloß irgendwelche Oberwellen auf den Sinus raufbekommen. Dazu kann man den Sinus begrenzen. Oder verzerren. Oder gleichrichten. Alles Dinge, die viel einfacher sind und am Ende genau so oder sogar besser klingen. Den genauen Klang stellt man ja sowieso mit einem Klangregler ein, oder durch Mischen der verschiedenen Signale.
Axel S. schrieb: > Er hat ein Theremin (bzw. will eins bauen). Ich lese eher, dass er sich den TP aus dem Thereminschaltung ausgeliehen hat.(?)
Bitte melde dich an um einen Beitrag zu schreiben. Anmeldung ist kostenlos und dauert nur eine Minute.
Bestehender Account
Schon ein Account bei Google/GoogleMail? Keine Anmeldung erforderlich!
Mit Google-Account einloggen
Mit Google-Account einloggen
Noch kein Account? Hier anmelden.


