Als Neuer und Mitleser (leider Nichttechniker) hab ich mal eine Frage: Habe vom Conrad.de 1 Triac Drehzahl- und Leistungsregler (https://www.conrad.de/de/drehzahl-und-leistungsregler-conrad-components-183199-230-vac-15-a-200-w-183199.html) und einen Lüfter 230V/ 15W. In dem Datenblatt wird ein 470k Poti empfohlen. Funktionert leider schlecht. Ein 100k bzw. 47k Poti aus der Krabbelkiste geht besser. Kann mir Jemand einen Rat geben? Gruß
Im Dabla steht leider nichts von Mindestlast. Ich gehe mal davon aus, daß das Modul für niedrige Last geeignet ist. Für diesen Fall wird wohl der "gespreizten Regelbereich" gedacht sein. Schalte mal, wie im Dabla beschrieben, zum 470k Poti, einen 820k parallel (1,2).
Manfred G. schrieb: > und einen Lüfter 230V/ 15W Die meisten 230V~ Lüfter lassen sich mit Phasennaschnitt nicht gut regeln, weil es Spaltpol- oder Kondensatormotore sind, deren Drehzahl eher von der Frequenz abhängt.
@ teoderix.. so, habe den 820k parall gelötet. Der Regelbereich ist noch kleiner als zuvor. @laberkopp ist das schwierig bzw. machbar? Hintergrund: Habe mehre Rohr-Einschublüter in Bad, Wc und Küche. Bei 'Vollgas' sind die sehr laut. Mit etwas weniger Drehzahl sind die gut zu gebrauchen. Habe auch schon mit Dimmer probiert. Sind aber zu groß. Deshalb wäre ein Triac-Regler ideal. Oder gibt's noch eine andere Lösung? Danke
Ich bin kein Profi, aber Phasen-Anschnitt/-Abschnitt-Dimmer führen meistens zu brummen in den Motoren. Neuere EC Motoren (Papst) sind noch etwas teuer aber lassen sich, wenn ich das richtig verstanden habe, sehr einfach mit 0..10V steuern. Ansonsten bleibt, soweit ich weiss, nur ein Stufentrafo wie z.Bsp. RLTS80, der ist aber richtig gross und schwer, dafür bleibt der Lüfter leise.
@Kienzle...danke für die Antwort, leider habe ich 5 Rohr-Einschublüfter. Lässt sich nicht ändern. @batman...ist zu kompliziert. Gruß
Ja, wie viel Platz (und: pro Lüfter oder 1 x gesamt?) ist denn vorhanden? Ein Triac-Regler ist ebenfalls eine Sorte von Dimmer ... sogar eine der allerhäufigsten. Manche Leute meinen sogar, "Dimmen" bedeute ausschließlich "per Phasenan-(oder kennen höchstens noch ab-)schnitt". Welche Sorte also hast Du erfolgreich benutzt? Wenn allgemein Geräusche das Problem sind, und aber bei Deinem Dimmer nicht waren, wäre die Info zumindest potentiell hilfreich. Da ein Brummgeräusch durch Phasenanschnitt ebenfalls sehr laut/störend sein kann, und häufig Lautstärke sowie "Häßlichkeit" des Geräusches bei hoher Drehzahl stark übertrifft, sollte man da vorsichtig sein. Und zur Vermeidung von Brummen bei gleichzeitiger Drehzahlminderung kann man halt im einfachsten Fall e. ohmschen (Resistor - große Verluste), besser aber einen induktiven (Drossel) Vorwiderstand setzen. Man kann auch Stufentrafo bzw. umschaltbar mehrere Drosseln, oder aber e. verstellbare Drossel, oder gleich einen Stelltrafo verwenden. Oder...
Wenn schon eine Drossel allein zu kompliziert ist, wird es wirklich eng mit den Möglichkeiten.
Also, ich versuch's als Nichttechniker mal zu erklären.Im Bad hab einen Lüfter in den Lüftungsschacht eingebaut und mit einem elektronischen Dimmer (ab 0-Watt)aus dem Baumarkt geregelt. Grobe Regelung. Ohne Brumm. In einem anderen Bad hab ich 2 Lüfter. Einen für Luft rein und einen für Luft raus.Extra Unterputzleitungen gelegt. In Küche hab ich einen, statt der Dunstabzugshaube, in den Fensterrahmen eingebaut. Vorher waren die in verschieden Projekten mit Glühbirnen und einem einfachen Dimmer geschaltet. Jetzt wollte ich aus Platzgründen und Neugierde eine andere Lösung. @ alfred b979 siehe Post #1 Phasenanschnitt. Funktioniert ja, ohne Brumm, aber grobe Steuerung. Frage: könnte ich mit einen Spindeltrimmer feiner justieren? Wie hier: https://www.amazon.de/gp/product/B007THQ8OO/ref=oh_aui_detailpage_o06_s00?ie=UTF8&psc=1 Gruß
Mit einem Spindeltrimmer kann man feiner justieren, falls das das Problem ist. So richtig klar wurde das bisher immer noch nicht. Man kann auch den interessanten Stellbereich über ein normales Poti strecken, indem man geeignete Festwiderstände in Reihe schaltet und den Potiwert entsprechend verkleinert. Aus einem 470k Trimmer mach z.B. einen 100k Trimmer + 370k Festwiderstand für ca. 4 fache Verfeinerung.
batman schrieb: > Ack. @TO: Es kommt auch auf die genaue Schaltung der Phasenanschnittsteuerung an - z.B. gibt es (immer noch) extrem einfache Dimmer-Schaltungen, die eine recht große Hysterese aufweisen: Man will eigentlich langsam (und/oder nur ´n bißchen) aufdrehen, stattdessen passiert länger praktisch nix, und plötzlich hagelt´s fast volle Drehzahl... Ist diese hohe Drehzahl mal erreicht, kann man - o Wunder - plötzlich umgekehrt SCHON "gefühlvoll zurückdrehen". Nun ja. Man kann u.U. ohne bedeutsame Folgen damit leben, aber es ist lästig. Sollte Dein "grobe Steuerung" der v.m. beschriebene Effekt sein? Wenn ja, kennen wir das, oder zumindest ein, Problem.
alfred_b979 hat das Problem freundlicher Weise beschrieben, was ich gemeint habe. Danke. @batman,ich habe bisher einen 100k und 47k Poti und einen 820k Widerstand parallel gelötet, half aber nix. Zwischenfrage: wenn ich einen Widerstand an dem Poti rechts+links löte,dann ist das parallel? Oder? Aber vielleicht gibt es keine ultimative Lösung und man "muss damit leben". Einen Richtwert und/oder wo man einen Spindeltrimmer einbaut würde mir beim experimentieren schon helfen. Gruß
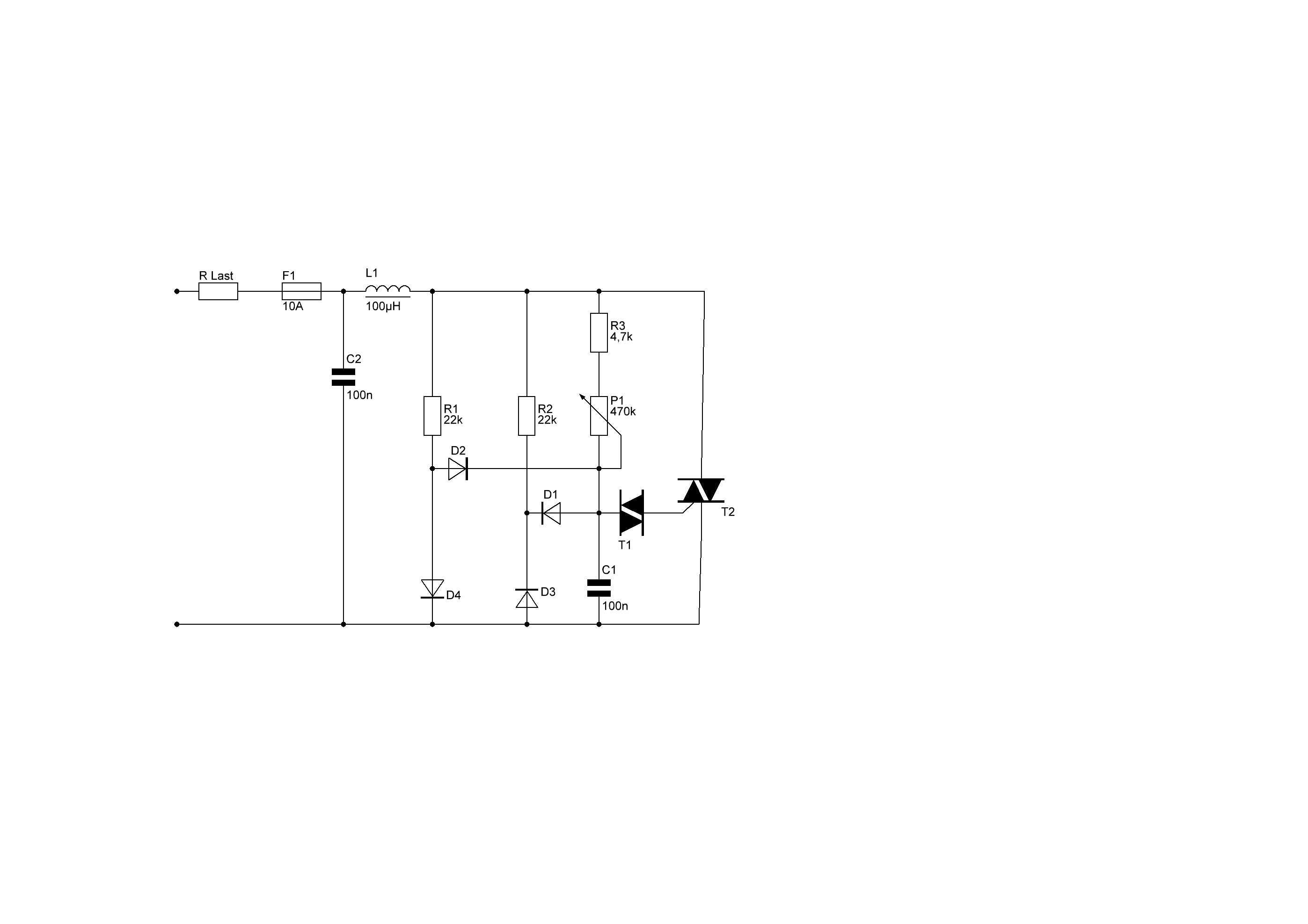
http://www.joretronik.de/Web_NT_Buch/Kap4/Kapitel4.html#4.1 Bitte anschauen. So müßte man die Schaltung abändern. Frag ruhig nochmal nach, wenn was unklar ist (z.B. die geeigneten Werte der zusätzlich benötigten Teile). Aber für eine Dimensionierungshilfe solltest Du dann die Werte der vorhandenen Bauteile angeben hier. Und auch d. Schaltplan verifizieren (pdf Nr. 1 auf der Conrad-artikelseite?).
Manfred G. schrieb: > ich habe bisher einen 100k und 47k Poti und einen 820k > Widerstand parallel gelötet, half aber nix. Allein durch Umdimensionierung an dieser Stelle (Poti) läßt sich der Fehler nicht beseitigen. Nicht mal wirklich bessern. Die Hysterese wird ohne "Tricks", siehe Link, immer in dieser Größenordnung bleiben, und folglich immer stören. Man braucht wirklich einen zusätzlichen Kondensator (C3), am besten etwas größer als der erste (C2), auch muß ein zusätzlicher Widerstand her (R2). Die Verschaltung auf Bild 4.1 B kann man übrigens (von Bild 4.1 A ausgehend) am einfachsten so betrachten, daß halt von R1 aus gesehen vor C2 und den DIAC ein zusätzl. Widerstand hin muß. C3 kommt dann einfach an den gleichen Knotenpunkt zw. R1 und die untere "Powerline". Und exakt so kann man auch löten.
@alfred_b979 danke für den Link. Das ist genau mein Problem. Ich kann das lesen und verstehn... und auch zusammenbauen. Aber die Schaltpläne bleiben mir ein Rätsel. Geh damit schon mal zu einem freundlichen Verkäufer zum Conrad. Vielleicht hast du einen Vorschlag für die Dimensionierung. Gruß
Manfred G. schrieb: > Habe mehre Rohr-Einschublüter in Bad, Wc und Küche. > Bei 'Vollgas' sind die sehr laut. > Mit etwas weniger Drehzahl sind die gut zu gebrauchen. Habe auch schon > mit Dimmer probiert. Sind aber zu groß. Deshalb wäre ein Triac-Regler > ideal. Oder gibt's noch eine andere Lösung? Hi, für einen Lüfter einfach einen passenden Kondensator (X2/ 1500V) in Reihe schalten. Habe so schon einmal eine "laute" Tangentiallüfter-Leiste eines Nachtstromspeicherofens leise bekommen. Nur (Disclaimer!) es kann unter Umständen passieren, dass durch Resonanz (L und C in Reihe => Serienresonanzkreis bei 50 Hz) die Spannung am Lüfter sogar ansteigt, so dass dieser anstatt langsamer sogar schneller wird. Probieren ist also angesagt. (Mit 0,22 uF bei meinem Lüfter geht's ganz gut.) ciao gustav
@gustav...thx. Werde in meiner Grabbelkiste nachschauen und ausprobieren. Gruß
Liebes Lieschen... Das bißchen Bauteile in einem winzigen schwarzen Böxchen kostet dort also >15€, merke ich gerade. (Auf dem Handy-Minibildschirm vorhin dachte ich, das "kleine Schwarze" sei nur der Triac oder so... ooops.) Sorry, grobe Fehleinschätzung meinerseits. Von außen kommt man ja nur an den Poti-Anschluß. Natürlich kann man im geschlossenen Zustand weder Bauteile, noch deren Verschaltung erkennen. Auch nicht bei Bedarf messen. Nicht den Schaltplan verifizieren. Und schon gar nichts ein-, aus-, oder dazu-löten - müßte man aber. Auch behalten nur wenige Aussagen Gültigkeit ... : Alfred B. schrieb: > Allein durch Umdimensionierung an dieser Stelle (Poti) läßt sich der > Fehler nicht beseitigen. Nicht mal wirklich bessern. Die Hysterese wird > ohne "Tricks", siehe Link, immer in dieser Größenordnung bleiben, und > folglich immer stören. Und da Du mit geschlossenem Gehäuse aber sonst nix tun kannst, als mit den Poti-Werten selbst, bzw. mit zusätzlichen R an dieser Stelle, zu "experimentieren", wirst Du damit nicht glücklich werden. Hast Du evtl. ein Stückchen Lochstreifen, -raster oder andere Art von Experimentier- oder auch nur Leer-Platine auf Vorrat? Es ginge evtl. aber sogar ein Stückchen "Platinenabfall" für so eine einfache Schaltung. Und: Läßt sich diese Box vielleicht wenigstens ohne Rettungsspreizer öffnen? Denn ich vermute/hoffe, daß man von den inneren Organen zumindest etwas brauchen könnte für einen "richtigen" Dimmer. Wenn man sie denn schadlos extrahieren kann, was aber durchaus gehen könnte... hängt von der Box ab. Könnte man vorsichtig "sezieren", dat Ding. Und nach gründlicher Autopsie halt geeignetes in neugeborenen richtigen Dimmer "transplantieren". Oder aber man baut gleich mit neuen Teilen. Gäbe Gründe für versch. Gedanken / Entscheidungen: Da für 220V~/AC spezifiziert, sind da evtl. bis nur 400VDC spannungsfeste Teile verbaut - zu knapp (heutzutage wären´s 230/240V~, was hier eigentlich Minimum 600VDC-Teile erforderte... ist also ein unzuverlässiges "Relikt", der Dimmer, wenn´s so ist). Recycling (und zukünftig Anwendung d. Teile innerhalb Specs) aber evtl. schwierig durch "Black Box". Alles weg? ... Denn: Andererseits war das Ding teuer. Alternative Verwendung(en)? Hm. Wo die Hysterese nicht stört, trotzdem als Dimmer... Oder: Statt Poti einen passenden Heißleiter (für Einschaltstrom-begrenzung o.ä.) oder Kaltleiter (für Leistungs- bzw. Drehzahlbegrenzung einige Zeit nach dem Anlauf) mit Widerständen so kombinieren, daß man definiertes Verhalten erhält (man kann das Element auch thermisch woran koppeln o.ä.). Was hast Du vor jetzt?
Soll an dem Trimmer denn häufig rumgestellt werden oder wieso ist das so problematisch?
Manfred G. schrieb: > alfred_b979 hat das Problem freundlicher Weise beschrieben, > was ich gemeint habe. Danke. Das Hysterese Problem kann man durch einbauen eines zusätzlichen Brückengleichrichters entschärfen. die Dioden sind 1n2007 o.ä Spannungsfeste Dioden. mfg
Manfred G. schrieb: > @laberkopp ist das schwierig bzw. machbar? Hat er doch schon geschrieben, dass Phasenanschnitt bei Spaltpolmotoren nicht vernünfig funktioniert. Mit einer Impulspaketsteuerung und einer Paketfolgefrequenz von ca. 3Hz geht es evtl.
Hp M. schrieb: > Hat er doch schon geschrieben, dass Phasenanschnitt bei Spaltpolmotoren > nicht vernünfig funktioniert. Hi, richtig! Der Motor wird über den sog. "Schlupf" in der Drehzahl verändert. Da aber keine exakt definierte Drehzahl (wie z.B. bei Tonbandgeräte-Capstan-Motoren) bei den Bad-Schimmelbildungsverhinderern gefordert ist, könnte man auf die Vorschläge eingehen: Beitrag "Re: Kondensatormotor, Drosselung über Reihenkondensator" https://www.mikrocontroller.net/attachment/303783/Ventilator_Dimmer.png ciao gustav P.S.: Triac-Schaltbild hier ist für 100W-Lüftermotor, bei den 10W-Lüftern funktioniert es mit dem Reihenkondensator im Bereich von 0,22 bis 0,68 uF/1500V X2 doch akzeptabel.
Hi, hier noch die Reihenschaltungs-Platine. Die Konds. sind Netzparallelbetriebs-Kondensatoren (ältere Bauart) WIMA MP3 560-7 X 0,22uF/250V~. (Würde heute wegen der anderen Netzspannungstoleranzen lieber eine Spannungs-Klasse höher wählen - hatten im Sommer hier über eine ganze Stunde lang auf allen drei Phasen ca. 260 Volt (!)- Ist aber nichts kaputtgegangen. ) Zur Sicherheit noch Schmelzsicherung, Vor- sowie Entladewiderstände drin. Die Leiterbahnenführung ist im Bild hinterlegt. (Je nach Erfordernis können C's abgelötet oder "geschaltet" werden.) Die mittlere Klemme ist (noch) nicht belegt. (Kann evtl. den N-Leiter dann aufnehmen.) ciao gustav
...bin überwältigt über soviel Resonanz,wegen so einem marginalen Problem. Danke.Hätte den Dimmer aus der alten Dunstabzugshaube ausbauen soll. @alfred_b979... die kleine "Schwarze Box" lässt sich öffnen, ist aber innen vergossen.Leer-Platinen hab ich. @batman...bei den Lüftern brauche ich eigentlich nur: an/voll/gedrosselt. Vielleicht mit einem Wechsel-Kippschalter steuern. Ich denke, alle anderen Lösungen sind zu aufwendig. Die Poti-Variante ist zwar unbefriedigend, aber für mich machbar. Ich bastel auch andere Schaltungen,aber Schaltpläne sind für mich unlösbare Rätsel. So ein Bild, wie von @gustav kann ich leicht nachbauen. Gruß Offtopic:ob das am Chrom liegt, dass ich keine vernünftige Formatierung hinbekomme?
@voltwide Ich beziehe mich hier auf die Angaben die Du zum pulse trafo fired dimming gemacht hast, vielleicht kannst Du mir bei diesem ähnlichen Thema helfen. Viele Grüße
Also ich hätte noch das anzubieten: http://www.velleman.eu/products/view/?id=9075&lang=de&country=ch Eigentlich ist das Teil für Bürstenmotoren, aber das sollte bei dir auch funktionieren. Ihr habt euch ja jetzt doch für Phasenanschnitt entschieden. Siehe: Karl B. schrieb: > Hi, > richtig! > Der Motor wird über den sog. "Schlupf" in der Drehzahl verändert. Da > aber keine exakt definierte Drehzahl (wie z.B. bei > Tonbandgeräte-Capstan-Motoren) bei den Bad-Schimmelbildungsverhinderern > gefordert ist... Gruß Simon
Janos P. schrieb: > @voltwide > Ich beziehe mich hier auf die Angaben die Du zum pulse trafo fired > dimming gemacht hast, vielleicht kannst Du mir bei diesem ähnlichen > Thema helfen. > > Viele Grüße Mir ging es derzeit ja darum, einen kontaktlosen Schalter für große Ringkerntrafo zu realisieren, der keine störenden Nebeneffekte zeigt. Dementsprechend wurden die TRIACs mit permanentem 30kHz-Rechtecksignal angesteuert. Ein sauberes Dimmen mit dieser Technik hatte ich nie ins Auge gefaßt, d.h. auch nicht entwickelt. Und da das alles nun auch schon ein paar Jahrzehnte zurück liegt, gibt es heute nichts, was ich mal eben so aus der Schublade ziehen kann.
Heutzutage würde ich vermutlich einen Microcontroller (Atmel) programmieren, entsprechende Pulspakete zur Ansteuerung bereit zu stellen.
Bitte melde dich an um einen Beitrag zu schreiben. Anmeldung ist kostenlos und dauert nur eine Minute.
Bestehender Account
Schon ein Account bei Google/GoogleMail? Keine Anmeldung erforderlich!
Mit Google-Account einloggen
Mit Google-Account einloggen
Noch kein Account? Hier anmelden.

