Hallo zusammen, ich möchte gerne ein 75mV Signal über einen Single-Power-Supply Operationsverstärker auf 5V verstärken und dann mit einem Arduino Mega 2560 R3 messen. Das funktioniert unter Laborbedingungen auch alles. Nun habe ich aber für die Anlage ein 12V Schaltnetzteil als Spannungsversorgung, anstatt des Labornetzteils wie zuvor und schon springen meine Messwerte wild herum. Habe mir nun mal meine Spannung am Netzteil und die Logikspannung vom Arduino angeguckt und für euch Bilder gemacht. Hat jemand ne Idee wie man die Spannung, mit relativ wenig Aufwand, bereinigen kann? Ich selber hab mich schon mal an nem Tiefpass versucht allerdings mit nur mäßigen Erfolg. Das gesamte System benötigt maximal 150mA. Danke im Voraus
Welche Referenz nimmst du? Ist die vernünftig abgeblockt mit Kondensatoren? Wie sieht die Schaltung im Gesamten aus? Welcher OPV wird verwendet? Viele Opamps haben um die 80dB PSRR oder mehr, das dämpft die Störungen schon gut. Dazu noch ein Tiefpass in den Versorgungen und es wird noch besser. Konkrete Hilfe kann man aber nur mit konkreten Angaben liefern.
millioner2 schrieb: > Hat jemand ne Idee wie man die Spannung, mit relativ wenig Aufwand, > bereinigen kann? Nimm ein geregeltes Trafo-Netzteil. Oder ein ordentliches Schaltnetzteil. > Das gesamte System benötigt maximal 150mA. Also Trafonetzteil.
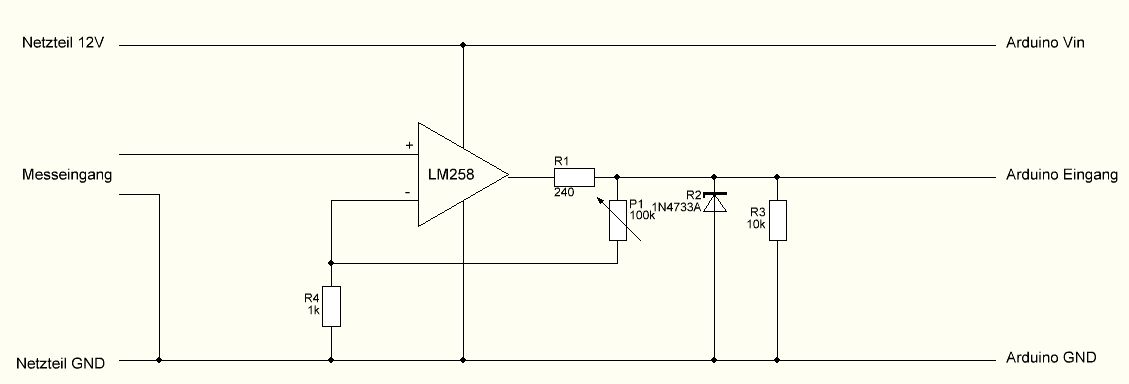
Stefan S. schrieb: > Welche Referenz nimmst du? Ist die vernünftig abgeblockt mit > Kondensatoren? Ich verwende den Ref anschluss des Arduinos bisher überhaupt nicht. Hab bisher nur Laboranwendungen mit dem Arduino gemacht und daher nochnie soetwas verwendet. Stefan S. schrieb: > Wie sieht die Schaltung im Gesamten aus? Welcher OPV wird verwendet? Ich habe leider nur einen Singel-Power-Supply OP zur verfügung und zwar den LM258. Ein richtiger Schaltplan existiert leider bisher noch nicht nur Skizzen. Hab gerde mal ne Skizze davon gemacht und hier reingestellt. Wenn noch mehr Fragen sind immer her damit. Muss jetzt allerdings erstmal für ein paar Stunden weg.
Hallo, warum nimmst Du nicht die interne Referenz des AVR? Die ist stabiler und Störungen von der Betriebsspannung werden auch merklich unterdrückt. Ich habe jetzt nicht den Schaltplan des Arduino Mega gesucht, außerdem gibt es mir zuviele Abkömmlige mit Abweichungen... Wie ist bei Deinem Board ARef und AVcc beschaltet? Kondensator an ARef? LC-Siebung an AVcc? Ansonsten sorgen auch Strungen durch den AVR selbst für schwankenden Meßwerte. Dazu gibt es beim ADC dann auch einen speziellen Mode. Der Mega2450 müßte eigentlich auch Diefferzialmessung mit inern zuschaltbarer Verstärkung haben, dann wäre selbst Dein OPV vermutlich überflüssig. Gruß aus Berlin Michael
Die von Dir gemessenen Zacken in der Versorgungsspannung sind nicht
ungewöhnlich hoch. Die sind ganz sicher nicht deine Problemursache.
Dein Op-Amp hat einen Input Offset von bis zu 2mV, was nch der
Verstärkung bis zu 133mV Abweichung vom Sollwert bedeutet. Da wird aus
deinem 10bit ADC unfreiwillig ein 6 Bit ADC.
Wenn du den ADC mit seiner internen 1,1V Referenz verwendest, kannst du
ganz ohne Vorverstärker arbeiten. Dann verwendest du zwar nur etwa die
Hälfte des Messbereiches (ein Bit ist verschwendet) aber im Endeffekt
hast du dann immer noch ein sehr viel genauerers Ergebnis, als mit
Vorverstärker.
> Ich verwende den Ref anschluss des Arduinos bisher überhaupt nicht
Auf dem Arduino Board ist wohl kein Kondensator an diesem Pin dran. Ich
frage mich, warum? Auf die 2 Cent kommt es doch nicht an.
millioner2 schrieb: > Ich habe leider nur einen Singel-Power-Supply OP zur verfügung und zwar > den LM258. Man nehme einen OP mit eher bescheidenen DC-Eigenschaften und verwende die Betriebsspannung als Referenz - ungeschickt. Ich bin nicht ganz sicher, ob der 2560 1,1V / 2.56V oder beide als interne Referenz anbietet, auf jeden Fall solltest Du diese verwenden. Der Kondensator an ARef sollte auf dem Arduino-Bord vorhanden sein, wenn nicht, gehören da 100nF dran. Außer der besseren Stabilität hat die geringere Referenz den Vorteil, dass Du weniger verstärken musst und sich damit der Eingangsoffsetfehler des OP geringer auswirkt.
Stefan U. schrieb: > Auf dem Arduino Board ist wohl kein Kondensator an diesem Pin dran. Ich > frage mich, warum? Auf die 2 Cent kommt es doch nicht an. Du kaufst sehr schlecht ein, 2 Cent?
Danke für die vielen schnellen Antworten. Ich habe bisher schon einiges mit Arduinos gemacht aber noch nie solch eine Anwendung. Muss mich wohl noch einmal mit den möglichkeiten auseinander setzten. Dachte bisher das da nen einfacher Festspannungsregler drauf ist und sonst nur ein "blöder" Controller der nur 5V Logik versteht. Aber so wie ich euch verstehe kann der wohl einiges mehr... Michael U. schrieb: > warum nimmst Du nicht die interne Referenz des AVR? Die ist stabiler und > Störungen von der Betriebsspannung werden auch merklich unterdrückt. > Ich habe jetzt nicht den Schaltplan des Arduino Mega gesucht, außerdem > gibt es mir zuviele Abkömmlige mit Abweichungen... > Wie ist bei Deinem Board ARef und AVcc beschaltet? Kondensator an ARef? > LC-Siebung an AVcc? > >... ...ok ich versteh die Worte aber das kann der Arduino... ich muss mich weiter bliden... Manfred schrieb: > Man nehme einen OP mit eher bescheidenen DC-Eigenschaften und verwende > die Betriebsspannung als Referenz - ungeschickt. Ich komm ehr aus dem Bereich der Analogtechnik deswegen der Ansatz dem dem LM258 den ich noch in großer Stückzahl hier liegen hab. Stefan U. schrieb: > Wenn du den ADC mit seiner internen 1,1V Referenz verwendest, kannst du > ganz ohne Vorverstärker arbeiten. Dann verwendest du zwar nur etwa die > Hälfte des Messbereiches (ein Bit ist verschwendet) aber im Endeffekt > hast du dann immer noch ein sehr viel genauerers Ergebnis, als mit > Vorverstärker. > >> Ich verwende den Ref anschluss des Arduinos bisher überhaupt nicht > > Auf dem Arduino Board ist wohl kein Kondensator an diesem Pin dran. Ich > frage mich, warum? Auf die 2 Cent kommt es doch nicht an. Ich versteht bisher leider noch nicht was du meinst werde mich aber einlesen. Kondensator hab ich in fast jeder Art und Größe zur verfügung aber dafür muss man erstmal Wissen wofür der Ref anschluss ist.
millioner2 schrieb: > Kondensator hab ich in fast jeder Art und Größe zur verfügung > aber dafür muss man erstmal Wissen wofür der Ref anschluss ist. Guck ins Datenblatt vom ATmega. Dort ist die Funktino des Ref-Anschlusses ausführlich beschrieden.
millioner2 schrieb: > Ich habe bisher schon einiges mit Arduinos gemacht aber noch nie solch > eine Anwendung. > Muss mich wohl noch einmal mit den möglichkeiten auseinander setzten. > Dachte bisher das da nen einfacher Festspannungsregler drauf ist und > sonst nur ein "blöder" Controller der nur 5V Logik versteht. Der Controller ist garnicht so unfähig. Du erwischt gerade einen Kritikpunkt an den Arduinos: Zielgruppe sind Leute ohne Ahnung, dementsprechend ist alles nur einfach und oberflächlich beschrieben. Für mich, als ausgewachsener Elektroniker, sehe ich es nicht als Schande, Arduinos einzusetzen und Du musst schon erhebliche Wünsche haben, an dessen Grenzen zu geraten. Muss es bei Dir eigentlich der große Mega sein? >> Man nehme einen OP mit eher bescheidenen DC-Eigenschaften und verwende >> die Betriebsspannung als Referenz - ungeschickt. > Ich komm ehr aus dem Bereich der Analogtechnik deswegen der Ansatz dem > dem LM258 den ich noch in großer Stückzahl hier liegen hab. Ich im Ursprung auch. Vom Gleichstromverhalten sind die TL071 (TL06x-TL08x) etwas besser als der 258, gehen aber kaum ohne nagative Versorgung. Aktuell würde ich an DC beide nicht mehr einsetzen. Ein recht ordentlicher Meßverstärker lässt sich mit dem OPA336U aufbauen, wenn Du den aus der Lötstation abmalst: http://www.martin-kumm.de/wiki/doku.php?id=Projects:SMD_Loetstation http://www.martin-kumm.de//smd_solder_station/rt_solder_station_v1_4_schematic.pdf Für meine Lötstation habe ich den übernommen, aber auf eine geringere Verstärkung gesetzt und betreibe meinen A*-Nano mit der internen 1,1V-Referenz. Das zu messende Signal liegt dort bei 1-7 mV. Wurde Dir schon beschrieben, das verringert die Auswirkungen des Eingangsoffsetfehlers vom OP.
millioner2 schrieb: > aber dafür muss man erstmal Wissen wofür der Ref anschluss ist. Datenblatt des Prozessors studieren. Die meisten Arduinos haben den Kondensator schon drauf. millioner2 schrieb: > ein "blöder" Controller Nicht unterschätzen, den Zwerg. Manfred schrieb: > ob der 2560 1,1V / 2.56V oder beide als > interne Referenz anbietet, Beides. Nicht genau, die Referenzen, aber dafür recht stabil. Wende das 2 Punkt Kalibrierungsverfahren an.
Bitte melde dich an um einen Beitrag zu schreiben. Anmeldung ist kostenlos und dauert nur eine Minute.
Bestehender Account
Schon ein Account bei Google/GoogleMail? Keine Anmeldung erforderlich!
Mit Google-Account einloggen
Mit Google-Account einloggen
Noch kein Account? Hier anmelden.


