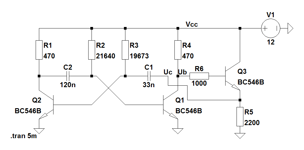
Im Unterricht bekamen wir die Aufgabenstellung diese Schaltung einer astabilen Kippstufe mit Verstärkerschaltung in LTSpcie zu simulieren. Keiner hat es geschafft, auch nicht der Lehrer. Er hat die selbe Schaltung in PSpice und es funktioniert. Nun habe ich den Auftrag bekommen es zum Laufen zu bringen, um die bessere Note zu bekommen, aber ich verzweifel daran. Gibt es irgendwelche Einstellungen oder Anfangsbedingungen die ich machen muss?
Tobias G. schrieb: > Im Unterricht bekamen wir die Aufgabenstellung diese Schaltung einer > astabilen Kippstufe mit Verstärkerschaltung in LTSpcie zu simulieren. > Keiner hat es geschafft, auch nicht der Lehrer. Er hat die selbe > Schaltung in PSpice und es funktioniert. > Nun habe ich den Auftrag bekommen es zum Laufen zu bringen, um die > bessere Note zu bekommen, aber ich verzweifel daran. > > Gibt es irgendwelche Einstellungen oder Anfangsbedingungen die ich > machen muss? Wie soll er denn starten wenn du Q3 gleich voll durchschaltest, dieser zustand bleibt dann erhalten. Kurt
Meine Erfahrung: Das Simulationsprogrammerrechnet zu beginn der Simmulation einen stabilen Arbeitspunkt. Dann schwingt nichts mehr. Einfach hochohmig 100k,1 nF eine Dreieckspannung 3V oder ähnliches einkoppeln. Danke für den Link zur Analogtechnik : Beitrag "LTSpice Kippstufe mit Verstärkerschaltung"
War mir nicht sicher wo es besser hinpasst. Den Fortschritt kannst du ja in dem Thread sehen, das Einschwingen ist nicht mehr das Problem.

