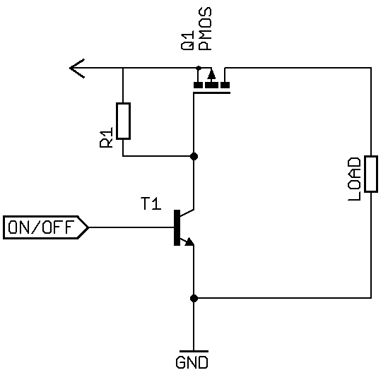
Liebe Leute, wie beim gleichnamigen Beitrag Beitrag "Raspberry schalten mit Mosfet" möchte ich einen Raspberry Pi mit zirka 1-1,5A Verbrauch mit einem ATtiny45 ein und ausschalten. Ich habe das schon mal aufgebaut, wie in dieser Grafik gezeigt, wobei ich folgende Teile verwende: Q1: IRF4905 T1: BC548C R1: 10kOhm VCC: 5,08V Soweit so gut. Mir ist nun aufgefallen, dass die Spannung am Raspberry deutlich unter 5V ist. So um die 4,75V und manchmal darunter. Wenn ich die SD-Karte aus dem Raspberry raus gebe (und er dann nicht hochfährt) oder z.B. den WLAN-USB-Stick abziehe (ist ein 2er Raspberry Pi), dann sieht es gleich besser aus. Deshalb ist meine Vermutung, dass die Verbindung vom Moset zum Raspberry schlecht ist. Der Mosfet steckt auf einem Steckbrett. Das Kabel hat 1mm2 und am Raspberry habe ich so Abgreifklemmen verwendet, aber am Mosfet musste ich ein bisschen tricksen. Meine Frage ist nun: Sieht irgendwer etwas "Schlechtes" an der Schaltung? Kann ich damit rechnen, dass es auf einer Platine mit entsprechend breiten Bahnen funktioniert? Der Mosfet müsste so eigentlich voll durchschalten (er wird nicht warm). Mit welchem Spannungsabfall muss ich beim Mosfet im Bestfall rechnen (bei 1,5A)? Danke, Stephan
Stephan P. schrieb: > Meine Frage ist nun: Sieht irgendwer etwas "Schlechtes" an der > Schaltung? Kein Basiswiderstand am BC548C - kaputt?
klön schrieb: > Stephan P. schrieb: >> Meine Frage ist nun: Sieht irgendwer etwas "Schlechtes" an der >> Schaltung? > > Kein Basiswiderstand am BC548C - kaputt? Doch habe ich eh: 47kOhm und dann nochmal 100Ohm zwischen Emitter und Gate wegen der Stromspitze beim einschalten vom Mosfet. Sorry, ich habe keine gesamte Zeichnung der Schaltung und habe etwas passendes von Google genommen. Wie gesagt, mir geht es ja im den Spannungabfall.
Stephan P. schrieb: > Wie gesagt, mir geht es ja im den Spannungabfall. Wenn die Spannung bei größerer Belastung runter geht, dann liegt dass eher am Netzteil und nicht an deinem MosFET.
Stephan P. schrieb: > sieht es gleich besser aus. Deshalb ist meine Vermutung, dass die > Verbindung vom Moset zum Raspberry schlecht ist. Der Mosfet steckt auf > einem Steckbrett. Das Kabel hat 1mm2 und am Raspberry habe ich so > Abgreifklemmen verwendet, aber am Mosfet musste ich ein bisschen > tricksen. Das kannst du mit Multimeter messen. Meßspitze vor und eine nach dem Mosfet. Mit ohne Steckbrett dazwischen. > Mit welchem Spannungsabfall muss ich beim Mosfet im Bestfall rechnen > (bei 1,5A)? Der Mosfet ist mit 0.02Ohm Rdson beworben. 1,5A * 0,02Ω macht 0,03V. Ist schon sehr weit weg von den 5V-4,75V= 0,25V. Mit Meßgerät suchen wo die Spannng bleibt.
Ah ja, und die 47kΩ als Basiswiderstand ist arg klein. Meinst du nicht 4,5kΩ? Die sollten es höchstens sein.
klön schrieb: > Ah ja, und die 47kΩ als Basiswiderstand ist arg klein. Meinst du nicht > 4,5kΩ? Die sollten es höchstens sein. groß statt klein. Mann Mann Mann.
2⁵ schrieb: > dann liegt dass > eher am Netzteil Eher nicht: Das ist ein 340W ATX-Netzteil, dass ich mit dem ATtiny schalte. Wenn ich den Raspberry an eine geschaltene 5V Leitung lege, dann geht es perfekt. Ich wollte jedoch den Raspberry mit dem Power-Good-Signal des ATX-Netzteils (kommt, wenn die eingeschlagenen 5V stabil sind) einschalten. Deshalb die Schaltung mit dem Mosfet.
klön schrieb: > Meinst du nicht > 4,5kΩ? Die sollten es höchstens sein. Oh. Kann sein, dass der Transistor deshalb nicht voll durchgeschaltet? Ich probier's mal...
Stephan P. schrieb: > klön schrieb: >> Meinst du nicht >> 4,5kΩ? Die sollten es höchstens sein. > > Oh. Kann sein, dass der Transistor deshalb nicht voll durchgeschaltet? > Ich probier's mal... Das war's nicht.
Stephan P. schrieb: > 2⁵ schrieb: >> dann liegt dass >> eher am Netzteil > > Eher nicht: Vielleicht doch: Ich habe den Raspberry zum "Probieren" mal an den 5V Standby vom ATX-Netzteil gehängt - das sollte bis 3A liefern können. Tatsächlich konnte ich nur 4,85V messen! Ich hänge es mal um und schau was dann rauskommt...
Ich hab's: Am Strom (egal ob Standby oder normale Versorgung) hat es nicht gelegen. Es war das Steckbrett! Wenn ich das Versorgungskabel direkt am Fuß des Steckbretts einklemme anstatt im Loch daneben, dann ist der Spannungsabfall nur zirka 0,4V. Auf jeden Fall danke fürs Helfen und die Vorschläge. Tatsächlich war der von "klön" mit dem Messgerät danach suchen, der richtige :-)
Bitte melde dich an um einen Beitrag zu schreiben. Anmeldung ist kostenlos und dauert nur eine Minute.
Bestehender Account
Schon ein Account bei Google/GoogleMail? Keine Anmeldung erforderlich!
Mit Google-Account einloggen
Mit Google-Account einloggen
Noch kein Account? Hier anmelden.
