Hallo liebe leute bin neu hier und hab gleich mal eine frage ? Wollte mir leds bauen die immer wen ein bas schlag kommt die leds angehen wollte dies über eine transsistor schalten. Es sollten 6 led leisten mit je 15 led geschalten werden diese ziehen zusammen 0.47 A sprich eine 0.07A. Wollte alles über den tip 31c npn transsistor schalten als ich meine schaltung heute ausprobiert habe ist mit nach kurzer zeit der transi geschossen wurde anscheinend zu warm war nur mit einer led leiste getestet . Kann mir einer sagen warum ? Von den daten her müsste es doch gehen ? Das ist der transsistor : www.conrad.de/de/transistor-bjt-diskret-stmicroelectronics-tip31c-to-220 ab-1-npn-155452.html?gclid=CLutm5Gt49MCFZG6GwodF4QFiQ&insert_kz=VQ&ef_id =WJWp@wAABH@-qgx9:20170509173818:s Das ganze wird bei 12 v betrieben. Bitte um hilfe
Kenny D. schrieb: > Das ganze wird bei 12 v betrieben. Was? Zeig doch mal den Schaltplan.
:
Bearbeitet durch Moderator
Die Schaltung gabs hier schon einmal: Beitrag "Audiosignal vorverstärken für Transistor (12v Musik-LED-Band)"
Beim test hatte ich keinen drann im richtigen einbau kommt dann einer hin aber von den daten sollte es langen was ich noch vergessen haben ein transi soll 2 bänder steuern also werden insgesamt 3 transis verwendet da sonst ptot überschritten würd.
Kenny D. schrieb: > Bitte um hilfe such mal nach elv lo 12 pdf ist ne kleine drei kanal lo. reicht ja wenn du nur den basskanal bestückst. dem eingang würde ich noch nen alc vorschalten.
Bitte nochmal ohne abkürzungen ? Und ja nur der bass kanal Und was ist mit keine weiteren fragen gemeint ? Und meint ihr das hitzeleitpaste auch an der stelle was bringt ?
Kenny D. schrieb: > Und was ist mit keine weiteren fragen gemeint ? Du hast also schon vorher erkannt, dass ein Transistor wohl nicht reichen wird, testes aber trotzdem OHNE Kühlkörper und wunderst dich, dass er durchbrennt? Nebenbei kann man bipolare Transistoren nicht einfach zur Leistungssteigerung parallel schalten.
Das ist mir klar mit dem parallel schalten es sollen sozusagen 3 eigene schaltungen werden und dachte nicht das bei einem band so eine wäre enstehen kann. Macht es sin noch wärmeleitpaste aufzutragen sprich zwischen transi und kühlkörper ?
Kenny D. schrieb: > Macht es sin noch wärmeleitpaste aufzutragen sprich zwischen transi und > kühlkörper ? Wenn sie schon vorhanden ist, kann es jedenfalls nicht schaden. Wie groß ist der Kühlkörper? Hast du ein Foto?
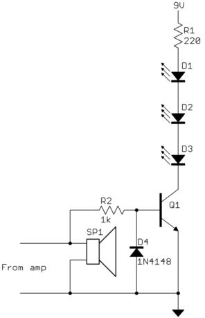
Normalerweise wird da nix warm. 3 LEDs und 12V schalte ich mit einem normalen BC337 im TO92 Gehäuse. Aber einen 1k Vorwiderstand und eine Reversspannungsableitdiode würde ich noch einfügen. Und dann mal prüfen ob da was warm wird.
Für was ist der 1k vorwiederstand was soll der bringen ?
> eine Reversspannungsableitdiode würde ich noch einfügen.
Was ist das genau für eine diode und was soll die bringen ?
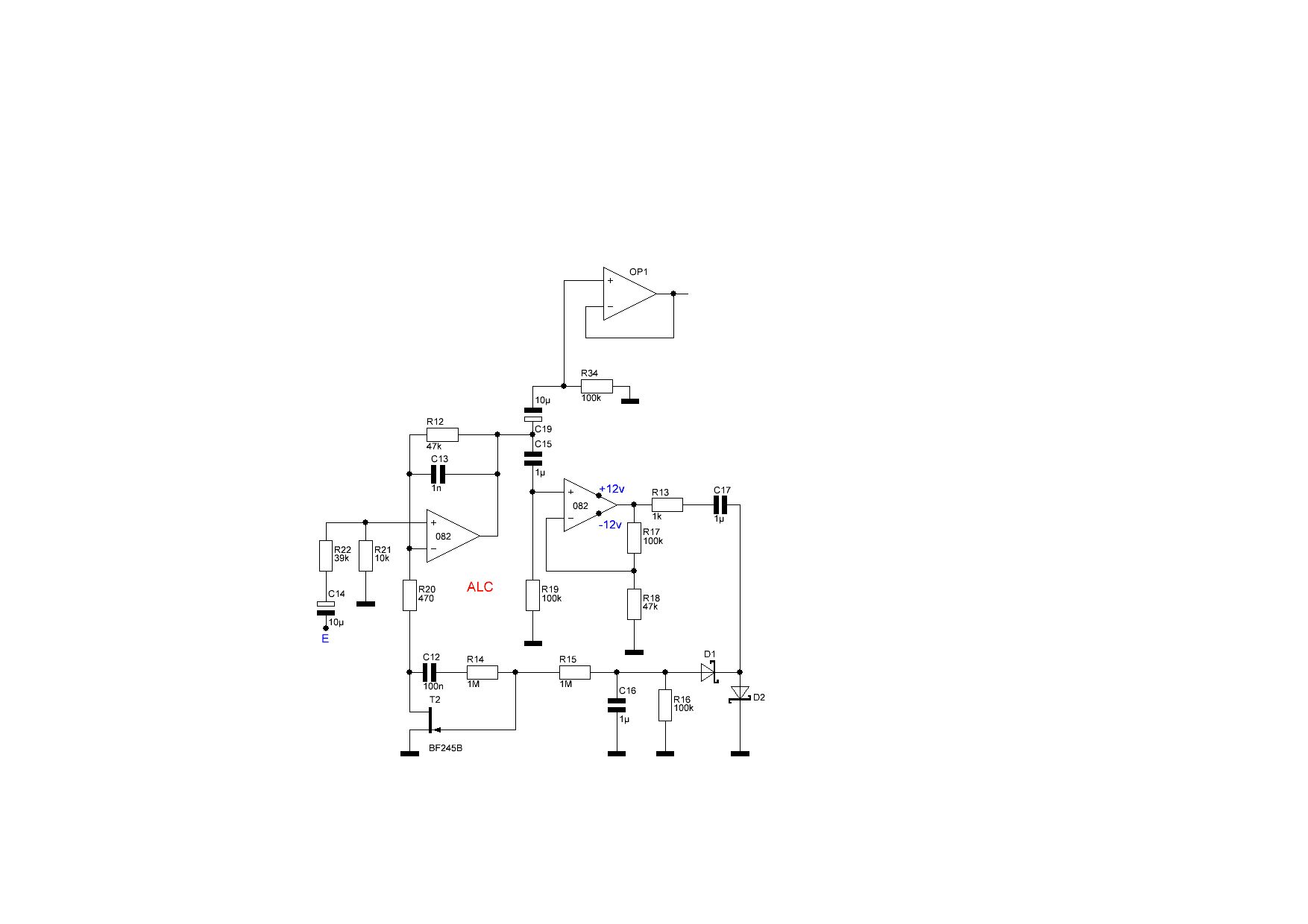
Kenny D. schrieb: > Bitte nochmal ohne abkürzungen ? lo lichtorgel alc automatische lautstärke kontrolle. das teil gleicht in grenzen... unterschiedliche lautstärken des eingangssignals aus. ich häng mal ne gif an. der bf245b ist recht teuer geworden. der smd typ bf545b ersetzt den bf245b vollständig. der alc muss mit +- spannung versorgt werden. hier bei mir da eh vorhanden mit +-12v. abblockkondensatoren am opamp (tl084) nicht vergessen. am ausgang von opam1 steht das ausgangssignal an.
Das heist den kühlkörper kan ich verwenden oder soll ich mir nen anderen besorgen ?
Der 1k Widerstand begrenzt den Basisstrom, weil der Emitter direkt auf GND geschaltet ist. Die Diode verhindert eine zu hohe verbotene negative Spannung an der Basis.
Ok das mit der alc usw. Ist mir dan eig. Bissi zu viel da ja nur das bass signal abgegriffen wir und beschalten wird .
Kenny D. schrieb: > Das heist den kühlkörper kan ich verwenden oder soll ich mir nen > anderen besorgen ? Wenn du im laufenden Betrieb die Finger noch so gerade drannhalten kannst: Ok. Sonst was größeres. Wie viele Ampere fließen denn maximal?
Kenny D. schrieb: > Der is ungefähr 2,5cm lang und 1,5 cm breit Und total verrostet -> wegschmeissen (entsorgen).
Kenny D. schrieb: > Es fließen im dauerbetrib 0,14A Ok. Das ist nicht soo viel. Mal was anderes: Was ist konkret an Pin 1 (Basis) des Transistors angeschlossen?
Kenny D. schrieb: > Es fließen im dauerbetrib 0,14A Dann ist vermutlich der Basisstrom höher gewesen als der Kollektorstrom.
Also basis is des - von der led C is +vom sub E ist - von der 12v quelle und - vom sub
Hä? Habe ich jetzt nicht so wirklich verstanden. Du hast jetzt aber nicht wirklich den Subwooferausgang auf die Basis gelegt?
B (Basis) is des - vom sub C (Kollektor) is - von der led E (Emitter) ist - GND von der 12v quelle und vom sub
Kenny D. schrieb: > vom sub Nimm ne 24V/3W Glühlampe, die flackert dann auch schön im Bassrhythmus. :)
Martin K. schrieb: > Du hast jetzt aber nicht wirklich den Subwooferausgang auf die Basis > gelegt? Nach dem schon: Kenny D. schrieb: > Screenshot_20170429-231556.png :-) Gruss Chregu
Sorry hattr mich gerade voll vertan auf dem bild is der transi falsch herum sprich E = + sub C= - led B -12v und - vom sub
Kenny D. schrieb: > Sorry hattr mich gerade voll vertan auf dem bild is der transi falsch > herum sprich > > E = + sub > C= - led > B -12v und - vom sub Ich mache mir jetzt noch ein weiteres Bier auf, irgendwie ist heute Freitag.
Ralf L. schrieb: > orange = Basis > rot = Kollektor > blau = Emitter So ist es auf dem bild ja aber auf dem bild is der transi von honten zu sehen das heist Emitter und Basis ist gedreht.
Beitrag #5005034 wurde von einem Moderator gelöscht.
Ralf L. schrieb: > Martin K. schrieb: >> Bier auf, heute ist Freitag > > Prost. Ich mach mit. Genau und auf meinem schalt plan liegt der transi mit der beschrifteten seite auf dem boden das heist das der emitter links ist.
Wenn Du den von "Hinten" ansteuerst geht der Transi sowieso in A...., weil es ein NPN Transistor ist und der Emitter dann an Plus liegt.
Ralf L. schrieb: > Wenn Du den von "Hinten" ansteuerst geht der Transi sowieso in A...., > weil es ein NPN Transistor ist und der Emitter dann an Plus liegt. Ok das heist ich muss ihn wie anschliesen ? Und ist dieser kühlkörper besser ? http://m.ebay.de/itm/5x-TO-220-Kuehlkoerper-Kleiner-Kuehler-fuer-MOSFET-Transistor-5-Stueck-/181852877391?nav=SEARCH
Ralf L. schrieb: > Emitter dann an Plus liegt Genauer gesagt: Er liegt zwar nicht direkt an Plus, aber er ist positiver als die Basis, denn die liegt an Minus. Schließ ihn so an wie Du es aufgezeichnet hast, nur von vorne und mit 1k und Diode, dann ist endlich alles wieder gut. Und leg Deinen Kühlkörper für immer beiseite und nimm Dir erstmal ein kühles Bier.
Momentmal das heist icv muss den transi einfach so anschliesen wie auf dem bild ohne ihn umzudrehen oder ?
Ok alles klar danke dir langt da ne ganz normale diode oder muss es irgend eine spezielle sein ?
1N4148 steht aber auch drauf. Der Kühlkörper sieht echt gut aus, alleine schon wegen der Optik würde ich ihn trotzdem dranmachen. Das macht einen Leistungsstarken Eindruck bei Deinen Kumpels.
Kenny D. schrieb: > Ok alles klar danke dir langt da ne ganz normale diode oder muss es > irgend eine spezielle sein ? Was ist für dich NORMAL und was SPEZIELL? Ralf hat dir doch hier: Beitrag "Re: Transitor brennt durch" schon einen Schaltplan mit Bauteilbezeichnungen geschickt.
Martin K. schrieb: > Hast du am Transistor auch einen Kühlkörper? Martin K. schrieb: > Keine weiteren Fragen, Euer Ehren. > facepalm Martin K. schrieb: > Du hast also schon vorher erkannt, dass ein Transistor wohl nicht > reichen wird, testes aber trotzdem OHNE Kühlkörper und wunderst dich, > dass er durchbrennt? Tipps geben, ohne selbst die simpelsten Grundlagen auf dem Schirm zu haben, ist unfreundlich! Mal ganz grob rechnen hilft: 12 durch 68 gibt 176 Milliampere, bei UCE 0,7V maximal 125 Milliwatt. Aber: An den drei LEDs verschwinden mindestens 5 Volt, also sind maximal 100mA unterwegs. Wenn der Transistor im Analogbetrieb läuft, ist UCE höher, aber der Strom wird geringer - darfst Du selbst rechnen. Ein TO-220 bringt um 50K/W Gehäuse zu Luft, da einen Kühlkörper zu empfehlen ist eine Lachnummer! --------- In der "Schaltung" fehlt der Basiswiderstand, und die Diode Ralf L. schrieb: > Reversspannungsableitdiode ist Pflicht!
Kenny D. schrieb: > Ok alles klar danke dir langt da ne ganz normale diode oder muss es > irgend eine spezielle sein ? Es muss jetzt nicht gerade eine 20A Gleichrichterdiode sein. Wobei ich die auch als normal empfinde. Kenny D. schrieb: > Ok das heist ich muss ihn wie anschliesen ? > Und ist dieser kühlkörper besser ? > Ebay-Artikel Nr. 181852877391 Die Verbindungsfläche sollte auf beiden Seiten möglichst plan sein. Wenn Du hast, dann noch wenig Wärmeleitpaste dazwischen. Du kannst auch die ranzigen Kühlkörper nehmen wenn Du die Verbindungsfläche vorher reinigst.
Ralf L. schrieb: > 1N4148 steht aber auch drauf. Die Dinger sind meist im Glasgehäuse, als bitte Schutzbrille tragen!
Manfred schrieb: > Martin K. schrieb: >> Du hast also schon vorher erkannt, dass ein Transistor wohl nicht >> reichen wird, testes aber trotzdem OHNE Kühlkörper und wunderst dich, >> dass er durchbrennt? > > Tipps geben, ohne selbst die simpelsten Grundlagen auf dem Schirm zu > haben, ist unfreundlich! Mal ganz grob rechnen hilft: .........ist alles richtig was du schreibst. Mir ging es auch eher um die Tatsache, dass dem Fragenden offenbar bewusst war, dass das Ding ohne Kühlung überhitzen könnte.... (Das es bei korrekter Beschaltung nicht dazu kommt ist erst mal egal).... und er den Test dennoch ohne Kühlung gemacht hat.
Chris F. schrieb: > dann noch wenig Wärmeleitpaste dazwischen Ist nicht nötig. Der Kühlkörper dient nur als optischer Showeffekt.
An dem sound sollte sich ja nichts verzerren eig. Oder ? Wenn ich die diode und den wiederatand auch noch rein baue? Und ist es egal wie rum ich die diode rein baue ?
Kenny D. schrieb: > Und ist es egal wie rum ich die diode rein baue ? Ist egal. Funktionieren wird es so und so nicht!
Kenny D. schrieb: > An dem sound sollte sich ja nichts verzerren Eigentlich nicht, weil der 1k Widerstand deutlich höher ist als die 4 Ohm vom Lautsprecher. Die Polung der Diode ist eingezeichnet (Minus an Basis und Plus an GND).
Ne das war's Mister Troll, du hast den Pfad Deiner Genialität verlassen. Ab hier wird's nur noch langweilig :(
Kenny D. schrieb: > An dem sound sollte sich ja nichts verzerren eig. Oder ? Wenn ich die > diode und den wiederatand auch noch rein baue? Nein. > Und ist es egal wie rum ich die diode rein baue ? Ich habe gerade mein Bier mit dem Hals nach unten aufgemacht, war keine gute Idee. Bitte sag', dass du uns nicht vereimern willst.
Transitor und Transsistor schrieb: > Funktionieren wird es so und so nicht! Natürlich werden die LEDs nicht schön brav der Reihe nach aufleuchten, aber das ist für die Showeinlage egal. Wenn sie ab und zu alle gleichzeitig kurz aufblitzen ist es um so heller und effektvoller.
Sollen eig. Immee dann kurz aufblitzen wen ein basschlag kommt funktioniert das dann jetzt soo oder nicht ?
Martin K. schrieb: > Bitte sag', dass du uns nicht vereimern willst Ich glaube nicht. Er wird es wohl tatsächlich nochmal aufbauen wollen, weil ich ihm die Kiste schmackhaft gemacht habe.
Kenny D. schrieb: > Sollen eig. Immee dann kurz aufblitzen wen ein basschlag kommt > funktioniert das dann jetzt soo oder nicht ? Teste die Diode erstmal an einem 9V-Block wenn die Batterie heiß wird ist die Diode in Ordnung. Dann verpackst Du auch die Bassschläge besser. :P Guten Abend noch allerseits.
Martin K. schrieb: > Bitte sag', dass du uns nicht vereimern willst. Ich finde es toll wie mikrocontroller.net hier verarscht wird. Und die Moderatoren schauen weg oder schlafen. Und für den Administrator zählen ohnehin nur die "Clicks". Armes Forum.
Also ich wollte hier keinen verarschen oder verärgern ich bin kein pro auf dem gebiet und bin deshalb um jede hilfe dankbar die ich bekomme und ja ich werde es nochmal soo aufbauen sprich mit diode und wiederstand.
Transitor und Transsistor schrieb: > Ich finde es toll wie mikrocontroller.net hier verarscht wird. Und die > Moderatoren schauen weg oder schlafen. Und für den Administrator zählen > ohnehin nur die "Clicks". Armes Forum. Das sind Moderatoren, keine Kindergärtner :D
Kurze und letzte frage ist das die richtige diode ? https://www.conrad.de/de/ultraschnelle-si-diode-diotec-1n4148-sod-27-75-v-150-ma-162280.html
Kenny D. schrieb: > Also ich wollte hier keinen verarschen oder verärgern ich bin kein > pro > auf dem gebiet Ok, akzeptiere ich jetzt einfach mal so. > und bin deshalb um jede hilfe dankbar die ich bekomme Ralf hatte dir ja schon recht früh einen Tipp/Schaltplan gegeben. Aber das ist leider immer wieder das gleiche Problem: Anfänger "sind immer so dankbar über jede Hilfe", aber jede Lösung, welche von der eigenen abweicht wird galant ignoriert. > und ja ich werde es nochmal soo aufbauen sprich mit diode und wiederstand. Ok. Berichte dann mal.
Kenny D. schrieb: > Kurze und letzte frage ist das die richtige diode ? > > https://www.conrad.de/de/ultraschnelle-si-diode-diotec-1n4148-sod-27-75-v-150-ma-162280.html Ja, die kannst du nehmen.
Bitte melde dich an um einen Beitrag zu schreiben. Anmeldung ist kostenlos und dauert nur eine Minute.
Bestehender Account
Schon ein Account bei Google/GoogleMail? Keine Anmeldung erforderlich!
Mit Google-Account einloggen
Mit Google-Account einloggen
Noch kein Account? Hier anmelden.





