Hi kennt jemand einen Link zu einer modulierten Laser-Lichtschranke (Laser perimeter) zum Nachbauen? Google findet nur trivialen Mist (LDR + Laser), ich brauche etwas mit Modulation (der Strahl sollte nicht durch hineinleuchten mit einem Laser-Pointer ausgeschaltet werden können). Sender sollte den Laser mit Code modulieren und der Empfänger den Code auswerten (z.b. über FFT). Zu überbrücken sind ca. 50m im Freien. vielen Dank.
Schau mal in Richtung IR-Fernbedienungs-Empfänger. Die haben AGC, Demodulation etc. alles fertig integriert. Du darfst beim Senden aber nicht einfach ständig das modulierte Signal senden, sondern Du musst darauf etwas ähnliches wie einen IR-Fernsteuerungscode senden. Bei Dauersignal schaltet der Empfänger bald ab. Die meisten von den Dingern haben eine IR-Fotodiode fertig integriert. Du könntest also dann nur einen IR-Laser verwenden, was das Ausrichten etwas mühseliger macht. Von Vishay gibt es aber einen IC der nur die Auswertung enthält und vor den Du selbst eine Fotodiode setzen musst. Und da könntest Du dann natürlich auch eine für sichtbares Licht verwenden. Genaue Bezeichnung hab ich nicht im Kopf, musst Du mal deren Sortiment durchgehen.
Beitrag "Re: Infrarot LED Lichtschranke" Man kann die LED des Senders einfach durch eine Laserdiode ersetzen, für die Anwendung ist das kein Problem.
TSSP4038 ist schon mal interessant. Der IC erwartet wohl eine 38kHz modulation im IR. Ob man das mit einer Laserdiode schafft? Wie moduliere ich eine Laserdiode? Einfach Strom unter und über die Laserschwelle? Oder ganz aus & an? Wie lange dauert es, bis die Diode in den Laserbetrieb übergeht? Weiß jemand ein paar Zahlen dazu? Kann man auch eine rote Laserdiode verwenden? Oder muss es IR sein? Es bleiben eine Menge Fragen.
@ Piter Kura (kurczaq) >TSSP4038 ist schon mal interessant. Der IC erwartet wohl eine 38kHz >modulation im IR. Ja. > Ob man das mit einer Laserdiode schafft? Warum nicht? Das ist zittricger Gleichstrom! > Wie moduliere >ich eine Laserdiode? Einfach Strom unter und über die Laserschwelle? Ja, so wie bei einer LED, an/aus, das reicht. >Oder ganz aus & an? Wie lange dauert es, bis die Diode in den >Laserbetrieb übergeht? Weiß jemand ein paar Zahlen dazu? Ein paar hundert Nanosekunden. Das kann man hier vollkommen vernachlässigen. >Kann man auch eine rote Laserdiode verwenden? Oder muss es IR sein? IR, denn der Empfänger sieht nur IR, da ist ein optisches Filter davor.
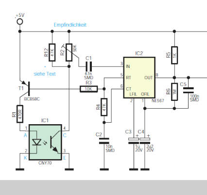
Das Bild hab ich in meiner Schaltungssammlung gefunden. Kurze Erklärung: der LM567 ist eine PLL mit Frequenzdiskriminator. Er liefert ein Signal, wenn die Eingangsfrequenz gleich (oder in der Nähe) seiner Oszillatorfrequenz ist. Wenn man also den Laser moduliert und die Frequenz des VCO in der PLL auf dem gleichen Wert hat, bekommt man ein Ausgangssignal. Die Schaltung hier geht noch etwas weiter. Bei einer Reflexlichtschranke sind Sender und Empfänger ja beieinander. Da kann man den Sender auch gleich mit dem VCO der PLL ansteuern. Statt des Reflexkopplers CNY70 kann man für größere Entfernungen natürlich auch einen billigen Laser aus einem Werbekugelschreiber und einen Phototransistor verwenden. MfG Klaus
Klaus schrieb: > Statt des Reflexkopplers CNY70 kann man für größere Entfernungen > natürlich auch einen billigen Laser aus einem Werbekugelschreiber > und einen Phototransistor verwenden. Warum willst du einen ganzen Kugelschreiber wegwerfen, wenn es die Lasermodule für 20ct zu kaufen gibt? ebay 381375065752
Dazu braucht man Lasermodule bei denen der Treiber eine Modulation zulässt (analog oder digital). Mit billig-Modules funktioniert das nicht..
Piter K. schrieb: > kennt jemand einen Link zu einer modulierten Laser-Lichtschranke Warum muss es unbedingt ein Laser sein? Nur, weil das gerade in Mode ist? Mit einer (IR-)LED und optischer Bündelung erreichst Du das gleiche.
TestX schrieb: > Dazu braucht man Lasermodule bei denen der Treiber eine Modulation > zulässt (analog oder digital). Mit billig-Modules funktioniert das > nicht.. Der Treiber, die KSQ bei diesen Modulen ist ein Widerstand, bei manchen nur der Innenwiderstand der Batterie. Es funktioniert bestimmt. Wolfgang schrieb: > Warum willst du einen ganzen Kugelschreiber wegwerfen, wenn es die > Lasermodule für 20ct zu kaufen gibt? Weil ich noch soviele andere Werbekugelschreiber habe;) Es war auch nur für die gedacht, die unter Laser immer was mit Wasserkühlung verstehen. MfG Klaus
Harald W. schrieb: > Piter K. schrieb: > >> kennt jemand einen Link zu einer modulierten Laser-Lichtschranke > > Warum muss es unbedingt ein Laser sein? Nur, weil das gerade in > Mode ist? Mit einer (IR-)LED und optischer Bündelung erreichst > Du das gleiche. Nein. Du kannst das Licht einer nicht-Laser LED nicht in einen Strahl bündeln.
@ Sven B. (scummos) >> Warum muss es unbedingt ein Laser sein? Nur, weil das gerade in >> Mode ist? Mit einer (IR-)LED und optischer Bündelung erreichst >> Du das gleiche. >Nein. Du kannst das Licht einer nicht-Laser LED nicht in einen Strahl >bündeln. Auch andere Lichtquellen lassen sich bündeln, wenn gleich nicht in dem extremen Maße wie ein Laser. Für die Praxis der Lichtschranken reicht es locker.
Klaus schrieb: > Es funktioniert bestimmt. Tut es. Hab ich hier mit zwei Tiny85, TSSP4038, so einem ChinaLaserModul und IRSend/IRMP als Software über mehr als 10m stabil laufen.
Falk B. schrieb: > Auch andere Lichtquellen lassen sich bündeln, wenn gleich nicht in dem > extremen Maße wie ein Laser. Für die Praxis der Lichtschranken reicht es > locker. Richtig. Wobei ein Wolfgang schrieb: > Lasermodule für 20ct billiger ist, als eine Leistungs-LED plus Linse. MfG Klaus
@ Klaus (Gast) >> Lasermodule für 20ct Jaja, billig will ich. >billiger ist, als eine Leistungs-LED plus Linse. Mein Gott, sind Bastler jetzt schon dem Cent-Sparwahn verfallen? Ob der Kram 5 oder 6 Euro kostet ist doch scheißegal. Außerdem, versuch mal einen IR-Laser auf 10m und mehr auf einen Detektor mit 5mm Durchmesser auszurichten . . . Eine IR-LED mit 15 Grad Öffnungswinkel hat da keine Probleme, und die braucht auch keine Linse, die interne Bündelung reicht. Siehe mein Link.
Sven B. schrieb: >>> kennt jemand einen Link zu einer modulierten Laser-Lichtschranke >> >> Warum muss es unbedingt ein Laser sein? Nur, weil das gerade in >> Mode ist? Mit einer (IR-)LED und optischer Bündelung erreichst >> Du das gleiche. > > Nein. Du kannst das Licht einer nicht-Laser LED nicht in einen Strahl > bündeln. Wie gut, das das die Hersteller von Lichtschranken nicht wissen und trotzdem welche bauen. Übrigens muss das Licht von Laserdioden auch gebündelt werden.
Falk B. schrieb: > Außerdem, versuch mal einen IR-Laser auf 10m und mehr auf einen Detektor > mit 5mm Durchmesser auszurichten . . . Hast du so ein kleines Lasermodul schon mal in der Hand gehabt? Da sitzt vorne eine Linse drauf und damit läßt sich die Strahldivergenz so einstellen, wie man sie braucht. Es zwingt dich bei einem Lasermodul doch niemand, mit einem 0.5mrad Strahl zu arbeiten.
Piter K. schrieb: > TSSP4038 ist schon mal interessant. [...] > Kann man auch eine rote Laserdiode verwenden? Oder muss es IR sein? Bei dem (und seinen Verwandten) muss es IR sein. Wenn Du eine rote Diode verwenden möchtest: Gerd E. schrieb: > Von Vishay gibt es aber einen IC der nur die Auswertung enthält und vor > den Du selbst eine Fotodiode setzen musst. Und da könntest Du dann > natürlich auch eine für sichtbares Licht verwenden. Genaue Bezeichnung > hab ich nicht im Kopf, musst Du mal deren Sortiment durchgehen. Ich hab grad nochmal gesucht, es ist der VSOP38338: http://www.vishay.com/ir-receiver-modules/list/product-82748/
Falk B. schrieb: > Mein Gott, sind Bastler jetzt schon dem Cent-Sparwahn verfallen? Na sicher. Die diskutieren wochenlang rum, wie sie ein Stück SW 3 Byte kürzer und schneller hinkriegen, um einen kleineren µC nehmen zu können oder wie man mit Transistoren einen FET-Treiber billiger hinmurksen kann, und .... MfG Klaus
Falk B. schrieb: > @ Sven B. (scummos) > >>> Warum muss es unbedingt ein Laser sein? Nur, weil das gerade in >>> Mode ist? Mit einer (IR-)LED und optischer Bündelung erreichst >>> Du das gleiche. > >>Nein. Du kannst das Licht einer nicht-Laser LED nicht in einen Strahl >>bündeln. > > Auch andere Lichtquellen lassen sich bündeln, wenn gleich nicht in dem > extremen Maße wie ein Laser. Für die Praxis der Lichtschranken reicht es > locker. Also bündeln kannst du sie schon zu einem gewissen Grad (so hell wie der Emitter eben ist), aber du kannst sie nicht parallel machen. Entweder ist ganz viel von deinem Licht weg, oder du musst neben dem Ausrichten auch noch fokussieren. Für 2 Meter sicher ok, aber für 50?
@ Sven B. (scummos) >ist ganz viel von deinem Licht weg, oder du musst neben dem Ausrichten >auch noch fokussieren. Für 2 Meter sicher ok, aber für 50? Auch für 500 wenn es sein muss. Lichtschranken und Datenübertragungen ohne Laser gab es Jahrzehnte vor dem Laser.
Falk B. schrieb: > @ Sven B. (scummos) > >>ist ganz viel von deinem Licht weg, oder du musst neben dem Ausrichten >>auch noch fokussieren. Für 2 Meter sicher ok, aber für 50? > > Auch für 500 wenn es sein muss. Lichtschranken und Datenübertragungen > ohne Laser gab es Jahrzehnte vor dem Laser. Lichtschranke oder Datenübertragung auf 500 Meter mit Licht, bei Umgebungslicht, ohne Laser? Glaub ich nicht. Lasse mich aber gern eines Besseren belehren ;)
Knuffig finde ich auch den hier: IS471 "OPIC Light Detector with Built-in Signal Processing Circuit for Light Modulation System" http://roboter-teile.de/Oxid/Entfernungsmesser/Infrarot-Entfernungsmesser/Entfernungssensor-IS471-IR-LED-LD274.html Allein die Bauteilbeschreibung zeigt schon was der alles kann :O) Takterzeugung, Treiber, Auswertung, Empfänger, IR-Filter... alles schon drin! Habe das Teil noch nicht getestet - scheint aber für LS Anwendungen sehr interessant. Vielleicht könnte man auch eine IR_laser-LED... ??? Aber allein die Möglichkeit, mit einer 10W-IR-Led die ganze Siedlung auszuleuchten... :O)
Falk B. schrieb: > @ Sven B. (scummos) > >>> Warum muss es unbedingt ein Laser sein? Nur, weil das gerade in >>> Mode ist? Mit einer (IR-)LED und optischer Bündelung erreichst >>> Du das gleiche. > >>Nein. Du kannst das Licht einer nicht-Laser LED nicht in einen Strahl >>bündeln. > > Auch andere Lichtquellen lassen sich bündeln, wenn gleich nicht in dem > extremen Maße wie ein Laser. Für die Praxis der Lichtschranken reicht es > locker. 50 Meter?
controllergirl schrieb: > Knuffig finde ich auch den hier: IS471 "OPIC Light Detector with > Built-in Signal Processing Circuit for Light Modulation System" Hübscher IC für diese Aufgabe. Scheint leider seit 2010 abgekündigt: http://www.mouser.com/PCN/Sharp-PCN-20091001-01.pdf http://www.mouser.de/ProductDetail/Sharp-Microelectronics/IS471FE/?qs=%2fha2pyFaduhvO245de0O6Ir8xRMOKf%2f4CvQ%2fhDQfpPs%3d Bei Farnell etc. sind noch ein einige auf Lager. Aber ewig wirds die nicht mehr geben.
hüstel Mist... Verdammt... Sorry, hatte ich natürlich wieder nicht mitbekommen...
@ Sven B. (scummos) >> Auch für 500 wenn es sein muss. Lichtschranken und Datenübertragungen >> ohne Laser gab es Jahrzehnte vor dem Laser. >Lichtschranke oder Datenübertragung auf 500 Meter mit Licht, bei >Umgebungslicht, ohne Laser? Glaub ich nicht. Lasse mich aber gern eines >Besseren belehren ;) google optischer Richtfunk Amateurfunk Wenn gleich die meisten professionellen Systeme natürlich mit Laser arbeiten, so gibt es dennoch diverse Experimente mit LEDs oder sogar Glühlampen!!! http://ronja.twibright.com/
Falk B. schrieb: > Wenn gleich die meisten professionellen Systeme natürlich mit Laser > arbeiten, so gibt es dennoch diverse Experimente mit LEDs oder sogar > Glühlampen!!! Wenn du eine ausgedehnte Primärlichtquelle (Glühfaden) hast, kannst du die schon genauso gut abbilden, wie einen Laser. Der Haken ist nur, dass du für gleiche Strahldivergenz entsprechend größere Brennweiten für die Abbildung verwenden musst. Um dabei die gleiche Lichtstärke des Systems zu erzielen, wachsen die erforderliche Durchmesser der optischen Elemente linear mit der Lichtquellenausdehnung und das Gewicht etwa kubisch. Und genau da hat eine kleine Primärlichtquelle ihre Vorteile - sonst wird es schnell ausgesprochen unhandlich.
Falk B. schrieb: > @ Sven B. (scummos) > Wenn gleich die meisten professionellen Systeme natürlich mit Laser > arbeiten, so gibt es dennoch diverse Experimente mit LEDs oder sogar > Glühlampen!!! > > http://ronja.twibright.com/ Benutzt Laser, wenn ich mich nicht sehr täusche. > Wenn du eine ausgedehnte Primärlichtquelle (Glühfaden) hast, kannst du > die schon genauso gut abbilden, wie einen Laser. Der Haken ist nur, dass > du für gleiche Strahldivergenz entsprechend größere Brennweiten für die > Abbildung verwenden musst. Nein ... einen Glühfaden kann ich nie komplett auf eine 300µ Photodiode abbilden. Die Ausdehnung wird immer nur größer. Du kannst auch mit großen Linsen aus einer Glühlampe keinen Strahl formen. Siehe https://de.wikipedia.org/wiki/Etendue
Sven B. schrieb: > Lichtschranke oder Datenübertragung auf 500 Meter mit Licht, bei > Umgebungslicht, ohne Laser? Glaub ich nicht. Lasse mich aber gern eines > Besseren belehren ;) Bauanleitungen für "Lichtsprechgeräte" mit modulierten Glühlampen gab es schon in den 1960er Jahren. Zwar nicht über 500m, aber 50...100m gingen schon.
Sven B. schrieb: > Du kannst auch mit großen Linsen aus einer Glühlampe keinen Strahl > formen. Dann guck dir einen Stern am Himmel an. Den kannst du, bis auf Beugungseffekte/Luftunruhe ziemlich perfekt abbilden. Und nun sag nicht, dass ein Stern mit einem Durchmesser 10000 .. 100E6 Kilometern ein kleines Objekt wäre.
Wolfgang schrieb: > Sven B. schrieb: >> Du kannst auch mit großen Linsen aus einer Glühlampe keinen Strahl >> formen. > > Dann guck dir einen Stern am Himmel an. Den kannst du, bis auf > Beugungseffekte/Luftunruhe ziemlich perfekt abbilden. Und nun sag nicht, > dass ein Stern mit einem Durchmesser 10000 .. 100E6 Kilometern ein > kleines Objekt wäre. Uah, der Vergleich hinkt aber gewaltig. Was bei uns ankommt ist lediglich das was genau in unsere Richtung abgestrahlt wurde (als ein winziger Teil der Oberfläche des Sterns, der in unsere Richtung zeigt), der Rest wurde "weggeworfen". Mach das mit einer Glühlampe, dann ist nach 500m einfach nicht mehr viel da.
Wolfgang schrieb: > Sven B. schrieb: >> Du kannst auch mit großen Linsen aus einer Glühlampe keinen Strahl >> formen. > > Dann guck dir einen Stern am Himmel an. Den kannst du, bis auf > Beugungseffekte/Luftunruhe ziemlich perfekt abbilden. Und nun sag nicht, > dass ein Stern mit einem Durchmesser 10000 .. 100E6 Kilometern ein > kleines Objekt wäre. Ja, aber überleg dir mal die Effizienz dieses Abbildungsprozesses ... du kriegst beliebig gute Strahlen, aber nur indem du alle Energie wegwirfst, die nicht genau entlang der Strahlachse propagiert. "Bündeln" kannst du sie nicht. Insbesondere nützt dir die Linse nichts für's Strahl formen: das geht nur mit einer Blende (bei Angucken des Sterns ist das dann zum Beispiel dein Spiegel).
@ Sven B. (scummos) >> http://ronja.twibright.com/ >Benutzt Laser, wenn ich mich nicht sehr täusche. Du täuscht dich wieder einmal. "Old but fascinating open hardware: 10MBit 1400m airlink w/ LEDs." "Transmitter LED from car brake light (cost 1$)"
Ich habe so etwas vor vielen Jahren schon mal gebaut. Empfänger war ein TSOP34836, und der Sender eine normale 1 mW Laserdiode mit Optik und 51 Ohm Vorwiderstand an 5 V. Sehr krude, hat wunderbar funktioniert. Falls eine hohe Lebensdauer erforderlich ist, jemand in den Strahl blicken könnte oder gar in einem kommerziellen Produkt würde man natürlich etwas mehr Aufwand treiben. Auch wenn das Gehäuse der Empfänger schwarz aussieht und das sichtbare Licht zum großen Teil herausfiltert, reicht die Empfindlichkeit locker aus, wenn der Laser direkt 'draufscheint. Auch die Modulationsfrequenz muss man nicht auf das kHz genau treffen - ich habe einige verschiedene Emfänger probiert, und mit 38 kHz gingen sie alle, auch wenn eine andere Frequenz angegeben war. Die Filter sind wohl nicht allzu steil.
| 1 | uint8_t lightbarrier_trigger_state(void) | 
| 2 | {
 | 
| 3 |   // The receiver needs some time to recover
 | 
| 4 |   // in case this function is called periodically
 | 
| 5 |   // see the TSOP34836 data sheet for more information
 | 
| 6 |   // I use a static variable to minimize the response time for a detected->not detected transition
 | 
| 7 | static uint8_t carrier_detected = 0; | 
| 8 | if(!carrier_detected) _delay_ms(0.3); | 
| 9 | ir_send_36kHz(); // send one burst: 36kHz carrier | 
| 10 | carrier_detected = ir_trigger_state(); // was the beam reflected into the receiver? | 
| 11 | if (!carrier_detected) return (0); // taking the side exit -> fast! | 
| 12 |   else
 | 
| 13 |   {
 | 
| 14 | _delay_ms(0.3); | 
| 15 | return (1); | 
| 16 |   }
 | 
| 17 | }
 | 
| 18 | |
| 19 | void ir_send_36kHz(void) | 
| 20 | {
 | 
| 21 | uint8_t i; | 
| 22 | for(i=15; i !=0; i--) | 
| 23 |   {
 | 
| 24 | LED_PORT &= ~(LED_LASER); | 
| 25 | _delay_us(13); | 
| 26 | LED_PORT |= (LED_LASER); | 
| 27 | _delay_us(13); | 
| 28 |   }
 | 
| 29 | }
 | 
Sven B. schrieb: > > Lichtschranke oder Datenübertragung auf 500 Meter mit Licht, bei > Umgebungslicht, ohne Laser? Glaub ich nicht. Lasse mich aber gern eines > Besseren belehren ;) Bitte sehr, das ging in einem frontreifen Gerät schon im 2. Weltkrieg über mindestens 2..3 km: http://www.la6nca.net/tysk2/lispr/ http://www.kriegsfunker.com/radios/LiSpr80.html usw...
Hi Bernhard D. schrieb: > http://www.la6nca.net/tysk2/lispr/ > http://www.kriegsfunker.com/radios/LiSpr80.html Geile Technik :) Danke für die Links - trotzdem würde ich heute eine Laser-Diode dafür einspannen - man muß ja nicht immer mit einem Faustkeil beginnen. MfG
Könnte man nicht einfach einen Laser ein- und ausschalten und so eine binäre Folge senden? Damit Sender und Empfänger immer das Muster vergleichen können sendet man z. B. den Wert eines LFSRs das in Sender und Empfänger gleich implementiert wird und den gleichen Seed hat.
Gustl B. schrieb: > Damit Sender und Empfänger immer das Muster > vergleichen können sendet man z. B. den Wert eines LFSRs das in Sender > und Empfänger gleich implementiert wird und den gleichen Seed hat. Ob die Wert der PRBS von einem LFSR kommen, ist völlig egal. Für die Übertragung zählt das Ergebnis. GPS macht das seit Jahrzehnten so und hält über die unterschiedlichen Rauschfolgen bis zu 36 Datenströme auf der selben Frequenz auseinander.
Die Manipulationssicherheit kannst Du ggf. auch ohne Modulation erreichen. Ein Laser kommt i.d.R. sehr intensiv am Empfänger an, so dass der Empfänger nicht übermäßig empfindlich sein muss - wodurch sich eine optische Falle als Manipulationsschutz anbietet. Zwei möglichst dunkle und matte Platten werden dazu im Abstand von ca. 5 mm zueinander montiert. Die Äußere kann z.B. Teil des eh' vorhandenen Gehäuses sein - die zweite mit Abstandhaltern dahinter. Nun wird durch beide Platten ein möglichst kleines Loch gebohrt, so dass sich auf der gleichen optischen Achse das Loch außen, das Loch innen und der Empfänger befinden. Das schräg einfallende Licht erreicht den Empfänger nicht mehr, da es sich zwischen den Platten totläuft. Das Licht des Senders erreicht den Empfänger jedoch problemlos, da es sich auf der gleichen optischen Achse befindet. Versucht nun jemand, das System zu stören, muss er zuerst den Strahl unterbrechen, bevor er seinen Störsender optimal positionieren kann; was eh' schwierig ist, wenn beide Löcher nicht größer als bspw. 2 mm sind.
Horst schrieb: > Klaus schrieb: >> Es funktioniert bestimmt. > > Tut es. > Hab ich hier mit zwei Tiny85, TSSP4038, so einem ChinaLaserModul und > IRSend/IRMP als Software über mehr als 10m stabil laufen. Ich brauche eher 20m hin und 20m zurück...
Piter K. schrieb: > Ich brauche eher 20m hin und 20m zurück... Eine zusätzliche kleine Linse vor dem Empfänger und ein vernünftiger Retroreflektor dürfte helfen. Aber wer weiss, wieviel Reserven die Strecke vom Klaus noch hat?
Am billigsten für mich wäre einen roten oder grünen Laserpointer zu nehmen. Kann ich den irgendwie modulieren? Es müssen keine 38khz sein, für die Verhältnisse hier würde 500-1000Hz reichen, dazu detektion mit Phototransistor und Arduino. Hat es schon jemand versucht so einen billigen China-Laser zu modulieren? Einfach Strom an/aus? Oder muss ich mich an dem Modul irgendwie vergreifen?
Stefan . schrieb: > Die Manipulationssicherheit kannst Du ggf. auch ohne Modulation > erreichen. Die Modulation ist weniger gegen Manipulationen als vielmehr gegen Fremdlicht aka Sonnenschein und ist einfacher und robuster als Deine Lichtfalle Piter K. schrieb: > Ich brauche eher 20m hin und 20m zurück... Da hab ich keine Bedenken, daß mein Aufbau auch die schafft, allerdings würde ich wegen der höheren Empfindlichkeit des Empfängers ein IR-Laser wie https://www.aliexpress.com/item/3VDC-780nm-3mW-5mW-Infrared-IR-Laser-Lazer-Dot-Diode-Module-Focusable/710248562.html nehmen.
Piter K. schrieb: > Es müssen keine 38khz sein, > für die Verhältnisse hier würde 500-1000Hz reichen, dazu detektion mit > Phototransistor und Arduino. Wie kommst Du auf diese Frequenz? Die 38KHz ergeben sich aus dem vorgeschlagenen Empfänger, bei dem ist der 38KHz-Demodulator gleich eingebaut. Du müsstest selber auf Deine Frequenz filtern, wird aufwändiger und teurer. Piter K. schrieb: > Hat es schon jemand versucht so einen billigen China-Laser zu > modulieren? Einfach Strom an/aus? Die haben einen Widerstand als 'Regelung' und lassen sich wie einen normale LED schalten.
> Piter K. schrieb: >> Hat es schon jemand versucht so einen billigen China-Laser zu >> modulieren? Einfach Strom an/aus? > > Die haben einen Widerstand als 'Regelung' und lassen sich wie einen > normale LED schalten. Konstantstromquelle müßte doch mindestens drin sein?
Kann ich so ein Chinapointer-Modul einfach ans 38kHz PWM hängen? (über einen Steuertransistor).
Piter K. schrieb: > Konstantstromquelle müßte doch mindestens drin sein? Bei den ganz billigen? Nö. Selber kannst Du die natürlich einbauen. Piter K. schrieb: > Kann ich so ein Chinapointer-Modul einfach ans 38kHz PWM hängen? Warum nicht? Da ist auch nur eine LED drin und 38kHz sind ja nur wackelnder Gleichstrom.
> >>Kann man auch eine rote Laserdiode verwenden? Oder muss es IR sein? > > IR, denn der Empfänger sieht nur IR, da ist ein optisches Filter davor. gibt es keine 38kHz Empfänger für rotes Laserlicht? Wenn ich mir die Datenblätter auf farnell anschaue, machen diese Sensoren bei ca. 820nm "dicht". Roten Laser zu verwenden wäre unheimlich einfacher und auch sicherer (für die Augen beim Basteln). Wie justiere ich sonst eine IR Lichtschranke ohne eine spezielle IR-Kamera?
Piter K. schrieb: > gibt es keine 38kHz Empfänger für rotes Laserlicht? Gibt es, nennt sich dann Photodiode. Um das Tageslichtsperrfilter musst du dich dann selber kümmern. Vielleicht gibt es eine lichtschrankegeeignete Form der Signalaufbereitung in integierter Form. Die VSOP38336 bzw. VSOP58438 dürften wegen der Regeleigenschaften nur für Fernbedienungen, aber nicht für Lichtschrankenanwendungen passen. > Wie justiere ich sonst eine IR Lichtschranke ohne eine > spezielle IR-Kamera? Mit einer billigen Kamera. Oft impliziert "billig" die Einsparung des IR-Sperrfilters. Im Gegensatz zum RGB-Filter, dass sich in Form eines Bayer-Filters auf dem Sensorchip sitzt, befindet sich das IR-Sperr meist aufgeklebt hinten auf dem Objektiv (oder eben auch nicht). Beim Raspberry Pi gibt es die zugehörige Kamera auch als NoIR-Variante. Überwachungskameras mit IR-Beleuchtung fehlt auch das Sperrfilter.
Wolfgang schrieb: >> Wie justiere ich sonst eine IR Lichtschranke ohne eine >> spezielle IR-Kamera? IR-Detektorkärtchen. http://www.ebay.de/itm/850nm-940nm-980nm-IR-Infrared-laser-Visulizer-Detector-Display-Board-Card-/111122872869?epid=1476349936&hash=item19df707a25:g:MTMAAOSw-jhUKwMp
Oder sowas: http://www.ebay.com/itm/ABT-100m-Dual-Beam-IR-Infrared-Detector-Module-Burglar-Alarm-for-Home-Security-/401231004117?hash=item5d6b3b41d5:g:wFAAAOSwcUBYNawe Ist halt fertig aber ohne Laser, dafür nur $25... Vielleicht kann man die Optik gebrauchen und den Rest mit der Codierung nachrüsten, falls einfache Modulation nicht ausreicht?
Sven B. schrieb: > IR-Detektorkärtchen. > http://www.ebay.de/itm/850nm-940nm-980nm-IR-Infrared-laser-Visulizer-Detector-Display-Board-Card-/111122872869?epid=1476349936&hash=item19df707a25:g:MTMAAOSw-jhUKwMp Bei 50m Abstand?
>> Wie justiere ich sonst eine IR Lichtschranke ohne eine >> spezielle IR-Kamera? > > Mit einer billigen Kamera. ist trotzdem nicht so spannend fürs Auge, sollte mal was daneben gehen. IR Laser sind mir zu gefährlich. Gibt es keine 38khz Sensoren mit Preprocessing für 650nm??
Piter K. schrieb: >>> Wie justiere ich sonst eine IR Lichtschranke ohne eine >>> spezielle IR-Kamera? >> >> Mit einer billigen Kamera. > > ist trotzdem nicht so spannend fürs Auge, sollte mal was daneben gehen. > IR Laser sind mir zu gefährlich. Das kommt auf das IR an und auf die Leistung. Die 800nm sind tatsächlich sehr gefährlich, > 1400nm sehr viel weniger.
980nm sind auch gefährlich... somit bleibt mir nur ein roter Laser oder ein grüner mit schlechtem IR Filter - billige grüne emittieren teilweise mehr IR als grünes Licht (DPSS). Der grüne Strahl wäre eine Art "Zielhilfe". Nachteil für mich ist, daß man grüne Laser arg sieht insbesondere nachts. Hat es schon jemand versucht einen 38khz Sensor mit grünem Laser zu "verkuppeln"? Reicht das im Strahl vorhandene IR zur Aktivierung des Sensors? Kann ich mir einen 38khz sensor irgendwie nachbauen? Es müssen keine 38khz sein, irgendwas in der Größenordnung von ein paar khz würde mir reichen. Ich dachte hier an einen Phototransistor und Auswertung über Arduino ADC. Danach eine Filterung mit FFT und Bestimmung des Peaks... Hat schon jemand so was ähnliches versucht?
Piter K. schrieb: > ist trotzdem nicht so spannend fürs Auge, sollte mal was daneben gehen. > IR Laser sind mir zu gefährlich. Guck dir die MZB-Werte in den Unfallverhütungsvorschrift Laserstrahlung der DGUV an und bleibe darunter. Im Anhang 2 auf S.48 findest du die Werte für die maximal zulässige Bestrahlungsstärke abhänging von Wellenlängen und Einwirkdauer. http://publikationen.dguv.de/dguv/pdf/10002/vorschrift12.pdf Bei gepulstem Betrieb hast du über das Tastverhältnis einen recht guten Hebel.
trotzdem nicht so prickelnd mit den Dinger zu basteln.
Piter K. schrieb: > trotzdem nicht so prickelnd mit den Dinger zu basteln. Du sollst doch keinen Materialbearbeitungslaser wie für das Schneiden von 20mm Edelstahl für eine Lichtschranke verwenden ;-)
Was spricht denn gegen den oben von mir vorgeschlagenen VSOP38338 und eine Photodiode für sichtbares Licht? Dann kannst Du jede gängige rote Laserpointer-Diode zum Senden verwenden, siehst den Strahl zum Einstellen und es besteht keine Gefahr fürs Auge.
Mann, Mann, Mann. Mal wieder TYPISCH deutsch! Sinnloses Gesülze! Jeder normale Mensch hätte einen einfachen 1mW roten Laser genommen und gut! Der ist augensicher! Und der reicht locker 1km weit, wenn man weiß was man tut auch 10km.
Gerd E. schrieb: > Was spricht denn gegen den oben von mir vorgeschlagenen VSOP38338 und > eine Photodiode für sichtbares Licht? > sieht gut aus das Bauteil... wenn ich denn eins kriege. Das Package ist allerdings bastlerunfreundlich... schwer zu löten. Was vergleichbares im SOT package vielleicht?
Falk B. schrieb: > Mann, Mann, Mann. Mal wieder TYPISCH deutsch! Sinnloses Gesülze! > > Jeder normale Mensch hätte einen einfachen 1mW roten Laser genommen und > gut! Der ist augensicher! Und der reicht locker 1km weit, wenn man weiß > was man tut auch 10km. sag ich ja... ich will einen roten nehmen, geht aber nicht mit standard 38khz Empfängern wegen des Filters dort. Grüne haben eventuell hohen IR Anteil, sieht man aber nachts - ist nicht der Sinn der Sache. Ich könnte so einen billigen grünen nehmen (mit schlechtem IR filter), justieren und dann eventuell einen Filter davor setzen, der grünes Licht blockt - wird dann wiederum teuer. VSOP38338 geht schon in die richtige Richtung, muss mal sehen, ob ich was ähnliches vielleicht in einer anderen Gehäuseform finde. Einen Reflowofen habe ich nicht :/
Bitte melde dich an um einen Beitrag zu schreiben. Anmeldung ist kostenlos und dauert nur eine Minute.
  
  Bestehender Account
  
  
  
  Schon ein Account bei Google/GoogleMail? Keine Anmeldung erforderlich!
Mit Google-Account einloggen
Mit Google-Account einloggen
  Noch kein Account? Hier anmelden.

 Thread beobachten
 Thread beobachten Seitenaufteilung abschalten
 Seitenaufteilung abschalten