Hallo Zusammen, im Anhang mal eine Schaltung. Idee: der Eingang vom Controller wird über die Diode und den Widerstand auf GND gezogen, solange nicht über den anderen Widerstand eine Spannung anliegt die, die Diode sperren lässt. Die Schaltung soll mit Bspw. 12V versorgt werden, die 5V für den Controller werden über einen Spannungsregler entsprechend bereitgestellt. Würde das so funktionieren? Sollte man zur Störungseliminierung noch einen Kondensator vorsehen? Was am Ende als 1 oder 0 interpretiert wird, kann man ja in der Software festlegen.
Ich würde einen Spannungsteiler, kleinen Kondensator und Z-Diode einsetzen. In der Diode sehe ich jetzt gerade keinen Sinn.
TorbenK schrieb: > In der Diode sehe ich jetzt gerade keinen Sinn. Okay hätte noch schreiben sollen, das der interne Pullup den Pin auf 5V zieht. Die Idee hinter der Diode ist im Prinzip ein Rückschalgventil das einen Gegendruck bekommt.
Sven L. schrieb: > Okay hätte noch schreiben sollen, das der interne Pullup den Pin auf 5V > zieht. Das habe ich mir dann auch gedacht. R1 ist sozusagen der Pulldownwiderstand für den 5V Pullupwiderstand. Womit willst du denn den Pin ansteuern, wenn ich fragen darf? Taster, Schalter ... ?
Ja Taster oder Schalter, je nach dem... An den Controller soll hinten noch ein Bustreiber ran und dann gehts weiter per RS485. Der Controller soll auf den Bus senden, sobald sich eine Flanke ändert.
Es ist schon spät bzw. früh. sonst wären schon die entpreller über dich hergefallen :) Bei Schalter oder Taster nimm halt einen Kondensator dazu. Ich nehme 1µF, und lass den Rest von der Software entprellen. Wenn due die Widerstände richtig berechnest, sehe ich bei der Schaltung keine Probleme. Ich verwende auch 12V, aber im Auto. Da habe ich Transistoren als Pegelwandler. Ist aufwendiger, aber das 12V Netz in autos ist alles andere als sauber.
Natürlich, entprellen muss man so oder so... Die Standardschaltungen sind mir auch bekannt, aber das soll ein möglichst kleines Platinchen werden, der Mega 8 war eher exemplarisch.
Wenn du keinen Wert auf Eingangsschutz legst, kannst du den R2 ggf. auch noch weglassen. Darfst dann den Pin nur nicht auf Ausgang schalten.
Den R2 will ich schon drinnen lassen und möglichst groß auslegen. Ich warte mal noch ein paar Stunden, was die anderen hier so schreiben, da sind sicher auch noch paar Ideen und Anmerkungen dabei!
Da kommt nichts mehr. Das Problem ist einfach zu schwierig zu lösen für die anderen ;)
1 | 4,7k Ohm 0,5W |
2 | In o---[===]---+------------------o µC Eingang (ohne Pull-up) |
3 | | |
4 | 5-50V +----|<|----| GND |
5 | | 4,7V |
6 | | |
7 | +------||---| GND |
8 | | 100nF |
9 | | |
10 | +---[===]---| GND |
11 | 10k Ohm |
Die Zenerdiode begrenzt die Eingangsspannung am µC auf 4,7V und beschützt ihn auch vor negativer Spannung. Der 100nF Kondensator block HF ab, kann bei kurzen Leitungen in Störarmer Umgebung entfallen. Der 10k Ohm Widerstand zieht den offenen Eingang auf Low runter und sorgt auch dafür, dass er auf geringe Eingangsspannungen bis ca. 1V nicht anspricht. Der 4,7k Ohm Widerstand bildet zusammen mit dem Kondensator einen Tiefpass und er begrenzt den Eingangsstrom. Bei 50V fließen ca 10mA. Wenn du einen 1/4W Widerstand verwendest, eignet sich die Schaltung bis zu 36V.
Stefan U. schrieb: > Der 100nF Kondensator block HF ab, kann bei kurzen Leitungen in > Störarmer Umgebung entfallen. Ich glaube, du hast auch geschrieben, als ich diese Frage gestellt hatte. Ich verwende an Pins und VCC gerne eine Tantalperle (1µF). Ist dagegen was einzuwenden, oder muss es unbedingt ein Folienkondensator sein?
TorbenK schrieb: > Ich verwende an Pins und VCC gerne eine Tantalperle (1µF). Warum gerade die? Tantal-Kondensatoren sind teuer, unzuverlässig und die Rohstoffbeschaffung ist unter Umwelt- und anderen Gesichtspunkten problematisch. Warum nicht einfach Keramik?
Bei allen mir bekannten µC steht im Datenblatt - sinngemäß - die Eingangsspannung darf minimal -0,7V und maximal Vcc + 0,7V sein. Diesen Umstand nutze ich in der Kombination: 1 Reihenwiderstand plus eine Diode gegen Masse und eine gegen die Versorgungsspannung. Ein kleiner Kondensator, falls es statisch zugeht, gegen Masse, kann auch nicht schaden.
Man kann auch einfach einen NPN-Transistor in Emitterschaltung vor den Porteingang setzen. Der hält zuverlässig auch eine sehr hohe Eingangsspannung vom µC-Pin fern und kostet nicht mehr, als eine Zenerdiode (eher weniger). Bei Ableitung der Eingangspannung mit einer Diode gegen VCC muss man aufpassen, daß nicht evtl. der Stromverbrauch des Controllers geringer ist, als der Strom vom Eingang nach VCC - sonst kann VCC auf unzulässige Werte steigen! Aber auch ohne das können komische Effekte auftreten, wenn die am Eingang angelegte Spannung ungewollt den eigentlich ausgeschalteten Mikrocontroller versorgt.
Thomas E. schrieb: > Warum nicht einfach Keramik? Kleine Größe, kleines Rastermaß. Lässt sich auch nachträglich überall einbauen, notfalls auch zwischen zwei Bauteile.
Thomas E. schrieb: > Aber auch ohne das können > komische Effekte auftreten, wenn die am Eingang angelegte Spannung > ungewollt den eigentlich ausgeschalteten Mikrocontroller versorgt. Das passiert mit der chip-eigenen Eingangsschutzschaltung auch, weil das auch Dioden sind ;)
TorbenK schrieb: > Das passiert mit der chip-eigenen Eingangsschutzschaltung auch, weil das > auch Dioden sind ;) Jetzt zitiere ich mich sogar schon selbst. Sowas. Beitrag "H-Pegel (5V) bei fehlemden VCC schädlich für ICs ?"
TorbenK schrieb: > Das passiert mit der chip-eigenen Eingangsschutzschaltung auch, weil das > auch Dioden sind ;) Deshalb ja auch mein Vorschlag mit dem Transistor. TorbenK schrieb: >> Warum nicht einfach Keramik? > Kleine Größe, kleines Rastermaß. Lässt sich auch nachträglich überall > einbauen, notfalls auch zwischen zwei Bauteile. Sollte das jetzt ein Argument für den Tantal sein oder meinen Keramik-Vorschlag bestätigen? Wenn man's unbedingt bedrahtet haben will, sähe es dann vielleicht so aus: https://www.digikey.de/product-detail/de/tdk-corporation/FG18X5R1H105KRT06/445-173257-3-ND/5802871 Und hat auch noch den Vorteil, daß man ihn nicht verkehrt herum anlöten kann, was beim Tantal schon mal ins Auge gehen kann! (wörtlich - Schutzbrille kann also nicht schaden)
Danke schon mal für Eure Beiträge und Tipps und Schaltungen. Aber um nochmal auf meine Schaltung zurück zu kommen... Meine Überlegung war, das wenn ich meine Diode mit einer externen Spannung sperre, Fast kein Strom fließen muss. Bei der Schaltung von Stefan sind es ja bei 50V ja 10mA also 0,5W wenn ich nun 32 Eingänge habe verbrate ich 16 Watt, das ist ne Menge...
Sven L. schrieb: > Bei der Schaltung von Stefan sind es ja bei 50V ja 10mA also 0,5W wenn > ich nun 32 Eingänge habe verbrate ich 16 Watt, das ist ne Menge... Wenn du die Schaltung wie von dir oben beschrieben mit 12V betreibst, komme ich auf 1,6mA - das wären dann ca. 19mW pro Eingang am Widerstand.
TorbenK schrieb: > Thomas E. schrieb: >> Warum nicht einfach Keramik? > Kleine Größe, kleines Rastermaß. Lässt sich auch nachträglich überall > einbauen, notfalls auch zwischen zwei Bauteile. <ironie> Stimmt, Keramikkondensatoren sind natürlich alle riesig, z.B. diese klobigen Ausführungen mit 1uF/16V in 0201: https://www.digikey.de/product-detail/de/samsung-electro-mechanics-america-inc/CL03A105MO3NRNH/1276-6798-1-ND/5961657 </ironie> Welche ganz konkretem Schaltungen hast Du denn schon aufgebaut, bei denen es nicht möglich gewesen wäre, einen Keramikkondensator in 0201 (oder einer entsprechend größeren Bauform) zwischen den Pins unterzubringen?
> wenn ich nun 32 Eingänge habe verbrate ich 16 Watt, das ist ne Menge...
Dass es Energie sparend bis 50V gehen soll, war kein Kriterium. Es war
aber ein Kriterium, mit möglichst wenig Bauteilen auszukommen.
Wenn du das ohne Kondensator und mit 10x größeren Widerständen machst,
hast du zwar eine sparsame Lösung, aber auch eine sehr störanfällige.
Die Schaltung aus dem Eingangsposting ist bewährt und wird in der Industrie auch verwendet. Es hat auch keinen grossen Sinn, da noch Spannungsteiler usw. vorzuschalten, es reicht die Diode alleine. Wer möchte, kann noch einen kleinen C nach Masse vorsehen (10nF-47nF), aber wirklich nötig ist das nicht, die Diode sperrt ja alles über dem Highpegel des MC sowieso weg. Also höchstens ein kleiner R2, R1 kann entfallen.
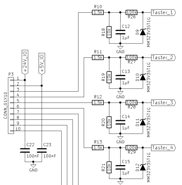
Ich verwende für 5V bis 30V ganz gerne die Schaltung aus dem Anhang. Hat den Vorteil, dass man damit auch 230V Kontakte sicher abfragen kann, da der Schaltstrom kurzzeitig groß genug ist um die Kontakte zu reinigen. (bei 24V) Zusätzlich wird das Signal zuverlässig entprellt. Die Z-Diode könnte man weg lassen und es dem Eingangsschutz des µC überlassen. Die Eingänge am µC muss man natürlich auf hochohmig stellen und optimalerweise auf Hysterese (wenn möglich). Christian_RX7
Andreas S. schrieb: > Stimmt, Keramikkondensatoren sind natürlich alle riesig, z.B. diese > klobigen Ausführungen mit 1uF/16V in 0201: Naja, wenn man auch bei ein paar Volt Spannung noch etwas in der Nähe von 1 µF haben will, sollte man besser auf eine etwas größere Bauform zurückgreifen. ;)
Christian K. schrieb: > 50V 1µF in 0603 Ja, der hat bei 10V immerhin noch knapp 0,5 µF! Der 0201er ist da schon runter auf ca. 0,17µF. (Quelle: http://ds.murata.co.jp/software/simsurfing/en-us/index.html)
Thomas E. schrieb: > Christian K. schrieb: >> 50V 1µF in 0603 > > Ja, der hat bei 10V immerhin noch knapp 0,5 µF! > Der 0201er ist da schon runter auf ca. 0,17µF. > (Quelle: http://ds.murata.co.jp/software/simsurfing/en-us/index.html) Ich verwende immer 0805 mit X7R Material, da ist die Kapazität akzeptabel. Die 0603 waren nur eine Anspielung auf die oben genannte Größe. Christian_RX7
Simon B. schrieb: > Wenn du die Schaltung wie von dir oben beschrieben mit 12V betreibst, > komme ich auf 1,6mA - das wären dann ca. 19mW pro Eingang am Widerstand. Ich hatte mit den Werten von Stefan gerechnet, aber grundsätzlich wird überall wo Z-Dioden verbaut sind Energie verbraten. Stefan U. schrieb: > Dass es Energie sparend bis 50V gehen soll, war kein Kriterium. Es war > aber ein Kriterium, mit möglichst wenig Bauteilen auszukommen. > > Wenn du das ohne Kondensator und mit 10x größeren Widerständen machst, > hast du zwar eine sparsame Lösung, aber auch eine sehr störanfällige. Stimmt, ich hatte einfach mal mit deinen Werten weiter gerechtnet, bitte nicht krum nehmen! ;) Matthias S. schrieb: > Die Schaltung aus dem Eingangsposting ist bewährt und wird in der > Industrie auch verwendet. Es hat auch keinen grossen Sinn, da noch > Spannungsteiler usw. vorzuschalten, es reicht die Diode alleine. > Wer möchte, kann noch einen kleinen C nach Masse vorsehen (10nF-47nF), > aber wirklich nötig ist das nicht, die Diode sperrt ja alles über dem > Highpegel des MC sowieso weg. > Also höchstens ein kleiner R2, R1 kann entfallen. Danke für dein Statement, ich werds demnächst mal aufbauen und testen. Allen Antwortern einen schönen Abend!
Matthias S. schrieb::
> Also höchstens ein kleiner R2, R1 kann entfallen.
Ich hab nochmal über die Schaltung nachgedacht, wenn ich R1 weglasse und
mein Eingangspin in der Luft hängt (Taster oder Schalter am Eingang
gegen +12V) dann funktioniert es doch nicht oder übersehe ich was?
Hänge ich den Schalter zw. den Eingangspin und GND, dann ist ei
gedrücktem Taster der Eingang über die Diode auf GND gezogen.
Ich wollte aber mit der externen Spannung den Eingang ansteuern und
nicht gegen GND.
Bitte melde dich an um einen Beitrag zu schreiben. Anmeldung ist kostenlos und dauert nur eine Minute.
Bestehender Account
Schon ein Account bei Google/GoogleMail? Keine Anmeldung erforderlich!
Mit Google-Account einloggen
Mit Google-Account einloggen
Noch kein Account? Hier anmelden.

