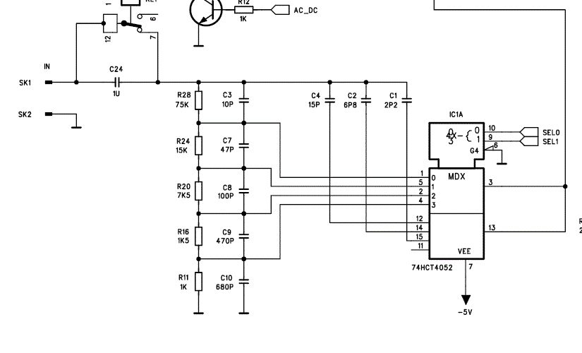
Hallo zusammen, ich habe mir den Oszilloskop Bausatz EDU09 von Velleman zum analysieren gekauft. Siehe auch alten Beitrag. Beitrag "Velleman Oszilloskop EDU09, was meint ihr?" Dort kam der Bausatz nicht gut weg. Die Idee gefällt mir für Schüler eigentlich sehr gut. Der einzige Nachteil für meine Anwendungen ist die geringe Eingangsimpedanz mit 100 kOhm. Von Vellemann wird der Schaltplan veröffentlicht (Quelle des Anhangs): http://www.vellemanprojects.eu/downloads/0/illustrated/illustrated_assembly_manual_edu09.pdf Ich würde gerne den Spannungsteiler im Eingang des Multiplexers um den Faktor 10 vergrößern und so einen 1 Meg- Eingang schaffen. Die Kapazitäten die wohl als kapazitiver Spannungsteiler dienen würde ich entfernen (Nur DC Messung) bzw. um Faktor 10 verringern (Auch AC Messung). Spricht etwas gegen dieses Vorhaben? Ich habe bisher keine Erfahrungen mit Multiplexern gemacht.
Günther schrieb: > Spricht etwas gegen dieses Vorhaben? Ich habe bisher keine Erfahrungen > mit Multiplexern gemacht. Wenn es wirklich nur um DC geht, sind die Kapazitäten egal. Um die Analogbandbreite zu erhalten, müssen die Kapazitäten passen. Dazu sollten dann alle Widerstände und Kapazitäten (auch die des Multiplexers) bekannt sein. Vielleicht reicht es Dir auch, einfach 900 kOhm in Serie zu schalten?
Bitte melde dich an um einen Beitrag zu schreiben. Anmeldung ist kostenlos und dauert nur eine Minute.
Bestehender Account
Schon ein Account bei Google/GoogleMail? Keine Anmeldung erforderlich!
Mit Google-Account einloggen
Mit Google-Account einloggen
Noch kein Account? Hier anmelden.
