Hallo zusammen, für eine aktuelles Projekt habe ich mir folgendes zusammengebastelt. Ich erzeuge mit einem Arduino ein Sinussignal, mit Hilfe eines TDA2030 wird diese Spannung zu einer richtigen Wechselspannung von 0-12V gemacht. Diese 12VAC lege ich dann an verkehrt an einen Transformator an (230V auf 6V) Also erreiche ich über den Transformator theoretisch 460V wenn an der 6V-Seite des Trafos 12V anliegen. Nun zu meinem Problem: Ich benötige eine Spannung mit 350VAC bei mindestens 200mA. Da hier ja P=U*I gilt müsste die benötigte Leistung 70VA betragen, oder? Wenn ich 12V anlege würde ich 460V rausbekommen, also ergibt eine Schlussrechnung das ich für 350V ca. 9V benötige. Da ich 70VA benötige muss die Eingangsseite mit den 9V den benötigten Strom führen, richtig? Das wären dann nach meiner Berechnung 7,8A. Da der TDA2030 maximal 3,5A Ausgangsstrom hat, benötige ich 3 Parallel geschalten um den benötigten Strom zu treiben, oder? Ich würde nun folgendes machen: 2 * Trafo Parallel mit 50VA (http://de.rs-online.com/web/p/leiterplatten-transformatoren/7320569/) Dazu noch meine Verstärkerschaltung mit dem TDA2030 (https://www.mikrocontroller.net/attachment/325126/tda2030_schbild.gif) Diese schafft laut angäbe 20W maximal. Darum würde ich zur Sicherheit 4 Stück verwenden damit ich in Summe 80W erreiche. Kann das so funktionieren? Oder übersehe ich hier etwas? LG, poschi8
Heinz peter P. schrieb: > Oder übersehe ich hier etwas? Ja, lt. DB schafft der TDA2030 max. 14 Watt an 8 Ohm und max. 9 Watt an 4 Ohm. 20 Watt sind die max. Verlustleistung die das Teil abkann. Bei Maximaler Ausgangsleistung wird Dein Sinus ziemlich verzerrt -> Klirrfaktor/THD. Beitrag "Mehrere TDA2030 parallel" Fang doch erstmal klein an, z.B. mit der Brückenschaltung aus dem DB. Die soll maximal 28 Watt an 8 Ohm abgeben. Desweiteren wäre die Freuquenz deines Sinussignals interresant. Wenn die höher als 50 Hz liegt, sind die technischen Daten des Trafos hinfällig.
Heinz peter P. schrieb: > Oder übersehe ich hier etwas? Ueff != Uspitze Wirkungsgrad < 100% faellt mir spontan ein. Wuerde ich laenger drueber nachdenken, wuerde mir sicher noch mehr einfallen. Ansonsten denk' ich, dass ein rotierender Umformer (Motorgeneraor) sicherlich noch mehr Gewicht auf die Waage bringen wuerde als dein Entwurf. Gruss WK
Dergute W. schrieb: > wuerde > mir sicher noch mehr einfallen. z.B. dass beim Übersetzungsverhältnis schon ein Korrekturfaktor drin ist, Höhe abhängig von der Kerngrösse. Also die Windungszahlen verhalten sich nicht wie die Spannungen wie beim idealen Trafo.
Heinz peter P. schrieb: > Also erreiche ich über den Transformator theoretisch 460V wenn an der > 6V-Seite des Trafos 12V anliegen. Denke dran, daß die Primärwicklung des Trafos nur eine endliche Spannungsfestigkeit aufweist. Ein Netztrafo (für 230V) ist nicht für 460V konzipiert.
Rufus Τ. F. schrieb: > Heinz peter P. schrieb: >> Also erreiche ich über den Transformator theoretisch 460V wenn an der >> 6V-Seite des Trafos 12V anliegen. > > Denke dran, daß die Primärwicklung des Trafos nur eine endliche > Spannungsfestigkeit aufweist. Ein Netztrafo (für 230V) ist nicht für > 460V konzipiert. Das habe ich schon so im Einsatz, der Trafo wird mit 1000V getestet. Ich benötige nur mehr Ausgangsstrom... > Desweiteren wäre die Freuquenz deines Sinussignals interresant. Wenn die > höher als 50 Hz liegt, sind die technischen Daten des Trafos hinfällig. Die Frequenz liegt bei 60Hz und ist für den Transformator geeignet. Die Sache mit dem TDA2030 hat bis jetzt sehr gut funktioniert, nur benötige ich eben mehr Leistung am Ausgang. Es ist nicht zwingend nötig das ich die gleiche Schaltung verwende, ich benötige nur mehr Strom.. LG, poschi8
Mehr Strom kann der arme kleine 2030 aber nicht.
Heinz peter P. schrieb: > Es ist nicht zwingend nötig das ich die gleiche Schaltung verwende, ich > benötige nur mehr Strom.. Diskrete Gegentaktendstufe nach dem TDA?
der schreckliche Sven schrieb: > Mehr Strom kann der arme kleine 2030 aber nicht. Ja das ist mir bewusst, darum würde ich ja gerne das vorhanden Signal verstärken so das ich bis zu 8A treiben kann. Sven D. schrieb: > Diskrete Gegentaktendstufe nach dem TDA? Wie funktioniert das, bzw wie sieht das konkret aus? LG, poschi8
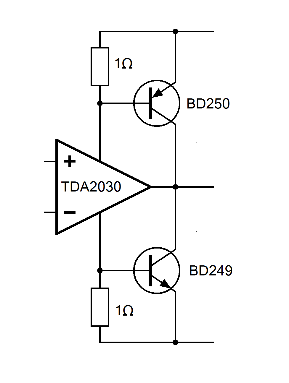
Heinz peter P. schrieb: > Wie funktioniert das, bzw wie sieht das konkret aus? Ach komm, das findest du sicher selbst. Diese Schaltungen haben aber fast alle den Nachteil, dass die Schutzschaltungen (Überstrom, Übertemperatur, SOA) des integrierten Verstärkers nicht greifen. Auf jeden Fall solltest du aber entweder über eine Brückenendstufe oder symmetrische Versorgung nachdenken, damit du den Elko wegbekommst, den willst du nicht wirklich bei den Leistungen. Und du musst ja nicht an dem ollen TDA2030 klebenbleiben. Gibt Alternativen. LM12CLK fällt mir gerade so ein, (auch alt inzwischen und verdammt teuer). OPA541? TDA7293? Und viele andere mehr.
So, jetzt hat der kleine 2030 große Brüder bekommen. Auch ohne Strombegrenzung nahezu unzerstörbar.
Heinz peter Posch schrieb: >Also erreiche ich über den Transformator theoretisch 460V wenn an der >6V-Seite des Trafos 12V anliegen. Dann wird der Trafo aber wahrscheinlich in Sättigung gehen. Trafos sind meistens so ausgelegt, daß sie nahe an der Sättigungsgrenze arbeiten. Nimm lieber eine 24V Wicklung und lege da 12V an.
Günter Lenz schrieb: > Dann wird der Trafo aber wahrscheinlich in Sättigung gehen. Er kann auch zwei 12V Trafos benutzen und die beiden Ausgangswicklungen in Reihe schalten, dann hat er auch 460 Volt. Ein weitere Vorteil wäre, die Superschaltung mit den zwei leistungsstarken Brüdern vom schrecklichen Sven, zweimal aufzubauen (für jeden Trafo eine eigene leistungsfähige Treiberstufe). Die Eingänge der beiden TDA2030 werden parallel geschaltet und phasengleich vom Arduino angesteuert.
So ich hab das jetzt mal umgezeichnet.. (Siehe Anhang) Stimmt die Schaltung jetzt so? Wie viel Strom schaffe ich jetzt am Ausgang? Ich kann das in Microcap nicht so richtig simulieren. :( LG, poschi8
Heinz peter P. schrieb: > Die Frequenz liegt bei 60Hz und ist für den Transformator geeignet. Aber nicht bei doppelter Eingangsspannung; da müssten es schon 100Hz sein, damit der Trafo nicht in die Sättigung geht.
Heinz peter P. schrieb: > Stimmt die Schaltung jetzt so? Aus Deinem Arduino können nicht gleichzeitig PWM und Sinus rauskommen (vermutlich bloß Schreibfehler). Der Nutzeffekt des Spannungsteilers aus R71 und R72 ist mir nicht ganz klar, wenn der drin bleiben soll, dann muss in die Signalleitung vom Arduino noch ein 10µF Kondensator damit Du eine Echte Wechselspannung erhälst? C3 sollte von 6n2 auf ca. 100n vergrößert werden (es sollen schließlich bei 100k Belastung noch 60 Hz ohne Dämpfung durchgehen). Die beiden Dioden D1 und D2 sollten parallel zu den Transistoren geschaltet werden. Die Transistoren auf einen dicken Kühlkörper montieren! Sollte aus Deinem Arduino ein Rechtecksignal rauskommen, nimmt die Erwärmung Deiner leistungsstarken Transistoren enorm ab (besserer Wirkungsgrad). Heinz peter P. schrieb: > Wie viel Strom schaffe ich jetzt am Ausgang? Ich kann nur schätzen. Zwischen 5 und 10 Ampere.
Statt R71 und R72 kannst Du auch einfach einen 10k Trimmer einbauen, dann kannst Du die Ausgangsspannung stufenlos von 0V bis 460V einstellen. Linker Anschluss an Masse, rechter Anschluss über einen 10µF Kondensator an den Arduino und der mittlere Anschluss vom Trimmer an C3. Der Elko C5 sollte auf 10000µF erhöht werden, oder bei symmetrischer Versorgungsspannung weglassen. GN8
Ist der TDA2030 Vorgabe? Es gibt da wesentlich staerkere Endstufen. LM3886 TDApaarnsiebzignochwas ... Ob der Weg der Richtige ist... Mal sehen
malsehen schrieb: > Ob der Weg der Richtige ist... > > Mal sehen Ist mir da was entgangen? Es sind ja wirklich eine Menge guter Tipps gemacht worden - aber wofür denn überhaupt? Ich vermisse stark die Erklärung, wofür dieser 350VAC Sinus gut sein soll. (Und damit alle exakten Anforderungen.) Natürlich, mit einer Audio-Endstufe kann man schönen Sinus Verstärken, so daß er auch schön bleibt (innerhalb d. Specs). Aber wo steht denn, wie genau Sinus auch Sinus sein muß? Dann wird auch noch von Rechteckansteuerung gesprochen. Gut, was da steht, stimmt alles (und der offensichtliche Wille, jemandem bei einem Projekt helfen zu wollen, ist mitnichten zu übersehen), aber... was denn nun? Was wird denn nun wirklich gebraucht? Ein möglichst schöner (!) Sinus? Oder das Ergebnis von NF-Rechteck durch NF-Trafo? Mir drängt sich der Gedanke auf, daß wir möglicherweise wirklich nicht auf dem richtigen Weg sind hier/damit. Irgendwo zwischen lieblich anzusehendem Super-Sinus und mehr oder weniger "verschliffenem" NF-Rechteck befände sich übrigens auch noch die Möglichkeit einer Realisierung per Class D (und dabei den Trafo als effektiven HF-Filter). Also, Heinz, bitte nenne die Anforderungen an den Sinus. Harald W. schrieb: > Heinz peter P. schrieb: > >> Die Frequenz liegt bei 60Hz und ist für den Transformator geeignet. > > Aber nicht bei doppelter Eingangsspannung; da müssten es schon > 100Hz sein, damit der Trafo nicht in die Sättigung geht. Das solltest Du nicht übersehen, Heinz. Ein wichtiger Punkt. Man speist in eine 6V~ Sekundärwicklung keine 12V~ ein, sondern eben diese 6V~ (*) ... wenn man bei 50Hz bleiben will. Umgekehrt muß man eben mit der Frequenz nach oben, wenn man die Spannung erhöhen will. ((*) bzw. etwas mehr, da zum Ausgleich des Spannungsverlustes von Trafos das Über- [oder Unter-] setzungsverhältnis immer etwas "modifiziert" wird ... in diesem Fall halt durch 230 : >6 ) Sonst wird die sog. Spannungs-Zeit-Fläche zu groß für diese Kombi- nation aus Kernmaterial und Induktivität. Dabei sättigt das Kern- material. Die Induktivität nimmt stark ab, und der Strom schnellstens zu. Macht man das an der Steckdose (an einer Wicklung für <<230V~), ist das oft das Ende der Wicklung. Hier aber ist "der begrenzende Faktor" eher der Verstärker. Also entweder, oder. Bei beiden meiner Themen. (-.O)
Yo schrieb: > Sonst wird die sog. Spannungs-Zeit-Fläche zu groß für diese Kombi- > nation aus Kernmaterial und Induktivität. Und "aus der Kerngeometrie", selbstverständlich. Hätte der Kern z.B. mehr Querschnitt, sättigte er später. Aber bei gegebenem Trafo kann man nicht beliebig einen Parameter ändern, ohne die restlichen zu beeinflussen.
Also die Anforderung ist ganz klar das ich einen schönen Sinus mit 60Hz zwischen 0 und 400V erzeuge. Als Eingangssignal kommt von meinem Arduino schon ein Sinussignal (nur die positive Welle natürlich) Das erzeugw ich über eine R2R Leiter. Mit der Änderung dieser Amplitude wird dann auch das Signal am Ausgang kontrolliert. Lg, Poschi8
Mit microcap simuliert sieht das ganze dann so aus.. Bei der Verstärkerschaltung habe ich direkt diese Schaltung hier verwendet: http://www.amateurfunkbasteln.de/nfamps/nfamps.html Ich habe nur in der Simulation die Werte so angepasst das ein schöner Sinus am Ende raus kommt, das ist nämlich sehr wichtig für mich. LG, poschi8
Yo schrieb: > Was wird denn nun wirklich gebraucht? Lasse mich mal raten. Der TO hat eine Hammondorgel aus Amerika mitgebracht, dessen Motor der mechanischen Tongeneratoreinheit für 60Hz Wechselspannung ausgelegt war und am deutschen Netz deswegen zu tief klingt. Jetzt will er einen 110V Sinusgenerator bauen, der 60Hz kann, um diesen Motor damit zu betreiben. Ralph Berres
Ralph B. schrieb: > Jetzt will er einen 110V Sinusgenerator bauen, der 60Hz kann, um diesen > Motor damit zu betreiben. Nö, er will ja 460V (effektiv, also 650V Spitze). Warum er nicht 2 Trafoausgänge in Reihe schaltet, bleibt schleierhaft.
Sorry mein Fehler.. Ich benötgige die 350v als Uspitze.. Also müsste 1 trafo reichen, oder? Lg, Poschi8
Heinz peter P. schrieb: > Also die Anforderung ist ganz klar Leider nicht. > das ich einen schönen Sinus WIE schön? (Alternativ: Wieso genau "schön"?) > mit 60Hz zwischen 0 und 400V erzeuge Wie genau müssen diese Werte stimmen? (Alternativ: W,W,W,W,W...) Heinz, man hat gewisse Rahmenbedingungen und Anforderungen. (Außer, man hat gar keine... ist das vielleicht der Fall? Geht es um ein reines Lernprojekt, Ergebnis gerne variabel?) Das hat - für die wichtigsten Entscheidungen - erst mal nichts mit "ich möchte" zu tun, sondern mit "ich brauche". (Weil man grundsätzlich die einfachste Lösung anstrebt.) Und dazu müßte man wissen, wozu das gut sein soll. Dann ergeben sich die Anforderungen großteils von alleine hier, weil viele sich mit diversen Gerätschaften auskennen. Oder aber ... oder Du lieferst exakte Vorgaben für den Sinus. Außer der Spannungs-Amplitude, Maximalstrom und Frequenz also noch die erlaubte THD, wie "sauber" also der Sinus sein MUSS, und alle nur erdenklichen Betriebs- bzw. Lastfälle, etc. Meist ist die Offenlegung der gesamten Anwendung sogar simpler, weit simpler, als hier einen unbekannten "Fall" mit allen nur erdenklichen Daten konkretisieren zu müssen. Also, bitte: Alle Informationen und/oder Daten. Sonst ist effektive Hilfe einfach unmöglich.
Ralph B. schrieb: > Der TO hat eine Hammondorgel aus Amerika mitgebracht, dessen Motor der > mechanischen Tongeneratoreinheit für 60Hz Wechselspannung ausgelegt war > und am deutschen Netz deswegen zu tief klingt. > > Jetzt will er einen 110V Sinusgenerator bauen, der 60Hz kann, um diesen > Motor damit zu betreiben. M.E. sollten 12V/120V/60Hz-Auto-Spannungswandler in den USA genauso verbreitet sein, wie 12V/230V/50Hz-Auto-Spannungswandler bei uns. Ich denke, ein solcher Wandler wäre die beste Basis für ein "USA- Ersatznetzteil.
Die Schaltung vom schrecklichen Sven kann man im Datenblatt zum TDA2030 nachschlagen. Sie hat zudem einen Reihenwiderstand vom Ausgang des TDA2030 zum gemeinsamen Punkt der Transistoren. Das mindert die Übernahmeverzerrung beträchtlich und lässt die Transistoren erst bei größeren Strömen übernehmen.
Harald W. schrieb: > M.E. sollten 12V/120V/60Hz-Auto-Spannungswandler in den USA genauso > verbreitet sein, wie 12V/230V/50Hz-Auto-Spannungswandler bei uns. Und so ein Wandler von hier sollte doch auf 60Hz zu manipulieren sein.
@bohnsorg Diese Schaltung ist natürlich so alt wie der TDA2030 selber. Ist aber offenbar nicht jedem Neuling bekannt. Vorteil: Ein billiger und sehr starker Leistungs-OPV. Nachteil: Kein Kurzschluss oder SOA-Schutz. Allerdings können die angegebenen Transistoren einiges wegstecken. Und meine Zeichnung wäre noch um die Freilaufdioden (parallel zu den T.!!!) und 200nF über dem 2030 zu ergänzen.
@ Heinz peter Posch (poschi8) >Ich erzeuge mit einem Arduino ein Sinussignal, mit Hilfe eines TDA2030 >wird diese Spannung zu einer richtigen Wechselspannung von 0-12V >gemacht. >Diese 12VAC lege ich dann an verkehrt an einen Transformator an (230V >auf 6V) >Also erreiche ich über den Transformator theoretisch 460V wenn an der >6V-Seite des Trafos 12V anliegen. Nicht mal theoretisch. Denn dein REALER Trafo verkraftet auf den jeweiligen Seiten nur die Nennspannung bei Nennfrequenz. Da kommt man nicht nenn(!)enswert höher, dann dann setzt ziemlich schnell die Kernsättigung ein. Ja, auch im Leerlauf! Transformatoren und Spulen >Ich benötige eine Spannung mit 350VAC bei mindestens 200mA. Dann brauchst du 2x230 Wicklungen in Reihe. Die Niederspannungswicklungen kann man parallel schalten. >Da hier ja P=U*I gilt müsste die benötigte Leistung 70VA betragen, oder? Das ist er einfache Teil. >Da ich 70VA benötige muss die Eingangsseite mit den 9V den benötigten >Strom führen, richtig? Logisch. >Das wären dann nach meiner Berechnung 7,8A. + Verluste und Magnetisierungsstrom, also eher 9-10A. >Da der TDA2030 maximal 3,5A Ausgangsstrom hat, benötige ich 3 Parallel >geschalten um den benötigten Strom zu treiben, oder? Es gibt auch kräftigere Endstufen, die 10A mit einem IC schaffen. Das ist auch besser für die Schutzfunktion.
Bitte melde dich an um einen Beitrag zu schreiben. Anmeldung ist kostenlos und dauert nur eine Minute.
Bestehender Account
Schon ein Account bei Google/GoogleMail? Keine Anmeldung erforderlich!
Mit Google-Account einloggen
Mit Google-Account einloggen
Noch kein Account? Hier anmelden.


