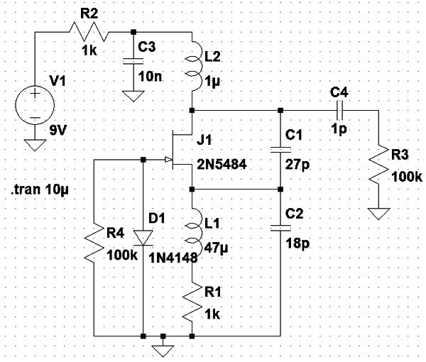
Hallo zusammen, Ich kann die Funktionsweise einer alten Oszillatorschaltung nicht nachvollziehen. Kann mir jemand erklären wie diese funktioniert? Wozu Drossel L1 überhaupt? Ist wohl nicht nur um HF abzutrennen. Habe ich sie denn richtig skizziert eigentlich? Simulation läuft wie geschmiert, aber nicht auf dem Steckboard. Ich will sie verstanden haben um Bauteile richtig demensionieren zu können.
:
Verschoben durch Moderator
Das schwingt laut Simulation bei mitte 40 MHz. Ein Steckbrett hat zum einen sicherlich keinen sonderlich guten Übergangswiderstand und die Leitungen und Verbindungen des Steckbrettes haben eine Eigeninduktivität. Als Richtwert gilt 1nH/mm. Schau dir nun mal an, was passiert wenn du 1,2,5 nH Induktivität in Serie zum Koppelkondensator mit 1pF simulierst. Vielleicht einfach mal eine neue Schaltung und dann den Frequenzbereich simulieren.. Was willst du mit diesem Oszillator denn machen? Was hast du letztlich vor?
Eine L1=47µH hat sicherlich auch etliche pF parasitäre Kapazität, damit eine Eigenresonanz in einem bestimmten Frequenzbereich, die in der Simulation nicht auftaucht, und in der Realität evtl. stört.
Ferner solltest du auch beachten, dass Induktivitäten nd Kapazitäten aufgrund der Parasitärelemente Eigenresonanzen aufweisen und eine Induktivität darüber beispielsweise kapazitiv wirken kann. Ich habe gerade bei einem Händler ein Datenblatt einer axialen Festinduktivität von 47u herausgesucht. Die Eigenresonanz liegt bei dieser z.B. bereits bei 5 MHz. Die Wahl dieser geraden Werte bei den Spulen lässt darauf schließen, dass du diese wohl nicht selbst gewickelt hast.
Johann R. schrieb: > Simulation läuft wie geschmiert, aber nicht auf dem Steckboard. Kein Wunder. Ich würde erstmal überlegen, in welcher Grundschaltung, wenn überhaupt, das aktive Element betrieben wird.
Ich will einen etwas aufgemotzte Dipmeter aufbauen und bin schon oft über diese Oszillator-Schaltung gesteupert, habe sie nicht verstanden und sein gelassen. Jetzt will ich diese verstehen, weil sie guten Frequenzgang hat, funktioniert mit NPN/PNP/N-JFet. Mir geht es um das Grundliegende, und wie man das aufbauen soll. Das man zum Beispiel erst mal gleichspannungsmessig alles aufbaut, den Arbeitspunkt einstellt, dann erst HF-Bauteile einfügt und die Funktion genießt. G. O. schrieb: >Ich würde erstmal überlegen, in welcher Grundschaltung, > wenn überhaupt, das aktive Element betrieben wird. Genau, das ist guter Anfang. Es ist ja fraglich welche Grundschaltung das ist. Die Rückkopplung geschieht mittels C1 von Drain auf Source, wie in der Gate-Schaltung. L1/R1-Zweig leitet Gleichstrom ab, während C2 HF(1/2) ableitet. Basisschaltung... oder?
Bei einem Dipmeter denk aber auch dran, dass der Oszillator nicht zu stabil sein sollte, sonst bricht der nicht ein ;)
Johann R. schrieb: > Ich will einen etwas aufgemotzte Dipmeter aufbauen und bin schon oft > über diese Oszillator-Schaltung gesteupert, habe sie nicht verstanden > und sein gelassen. Das ist ein Colpitsoszillator (Kapazitive Dreipunktschaltung) in Gateschaltung. Gibt es genug Literatur drueber. L1 dient dazu die Belastung von 1K Widerstand zum Schwingkreis zu entkoppeln, Dadurch steigt dessen Guete. Sollte aber auch ohne die Drossel funktionieren.
Hallo Leute! Nach fast einem Monat Experimente habe ich festgestellt, es sei gar nicht so einfach einen SEHR breitbandiger Oszillator (für Dipmeter) aufzubauen. Im Internet bin ich über angeblich eine sehr gute Schaltung 2 male gestoßen. Coplitz-Oszillator, Emitter-Schaltung. C5, L1 (Messspule) und C4 verdrehen die Phase um 180°, so dass eine Mitkopplung über Koppelkondensatoren C3/C6 geschieht. Meine Frage ist wozu hier C7 und R6 sind überhaupt? Rauschen, damit der Oszillator anschwingt? da nimmt man aber mindestens 100kOhm. Frequenzgang-Ausgleich (Amplitude)?
Ist das Strom-Hochpass? Die Schaltung neigt stark dazu mit höheren Frequenzen zu schwingen, mit oder ohne C7 und R6... ??
Johann R. schrieb: > Nach fast einem Monat Experimente habe ich festgestellt, es sei gar > nicht so einfach einen SEHR breitbandiger Oszillator (für Dipmeter) > aufzubauen. Gute Oszillatoren zu bauen ist eine Wissenschaft für sich und überhaupt nicht einfach, speziell wenn Anforderungen kommen wie Breitbandigkeit. Einfach ist ein Verstärker der manchmal schwingt und einfach ist auch ein Oszillator der meistens schwingt, schwer ist ein Oszillator der immer schwingt und ein Verstärker der nie schwingt. > Meine Frage ist wozu hier C7 und R6 sind überhaupt? Ich vermute dass es um die komplexe Anpassung geht, um die Schwingbedingung zu erfüllen.
Johann Rabe schrieb:
>Meine Frage ist wozu hier C7 und R6 sind überhaupt?
Die sind Überflüssig, warscheinlich wollte der Ersteller
damit die Belastung des Schwingkreises verringern und
damit die Betriebsgüte verbessern. C6 ist auch Überflüssig.
Wenn man C4 möglichst groß macht, vielleicht so 100pF
verbessert sich auch die Betriebsgüte. Durch das vergrößern
von C4 wird der Schwingkreis an die niedrige Eingangsimpedanz
des Transistors angepasst. Wenn C4 aber zu groß wird setzen
die Schwingungen irgendwann aus.
Johann R. schrieb: > gar > nicht so einfach einen SEHR breitbandiger Oszillator (für Dipmeter) > aufzubauen. Bis zu welcher Frequenz soll das denn spielen? Der BC547 ist schliesslich kein HF-Transistor. Ich plädiere ja immer noch für den genial einfachen Tunneldipper von Heathkit: http://www.rsp-italy.it/Electronics/Kits/_contents/Heathkit/Kits/Heathkit%20HM-10A%20tunnel%20dipper.pdf http://tubularelectronics.com/Heath_Manual_Collection/Heath_Manuals_H-HM/HM-10a/hm-10a_man.pdf Die Transistoren in der Schaltung dienen nur als DC-Verstärker, um das Anzeigeinstrument anzutreiben. Anstelle dieses Verstärkers wird man heute einfacher einen Micropower Opamp nehmen, der mit 1,5V auskommt. Die Schaltung läuft mit einer 1,5V Zelle bis (mindestens) 260MHz und der Oszillator besteht nur aus dem Drehko, der Schwingkreisspule, einem Vorwiderstand und natürlich einer Ge-Tunneldiode. Die Steckspulen haben einen koaxialen Stecker (ähnlich Cinch, aber etwas größer), dessen Mittelstift bei den AM-Bereichen etwas länger ist. Auf diese Weise wird dem FM-Drehko bei der Verwendung dieser Spulen der AM-Drehko automatisch parallel geschaltet.
Meine Version eines Dippers: Der Oszi ist extrem breit, so, dass ich nur 4 Spulen brauche um den Bereich von 1,5 bis 180MHz abzudecken. Wenn ich die Spulen exakter berechnet hätte, wäre ich auch mit 3 Spulen ausgekommen. Die Spulen haben keine Abgriffe und kommen deshalb mit 2-poligen Stecksystemen aus. Dazu habe ich aus defekten LED-Lampen mit GU10 Sockel einfach die Sockel missbraucht. Das Wechseln der Spulen geht damit ruck-zuck. Die abgegebene Spannung zur Anzeige ist über sehr weite Bereiche ziemlich konstant, sodass ich auf ein Poti für die Einstellung der Empfindlichkeit vezichtet habe. Der Drehkondensator mit 2X300pF stammt aus einem UKW-Modul welches bei Pollin für 5€ vertrieben wird. Ich habe mir das Teil nur wegen dem Drehko gekauft. Ebenso habe ich das Instrument zur Anzeige aus einem Sat-Finder recycled. Der Zähler ist ein billiges Teil vom Chinesen, auch nur so um 10€. Alles in allem, ein sehr nützliches Teil
Johann Rabe schrieb: >Ist das Strom-Hochpass? Die Schaltung neigt stark dazu mit höheren >Frequenzen zu schwingen, mit oder ohne C7 und R6... ?? Was meinst du damit? Ein Oszillator soll doch schwingen. Oder meinst du damit, daß der Oszillator instabil ist, und auf mehreren Frequenzen schwingt oder manchmal passiert es auch das er auch noch auf eine NF schwingt. Wenn das der Fall ist, dann ist der Oszillator falsch diemensioniert. So etwas passiert meistens wenn der Schwingkreis zu fest an den Verstärker gekoppelt ist oder der Aufbau ungünstig ist und ein parasitärer Schwingkreis entstanden ist. Die Frage der Dimensionierung taucht auch immer wieder auf. Algemein, was man bei jeder Oszillatorschaltung beachten sollte: Eine möglichst hohe Betriebsgüte anstreben, deshalb den Resonanzwiderstand des Schwingkreises nicht größer als die Verstärkerimpedanz machen, die Rückkopplung nicht zu fest machen, das bedämpft nur den Schwingkreis. Dann hat man einen stabilen Oszillator. Wenn man aber einen Oszillator mit großem Abstimmbereich bauen möchte ist man gezwungen die Rückkopplung etwas fester zu machen damit die Schwingungen beim durchstimmen nicht aussetzten. Beim Schaltplan von Lothar Mayer dient R1 und C4 warscheinlich dazu, damit die Rückkopplung frequenzabhängig ist, also mit höheren Frequenzen fester wird und dadurch der Oszillator in einem großen Frequenzbereich funktioniert.
Dieser Gateschaltung würde ich aber noch einen Cap vom Gate nach Masse spendieren. Die Idee der Gateschaltung ist ja gerade, dass das Gate HF-mässig an Masse liegt. Einen stabileren Oszi bekommt man m.E. aber mit der Drainschaltung, da dann durch kluge Beschaltung das Gates mit Kondensatoren eine Amplitudenregelung realisiert werden kann. Ein solcher Oszi kann dann durchaus nahezu über eine Oktave einen flachen Amplitudenverlauf haben :-)
Danke für die Antworten! Ich habe mich inzwischen im Internet schlau gemacht (zweite Schaltung von mir betrachten, es geht um R6): Wenn R6 zu klein ist, dominiert in Spannungsteiler R6/rbe rbe, und diese hat einen krummen Verlauf -> Verzerrungen treten auf. Die Schaltung ist dann spannungsgesteuert. Instabil oder keine Funktion als Folge... Macht man R6 größer (z.B. 10 kOhm), so bleibt die Amplitude am Eingang unverzerrt, und der Transistor wird mit dem Basisstrom angesteuert. Kaum Verzerrungen - Sinus pur, alles gut. Mit zunehmender Frequenz nimmt die Verstärkung ab. Da sinkt aber Blindwiderstand X(c7) und die Schaltung wird wieder von verzerrter Spannung angesteuert. C7 ganz auslassen - Funktioniert nichts mehr aber. Also muss ein Kompromiss getroffen werden. Bei mir ist in der Testphase C7 = 1,8pF. Ich experimentiere noch. Mein Dipmeter soll unbedingt ab 40 MHz laufen, und dann was das Zeug hält hoch mit der Frequenz. Es hätte sein können, dass bei höheren Frequenzen parallel zur (jeder) Spule ein Widerstand angeschaltet werden soll. Jedes mal ein andere. Je höher die Frequenz, umso kleinere Wert. Erste Richtwert 68-100 kOhm. Drehko werde ich wahrscheinlich durch Kapazitätsdioden ersetzen (BB_833 von reichelt.de, mehrere parallel). Ich bin aber noch am rumexperementieren.
Johann R. schrieb: > Wenn R6 zu klein ist, dominiert in Spannungsteiler R6/rbe > rbe, und diese hat einen krummen Verlauf -> Verzerrungen > treten auf. Die Schaltung ist dann spannungsgesteuert. Im Prinzip richtig. > Instabil oder keine Funktion als Folge... Wer behauptet sowas? > Macht man R6 größer (z.B. 10 kOhm), so bleibt die Amplitude > am Eingang unverzerrt, und der Transistor wird mit dem > Basisstrom angesteuert. Kaum Verzerrungen - Sinus pur, alles > gut. Das ist zwar im Prinzip richtig -- aber nur die halbe Wahrheit. Zum einen ist es bei HF nicht sehr sinnvoll, solche hohen Widerstandswerte zu wählen, weil die Streukapazitäten zunehmenden Einfluss gewinnen. (Einfach mal nachrechnen, welchen Schein- widerstand 1pF Streukapazität bei 100MHz hat.) Zum anderen lässt sich die Reduktion der Verzerrungen auch durch stärkere Emittergegenkopplung erreichen. Das hat noch die weiteren Vorteile, dass die Eingangsimpedanz steigt und der Amplitudenfrequenzgang der Transistorstufe gleichmäßiger wird. > Mit zunehmender Frequenz nimmt die Verstärkung ab. Da sinkt > aber Blindwiderstand X(c7) und die Schaltung wird wieder von > verzerrter Spannung angesteuert. Das ist zwar sachlich richtig, aber trotzdem albern: Um die Verzerrungen niedrig zu halten, koppelt man am Schwingkreis aus, z.B. mit einer kapazitiven Anzapfung. > Ich experimentiere noch. Mein Dipmeter soll unbedingt ab > 40 MHz laufen, und dann was das Zeug hält hoch mit der > Frequenz. Naja. Also dafür würde ich alles andere nehmen, aber keinen BC546. 2N3904 ist recht fix, BF199 noch etwas besser; beide schon selbst verwendet. BFS17, MPS5179 sind noch schneller (beide noch nicht selbst verbaut). Wenn Du richtig hoch hinaus willst: BFR96 o.ä.; der spielt bis (weit) über 300MHz. > Es hätte sein können, dass bei höheren Frequenzen parallel > zur (jeder) Spule ein Widerstand angeschaltet werden soll. > Jedes mal ein andere. Je höher die Frequenz, umso kleinere > Wert. Erste Richtwert 68-100 kOhm. Auch das würde ich nicht machen. Wer verschlechtert bei einem Oszillator künstlich die Kreisgüte? > Drehko werde ich wahrscheinlich durch Kapazitätsdioden > ersetzen (BB_833 von reichelt.de, mehrere parallel). Dann ist das Streben nach großem Abstimmbereich witzlos: Bau einfach mehrere Oszillatoren auf. Bei Abstimmung mit Drehko war großer Stellbereich sinnvoll, der Drehko ist groß und teuer. Bei Varicaps und Transistoren, die man heute als Schüttgut bekommt, ist das nicht sinnvoll. Abstimmbereich 1:2,5 ist schon ganz brauchbar, da wären Bereiche 40MHz bis 100MHz und 100MHz bis 250MHz denkbar. Über 250MHz muss man froh sein, wenn man 1:2 erreicht; unter 40MHz ist Abwärtsmischung sinnvoll. Damit geht dann 1MHz bis 40MHz in einem Bereich. Ganz allgemein fällt auf, dass Du sehr nach NF-Gesichtspunkten dimensionierst. Es ist in HF-Schaltungen nur in Ausnamefällen sinnvoll, im Signalpfad Widerstände deutlich größer als 1kOhm zu verwenden.
Johann Rabe schrieb: >Drehko werde ich wahrscheinlich durch Kapazitätsdioden ersetzen (BB_833 >von reichelt.de, mehrere parallel). Dann bekommst du noch mehr Probleme. Du bekommst damit nie so ein großen Abstimmbereich hin wie mit einem Drehko. Außerdem brauchst du eine hohe Abstimmspannung, weil die Abstimmspannung nicht kleiner als die Schwingkreisspannung sein darf, weil die Kapazitätsdioden nicht in den leitenden Zustand kommen dürfen. Die Verzerrungen der Schwingungen werden auch größer, wenn du es nicht symetrisch mit zwei Kapazitätsdioden machst. Warum machst du nicht die Abstimmbereiche kleiner, dann verringern sich die Probleme? Vergrößere mal in deiner Schaltung C4, oder schalte einen Kondensator parallel, so 100pF, dann wird die Betriebsgüte besser und die Rückkopplung verringert sich auch. Dann kannst du R6 verkleinern oder weglassen.
Hm... Tatsächlich; ich habe mit "BC547B" oder "NPN" alles simuliert gehabt, deswegen ist er im Schaltbild geblieben. Ich nehme eigentlich den BF959 (Transitfrequenz 1GHz oder so). Im HF bin ich Neuling, habt Ihr richtig erkannt. Aber ich weiß was Blindwiderstand ist. Zu Güte und Einstellbereich verkleinern ist folgendes: man hat bei Drehko mechanisch bedingt 180° Verstellmöglichkeit und angenommen 15 bis 340pF Bereich. So etwas ist für eine sehr ruhige Hand. Verstellt man Drehko rissig, so merkt man vielleicht nicht mal dass man Resonanzfrequenz drüber gefahren hat. Das ist wie dünne Nagel auf der geraden Amplituden/Frequenzgang, und keine Glocke mehr bei hohen Güten. Deswegen nehme ich bei den Tests schon mal andere Seite von Drehko: 5 bis 25pF. Selbst hier ist die Verstellung sehr empfindlich. Spannung für Varicap's: Ich werde Schaltwandler für fertiges Gerät brauchen, der die Spannung von (4x1,5V) 6V (immer) auf 12V oder so erhöht. Für genügend feine Abstimmung soll dann 10-Gang Poti eingesetzt werden. Varicaps, wenn sie schon da sind, erlauben zusätzlich FM-Modulation -> Testsender-Funktion. Man soll nur das Eingangssignal entsprechend anpassen und ankoppeln. Hat man eine niederfrequente Dreieckspannung an diesen Eingang angelegt, so geht im Bildbereich die Güte des Schwingkreises runter, weil sie über einen Fr.Bereich hin und her durchgestimmt wird, so dass der "Fang-Frequenzbereich" größer wird. Exakt in der Mitte des durchgestimmten Bereiches wäre der größte Ausschlag und bei Abweichungen davon immer kleiner. Die Parallelwiderstände zur Spule kan man dann natürlich auch weglassen. Außerdem soll ein Frequenzzähler eingebaut werden. Timer0 von PIC16F628 erlaubt bis zu 50MHz Eingangsfrequenz, was natürlich nicht reicht. Deswegen nehme ich ein Vorteiler-IC U813B. Dieser Chip hat Empfindlichkeit vom 10mV von 70MHz bis 1GHz, läuft in der Praxis aber auch mit Tieferen Frequenzen. Also mit 39MHz läuft er schon. Das ist ungefähre Idee. Aber davor muss natürlich das Herzstuck laufen (Oszillator). Es geht mir also nicht um die Kosten. Kosten aufgeteilt durch die Jahre des Betriebs eines Gerätes ist ausschlaggebend.
Lothar M. schrieb: > Alles in allem, ein sehr nützliches Teil Danke für deine Schaltung, die funktioniert ganz gut, auch mit BF959. Sie müsste eigentlich auch höhere Frequenzen ab. Ich werde bei meinem Dipmeter nur als Stecken den DIN-5 Stecker und Buchse nehmen ("MAS 50S" von reichelt). Sie lassen sich fest in 16mm-KuPa-Rohr aus dem Baumarkt anpassen. Man muss nur aus dem selben KuPa-Rohr einen ca.5mm langen Reduzierring abschneiden und seitig einen Schlitz von dem Durchmesser rausnehmen. Fixiert wird das ganze mit kleiner Schraube, die durch KuPa-Rohr und Reduzierring in den Stecker reingeschraubt wird. Die Stecker sind gut! Buchsen gibt es für Printmontage oder Einbau-. Im bild ist eine fertige Spule, Riduzierring einzeln, beide Buchsensorten.
Johann R. schrieb: > Danke für deine Schaltung, die funktioniert ganz gut, auch mit BF959. > Sie müsste eigentlich auch höhere Frequenzen ab. Freut mich, dass du damit Erfolg hast. Jo klar, die geht auchnoch höher, allerdings fällt dann die HF-Spannung etwas ab. Ich bin bei Experimenten auf 250MHz gekommen. Dann wird allerdings die Beschaltung zwischen Oszi-Drehko-Sockel bei mir zum Problem. Konnte ich alles nicht so kurz halten wie ich gerne mochte. Als Stecker kann man nehmen was man hat. Ich hatte eben ne Menge defekter LED-Lampen, da bot sich an, diese der Wiederverwertung zuzuführen. Für die Spulen habe ich von diesem Stangen-Verlegerohr einfach Stückchen abgeschnitten und mittels Epoxykleber in den Sockel geklebt. Hält wie´d Sau.....und ist auch noch gut zu handhaben. Die 16mm-Stücke passen genau in den Sockel. Im Prinzip kannst du am Spulenanschluss alles dran hängen was zwei Beine hat und elektr. leitfähig ist. Der Oszi schwingt immer. Dieser chinesiche Zähler hat einen 50Ω-Eingang und muss deshalb niederohmig an den Oszi angekoppelt werden, ohne diesen gross zu beeinflussen. Dazu bot sich der Emitter an, was auch hervorragend funzt. Feste Kopplung ohne Frequenzbeeinflussung. Viel Spass damit 73 de Lothar
> Viel Spass damit
Ich habe so eine Frage: Könntest du bitte die Spannung am Kollektor mit
rausgezogener Messspule nachmessen. Es geht mir um den Arbeitspunkt. Ich
messe bei mir über 2,7V, und komme nicht so weit mit den Frequenz hoch.
Die Aufbau lässt sich allerdings sehr zu wünschen -> Steckbaord halt.
Wenn ich die Spannung am Kollektor im "DC-Betrieb" habe, kann ich
einiges besser und schneller nachvollziehen.
Und noch ein Neugier der mich nicht schlafen lässt: Könntest du das
Innenleben deines Dipmeters auf einem Foto hier Verewigen bitte
(Oszillator habe priorität)? Viele Menschen könnten sich dadurch
vielleicht besser einschätzen.
Besten Dank im voraus!
Johann R. schrieb: > Könntest du bitte die Spannung am Kollektor mit > rausgezogener Messspule nachmessen. Es geht mir um den Arbeitspunkt. Die Spule ist über C3 und C5 rein kapazitiv angekoppelt, die hat keinen Einfluss auf den AP.
ArnoR schrieb: > Johann R. schrieb: >> Könntest du bitte die Spannung am Kollektor mit >> rausgezogener Messspule nachmessen. Es geht mir um den >> Arbeitspunkt. > > Die Spule ist über C3 und C5 rein kapazitiv angekoppelt, > die hat keinen Einfluss auf den AP. Die Spule selbst hat sicher keinen Einfluss auf den Ruhepunkt, aber vielleicht die Tatsache, ob der Oszillator schwingt oder nicht (--> Kennlinienkrümmung).
Possetitjel schrieb: > ArnoR schrieb: > >> Johann R. schrieb: >>> Könntest du bitte die Spannung am Kollektor mit >>> rausgezogener Messspule nachmessen. Es geht mir um den >>> Arbeitspunkt. >> >> Die Spule ist über C3 und C5 rein kapazitiv angekoppelt, >> die hat keinen Einfluss auf den AP. > > Die Spule selbst hat sicher keinen Einfluss auf den Ruhepunkt, > aber vielleicht die Tatsache, ob der Oszillator schwingt oder > nicht (--> Kennlinienkrümmung). Richtig! Oszillator soll dabei nicht schwingen, sonst misst man nicht ein PUNKT, sondern Gleichanteil + Mittelwert Wechselanteilen. Diese kann bei Verzerrungen abweichen von Arbeits-PUNKT.
Johann R. schrieb: > Könntest du bitte die Spannung am Kollektor mit > rausgezogener Messspule nachmessen. Jupp, da messe ich 4,7V Johann R. schrieb: > Könntest du das > Innenleben deines Dipmeters auf einem Foto hier Verewigen bitte oh weh.....quick and dirty zusammengebruzzelt. Alle Bastler kennen das, man will erstmal schnell was zusammenschustern um herauszufinden ob es geht, mit dar Absicht es danach in Reinform nochmal aufzubauen. Dazu kommt es dann aber nichtmehr...
Noch nachschieb: Johann R. schrieb: > komme nicht so weit mit den Frequenz hoch. Mit dieser Spule komme ich auf 175 MHz, mehr brauche ich nicht. Aber wenn ich die Spule weiter verkleinere, z.B. einfach einen Bügel in den Sockel stecke, dann komme ich über 200MHz, brauche ich aber nichtmehr.
Muss nochmal etwas nachschieben: Vielleicht ist mir mit dem BF311 ein reiner Glücksgriff gelungen. Der T hat eine fT von 750Mhz und eine Ausgangskapazität von nur 1,1pF, was eventuell erklären könnte, warum der so hoch hinaus will. http://www.semicon-data.com/pdf/Tf/BF/BF311.pdf Der T stammt noch aus alten Zeiten, ca. >30Jahre, als es unter jungen Leuten die elektronik-affin waren, gross in Mode war Hersteller anzuschreiben, man sei Student und würde zu Elektronik-Experimenten ihre Produkte einsetzen, ob da vielleicht eine Halbleiterspende möglich wäre. Man wurde daraufhin regelrecht zugeschüttet mit Transistoren und Dioden. Aus dieser Zeit habe ich hier immernoch einen Riesenbestand an Halbleitern, halt schon etwas in die Jahre gekommen. 73
Lothar M. schrieb: > Alle Bastler kennen das, man will erstmal schnell was zusammenschustern > um herauszufinden ob es geht, mit dar Absicht es danach in Reinform > nochmal aufzubauen. > > Dazu kommt es dann aber nichtmehr... Genau deswegen habe ich dich um ein Foto gebietet. Menschen, die ein Dipmeter nachbauen wollen werden, werden deine Fotos sehen und daraus lernen. So geht man die Sache ruhiger an, lässt sich mehr Zeit, versucht besser zu bauen. Mit 4,7V am Kollektor (Oszillator ohne Schwingung) bist du ziemlich genau in der Mitte von Betriebsspannung, und DAS ist eine sehr _wichtige Erkenntnis_. Diese Erkenntnis lässt andere "Bastler" mit anderen HF-Transistoren den Oszillator aufbauen. Es kann sogar sein, dass (wegen Exemplarstreuung) bei anderem BF311 auf anderen ende der Welt die Widerstände entsprächend angepasst werden müssen (Rc hauptsächlich). Ich würde ( Deine Schaltung betrachtet) erst mal den Basis-Zweig R2, R4, R5 übernehmen, Emitter und Kollektorwiderstand anpassen, wobei dein Emitterwiderstand eher als guter Richtwert dienen würde. Also Kollektorwiderstand bei bedarf so anpassen, dass Uc = Uversorgung/2 ist. Ganze HF-Geschichte wird später auf diesem Gerüst aufgebaut: Kondensatoren, Stecker für die Messspule... Als Aufbau bietet sich unter anderem "Ugly construction" im abgeschirmten Gehäuse (liefert gute Ergebnisse, wenn alles HF-korrekt ausgefüllt wurde und nimmt wenig platz). Das ist ein Aufbau ohne Platine. Alles hängt quasi in der Luft, ist abgeschirmt, Masse ist möglichst ein mechanischer Punkt u.s.w. Es gibt einiges darüber im Netz. Natürlich kann man auch Platine erstellen und Ätzen, oder wie bei Lothar Experimentelle Platinen benutzen. Man soll bloß nicht gegen HF-Aufbau-Ansichtsweisen gehen. Sonst ist ja nichts verboten. Ich bedanke mich bei Lothar noch man für schnelle Antwort, die Fotos und vor allem den Messwert.
Johann R. schrieb: > Mit 4,7V am Kollektor (Oszillator ohne Schwingung) bist du ziemlich > genau in der Mitte von Betriebsspannung, und DAS ist eine sehr _wichtige > Erkenntnis_. Du kannst R4 als z.B. 50k-Trimmer einsetzen, damit kannst du dann ganz bequem die Basisvorspannung, mithin auch die Kollektorspannung bestimmen. Somit kannst du alle Exemplastreuungen korrigieren. Johann R. schrieb: > "Ugly construction" Schau dir mein erste Konstruktion an, funktioniert genausogut wie der Nachfolger. Nein, ich schäme mich nicht
Ich sehe da gerade dass Drehko über Getriebe verfügt. Richtig? Wieviele Drehungen macht es den von Ausschlag zum Ausschlag?
Johann R. schrieb: > Geil! Butterdose? Ja Johann R. schrieb: > Ich sehe da gerade dass Drehko über Getriebe verfügt. Richtig? > Wieviele Drehungen macht es den von Ausschlag zum Ausschlag? 540°, eineinhalb mal rum. Der Drehko stammt von diesem Teil: https://www.pollin.de/p/fm-tuner-rft-4413-13-02-601026 ....und wie gesagt, das Instrument aus einem Sat.-Finder dazu noch dieser Zähler: http://www.ebay.de/itm/Hohe-Genau-Frequenzzahler-Prufvorrichtung-Mess-Meter-Profi-1-500MHz-/322694250800?hash=item4b22138130:g:Q3cAAOSwp5JWV06k Der Dipper ist ein Universal-Talent. Damit lassen sich auch ganz wunderbar Antennen auf Resonanz abstimmen. Mit dem Dipper habe ich auchschon Linearendstufen durchgestimmt. Ich wollte ihn nichtmehr missen. Ich finde, gerade angehend Amateurfunker sollten einmal im Leben solch ein Gerät gebaut haben. War schon zu Zeiten so, wo die Dinger Grid-Dipper hiessen. Mein erster noch mit Röhre. Viel Erfolg und Spass
Bitte melde dich an um einen Beitrag zu schreiben. Anmeldung ist kostenlos und dauert nur eine Minute.
Bestehender Account
Schon ein Account bei Google/GoogleMail? Keine Anmeldung erforderlich!
Mit Google-Account einloggen
Mit Google-Account einloggen
Noch kein Account? Hier anmelden.









