Hallo! Ich möchte mehrere 12V Relais mit einem Mikrocontroller schalten. Zuerst hab ich es mit Transistoren und einem Optokoppler versucht und hat auch funktioniert. Nun hab ich den ULN2802A(Darlington-Array) entdeckt und versuche es nun mit dem, da es viel platzsparender ist. Das Problem ist jedoch das die Relais auf GND geschalten werden und ich keine Möglichkeit mit dem Darlington-Array gefunden. Alle Schaltpläne die ich finde werden auf 12V geschalten. Meine Frage ist jetzt: Gibt es eine Möglichkeit die Relais mit dem Darlington-Array zu schalten? Oder gibt es ein anderes Bauteil mit dem es möglich ist? Den Schaltplan hab ich nur zur Veranschaulichung gezeichnet. Mit freundlichen Grüßen Alex
Alexander L. schrieb: > Gibt es eine Möglichkeit die Relais mit dem > Darlington-Array zu schalten? Nicht mit diesem, aber es gibt welche, die nach Plus schalten, z.B. UDN2982A, die sind bloss schwieriger zu bekommen. Georg
Alexander L. schrieb: > Hallo! > > Ich möchte mehrere 12V Relais mit einem Mikrocontroller schalten. Zuerst > hab ich es mit Transistoren und einem Optokoppler versucht und hat auch > funktioniert. Nun hab ich den ULN2802A(Darlington-Array) entdeckt und > versuche es nun mit dem, da es viel platzsparender ist. > > Das Problem ist jedoch das die Relais auf GND geschalten werden und ich > keine Möglichkeit mit dem Darlington-Array gefunden. Alle Schaltpläne > die ich finde werden auf 12V geschalten. > > Meine Frage ist jetzt: Gibt es eine Möglichkeit die Relais mit dem > Darlington-Array zu schalten? Oder gibt es ein anderes Bauteil mit dem > es möglich ist? > > Mit freundlichen Grüßen > Alex Es gibt auch Source Treiber wie den ULN2981 z.B. http://datasheet.octopart.com/A2982SLWTR-T-Allegro-datasheet-7562219.pdf Bei diesen können die Relais auf Masse liegen weil die Spannung geschaltet wird. Freilaufdioden sind mitintegriert. Allerdings weiß ich ohne Recherche nichts über deren Erhältlichkeit. Mfg, Gerhard
https://www.alibaba.com/product-detail/Electronic-Components-ULN2981_1677769041.html http://www.tij.co.jp/jp/lit/ds/slvs867b/slvs867b.pdf Es gibt auch serielle Source Treiber. Die müßte man mit SPI oder I2C ansteuern: http://www.ti.com/lit/ds/symlink/tpic2810.pdf Allerdings sind keine Relais Freilaufdioden mitintegriert. Obwohl nicht offiziell als Relais Treiber vermarktet funktioniert dieser einwandfrei mit kleinen Relais auch wenn der Hersteller das nicht so ausdrückt:-). Ich verwende diese TPIC2810 sehr oft und sie sind leicht erhältlich. Ansteuerung ist, wer sich mit I2C auskennt, recht einfach. Der -G Eingang sollte als Failsafe (Watchdog) beschaltet werden, so daß bei Fehlfunktion oder Ganzausfahl des uC keine gefährlichen Schaltzustände der Relais eintreten können. Das gilt natürlich allgemein. Aber halt nicht vergessen sich darüber Gedanken zu machen. Über 40V schützen sich die Ausgangsfets durch eingebaute DG Zenerdioden. Trotzdem ist eine Relais Schutzdiode unerläßlich. Den 74HC595 gibt es auch mit Hochvoltigen Ausgängen. Mir fällt aber die Bezeichnung nicht ein.
Alexander L. schrieb: > Das Problem ist jedoch das die Relais auf GND geschalten werden und ich > keine Möglichkeit mit dem Darlington-Array gefunden. Alle Schaltpläne > die ich finde werden auf 12V geschalten. Welchen Grund gibt es die Relais nicht gegen GND zu schalten? Die 12 Volt für die Relais benötigst Du doch auf jeden Fall, auch wenn sie aus dem Chip kommen.
Danke für die ganzen Antworten! Werde mal schauen ob es sowas vielleicht auch lokal in einem Laden gibt. Eine Frage hab ich noch: Muss ich irgendetwas beachten beim erstellen des Schaltplanes, da es sich um Induktivitäten handelt. Oder reichen die integrierten Freilaufdioden?(zB: bei dem UDN2981)
Beitrag #5256504 wurde von einem Moderator gelöscht.
Alexander L. schrieb: > Eine Frage hab ich noch: Muss ich irgendetwas beachten beim erstellen > des Schaltplanes, da es sich um Induktivitäten handelt. Oder reichen die > integrierten Freilaufdioden?(zB: bei dem UDN2981) Nein, Du brauchst nichts weiteres tun, die Dioden reichen.
Alexander L. schrieb: > Oder reichen die > integrierten Freilaufdioden?(zB: bei dem UDN2981) Du kannst zusätzliche Freilaufdioden anbringen nahe am Relais, wenn du sehr lange Leitungen dahin hast (> 1m). Georg
Alexander L. schrieb: > Danke für die ganzen Antworten! Du bist noch eine Antwort schuldig? Jörg R. schrieb: > Welchen Grund gibt es die Relais nicht gegen GND zu schalten? Die 12 > Volt für die Relais benötigst Du doch auf jeden Fall, auch wenn sie aus > dem Chip kommen. Es ergeben sich noch weitere Fragen: Wozu der Optokoppler? Ein ULN2803A kann direkt vom Arduino angesteuert werden. Eine galvanische Trennung hast Du nur wenn die Relaisseite eine eigene Stromversorgung hat und die GND nicht verbunden werden. Auf der Lastseite kann durch den Relaiskontakt die galvanische Trennung erfolgen. Was soll denn geschaltet werden? Ist die Led nur stellvertretend als Last eingezeichnet?
Solange alles auf einer Platine passiert, kannst du die Optokoppler weglassen und auch GND schalten. Wenn auf der 12V Seite höhere Ströme über GND fliessen und man GND schaltet, bekommen die Treiber mit Optokopplern ein saubereres Eingangssignal - ein Grund, Plus zu schalten. Der andere Grund sind Kurzschlüsse in der Verdrahtung zu den Relais. Dabei sind Kurzschlüsse nach GND wahrscheinlicher, besonders im Schaltschrank mit geerdetem GND. Wenn man GND schaltet, schliesst man entweder das 12V-Netzteil kurz (blöd für die Fehlersuche), oder man schaltet das Relais unfreiwillig ein (meistens sehr unerwünscht). Wenn man Plus schaltet, passiert am einen Spulenende garnichts, am anderen Ende schliesst man den Treiberausgang kurz. Mit einem vernünftigen Treiber funktioniert diese eine Funktion nicht mehr, mit einem guten Treiber gibt es eine exakte Fehlermeldung. Da fällt die Wahl leicht.
Jörg R. schrieb: > Welchen Grund gibt es die Relais nicht gegen GND zu schalten? Die 12 > Volt für die Relais benötigst Du doch auf jeden Fall, auch wenn sie aus > dem Chip kommen. Auf meiner Platine haben alle Relais einen gemeinsamen GND und wenn 12V an der Spule anliegen schaltet das Relais. Den Optokoppler hab ich da die Relais nicht nur vom Arduino geschalten werden. Ein Timer(TLC555) kann die Relais auch schalten. Die Relais, welche ich mit dem Arduino schalten möchten, schalten 230V LED-Scheinwerfer. Die Schaltug mit den Relais funktioniert, der Teil mit dem Arduino ist ein Zusatz. Bin mir jedoch nicht sicher ob ich den Optokoppler benötige, allerdings hab ich die Optokoppler schon zuhause. Hoffe man versteht es. Den Schaltplan hab ich gezeichnet damit es verständlicher ist. Es ist nicht der Original-Schaltplan.
eagle user schrieb: > Solange alles auf einer Platine passiert, kannst du die Optokoppler > weglassen und auch GND schalten. Wenn auf der 12V Seite höhere Ströme > über GND fliessen und man GND schaltet, bekommen die Treiber _mit_ > Optokopplern ein saubereres Eingangssignal - ein Grund, Plus zu > schalten. Es ist nicht auf der selben Platine, jedoch im selben Kasten und wird mit ca. 10cm langen Leitungen verbunden. > Der andere Grund sind Kurzschlüsse in der Verdrahtung zu den Relais. > Dabei sind Kurzschlüsse nach GND wahrscheinlicher, besonders im > Schaltschrank mit geerdetem GND. Wenn man GND schaltet, schliesst man > entweder das 12V-Netzteil kurz (blöd für die Fehlersuche), oder man > schaltet das Relais unfreiwillig ein (meistens sehr unerwünscht). > > Wenn man Plus schaltet, passiert am einen Spulenende garnichts, am > anderen Ende schliesst man den Treiberausgang kurz. Mit einem > vernünftigen Treiber funktioniert diese eine Funktion nicht mehr, mit > einem guten Treiber gibt es eine exakte Fehlermeldung. Da fällt die Wahl > leicht. Die Platinen wurden gefräst und sind schon vorhanden. Somit kann ich dort nichts mehr ändern und der Teil mit dem Arduino und dem Schalten der Relais ist nur eine Zusatz.
Das passt schon, ich wollte dich nicht zu irgendwas überreden. Das sollte nur eine Erklärung sein, warum jemand lieber Plus schaltet.
georg schrieb: > Alexander L. schrieb: >> Oder reichen die >> integrierten Freilaufdioden?(zB: bei dem UDN2981) > > Du kannst zusätzliche Freilaufdioden anbringen nahe am Relais, wenn du > sehr lange Leitungen dahin hast (> 1m). > > Georg Du hast die Funktion der Freilaufdiode nicht verstanden!
hinz schrieb: > Du hast die Funktion der Freilaufdiode nicht verstanden! Auf solche Dummheiten und Beleidigungen gehe ich nicht mehr ein. Georg
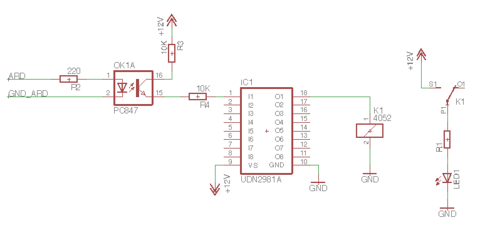
Habe den UDN2981 heute bekommen und hat funktioniert. Dabei hab ich noch ein Bild wie ich es aufgebaut habe. Hoffe es passt so. Nochmals danke für die Tipps!
Alexander L. schrieb: > Dabei hab ich noch > ein Bild wie ich es aufgebaut habe. Hoffe es passt so. Es fehlt noch ein Pull-Down-Widerstand zwischen Eingang und GND. Denn: lt. Innenschaltung (http://www.farnell.com/datasheets/58047.pdf) geht der Eingang über einen Widerstand direkt auf die Basis des Eingangstransistors. Nichts sorgt dafür, das der Reststrom des Optokopplers abgeleitet wird und der Transistor nicht doch unkontrolliert angesteuert wird. Das Datenblatt nennt zwar den Reststrom des Ausgangs, aber nur bei Vin=0,4V. Und das kannst Du ohne Pull-Down nicht sicherstellen. Alternative: Pull-Up am Eingang und Optokoppler gegen GND. Dann ist die Logik allerdings invertiert und der Optokoppler muss besser durchschalten. Da ist aber eine Frage der Dimensionierung; der Pull-Up darf z.B. erheblich hochohmiger als 10kΩ sein.
Dietrich L. schrieb: > Nichts sorgt dafür, das der Reststrom des > Optokopplers abgeleitet wird Stimmt schon, aber dazu die Frage an den TO: die Logik ist galvanisch getrennt von der Relais-Treiberschaltung, die Relais stellen eine weitere galvanische Trennung von den verbrauchern dar. Ist diese doppelte Trennung notwendig? Bei Ansteuerung des Treibers mit einer Logikschaltung ist kein Pullirgendwohin notwenig, weil es sich um Push-Pull-Ausgänge handelt, ein Optokoppler ist halt nur ein Open Kollektor-Ausgang. M.a.W. man könnte womöglich nicht nur die Pulldowns, sondern auch die Optokoppler weglassen. Georg
@Alexander Leber (dotti3) >Ich möchte mehrere 12V Relais mit einem Mikrocontroller schalten. Zuerst >hab ich es mit Transistoren und einem Optokoppler versucht und hat auch >funktioniert. Das ist Unfug. Man braucht keine doppelte galvanische Trennung, auch wenn das einige Relaiskarten aus China so machen. >Das Problem ist jedoch das die Relais auf GND geschalten werden und ich >keine Möglichkeit mit dem Darlington-Array gefunden. Alle Schaltpläne >die ich finde werden auf 12V geschalten. Glaub ich keine Sekunde. Es gibt tausende Schaltungen, wo ein ULN Relais schaltet.
Dietrich L. schrieb: > Es fehlt noch ein Pull-Down-Widerstand zwischen Eingang und GND. Danke für den Hinweis! Habe ein neues Bild angehängt. Würde es so passen? Und auch das es 10k Ohm sind? Falk B. und Dietrich L. schrieben im Beitrag #5273495: > Das ist Unfug. Man braucht keine doppelte galvanische Trennung Die Relais werden nicht nur vom Arduino geschalten, sondern hauptsächlich von einem Timer(TLC555). Deshalb dachte ich, ich nehm einen Optokoppler. Ist es unnötig?
@Alexander Leber (dotti3) >Danke für den Hinweis! >Habe ein neues Bild angehängt. Würde es so passen? Und auch das es 10k >Ohm sind? Kann man machen, ist aber Unsinn. >> Das ist Unfug. Man braucht keine doppelte galvanische Trennung >Die Relais werden nicht nur vom Arduino geschalten, sondern >hauptsächlich von einem Timer(TLC555). Deshalb dachte ich, ich nehm >einen Optokoppler. Ist es unnötig? Absolut! Ein NE555 unterscheidet sich elektrisch nicht sonderlich von einem Logikausgang, der ist genauso massebezogen wie alle anderen. Und warum willst du krampfhaft die Relais mit +12V schalten? Das macht man nur, wenn die Relais aus zwingenden Gründen einseitig mit GND verbunden sind, z.B. in der SPS- oder KZF-Technik.
Alexander L. schrieb: > Ich möchte mehrere 12V Relais mit einem Mikrocontroller schalten. Zuerst > hab ich es mit Transistoren und einem Optokoppler versucht und hat auch > funktioniert. Nun hab ich den ULN2802A(Darlington-Array) entdeckt und > versuche es nun mit dem, da es viel platzsparender ist. Jetzt lass uns mal die Fehlersuche etwas professioneller angehen! Also, du möchtest ein Relais schalten mit 12V. OK. Das Relais wird über den ULN geschaltet. Frage: Wo sind am ULN die 12V? Die 12V sind nur über den Widerstand am Optokoppler. Würde dies ausreichen, würde aber der ULN überflüssig werden! Somit könntest du gleich den ULN weglassen. Alternativ: Optokoppler-Ausgang (Emitter des Transistors) gegen Masse. Kollektor des Transistors mit dem Relais verbinden. Das Relais mit 12V. Wichtig: Eine Spule erzeugt beim Abschalten eine Gegeninduktion, dessen Spannung dir den Optokoppler killt. Da muss noch eine "Freilaufdiode" rein. Ob die Schaltung so geht, musst du durch lesen des Optokoppler-Datenblattes lesen (wie viel Strom kann der Tranbsistor) und den Verbrauch der Relaispule (wie viel zieht die Spule bei 12V). Wenn der Transistor mehr kann als die Spule benötigt, alles ohne ULN machen.
Falk B. schrieb: > Kann man machen, ist aber Unsinn. Dann so, als Basiswiderstand?(Siehe Anhang) Die 10k Ohm stimmen wahrscheinlich nicht, die hab ich noch nicht bearbeitet. >> Das ist Unfug. Man braucht keine doppelte galvanische Trennung > Absolut! Ein NE555 unterscheidet sich elektrisch nicht sonderlich von > einem Logikausgang, der ist genauso massebezogen wie alle anderen. Und > warum willst du krampfhaft die Relais mit +12V schalten? Das macht man > nur, wenn die Relais aus zwingenden Gründen einseitig mit GND verbunden > sind, z.B. in der SPS- oder KZF-Technik. Wenn sie mit dem gleichen GND verbunden sind, sind sie doch nicht Galvanisch getrennt, oder? Bei den Relais, haben Spule und Wechsler den gleichen GND. Beim Optokoppler hat die Dioden-Seite den GND vom Arduino und auf der Transistor-Seite der GND der 12V, welche nicht verbunden sind. Und der Grund, warum es 12V Relais sind ist, dass es die Platine schon vor ein paar Jahren gebaut wurde. Das die Relais mit dem Arduino geschalten werden ist eine nachträgliche Funktion. Alex W. schrieb: > Also, du möchtest ein Relais schalten mit 12V. OK. > Das Relais wird über den ULN geschaltet. Frage: Wo sind am ULN die 12V? Ich verwende jetzt den UDN2981(Siehe Anhang). > Wichtig: Eine Spule erzeugt beim Abschalten eine Gegeninduktion, dessen > Spannung dir den Optokoppler killt. > Da muss noch eine "Freilaufdiode" rein. Die Freilaufdioden sind im UDN2981 integriert.
@Alexander Leber (dotti3) >> Kann man machen, ist aber Unsinn. >Dann so, als Basiswiderstand?(Siehe Anhang) Nein! Die Schaltung an sich war schon richtig, das Gesamtkonzept aber eher unsinnig. >Wenn sie mit dem gleichen GND verbunden sind, sind sie doch nicht >Galvanisch getrennt, oder? Nein. > Bei den Relais, haben Spule und Wechsler den >gleichen GND. Wer sagt denn sowas? Bei einem Relais sind Steuerspule und Schaltkontakt IMMER galvanisch getrennt! Weshalb man mit denen auch wunderbar 230V Netzspannung schalten kann, wenn das Relais dafür gebaut ist (innere und äußere Isolationsabstände). >Beim Optokoppler hat die Dioden-Seite den GND vom Arduino >und auf der Transistor-Seite der GND der 12V, welche nicht verbunden >sind. Ja, aber hier vollkommen nutzlos.
Beitrag #5273814 wurde von einem Moderator gelöscht.
Alexander L. schrieb: > Dann so, als Basiswiderstand?(Siehe Anhang) Du kannst wohl mit dem Begriff "Pull-Down-Widerstand" nichts anfangen? Einen Basiswiderstand hat der Treiber-IC bereits eingebaut. Einen zusätzlichem Widerstand kann man vorsehen, um den Eingangsstrom bei 12 V zu reduzieren, du brauchst ja sowieso nicht annähnernd die volle Leistung des Treibers. Georg
Alexander L. schrieb: > Wenn sie mit dem gleichen GND verbunden sind, sind sie doch nicht > Galvanisch getrennt, oder? Wenn das so ist, dann erklär doch bitte mal, wozu du die Optokoppler brauchst. Es wird immer undurchsichtiger was du vorhast. Georg
Tut mir Leid!!! Hab mich mit meinen Schaltungen selbst verwirrt. Hab an der Spule 12V und am Wechsler 230V! Jetzt versteh ich das auch mit der doppelten galvanischen Trennung. Also kann ich den GND vom Arduino mit dem GND der 12V zusammenschließen und den Optokoppler weglassen?
Alexander L. schrieb: > ...und den Optokoppler weglassen? Wissen wir nicht. Die Frage nach dem OK habe ich oben schon gestellt. Deine Antwort: Alexander L. schrieb: > Den Optokoppler hab ich da die Relais nicht nur vom Arduino geschalten > werden. georg schrieb: > Es wird immer undurchsichtiger was du vorhast. Das stimmt leider. Der Thread ist mittlerweile so unübersichtlich, man weiß gar nicht mehr wo man noch ansetzen soll.
Alexander L. schrieb: > Also kann ich den GND vom Arduino mit dem GND der 12V zusammenschließen > und den Optokoppler weglassen? Der UDN braucht eine Eingangsspannung von 2,4 V, um durchzuschalten, der kann also von einem Arduino-Ausgang direkt gesteuert werden. Das gilt natürlich genauso für einen ULN2803A (NICHT 2802A), der schaltet dann die Relais gegen GND wenn 2,4 V anliegen. Ob an der 12-V-Versorgung oder an GND geschaltet wird ist einer Relaisspule vollkommen egal, die Schaltungen mit ULN2803A und UDN2981A sind gleichwertig, wenn man vom persönlichen Geschmack absieht. Wenn du unbedingt 8 Optokoppler irgendwie verbraten willst, dann mach das halt. Georg
Jörg R. schrieb: > Der Thread ist mittlerweile so unübersichtlich, man weiß gar nicht mehr > wo man noch ansetzen soll. Werde alles erneut aufschreiben wie weit ich jetzt gekommen bin. Ich habe eine Platine(Die schon älter ist), auf der befinden sich ein paar Relais. Die Relais werden vom Timer(TLC555) geschalten, bzw. ein Bewegungsmelder setzt den Timer und solange schalten die Relais. Die Relais schalten wenn an der Spule 12V anliegen. Zusätzlich möchte ich die Relais mit dem Arduino schalten können. Da sie 12V schon vorhanden sind wollte ich ursprünglich mit einem Transistor die 12V schalten. Dann hab ich vom Darlington Array etwas gelesen, und da es viel Platzsparender ist die die Freilaufdioden schon integriert sind, wollte ich es damit machen(War der ULN2802A). Dann hat mir ihr jemand den UDN2981A gezeigt. Mit dem hab ich dann ein wenig herumprobiert und der angefügte Schaltplan ist dabei entstanden(Der mit Optokoppler). Bei den Optokopplern hab ich mir gedacht das es vielleicht sicherer für den Arduino ist. Jedoch werde ich die Optokoppler weglassen(Siehe zweiter Schaltplan ohne Optokoppler). R1 soll der Pull-down Widerstand sein, hoffe er passt so. Hoffe das macht den Thread wieder übersichtlicher.
das bedeutet du gibst 12V auch auf den Timer rückwärts vom UDN ohne Entkopplung durch Dioden? Das ist grober technischer Unfug! wenigstens solltest du das Schaltbild komplett zeigen, ein Timmer 555 besteht ja nicht nur aus einem Pin!
Alexander L. schrieb: > Ich habe eine Platine(Die schon älter ist), auf der befinden sich ein > paar Relais. Die Relais werden vom Timer(TLC555) geschalten, bzw. ein > Bewegungsmelder setzt den Timer und solange schalten die Relais. Die > Relais schalten wenn an der Spule 12V anliegen. Muss die ältere vorhandene Platine denn benutzt werden? Den Bewegungsmelder kann der Arduino auch auswerten und ein Relais für eine Zeit X schalten. Dann würden die 555 entfallen.
@Alexander Leber (dotti3) >Ich habe eine Platine(Die schon älter ist), auf der befinden sich ein >paar Relais. Die Relais werden vom Timer(TLC555) geschalten, bzw. ein >Bewegungsmelder setzt den Timer und solange schalten die Relais. Die >Relais schalten wenn an der Spule 12V anliegen. >Zusätzlich möchte ich die Relais mit dem Arduino schalten können. Schön, daß diese nicht ganz nebensächliche Information es noch in die Diskussion geschafft hat. Potius sero quam num quam. ;-) Siehe Netiquette. >sein, hoffe er passt so. Nö. Wenn ein Verbraucher aus 2 Quellen geschaltet werden soll, muss man die entkoppeln. Siehe Anhang. Durch die Entkopplung der Schalter braucht man wieder eine diskrete Freilaufdiode. Aber wozu das Ganze? Warum soll der NE555 das Relais schalten UND der Arduino? Man kann die gesamte Steuerfunktion in den Arduino packen.
Hier ist noch mehr Schaltplan. Dacht das mit dem Timer sei nicht so wichtig. Den gesamten Schaltplan müsste ich als Eagle-Datei hochladen. Das Ziel ist, wie Falk B. schon geschrieben hat, das Relais mit 2 Quellen zu Schalten. Timer1.png: L-IN-1 ist der Eingang, wenn der Bewegungsmelder etwas erkennt liegen da 12V an. Und setzt den Timer durch A2. L-OUT1-1 und L-OUT1-2 sind die Ausgänge(Ein Bewegungsmelder kann 2 Lichter schalten), bleiben solange auf 12V bis der Timer abgelaufen ist. Das ist die Leitung die zum Relais führt welches geschalten werden soll(Timer555). Timer2.png: Ist der Timer den es so zu kaufen gab/gibt. Jörg R. schrieb: > Muss die ältere vorhandene Platine denn benutzt werden? Ja, es soll dauerhaft laufen. Der Arduino dient nur dazu hin und wieder manuell das Licht einzuschalten. ZB. im Winter wenn früh dunkel wird. Falk B. schrieb: > Nö. Wenn ein Verbraucher aus 2 Quellen geschaltet werden soll, muss man > die entkoppeln. Siehe Anhang. Danke für den Schaltplan! Dass wusste ich nicht, werde die Freilaufdioden noch hinzufügen.
Überdenke das ganze Konzept nochmals. Die Pläne erschließen sich mir nicht. Da sind soviele Ungereimtheiten drin die nach Erklärung suchen. Die Verbraucher liegen zwischen +12 Volt, die werden nie eingeschaltet. Relais A2 (warum nicht A1?) schaltet A3. A3 schaltet A4. ??? An vielen Stellen liest man -12 Volt. Damit ist wohl GND gemeint. usw, usw...... Alexander L. schrieb: > Jörg R. schrieb: >> Muss die ältere vorhandene Platine denn benutzt werden? > > Ja, es soll dauerhaft laufen. Das würde eine neue durchdachte Platine auch. Der Arduino dient nur dazu hin und wieder > manuell das Licht einzuschalten. ZB. im Winter wenn früh dunkel wird. Ein Arduino soll über eine LDR bei Bedarf und Dunkelheit schalten. Wozu der Arduino? Das geht auch einfacher. Es bleibt undurchsichtig und verworren? Ein Arduino, ein LDR und ein Bewegungsmelder lösen das Problem. Dazu die Relais mit Treibern und fertig....? Die Relais am besten in 5 Volt Ausführung, dann werden die 12 Volt nicht benötigt.
Bitte melde dich an um einen Beitrag zu schreiben. Anmeldung ist kostenlos und dauert nur eine Minute.
Bestehender Account
Schon ein Account bei Google/GoogleMail? Keine Anmeldung erforderlich!
Mit Google-Account einloggen
Mit Google-Account einloggen
Noch kein Account? Hier anmelden.








