Forum: Analoge Elektronik und Schaltungstechnik Hilfe bei dieser schaltung


von Alex S. (alexsrb)


Angehängte Dateien:

Lesenswert?

Hallo kann mir jemand vllt die schaltung hier erklären? Ich kapiere nich 
was genau jeweils die kondensatoren einzeln machen. Ih bitte um eure 
hilfe.

von Felix (Gast)


Lesenswert?

Zum Experimentieren lohnt sich hier vielleicht das Tool LTSpice von 
Linear Technology (kostenlos).

Unter www.linear.com findet es sich. Damit lässt sich diese Schaltung 
simulieren und Spannungen, Ströme und vieles mehr "digital" betrachten.

Eine Texterklärung in Kurzform ist zwar ein erster Ansatz, aber zu sehen 
wie das tickt könnte hilfreicher sein.

Ich vermute, dass es eine Blinkschaltung ist, aber mehr könnte ich jetzt 
dazu leider nicht sagen...

von Felix (Gast)


Angehängte Dateien:

Lesenswert?

Hier von mir "mal schnell" eine LTspice-Datei zum Spielen.

von Mark S. (voltwide)


Lesenswert?

Das ist eine RC-Phasenschieber-Schaltung, also ein Blinker.

von michael_ (Gast)


Lesenswert?

Aber interessant.
Kannte ich noch nicht. Man lernt nie aus.
Blinkt das wirklich?

von pegel (Gast)


Angehängte Dateien:

Lesenswert?

Die LED Sinust. ;)

Die blaue Linie ist der Strom durch die LED.

von Alex S. (alexsrb)


Angehängte Dateien:

Lesenswert?

Kann mir bitte jemand diese schaltung erklären? Ich kapiere nicht was 
die einzelnen kondensatoren genau machen, vorallem nicht der unten 
rechts.

von hinz (Gast)


Lesenswert?


von Manfred (Gast)


Lesenswert?

Alex S. schrieb:
> Ich kapiere nicht

.. dass ich eine Nervensäge bin!

von Ben B. (Firma: Funkenflug Industries) (stromkraft)


Lesenswert?

Tja, was macht eine Schaltung mit einer einzelnen LED... Entweder 
blinken oder blitzen (oder abrauchen), mehr geht ja nicht.

von Frank L. (hermastersvoice)


Lesenswert?

wenn Grundschüler anfangen sich mit Elektronik zu befassen, dann haben 
sie natürlich ein paar Fragen...

von Toxic (Gast)


Angehängte Dateien:

Lesenswert?

Alex S. schrieb:
> Kann mir bitte jemand diese schaltung erklären?

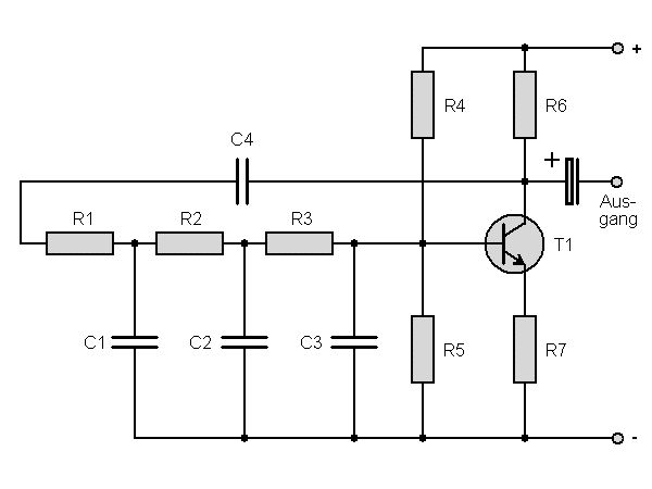
Um die Schaltung zu verstehen,musst du etwas ueber Grundlagenkenntnissen 
verfuegen.Leider ist sie zudem unuebersichtlich gezeichnet,so dass es 
das Erklaeren nicht vereinfacht - sieh dir den Anhang an,um eine andere 
Ansicht der Schaltung zu bekommen.
Die Schaltung ist ein simpler Sinusoszillator,dessen wesentliche 
Hauptbestandteile 3 RC-Glieder und ein Transistor sind:

Dir muss folgendes klar sein => die 3 RC-Glieder sorgen fuer eine 
Phasenverschiebung von 180 Grad zwischen angelegter 
Eingangsspannung(welches die Kollektorspannung ist) und 
Ausgangsspannung(die Spannung die an der Basis ankommt).Der Transistor 
selbst hat eine eine Phasenverschiebung von 180 Grad.

Es passiert folgendes:aendert sich die Spannung an der Basis,aendert 
sich auch die Kollektorspannung.Die Kollektorspannung wird ueber die 3 
RC-Glieder wieder an die Basis zurueckgefuehrt=> es handet sich hierbei 
um eine Mitkopplung,da die 180Grad Phasenverschiebung des Transistors 
durch die weitere 180Grad Phasenverschiebung der RC-Glieder zu einer 
gesamten Phasenverschiebung von 360 Grad fuehrt,was gleichzusetzen ist 
mit 0 Grad-die Schaltung schwingt.Aufgrund der Led,wird es keine saubere 
Sinusschwingung werden,aber sie oszilliert und ist gut genug fuer deine 
Anwendung.

http://www.electronics-tutorials.ws/oscillator/rc_oscillator.html

von Matthias S. (Firma: matzetronics) (mschoeldgen)


Lesenswert?

Hier ist die Schaltung erklärt:
http://elektroniktutor.de/signalkunde/rc_osz.html

von Klaus R. (klara)


Lesenswert?

Hallo,
ich versuche es mal.
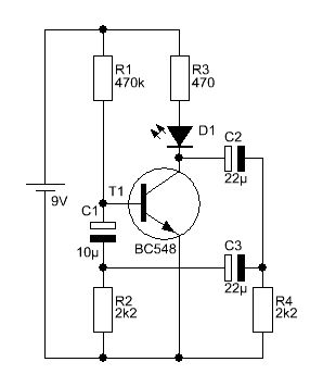
Wird der Strom eingeschaltet, muss sich C1 zuerst einmal aufladen. R1 
mit 470K und R2 mit 2,2K bilden einen Spannungsteiler, der nie die 
nötigen 0,6V für die Basis-Emitterspannung liefern könnte. Der Strom 
über R1 mit 470K ist sehr klein, grob 0,2mA. Über R3 mit 470 Ohm könnten 
ganz grob gesehen 20mA fliessen.
Direkt nach dem Einschalten der Versorgungsspannung fließt als kein 
Basisstrom und deswegen leitet der Transistor auch nicht.
***) Aber es fließt ein Strom über R3, die LED D1, C2 und R4. Ebenso 
über C2, C3 und R2. Dieser Strom nimmt aber mit zunehmender Ladung von 
C2 und auch C3 ab. Es ist eine typische Ladekurve von Kondensatoren.
Der Strom durch C3 zeugt eine Spannung an R2. Gleichzeitig wird dadurch 
das Spannungspotential an der Basis des Transistors angehoben, denn es 
erfolgt durch C1 eine Ladungsverschiebung.
Wenn die Basis-Emitterspannung die 0,6V erreicht hat, fängt der 
Transistor an leiten. Es fließt dann von Kollektor zum Emitter ein 
Strom. Ist der Transistor durchgeschaltet, so fließt der Strom über R3, 
die LED zum Transistor. Gleichzeitig wird C2 und C3 mit der typischen 
Entladekurve einer Kapazität entladen.
Der Strom durch C3 fließt jetzt umgekehrt und zieht aus C1 dadurch 
wieder Ladung heraus. Die Basis-Emitterspannung fällt unter 0,6V. Der 
Transistor sperrt.
Jetzt geht es bei ***) wieder weiter.
mfg Klaus

Für die Experten: Ja, ich habe einige Details bewußt übergangen.

von Alex S. (alexsrb)


Lesenswert?

@ Toxic (Gast)  Ich Danke dir

@Klaus Ra. (klara)


Echt Hammer erklärt, du hast mir mit deiner Antwort weitergeholfen, 
jetyt weiss ich wie es ungefähr funktioniert.


wünsche euch allen noch ein Guten Rutsch

von Alex S. (alexsrb)


Lesenswert?

Ne Frage


Entladet siche eigentlich ein Kondensator von + nach minus nachdem er 
voll Aufgeladen ist

von Teo D. (teoderix)


Lesenswert?

Alex S. schrieb:
> Entladet siche eigentlich ein Kondensator von + nach minus nachdem er
> voll Aufgeladen ist

Jetz wirds (T)Drollig.

><())°>

von Alex S. (alexsrb)


Lesenswert?

@Klaus Ra. (klara)

von wo genau bekommt C3 die spannungszufuhr?

von Alex S. (alexsrb)


Lesenswert?

verstehe muss erst wissen wie die RC-Phasenschieber-Schaltung 
funktioniert, leider finde ich leider kein Passendes Video bei Youtube 
das es mir erklärt, leider kann ich schwer kapieren was in Wikipedia 
steht.


vielleicht kann mir hier einer es genau zeigen, wäre sehr Dankbar.

von Teo D. (teoderix)


Lesenswert?

Alex S. schrieb:
> vielleicht kann mir hier einer es genau zeigen, wäre sehr Dankbar.

Matthias S. schrieb:
> Hier ist die Schaltung erklärt:
> http://elektroniktutor.de/signalkunde/rc_osz.html

Teo D. schrieb:
>><())°>

von Joachim B. (jar)


Lesenswert?

Alex S. schrieb:
> verstehe muss erst wissen wie die RC-Phasenschieber-Schaltung
> funktioniert

es muss nicht immer Video sein, man kann viel besser lernen durch lesen

http://elektroniktutor.de/signalkunde/rc_osz.html
http://elektroniktutor.de/analogtechnik/allpass.html
https://de.wikipedia.org/wiki/Phasenschieber

von Alex S. (alexsrb)


Lesenswert?

Joachim B. (jar)

Ich Versuche es durch Lesen zu kapieren, Video dazu kann ich eh nicht 
finden bei youtube.


Frage

Wenn ich 2 Kondensatoren in Reihe Schalte C1 Und C2. wird C2 durch C1 
zuerst aufgeladen werden?

von Alex (Gast)


Lesenswert?

Joachim B. schrieb:
> es muss nicht immer Video sein, man kann viel besser lernen durch lesen

Finde ich nicht. Lesen ist für mich viel zu anstrengend und macht keinen 
Spaß. Wenn das Video gut animiert ist, kann ich mich zurücklehnen und 
einfach nur noch genießen.

Bilder bleiben besser im Kopf haften, dadurch lernt man auch besser. Ihr 
könnt euch gar nicht vorstellen, was ich schon alles durch Video gucken 
gelernt habe!

von Klaus R. (klara)


Lesenswert?

Alex S. schrieb:
> Entladet siche eigentlich ein Kondensator von + nach minus nachdem er
> voll Aufgeladen ist

Wenn ein geladener Kondensator mit einem Widerstand beschaltet wird, 
dann fließt der Entladestrom von + nach - .


Alex S. schrieb:
> von wo genau bekommt C3 die spannungszufuhr?

Von +9V fließt über R3 und die LED der Strom auf C2 und kommt zu C3. Er 
teilt sich dann, ein Teil geht über R4 zum - Pol der Spannungsquelle. 
Der andere Teil geht über C3 und R2 zum - Pol der Spannungsquelle.

Durch den Kondensator fließt kein gleichförmiger Strom. Nur wenn eine 
Gleichspannung angelegt wird, dann ändert sich die Spannung am 
Kondensator. Diese Spannungsänderung ist wie ein Wechselstrom. 
Wechselstrom fließt wiederum durch den Kondensator. Ist der Kondensator 
aufgeladen, dann ändert sich der Strom auch nicht mehr. Es fließt dann 
auch kein Strom durch den Kondensator.

In der Schaltung werden die Kondensatoren ständig geladen und wieder 
entladen. Deshalb fliesst auch ständig Strom durch sie durch, einmal in 
die eine Richtung und danach wieder zurück in die andere Richtung.

Ich versuche mal für die Schaltung ein Diagramm anzufertigen.
mfg klaus

von Christian S. (roehrenvorheizer)


Lesenswert?


von Alex S. (alexsrb)


Angehängte Dateien:

Lesenswert?

Kann mir jemand genau erklären wie das hier funktioniert`

ich kapier einfach da garnichts, wie sich dort die kondensatoren 
aufladen und endladen.

kann mir einer genau sagen wie das da genau abläuft von wo alles beginnt 
und wo es dann endet.

von Domi N. (dominator)


Lesenswert?

Statt hier dauernd neue Posts aufzumachen solltest du dich erstmal mit 
den Grundlagen von Halbleitern beschäftigen. Es gibt viele YT Videos 
dazu, einige wurden auch schon in den anderen Threads gepostet.

von Alex S. (alexsrb)


Angehängte Dateien:

Lesenswert?

Kann mir jemand genau erklären wie das hier funktioniert`

ich kapier einfach da garnichts, wie sich dort die kondensatoren
aufladen und endladen.

kann mir einer genau sagen wie das da genau abläuft von wo alles beginnt
und wo es dann endet.

von o ha (Gast)


Lesenswert?

Du kannst besser schreiben als lesen?
Ansonsten lese doch mal die Antworten an anderer Stelle, wo du die selbe 
Frage gestellt hast.

von Der zweite Klaus (Gast)


Lesenswert?

Der erste Klaus hatte Dir dazu in einem anderen Thread schon mal was 
geschrieben und Du hattest es danach angeblich verstanden und warst 
endlich zufrieden, wieso hat sich das so plötzlich wieder geändert:

Hallo,
ich versuche es mal.
Wird der Strom eingeschaltet, muss sich C1 zuerst einmal aufladen. R1
mit 470K und R2 mit 2,2K bilden einen Spannungsteiler, der nie die
nötigen 0,6V für die Basis-Emitterspannung liefern könnte. Der Strom
über R1 mit 470K ist sehr klein, grob 0,2mA. Über R3 mit 470 Ohm könnten
ganz grob gesehen 20mA fliessen.
Direkt nach dem Einschalten der Versorgungsspannung fließt als kein
Basisstrom und deswegen leitet der Transistor auch nicht.
***) Aber es fließt ein Strom über R3, die LED D1, C2 und R4. Ebenso
über C2, C3 und R2. Dieser Strom nimmt aber mit zunehmender Ladung von
C2 und auch C3 ab. Es ist eine typische Ladekurve von Kondensatoren.
Der Strom durch C3 zeugt eine Spannung an R2. Gleichzeitig wird dadurch
das Spannungspotential an der Basis des Transistors angehoben, denn es
erfolgt durch C1 eine Ladungsverschiebung.
Wenn die Basis-Emitterspannung die 0,6V erreicht hat, fängt der
Transistor an leiten. Es fließt dann von Kollektor zum Emitter ein
Strom. Ist der Transistor durchgeschaltet, so fließt der Strom über R3,
die LED zum Transistor. Gleichzeitig wird C2 und C3 mit der typischen
Entladekurve einer Kapazität entladen.
Der Strom durch C3 fließt jetzt umgekehrt und zieht aus C1 dadurch
wieder Ladung heraus. Die Basis-Emitterspannung fällt unter 0,6V. Der
Transistor sperrt.
Jetzt geht es bei ***) wieder weiter.
mfg Klaus

Für die Experten: Ja, ich habe einige Details bewußt übergangen.

von Alex S. (alexsrb)


Angehängte Dateien:

Lesenswert?

Von wo aus wird der C3 geladen? Durch R1 und C1`? oder R4?

von Der zweite Klaus (Gast)


Lesenswert?

Klaus Ra. und auch Andere Teilnehmer haben es Dir bereits erklärt und 
man hat Dir auch Links aufgezeigt die eine noch ausführlichere Erklärung 
beinhalten.

Sei jetzt bitte endlich zufrieden!

von Klaus R. (klara)


Lesenswert?

Klaus R. schrieb:
> Ich versuche mal für die Schaltung ein Diagramm anzufertigen.

Hatte ich ja glatt überlesen. Pegel hat ja schon eine Simulation 
angefertigt.
Beitrag "Re: Hilfe bei dieser schaltung"

Hallo Alex,
solch Experimentierkästen sind ja recht nett, aber Du siehst zwar 
Effekte, aber weißt nicht was da passiert. Die Leute, die Dich hier 
belächeln haben selber drei und mehr Jahre gebraucht um das zu 
verstehen.

Der Blinker und der Phasenverschieber wird zudem nicht in der ersten 
Klasse gelehrt.

Dafür sind natürlich die Grundlagen wichtig. Das elektronik-kompendium 
ist eine gute Hilfe.
http://www.elektronik-kompendium.de/

Schau Dir doch einmal ein Tutorial für LTspice an.

http://www.gunthard-kraus.de/LTSwitcherCAD/index_LTSwitcherCAD.html
http://www.gunthard-kraus.de/LTSwitcherCAD/LTSpice%20_Tutorial_2017.pdf

Auf den ersten Seiten erfolgt eine gut verständliche Einführung in das 
Programm. Mit diesem kostenlosen Simulationsprogramm siehst Du auch wie 
die Ströme fließen.
mfg klaus

von Alex S. (alexsrb)


Lesenswert?

Hallo Klaus 2



kannst du mir sagen wie der C3 geladen wird?

von Yalu X. (yalu) (Moderator)


Lesenswert?

@Alex SRB:

Jetzt fang doch nicht alle paar Minuten einen neuen Thread zum exakt
gleichen Thema an. Einer ist völlig ausreichend.

von Lanzette (Gast)


Lesenswert?

Yalu X. schrieb:
> @Alex SRB:
>
> Jetzt fang doch nicht alle paar Minuten einen neuen Thread zum exakt
> gleichen Thema an. Einer ist völlig ausreichend.

Und wer dabei an einen Zufall glaubt ..

;-)

von Alex S. (alexsrb)


Angehängte Dateien:

Lesenswert?

Also so wie ich das von Klaus verstanden habe läuft es so ab das zuerst 
der lade vorgang der kondensator durch grün erfolgt und dannach die 
entladung durch rot im Bild erfolgt? Stimmkt das so?

von Klaus R. (klara)


Lesenswert?

Alex S. schrieb:
> kannst du mir sagen wie der C3 geladen wird?

Kannst Du denn schon einen Stromkreis mit Widerständen berechnen?

Betrachten wir nur R3, D1, C2, C3, R2 und R4. C1 und den Basisstrom 
lassen wir mal weg.

Beim Anlegen der Versorgungsspannung von 9V fließt durch den plötzlichen 
Spannungsanstieg der höchste Strom durch C2 und C3. Die Spannung an 
beiden Kondensatoren beträgt 0V. Wohlgemerkt, zu diesem Zeitpunkt ist 
der Strom am Größten.

Spannung und Strom sind an Kondensator nicht gleichzeitig hoch oder 
niedrig, sondern wie man sagt: phasenverschoben. Das nur zur 
Phasenverschiebung.

Der Strom hat folgenden Betrag:

Ud1 = Diodendurchflußspannung bei LED ca. 2 V.

I = (9 V - 2 V) / (470 Ohm + 2,2 K // 2,2 K)
I = 7 V  / (470 Ohm + 1,1 K)
I = 7 V  / 1,57 K
I = 4,46 mA

Durch R2 und R4 fließen 2,23 mA. An beiden Widerständen fallen jeweils

Ur2r4 = 2,2 K * 2,23 mA
Ur2r4 = 4,9 V ab.

An R3 und D1 fällt folgende Spannung ab:

Ur3d1 = (470 Ohm * 4,46 mA) + 2 V
Ur3d1 = 2,1 V + 2 V
Ur3d1 = 4,1 V

Ur2r4 + Ur3d1 ergeben wieder unsere 9 V Versorgungsspannung.

Der fliessende Gleichstom lädt die Kondensatoren auf. Mit steigender 
Ladung wird die Kondensatorspannung höher und der Kondensatorstrom wird 
kleiner. Für C2 gilt, Die Spannung an R4 sinkt gegen 0 V, ebenso die 
Spannung an R3 und D1. Letztlich würden die vollen 9 V an C2 anliegen, 
wenn wir C1 und den Basisstrom nicht hätten. Aber den lassen wir noch 
weg.

Ohne C1 und den Basisstrom haben wir an C3 keine Spannung. Klingt 
widersprüchlich, aber wir sagten ja anfangs durch R2 und R4 fließt der 
gleiche Strom, folglich haben wir an beiden Seiten die selbe Spannung, 
bezogen auf den - Pol der Stromversorgung. Da der Strom durch die 
Aufladung von C2 abnimmt, nimmt auch der Strom durch R2 und R4 ab.

Der Strom durch C3 wird aber auch von C1 und dem Basisstrom bestimmt. 
Die Basis - Emitterspannung rechnet man hier mit 0,6 V. Deshalb kann zu 
Zeitpunkt des ersten Stromflusses an R2 keine 4,9 V abfallen, sondern 
nur 0,6 V. Der Kondensator führt ja anfangs nur Strom und hat keinen 
Spannungsabfall.

Also kurz nach dem Anfang erreichen C3 und C1 zusammen die Spannung 4,9 
V - 0,6 V = 4,3 V.
Der Elko C3 und auch C1 wären in diesem Moment falsch gepolt.

Um den weiteren Spannungs- und Stromverlauf berechnen zu können muß man 
Differentialgleichungen aufstellen und lösen. Na ja, einfacher und 
eleganter geht es mit LTspice.
mfg Klaus

von Alex S. (alexsrb)


Lesenswert?

Jetzt verstehe ich langsam das Ganze


Der C3 Gibt also seine Spannung an r4 und r2 langsam ab bis an c1 zu 
wenig spannung liegt die die Basis nicht mehr leiten lässt, dann sperrt 
der Transistor und C3 Ladet wieder bis genug wieder Spannung anliegt wo 
die Basis vom Transistor freischaltet, dnnach schaltet der transistor 
wieder und C2 verliert seine spannung durch den collektor und emitter, 
somit bekommt c3 keine spannungsversorgung mehr und damit verliert dann 
auch c1 die spannung, das geht immer so weiter..... Stimmt das so?

von Alex S. (alexsrb)


Lesenswert?

@Klaus Ra. (klara)

Sorry lese jetyt erst deinen Post hachdem ich meinen geschrieben habe. 
werde gleich mein Kommentar dazu geben.

von Klaus R. (klara)


Lesenswert?

Alex S. schrieb:
> Also so wie ich das von Klaus verstanden habe läuft es so ab das zuerst
> der lade vorgang der kondensator durch grün erfolgt und dannach die
> entladung durch rot im Bild erfolgt? Stimmkt das so?

Wobei der Anstoß zur Entladung durch den Ladevorgang selber und den 
daraus folgenden Strom durch C3 und C1 über die Basis verursacht wird.

So, nun feier mal schön Silvester.
Klaus

von Alex S. (alexsrb)


Lesenswert?

@Klaus Ra. (klara)


Kommmt der Strom also aus dem Minuspol R2 und R3 Der zu den Beiden 
Kondensatoren C3 Und C2 geht?

von Alex S. (alexsrb)


Lesenswert?

@Klaus Ra. (klara)


Danke feier du auch schön

von Klaus R. (klara)


Lesenswert?

Alex S. schrieb:
> Der C3 Gibt also seine Spannung an r4 und r2 langsam ab bis an c1 zu
> wenig spannung liegt die die Basis nicht mehr leiten lässt,

Das ist noch viel brutaler. Das erste Einschalten verursacht einen 
Stromstoß Durch C2 über C3 und durch C1 auf die Basis, die mit weit 
weniger Strom schon den Transistor durchschalten würde. Das 
Durchschalten des Transistors leitet wiederum das Entladen der 
Kondensatoren ein. Das erfolgt genauso abrupt.

Gut, in der Realität wird der Transistor nicht genau bei 0,6 V Basis - 
Emitterspannung sofort voll durchgeschaltet. Es geht vielleicht schon 
bei 0,5 V langsam los und ist bei 0,8V und mehr (je nach Typ) voll 
durchgeschaltet. Dann geht der Transistor in die Sättigung und muß sich 
wieder etwas erholen bevor er wieder sperren kann.

Wie ich schon sagte, LTspice zeigt es Dir.
mfg Klaus

von Klaus R. (klara)


Lesenswert?

Alex S. schrieb:
> Kommmt der Strom also aus dem Minuspol R2 und R3 Der zu den Beiden
> Kondensatoren C3 Und C2 geht?

Nein, da fießt er wieder zurück in die Spannungsquelle. Am Pluspol kommt 
er heraus.
mfg klaus

von Alex S. (alexsrb)


Lesenswert?

Klaus R. schrieb:
> I = (9 V - 2 V) / (470 Ohm + 2,2 K // 2,2 K)



2,2 K // 2,2 K= 1,1 Kkannst du mir erklären wie diese rechnung gemacht 
wird?

von Klaus R. (klara)


Lesenswert?

Alex S. schrieb:
> 2,2 K // 2,2 K= 1,1 Kkannst du mir erklären wie diese rechnung gemacht
> wird?

Das Zeichen // steht für die Berechnung einer Parallelschaltung zweier 
Widerstände.
https://www.elektronik-kompendium.de/sites/slt/0110192.htm

Bei zwei gleichen werten teilst Du einfach durch zwei.
mfg Klaus

von Alex S. (alexsrb)


Lesenswert?

Klaus R. schrieb:
> Ich versuche mal für die Schaltung ein Diagramm anzufertigen.
> mfg klaus

kannst du dieses Diagram bitte noch machen`?

von Alex S. (alexsrb)


Lesenswert?

Klaus Ra. (klara)


Klaus du bin dir echt dankbar, will das nähmlich so gerne checken wie 
das alles funktioniert.


ich ignoriere die leute meist die mich auslachen.

ich bin ja schließlich noch ein anfänger.

von Djiuehehe (Gast)


Lesenswert?

Frohes neues Jahr

von Klaus R. (klara)


Lesenswert?

Alex S. schrieb:
> kannst du dieses Diagram bitte noch machen`?

Pegel hat ja schon eine Simulation angefertigt.
Beitrag "Re: Hilfe bei dieser schaltung"
mfg klaus

von Karl B. (gustav)


Angehängte Dateien:

Lesenswert?

Hi,
lasst uns zusammen machen....
(Die Russen sind da schon weiter...in der Technikausbildung der jungen 
Leute... oder?)

sotvorimvmeste.ru

Der google Übersetzer scheint ja zu funktionieren....

ciao
gustav

von Lothar M. (Firma: Titel) (lkmiller) (Moderator) Benutzerseite


Lesenswert?

Alex S. schrieb:
> ich bin ja schließlich noch ein anfänger.
Die Allermeisten waren das irgendwann. Aber oft hilft es, sich selbst 
mal für ein paar Tage(!!!) mit einem Thema zu beschäftigen und wenns 
irgendwann klimpert, dann ist der Groschen gefallen.
Wenn du alle paar Minuten herumquengelst "ich will das aber unbedingt 
kapieren" dann ist die Zeitdauer zum kapieren offenbar noch zu kurz. 
Freundlich würde man sagen: "lass dir etwas Zeit dafür." Offener würde 
man sagen: "denk doch einfach mal selber drüber nach!"

> ich ignoriere die leute meist die mich auslachen.
Das ist ein Fehler wenn es einen Grund dafür gibt...

von Karl B. (gustav)


Lesenswert?

Hi,
Sotvorimvmeste.ru
/Off topic
kommt mir irgendwie bekannt vor:
"...Re: Wettbewerb "Praxis auf Mock-ups."
21. Oktober 2017, 17:49
2. Zuordnung der Qualifikationsrunden der Saison 2017/18.
Qualifikation 1 Rang.
"Schemes auf Logikchips mit der Verwendung von
Indikatoren."
Bevor Sie den Auftrag abschließen, müssen Sie einen
Qualifikationstest bestehen (Downloadlink am Ende der
Nachricht).
1 Stufe (bis zu 45 Minuten) - Montage des Schemas
"Pulszähler für ms K176IE4 von 0 bis 9", aber nacheinander
für fünf Arten von Indikatoren (OK, OA, verschiedene
Größen). Das Ergebnis ist eine ordnungsgemäß
funktionierende Schaltung und die korrekt beschrifteten
Nummern der Indikatorausgänge im Diagramm...."

Da war doch noch was...
kann mich im Moment garnicht daran erinnern..../ Offtopic
Beitrag "K176IE4 Probleme"

ciao
gustav

von Jörg W. (dl8dtl) (Moderator) Benutzerseite


Lesenswert?

Beitrag "Hilfe bei dieser schaltung"

Der TE hat eine Neigung, zu jeder Frage x verschiedene Threads zu
öffnen.

Dieser Beitrag ist gesperrt und kann nicht beantwortet werden.