Ich habe einen älteren Bosch PSR 10,8 Li Akkuschrauber mit einem schwächelnden fest integrierten Akku. Da das Gerät gerade 10000km weit weg ist und ich dort vor Ort keinen neuen Akku bekomme, wollte ich hier einen passenden anschaffen und dann mitnehmen. Da gibt es z.B. bei Amazon was: https://www.amazon.de/Ersatz-2200mAh-Li-ion-Steckkontakten-Faston/dp/B00J2WF1ME Ist also ein 3S1P 18650er Akku, Standardkram und damit so weit so gut. Fraglich finde ich nur dass der Pack keine Balanceranschlüsse hat. Ist das so üblich in Werkzeugen mit fest verbauten Akkus oder kennt vielleicht sogar jemand konkret das Innenleben des PSR 10,8 Li? Ich kann mir eigentlich kaum vorstellen dass das ohne Balancer zulässig ist, aber ich habe Ersatzakkus von mehreren Anbietern gefunden und keiner hat einen Balanceranschluss. Eine zusätzliche Kontaktierung mit Federstiften o.ä. gibt es mutmaßlich auch nicht, denn manche der Ersatzpacks sind an den Zellenden isoliert. So geht das doch nicht? Ist ja immerhin Bosch (wenn auch nur grün) und keine Noname-Fernostware.
ist so. hab ich auch. war tatsächlich eine Zelle hin und über. Geht ruckzuck bei den Dingern, wenn man weiterschraubt, obwohl "rot" leuchtet! Frechheit. Das Teil kostet gute HUndert Euro. der Nachfolger hat einen Wechselakku. aber gleiche in grün. Rechtzeitig aufhören und nachladen.
Hm mein Bosch Uneo schaltet ab, allerdings wohl nicht früh genug und er Entlädt sich bei nicht Benutzung, das kennt man eh von nicht LiPo Geräten, scheint Absicht zu sein oder bei Bosch sitzen nur deppen.
Danke für die Rückmeldungen. Ich sehe das Problem eigentlich nicht beim schnelleren Akkuverschleiß durch zu tiefe Entladung einzelner Zellen sondern eher beim Laden. Wenn das Steckernetzteil auf 3 x 4,2V = 12,6V lädt und die Zellen nicht balanciert werden kommt es früher oder später zur massiven Überladung der vollsten Zelle. Es gibt anscheinend einen Temperatursensor der dann mutmaßlich verhindert dass die ganze Geschichte in Flammen aufgeht, aber so geht eindeutig kein vernünftiges Gerätedesign.
Leider ja, bei den Bosch 10,8V ist das so. Die sparen sich den Balancer in dem sie die Zellen mit nur sehr geringen Toleranzen aussuchen. Under-/Overvoltage und overcurrent protection ist dann jeweils im Akkuschrauber bzw. ladegerät enthalten. Die akku-packs haben zwar auch noch einen 3. Pin, dahinter verbergen sich aber nur ein paar widerstände, die den Akku typ indizieren. Die meisten anderen Hersteller (auch günstigere) haben ein balancer im akku pack verbaut. Bosch nutzt meist Sony Zellen, die scheinen wohl gut genug zu sein das bisher niemand seine Bude damit abgefackelt hat.
K. J. schrieb: > bei Bosch sitzen nur deppen. Nein, sie sorgen dafür, das Ihre Firma auch zukünftig regelmäßig neue Geräte verkaufen kann.
Ben W. schrieb: > Die meisten anderen Hersteller (auch günstigere) haben ein balancer im > akku pack verbaut. Das kann ich nicht bestätigen. Balancer sind absolute Seltenheiten in so ziemlich jedem Li-Akku, den für den Privatmann gedacht ist. Den Herstellern ist es recht, denn in einem Jahr steht der Kunde wieder wie ne Napfsülze im Geschäft, und verlangt das Gleiche nochmal...
noch nie was von geplanter Obsoleszens gehört? Herstellern ist ihr sinngemäß produzierter Müll völlig egal, die interessiert immer nur Profit.
Bosch ist halt inzwischen auch nur noch ne billige Heimwerkermarke. Die verkaufen sich nur über den Namen, klingt halt vertraut und wertig. Ich habe hier einige Makita Akkus, die haben eine Elektronik im Pack und einen Balancer Anschluss. Ob die jetzt auch im Werkzeug balanciert entladen werden weiß ich nicht, aber zumindest die einzelnen Zellspannungen werden überwacht. Spätestens im Ladegerät wird balanciert. Das sogar recht aufwändig, wenn eine Zelle zu weit von den anderen weg entladen wurde, wird der restliche Akkupack auf eine ähnliche Spannung runter gezogen bevor der eigentliche Ladestrom drauf geschaltet wird. (Das hat mich schon mal gut verschaukelt, ich wollte einen gammligen Akku "kurz auffrischen und schnell fertig machen" und wunderte mich, wieso der nach 5 Minuten laden leerer war als vorher. Der Pack hat aber auch nur noch 3-4 Zyklen überlebt bevor das Ladegerät ihn aussortiert hat)
Wer billig kauft kauft zweimal! Das ist eben die Folge wenn Geiz nur noch geil. Der Preis muss ja irgendwo herkommen. Im Übrigen ist der verlinkte Ersatzakku völlig ungeeignet für einen leistungsfähigen Schrauber! Die darin verwendeten Samsung ICR18650 -Zellen sind für Anwendungen wie Laptops gebaut die vielleicht mal kurzzeitig 5A benötigen. Im Schrauber sind Ströme von bis zu 20A normal... MfG
Armin X. schrieb: > Wer billig kauft kauft zweimal! Leider weiss man heutzutage nicht mehr, ob ein teureres Gerät wirklich besser verarbeitet ist oder ob es nur dem Verkäufer einedn höheren Profit verschafft.
xttx schrieb: > So geht das doch nicht? Heutzutage geht das alles ohne Probleme: Man hat den Gesetzgeber eingeseift (Garantie auf 6 mon. verkürzt) und den Leuten erzählt, dass ein Akku ein Verschleißteil ist. Habe mal einen Marken Notebookakku aufgerissen, selbst da wird zu meinem Erstaunen nichts balanciert: Beitrag "Re: Li-Ion - Charger & Balancing" Hobbyelektroniker schrieb: > noch nie was von geplanter Obsoleszenz gehört? > Herstellern ist ihr sinngemäß produzierter Müll völlig egal, die > interessiert immer nur Profit. 100 Punkte !
Es gibt unterschiedlichste Liion Akkus. Manche kommen sogar ohne Balancer aus. Was genau du drin hast, weisst du leider vorher nicht. Walta
Balancer sind sehr selten bei Packs kleiner E-Bike. Wenn dann gibts Über/Unterspannungsschutz pro Zelle. Reicht ja auch, solange man gescheit selektierte Zellen benutzt. Balancing bringt halt ein paar % mehr Lebensdauer gegen Ende, wenn die Zellen langsam aufgeben, sorgt aber für Tiefentladung durch den zusätzlichen Leckstrom. Wegen Werkzeugakkus: Bosch verbaut bei den robusteren Zellen (bis 2Ah) auch im Profibereich keine Überwachung. Bei 2,5 und 3 gibts das dann, weil die wesentlich weniger Tiefentladefest sind. Klappt aber auch gut, ein seit 2014 im Einsatz (Normaler Werkstatteinsatz mit Schrauber, Flex und Säge) gewesener 18V/4Ah Pack hatte eine max. Abweichung von <10mV und noch 3,6Ah. Makita hat zwar eine Überwachung drin, aber deren Akkus gehen mehr als regelmäßig kaputt. Meistens die Elektronik (kann man reproduzierbar kaputtmachen: ziemlich Kalten, fast leeren Akku nehmen, Schrauber blockieren und dreimal hintereinander einschalten. Schon lässt sich der Klotz dauerhaft nicht mehr laden), mal läuft eine Zelle aus. Wegen dem Akkuärger haben wir letztes Jahr den letzten Makitaschrauber entsorgt. Datenpunkt: Such mal bei Ebay nach defekten 18V Akkupacks. mindestens 2/3 sind Makita und Bosch findet man kaum, obwohl ich auf Baustellen usw eher 1:1 Bosch/Makita sehe inzwischen.
Gustav K. schrieb: > : Man hat den Gesetzgeber > eingeseift (Garantie auf 6 mon. verkürzt) Du meinst "Gewährleistung". Die gesetzliche Garantiefrist beträgt exakt Null - es gibt sie nicht. Noch nie. Die Gewährleistung hat aber wenig mit dem Hersteller zu tun, die muss der Händler leisten. Der Händler wird natürlich auch versuchen, den Hersteller in die Pflicht zu nehmen, aber das ist kein Selbstläufer.
Sehr interessante Antworten, aber nochmal die Frage: Irgendwann (und sei es eben erst zum Ende der Lebensdauer) werden doch im Pack beim Ladeende Ungleichheiten entstehen. Wenn die Ladespannung fest bei 3 x 4,2V bleibt und zwei zwei Zellen 500mV tiefer in der Spannungslage sind als die dritte dann wird die mal eben um 1000mV überladen. Klingt für mich nicht nur nach einfach kaputtgehen sondern nach Brand. Sowas passiert ja interessanterweise so gut wie nie, entweder kommt es aufgrund der geringen Ladeströme garnicht erst zu entsprechenden Temperaturen oder es wird über den Temperatursensor abgeschaltet.
Makita hat keinen Balancer. Auch keinen Tiefentladeschutz. Dafür ist eine Elektronik enthalten die Tiefentladung erkennt und dann das Wiederaufladen verhindert. Manche Maschinen erkennen das Leersein des Akku über den Kommunikationsanschluss und schalten dann ab. Andere wiederum nicht und dann ist der Akku in Gefahr wenn man den komplett Leerrumpelt. Das Makita "Baustellenradio" z.B. ist bekannt dafür den Akku komplett totzusaugen wenn man vergisst das auszuschalten. Leider hat diese "Elektronik" im Akku die Eigenschaft sich den Defektzustand zu merken evtl über ne Sicherung die dann aktiv durchgebrannt wird. Also hilft Zellentauschen dann auch nichts mehr. Zellentausch kann man bei Akkus machen die noch Funktionieren aber an Leistung verloren haben indem man die Elektronik und alle Abgriffe Fremdversorgt bevor man den Zellenblock trennt und einen neuen anschliesst. Ist halt aufwändig.
Im Moment tendiere ich dazu den Akku einfach rauszunehmen und ein Kabel mit Polklemmen ranzukleben. Der Schrauber wird eh nur stationär auf einem Boot verwendet und das hat eine 12V/400Ah-Batteriebank. Das dürfte auch mit Spannungsabfall auf 5m Kabel mehr Dampf haben als drei 18650er. Und das Ding ist im Normalbetrieb nicht mehr leerzubekommen.
Mach dann wenigsten ne Sicherung hinter die Batterieklemme damit dein Kabel (auf 5m würd ich 10mm² vorschlagen) nicht zur Glühkerze wird wenn die Isolation kaputtgeht.
xttx schrieb: > Wenn die Ladespannung fest bei 3 x 4,2V bleibt > und zwei zwei Zellen 500mV tiefer in der Spannungslage sind als die > dritte dann wird die mal eben um 1000mV überladen. Klingt für mich nicht > nur nach einfach kaputtgehen sondern nach Brand. So linear ist das nicht (Li-Ion Zellen sind kein Kondensator), gerade die Zellen mit hohem Mn-Anteil haben einen Rekombinationsmechanismus, der eine gewisse Überladung verbrauchen kann (und den Ladewirkungsgrad bei höherem SoC etwas kleiner als 1 werden lässt, so dass sich solche Packs selbst balancen können wie auch Blei) ohne wirklich Schaden anzurichten. Ausserdem bricht die Spannung unter 2,5V sehr steil ein, so dass das bei 3 oder 5 Zellen nicht mehr viel Ladung rauskommt, nachdem die erste Zelle leer ist. Und was passiert bei Überladung? Nicht allzu viel, im normalen Strom und Temperaturbereich steigt der Innendruck langsam an, bis der Abreisskontakt unwiderruflich aufmacht und die Zelle dann hochohmig ist. Es kommt dabei normal nicht zum Ausgasen oder zum Auslaufen, dafür braucht es schon unschöne Bedingungen (z.b. tiefentladene Zellen gewaltsam laden, oder arger Überstrom). Hört man übrigens wenn so etwas auslöst, klickt deutlich wie ein Bimetallschalter. Sieht übrigens so aus: https://cdn.shopify.com/s/files/1/0674/3651/files/Screenshot_15.jpg?9519344311412590787 Ordentliche NMC Rundzellen bekommt man heute kaum mehr zum Brennen. Niederohmiger Kurzschluss ist das gefährlichste, aber bei Bastlern auch das häufigste (vertraue nie dem Schrumpfschlauch...) China-Nonamezellen sind oft noch alte, viel instabilere LCO Chemie und haben idr. keinen Abreisskontakt und meistens noch nichtmal eine funktionierende Sollbruchstelle. Deshalb knallt das dann immer mal wieder bei E-Kippen oder Taschenlampenfricklern mit zu starkem Aliexpress-Fetish. Dass das Blech nicht als Überdruckventil funktioniert dürfte klar sein: http://lygte-info.dk/pic/BatteryDisassemblyGTL/DSC_0752.jpg Höchstkapazitäts-LCO-Suppentüten, am besten mit >4,2V, sind aber immer noch eine ziemlich heisse Sache und brennen schon bei weniger schlimmer Misshandlung ab, auch kann man da auch schlecht eine Überdrucksicherung einbauen.
Wenn man das Ladegerät anpassen kann, kann man auf LiFePO4 umstellen, die haben als Nennspannung zwar nur 3.2-3.3 Volt, aber das macht kaum etwas aus. Die max. Ladespannung ist 3.6 Volt, also darf man das LiIon-Ladegerät ohne Modifikation nicht benutzen. LiFePO4 brauch i.A. keine Blancierung und kann auch nicht brennen!
AEG Lion Staubsauger sind auch so nette Krücken Akkulebensdauer kleiner 1 Jahr. Makita hat Balancer im Pack und beim Zellentausch gibt's auch eine nachgebaut Platine die dann immer wieder einen Zellentausch zulässt. Zumindest beim 18V Pack geht da was. Mfg Michael
@ Robert (Gast) Klotz dauerhaft nicht mehr laden), mal läuft eine Zelle aus. Wegen dem Was läuft denn bei einer LiPo-Zelle aus? Oder sind das wirklich noch LiIon mit flüssigem Elektrolyt (und keine LiPos)? >So linear ist das nicht (Li-Ion Zellen sind kein Kondensator), gerade >die Zellen mit hohem Mn-Anteil haben einen Rekombinationsmechanismus, >der eine gewisse Überladung verbrauchen kann (und den Ladewirkungsgrad >bei höherem SoC etwas kleiner als 1 werden lässt, so dass sich solche >Packs selbst balancen können wie auch Blei) ohne wirklich Schaden Gibt's Belege dafür? Wo kann man denn diese Weisheit nachlesen? Bei LiFeP4 stimmt das schon eher. >anzurichten. Ausserdem bricht die Spannung unter 2,5V sehr steil ein, so >dass das bei 3 oder 5 Zellen nicht mehr viel Ladung rauskommt, nachdem >die erste Zelle leer ist. ... und damit tot ist.
Michael O. schrieb: > Makita hat Balancer im Pack und beim Zellentausch gibt's auch eine > nachgebaut Platine die dann immer wieder einen Zellentausch zulässt. > Zumindest beim 18V Pack geht da was. Hallo Michael, kannst du mir einen Tipp geben wo man solche "Nachbau-Platinen" beziehen kann? Ich habe hier nämlich 3 18V-Makita-Akku die ich gerne wiederbeleben würde. Danke und Gruß Daniel
Jens G. schrieb: > Bei LiFeP4 stimmt das schon eher. Deckt sich nicht mit meinen Erfahrungen. Habe an LiFePo4 schon 5V anliegen sehen, bei geringen Strom. Manch einer schließt daraus, dass man LiFePo4 deshalb nicht balancieren müsste. Walta S. schrieb: > Manche kommen sogar ohne Balancer aus. Das stimmt. Ob sich das dann bei den im Internet gekauften Zellen bewahrheitet, weißt du paar Jahre später. Kann man schön an den gigantischen Akku-Rückrufaktionen sehen.
Die besseren Werkzeugakkupacks haben allesamt eine Überwachung gegen Tiefentladung einzelner Zellen eingebaut. Metabo, Bosch(blau) Dewalt, Milwaukee Fein, Festool, Flex und auch Makita. Bei den genannten Herstellern befindet sich zwar im Akku kein Schaltelement, die Abschaltung wird hier über die Kommunikation mit der Maschine realisiert. Ryobi dagegen hat einen Mosfet im Akkupack eingebaut. Milwaukee in den älteren V-Versionen gar zwei parallelgeschaltete Mosfets. Hab sie alle schon gesehen und offen gehabt. Bei einigen wenigen, wie z.B. Metabo und Bosch, kann man sogar, wenn man geneigt ist, auch die Zellen tauschen. Eine Debalancierung ist während der normalen zu erwartenden Lebensdauer kaum zu beobachten. Vorher geht auch die Leistungsfähigkeit der Zellen signifikant in die Höhe. MfG
Michael O. schrieb: > Makita hat Balancer im Pack und beim Zellentausch gibt's auch eine > nachgebaut Platine die dann immer wieder einen Zellentausch zulässt. > Zumindest beim 18V Pack geht da was. Balancer: Nein Überwachung: Ja Die Nachbauplatinen die ich so gesehen habe überwachen auch nur eine Zelle und laden den gesamten Pack bis ca 20V. Das ist soweit OK wenn man das weis und da dann selektierte Zellen reinbaut.
Armin X. schrieb: > Eine Debalancierung ist während der normalen zu erwartenden Lebensdauer > kaum zu beobachten. Vorher geht auch die Leistungsfähigkeit der Zellen > signifikant in die Höhe. Wie, die Batterie wird mit dem Alter immer leistungsfähiger?
Gustav K. schrieb: > Wie, die Batterie wird mit dem Alter immer leistungsfähiger? Kapitaler Schreibfehler natürlich! ;-) Der Innenwiderstand geht in die Höhe, die Leistungsfähigkeit runter. Sorry für die Verwirrung.
xttx schrieb: > kann mir eigentlich kaum vorstellen dass das ohne Balancer zulässig ist Dass offensichtlich bei Werkzeug- und Notebooksakkus in sträflicher Weise nicht balanciert wird, scheint gesichert. Hat sich schon mal jemand mit Marken E-Bikes Akkus beschäftigt, ob hier ein Balancing duchgeführt wird? So ein 500er Akku von Bosch kostet ja mal eben schlappe 799 EUR: https://www.elektrofahrrad-einfach.de/products/Einzelkomponenten/Akkus/Bosch-PowerPack-500-Performance-Gepaecktraegerakku.html?ref=1&gclid=EAIaIQobChMI7rCY-cun2QIVhz4bCh3xDQjIEAUYAyABEgLg_fD_BwE Da steht dann zwar was von einem BMS und Schutz gegen "Überladung, Kurzschluss, Überhitzung und Tiefentladung", zum Balancing finden sich jedoch keine Angaben. Hat schon mal jemand einen E-Bike Akku geöffnet und nach dem Balancer gefahndet?
Hallo Im 48V Akku von BionX ist auf jeden Fall ein Balancer im Einsatz. Zusätzlich ist da auch noch die ganze Lademimik mit drin, sodaß man von außen nur mit 26V dran gehen muß. Der Zustand und noch so einiges andere kann dann über den CAN-Bus ausgelesen werden. Gruß Ulf
Ich hab für meinen ebike Akku welche verwendet welche laut Hersteller nicht balanziert werden müssen. Die wurden im ebike Forum empfohlen. Walta
Ulf L. schrieb: > Im 48V Akku von BionX ist auf jeden Fall ein Balancer im Einsatz. Interessant, worauf basiert deine Erkenntnis? Gibt es Fotos von dem verbauten Balacer? Walta S. schrieb: > Ich hab für meinen ebike Akku welche verwendet welche laut Hersteller > nicht balanziert werden müssen. Ich weiß, es gibt von Sony Konion-Zellen, da ist eine wie die andere. Wie das allerdings nach paar Jahren Nutzung aussieht, entzieht sich meiner Kenntnis. Mich interessieren aber in erster Linie die Gegebenheiten in den teuren Kaufakkus der namhaften Markenhersteller.
Gustav K. schrieb: > Hat sich schon mal > jemand mit Marken E-Bikes Akkus beschäftigt, ob hier ein Balancing > duchgeführt wird? > > So ein 500er Akku von Bosch kostet ja mal eben schlappe 799 EUR: Je nach Hersteller.. Bosch 300/400/500 balanciert nicht, da hatte ich schon welche mit sigifikanten Abweichungen zwischen den Zellen. Gesehen habe ich aber schon alles... Auch Hersteller die keinerlei Schutz einbauen. Un dann gibt es noch Samsung SDI bei denen verdächtig oft die BMS nach etwas über einem Jahr komplett abschaltet obwohl die Zellen einwandfrei sind. Von denen hatte ich letztes Jahr ca 12 Stück auf dem Tisch. Nach tausch der BMS gegen eine generische neue sind die dann wieder voll Leistungsfähig.
Krass, was da abgeht. Da versuchen die Leut ihre Akkus zu "pflegen", am Ende ist alles für'n Arsch. Die Akkuhersteller lachen sich wahrscheinlich tot über die vergebene Liebesmüh der Leute. Am Ende steht man im Laden und kauft einen neuen Akku nach dem anderen.
Die nächste Frage wäre, wie die Zelldrift im E-Auto unter Kontrolle gehalten wird. Denn hier gibt es ja i.d.R. Garantiezusagen bzgl. Kapazitätsverlust über eine längere Nutzungsdauer und gefahrene km. Aber auch hier sind techn. Details nicht veröffentlicht.
Da wird sicherlich aktiv Balanciert vermutlich auch Einzelzellen überwacht und bei Schaden einer Zelle diese aus dem Paket geschaltet. Tesla hat z.B. für jede der 18650er in der Batterie eine eigene Schmelzsicherung die die Zelle trennt wenn sie kurzschliesst. Die dadurch verringerte Leistung eines einzelnen Zellenpaket kann durch die aktive Balancierung recht lange ausgeglichen werden bis entweder zu viele Zellen Kaputt sind oder die Kapazität aller Zellen irgendwann schlecht ist. Es wird auch mehr Anfangskapazität verbaut als abgerufen werden kann, das Gleicht die Bilanz über die Zeit auch etwas aus. Z.B. verkauft Hersteller einen 100kW Akku und garantiert dafür so und so lange Zeit. Er verbaut aber warscheinlich 110kW und die Steuerung läst maximal nur 100kW raus damit es Reserven für die Abnutzung in der Zeit und Einzelzellendefekt gibt.
Armin X. schrieb: >> Wie, die Batterie wird mit dem Alter immer leistungsfähiger? > Kapitaler Schreibfehler natürlich! ;-) Schade, ich dachte schon, der Wunderakku sei nun endlich erfunden und ich könnte mir demnächst ein Elektroauto kaufen ;-) 60/40 schrieb: > Tesla hat z.B. für jede der 18650er in der Batterie eine eigene > Schmelzsicherung die die Zelle trennt wenn sie kurz schließt. Wie, in jedem Wickel ist eine Schmelzsicherung mit eingewickelt?
Gustav K. schrieb: > Wie, in jedem Wickel ist eine Schmelzsicherung mit eingewickelt? Nee, auf den Pluspol gebondet. Siehe Bild.
Vielen Dank für das Foto ! Leider verstehe ich nicht so recht, für was diese Sicherung gut sein soll. Wenn die Chemie in einer Zelle durchgeht, wird das die Sicherung kaum verhindern können. Einzig: Bildet sich irgendwo im Akku einen Kurschluss, werden bei den betroffenen Zellen die Sicherungen durchbrennen. 60/40 schrieb: > Da wird sicherlich aktiv Balanciert vermutlich auch Einzelzellen > überwacht und bei Schaden einer Zelle diese aus dem Paket geschaltet. Wie will man ca. 7000 Einzelzellen im TESLA überwachen? Es müsste dann über eine Art Matrix jede einzelne Zelle elektrisch aus dem Akku getrennt werden können. Gäbe einen Kabelwust ohne Ende, vom zusätzlichen Gewicht und den Verlusten durch Kabelwiderstände mal ganz abgesehen.
Hi Zusätzlich zu dem Schmelzelement gibt es in den (Marken)Zellen heutzutage ein Überdruckelement, welches lange bevor die Zelle durchgeht, die interne. Verbindung nach außen irreversibel trennt. Das findet man immer wieder bei Laptopakkus vor wenn sie bei scheinbar allergeringster Belastung spannungsmäßig zusammenbrechen. Manchmal könnte man diese Zellen durch geeignetes Murksen wieder eine Weile zum Leben erwecken. Dann aber mit der Gefahr dass sie tatsächlich durchgehen. Zum Thema Tesla: Die haben, weil eben so hohe Ströme im Betrieb zu erwarten sind, an den Batterien dicke Verbinder zwischen den Zellen. Die einzelnen Zellen wiederum sind nur durch dünnen Anschlußdrähte mit den Busbars verbunden. Im Fehlerfall brennt das Anschlußdrähtchen dann einfach durch und trennt die Zelle vom Rest. Hab dazu schon Videos bei Youtube gesehen, mag jetzt aber nicht extra danach suchen. MfG
Gustav K. schrieb: > Leider verstehe ich nicht so recht, für was diese Sicherung gut sein > soll. Ist doch ganz einfach. Wenn ein Akku intern kurzschließt, wird er wenigstens nicht auch noch von den 30 anderen Akkus an seiner Seite mit 1000A bestromt...
Gustav K. schrieb: > Vielen Dank für das Foto ! > > Leider verstehe ich nicht so recht, für was diese Sicherung gut sein > soll. Wenn die Chemie in einer Zelle durchgeht, wird das die Sicherung > kaum verhindern können. Einzig: Bildet sich irgendwo im Akku einen > Kurschluss, werden bei den betroffenen Zellen die Sicherungen > durchbrennen. > > 60/40 schrieb: >> Da wird sicherlich aktiv Balanciert vermutlich auch Einzelzellen >> überwacht und bei Schaden einer Zelle diese aus dem Paket geschaltet. > Wie will man ca. 7000 Einzelzellen im TESLA überwachen? Es müsste dann > über eine Art Matrix jede einzelne Zelle elektrisch aus dem Akku > getrennt werden können. Gäbe einen Kabelwust ohne Ende, vom zusätzlichen > Gewicht und den Verlusten durch Kabelwiderstände mal ganz abgesehen. Ja, das mit dem Einzelzellüberwachen war Das mit der Sicherung gemeint. Wenn da dann eine wegen internen Kurzschluss durchgeht brennt dann die Sicherung durch und damit ist die aus dem Packet. Bei Tesla steckt jede Zelle noch extra in einem Stahlbecher der Wassergekühlt ist. Da ist die Warscheinlichkeit das eine abbrennende Einzelzelle den ganzen Pack mitnimmt eher gering.
2 jahre zu spät, aber dass der Tinef von Bosch bis heute gebaut wird und dazu noch viel zu teuer verkauft wird zeigt das die ganzen Umweltschutz und Antiwegwerf Gedanken für die Tonne sind. Anbei seht ihr wie es in den 18V akkus von Bosch aussieht der ohne aktive komponenten ist 4Ah der andere 6Ah wovon ein neuer gemessen nur 4,6Ah bei 0.2c ergibt. nach Katalog soll er 5Ah haben auf dem Akku steht 6Ah .. die Zellen sind ohne aufdruck, zwei neue zellen paralel haben einen innenwiderstand von 70mohm also 140mohm eine zelle, ob dies 20c oder mehr sind bezweifle ich sehr stark. Ausserdem ein Bateriepack ohne BMS zu bauen ist kriminell oder inkompetent, BMS chips mit entsprechendem board kosten rund 1$ ein leistungsfet ist ja nicht nötig da die Maschine das erledigt. Man beachte die Farbe der sichtbaren Zelle, der schrumpfschlauch hat sogar kleine blasen gekriegt explodieren können die Zellen ja nicht so wie die eingebaut sind.
Roger S. schrieb: > die Zellen sind ohne aufdruck, zwei neue zellen paralel haben einen > innenwiderstand von 70mohm also 140mohm eine zelle, ob dies 20c oder > mehr sind bezweifle ich sehr stark. Die Zellen sind MIT Aufdruck. Du hast den nur nicht gesehen weil Du nicht richtig nachgeschaut hast. Die pinkfarbenen Zellen sind von Samsung INR18650-30Q und nicht so Belastbar wie die Sanyo des zweiten, älteren, Packs. Roger S. schrieb: > Man beachte die Farbe der sichtbaren Zelle, der schrumpfschlauch hat > sogar kleine blasen gekriegt explodieren können die Zellen ja nicht so > wie die eingebaut sind. Die Blasen haben nix mit Explodieren zu tun. Diese Aussage ist völliger Humbug! Das ist ausgeschwitzter Elektrolyt der unter den Schrumpfschlauch gelaufen und weggetrocknet ist. Explodieren tun die Zellen, wenn das überhaupt Mal eintreten sollte, eh nicht so wie man es von Knallkörpern gewöhnt ist. Da platzt an der Seite des Pluspoles die Zelle auf. Wenn das passiert ist die Zelle intern eh schon am Durchgehen und "steckt" durch die enorme Hitzeentwicklung die daneben befindlichen Zellen mit an. Explodieren wie bei den Horrormeldungen der Dampferszene wird das nur wenn der dabei entstehende Überdruck nicht entweichen kann und unkontrolliert irgendwo Austritt. Ist also auch ein wenig eine Designfrage.
Mir ans Bein pinkeln sollte eigentlich nicht zum Umgangston gehören... Blödsinnigerweise habe ich schon ein tragbares radio entsorgen müssen wegen einer 16850 die eine schweinerei hinterliess und die elektronik unbrauchbar machte. Der Kunde sagte es gab einen dumpfen knall in dem Radio und dann ging es nicht mehr. blödsinnig ne ? Für mich sieht der Schrumpfschlauch genauso aus wie zur Zeit der nicd akku die überladen wurden oder man beim einschrumpfen von Baterien zu lange und zu heiss den Fön draufblasen liess. Wegen der Beschriftung .. leider alles schonentsorgt, aber ich hätte dir gerne eine rundumsicht gefilmt .. auf keiner der Zellen stand irgendwas drauf Und ja, ich verbaue und wechsle LION Zellen seit Jahren. Fakt ist halt einfach das Akkupacks ohne BMS zu fabrizieren einfach kriminell ist. damit du dich weiterbilden kannst https://deutsche-pruefservice.de/akku-ladegeraet-explodiert-welche-gefahren-birgt-ein-lithium-ionen-akku extra für dich gesucht.
OK. Mal eins nach dem Anderen Roger S. schrieb: > Der Kunde sagte es gab einen dumpfen knall in dem > Radio und dann ging es nicht mehr. blödsinnig ne ? Also was ist das EXPLODIERT? Nix. Ein wenig Puff hats gemacht und ein Akku hat irgendwas ausgespuckt. Womöglich ist auch nur ein Elko hochgegangen. Man weis es nicht. Roger S. schrieb: > Anbei seht ihr wie es in den 18V akkus von Bosch aussieht der ohne > aktive komponenten ist 4Ah der andere 6Ah Der 4Ah Akku ist schon bestimmt 10 Jahre alt. Der 6Ah Akku mit den pinkfarbenen Zellen erst seit ca 3 Jahren erhältlich. Und das sind definitiv Samsung INR18650-30Q. Hab ich selber einen Zerlegt. Die Zellen leider auch schon entsorgt. Die Sanyo aus dem 4Ah Pack kenne ich auch. Die haben die Bezeichnung nur hauchdünn am Schrumpfschlauch warm eingeprägt bekommen! Neuere ProCore Akkus von Bosch, da stimme ich dir zu, haben keine Bezeichnung an den Zellen erkennbar. Die werden aber auch ohne Schrumpfschlauch in den roten Kunststoff eingepresst. Roger S. schrieb: > Fakt ist halt einfach das Akkupacks ohne BMS zu fabrizieren einfach > kriminell ist. Werden heute noch von BMZ, mit Zertifikat an die Industrie verkauft. Also kanns so kriminell nicht sein(Produkthaftung und so)... Wobei ich persönlich auch finde, dass wenigstens ein BMS sein muss. Gerne auch ohne das so oft herbeigewünschte Balancing. Roger S. schrieb: > damit du dich weiterbilden kannst > https://deutsche-pruefservice.de/akku-ladegeraet-explodiert-welche-gefahren-birgt-ein-lithium-ionen-akku > > extra für dich gesucht. Danke Und was sagt uns das jetzt? Ja es ist bedauerlich dass etwas passiert ist. Aber... Wir wissen weder was da für ein "Lithiumakku" Akku im Mignonformat hochgegangen ist. Noch wissen wir etwas von dem verwendeten Ladegerät in dem der Akku hochging. War es überhaupt das richtige für den Akku? War es eines für LiIon-Zellen oder war es gar noch das "gute Alte für die NiMh? Es gibt so viel Schrott an Akkus im Internet zu bestellen bei dem keiner weis was wie oder auch nicht verbaut ist. Ein Kollege von mir hat sich einmal den sich seltsam verhaltenden LiIon Zellen eines weiteren Kollegen angenommen und eine davon mit seinem "guten" ELV-Lader zu laden versucht. Was er nicht wusste war, dass das Ladegerät einen Defekt hatte und die angeschlossene Zelle, die offensichtlich über kein CID verfügte, mit scheußlichen Folgen überladen hat. Die Zelle kotzte ihren Inhalt brennend durch die Bude. Wer hat nun Schuld? Der Akku? Was ich sagen will: Man soll die Sache mit Respekt UND Verstand angehen und nicht ständig nach Explosionsgefahr rufen wo nicht wirklich welche beseht. Roger S. schrieb: > Mir ans Bein pinkeln sollte eigentlich nicht zum Umgangston gehören... Und jetzt zeige mir mal auf wo ich dir(schon wieder?) ans Bein gepinkelt habe.
Hallo zusammen, meine Frage passt vielleicht zu diesem Thema ganz gut. Leider sind meine Kenntnisse über Schaltungstechnik zu verblasst, um das selbst zuverlässig einzuschätzen, aber ist hier in dem BMS (für einen Bosch Selbstbau-Akku von alixpress) nicht ein Balancer mitdabei? Zumindest sieht das auf dem Foto und der Zeichnung so aus. Wenn ja, balanciert das beim Laden UND Entladen? Danke für eure kompetente Analyse im Vorfeld!
Wofür dienen dann die Verbindungen zu den einzelnen Zellen über B1-B4? Ist das zur Zellüberwachung? Und welcher Art? Und was passiert mit der Info?
Weißt du doch nicht. Es sind jedenfalls keine Bauteile sichtbar, die der Energievernichtung oder dem Energietransfer in nennenswertem Maße dienen könnten. Maximal ginge es, eine abweichende Zellenspannung in ein Abschaltsignal zu wandeln, das Schrauber oder Lader veranlassen sollte die Arbeit einzustellen. Und selbst das wäre nur ein Wunsch, denn es ist nicht mal eine Abschaltung eingebaut.
Adrian schrieb: > Ist das zur Zellüberwachung? wahrscheinlich. Bei einem Balancer würde man höher belastbare Widerstände oder Transistoren sehen. > Und welcher Art? > Und was passiert mit der Info? Das geht aus dem Foto nicht hervor. Das musst du den Hersteller fragen.
Jens M. schrieb: > Weißt du doch nicht. > > Es sind jedenfalls keine Bauteile sichtbar, die der Energievernichtung > oder dem Energietransfer in nennenswertem Maße dienen könnten. > Maximal ginge es, eine abweichende Zellenspannung in ein Abschaltsignal > zu wandeln, das Schrauber oder Lader veranlassen sollte die Arbeit > einzustellen. > Und selbst das wäre nur ein Wunsch, denn es ist nicht mal eine > Abschaltung eingebaut. Super danke Jens! Sherlock 🕵🏽♂️ schrieb: > Adrian schrieb: >> Ist das zur Zellüberwachung? > > wahrscheinlich. Bei einem Balancer würde man höher belastbare > Widerstände oder Transistoren sehen. > >> Und welcher Art? >> Und was passiert mit der Info? > > Das geht aus dem Foto nicht hervor. Das musst du den Hersteller fragen. Auch dir danke Sherlock. Meine Frage ist, ob ich damit einen Akku mit Balancing Kabel zum selber laden konfektionieren kann, der in meinen Bosch Geräten mit dieser Bosch-Nachbau-Schaltung funktioniert. Die Schaltung ist ja dann vom balancierten Laden unabhängig. Insofern kann mir - solange das Bosch Gerät den Akku akzeptiert - der Rest egal sein. Sehe ich das richtig? Die Akkupacks möchte ich ausreichend dimensionieren (mind. 5s3p), sodass ihnen auch große Ströme (bis zu 40A) auf Dauer nichts ausmachen. Gedacht hätte ich an die SAMSUNG INR21700-50S oder eine andere Marken-Zelle mit ähnlichen Spezifikationen. Macht es dann Sinn und ist es möglich, ein BMS hinter diese Nachbau-Bosch-Schaltung zu schalten? Welches würde sich denn dafür eignen?
:
Bearbeitet durch User
Adrian schrieb: > Sehe ich das richtig? Probiere es aus. Wenn es blöd läuft hält das Ladegerät den manipulierten Akku für defekt oder unsicher. > Welches würde sich denn dafür eignen? Das Thema ist mir zu heiß um hier einen ahnungslosen Laien zu einer gefährlichen Bastelei zu verleiten. Kaufe ein guten Akku und bastele nicht daran herum.
Sherlock 🕵🏽♂️ schrieb: > Das Thema ist mir zu heiß um hier einen ahnungslosen Laien zu einer > gefährlichen Bastelei zu verleiten. Basteln und Optimieren bereiten mir Freude und ich habe vor 1,5 Dekaden ebike Akkus konfektioniert und erfolgreich mehrere Jahre genutzt. Ganz unwissend bin ich nicht unbedingt und ich bin nicht abgeneigt, mein Wissen zu erweitern und mehr über die Materie zu lernen. Sherlock 🕵🏽♂️ schrieb: > Kaufe ein guten Akku und bastele nicht daran herum. Gute Akkus gibt es meines Wissens und Recherche nach aktuell nicht fertig konfketioniert zu kaufen. Daher die Frage zur Optimierung und meine Bereitschaft mehr darüber zu lernen.
:
Bearbeitet durch User
Lustigerweise haben ausgerechnet die preiswerten Akkus der 20V Serie von Lidl/Parkside einen Balancer UND BMS verbaut.
:
Bearbeitet durch User
Nur so als Anregung. Man kann seriell organisierte Akkusätze auch mit Zenerdioden symetrieren (balancing), dann sollte man aber wissen was man macht und die Funktionsweise von Zenerdioden kennen. Ein Blick in ein Datenblatt von Z-Dioden (im Anhang) kann dazu nicht schaden. Die Dioden und ein eventuell benötigter Vorwiderstand passen dabei in die Lücken zwischen den Zellen. Tom
Thomas R. schrieb: > Lustigerweise haben ausgerechnet die preiswerten Akkus der 20V Serie von > Lidl/Parkside einen Balancer UND BMS verbaut dito bei einem FERREX (Aldi) 12V Li-Ion Akku PT140101-1 von einem Akkuschrauber.
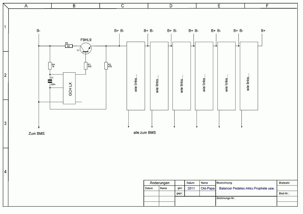
Thomas R. schrieb: > Lustigerweise haben ausgerechnet die preiswerten Akkus der 20V Serie von > Lidl/Parkside einen Balancer UND BMS verbaut. Lustig daran ist nur, dass da zwar wirklich sowas wie ein Balancer verbaut ist, doch bei diesen kleinen 51 Ohm Bleedingwiderständen (noch dazu in der winzigen Bauform) ist dieser auch nur begrenzt wirksam (eher ein Alibi zu Marketingzwecken). Der Ladestrom geht immer quer durch alle Zellen (sind ja verbunden) und wenn eine Zelle schon fast am Ladeende ist, machen die FETs (oder was immer da verbaut ist) auf und leiten einen Teil des Ladestroms an der Zelle vorbei. Wenn der Lader aber mit (geschätzt 1-2A drückt, werden bei (angenommenen 4V) nur etwa 80mA vorbeigeleitet. Das ist mäßig. Solange alle Zellen noch iO sind, geht der Ladestrom gegen Ende (ab ca. 4V je Zelle) deutlich runter (je nach Modell 50-300mA im cv-Betrieb) und die 80mA haben durchaus Wirkung. Doch unweigerlich werden die Zellen bei Benutzung (da wirkt der passive Balancer nicht) nach und nach altern bzw. die Spannungslage verändert sich. Je nach "Klugheit" des Ladegerätes regelt dieses den Ladestrom schon bei erreichen der ca. 4V nur einer Zelle den Strom runter oder eben auch nicht. Selbst bei blauen Bosch (aus etwa 2010) hat es im Lader nichts, aber auch gar nichts zum Balancieren (natürlich im Akku auch nicht) der Lader pumpt bis zum Ende seinen festgelegten Ladestrom rein, die obere Spannung ist begrenzt auf die Gesamtspannung des Akkus. Bei Makita genauso, doch der Lader kann wenigstens erkennen, was für ein Akku angeschlossen ist (14V oder 18V). Dazu dienen die Kontakte im gelben Steckverbinder. Anbei ein Balancer für drei der sieben Zellen aus einem Pedelec ("Prophete" oder auch "Alu-Rex" aus dem Baumarkt) und die Schaltung dazu. Der dazugehörige Lader hat nur stumpf seine ca. 28V mit etwa 2A geliefert, er war nur 2-polig angestöpselt. Der Akku hatte aber noch ein recht aufwändiges BMS montiert, welches aber nur mäßig funktionierte (Zellen aufgebläht). Ich habe aus zwei Akkus die besten Zellen zu einem neuen zusammengestellt, einen extra Balanceranschluss nach außen verbaut und das funktioniert seit gut 14 Jahren gut. Geladen wird mit einem Graupner Ultramat 18. Das gleiche habe ich auch an allen meinen Makitas und Panasonic-Akkumaschinen gemacht, keine Zellenausfälle mehr. Old-Papa
:
Bearbeitet durch User
Und der Graupner hat wieviel Balancingstrom??? 60mA sind typisch und ausreichend für einfache 18650er.
Manfred K. schrieb: > Thomas R. schrieb: >> Lustigerweise haben ausgerechnet die preiswerten Akkus der 20V Serie von >> Lidl/Parkside einen Balancer UND BMS verbaut > > dito bei einem FERREX (Aldi) 12V Li-Ion Akku PT140101-1 von einem > Akkuschrauber. Nö, ganz bestimmt nicht!! Das ist gerade der entscheidende Unterschied zwischen Lidl und Aldi. Niemals wieder FEREX !!!
Thomas R. schrieb: > Manfred K. schrieb: >> Thomas R. schrieb: >>> Lustigerweise haben ausgerechnet die preiswerten Akkus der 20V Serie von >>> Lidl/Parkside einen Balancer UND BMS verbaut >> >> dito bei einem FERREX (Aldi) 12V Li-Ion Akku PT140101-1 von einem >> Akkuschrauber. > > Nö, ganz bestimmt nicht!! Das ist gerade der entscheidende Unterschied > zwischen Lidl und Aldi. Niemals wieder FEREX !!! Wie kannst du das so sicher behaupten? Hast du einen neueren FERREX Akku auseinandergenommen? Ich kenne das FERREX Programm nicht, aber ich kann dir sagen, dass mein Lidl Akku 'PAP 20 A1' auch kein Balancing hat. Das kam dann erst mit den neueren Versionen.
Loco M. schrieb: > Thomas R. schrieb: >> Manfred K. schrieb: >>> Thomas R. schrieb: >>>> Lustigerweise haben ausgerechnet die preiswerten Akkus der 20V Serie von >>>> Lidl/Parkside einen Balancer UND BMS verbaut >>> >>> dito bei einem FERREX (Aldi) 12V Li-Ion Akku PT140101-1 von einem >>> Akkuschrauber. >> >> Nö, ganz bestimmt nicht!! Das ist gerade der entscheidende Unterschied >> zwischen Lidl und Aldi. Niemals wieder FEREX !!! > > Wie kannst du das so sicher behaupten? Hast du einen neueren FERREX Akku > auseinandergenommen? Lidl, Kaufland, Schwarzgruppe, Parkside hat einen sehr grossen Erfolg mit der Bewerbung dieser Akkupacks. So dämlich kann kaum ein Konkurrrent sein, nicht darauf hinzuweisen, dass auch seine Akkupacks mit Balancer arbeiten, wenn einer enthalten wäre. > Ich kenne das FERREX Programm nicht, aber ich kann dir sagen, dass mein > Lidl Akku 'PAP 20 A1' auch kein Balancing hat. Das kam dann erst mit den > neueren Versionen. Gibt es da auch ein Bild vom BMS? (sind nur 4 Schrauben mit Norm-Kreuzkopf) In der Anlage ein Aldi-Akkupack 10s2p (36V/4Ah) für die Aldi Vertriebsmarke Garden Feelings. Dort hat man sich sogar alles gespart, was zu einem BMS gehört. Ausser den Kontakten zum Laden und Betrieb und den Zellen ist da nichts ausser Luft drinnen..
Thomas R. schrieb: > Und der Graupner hat wieviel Balancingstrom??? > > 60mA sind typisch und ausreichend für einfache 18650er. 120mA und auch nur ausreichend, weil das Graupner den Ladestrom reduziert, wenn auch nur eine Zelle gegen Ladeende geht. Wenn der "Normallader" aber gar nicht oder nur wenn alle Zellen das Ladeende erreicht haben den Ladestrom reduziert, sind 60, 80 oder auch 120mA Bleedingstrom bei ca. 1-2A Ladestrom witzlos. Und leider machen genau das die einfachen Lader genau so (auch Bosch, Makita usw.), die gehen erst bei Erreichen der Ladeendspannung des gesamten Akkus ins CV.... Old-Papa
Ralf X. schrieb: > Loco M. schrieb: >> Ich kenne das FERREX Programm nicht, aber ich kann dir sagen, dass mein >> Lidl Akku 'PAP 20 A1' auch kein Balancing hat. Das kam dann erst mit den >> neueren Versionen. > > Gibt es da auch ein Bild vom BMS? > (sind nur 4 Schrauben mit Norm-Kreuzkopf) Ich denke die Elektronik im alten 'PAP 20 A1' ein BMS zu nennen ist übertrieben. Es gibt da kein Bauteil, das bei Unterspannung den Akku von der Last trennen würde. Es werden wohl die Einzelspannungen der Zellen gemessen, und bei Unter- oder Überspannung die Info an das Arbeitsgerät bzw. den Charger weitergereicht. D.h. man sollte den Akku ohne zusätzliche Abschaltvorrichtung nicht einfach anderweitig verwenden. Die 5 MOSFETs + Widerstände unterhalb des Controllers wurden oftmals als Balancing-Schaltung interpretiert. Wie man aber aus der Größe und Werte der Widerstände erkennen kann, ist das nicht richtig. Sie dienen der Bestimmung der Zellspannungen (siehe auch 2. Kommentar des Youtube Videos). https://www.youtube.com/watch?v=CN0q4wZBnBo
Thomas R. schrieb: > Nö, ganz bestimmt nicht!! Das ist gerade der entscheidende Unterschied > zwischen Lidl und Aldi. Niemals wieder FEREX !!! Dummschwatz. Natürlich hat der genannte FERREX einen Balancer + BMS. Hatte ihn eben wegen der Diskussion aufgeschraubt und nachgesehen.
Manfred K. schrieb: > > Dummschwatz. > Natürlich hat der genannte FERREX einen Balancer + BMS. > Hatte ihn eben wegen der Diskussion aufgeschraubt und nachgesehen. Na dann zeige doch mal... ;-) Parallel zu jeder Zelle sollte (bei den üblichen passiven Balancern) ein Transistor nebst Widerstand (so zwischen 30 und 68 Ohm) liegen. Ein aktiver Balancer erfordert eigentlich relativ viel Bauraum (Induktivitäten oder Elkos) und dazugehörende Bauteile nebst Kühlung. Old-Papa
Old P. schrieb: > Na dann zeige doch mal... ;-) keine Lust - kauf dir einen und schraub ihn selbst auf
Hi
>keine Lust - kauf dir einen und schraub ihn selbst auf
Warum sollte man Müll kaufen?
MfG Spess
Manfred K. schrieb: > Old P. schrieb: >> Na dann zeige doch mal... ;-) > > keine Lust - kauf dir einen und schraub ihn selbst auf Also selber Dummschwatz, sonst würdest du es ja können 😎
Bitte melde dich an um einen Beitrag zu schreiben. Anmeldung ist kostenlos und dauert nur eine Minute.
Bestehender Account
Schon ein Account bei Google/GoogleMail? Keine Anmeldung erforderlich!
Mit Google-Account einloggen
Mit Google-Account einloggen
Noch kein Account? Hier anmelden.












