Hi, ich brauch für einen Edelstahl-Toaster aus den 50-ern (max 2,5A) eine Ausschaltverzögerung - Vorgaben: klein, einfach, am Kabel im Stecker- oder Kupplungsgehäuse, 2 Zeitwerte (<1min) Umschalter o. Trimmer. Ich dachte an Reed, Mikrotaster oder -Schalter, der einen Triac schaltet bis sich ein Kondensator aufge- oder entladen hat. Hab da einen größeren Schukostecker mit Si-Automat, da wäre Platz drin. Nun such ich etwas Erprobtes mit möglichst wenig Bauteilen, irgendeine Idee?
Beschreibe mal genau, was du in diesem Kontext unter "Ausschaltverzögerung" verstehst.
Stefan U. schrieb: > Beschreibe mal genau, was du in diesem Kontext unter > "Ausschaltverzögerung" verstehst. Naja, das was ein Toaster normalerweise selbst tut - sich ausschalten bevor er zur Bricketmaschine wird. Ich hab zwar noch Holzöfen, aber im Sommer brauch ich die nicht so oft. OFF delay timer
Toaster schrieb: > ich brauch für einen Edelstahl-Toaster aus den 50-ern (max 2,5A) eine > Ausschaltverzögerung - Vorgaben: Du meinst also einen Einschalttimer. Der übliche Toaster verwendet dafür einen CD4536 (nix zu programmieren), an Kondensatornetzteil, der per Transistor eine mit Spule schaltet zum runterhalten des Toastes als Relaisersatz, natürlich mit Poti zur Zeiteinstellung. Wenn du also heute mal einen üblichen Toaster schlachtest... Beitrag "Toaster_timer_UJT" (kommerziell mit uC) Beitrag "Suche Bauteil aus einem Toaster" (da gehört noch eine Steuerplatine zu)
Das ist der falsche Begriff. Du brauchst keine Ausschaltverzögerung, sondern einen Monostabile Kippstufe, auch Timer genannt. Die Zeit wird aber ganz erheblich von der aktuellen Temperatur des Gerätes und der Beschaffenheit der Toast-Scheiben abhängen. Deswegen arbeiten diese Geräte nicht einfach mit einer festen Zeit. Was du brauchst, ist ein temperaturkompensierten Timer. Diese Dinger gibt es auch elektromechanisch mit Bimetall und Heizwendel.
Stefan U. schrieb: > Die Zeit wird aber ganz erheblich von der aktuellen Temperatur des > Gerätes und der Beschaffenheit der Toast-Scheiben abhängen. Deswegen > arbeiten diese Geräte nicht einfach mit einer festen zeit sondern eher > mit der Temperatur. Nicht mehr die modernen elektronischen Toaster, bei denen hat man die Errungenschaft der Bimetall-Technik "vergessen".
Hier siehst du ein Foto von so einem Ding: https://www.electrical-forensics.com/BiMetal/Bimetal/BD-ToasterOvenThermostat-SM.jpg
Ich glaube, su sucht so etwas: https://de.aliexpress.com/item/AU-Plug-AC-220V-10A-Programmable-60-Mins-Wall-Outlet-Timer-Switch-Energy-Saving-Electrical-Plug/32792618552.html Nur für einen kleinere Zeitbereich. Aber das wird aus bereits beschriebenem Grund nicht gut funktionieren.
Ich habe einen für 15min gefunden: https://de.aliexpress.com/wholesale?spm=a2g0x.search0104.8.17.56332e257RgORe&initiative_id=QRW_20180407014046&SearchText=wall+outlet+timer&productId=32813686751
Vielen Dank, es wird definitiv kein Eingriff ins Kult-Gerät geben, d.h. Umbau ist nicht. Ich brauch eine erprobte "externe" Lösung für meinen Toaster, eine Schaltuhr < 1 Minute fand ich ja nicht, deshalb der Selbstbau. Der Fachbegriff Ausschaltverzögerung ist richtig. Auch fand ich schon 3 Pläne, hab aber mit Fragen zur Anpassung, #1 ist mit nem 555 aber für 110V~ aber kein Taster/Schalter zu sehen. Wo gehört der rein? #2 Nachteil: geht erst nach 2 Minuten los, bis das Ding 1 Minute schaltet #3 Gehts los, wenn SB geschlossen wird? https://i.stack.imgur.com/DdkPH.jpg https://www.electroschematics.com/5770/time-delay-circuit/ http://www.seekic.com/uploadfile/ic-circuit/201142024442202.jpg
> #3 Gehts los, wenn SB geschlossen wird?
Ja, und schaltet danach verzögert aus.
Die dritte Schaltung hat noch ein Problem: Sie benötigt einen
ausreichend isolierenden Taster (4000V), den bekommst du in das
vorgesehene Gehäuse nicht rein.
Und den 1µF Kondensator musst du wohl auch klein zaubern.
Ich bin unsicher, was passiert, wenn der Steuerstrom des Triacs zu
gering wird. Diese Transistoren schalten nicht schlagartig ab, sondern
reduzieren den Strom kontinuierlich bis auf 0.
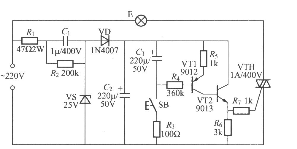
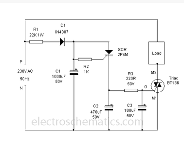
Toaster schrieb: > #1 ist mit nem 555 aber für 110V~ aber kein Taster/Schalter zu sehen. Wo > gehört der rein? TRIAC Ansteuerung richtigrum, 7mA Gate-Strom, viel Verlust im 3.5k (bei 230V wären das 7k mit 16 Watt und ein 4u7 450V Elko). > #2 Nachteil: geht erst nach 2 Minuten los, bis das Ding 1 Minute > schaltet Eigentlich sollte deer SCR nur die erste Halbwelle einschalten und C2 ganz aufladen, dann nie wieder einschalten. C1 ist dafür wohl zu gross. Falsche TRIAC Ansteuerung. > #3 Gehts los, wenn SB geschlossen wird? Ja, dann entlädt sich C3 über R4, TRIAC Ansteuerung falschrum, satte 24mA Dauerstrom ins Gate, daher 1u für C1.
> Den 1µF Kondensator der dritten Schaltung musst du wohl > auch klein zaubern. Bei der ersten und zweiten Schaltung hast du das selbe Platz-Problem mit den großen Elkos. Ein Knackpunkt ist, dass Triacs einen recht hohen Steuerstrom benötigen. In dieser Größenordnung sind kompakte fertige Netzteil-Module kleiner, als ein Kondensatornetzteil.
Stefan U. schrieb: > In dieser Größenordnung sind kompakte fertige Netzteil-Module kleiner, > als ein Kondensatornetzteil. japp, das Platzproblem, hab hier einen Plan mit nur 0,47 µ als Vorkondensator + 10 V Z-Diode = viel kleinere Elkos (würde da 16V-Typen nehmen) https://www.eleccircuit.com/timer-control-1-15-minutes-by-triac-2n6075-and-lm555-lm358/ als Taster 2 isolierte Netz-µSwitch oder Reed, muss aber noch runter auf 20-30 s, das wär dann den C3 verkleinern, oder?
Wenn ich das Datenblatt des 2N6075 mit diesem Schaltplan vergleiche komme ich zu dem Schluss, dass der Gate-Strom zu gering ist. Es funktioniert vielleicht mit Glück, aber nicht zuverlässig.
Also basteln in aller Ehre - aber einen neuen Toaster gibts schon um 15,00 Euraner - funktioniert und hat Garantie !?
Michael B. schrieb: > Der übliche Toaster verwendet dafür einen CD4536 Wirklich? Ich hab zwar erst ca. 10 Toaster zerlegt, aber NIE was andres als einen 555er eindecken können. (Mal von den ganz alten, mit thermischen Zeitglied, abgesehen). maxi schrieb: > Also basteln in aller Ehre - aber einen neuen Toaster gibts schon um > 15,00 Euraner - funktioniert und hat Garantie !? Der Schrott kann niemals, mit einem aus den 50er mithalten, schongarnicht optisch. Apropos Optisch, gibts auch Bilder für die lieben Helferlein?
Teo D. schrieb: > Der Schrott kann niemals ... Kann dem nur beipflichten. Mein Moulinex Toaster hat nach 20 Jahren den Geist aufgegeben. Mit einer Reparatur konnte ich noch zusaetzliche 2 Jahren hinzugewinnen. Nun habe ich einen Kenwood-Toaster ... Schrott, verpackt in Edelstahl.
Mehmet K. schrieb: > Nun habe ich einen Kenwood-Toaster ... Schrott, verpackt in Edelstahl. Laßt uns darauf einen Toast ausbringen! Früher konnte man die Wendeln thermisch besser händeln. Heute neigen sie zum Reißen, da haben wir den Sch..aden!
Schau Dir mal Treppenlichtautomaten an. Als Beispiel https://www.eltako.com/fileadmin/downloads/de/datenblatt/Datenblatt_TLZ12-8.pdf Viele können keine superkurzen Zeiten, sind für Dein Gehäuse etwas groß und nicht superbillig. Dafür bewährt und Dein Bastelaufwand hält sich gering.
Hab das grad aus meinem Tussibelichter gerissen. Passt zwar nicht in den Stecker, aber.....? Das Poti ist von mir hinzugefügt. Ist mon zwar mit M2A abgesichert, sollte aber auch problemlos 1kW Ohmschelast ab können. Gegen aufpoliertes Porto würd ichs abgeben.
Wenn der Toast unter einer Minute fertig ist braucht es kein Timer IC. Wenn diese Ausschaltverzögerung nur schaltet auch kein Triac. Mit einen Operationsverstärker konnte man ein entsprechendes RC Glied (Poti Kondensator) auswerten und ein Relais schalten. Davor Umschalter zwischen zwei dieser Schaltungen. Betrieb oder Schnellentladeung der Kondensatoren. Davor vielleicht eine Schaltsteckdose (dann eben nur Schalter) mit dem Netzteil dazu.
...ich habe den aus dem Anhang und mir käme auch nichts anderes in die Küche - hoffe, er hält noch etwas bevor er aufwendig repariert werden muss. Aber etwas "Respekt" habe ich vor dem Ding auch :) https://toastaholic.com/toasters-past-present-and-future/ Klaus.
>>Klaus R. schrieb: >> ...ich habe den aus dem Anhang >Was ist das? Kann man was dagegen unternehmen? Keramik Außenfläche? Das sieht aus wie eine Fotosabotage. Hat zu wenig Angaben. Dem genannten Hersteller gefällt diese zusammenhanglose Darstellung sicher nicht.
Ich hab's: Das ist ein Puppenhaus-Fernseher aus den 70er Jahren.
Einen Kurzzeit-Timer extern in Zwischengehäuse einbauen, z.B. POLLIN 260736 https://www.pollin.de/haustechniksicherheitstechnik/uhren-zaehler/zeitschaltuhren-timer/
Toaster schrieb: > Ich brauch eine erprobte "externe" Lösung für meinen Toaster, eine > Schaltuhr < 1 Minute fand ich ja nicht, deshalb der Selbstbau. Diese Kurzzeittimer im Sekunden- und Minutenbereich nannte man früher Belichtungstimer. Die gibt es als Fertiggerät zum zwischenschalten oft in der Bucht. Von einfach bis komfortabel. Es braucht sie ja kaum noch wer (außer zur Leiterplattenherstellung).
Ich glaube würde dann wieder diese nehmen https://www.conrad.de/de/gehaeusesystem-c-control-pro-pro-mini-station-198777.html?WT.mc_id=google_pla&WT.srch=1&ef_id=V-pBMAAABaPuT-WE:20180411104533:s&gclid=Cj0KCQjw5LbWBRDCARIsALAbcOeZkZAN0ZlPAPTXXafB16BJBSbZOxAlsIDvJExYbK-lL4F_1a0hHVUaAobCEALw_wcB&hk=SEM&insert_kz=VQ&s_kwcid=AL!222!3!254339639483!!!g!! Das geht auf jeden Fall. Dazu sowas wie ein altes Fritzboxnetzteil. Kanste Gehäuse anbohren. Taster oder Potis reinschrauben +Kleber. Der Rest ist schon dicke da.
> Das geht auf jeden Fall
Sicher, wie Kanonen auf Spatzen. Ich glaube, ein Treppenhaus-Licht Timer
würde auch genügen. Man beachte auch den Tipp von Route 66.
Nur sind wir damit weit entfernt von den Anforderungen, die der TO
genannt hat (bezüglich Platzbedarf).
Toaster schrieb: > Hi, > > ich brauch für einen Edelstahl-Toaster aus den 50-ern (max 2,5A) eine > Ausschaltverzögerung - Vorgaben: > > klein, einfach, am Kabel im Stecker- oder Kupplungsgehäuse, 2 Zeitwerte > (<1min) Umschalter o. Trimmer. Echt 50er Jahre wäre Bakkelit statt Halbleiter: Ein Columbusdrücker Drehen : Nachlaufzeit wählen. Drücken: Starten Das ganze voll mechanisch - federbelasteter Rücklauf, wenn man zu weit nach links dreht fliegt der Tastkopf einem um die Ohren. Klemmt und hakelt wie die Schaltung eines Aston Martin DB4. Toll! Wenn es klein sein soll, muss man sehr viel selber machen und peinlich Abstände einhalten. Eine Ausschaltverzögerung oder Rückfallverzögerung nennt man auch Treppenautomat, Treppenhausautomat, Treppenhauslichtautomat, Treppenlichtzeitschalter und und und. gibt es für die Hutschiene, Wanddose oder in exotischeren Massen wie den F&F ASO-200 (50×67×26mm). Einige gehen bis 20-30 sek runter. "Start" Taster ins Steckergehäuse, Trimmerpoti mittels Pfosten nach durchs Gehäuse führen. Steckergehäuse gibt es viele. Die sind gross, hässlich und bieten viel Raum. Elegant wäre 2 Dosen in der Wand zu opfern. Eine für den Taster und Treppenautomaten, darunter die Steckdose die vom Treppenautomaten bedient wird. Da kann man dann auch den schönen Bakkelitschukostecker verwenden.
Ein Columbusdrücker -> geiles Teil, ich mag solche Lösungen!!! Klaus.
Nehmen wir mal an, dass das anzuschliessende Teil bei Stromausfall sich selbst abschaltet (Unterspannungsauslödung, Halteelektromagnet) aber nach wie vor selbst eingeschaltet werden soll, also an seinem bisherigen Einschalter, nur halt nicht ewig aktiv laufen soll. Dann fehlt immer noch ein Timer, der zunächst mal das Gerät mit Spannung im ausgeschalteten Zustand versorgt, das Einschalten des Geräts detektiert (durch deutlich hohe Stromaufnahme) und dann nach Ablauf einer sekundenauflösend einstellbaren Zeit den Stromfluss zum Gerät unterbricht, damit es sich ausschaltet. Ob dann nach dem zuverlässigen Abschalten des Geräts, ich sag mal 1 Sekunde, gleich wieder volle Spannung angelegt wird, oder nur eine geringe Überwachungsspannung, sei erst mal egal. Nimmt man ein Universal-Zeitrelais (Unterbrechung für 1 Sekunde x Sekunden nach Einschalten eines Triggersignals) und ein Stromrelais (einschalten wenn Strom oberhalb einer Schwelle fliesst) bekäme man das mit 2 Hutschienenmodulen hin, aber einfacher ? Selbstbau würde 1 Relais, 1 Stromsensor, 1 NE555 mit Kondensatornetzteil kosten.
>> Das geht auf jeden Fall >Sicher, wie Kanonen auf Spatzen. Ich glaube, ein Treppenhaus-Licht Timer >würde auch genügen. Man beachte auch den Tipp von Route 66. >Nur sind wir damit weit entfernt von den Anforderungen, die der TO >genannt hat (bezüglich Platzbedarf). Nein... ist keine SpatzenKanone Bedenke das je nach Betriebsdauer die Zeit auch mal nachjustiert werden muss. Und hat man bei so einer Leistung erst einmal die richtige Zeit gefunden möchte man auf diese Zeit später wieder zurückgreifen. An solchen Komfort Hat man sich gewöhnt. Hinzu kommt das sich bei 230V ein anderes verhalten ergibt. Das verstellt man nicht mit einem Schraubendreher. Sebastian L. Schrieb von einem F&F ASO-200 Umbau Da würde man sich wahrscheinlich in der Praxis über einen zweiten davon mit Umschalter freuen. Mit einem µC kann man die Betriebsdauer einschließen. Wenn man Glück hat findet man vielleicht einen Faktor (0,irgendwas ) für das „Folgetoast“
Rainer W. schrieb: > Sebastian L. Schrieb von einem F&F ASO-200 Umbau > Da würde man sich wahrscheinlich in der Praxis über einen zweiten davon > mit Umschalter freuen. Hab mir mal Zwischenstecker mit Timer angesehen, gehen leider alle von 2min. - ~60min. Viel zu grob... :( Rainer W. schrieb: > Bedenke das je nach Betriebsdauer die Zeit auch mal nachjustiert werden > muss. > Und hat man bei so einer Leistung erst einmal die richtige Zeit > gefunden möchte man auf diese Zeit später wieder zurückgreifen. Klar, die Ersten brauchen 3,5. Die folgenden 3,1 und das seit ~15J. ;)
Teo Derix (teoderix) schrieb
>Klar, die Ersten brauchen 3,5. Die folgenden 3,1 und das seit ~15J. ;)
Bitte alles lesen.
Andere Zeiten in Jahrzehnten.
Andere Zeiten in Sekunden.
Es wird sich nicht "normal" verhalten.
Teo D. schrieb: > Apropos Optisch, gibts auch Bilder für die lieben Helferlein? sorry, besser spät als gar nicht ist ein fast unbenutzter Privileg mit Uralt-Gerätestecker (Porzellan) aber Porzellangeschützte Heizröhren (ohne offene Heizdrähte)
ach ja, noch danke allen für die Tipps - eine Kanone hätt ich selber auch noch - einen Quecksilberschalter / Timer für Bahnampeln in einem schwarzen Bakelitgehäuse, stromzählerähnlich - zwar genau, aber leider etwas klobig. Ich nutzte vorübergehend einen mechanischen Eierwecker und erst im Winter ist der Toaster wieder aktuell, bis dahin fällt mir schon was ein, LG
...schönes Ding, wobei mir die 70er da besser gefallen :) ...wieso erst im Winter? Was hält dich eigentlich davon ab, was dafür zu bauen? Eierwecker auf Basis uC gibts ja genug, da fehlt noch ein C-Netzteil und ein Triac und app it goes? Klaus.
Bitte melde dich an um einen Beitrag zu schreiben. Anmeldung ist kostenlos und dauert nur eine Minute.
Bestehender Account
Schon ein Account bei Google/GoogleMail? Keine Anmeldung erforderlich!
Mit Google-Account einloggen
Mit Google-Account einloggen
Noch kein Account? Hier anmelden.









