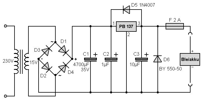
Hallo, und zwar sitze ich grad an einem kleinen Projekt und dazu brauch ich einen Blei Gel Akku. Die Ladeschaltung wollte ich mir zu lernzwecken selbst zusammenwürfeln und hab mich mal bisschen schlau gemacht, da schreibt der Ersteller der Schaltung "Der Ladestrom wird auf etwa 1,5 Ampere begrenzt. Wird die Ladeschlußspannung von 13,8 Volt erreicht, sinkt der Strom auf 0 Ampere ab". Wieso genau sinkt der Strom auf 0 Ampere? Der Innenwiderstand wird meines Wissens ja immer kleiner je voller der Akku ist.. das würde doch bedeuten das der Strom steigen sollte? Übersehe ich was? Entschuldigt die Anfängerfrage nur würde das bisschen zur Verständnis beitragen. Grüße Dennis
Dennis K. schrieb: > Wieso genau sinkt der Strom auf 0 Ampere? Es ist Aufgabe des Reglers, dieses zu tun! Das steht sogar im Datenblatt des Reglers! Denn der wurde genau dafür erfunden/entwickelt Siehe hier, "Output voltage" auf Table 4: http://www.farnell.com/datasheets/1767487.pdf
Dennis K. schrieb: > Wird die Ladeschlußspannung von 13,8 Volt erreicht, sinkt der Strom auf 0 Ampere ab". Das eine Eigenschaft des Bleiakkus, wenn voll, nimmt der von sich aus keinen Strom mehr auf. "Null Ampere" kann man sagen, real werden es aber, je nach Größe, noch einige Dutzend-mA sein. Bei gebrauchten 7Ah-Blei-Gel bekomme ich typisch um 100 mA Reststrom. Schaue Dir das Datenblatt vom Pb137 genau an: Die Diode 1N4007 über den gehört weg. Für den Pb137 ist ausdrücklich spezifiziert, dass der ohne Eingangsspannung am vollen Akku nur wenige µA rückwärts zieht! Wenn Du diese vom Chinesen kaufst, nachmessen - ich wurde beschissen (Nov. 2016), die angeblichen Pb137 waren umgelabelte 7809 und wären stumpf abgefackelt. Ich habe dann zwei von Conrad geholt, die tun genau das, was im Datenblatt steht!
Arduino Fanboy D. schrieb: > Dennis K. schrieb: >> Wieso genau sinkt der Strom auf 0 Ampere? > Es ist Aufgabe des Reglers, dieses zu tun! > > Das steht sogar im Datenblatt des Reglers! Damit bin ich nicht einverstanden: Der Regler stellt doof seine 13,7 Volt zur Verfügung, den Endstrom bestimmt der angeschlossene Akku.
Manfred schrieb: > Der Regler stellt doof seine 13,7 > Volt zur Verfügung, Genau das steht im Datenblatt... Klar, kannst du jetzt noch kaputte Akkus ins Spiel bringen... Das macht aber keinen Sinn.
Manfred schrieb: > Damit bin ich nicht einverstanden: Der Regler stellt doof seine 13,7 > Volt zur Verfügung, den Endstrom bestimmt der angeschlossene Akku. Das würde aber bedeuten das man Bleiakkus kaum überladen kann, man liest aber immer wieder das sich Bleiakkus überladen haben und dadurch zu gasen beginnen.. Wie kann sowas passieren wenn der Akku den Strombegrenzen sollte? Nur durch eine Überspannung oder wie kommt sowas?
Manfred schrieb: > Arduino Fanboy D. schrieb: >> Dennis K. schrieb: >>> Wieso genau sinkt der Strom auf 0 Ampere? >> Es ist Aufgabe des Reglers, dieses zu tun! >> >> Das steht sogar im Datenblatt des Reglers! > > Damit bin ich nicht einverstanden: Der Regler stellt doof seine 13,7 > Volt zur Verfügung, den Endstrom bestimmt der angeschlossene Akku. Stromfluss wird hervorgerufen durch einen Spannungsunterschied. Und zwar zwischen Ladegerät und Akku. Wenn der Unterschied groß ist (leerer Akku), dann fließt viel Strom. Wenn der Unterschied klein ist (voller Akku = Spannung am Ladegerät), wo soll dort noch ein Stromfluss herkommen? Klar, bis auf 0mA wird der Strom nicht sinken, aber er geht mit voller werdendem Akku "gegen" Null. Immer vorausgesetzt, vom Ladegerät kommt die Ladeschluss-Spannung des Akkus.
Danke, meine Frage ist damit beantwortet. War mir nicht ganz sicher^^ Grüße
Arduino Fanboy D. schrieb: > Manfred schrieb: >> Der Regler stellt doof seine 13,7 >> Volt zur Verfügung, > Genau das steht im Datenblatt... > Klar, kannst du jetzt noch kaputte Akkus ins Spiel bringen... > Das macht aber keinen Sinn. Was steht im Datenblatt? Dort steht, dass der Pb137 bis über 1,5 Ampere liefern kann und maximal 13,84 / 13.97 Volt herausgibt. Er verfügt über keinereli Abschaltfunktion! Klemme einen Akku ans Labornetzgerät, nehme Ströme auf und dann komm wieder. Dennis K. schrieb: > Das würde aber bedeuten das man Bleiakkus kaum überladen kann, man liest > aber immer wieder das sich Bleiakkus überladen haben und dadurch zu gasen beginnen.. "Man liest" hoffentlich auch die zugehörigen Details? Praktisch alle Hersteller von Blei-Gel beschreiben als Bereitschaftsparallelbetrieb 13,8 Volt, diese dürfen also dauerhaft am Akku anliegen. Für Zyklenbetrieb geht man in der Spannung höher, etwa bei 14,5 Volt beginnen die Dinger zu gasen und vertragen diese Ladespannung nicht im Dauerbetrieb. Nimm nochmal einen sorgfältigen Blich auf "npn": npn schrieb: > Immer vorausgesetzt, vom Ladegerät kommt die Ladeschluss-Spannung des Akkus.
Manfred schrieb: > Er verfügt über > keinereli Abschaltfunktion! Wo habe ich was von "Abschaltfunktion" gesagt? Du siehst Gespenster.
Dennis K. schrieb: >Wieso genau sinkt der Strom auf 0 Ampere? Der Innenwiderstand wird >meines Wissens ja immer kleiner je voller der Akku ist.. das würde doch >bedeuten das der Strom steigen sollte? Übersehe ich was? Es ist der Innenwiderstand beim Entladen gemeint, es hat also mit dem Laden nichts zu tun. Beim Laden steigt die Zellspannung zunehmend an, wenn zwei gleichgroße Spannungen parallel geschaltet sind fließt kein Strom mehr.
Es gibt nicht die Ladeschlussspannung. Sie ist unter anderem von der Elektrolyttemperatur abhängig (sieh Datenblatt)
Bitte melde dich an um einen Beitrag zu schreiben. Anmeldung ist kostenlos und dauert nur eine Minute.
Bestehender Account
Schon ein Account bei Google/GoogleMail? Keine Anmeldung erforderlich!
Mit Google-Account einloggen
Mit Google-Account einloggen
Noch kein Account? Hier anmelden.

