Ich bin seit gestern früh auf der Suche nach einer Alternative zu einem Relais, das auf mehreren Modulen verbaut ist. Das dort eingesetzte Schrack V23057-B0006-A401 hat einen Schaltkontaktabstand von 2,5mm: https://www.schrack-technik.de/shop/rp-printrelais-1w-8a-24v-dc-2-5mm-v23057-b0006-a401-rp510024-e.html Üblich sind da eher 3,2mm bzw. 3,5mm, und so habe ich inzwischen die "üblichen" (und auch unüblichen) Hersteller durchforstet und keine Alternative zu diesem 2,5mm-Schrack Relais gefunden. Nun die Frage in die Runde: habe ich eines übersehen, oder gibts tatsächlich nur die "Alternative", alle betroffenen Platinen ändern zu lassen?
Man kann 3.5mm Anschlüsse immer auf 2.5mm zusammenbiegen, wichtiger ist, daß das "Dreieck" richtigrum ist. Ausserdem gibt es Schrack-Relais immer noch, heisst jetzt nur TE Connectivity. https://www.google.de/search?q=V23057-B0002-A401 Das habe ich doch erst vor 5 Tagen hier im Forum gezeigt. Beitrag "Re: altes Relais ersetzen"
Wenn es im deutliche Kostenreduzierung geht Layout ändern. Ansonsten ist das bisher eingesetzte Relais ja weiterhin problemlos beschaffbar wenn auch im Vergleich zu den heute üblichen Standard-Varianten nicht gerade günstig.
Lothar M. schrieb: > Das dort eingesetzte Schrack V23057-B0006-A401 hat einen > Schaltkontaktabstand von 2,5mm: > Üblich sind da eher 3,2mm bzw. 3,5mm, und so habe ich inzwischen die > "üblichen" (und auch unüblichen) Hersteller durchforstet und keine > Alternative zu diesem 2,5mm-Schrack Relais gefunden. ??? ich verstehe nicht was du meinst, 2,5mm Raster, aber die Abstände sind doch bei deinem auch min 5mm Finder Serie 40 51/52 passen
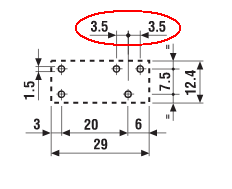
Joachim B. schrieb: > ich verstehe nicht was du meinst, 2,5mm Raster Die drei Kontaktpins (siehe Bild oben im ersten Post) passen auf ein 2,5mm Raster. > Finder Serie 40 51/52 passen Die haben die "üblichen" 3,5mm. Und dieses 3,5mm-Pinout gibts ja (wie das 3,2mm-Pinout) an jeder Ecke von jedem Hersteller... Michael B. schrieb: > Man kann 3.5mm Anschlüsse immer auf 2.5mm zusammenbiegen, wichtiger ist, > daß das "Dreieck" richtigrum ist. Das mit dem "Dreieck" macht die Sache nicht einfacher, und zudem geht es um etwa 10.000 pro Jahr auf mehreren Platinen. Mikki M. schrieb: > weiterhin problemlos beschaffbar wenn auch im Vergleich zu den heute > üblichen Standard-Varianten nicht gerade günstig. Damals(tm) war dieses Pinning auch noch "Standard", und offenbar wissen die auch, dass sie die einzigen mit diesem Pinout sind. Wahrscheinlich wurde deshalb auch der Preis "angepasst". > Wenn es im deutliche Kostenreduzierung geht Layout ändern Wird wohl mittelfristig drauf raus laufen. Der Break-Even ist beim jetztigen Relais-Preis ja recht schnell erreicht ;-)
wie kritisch sind denn die Abmessungen, beim Original sind es 28x25x10,5
Lothar M. schrieb: >> Finder Serie 40 51/52 passen > Die haben die "üblichen" 3,5mm. Und dieses 3,5mm-Pinout gibts ja (wie > das 3,2mm-Pinout) an jeder Ecke von jedem Hersteller... nein, schau doch rein! nicht einfach was behaupten! https://www.finder-relais.net/de/finder-relais-serie-40.pdf 3,5mm ist Serie Serie 40.31 40.51 und 40.52 haben mehrfache von 2,5mm
bingo schrieb: > wie kritisch sind denn die Abmessungen, beim Original sind es 28x25x10,5 Kein Problem in keiner Dimension. Ein paar mm sind da jeweils noch Luft (gut, in der Breite sollten es höchstens 12,5 sein...) Joachim B. schrieb: > mehrfache von 2,5mm Ich brauche aber eben genau das einfache von 2,5mm, halt so wie im Bild ganz oben. Oder hier das M15F im Pinout -001 von Carlo Gavazzi (das ist aber leider auch NRND und eigentlich nicht mehr verfügbar). https://www.gavazzionline.com/pdf/M15_eng.pdf Am liebsten wäre mir, wenn ich bei Google so viele Ergebnisse, wie ich für "printrelais 3.2mm" oder "printrelais 3.5mm" finde, auch für "printrelais 2.5mm" fände. Oder eben wenigstens eins oder zwei wirklich verfügbare. Dass das Kontaktmaterial AgSnO2 sein sollte, das steht dann gleich als Nächstes auf der Liste... ;-)
Lothar M. schrieb: > Ich brauche aber eben genau das einfache von 2,5mm, halt so wie im > Bild ganz oben ist unverständlich ich denke du meinst statt 2x 3,5mm -> 7mm eben 2x 2,5 = 5mm Abstand der Umschaltkontakte?
Omron G2L-1-V Sind aber wohl auch obsolet.
Joachim B. schrieb: > ich denke du meinst statt 2x 3,5mm -> 7mm eben 2x 2,5 = 5mm Abstand der > Umschaltkontakte? Meint er ja auch. Nur haben die Finder eben 2x5 = 10mm.
Lothar M. schrieb: > V23057-B0006 Sind ja gar nicht obsolet. > -A401 Lediglich mit AgCdO-Kontakten gibts die nicht mehr.
Dieter W. schrieb: > Meint er ja auch. Nur haben die Finder eben 2x5 = 10mm alles klar nur umständlicher konnte man es ja kaum beschreiben. Ich bin nicht mal sicher ob man die mit 7mm Abstand nicht doch in 5mm einfummeln kann, OK ist mühsam und nicht die feine Art, aber für Einzelstücke wird es gehen.
Lothar M. schrieb: > Am liebsten wäre mir, wenn ich bei Google so viele Ergebnisse, wie ich > für "printrelais 3.2mm" oder "printrelais 3.5mm" finde, auch für > "printrelais 2.5mm" fände Tja nun, die Leute, die für 3.5mm layoutet haben, freuen sich, daß das grössere Angebot auf ihrer Seite ist. hinz schrieb: > Sind ja gar nicht obsolet. Sie sind ihm zu teuer, kosten wohl 50ct mehr als die 3.5er. Bei >10000 pro Jahr kann er ja mal die Leiterplatte beim nächsten Batch ändern, die 2 Pins zu verschieben, kostet keine 50ct. Cadmiumkontakte rauszuwerfen ist sowieso angeraten.
hinz schrieb: > Lediglich mit AgCdO-Kontakten gibts die nicht mehr. Schukat hat angeblich noch eine ganze Menge: https://www.schukat.com/schukat/schukat_cms_de.nsf/index/warengruppe?OpenDocument&wg=E6413
hinz schrieb: > Sind ja gar nicht obsolet. Habe ich ja zum Glück nicht behauptet. Sondern eben nur, dass ich Alternativen suche, weil die Dinger sackteuer geworden sind. Michael B. schrieb: > Sie sind ihm zu teuer, kosten wohl 50ct mehr als die 3.5er. Schlecht geschätzt: sie kosten seit kurzem knapp 8€ pro Stück bei obigen Stückzahlen! Da bekomme ich ein beliebiges Anderes ohne jede Verhandlung für weniger als die Hälfte. > die 2 Pins zu verschieben, kostet keine 50ct. Wenn man die Begriffe "externes Layout", "Serienfertigung" und "Dokumentation" stillschweigend ignoriert. Joachim B. schrieb: > für Einzelstücke wird es gehen. Lothar M. schrieb: >>> zudem geht es um etwa 10.000 pro Jahr Aber ich sehe schon, dass der Tenor hier im Thread in etwa so geht: "Nein, ich weiß kein passendes Relais!". Wird wohl auf 3 Platinenänderungen rauslaufen.
Lothar M. schrieb: > Wird wohl auf 3 Platinenänderungen rauslaufen... Rechnet sich doch bei der Stückzahl ratzfatz.
hinz schrieb: > Rechnet sich doch bei der Stückzahl ratzfatz. Vollkommen klar und schon durchgerechnet (samt Beschaffung und Qualifizierung, Klimaschrank, usw). Aber wenn da jetzt einer eine (günstigere) Alternative gehabt hätte, dann könnte man die Änderung lässig auf einen Wunschzeitpunkt verschieben. Dann hätte man den derzeitigen Plan A (3 x Redesign) zum Plan B machen können...
Inzwischen habe ich noch 2 gefunden, die Anfrage läuft: NTE R24-5D10-24V Dold OA5652-669 Das von Dold gibts mit der Bauvorschrift -669 sogar mit AgSnO2 Kontakten. Das Original gibts unter neuer Artikelnummer von Tyco TE 8-1393215-5 Die Verfügbarkeit stellt sich allerdings recht ambivalent dar. Da scheint irgendwas im Busch zu sein. Und bei Gelegenheit wird dann mal das Layout geändert... ;-)
Bitte melde dich an um einen Beitrag zu schreiben. Anmeldung ist kostenlos und dauert nur eine Minute.
Bestehender Account
Schon ein Account bei Google/GoogleMail? Keine Anmeldung erforderlich!
Mit Google-Account einloggen
Mit Google-Account einloggen
Noch kein Account? Hier anmelden.



