Hi, Ich bin gerade am Design einer Platine mit CAN und einem STM32. Nun habe ich bereits einen 3.3V kompatiblen Treiber gefunden: http://www.ti.com/lit/ds/symlink/tcan330.pdf Bezüglich TX/RX uC zum Treiber bin ich mir noch nicht ganz sicher. Es sieht aber so aus, als wäre TXD des CAN Treibers ein Eingang, daher gehört dort auch TX des uC dran, oder? Bezüglich Abblockung und Schutzdioden etc. wird im Datenblatt nichts angegeben, daher setze ich auf den bewährten 100nF an VCC. Denkt ihr, eine TVS Diode wäre noch sinnvoll an CANH und CANL? Was würdet ihr noch ändern, ergänzen oder allenfalls entfernen? Ich werde S und SHDN wohl nicht an den uC hängen. Die haben ja interne Pull-Downs. Oder muss ich S wie bei RS485 zum senden verwenden?
Bert S. schrieb: > Was würdet ihr noch ändern Schwer zu sagen, du hast vergessen, dein Design anzuhängen. > Denkt ihr, eine TVS Diode wäre noch sinnvoll an CANH und CANL? Kommt drauf an, welche Störungen du erwartest oder wo es eingebaut werden soll. > sieht aber so aus, als wäre TXD des CAN Treibers ein Eingang, > daher gehört dort auch TX des uC dran, oder? Ja
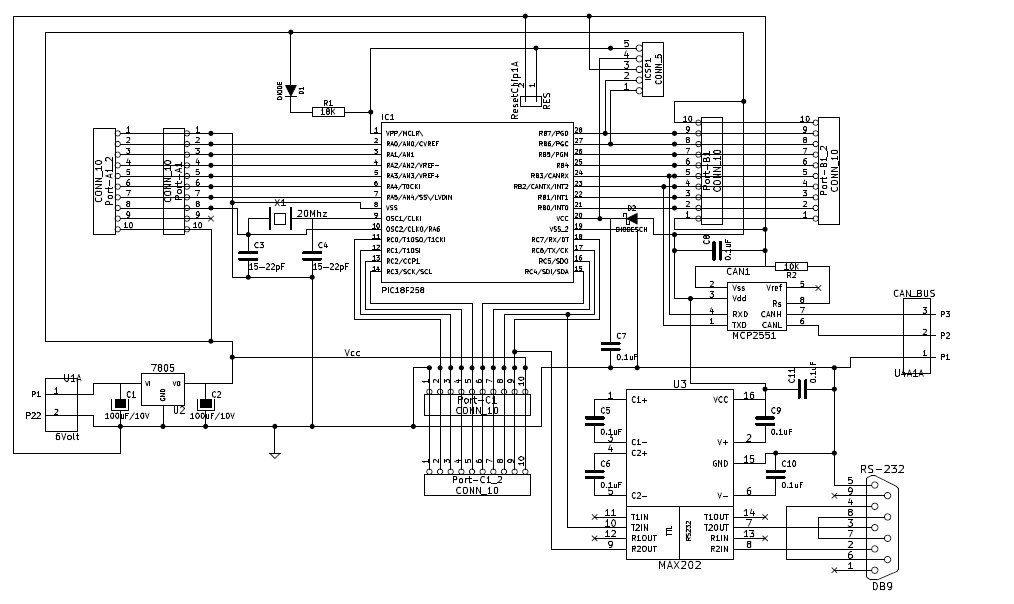
Stefanus F. schrieb: > Schwer zu sagen, du hast vergessen, dein Design anzuhängen. Ups, habe es nun angehängt.
Guck nochmal ins Datenblatt, Kapitel 13. Es empfiehlt einige Bauteile mehr und sogar ein konkretes Layout. Die Begründung dafür befindet sich im Text.
Bert S. schrieb: > Bezüglich TX/RX uC zum Treiber bin ich mir noch nicht ganz sicher. Es > sieht aber so aus, als wäre TXD des CAN Treibers ein Eingang, daher > gehört dort auch TX des uC dran, oder? Ja. > Bezüglich Abblockung und Schutzdioden etc. wird im Datenblatt nichts > angegeben, daher setze ich auf den bewährten 100nF an VCC. Sinnvoll. > Denkt ihr, > eine TVS Diode wäre noch sinnvoll an CANH und CANL? Nein. Die Tranceiver haben genügend ESD-Schutz eingebaut, um die allermeisten Anwendungsfälle abzudecken. Eine WIRKLICH gescheite Schutzschaltung besteht meistens aus deutlich mehr als eine TVS-Dioden. Vor allem Know How. > Was würdet ihr noch ändern, ergänzen oder allenfalls entfernen? > Ich werde S und SHDN wohl nicht an den uC hängen. Die haben ja interne > Pull-Downs. Oder muss ich S wie bei RS485 zum senden verwenden? Nein. PS https://www.mikrocontroller.net/attachment/411064/CAN.png Diese Art "Schaltplan" ist Hipster-Müll! Gerade bei so einfachen Komponenten zeichnet man einen ganz normalen, zusammenhängenden Schaltplan! Schaltplan richtig zeichnen
Und mal zum Thema ESD "Protection Features: – ESD Protection of Bus Terminals – HBM ESD Protection Exceeds ±25 kV – IEC61000-4-2 ESD Contact Discharge Protection Exceeds ±12 kV" Das baut der Durchschnittsbastler mal sicher nicht besser auf.
Stefanus F. schrieb: > Guck nochmal ins Datenblatt, Kapitel 13. Es empfiehlt einige Bauteile > mehr und sogar ein konkretes Layout. Die Begründung dafür befindet sich > im Text. Ja, aber ich verwende weder standby mode, noch silent mode, daher fällt alles an S und SHDN weg. Weiter muss ich TX und RX nicht schützen, da die direkt vom uC kommen und nicht extern anzapfbar sind. Die Terminierung mache ich über einen Jumper mit einem einfachen 120Ohm. Da braucht es eigentlich nur noch die Bulk Kapazität. Welche Grössnordnung sollte die Bulk etwa haben, so 4.7uF? Falk B. schrieb: > PS > > https://www.mikrocontroller.net/attachment/411064/CAN.png > > Diese Art "Schaltplan" ist Hipster-Müll! Gerade bei so einfachen > Komponenten zeichnet man einen ganz normalen, zusammenhängenden > Schaltplan! > > Schaltplan richtig zeichnen Das ist nur ein kleiner Ausschnitt aus einem A3 Schaltplan. Ich mache nachher noch eine Box mit Beschreibung drum herum.
Bert S. schrieb: > Das ist nur ein kleiner Ausschnitt aus einem A3 Schaltplan. Ich mache > nachher noch eine Box mit Beschreibung drum herum. [ ] Du hast das Problem verstanden.
Bei meinem letzten Layout, in Sachen CAN, habe ich richtig große Kondensatoren, am Treiber platziert. Im Manual (anderer Chip) stand etwas von ... 70mA - kein Wunder bei 2 mal 120 Ohm (60 Omas) Abschlusswiderstand und einer Schalterei im MHz-Bereich. Also sei mal nicht zu Geizig.
Sebastian S. schrieb: > Bei meinem letzten Layout, in Sachen CAN, habe ich richtig große > Kondensatoren, am Treiber platziert. So RICHTIG GROßE???? So 1000 uF und mehr? Oder was? > Im Manual (anderer Chip) stand etwas von ... 70mA - kein Wunder bei 2 > mal 120 Ohm (60 Omas) Abschlusswiderstand Ja und? Das schalten andere ICs, sogar Logi ICs auch. >und einer Schalterei im > MHz-Bereich. Bla. Normales CAN geht nur bis 1 Mbit/s > Also sei mal nicht zu Geizig. So ein CAN-Tranceiver braucht keine riesigen Kapazitäten. Die obligatorischen 100nF reichen meist. Angsthadten spendieren noch 5-10uF als Tantal oder Alu-Elko und gut. So eine DC-Stromversorgung ist kein Brückengleichrichter, da braucht man KEINE Riesenkondensatoren.
Eine Vogelart :-) Nein, gemeint ist vermutlich eine Common Mode Choke (CMC), welche manchmal vor dem CAN Transceiver sitzt.
HansImLot schrieb: > Eine Vogelart :-) > > Nein, gemeint ist vermutlich eine Common Mode Choke (CMC), welche > manchmal vor dem CAN Transceiver sitzt. Als EMV Maßnahme. Für die strengeren Vorgaben der Automobilindustrie.
Stefanus F. schrieb: >> CAN Drossel > > Was soll das sein? Eine speziell auf CAN abgestimmte stromkompensierte Drossel (auch Common Mode Filter genannt), zum Beispiel eine ACT1210-101-2P-TL00.
Vor Jahren habe ich das so gemacht. Keine Kommunikationsprobleme mit fremden Einheiten (PC, SPS...)
Bitte melde dich an um einen Beitrag zu schreiben. Anmeldung ist kostenlos und dauert nur eine Minute.
Bestehender Account
Schon ein Account bei Google/GoogleMail? Keine Anmeldung erforderlich!
Mit Google-Account einloggen
Mit Google-Account einloggen
Noch kein Account? Hier anmelden.

