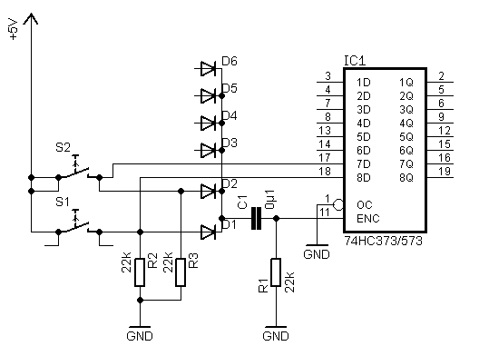
Hier eine kleine Schaltung, die ich vor langer Zeit mal gemacht habe, um eine Video Kreuzschiene zu bedienen. Bis zu 8 Digitaster erzeugen ein Taktsignal über die Dioden und latchen damit den Zustand der Eingänge in das 373/573 Register. Die Pinbelegung im Bild ist fürs 373, das 573 ist anders belegt. Jeer Taster hat ein Pulldown, geht direkt ans Latch und an die Diodensammelschiene für den Taktpuls. Zwei Taster sind gezeichnet, ein paar andere mit den Dioden nur angedeutet. Gleichzeitiges Drücken von mehreren Tastern latcht auch diesen Zustand, man kann also kombinieren. Besonders schön wird es mit Digitastern, die LED haben. Mit Vorwiderstand kann so ein 373/573 problemlos die LED ansteuern.
Das funktioniert? Ich mein, wie entlädt sich der Kondensator wieder? Leckstrom?
Jens M. schrieb: > Ich mein, wie entlädt sich der Kondensator wieder? Leckstrom? Der Leckstrom reicht bei mir aus. Aber man kann noch einen Widerstand zusätzlich einbauen.
Das Latch hat keinen internen Reset, d.h. beim Einschalten ist der Zustand zufällig. Matthias S. schrieb: > Gleichzeitiges Drücken von mehreren Tastern latcht auch diesen Zustand, > man kann also kombinieren. Wie drückt man z.B. 3 Tasten gleichzeitig innerhalb von 2ms? Ich würde z.B. einen ATtiny2313 nehmen. Dann kann man die Ausgänge gegenseitig verriegeln oder sich den letzten Zustand im EEPROM merken.
Peter D. schrieb: > Ich würde z.B. einen ATtiny2313 nehmen. Die Schaltung ist von etwa 1990 und stammt aus der Zeit meiner U-Matic Rekorder. Für jemanden, der keine MC programmieren kann, ist sie durchaus brauchbar. Damals gabs noch keine kleinen MC, sondern nur 8051. Peter D. schrieb: > Wie drückt man z.B. 3 Tasten gleichzeitig innerhalb von 2ms? Mit 3 Fingern auf drei Digitastern.
Matthias S. schrieb: > Die Schaltung ist von etwa 1990 und stammt aus der Zeit meiner U-Matic > Rekorder. Für jemanden, der keine MC programmieren kann, Nun, das Alter und das NichtKönnenWollen sind ja durchaus Entschuldigungsgründe. Ich hab mal ein Radio aus den 80ern gesehen, wo die Tipptasten mit kleinen Thyristoren gemacht wurden. Gelöscht wurden die durch Kondensatorumladung. War ne ganze LP voll Zeugs. Aber heutzutage sollte sowas unter "Museum" rangieren. Siehe die Beiträge über chinesische OTP-Controller für 3..5 Cent oder so. Wer sich heutzutage weigert, etwas vom µC-Programmieren verstehen zu wollen, begibt sich ins Abseits. Und wer das tatsächlich nicht KANN, braucht nen anderen Job. W.S.
Hallo, W.S. schrieb: > Wer sich heutzutage weigert, etwas vom µC-Programmieren verstehen > zu wollen, begibt sich ins Abseits. Manchmal ist weniger Weigerung als mehr Desinteresse sich in das durchaus komplexe Thema Mikrocontroller und ihre Programmierung einzuarbeiten, denn... > Und wer das tatsächlich nicht KANN, braucht nen > anderen Job. ...es gibt in diesem Forum durchaus Leute, die mit sich mit Elektronik beschäftigen ohne damit Geld zu verdienen. rhf
Matthias S. schrieb: > Mit 3 Fingern auf drei Digitastern. Geht mit dieser Schaltung eben nicht, weil spätestens 2ms nach der ersten Taste dann die restlichen beiden Taster gedrückt sein müssen. Denn 2ms nach der ersten Taste erkennt das Latch die fallende Flanke vom C1/R1 und übernimmt die bis dahin betätigten Taster. Mit R1 = 220k wären das schon mal 20ms und mit C1 = 470n dann gute 100ms. Und mit dieser Zeit haben auch normale Menschen die Chance, mehrere Tasten "gleichzeitig" zu drücken...
Matthias S. schrieb: > Die Schaltung ist von etwa 1990 [snip] > Damals gabs noch keine kleinen MC, sondern nur 8051. Von Dir hätte ich eine genauere Antwort erwartet. Mitte 80'er gab es bereits 68HC05 (klein!) und 68HC11. Wann die PICs kamen habe ich nun nicht nachgeschlagen. Auch bleibe ich in der 8-bit-Welt, denn 4-bitter...
Hystoriker schrieb: > Mitte 80'er gab es bereits 68HC05 (klein!) und 68HC11. Oh, ich habe damals auch mit 6802, 6502 usw. rumgemacht, aber das wäre für den angegebenen Zweck zu teuer gewesen und auch viel zu gross (EPROM, Latch usw.) Der 8051 hat damals den Einzelbildrecorder gesteuert (ein völlig wahnsinniges Projekt aus Videorecorder und ST506 Festplatte), aber ich hätte ihn sicher nicht für irgendwelche Tastensätze verschwendet. Die Videokreuzschiene war dabei noch etwas anders, als im Schaltbild angegeben. Die Recorder waren alle mit V-Sync synchronisiert und da, wo heute +5V an den Tasten steht, kam das vertikale Synchronsignal dran. Damit konnte man mit dieser Schaltung genau in der Austastlücke die Videoquelle umschalten. (und dann klappt das auch mit multiplen Tasten) Das war mir in der Zwischenzeit entfallen. Aber wenn euch das nicht gefällt, dann könnt ihr den Thread ja löschen. Ich hatte ihn für solche Themen hier mal reingestellt: Beitrag "Suche Schaltungvorschlag"
Bitte melde dich an um einen Beitrag zu schreiben. Anmeldung ist kostenlos und dauert nur eine Minute.
Bestehender Account
Schon ein Account bei Google/GoogleMail? Keine Anmeldung erforderlich!
Mit Google-Account einloggen
Mit Google-Account einloggen
Noch kein Account? Hier anmelden.

