Hi, ich würde gerne zwei Spannungen parallel messen mit einem Arduino bis 60V. Ich bin Anfänger und finde leider nur Module bis 25V. Gibt es sowas fertig auch bis 60V? Ich möchte gerne eine Netzteilüberwachung bauen, welche zwei Ausgänge auf anliegender Spannung prüft. Es muss also nicht so genau sein wie ein Messgerät, auf 1V genau würde reichen. Viele Grüße, Nils
Mit 2 Widerständen kann man eine Spannung herunterteilen. Z.B. von 60V auf 3V. Das nennt sich dann "Spannungsteiler".
Nils R. schrieb: > parallel messen mit einem AVR8 ist das Vorhaben mit der vorhandenen Hardware nicht möglich.
Hallo, die beiden Spannungen lassen sich mittels zweier Spannungsteiler vermindern. MfG
Karl M. schrieb: > Nils R. schrieb: >> parallel messen > > mit einem AVR8 ist das Vorhaben mit der vorhandenen Hardware nicht > möglich. Hat der nicht mehrere analoge Eingänge? Reicht wirklich ein einfacher Spannungsteiler, gibt es da nachteile? Hätte gedacht die Schaltungen sind komplizierter da man diese auch fertig kaufen kann, aber das scheint doch sehr übersichtlich. Viele Grüße, Nils
Nils R. schrieb: > Hätte gedacht die Schaltungen sind komplizierter da man diese auch > fertig kaufen kann Meinst du sowas hier? https://www.instructables.com/id/Arduino-Voltage-Sensor-0-25V/ Guck mal genau hin, was da drauf ist... 2 Widerstände. http://www.energiazero.org/arduino_sensori/arduino%2025v%20voltage%20sensor%20module.pdf
Mhh, stimmt. Super, das bekomme ich auch selber hin. Wäre nur noch die frage warum mit dem AVR8 das nicht gehen soll. Würde den Arduino every nehmen da schön klein und dieser kommt mit 12V Versorgungsspannung gut aus, oder?
Nils R. schrieb: > Hat der nicht mehrere analoge Eingänge? Ja, aber nicht parallel, was i.A. nicht gleichzeitig bedeutet. Schön nacheinander schon! Man muss nur mal Datenblatt eines AVR8 lesen und nicht raten.
Da hier die Spannung 60v über den 42V liegt, würde ich einen externen isolierten Chip verwenden. Dann kann natürlich auch wieder ein kleiner AVR8 Tiny sein, der über einen Optokoppler seine Daten seriell nach Aufforderung senden. Also klassisch ein Client -> Server Protokoll.
Nils R. schrieb: > Würde den Arduino every nehmen da schön klein und dieser kommt mit 12V > Versorgungsspannung gut aus, oder? 12V? Sicher??
60V ist noch nicht gefährlich darüber schon. Mit Spannungsteiler ist es so, dass deine Messspannung und dein uC auf dem gleichen Potential liegen sollten zum Beispiel wenn dein uC über einen Linearregler aus den 60V versorgt wird oder wenn dein uC über einen Linearregler aus einer externen Stromversorgung versorgt wird derren Ground mit dem Ground deiner 60V Quelle verbunden sind. Wenn nicht solltest du zum messen der 60V ein Instrumentationsverstärker nutzen.
Jörg R. schrieb: > Arduino every Arduino Nano Every - basiert auf dem ATMega4809 Microcontroller. Auf dem Arduino Nano Every Platinchen ist dann noch ein MPM3610 - Step-Down Converter für 5V und AP2112K - LDO Spannungsregler für 3.3V drauf. Das Ganze kann dann mit 12V beheizt werden. MfG von der Spree Frank
Frank S. schrieb: > Jörg R. schrieb: >> Arduino every > > Arduino Nano Every - basiert auf dem ATMega4809 Microcontroller. > > Auf dem Arduino Nano Every Platinchen ist dann noch ein > MPM3610 - Step-Down Converter für 5V und > AP2112K - LDO Spannungsregler für 3.3V drauf. > > Das Ganze kann dann mit 12V beheizt werden. Danke für den Hinweis;-) Das Board kannte ich bisher nicht. Deshalb war ich etwas verwundert.
Jörg R. schrieb: > Das Board kannte ich bisher nicht. Deshalb war > ich etwas verwundert. Ich auch nicht. Jörg R. schrieb: > 12V? Sicher?? Die Frage lag mir auch auf der Tastatur. Deswegen war ich mal neugierig. MfG von der Spree Frank
Nils R. schrieb: > Hat der nicht mehrere analoge Eingänge? Ja, aber nur einen Analog-Digital Wandler. Daher kann der Arduino nur eine Spannung zur Zeit messen.
Nils R. schrieb: > Ich möchte gerne eine Netzteilüberwachung bauen, > welche zwei Ausgänge auf anliegender Spannung prüft. Haben die zwei Spannungen das selbe negative Bezugspotential (GND)?
Wolfgang schrieb: > Nils R. schrieb: >> Hat der nicht mehrere analoge Eingänge? > > Ja, aber nur einen Analog-Digital Wandler. > Daher kann der Arduino nur eine Spannung zur Zeit messen. Was nur wirklich vollkommen irrelevant ist. Ein Arduino kann auch immer nur eine Sache zu einer Zeit tun. Selbst wenn die Hardware zwei separate ADC hätte, könnte man die Messungen trotzdem immer nur nacheinander ausführen. Zumindest wenn man das Arduino-Framework verwenden will. Ich zitiere dazu: Nils R. schrieb: > Ich bin Anfänger Route_66 H. schrieb: > Haben die zwei Spannungen das selbe negative Bezugspotential (GND)? Aha. Endlich. Im 15. Antwortpost und nach drei vollkommen sinnlosen Hinweisen darauf, daß ein AVR nur einen ADC hat, kommt endlich die eine Frage, die schon ganz zu Beginn gestellt werden mußte. Denn nur wenn die beiden Spannungen und der Arduino das gleiche GND Potential haben und wenn beide Spannungen positiv sind, nur dann geht das so einfach mit zwei Spannungsteilern. Angesichts von: Nils R. schrieb: > Ich möchte gerne eine Netzteilüberwachung bauen sehe ich da noch ein paar Fragezeichen dahinter.
Axel S. schrieb: > Nils R. schrieb: >> Ich möchte gerne eine Netzteilüberwachung bauen > > sehe ich da noch ein paar Fragezeichen dahinter. Ich auch. Aber (und normalerweise schlage ich vor, einen Mikrocontroller zu nehmen) dafür gibt es auch ganz andere Schaltungen. Crowbar z. B. wäre eine Lösung für zu viel Spannung.
Die Hauptfrage ist, ob die beiden Spannungen und die Auswerteschaltung einen gemeinsamen GND haben oder die Messung galvanisch getrennt erfolgen muß.
Hi, die Masse ist überall gleich. Nur eines der Netzteile muss ich entkoppeln beim Steuerpin, das ist aber nicht Teil der aktuellen Schaltung. Diese will ich erstmal mit den LEDs zum Laufen bekommen. Anbei nmal ein Update, im Simulator läuft es schon gut. Das Flipflop habe ich gelassen, um vor dem Bootup des Arduino einen sofortigen definierten Zustand zu haben. Zudme ist noch der Spannungswächter dabei, welcher den Flipflop und Arduino zurücksetzt. Schaut gerne mal drüber und gerne viel Kritik. Mit dem Pufferkondensator bin ich noch gerade am Anlesen über Größe und auch wegen Ladewiderstand. Viele Grüße, Nils
Denk aber dran daß P=60V²/10kOhm =360mW mit dem viertel-Watt Widerstand nicht mehr geht.
Jörg R. schrieb: > Du legst 12V auf A0...? Ja, aber nur einmal. Auch die Teiler mit 5,...V sind schon ziemlich an der Grenze. Ist díe Spannung da nur für einen kurzen Moment minimal höher, dann war's das auch.
Nils R. schrieb: > Anbei nmal ein Update Du teilst auf verschiedene Spannungen runter (2.5, 5 und 12V). Sinnvoller ist es, alle auf das gleiche Level zu teilen, um die maximale Auflösung zu erreichen. 12V ist keine gute Idee, da geht der Atmega kaputt. 5V ist auch nicht ideal, denn dann misst du gegen die 5V-Versorgung vom Atmega, die nicht als Referenz gedacht ist. Besser ist es, eine der internen Referenzen (0.55, 1, 1.5, 2.5 oder 4.3V) zu nutzen und dann auch auf diese Spannung zu teilen. Welche Referenz die stabilste ist, kannst du ja mal im Datenblatt des Atmega nachgucken.
Das mit den 12V ist mir heute morgen durchgegangen, ja. Die beiden Lipoeingänge sind beide für 60V. Ich hatte bei der Simulation zum Testen aber mal die Hälfte angelegt. Mit der Referenzspannung lese ich mal nach und passe die Widerstände an.
F. F. schrieb: > Ist die Spannung da nur für einen kurzen Moment minimal höher, dann > war's das auch. Da sei mal nicht so pessimistisch. Guck dir mal die Schaltung an. Hast du die Vorwiderstände (9.8kΩ bzw. 4.7kΩ) gesehen?
Wolfgang schrieb: > Guck dir mal die Schaltung an. > Hast du die Vorwiderstände (9.8kΩ bzw. 4.7kΩ) gesehen? Ok, aber einmal Ladegerät dran und die Schaltung ...
      Beitrag #6010741 wurde von einem Moderator gelöscht.
  
      
      
qwertzuiopü+ schrieb: > kannst du ja mal im Datenblatt des Atmega nachgucken. Dafür bin ich noch zu blöd, kann dem das nicht entnehmen: https://www.mouser.com/datasheet/2/268/40002016A-1308143.pdf Hab auch etwas gegoogelt aber nichts dazu gefunden. Die 60V sind die maximale Spannung, welche die Ladegeräte können. Die Lipos haben eine Ladeendspannung von 50V. Da habe ich zur Sicherheit etwas Puffer vorgesehen. Anbei auch mal der aktuelle Plan. Viele Grüße, Nils
Nils R. schrieb im Beitrag #6010741: > Anbei auch mal der aktuelle Plan. A0 liegt noch immer auf 12V. Nils R. schrieb im Beitrag #6010741: > Die Lipos haben eine Ladeendspannung von 50V Sicher? Wieviele Zellen in Serie hat der Akku? Nils R. schrieb: > Die Lipos haben eine Ladeendspannung von 50V. Da habe ich zur Sicherheit > etwas Puffer vorgesehen. Besser wäre es gleich konkrete Angaben zu machen.
Hi, A0 liegt bei mir auf 4V erstmal. Vielleicht bist du in ein altes Bild gerutscht. Ja, ich bin sicher mit 12S und bisher war es so genau wie mir zu dem Zeitpunkt möglich. Maximal können die Lader 14S was auch noch knapp drunter ist. Größte offene Punkte bei mir sind nun noch: - Referenzspannung - Design des Puffer-Elkos Werde da mal weiter googeln, aber ist schon sehr toll zu sehen wenn im Simulator der Arduino Code das richtige macht. Seht schönes Gefühl. Viele Grüße, Nils
Thomas W. schrieb: > Denk aber dran daß P=60V²/10kOhm =360mW mit dem viertel-Watt Widerstand > nicht mehr geht. Guter Hinweis. Aber: Er darf den Teiler gerne mindestens Faktor 10 größer auslegen. Es kommt nicht auf schnelle Reaktionen an, also vom AnalogIn noch einen Folienkondensator nach Masse - nach Verfügbarkeit und Tageslaune 0,1..1µF.
Hi, ich hab das mal ausprobiert und es verändert sich nichts. Ist das richtig so? Dieser würde doch nur die Spannung glätten der nicht?Die Belastung der Kondensatoren ändert sich auch nicht. Viele Grüße, Nils
Du hast noch immer 12V dran. Da du nicht das Arduino Board gezeichnet hast, sondern den Controller, wird der vielleicht einmal kurz rauchen und sonst nichts mehr weiter tun. Der verträgt max. 5V. Ich weiß gerade nur so ungefähr, aber ich meine aus dem Kopf zu wissen, max. Strom sind 200mA. Außerdem hast du an deinem Teiler immer noch ca. 350mW Strom. Den Hinweis gab dir schon jemand, dass du da keinen 1/4 Watt Widerstand benutzen kannst. Da kannst du einfach die Werte verdoppeln, dann fließt auch nur der halbe Strom. Wieso stehen am Teiler auf einmal 662mV? Da kommen unbelastet ca. 5,1V raus. Wenn du obSen 55k und unten 2,4k nimmst, würde das besser passen. Dann könntest du mit nem TL 431 ziemlich gut Vcc für den Controller auf Vcc halbe bringen, für deine Referenzspannung.
Nils R. schrieb: > ich hab das mal ausprobiert und es verändert sich nichts. Lesen und Verstehen sind nicht so Dein Ding: Manfred schrieb: > Aber: Er darf den Teiler gerne mindestens Faktor 10 größer auslegen. Es ist idiotisch, soviel Leistung in dem Teiler zu verblasen. Unten 10 kOhm hin, oben 120k, dann hat der gesamte Teiler knapp 30mW Verlustleistung. Der zusätzliche Kondensator macht dann die Messerei etwas stabiler, zwingend notwendig ist er nicht - in meinen Schaltungen setze ich den ein. F. F. schrieb: > Du hast noch immer 12V dran. > Da du nicht das Arduino Board gezeichnet hast, sondern den Controller, Die Beschriftungen in dem Kästchen VIN - 5V - 3V3 deuten schon darauf hin, dass Nils ein Arduinoboard meint. > wird der vielleicht einmal kurz rauchen > und sonst nichts mehr weiter tun. Nicht direkt. Solange der Gesamtstrom überschaubar ist, kann der A?1117-50 auf dem Board die 7V Differenz aushalten.
Manfred schrieb: > Nicht direkt. Solange der Gesamtstrom überschaubar ist, kann der > A?1117-50 auf dem Board die 7V Differenz aushalten. Nur hat er Vcc vom Controller aufgezeichnet und keinen Festspannungsregler. Wir wissen zwar was er meint, aber dann soll er es (wie wir alle zuvor) richtig lernen.
Manfred schrieb: > Lesen und Verstehen sind nicht so Dein Ding: > Manfred schrieb: >> Aber: Er darf den Teiler gerne mindestens Faktor 10 größer auslegen. > > Es ist idiotisch, soviel Leistung in dem Teiler zu verblasen. Unten 10 > kOhm hin, oben 120k, dann hat der gesamte Teiler knapp 30mW > Verlustleistung. > > Der zusätzliche Kondensator macht dann die Messerei etwas stabiler, > zwingend notwendig ist er nicht - in meinen Schaltungen setze ich den > ein. Hallo Manfred, anscheinend bist du nicht in der Lage dich richtig auszudrücken. Mir scheint dies so... 1. Das der Kondensator das Messen stabiler macht wusste ich schon. Du schreibst es nur nicht, sondern beziehst dich auf die Spannung des Spannungsteilers bzw. der Belastung der Widerstände. 2. Laut vorherigen Kommentaren sollte der Spannungsteiler nicht über 10kOhm haben, da dies beim Arduino Probleme macht. Mhh, kläre mich dort doch bitte einmal auf. Passt dies doch? Ich lerne gerne, aber so ein rumgepampe wie von dir ohne klare Worte und Beschreibungen sind leider sinnlos. Aber in deinem letzten Kommentar hast du ja doch erklärt was du vorher nicht in der Lage warst auszudrücken. lieber foldi, für erklärende Kommentare bin ich immer gerne zu haben und ja, dem Schaltplan fehlen eigentlich die Komponenten auf der Platine. Daran habe ich nicht gedacht, weil mir es nicht bewusst war. Wolltes es ersmtal hinbekommen. Aber ist klar, dass dies wichtig ist. Danke für das Kommentar und die Erklärung. Viele Grüße, Nils
Nils, schau dir einmal den Schaltplan von deinem Arduino Board an. Die 12 Volt, die du da anlegen willst, gehen auf einen Festspannungsregler, der dann mit 5 Volt den Controller versorgt. Schau auf Arduino.cc nach.
Nils R. schrieb: > 2. Laut vorherigen Kommentaren sollte der Spannungsteiler nicht über > 10kOhm haben, da dies beim Arduino Probleme macht. Mhh, kläre mich dort > doch bitte einmal auf. Passt dies doch? Hier mal ein Beispiel für eine Spannungsmessung mit Sketch. Beitrag "Re: I2C "blockiert" Arduino" Nils R. schrieb: > aber so ein rumgepampe Ist normal hier. Da die Erklärung weshalb der Teiler hochohmig sein darf: Beitrag "Re: I2C "blockiert" Arduino" und folgende. Beitrag "Re: I2C "blockiert" Arduino" Beitrag "Re: I2C "blockiert" Arduino" Und der 100K in serie mit 14pF, beeinflussen die Gleichspannung am Teiler gar nicht. Der Kondensator verhindert, dass hochfrequente Störungen die sich sonnst der Messspannung überlagern könnten, den Wert verfälschen. Auch die Gatter die Du da extern hast, kann der Arduino. LG old.
F. F. schrieb: > Schau auf Arduino.cc nach. P.S.: Ist immer eine gute Adresse, wenn es um Arduino geht. Man muss oft "graben", aber meistens findet man dort, was man zu Arduino sucht.
Aus der W. schrieb: > Ist normal hier. Da die Erklärung weshalb der Teiler > hochohmig sein darf: > Beitrag "Re: I2C "blockiert" Arduino" > und folgende. > > Beitrag "Re: I2C "blockiert" Arduino" > Beitrag "Re: I2C "blockiert" Arduino" Gehts eigentlich noch? Könntest du deinen Unsinn vieleicht auf einen Thread begrenzen. Ich weiss du bist lernresistent aber schau dir trotzdem mal an was "Sample & Hold" bedeutet und warum deshalb die dynamische Impedanz eines Spannungsteilers für einen ADC nicht sehr groß sein darf.
F. F. schrieb: > Schau auf Arduino.cc nach. P.S.: Ist immer eine gute Adresse, wenn es um Arduino geht. Man muss oft "graben", aber meistens findet man dort, was man zu Arduino sucht. Nils R. schrieb: > dem Schaltplan fehlen eigentlich die Komponenten auf der Platine. Das ist auch eigentlich gar nicht so schlimm, nur wie du es gezeichnet hast, geht jeder davon aus, dass du den Controller direkt meinst. Schaltpläne sind ja hier unsere gemeinsame Sprache. Das wäre ungefähr so als würde ich von einer Led reden und du antwortest mit közlekedési lámpa (ist ne Ampel auf ungarisch). Mir war natürlich klar, dass du eigentlich das Board meinst, aber jeder der die Zeichnung sieht, erkennt nur einen Controller. Schau dir bitte einmal den Schaltplan von einem Arduino Uno an. Du wirst schnell verstehen was ich dir sagen will, wenn du den Schaltplan siehst.
Nils R. schrieb: > Ist das > richtig so? entdecke den Fehler, wie kann dieser Spannungsteiler zu 100 teilen? https://www.elektronik-kompendium.de/sites/slt/0201111.htm
Udo S. schrieb: > "Sample & Hold" bedeutet und warum deshalb die dynamische Impedanz eines > Spannungsteilers Denk an den Kondensator! LG old.
Aus der W. schrieb: > Denk an den Kondensator! ...an den großen Kondensator. Mit 100K und 1u sollte das durchaus gehen. Die Grenzfrequenz ist halt sehr niedrig (1.6 Hz). Man könnte auch 100n nehmen, dann hat man noch gute 16 Hz.
Joe F. schrieb: > Aus der W. schrieb: >> Denk an den Kondensator! > > ...an den großen Kondensator. Mit 100K und 1u sollte das durchaus > gehen. > Die Grenzfrequenz ist halt sehr niedrig (1.6 Hz). > Man könnte auch 100n nehmen, dann hat man noch gute 16 Hz. Ich oszillographiere das mal und berichte. LG old.
Aus der W. schrieb: > berichte Also 470K in Reihe zum Pin. Am Pin sind HF-Störungen die der Kondensator vollständig abblockt. Joe F. schrieb: > ...an den großen Kondensator Falsch, der 10nF reicht schon: https://www.mikrocontroller.net/attachment/431888/schema_Unterspannungsanzeige-Taster_darius-cquam.png Udo S. schrieb: > Ich weiss du bist lernresistent aber schau dir trotzdem mal an was > "Sample & Hold" bedeutet und warum deshalb die dynamische Impedanz eines > Spannungsteilers für einen ADC nicht sehr groß sein darf. Selbst mit 470K in Serie nichts zu sehen.(Tastteiler 1:10, COS5060 Oszilloskop). Möglicherweise passiert das, worum du dich sorgst, nach einem Puffer. Auch dann sind die Sorgen sowieso fehl am Platz. LG old.
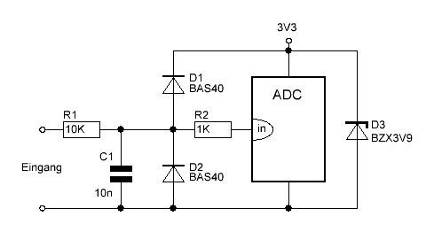
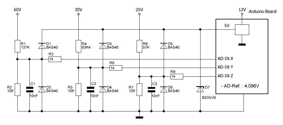
Hallo Nils, Nils R. schrieb: > ich würde gerne zwei Spannungen parallel messen mit einem Arduino bis > 60V. Ich bin Anfänger und finde leider nur Module bis 25V. Gibt es sowas > fertig auch bis 60V? Ich möchte gerne eine Netzteilüberwachung bauen, > welche zwei Ausgänge auf anliegender Spannung prüft. Es muss also nicht > so genau sein wie ein Messgerät, auf 1V genau würde reichen. Ich halte es für wichtig den Eingang des ADC vor Störungen zu schützen. Allerdings muss man aufpassen, das diese Schutzschaltung nicht zu Meßfehlern führt. Dazu gab es von MaWin folgenden Beitrag: --------------- Schutzschaltung für Analogeingang Mikrocontroller Autor: MaWin (Gast) Datum: 01.02.2019 10:06 Na, sie leiten Strom ab wenn die Spannung grösser 3.3C(+0.4V)bzw. kleiner 0V(-0.4V) wird, so dass die überschüssige Spannung am 1k verbraten wird. ABER: Die BZX3.3 ist so schlecht, dass sie schon ab 2.5V zu leiten beginnt und der Spannungsabfall an den 1k wegen des Stroms zu Messfehlern führt. Zudem haben Schottkydioden durchaus erhebliche Rückwärtsströme, so dass immer etwas Strom fliesst, der an den 1k zu Messfehlern führt. Daher ist diese Beschaltung schlecht. Besser hochsperrende BAS40, BAV99 oder BAV199 und die Z-Diode an die Versorgungsspannung: (siehe Bild 1) Warum das besser ist und wann die Z-Diode (die besser eine TL431 sein sollte) nötig ist müsste man noch erklären. Die Anordnung schützt genau so, führt aber zu keinem Messfehler mehr. --------------- Unter der Annahme das sich bei deinem Board die ADC-Referenzspannung auf 4,096V einstellen läßt, sähe die Schaltung dann wie in Bild 2 aus. Noch ein Hinweis: R1, R4 und R8 sind 1% Metallfilmwiderstände bei bei Reichelt erhältlich. rhf
Axel S. schrieb: > Wolfgang schrieb: >> Nils R. schrieb: >>> Hat der nicht mehrere analoge Eingänge? >> >> Ja, aber nur einen Analog-Digital Wandler. >> Daher kann der Arduino nur eine Spannung zur Zeit messen. > > Was nur wirklich vollkommen irrelevant ist. Ein Arduino kann auch > immer nur eine Sache zu einer Zeit tun. Selbst wenn die Hardware zwei > separate ADC hätte, könnte man die Messungen trotzdem immer nur > nacheinander ausführen. Zumindest wenn man das Arduino-Framework > verwenden will. Der m4809 hat tatsächlich nur einen ADC, der attiny1614 aber z.B. hat 2 ADV. Damit kann man echt gleichzeitig messen. Und zwar können bei DC echt gleichzeitig durch einen Event gestartet werden.
Roland F. schrieb: > Ich halte es für wichtig Brauchst Du nicht, die Dioden sind beim Amega 328 schon an Bord. Eigentlich bei allen modernen CMOS-ICs die mir gerade einfallen. Wichtig ist nur, dass der Spannungsteiler die 5V nicht anheben kann. Das gilt auch für die von Dir gezeigte "Schutzschaltung". LG old.
Vielen Dank für die sehr hilreichen Kommentare. Aus der W. schrieb: > Auch die Gatter die Du da extern hast, kann der Arduino. Ich habe die extra in der Schaltung gelassen, weil ich direkt beim Anlegen der Spannung einen Initialzustand möchte. Wenn die Arduino Ausgänge einen definierten Zustand vor dem Bootup haben würde ich das Flipflop weglassen können. Habe dazu aber nichts gefunden und noch keinen liegen zum Testen. Es musst direkt beim Anlegen vom Spannung der Ausgang an sein. - Kleines Update, das könnte mit einem Pullup Widerstand gehen solange die Ausgänge noch nicht aktiv sind laut arduino.cc. F. F. schrieb: > Festspannungsregler, der dann mit 5 Volt den Controller versorgt. > Schau auf Arduino.cc nach. Hatte da bereits kurz vor deiner Anwort nachgelesen und mit dem AT Mega Datenblatt verglichen gehabt. Da ist mir das auch aufgefallen, aber so direkt erkennt man das nicht. Das stimmt. Mit dem Widerstand habe ich was gefunden, dass der Kondensator dann höhere Widerstände als 10kOhm erlaubt. Das ist das gleiche wo hier schon drauf hingewiesen wurde, oder? Die Hintergründe sind mir mit meinem heutigen Kenntnisstand noch etwas nebulös, aber die Meinungen gehen gefühlt auseinander dazu. https://forum.arduino.cc/index.php?topic=180478.0 Viele Grüße, Nils
Wilhelm M. schrieb: > Axel S. schrieb: [nur ein ADC] >> Was nur wirklich vollkommen irrelevant ist. Ein Arduino kann auch >> immer nur eine Sache zu einer Zeit tun. Selbst wenn die Hardware zwei >> separate ADC hätte, könnte man die Messungen trotzdem immer nur >> nacheinander ausführen. Zumindest wenn man das Arduino-Framework >> verwenden will. > > Der m4809 hat tatsächlich nur einen ADC, der attiny1614 aber z.B. hat 2 > ADV. Damit kann man echt gleichzeitig messen. Und zwar können bei DC > echt gleichzeitig durch einen Event gestartet werden. Ah ja. Und jetzt zeigst du uns noch, wie du das mit dem Arduino-Geraffel gebacken bekommst.
Nils R. schrieb: > Mit dem Widerstand habe ich was gefunden, dass der Kondensator dann > höhere Widerstände als 10kOhm erlaubt. Der Widerstand in Reihe ist nicht mehr nötig nach deinem Spannungsteiler. Meines Erachtens brauchst du keinen Tiefpass (ein Stichwort für dich), da du eine recht stabile (weil Batterie) Gleichspannung messen willst. Schau dir die Seite 4 in der AN2447 an, da wird das z.B. mit dem Kondensator am ADC erklärt.
Nils R. schrieb: > Mit dem Widerstand habe ich was gefunden, dass der Kondensator dann > höhere Widerstände als 10kOhm erlaubt. Das ist das gleiche wo hier schon > drauf hingewiesen wurde, oder? Es wird ein Widerstand bis 10kOhm empfohlen. Das ist der Ausgangswiderstand des Spannungsteilers, vereinfacht gesagt, der Wert des unteren Widerstandes. Da sind wir wieder da, wo ich vor zwei Tagen war: Manfred schrieb: > Unten 10 kOhm hin, oben 120k Um es anders auszudrücken: Nicht die Summe beider Widerstände soll unter 10k bleiben, der untere Widerstand mit 10k macht die Musik. Axel S. schrieb: > Und jetzt zeigst du uns noch, > wie du das mit dem Arduino-Geraffel gebacken bekommst. Wem hilft denn dieses primitive Arduino-Bashing? Die meisten A* haben einen AT328, der einen ADC multiplext und damit natürlich nicht echt parallel messen kann, wie jede Menge anderer Bausteine auch. Hier möchte jemand zwei Gleichspannungen messen, ich vermute mal, dass es sich um Batterien handelt. Da ist vollkommen egal, wenn zwischen den Messungen ein paar Dutzend µs liegen.
Manfred schrieb: > Um es anders auszudrücken: Nicht die Summe beider Widerstände soll unter > 10k bleiben, der untere Widerstand mit 10k macht die Musik. Ah, ok. Das macht es natürlich einfacher. Mit den Batterien hast du recht. Will ja kein Ozzi bauen. So oder so ähnlich wird es nun werden. Ist doch noch recht vereinfacht worden, danke für alle Tipps. Ich hab nun mal alles bestellt und baue das testweise mal auf. Viele Grüße, Nils
Nils R. schrieb: > So oder so ähnlich wird es nun werden. Das Rechnen eines Spannungsteiler musst Du noch üben ... Die 2,9V am 12V-Teiler passen, alle anderen bezweifele ich.
https://www.elektronik-kompendium.de/sites/slt/0201111.htm Hier kannst du dir das Wissen über den Spannungsteiler aneignen.
Axel S. schrieb: > Ah ja. Und jetzt zeigst du uns noch, wie du das mit dem Arduino-Geraffel > gebacken bekommst. Wenn es denn unbedingt Arduino sein muss: https://github.com/SpenceKonde/megaTinyCore Aber ehrlich: die tiny-1 oder mega-0 haben besseres verdient.
Joe F. schrieb: > Aus der W. schrieb: >> Denk an den Kondensator! > ...an den großen Kondensator. Mit 100K und 1u sollte das durchaus gehen. Der Kondensator muss für 10 Bit Genauigkeit einfach nur 1024 mal größer sein als der SH-Eingangskondensator mit 14pF im ADC. Dann ist der Fehler zum Umladen des SH-Kondensators schlimmstenfalls 1 LSB. Denn dieser Pufferkondensator bildet zusammen mit dem 14pF SH-Kondensator einen "Ladungsteiler": der große externe 20 Liter-Puffer-Eimer füllt locker ein 20ml-Schnapsglas und hat hinterher trotzdem noch annähernd den gleichen Füllstand. Und damit reicht bei einer SH-Eingangskapazität von 14pF ein Pufferkondensator von 22nF locker aus. Dann ist auch die Zeitkonstante des entstehenden Filters deutlich agiler. Und wenn 8 Bit Genauigkeit ausreichen (manche schaffen mit ihrem vogelwilden Aufbau realistisch sowieso nicht mehr), dann muss der Kondensator nur noch 3,3nF haben. Der Effekt eines zu hochimpedanten Eingangs (hochohmig und ein zu kleiner Pufferkondensator) ist dann ein "Verschleppen" des zuvor gewandelten Kanals auf die aktuelle Messung: wenn zuvor eine niedrige Spannung gemessen wurde, dann wird die aktuelle Wandlung zu niedrig, wenn aber vorher eine höhere Spannung gemessen wurde, dann wird die nachfolgende Spannung zu hoch gemessen. Die Abhilfe bei vielen ist dann, 2 Messungen durchzuführen, und dann haben sie "gelernt", dass immer 2 Messungen nötig sind... Wenn man aber z.B. nur 1 Spannung zu messen hat und somit den Messkanal nie umschaltet, dann kann man auch problemlos einen Spannungsteiler mit einer Impedanz von 100kOhm ohne jeglichen Pufferkondensator davor schalten, ohne dass ein Messfehler auftritt. Nils R. schrieb: > Die Hintergründe sind mir mit meinem heutigen Kenntnisstand noch etwas > nebulös, aber die Meinungen gehen gefühlt auseinander dazu. Ja, das ist so, weil für mein Gefühl in vielen dieser Arduino-Foren quasi Blinde mit Einäugigen über einen Sonnenaufgang diskutieren. Aber wenn man sich eben einfach mal das Datenblatt anschaut (und zwar genaus so lange, bis man es tatsächlich verstanden hat), dann erlebt man den Sonnenaufgang in Stereo mit eigenen Augen in voller Farbenpracht. Und das ist das eigentliche Problem bei deutlich mehr als 90% der Arduiniker: sie leben vom Hörensagen und Zusammenkopieren, statt dass sie einfach selber mal ihr Brain 1.0 zwischen den Ohren aktivieren. Dass sie dann lieber einfache Antworten auf dem ihnen bereits bekannten einäugigen Niveau lesen, als sich mal anständig ins Thema reinzubeißen, das macht die Sache nicht besser. > Ozzi "Oszi" mit SZ kommt von "Oszilloskop".
Lothar M. schrieb: > Der Kondensator muss für 10 Bit Genauigkeit einfach nur 1024 mal größer > sein als der SH-Eingangskondensator mit 14pF im ADC. ... ein > Pufferkondensator von 22nF locker aus. Dann ist auch die Zeitkonstante > des entstehenden Filters deutlich agiler. > Und wenn 8 Bit Genauigkeit ausreichen (manche schaffen mit ihrem > vogelwilden Aufbau realistisch sowieso nicht mehr), dann muss der > Kondensator nur noch 3,3nF haben. Danke für die detaillierte Info. Für mich ist wichtig, dass die Unterspannungsanzeige auf die Rippel am Ladekondensator anspricht, nicht auf den Mittelwert der Spannung an diesem. Passt dann ja. LG old.
Aus der W. schrieb: > Danke für die detaillierte Info. Für mich ist wichtig, dass die > Unterspannungsanzeige auf die Rippel am Ladekondensator > anspricht, nicht auf den Mittelwert der Spannung an diesem. > Passt dann ja. Musst du jetzt diesen Thread kapern? Hast du nicht schon genug Unheil in deinem Beitrag angestellt? Lothar M. schrieb: > (und zwar genaus so lange, bis man es tatsächlich verstanden hat) Das ist ganz wichtig. F. F. schrieb: > Schau dir die Seite 4 in der AN2447 an, da wird das z.B. mit dem > Kondensator am ADC erklärt. Übrigens hatte ich weiter oben schon auf die Erklärung der Notwendigkeit eines Kondensators hingewiesen. Ich versuche möglichst einfache Erklärungen zu geben und auch nicht zu viel auf einmal. Als Anfänger versteht man das sonst eher nicht.
Nils R. schrieb: > Aus der W. schrieb: >> Auch ..., kann der Arduino. > > Ich habe ... arduino.cc. Du kannst noch zusätzlich vor dem Setup, beim Zuweisen der Pins, diesen einen Startwert geben. LG old.
Hallo zusammen, das ist nun aus dem Projekt erstmal geworden. Eingebaut soll es in einen Ladekoffer mit 2 Servernetzteilen. Gerne kommentieren: Abgebildete Funktionen ---------------------- - I2C Anbindung Netzteil 1 und Netzteil 2 (Optokoppler da andere Masse) - I2C Anbindung LCD - 1-Wire für Temperaturmessung - 3 Lüftersteuerungen für Gehäuseläufter mit 1-Wire Temperatur oder interne Netzteiltemperatur über I2C um besser zu kühlen - Puffer, um den Netzteilausfall kurzfristig zu Puffer, Netzteile auszuschalten und dies ggf. zu Speichern als Fehlerstatus - Rückmeldung Error Pin Netzteil 1 und Netzteil 2 (Optokoppler) - Steuerung Netzteil 1 und Netzteil 2 (Optokoppler) - Strommessung über Ausgabepin an Netzteil 1. Netzteil 2 hat gleichen Strom und später Ausgabe über I2C J6: Netzteil 1 Masse 12V Dauer an PS Interrupt PSOn +12V Lader I2C 1 I2C 2 Current Monitor J2: Netzteil 2 Masse 12V Dauer PS Interrupt PSOn +24V Lader I2C 1 I2C 2 J7: Laderausgänge (gleiche Masse) Ausgang 1 Ausgang 2 Viele Grüße, Nils
Bitte melde dich an um einen Beitrag zu schreiben. Anmeldung ist kostenlos und dauert nur eine Minute.
  
  Bestehender Account
  
  
  
  Schon ein Account bei Google/GoogleMail? Keine Anmeldung erforderlich!
Mit Google-Account einloggen
Mit Google-Account einloggen
  Noch kein Account? Hier anmelden.











 Thread beobachten
 Thread beobachten Seitenaufteilung abschalten
 Seitenaufteilung abschalten