Ich habe günstig ein solches Mischpult erstanden, benötige jedoch volle NTSC unterstützung. Auf dem Europäischen Markt sind diese nicht zu bekommen aber ich habe im Service-Manual des Gerätes hinweise auf einen Umbau zu NTSC gefunden. Hat das schonmal jemand hier gemacht? Neben dem Umbau wird am Ende auch ein Abgleich benötigt. Ich würde mich da mal ran wagen und gern auch meine Erfahrungen hier teilen.
Neben dem Umjumpern der Digital ICs ist das grösste Problem der Umbau der beiden Farbdekoder (IC5 und IC6). Hier reicht es nicht, Pin 17 freizulegen, sondern es muss auch der Quarz gewechselt werden (X1 resp. X2). Typisch für Panasonic ist es, das im ganzen Manual keine Frequenz erwähnt wird, sondern nur eine elende Bestellnummer (und auf dem Quarz steht auch nichts brauchbares). Es lohnt sich also, vor dem Umbau mal die Frequenz zu messen an Pin 10 der beiden Dekoder ICs, denn viele Dekoder arbeiten mit 2*Fsc (also 8,867 MHz bei PAL). Der Farbträger liegt bei NTSC bekanntlich bei 3,579Mhz. Die Beschaffung hingegen ist easy, sowohl die 3,579 MHz als auch die 7,144 MHz sind billige Standardtypen. Edit: Ahh, es steht in der Abgleichanleitung. Es ist also tatsächlich ein 1*Fsc Quarz, für NTSC also 3,579 MHz. Die einzige Unsicherheit ist, ob am SC Ausgang (Testpunkt 401 und 402) die Quarzfrequenz direkt ausgegeben wird oder über einen internen Teiler.
Ok, bevor ich loslege gehe ich das Abgleichprotokoll einmal durch und notiere mir die Werte. Allein schon wegen eines möglichen späteren Rückbaus, falls es doch nicht klappen sollte und Panasonic für NTSC auch noch eine eigene Firmware entwickelt hat die meinem Gerät fehlt... Ausgehend davon markiere ich auf den Bestückungsplänen die Position der Bauteile und bestimme deren Werte anhand der Teileliste oder dem Schaltplan (der ist wohl PAL, also werde ich mich mal auf die Suche nach einem NTSC-Schaltplan machen müssen). Erst wenn das alles klar ist greife ich zum Lötkolben :-)
Olli Z. schrieb: > also werde ich mich mal auf die Suche nach > einem NTSC-Schaltplan machen müssen Der dürfte sich höchstens im Metzteil unterscheiden, weil die Bestückungs- und Abgleichoptionen für NTSC ja auch in dem vorhandenen Plan angegeben sind.
So, war etwas mühsam aber ich bin durch. Habe alle Bauteile auf dem Board markiert und über den Plan die Werte ermittelt. Viele der als Widerstand bezeichneten, nachzubestückenden Positionen entpuppten sich als 0 Ohm Brücken, nur wenige sind wirklich notwendig. Allen voran natürlich der Quarz. Er gehört zu den 3 Bauteilen die umzubauen sind.
1 | Bezeichnung Schem/Pos Board/Pos Umbau Wert |
2 | C416 Main/Up/D2 Bestücken 39 pF |
3 | C417 Main/Down/B2 Bestücken 39 pF |
4 | J202 Main/Down/D1 Bestücken Umstecken von J201 |
5 | R287 Main/Down/D2 Bestücken 0 Ohm |
6 | R288 Main/Down/D2 Bestücken 0 Ohm |
7 | R290 Main/Down/D2 Bestücken 0 Ohm |
8 | R322 Main/Down/D2 Bestücken 0 Ohm |
9 | R439 Main/Up/D3 Bestücken 10 k |
10 | R440 Main/Down/B2 Bestücken 10 k |
11 | R508 Main/Down/D2 Bestücken 0 Ohm |
12 | R602 Main/Up/B2 Bestücken 0 Ohm |
13 | R618 Main/Up/B2 Bestücken 0 Ohm |
14 | R620 Main/Down/D2 Bestücken 0 Ohm (von R620) |
15 | R91 Main/Up/D2 Bestücken 0 Ohm |
16 | R99 Main/Down/B2 Bestücken 100 k |
17 | |
18 | R50 Main/Up/D5 Ersetzen 10k |
19 | R9 Main/Up/D7 Ersetzen 10k |
20 | X201 Main/Down/D2 Ersetzen 3,579545 MHz |
21 | |
22 | C245 Main/Down/D2 Entfernen - |
23 | C246 Main/Down/D2 Entfernen - |
24 | C247 Main/Down/D3 Entfernen - |
25 | C252 Main/Down/D2 Entfernen - |
26 | C253 Main/Up/A2 Entfernen - |
27 | D202 Main/Up/B2 Entfernen - |
28 | D203 Main/Up/B3 Entfernen - |
29 | IC505 G6 Main/Down/D2 Entfernen - |
30 | J1 Main/Down/A7 Entfernen - |
31 | J2 Main/Down/A5 Entfernen - |
32 | J201 Main/Down/D1 Entfernen - |
33 | Q202 Main/Up/A2 Entfernen - |
34 | R227 Main/Down/C6 Entfernen - |
35 | R268 Main/Down/D4 Entfernen - |
36 | R291 Main/Down/D2 Entfernen - |
37 | R292 Main/Down/D3 Entfernen - |
38 | R293 Main/Down/D2 Entfernen - |
39 | R310 Main/Down/D2 Entfernen - |
40 | R311 Main/Down/D2 Entfernen - |
41 | R312 Main/Down/D2 Entfernen - |
42 | R323 Main/Down/D2 Entfernen - |
43 | R336 Main/Down/C3 Entfernen - |
44 | R337 Main/Down/D3 Entfernen - |
45 | R345 Main/Down/D2 Entfernen - |
46 | R504 Main/Up/A2 Entfernen - |
47 | R509 Main/Down/D2 Entfernen - |
48 | R510 Main/Down/D2 Entfernen - |
49 | R604 Main/Up/B2 Entfernen - |
50 | R619 Main/Up/B2 Entfernen - |
Hier nun mal die ersten Einblicke, nachdem ich die Kiste zerlegt und das rückseitige Abschirmblech entfernt habe. Eine der Bestückungsgebiete habe ich mal im Detail fotografiert. Ich hoffe man kommt an alle Bauteile gut ran, denn die oberen Abschirmstreben auch noch entfernen zu müssen wäre ein wenig Quälerei, die sind mehrfach dick mit dem Board verlötet. Die Bauteile sind größtenteils 0805 SMD, also gut zu löten. Einzig das immer Plastikteile in der Nähe sind macht den Einsatz von Heißluft etwas heikel.
Die beiden Memeory Controller waren übrigens von vorneherein für HighRes vorbereitet, ebenso wie die Platine, deswegen die unbestückten Plätze für zusätzlichen Video RAM. Ich habe damals versäumt (oder sie waren zu teuer), die RAMs bei Pana zu ordern und heute sind sie natürlich nicht mehr erhältlich - sind ja auch Exoten. Mit der HighRes Variante sollten beide Farbdiff. Signale doppelt so häufig gesampelt und die Farbauflösung so verdoppelt werden. Übrigens ist der Jumper für den Farbbalken vermutlich der oben links neben dem MC (MN188166) und der roten Anschlussleiste, im Schaltplan CN16 genannt. Im Moment habe ich leider wenig Gelegenheit, mein Pult aufzuschrauben. Bei Neuigkeiten poste ich hier.
Matthias S. schrieb: > Ich habe damals versäumt (oder sie waren zu teuer), die RAMs bei Pana zu > ordern und heute sind sie natürlich nicht mehr erhältlich - sind ja auch > Exoten. Meinst du eventuell diese da? Beitrag "[V] Video Ram ZIP Gehäuse"
Magnus M. schrieb: > Meinst du eventuell diese da? Hach, das wäre schön. Aber das sind ja keine Exoten. Die von Panasonic hingegen heissen YWM5M4C500L und sind eigenartig organisiert.
Ab und an gehen "defekte" AVE5 für wenige Euro über den Tisch, da könnte man doch einfach ausschlachten?! Aber reicht es einfach die Chips nachzulöten??
Olli Z. schrieb: > Aber reicht es einfach die Chips > nachzulöten?? Die Controller haben noch einen Pin für die Auswahl, der umgelötet werden muss. Da ich es ja nicht ausprobiert habe, weiss ich allerdings nicht, ob die AD und DA Wandler es mitmachen. Das Boardlayout spricht aber dafür, das es gehen müsste, sonst hätten sie sich die Mühe mit der zweiten Bank ja nicht gemacht. Ob sich das alles für ein Pult lohnt, das nur SD kann, ist aber fraglich und für mich nicht mehr zeitgemäß. Edit: Habe jetzt doch nochmal das Pult geöffnet. Und es ist tatsächlich der Jumper neben dem MC und der roten Anschlussleiste, hier ein blaues Modell. Wie man sieht, habe ich damals das Blech ein wenig aufgeknabbert.
Danke für die Jumperpos! Man könnte ja einen kleinen Kippschalter seitlich einbauen. Bauteile für NTSC sind bestellt.
Olli Z. schrieb: > Man könnte ja einen kleinen Kippschalter > seitlich einbauen. Wieso das denn? Der hat ja nur den Effekt, das es eine zusätzliche Hintergrundfarbe, nämlich den Farbbalken, gibt. Funktionalität geht da nicht verloren. Wenn man das Pult verkaufen will ohne das Feature, dann zieht man den Jumper wieder. Für dich allerdings ist der recht sinnvoll, weil du so die Ausgangskreise nach dem Umbau einfach justieren kannst. Du solltest übrigens vor dem Umbau sicherstellen, das du wirklich einen echten NTSC Rekorder hast, der am Ausgang nicht etwa 'PAL Playback from NTSC Tapes' macht. Dann hilft das alles nichts, denn dann geht die Farbe komplett verloren. Dein Rekorder muss also echtes NTSC liefern und die Blackmagic Karte auch echtes NTSC verarbeiten können.
Wie kann ich das sicherstellen? Hab ja den Panasonic NV FS200 Du meinst also das der Rekorder bei erkennen eines NTSC Signals auf dem Tape den Pseudo-NTSC (PAL60) nutzt?
Olli Z. schrieb: > Pseudo-NTSC (PAL60) nutzt Wird manchmal auch NTSC 4,43 genannt, weil der Farbträger wie bei PAL genutzt wird und auch die Phase Alternating Line. Das kannst du vermutlich am besten mit einem moderneren LCD TV rausfinden, der dir mit der Info Taste etwas über das eingehende Signal erzählt. Dazu das Signal natürlich nicht über das Pult ziehen, sondern direkt an die Glotze. Ein weiterer Hinweis ist das Pult selber. Wenn das Farbe aus dem Signal des FS200 macht, dann muss es 4,43Mhz Träger haben. Das Timing muss nicht stimmen, deswegen der untere schwarze Rand mit etwa 100 Zeilen. Aber Farbe ist ein deutlicher Hinweis auf NTSC 4,43. Finde das erstmal raus. Wenn das nämlich der Fall ist, dann sparst du dir den Umbau der Dekoder und musst lediglich den Digitalteil auf NTSC umschnurzeln. Im Service Manual des NV-FS200EG steht erstmal nichts von NTSC 4,43, nicht mal, das er NTSC Bänder überhaupt schluckt. Dabei ist aber wichtig, ob du wirklich einen 'EG' hast und nicht einen für eine andere Region.
Ich habe heute nochmal getestet, also direkt vom VCR per Composite-Video in den Flat-TV. Bei einem NTSC-Tape zeigt the LG nach drücken der "(i)" Taste "[4:3] 480i 60Hz" an. Lege ich ein PAL-Tape ein zeigt er "[4:3] 576i 50Hz". Also eigentlich spricht das doch sehr dafür das dort wirklich echtes NTSC rauskommt, zumindest vom Zeilentiming her. Dann habe ich versucht dasselbe Signal mit meinem DS1054Z (auf 100 MHz aufgebohrt) zu capturen. Die Auflösung ist immer noch sehr bescheiden, aber wenn ich von beiden Signalen eine Zeile nehme (hab nr. 100 genommen damit es im sichtbaren Bereich liegt) dann messe ich da jeweils eine Color-Burst Frequenz von ca. 4,7 MHz. Wikipedia schreibt über Colorburst: https://de.wikipedia.org/wiki/Burst-Signal Bei PAL sollte es 4,43361875 MHz, bei NTSC 3,579 54 MHz sein. Ich vermute also das beide Signale farbmäßig dem PAL-Standard angeglichen wurden?
Jo, der Rekorder liefert also tatsächlich 'NTSC 4,43'. Das ist insofern schlecht, als das der komplette Umbau des Pultes dann sinnlos ist. Zumindest die Farbdekoder müssen dann im PAL Modus bleiben. Lediglich der Digitalteil kann dann so umgebaut werden, das er das Timing von NTSC beherrscht. Aber das muss nicht funktionieren, da auch die Samplefrequenz mögl. vom Modus abhängt. Es kann nötig sein, das du, wenn du das Pult komplett umbaust, auch einen echten NTSC 3,58 VHS Player brauchst.
Mein Panasonic DVD-Recorder (DMR EH545) kann ausgangsseitig am Composite-Video OUT ein natives NTSC-TV ansteuern, das kann man im Setup so hinterlegen. Der erzeugt einen schönen unifarbenen, grauen Hintergrund und das Signal habe ich mal gecaptured um einen Vergleich zu haben. In der Tat messe ich hier im Colorburst die für NTSC type Frequenz von 3,57 MHz (siehe Bild). Meine Messungen waren also richtig und das bestätig die Annahme von Dir das der FS200 zwar in der Lage ist NTSC abzuspielen und auch das Frametiming inkl. Bildwiederholfrequenz vom Band 1:1 am Composite-Out wiedergibt, der Farbträger aber auf PAL-Standard moduliert ist. "PAL-525", "PAL-60", "NTSC 4,43" sind wohl alles Begriffe für ein und dasselbe. Hier ein Zitat aus meiner Internet-Recherche: Hierbei handelt es sich um ein NTSC-Signal mit der PAL-Farbträgerfrequenz 4,43 MHz. Dieses Signal ist auch unter dem Begriff "NTSC 4,43", "Pseudo-PAL" oder "PAL-60" bekannt und wird meist von DVD-Playern oder Videorekordern benutzt, um NTSC-Filme auf PAL-Fernsehern wiederzugeben, d. h. die Farbcodierung sowie der Farbträger werden geändert, jedoch die Bildwiederholfrequenz von NTSC (60 Bilder pro Sekunde) wird beibehalten.PAL-525: Hierbei handelt es sich um ein NTSC-Signal mit der PAL-Farbträgerfrequenz 4,43 MHz. Dieses Signal ist auch unter dem Begriff "NTSC 4,43", "Pseudo-PAL" oder "PAL-60" bekannt und wird meist von DVD-Playern oder Videorekordern benutzt, um NTSC-Filme auf PAL-Fernsehern wiederzugeben, d. h. die Farbcodierung sowie der Farbträger werden geändert, jedoch die Bildwiederholfrequenz von NTSC (60 Bilder pro Sekunde) wird beibehalten. Und da war doch auch noch was bezüglich der Phasenverschiebung beim Farbsignal? War das nicht anders geregelt als bei PAL? Das ist vermutlich der Grund warum man etwas buntes sieht, aber es eher so wie nachkoloriert wirkt und auch nicht farbstabil ist. Einen echten NTSC-VCR in Deutschland zu bekommen ist ein recht aussichtsloses Unterfangen, da muss wohl wieder was aus USA her. Und dann geht es erstmal los mit Netzteil-Umbau auf 240V oder Vorschaltgerät. Zwar wette ich das der FS200 auch in USA verkauft wurde, aber von einem möglichen NTSC-Umbau dieses Gerätes habe ich jetzt nichts gefunden. Der wäre mir auch zu teuer für so einen Spaß, da würde ich dann eher einen billigen VHS Rekorder kaufen von dem bekannt ist das ein Umbau möglich ist. Das ist alles nicht sehr schön, aber zumindest hab ich nun Gewissheit!
Olli Z. schrieb: > Und da war doch auch noch was bezüglich der Phasenverschiebung beim > Farbsignal? War das nicht anders geregelt als bei PAL? Ja, das ist ja der Witz bei PAL. Zwar ist es keine Phasenverschiebung, denn die ist ja der Träger der Farbinformation, aber bei PAL wird die Burstreferenz zwischen 0° Phase und 180° Phase bei jeder Zeile umgeschaltet. Es war eine Schwachstelle bei NTSC, das jede kleine Laufzeitänderung im Übertragungsweg eine Änderung der Färbung bewirkte, was vor allem bei terrestrischem oder mobilen Empfang sehr störend war. Man musste dann den 'Tint' oder 'Hue' Regler korrigieren, der bei jedem NTSC Gerät vorhanden war. PAL trickste das aus, indem man die Phase der Referenz eben jede Zeile umpolte und damit etwaige Phasenänderungen eliminierte. Das geschah entweder durch die Verzögerungsleitung für eine ganze Zeile (PAL-II und PAL-III) oder im Auge des Betrachters (PAL-I oder 'Simple-PAL'). Für dich bedeutet das, das du aus dem Pult ein 'Hybrid' machen müsstest, mit PAL Dekoder, aber NTSC Timing. Ob das geht, kann ich dir nicht sagen. Es spircht einiges dafür, das es gehen könnte, aber schon beim Masterquarz ist nicht klar, ob der nun 3,579 oder 4,43 Mhz haben sollte. Ich denke mal, die beiden Quarze an den Dekodern müssen 4,43 Mhz bleiben, der Masterquarz aber einer für die NTSC Ausführung.
Matthias S. schrieb: > denn die ist ja der Träger der Farbinformation, aber bei PAL wird die > Burstreferenz zwischen 0° Phase und 180° Phase bei jeder Zeile > umgeschaltet. Deshalb heißt es ja auch "Phase Alternating Line" ;-) > Für dich bedeutet das, das du aus dem Pult ein 'Hybrid' machen müsstest, > mit PAL Dekoder, aber NTSC Timing. Ob das geht, kann ich dir nicht > sagen. Es spircht einiges dafür, das es gehen könnte, aber schon beim > Masterquarz ist nicht klar, ob der nun 3,579 oder 4,43 Mhz haben sollte. > Ich denke mal, die beiden Quarze an den Dekodern müssen 4,43 Mhz > bleiben, der Masterquarz aber einer für die NTSC Ausführung. Gibt es das Problem mit der Trägerfrequenz nur bei Composite-Video? Oder auch bei S-Video wo Luminanz und Chrominanz separat übertragen werden? Auf dem Band selbst ist ja wohl doch eher Composite drauf? Und da wäre die Trägerfrequenz doch nicht original bei 3,57 MHz? Und der VCR macht daraus dann Component-Video (Y/C trennen), moduliert dann die Chrominanz auf 4,43 MHz und erzeugt ein Composite-Video?
Olli Z. schrieb: > Auf dem Band selbst ist ja wohl doch eher Composite drauf? Nein. Die Bandaufzeichnung benutzt getrennte (FM-)Träger für Chroma und Luminanz. Ein Hifi Recoder hat noch einen dritten Träger für den Hifi Ton. Chroma wird auf etwa 500kHz runtergemischt und aufgezeichnet und bei der Wiedergabe wieder hoch gemischt. Der Y-Träger liegt bei etwa 2,5MHz, wimre. S-Video hat die gleichen Komponenten wie FBAS, nur wird das Chroma Signal nicht auf Y addiert.
Also hilft alles nichts, die ausgangsseitige Umwandlung zu PAL60 kann ich dem Panasonic FS200 vermutlich nicht abgewöhnen und muss so Ausschau nach einem echten NTSC-Gerät bzw. einem Multinorm-Rekorder halten. Von letzterem gibt es wieder zahlreiche Modelle, alle jedoch nicht billig... aber vermutlich günstiger als einen guten NTSC aus USA importieren, auf 240V umbauen oder Trafo dazwischen. Jetzt ist wieder die Qual der Wahl, gefunden habe ich dazu: - Samsung SV-5000W (ab ca. 350,- €) - Panasonic NV-W1 (ab ca. 350,- €) - Panasonic AG-W1 (ab ca. 500,- €) - Panasonic AG-W3 (ab ca. 400,- €) - JVC HR-J437MS (ab ca. 200,- €)
Nicht zu vergessen die Geräte von Sony: SLV-ED828ME/SG spielt: MeSecam, PAL 4.43, NTSC 3.58 und NTSC 4,43, sowie NTSC on PAL TV. Allerdings kein S-VHS, sondern nur Standard. So ein Gerät habe ich hier als letztes VHS Teil. Aufnehmen tut er MESECAM, NTSC 3.58 und PAL. Das tun auch ED115/ED215/ED313/ED515/ED616/ED815/ED817/ED818/ED915/ED919, jeweils ein SLV- für die komplette Bezeichnung davorschreiben. Diese Recorder machen PAL, MESECAM, NTSC 3.58 und NTSC 4.43.
Im Profi-Bereich sucht man sowas wohl vergebens? Habe jetzt einen Samsung SV-5000W im Blick...
Olli Z. schrieb: > Im Profi-Bereich sucht man sowas wohl vergebens? Ja, das hat da wenig Sinn, denn man wechselt ja nicht die Sende- oder Produktionsnorm und produziert ja auch nicht mit VHS. Wenn man mal wandeln muss, nimmt man eh einen recht aufwendigen Normwandler und keinen Player, der alle Normen kann. Kommt heute allerdings kaum noch vor. Eigentlich brauchst du ja auch kein Multinorm, sondern ein reines NTSC Gerät für den japanischen oder amerikanischen Markt.
Nach reinen NTSC VCRs, selbst mit 110V sucht man hierzulande vergebens. Dagegen sind Multinorm-Recorder durchaus verfügbar und bieten in der Regel Sowohl 110V als auch 220V Betrieb.
Wenn du in der Nähe von München wohnst: https://www.ebay.de/itm/Panasonic-AG-7300-professioneller-S-VHS-Recorder-NTSC/284169850546 Wenn du Lust auf etwas Basteln hast: https://www.ebay.de/itm/Panasonic-NV-W1-Multinorm-VIDEORECORDER-PAL-SECAM-NTSC-High-End-Videorekorder/203336496874
München ist eine gute Option für mich :-) Aber basteln wollte ich jetzt erstmal nicht... vermutlich sind es nur die Kondensatoren, aber ich wollte mal eine Abhängigkeit lösen und keine neue eröffnen, sonst komme ich immer weiter weg von meinem Ziel. Zudem geht es hier ja letztlich um den Umbau des Mischpultes ;-)
Matthias S. schrieb: bitte siehe Beitrag "Panasonic AG-7300 (NTSC) von 110 auf 220 Volt umbauen" Ich denke es ist besser die Thread zu trennen.
Matthias S. schrieb: > Ein Hifi Recoder hat noch einen dritten Träger für den Hifi > Ton. Genauer 2, bei 1,4 und 1,8 MHz. Aber mit einem anderen Azimuth damit die Videoköpfe nicht soviel davon mitkriegen.
Andi B. schrieb: > Genauer 2, bei 1,4 und 1,8 MHz. Aber mit einem anderen Azimuth damit die > Videoköpfe nicht soviel davon mitkriegen. Ist halt alles schon etwas länger her. Das mit dem Azimuth wusste ich aber noch :-P Entscheidend war ja, ob direkt FBAS aufs Band kommt und das konnten wir verneinen. Im Moment habe ich mich eher mit dem Aufzeichnungsschema von Digibeta beschäftigt, weil hier so eine dicke Kiste aufgeschlagen ist. Das allerdings hats wirklich in sich. Die Trommel hat 10 Köpfe, davon 2 mit aktivem Tracking und dreht sich mit 75 U/sec. Dafür hats eben echte Hinterbandkontrolle, 4 digitale Audiokanäle und ein Bild, das sich gewaschen hat.
So, die für den Umbau benötigten Bauteile sind nun da. An einem ruhigen Feierabend lege ich dann mal los.
Matthias S. schrieb: > freizulegen, sondern es muss auch der Quarz gewechselt werden (X1 resp. > X2). Typisch für Panasonic ist es, das im ganzen Manual keine Frequenz > erwähnt wird, sondern nur eine elende Bestellnummer (und auf dem Quarz Der im Gerät befindliche Quarz X201 hatte einen Schrumpfschlauch drüber und nach entfernen lese ich dort: 4.40625 (NDK07).
Olli Z. schrieb: > Der im Gerät befindliche Quarz X201 hatte einen Schrumpfschlauch drüber > und nach entfernen lese ich dort: 4.40625 (NDK07). Schon mal gut. Es gibt aber noch X1 und X2 an den Farbdekodern.
Aber warum 4,40 MHz und nicht 4,43... ? Nicht das man beim NTSC Quarz auch was "ungerades" benötigt?? Und X1 und X2 sind im Plan nicht zum auswechseln angegeben.
Alle Bauteile sind geändert, leider funktionert nun der Mixer nicht mehr. Genauer gesagt es lässt sich keine Videoquelle mehr zuschalten. Habe eben nochmal alle Komponenten geprüft, ich habe alles nach obiger Tabelle umgebaut, also Bauteile entnommen, ersetzt und ergänzt. Nun muss ich mit dem DSO mal das ServiceManual durchgehen und schauen wo welche Signale fehlen...
Olli Z. schrieb: > Und X1 und X2 sind im Plan nicht zum > auswechseln angegeben. Nö, ist aber logisch, das sie ausgewechselt werden müssen. Denn das sind ja die Farbdekoder. Bei diesen Chips IC5 und IC6 muss auch noch der 'N/P' Pin umgeschaltet werden. Olli Z. schrieb: > Genauer gesagt es lässt sich keine Videoquelle mehr zuschalten Produziert er denn die Hintergrundfarben? Spielen die Wipes?
Gleich beim zweiten Test bleibe ich stecken. Dort soll man laut Manual folgendes tun: 4. Adjustment Procedure (2) FSC adjustment Test point: TP211(FSC) Adjust: VR201(FSC) * Connect the frequency counter to TP211 on the Main board. * Adjust VR201 on the Main board for 4.433619MHz +- 5Hz (PAL), 3.579545MHz +- 5Hz (NTSC). Ich messe an TP211 aber 4.43 MHz und zwar ziemlich egal wie ich VR201 einstelle. Ich vermute das der digitale Schalter nicht durchschaltet. Wenn ich mir den Plan so ansehe dann hast Du vermutlich Recht Matze, dann müssen diese XTALs auch getauscht werden. Ich löte mal den X201 aus und bestimmte seine Frequenz.
Ich denke ich muss den Plan mal so umändern das nur die NTSC-Komponenten drin sind, dann sieht man vielleicht mehr... ich wäre es hilfreich wenn man im Plan suchen könnte, bei Grafik leider schlecht ;-) Der X201 ist mit "MS07NR" beschriftet, ist 3x9mm groß (Metallgehäuse mit THT Pins und blau markiertem Deckel) und natürlich findet man im Internet nichts darüber.
Ich den Plan mal so umgeändert das nur die NTSC-Komponenten drin sind. Das hat ergeben das der X201 unbeschaltet bleibt nachdem man alle Bauteile drumherum die nicht für NTSC gedacht sind entfernt hat. Daher muss X201 nicht wie von mir vermutet durch einen 3.58 MHz Quarz ersetzt werden, sondern entfällt ersatzlos. Jedenfalls sind die Quarze X202 und X203 bestimmend für die Funktion und müssen vermutlich gegen andere getauscht werden. Den X203 habe ich mal ausgelötet und vom Schrumpfschlauch befreit. Er ist mit "MS07NR" beschriftet und steckt in einem ca. 3 x 9 mm großen, runden Metallgehäuse mit THT Pins und blau markiertem Deckel. Natürlich findet man im Internet nichts darüber...
Hier mal der Plan nur mit NTSC-Komponenten und ein paar TPs und Signale markiert. Relevant ist nun die Bestimmung von X203. Eine Frequenzanpassung kann laut Plan nur dann erfolgen wenn der Umschalter von IC226-Pin 10 vom IC222-Pin 28 (EXT) kommend die Verbindung von 2 auf 15 schaltet. Andernfalls wirkt das durch Q203 verstärkte Signal von Pin IC222-Pin 24 (WPCO). Gemessen werden soll die Frequenz aber an TP211, welcher an IC219-Pin 6 (SC1) hängt. Was der macht und woher der seinen Takt bekommt ist mir noch etwas unklar. Könnte von IC222-Pin 3 oder Pin 26 kommen. Zur Funktion der ICs IC222 und IC219 kann wohl nicht viel gesagt werden, das sind vermutlich Sonderproduktionen von Panasonic. Zumindest finde ich nichts zu einem "MN676021PPS" oder "MN53007LVW". Das Logo auf dem Chip ist von Panasonic selbst.
Q203 bildet die aktive Stufe des Schleifenfilters für eine PLL, die mit den Kapazitätsdioden D205 und D206 regelt - über R602. Auch ich denke, das an Pin 3 von IC222 der Takt abgezapft wird und dann in Pin 14 von IC219 gefüttert wird. Ein Hinweis auf die richtige Frequenz gibt die Spannung an TP202. Liegt die zwischen den Grenzen der Betriebsspannung, ist die PLL eingerastet. Klebt die Spannung auf GND, schwingt der Oszillator zu hoch, liegt sie an VDD, ist der Oszillator zu langsam. Olli Z. schrieb: > Er > ist mit "MS07NR" beschriftet Jaja, ist das nicht schrecklich mit den Quarzen bei Panasonic? KA, warum die da so eine Geheimnistuerei betreiben. Das sollte ein 4fsc Quarz sein, bei PAL also 17,734MHz und bei NTSC ein 14,318 MHz. Das schliesse ich aus der Pinbezeichnung des IC219. Die ganze PLL Nummer wird vermutlich nur bei Anschluss des Titelgenerators aktiv, denn das Pult betrachtet diesen Eingang als Genlock Eingang.
Hier die aktuellen Messwerte dazu. VR201 kommt aktuell nicht zum Tragen, da IC226 nicht durchschaltet. Möglicherweise tut es dies nur in einer bestimmten Betriebssituation? Der Schaltpin heißt "EXT" und es gibt unten noch einen "EXSYNC" welcher vom Analogteil kommt (Leitung "(80)") und über ein AND-Gatter den Pin speist, wobei mir die Beschaltung vom AND eher nach einem Pegelwandler aussieht. Das Signal (80) kommt vom Sync-Separator IC28 (LM1881) und dieser von vom EXT. CAMERA Eingang gespeist. Dieser Schaltungsteil sollte erstmal völlig uninteressant für die Grundfunktion des Gerätes sein. > Das sollte ein 4fsc Quarz sein, bei PAL also 17,734MHz und bei NTSC ein 14,318 MHz. Das schliesse ich aus der Pinbezeichnung des IC219. Das würde dann ja stimmen und bedeuten das ich einen 14,318 MHz Quarz dort einlöten müsste. Woher stammen diese "krummen" Werte? Und was bedeutet "4fsc"? Habs selbst gefunden: Beitrag "Warum 14,31818MHz?" Und natürlich gibt es den mal wieder nicht in Rund, aber egal. Wird bestellt.
Relevanter dürfte für uns der VIDEO-IN 1 sein. Den habe ich mal verfolgt und lande am IC5 und finde dort u.a. Quarz X1. Den messe ich mal aus.
Olli Z. schrieb: > Den habe ich mal verfolgt > und lande am IC5 und finde dort u.a. Quarz X1. Von denen habe ich schon seit Tagen geredet. Das sind doch die Farbdekoder und da muss der Quarz natürlich der für die Norm sein, die sie dekodieren sollen. Das gibts bei IC6 nochmal für Video IN 2. Pin 17 nicht vergessen. Das ist die PAL/NTSC Umschaltung.
Matthias S. schrieb: > Von denen habe ich schon seit Tagen geredet. Das sind doch die > Farbdekoder und da muss der Quarz natürlich der für die Norm sein Ja, Du hast Recht und ich habs nicht so wahrgenommen. > Das gibts bei IC6 nochmal für Video IN 2. Pin 17 nicht vergessen. Das ist die PAL/NTSC Umschaltung. Ja, J1 und J2. Die sind bereits raus :-) Ich habe die Quarze bestellt, mal sehen obs dann klappt..
Nachdem nun klar ist das Schritt 2 in der Abgleichanleitung nachweislich nur für den externen Kameraeingang notwendig ist, hänge ich gleich beim nächsten. Dort soll laut Anleitung an der Spule L215 der VCO vom Bildmustergenerator so eingestellt werden das am Testpunkt TP204 eine Spannung von 2,8 V anliegt. Diese ist aber 4,98 Volt, vor dem ersten verstellen und auch wenn ich den Spulenkern verstelle. Hm....
Olli Z. schrieb: > Diese ist aber 4,98 Volt, vor dem ersten > verstellen und auch wenn ich den Spulenkern verstelle. Das bedeutet, das entweder der VCO im IC gar nicht schwingt oder mit viel zu niedriger Frequenz.
Ich teste das nochmal mit anliegendem Signal. Ich habe mir nun günstig einen Fluke 54100 Testbildgenerator organisiert um auch mal sauber ein NTSC Testbild auf den Video-In zaubern zu können. Evtl. schwingt da ja erst was wenn ein Signal am Eingang anliegt. Imho würde ich nun versuchen der Video-In 1 Strecke Schritt für Schritt nachzugehen um sicherzustellen das ein gültiges und sauberes Signal am A/D ankommt. Merkwürdig ist ja auch das ich für den Mixer keine Eingangskanalbestätigung per LED bekomme. Gut möglich das das erst klappt wenn für die Software ein gültiges Signal anliegt. Zunächst dürfte also mal der Bereich um IC5 interessant sein. Aus dem Sync-Separator sollte ich z.B. schonmal gültige H-Sync und V-Sync Impulse erhalten, die sind wohl das a und o, sonst bekomme ich niemals irgendwas zu sehen. Auch interessant was am Analogeingang der A/D-Converter IC14 und IC15 ankommt.
Olli Z. schrieb: > Merkwürdig ist ja auch das ich für den Mixer keine > Eingangskanalbestätigung per LED bekomme. Hmm, du meinst auf der A bzw B Schiene für Source 1 und Source 2 sowie die Hintergrundfarbe? Die kann man immer umschalten (mit LED), egal ob Signal anliegt oder nicht.
Matthias S. schrieb: > Hmm, du meinst auf der A bzw B Schiene für Source 1 und Source 2 sowie > die Hintergrundfarbe? Die kann man immer umschalten (mit LED), egal ob > Signal anliegt oder nicht. Ja genau, so hatte ich es auch in Erinnerung. Die "WIPE MODE" Effekte lassen sich zuschalten, auch die "DIGITAL EFFECT" zeigen zumindest per LED eine Rückmeldung. Wo garnichts kommt ist im "REC VIDEO OUT" Bereich und im "MIX WIPE EFFECT" Bereich, da scheint alles tot. Aber es könnte ja mit noch fehlerhaften Signalen zu tun haben. Ich habe die Umbestückung nochmals kontrolliert und zumindest laut Service-Manual alles richtig gemacht.
Tja, also irgendwo ist der "Wurm" drin, ich messe nix vernünftiges auf meinem umgebauten Teil. Daher habe ich mir zum direkten Vergleich noch einen gleichen Mischer zugelegt, nur um zu prüfen ob die im Einstellprotokoll angegebenen Werte dort zu messen sind. Wie gesagt scheitert es aktuell schon an der 3. Messung wo man an den VCOs mittels Drehspultrimmer einen Spannungswert von 2,8 V einstellen soll. Hier habe ich immer 5,4 V, egal was ich am Trimmer drehe. Jetzt könnte es natürlich sein das ich hier erst eine sinnvolle Spannung messen kann, wenn der Chip welcher das VCO-Signal erzeugt aktiviert wurde und er das aufgrund einer anderen Schaltungsbedinung eben nicht wird. Auf dieser Seite wird wohl digital angesteuert. Und wie schon geschrieben haben die meisten Tasten auf dem Mischer nun keine Funktion mehr.
Du solltest mal systematisch mit dem Oszi messen. Zuerst den MC und die Tasten/LED Matrix. dann den Datenbus zur Peripherie. Natürlich bekommt man heute so gut wie keine Infos mehr über die Interna der dicken Customchips, es bleiben als Anhaltspunkte nur die Pinbezeichnungen. Aber z.B. an den Speicherchips muss was im NTSC Timing durchgeklappert werden. An den Ausgängen der Farbdekoder muss R-Y und B-Y sowie Y zu messen sein. Hinter den Amplitudensieben dann die extrahierten Syncsignale. Der MC braucht Syncsignale, sonst klemmt er. Der VCO, an dem du rumdoktorst, scheint nicht zu schwingen, also wird an den Pins des ICs was abnormales zu messen sein.
Ein kleiner Teilerfolg! Wir hatten ja geglaubt das die Kamera-Eingangsstufe keine Relevanz für unsere Gesamtfunktion hat. In diesem Bereich gibt es jedoch auch einen Quarz (X203) welcher den externen Sync-Generator (IC222) speist. Dieser war noch original, sprich mit blauer Kappe (sind ja leider unbeschriftet die Quarze) aber laut Messung schwang der mit PAL-Frequenz (4,43 MHz). Diesen habe ich einfach mal gegen einen mit NTSC-Frequenz (3,57 MHz) ausgewechselt. Seitdem habe ich zumindest was die Bedientasten angeht wieder eine Teilfunktion. Die reagieren größtenteils wie gewohnt (nicht alles). Ein Bild kommt dennoch keins raus, weder die Hintergrundfarben, noch das eingespeiste Farbbalkensignal (NTSC) vom Fluke. Ein angeschlossener Bildschirm "zuckt" nur rhytmisch. Das aber kann ja durchaus an der noch nicht vorhandenen Justierung liegen? Leider hatte ich jetzt keine Zeit weiter zu suchen, aber das System scheint so deutlich responsiver zu sein und womöglich schwingen nun auch die VCOs...
Olli Z. schrieb: > Wir hatten ja geglaubt 'Wir' ist gut. Die ext. Kamera synchronisiert das ganze Pult und kann so als 'Genlock' oder Blackburst Eingang dienen. Olli Z. schrieb: > Ein > Bild kommt dennoch keins raus, weder die Hintergrundfarben, noch das > eingespeiste Farbbalkensignal (NTSC) vom Fluke. Ein angeschlossener > Bildschirm "zuckt" nur rhytmisch. Wie o.a., einfach mit dem Oszi weiter stochern. Farbbalken an den Eingang und dann systematisch von vorne ab die Signale verfolgen.
Ich glaube das hat erstmal nix mit dem Eingangssignal zu tun. Ich habe ja nun ein baugleiches Vergleichsgerät (PAL) und da arbeiten alle Quarze direkt, auch ohne Eingangssignal, wie sie sollen. Anfangs hatte ich ja an TP211 noch PAL gemessen (4,43 MHz) und das lag einfach an dem nicht gewechselten X203. Dieser Quarz ist, wie X1 und X2 bei den Videoeingangsstufen auch, ein 4fsc mit 17,734 MHz im PAL-Gerät und muss gegen ein 14,318 MHz für NTSC ausgetauscht werden. Das hatte ICH übersehen und geglaubt das dieser Schaltungsteil nur dann relevant ist, wenn eine externe Kamera angeschlossen ist. MEIN Fehler! Nun habe ich auch X203 getauscht und messe an TP211 auch die NTSC-Grundfrequenz von 3,57 MHz. Aber Schritt (3) gelingt nicht, das Einstellen der 2,8V am TP204 für den Read-VCO. Hier schwingt der VCO nicht beim umgebauten NTSC-Gerät. Beim PAL-Gerät stimmt die Spannung. Genauso wie die Write-VCOs an TP206 und TP208, die ebenfalls beim NTSC auf 5V liegen. Das Bedienpanel ist quasi tot, so gut wie keine Funktion. Löte ich den X203 aus, liegen dort (woher auch immer) ca. 900 KHz am TP211 an und das Panel lässt sich bedienen. Aber natürlich klapp Videoseitig nix. Dafür schwingt aber dann der Read-VCO. Daher glaube ich fest daran das hier das Problem liegt. Irgendetwas verhindert das der VCO "startet". Entweder ein Digitalsignal oder etwas in der Schaltung um IC222 herum. Der danebenliegende Mikrocontroller IC221 hat noch einen eigenen Quarz (X202) mit 8 MHz. Ich glaube eigentlich das diese 8 MHz ein reiner Systemtakt des uC sind und nichts mit PAL/NTSC zu tun hat, dafür passt die Frequenz ja nicht. Aber dieser wäre in der Tat der interne Sync-Generator.
Habe jetzt einiges rumgemessen und verglichen zwischen der PAL-Version
und meiner umgebauten NTSC-Version und diese Unterschiede gefunden:
An Pin 25 von IC219 ("UP" = Vsync)
PAL) Bei der PAL-Version kommt da ein saubers 50 Hz Signal raus
NTSC) Bei der NTSC-Version habe ich am gleichen Pin 161 Hz !!
An Pin 14 von IC219 ("EX910" "fMI")
PAL) Hier liegt eine Frequenz von 4,43 MHz an
NTSC) Hier liegt eine Frequenz von 14,3 MHz an !!
Die Frequenz an Pin 14 von IC219 wird bei der PAL-Version durch die
Schaltung um den 4,43 MHz Quarz X201 erzeugt und eingespeist. In der
NTSC-Version kommt sie direkt von IC222 Pin 3, was aber 4fsc ist. Der
Baustein IC219 teilt meiner Vermutung nach den an EX910/fMI anliegenden
Takt durch 88.672. Im Fall von 4,43 MHz ergibt das genau 50 Hz, im Fall
von 14,4 MHz dann eben 161 Hz.
Das Problem ist das um 60 Hz dort zu erhalten (was erwartet wäre),
müsste IC219 durch 59.659 teilen. Oder, falls wir hier mit den 14,4 MHz
rechnen sogar 238.636. Genau für solche Zwecke hätte ich geblaut sei die
Kodiermöglichkeit durch die Jumper rechts vom IC219 gedacht.
Die Framerate bei NTSC ist nicht 60 Hz, sondern 59,94 Hz. Aber mir ist nicht klar, warum du R504, der zum Lineswitch Control des MN676021PPS (Pin 11) führt, entfernt hast. Da steht zwar PAL dran, aber er wird im Bestückungsplan nicht als zu entfernen markiert.
Matthias S. schrieb: > Aber mir ist nicht klar, warum du R504, der zum Lineswitch Control des > MN676021PPS (Pin 11) führt, entfernt hast. Da steht zwar PAL dran, aber > er wird im Bestückungsplan nicht als zu entfernen markiert. Doch, steht in der Tabelle im ersten Beitrag.
Ich fürchte ich habs!! Irgendwie beschlich mich das Gefühl das das Manual nicht stimmen könnte. Daher habe ich mir mal den Schaltplan eines AVE7 angeschaut, der zum Teil die gleichen Komponenten verwendet. Dort kommt auch der MN676021PPS zum Einsatz und auch hier gibt es PAL/NTSC Umbautabelle welcher zu praktisch demselben Schaltbild führt wie beim AVE5. Jedoch wird darin beschrieben das der IC gegen eine MN676011NPS auszutauschen ist. Und in der Tat ist das ein spezieller Sync-Generator für NTSC. Das heisst, das ich diesen Chip brauche: MN676011NPS Aber woher nehmen??
Olli Z. schrieb: > Aber woher nehmen?? Das Datenblatt hast du dir ja sicher runtergeladen. Aber eine Nachbildung ist bei der komplexen Schaltung ein Problem.
Matthias S. schrieb: > Das Datenblatt hast du dir ja sicher runtergeladen. Aber eine Nein, eben ja nicht. Das für den NTSC-Chip findet man leicht, das für den PAL-Chip dagegen garnicht. Daher kann ich es auch ganz schlecht vergleichen. > Nachbildung ist bei der komplexen Schaltung ein Problem. In der Tat. Einzige Chance die ich sehe: - Jemand kennt einen Ersatztyp, der die gleiche Funktion hat, aber vielleicht mittels Adapterplatine ans Pinout angepasst werden muss - Jemand hat ein NTSC-Gerät rumliegen und möchte es günstig abgeben - Jemand hat solch einen Chip oder weiss woher man ihn beziehen kann (Werkstatt) - Ich komme günstig an ein, z.B. defektes NTSC-Gerät aus USA (egal welches, Hauptsache digital und Panasonic, denn dieser Baustein wird vermutlich in den anderen genau so verbaut sein)
Olli Z. schrieb: > Daher kann ich es auch ganz schlecht > vergleichen. Der PAL Chip ist pinkompatibel und hat lediglich andere Teilerketten. Insofern reicht das zur Verfügung stehende Datenblatt des NTSC Chips schon. Aber das hilft dir für den Umbau nicht. Hast du jetzt eigentlich mal probiert, NTSC direkt vom AG7350 auf die Blackmagic zu grabben? Evtl. ist der Umbau des Pultes ja gar nicht nötig.
Ich habe herausgefunden das es von Panasonic noch div. andere Chips mit ähnlicher Funktion gibt, z.B. den MN67601NS (also ohne die nachfolgende 1) welcher auch ein Sync-Generator ist. Ebenso gibt es einen MN6761S der sowohl für PAL als auch NTSC geeignet ist. Evtl. kann man sich hieraus was bauen... Auch dieser Sony-Chip könnte doch eine Alternative sein? Sony CXD1217M
Bei div. Vergleichen mit dem PAL-AVE5 ist mir nun aufgefallen das die Qualität des Ausgangssignales doch erheblich leidet. Neben eine geringeren Schärfe und Farbtiefe fallen vor allem ein erhöhter Kontrast, eine überzogene Farbsättigung und Rausch-Effekte in Flächen auf. Das alles wird sicher eine Folge der einfachen 8-Bit A/D-D/A Wandlung sein. Das AVE hat ja auch keinerlei Einstellmöglichkeiten für das Bildsignal. Habe zum Vergleich mal einen Szenenbild eingefügt welches einmal mit und einmal ohne das AVE dazwischen digitalisiert wurde. Ohne das AVE (was einfach auch für eine gewisse Unschärfe sorgt und so wie ein Weichzeichner wirkt) fällt auf das über dem Bild fast so eine Art Moiree liegt. Auffällig ist auch der Overscan-Bereich. Die erste Zeile fängt erst in der Hälfte des Bildes an und mit AVE sind die linken und rechten Kanten deutlich gecropped. Das ist jetzt nicht schlimm weil man das Bild eh an allen Kanten beschneiden muss, aber interessant :-) Hier wäre ein dedizierter TBC sicher im Vorteil. Wo liegen denn da sonst noch so die Unterschiede, außer das die reinen TBCs gut 20mal so teuer sind wie das AVE? ;-)
Olli Z. schrieb: > Wo liegen denn da sonst > noch so die Unterschiede, außer das die reinen TBCs gut 20mal so teuer > sind wie das AVE? ;-) Prof. Geräte haben mindestens 10 Bit Auflösung und verarbeiten im Gegensatz zum WJ-AVE5 natürlich alle Komponenten gleichzeitig. Das WJ-AVE5 hat prinzipbedingt nur die halbe Farbauflösung, denn es sampelt ja entweder R-Y oder B-Y, also nie beide zusammen. (Siehe den Analogschalter vor dem AD Wandler für Chroma). Allerdings ist das bei VHS überkandidelt. Hier ist es vermutlich wichtiger, überhaupt ein Bild auf den Rechner zu digitalisieren, als unendlich Mäuse auszugeben.
Was wäre denn Deiner Erfahrung nach die "nächste Stufe" über dem AVE5? Also welches bessere Modell dann z.b. Y und C gleichzeitig, mit vollen 8 Bit digitalisiert? Und macht das AVE nicht eigentlich auch nur Halbbilder? Die richtigen, reinen TBCs liegen entweder im Bereich um 400€ (semi-profi) oder ab 1.000€ (profi)...
Im Broadcast Bereich wird sowas alles schon seit etwa 10-15 Jahren überhaupt nicht mehr benutzt bzw. benötigt. Die Jungs machen mittlerweile alles nur noch im Rechner. Da wird auf XDCam oder SSD Array aufgenommen und dann schnell in den Rechner gespült - der Rest passiert per CPU. Im Semiprofibereich gab es eine Menge Zeug z.B. von Kramer. In den Studiosetups sind TBC nur sehr selten gewesen, denn die Maschinen liefen sowieso synchron und hatten nötigenfalls den TBC eingebaut. Da wurde eben auch so gut wie gar nicht normgewandelt. Da vor etwa 20 Jahren auch so gut wie alle Studios schon digital waren, gab es auch das Problem mit jitternden Tapes nicht mehr. Digibeta und Konsorten hatten TBCs nicht mehr nötig. Es gibt also höchstens bei gebrauchtem Studiozeugs noch irgendwo was und das ist dann richtig alt.
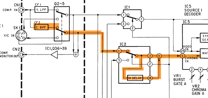
Matthias S. schrieb: > Gegensatz zum WJ-AVE5 natürlich alle Komponenten gleichzeitig. Das > WJ-AVE5 hat prinzipbedingt nur die halbe Farbauflösung, denn es sampelt > ja entweder R-Y oder B-Y, also nie beide zusammen. (Siehe den > Analogschalter vor dem AD Wandler für Chroma). Ich habe mir das nochmal angesehen und so ganz verstehe ich es nicht... Wenn ich mir den Signalweg ansehe, dann erkenne ich in (1) das S-Video scheinbar vorrangig genutzt wird und Composite-Video zunächst in Chroma (C) und Luma (Y) mittels Tiefpass/Bandpass Filter aufgespalten wird. Die Schaltung rund um (2) ist um Source 1 oder Source 2 auf den Kanal "A" zu legen. Wozu der "1H DELAY" ist kann ich mir noch nicht recht erklären. In (3) wird aus dem Y-Signal ein Composite-Sync (H-Sync, V-Sync) gefiltert, zusätzlich aber auch noch über eine Matrix aus Y und C jeweils R-Y und B-Y gemacht. Bei (4) läuft oben das unveränderte Y-Signal rein, wird zur Synchronisation mit "DELAY" verzögert und direkt in (6) einem eigenen A/D-Wandler zugeführt. Den Beschreibungen nach ist dieser Wandler also nur für den Helligkeitswert zuständig, das Signal enthält aber auch noch die Sync-Impulse, die aber vermutlich vom Controller(7) ignoriert werden. Das R-Y und B-Y Signal gelangt über Tiefpass/Bandpass/Clamp(?) und einem OpAmp dann auf besagten Umschalter. Dieser lässt also einmal R-Y und einmal B-Y zum A/D-Wandler. Hier ist es wohl was Du mit "halber Farbauflösung" gemeint hast? Die A/D-Wandler selbst sind nur 7 Bit (!). Wie passt das zusammen? Wäre somit das AVE5 nur ein 7-Bit TBC? Ein weiteres Rätselt für mich ist das SOURCE 1 MEMORY. Dort sind nur die Hälfte der RAM-Bänke bestückt. Warum? Wozu könnten die nicht bestückten RAMs mal gedacht gewesen sein? Was wird dort überhaupt alles gespeichert? Ein Vollbild? Oder nur ein Halbbild?
Matthias S. schrieb: > Es gibt also höchstens bei gebrauchtem Studiozeugs noch irgendwo was und > das ist dann richtig alt. Und richtig teuer :-(
Olli Z. schrieb: > Hier ist es wohl was Du mit "halber > Farbauflösung" gemeint hast? So isses. Olli Z. schrieb: > Dort sind nur die > Hälfte der RAM-Bänke bestückt. Warum? Wozu könnten die nicht bestückten > RAMs mal gedacht gewesen sein? Die fetten Memory Controller haben einen Low/High Resolution Pin, der aber in keinem mir bekannten Panasonic Pult benutzt wurde. Ich vermute, das bei der Stellung High eben beide Farbdifferenzsignale gleichzeitig gespeichert werden und damit wieder volle Farbauflösung da ist. Dazu braucht es einen dritten ADC. Das ist allerdings nur eine wilde Vermutung und durch nichts bestätigt. Olli Z. schrieb: > Und richtig teuer :-( Wie immer im Braodcasting. Deswegen steigt ja auch stetig der 'Gebührenbedarf' :-P Ja nee, die Dinger waren immer sehr selten aus den o.a. Gründen und deswegen teuer. Deswegen hatte ich mir ja damals mal einen 1H TBC gebastelt - übrigens mit 8 Bit :-)
"1H" bedeutet was? Ich verstehe einfach nicht warum man das Farbsignal nochmal in R-Y und B-Y aufspalten muss um es zu digitalisieren? R-Y entspricht doch "V" und B-Y dann "U" vom "YUV" Signal, richtig?
Olli Z. schrieb: > "1H" bedeutet was? 1 Bildzeile (H = hortizontal) Olli Z. schrieb: > Ich verstehe einfach nicht warum man das Farbsignal nochmal in R-Y und > B-Y aufspalten muss um es zu digitalisieren? Kosten, Kosten und nicht zu vergessen - Kosten. Das spart halt die Hälfte des nötigen Chroma RAMs beim Pansomatic. Man 'schummelt' dann im Ausgang die Zeile wieder dazu per digitaler Addition. > R-Y entspricht doch "V" und B-Y dann "U" vom "YUV" Signal, richtig? In etwa. Bei YUV wird die Polarität von U allerdings pro Zeile einmal gewechselt, was dann bei R-Y und B-Y schon dekodiert ist und die Polarität nicht mehr wechselt. Letzteres sind dann die Farbkomponenten bei 'Component Video', ab und zu auch als YPbPr bezeichnet. YUV ist also ein Subsignal im PAL Dekoder und heutzutage aussrhalb eines PAL Dekoders nicht mehr sichtbar.
-*-*- F I N A L L Y, IT WORKS ! -*-*- Habe heute die in China bestellten MN676011NPS bekommen, gleich einen eingelötet und was soll ich sagen? Klappt auf Anhieb! Jetzt geht es ans kalibrieren und dann habe ich wohl ein echtes Unikat was es so vermutlich wenigstens in Deutschland nicht nochmal gibt :-)))) Auch und besonderen Dank natürlich hier ans Forum, allem voran Matthias für die ausdauernde Unterstützung und Impulsgebung sowie Hintergrunderklärung. SO macht Elektronik mal wieder richtig Spaß. Bestelle mir die Tage noch ein Vectorscope/Waveform-Monitor um alles perfekt einstellen zu können, alles andere habe ich inzwischen ja (Bildgenerator, Frequenzzähler, Scope).
Zumindest hat sich deine Hartnäckigkeit dann doch bezahlt gemacht :-) Gratuliere dir herzlich! Wieviele Chips hattest du denn zu welchem Preis geordert?
Matthias S. schrieb: > Wieviele Chips hattest du denn zu welchem Preis geordert? Das war von einem "Schlachter" aus China, sprich die refurbishen, neu ist das Zeug ja nicht zu bekommen. Habe gleich 10 Stück bestellt falls da doch mal ein defekter drunter sein sollte, denn testen können die das wohl eher nicht. Waren in Summe um die 25,- €. Aber finde ich auch echt cool das es dort sowas gibt, hierzulande würde wohl niemand auf die Idee kommen alte Platinen auszuschlachten und die Bauteile anzubieten...
Olli Z. schrieb: > Aber finde ich auch echt cool das es dort sowas gibt, hierzulande würde > wohl niemand auf die Idee kommen alte Platinen auszuschlachten und die > Bauteile anzubieten... Nett wäre halt wenn auch alle Refurbisher ihre Bauteile so kennzeichnen würden. Meist werden die als originale Neuware (NOS) angeboten. Und genauso oft ist in dem Gehäuse nicht das drin was draufsteht, d.h. bei dem verkauften Chip stimmt bestenfalls das Package mit den Datenblattangaben überein.
So, zum Abgleich: - Die 5V vom Netzteil sind kein Problem, gut einzustellen. - Die 2,8V (+- 0,1V) Read-VCO an TP204 lassen sich nun am L215 auch gut trimmen. - Die NTSC-Grundfrequenz an TP211 lässt sich mit VR201 nicht exakt auf 3,579545 MHz einstellen, sondern nur bis runter auf 3,580100 MHz (laut Racal Dana 1991). Ich denke aber das sollte schon exakt sein, nicht wahr?! Also werde ich mal versuchen die 1k Festwiderstände drumherum etwas zu ändern, ob ich noch Spielraum habe... - Wo ich aktuell hänge ich am Write-VCO. Den soll man auch auf 2.8V einstellen über L202 gemessen an TP208. Dort habe ich jedoch konstant 4,8V. Natürlich liegt ein NTSC Farbbalken auf SOURCE 1 an.
Olli Z. schrieb: > - Die NTSC-Grundfrequenz an TP211 lässt sich mit VR201 nicht exakt auf > 3,579545 MHz einstellen, sondern nur bis runter auf 3,580100 MHz (laut > Racal Dana 1991). Ich denke aber das sollte schon exakt sein, nicht > wahr?! Also werde ich mal versuchen die 1k Festwiderstände drumherum > etwas zu ändern, ob ich noch Spielraum habe... Ein bisschen genauer sollte es schon sein: "The tolerance on the frequency shall be ±0.0003% with a maximum rate of change of frequency not to exceed 1/10 cycle per second per second." https://antiqueradio.org/art/NTSC%20Signal%20Specifications.pdf
Soul E. schrieb: > Ein bisschen genauer sollte es schon sein: "The tolerance on the > frequency shall be ±0.0003% with a maximum rate of change of frequency > not to exceed 1/10 cycle per second per second." > https://antiqueradio.org/art/NTSC%20Signal%20Specifications.pdf Ganz Deiner Meinung :-) Was mich momentan noch etwas beschäftig, wenn ich auf COMP.IN von SOURCE1 einen Farbalken gebe, erwarte ich eigentlich auf COMP MONITOR OUT das gleiche Signal (siehe Schaltplan). Im Grunde wird das Eingangssignal ja nur gepuffert, über einen Band- und Tiefpass in Y und C aufgespalten und letztlich über R10 und R11 wieder zu einem Composite gemischt, vom OpAmp IC1 verstärkt und ausgegeben. Das ist ja reine Analogtechnik. Merkwürdigerweise erhalte ich aber kein Ausgangssignal... hmm warum nur?
Das Problem oben war eine defekte F1 im Netzteil. Da kamen dann nur noch 1,5V anstelle 5,0V raus. Habe ich repariert und jetzt kann ich auch den Write-VCO auf 2,800V trimmen. Was mir aber immer noch Kopfzerbrechen bereitet ist, warum ich die NTSC-Frequenz nicht sauber einstellen kann. Ich kann sie mit VR201 zwischen 3,580093 und 3,580704 justieren. Eine Änderung der Widerstände R317 und R318 bringt hierbei leider garnichts, denn bei der niedrigsten Frequenz ist die Poti-Ausgangsspannung nur 0,4V und selbst volles GND ändern die Frequenz nicht mehr weiter herunter. Am Ende sind es nur lausige 548 Hz die mir da fehlen, also 0,01%. Aber zu 0,0003% dann doch noch Welten... Der taktgebende Quarz (X203) schwingt laut Racal mit 14,320680 MHz, was ja auch etwas zu hoch ist, es dürften ja eigentlich nur 14,318180 MHz sein. Habe ich da einfach einen zu ungenauen Quarz gekauft? Oder muss ich einfach 10 Stück kaufen und durchselektieren?
Olli Z. schrieb: > Der taktgebende Quarz (X203) schwingt laut Racal mit 14,320680 MHz, was > ja auch etwas zu hoch ist, es dürften ja eigentlich nur 14,318180 MHz > sein. Habe ich da einfach einen zu ungenauen Quarz gekauft? Oder muss > ich einfach 10 Stück kaufen und durchselektieren? Zunächst mal musst Du einen Quarz kaufen, der von seinen elektrischen Eigenschaften zur Oszillatorschaltung passt. Die Frequenz ist nur einer von vielen Parametern. Manche Oszillatoren kann man auch an den Quarz anpassen, z.B. durch Ändern von Kapazitätswerten.
Ok, ich habe seinerzeit bei Reichelt jeweils 4 von diesen hier bestellt: a) https://www.reichelt.de/standardquarz-grundton-14-318000-mhz-14-3181-hc49u-s-p72528.html?&nbc=1 hat 32pF und 40 Ohm b) https://www.reichelt.de/standardquarz-grundton-14-318000-mhz-14-3180-hc18-p1594.html?&nbc=1 hat 32pF und 25 Ohm Von Version b) habe ich nun alle durchprobiert und alle schwingen ungefähr auf 14,3194 wenn ich sie einlöte und messe. Von Version a) habe ich nur noch zwei weil die anderen in den Farbdekoderstufen sitzen und mit denen komme ich zumindest schonmal auf 3,579968 MHz runter. Der Original-Quarz welcher im Panasonic für PAL drin war ist ja so einer im Röhrchen. Ich weiss leider garnichts über diesen Typ, also Kapazität etc. Ich denke ich sollte es mal mit solchen probieren: https://www.mouser.de/ProductDetail/ABRACON/AB308-1431818MHZ?qs=2xLVn2jvFute0sG8lYfwJQ%3D%3D Da passt die 4FSC auch besser, denn 14,318000 MHz können durchaus zu ungenau sein, denn 14,318180 MHz wären ja rein rechnerisch korrekt. Evtl spielt die Kapazität garnicht so eine große Rolle...
Olli Z. schrieb: > Der taktgebende Quarz (X203) schwingt laut Racal mit 14,320680 MHz, was > ja auch etwas zu hoch ist, es dürften ja eigentlich nur 14,318180 MHz > sein. Evtl. ist die Bürdekapazität zu klein, dann schwingt der Quarz zu hoch. Die 14,31818 MHz sollten so exakt wie möglich eingehalten werden. Olli Z. schrieb: > über einen Band- und Tiefpass in Y und > C aufgespalten und letztlich über R10 und R11 wieder zu einem Composite > gemischt, vom OpAmp IC1 verstärkt und ausgegeben. Die Bandpässe sind bei der PAL Version auf 4,433 Mhz abgestimmt und müssen für NTSC auf 3,58 Mhz umgebaut werden.
Matthias S. schrieb: > Evtl. ist die Bürdekapazität zu klein, dann schwingt der Quarz zu hoch. Meine jetzigen haben 32pF und die die ich mir bei Mouser rausgesucht habe nur 18pF. > Die 14,31818 MHz sollten so exakt wie möglich eingehalten werden. Das glaube ich auch und mein Fehler war sicherlich da einfach nur 14,318 MHz Quarze zu kaufen und zu glauben das der Einstellbereich das schon kompensieren kann... ich kaufe jetzt 14,318180 damit sollte es schon besser gehen. Trotzdem gab es am Ausgang ein gutes Bild, zwar nahezu S/W aber stabil. Überraschend... > Die Bandpässe sind bei der PAL Version auf 4,433 Mhz abgestimmt und > müssen für NTSC auf 3,58 Mhz umgebaut werden. Dann muss ich da wohl auch noch ran... obwohl die bei Einspeisung von S-Video ja umgangen würden. Aber dann dürfte klar sein warum ich am Monitor out nichts sehe. Diese "Filter" sind im Schaltplan wie ein IC gezeichnet, auf der Platine sieht es aber eher nach e Spulen aus im Metallgehäuse. Beschriftet ist nichts und auf im Schaltplan steht dazu nichts. Das wird ja wieder ne harte Nummer...
Olli Z. schrieb: > Das wird ja wieder ne > harte Nummer... Wer einen Wobbler hat, kann mal mit Kondensatoren parallel am Eingang und Ausgang probieren, ob man so die Mittenfrequenz verschieben kann. Meist sind da zwei oder drei Schwingkreise mit kapazitiver Kopplung in diesen Filtern.
Matthias S. schrieb: > Wer einen Wobbler hat, kann mal mit Kondensatoren parallel am Eingang > und Ausgang probieren, ob man so die Mittenfrequenz verschieben kann. > Meist sind da zwei oder drei Schwingkreise mit kapazitiver Kopplung in > diesen Filtern. Leider ist die Backplane mit sämtlichen Buchsen verlötet die man erst alle ablöten müsste um an die Bauteilseite zu kommen :-( Aber was man so von oben erkennen kann sieht im Prinzip so aus wie auf dem Bild. 3 so Filter nebeneinander. Die Aufnahme ist von einem anderen Teil des Mainboards, also kommt diese Kombi häufiger vor. Manche haben einen drehbaren Ferritkern. Laut Servicemanual hat der CF1 z.B. die Bezeichnung YWYS30387 und der CF2 YWYS30384. Was mich wundert, auch wenn ich Deinen Aussagen grundsätzlich vertraue Matthias, das diese Bauteile weder in einer NTSC/PAL Tabelle vorkommen, noch einen Stern im Schaltplan haben. Aber - das hatte der IC219 ja auch nicht...
Laut Teileliste vom ServiceManual sind X1, X2, X203 bei PAL YFMS30917M10 (eingraviert ist da ja "MS07NR"). Die Bezeichnung 17M passt schon ganz gut zu den 17,7 MHz bei PAL (4fsc). Danach gesucht finde ich beigefügte Liste und daher glaube ich recht sicher das die NTSC-Variante davon die Bezeichnung YFMS30914M10 trägt. Leider keine Angaben zu diesem Teil bezüglich Kapazität und Widerstandswert.
Wenn ich mal den AVE5 und AVE7 vergleiche (hier mal ausnahmsweise die zweite Eingangsstufe B) und im SM vom AVE7 lese was bei NTSC auch bei den Filter getauscht wird, dann überrascht nicht das es die Chroma-Komponenten sind ;-) Jetzt hätte ich beim AVE5 sogar noch den Vorteil das ich den CF2,CF4 nicht wechseln müsste wenn ich nur den S-Video-Eingang nutzen würde... CF5 und CF6 müssen aber auf jeden Fall getauscht werden. Die PAL-Bezeichnungen für diese Filter habe ich ja im SM, jedoch nicht die der NTSC-Version. Beim AVE7 ist das für CF242 und CF243 (LPF): PAL NTSC YW4FW6997 YW4FW6996 und für CF9 (BPF): PAL NTSC YW4FT6912 YW4FT7034 Beim AVE5 für den CF5 und CF6 (LPF) PAL NTSC YWYS30384 ??? und für CF4 (BPF): PAL NTSC YWYS30387 ???
Olli Z. schrieb: > YW4FW6997 YW4FW6996 > YW4FT6912 YW4FT7034 Gibt es denn zu den Panasonic Ersatzteilnummern eine Liste mit den echten Hersteller-Typbezeichnungen? Oder sind die Filter kundenspezifisch? Die Quarze vermutlich auch -- wenn es genau sein soll, dann lässt man sich die zur Schaltung passend fertigen.
Soul E. schrieb: > Gibt es denn zu den Panasonic Ersatzteilnummern eine Liste mit den > echten Hersteller-Typbezeichnungen? Oder sind die Filter Hauptproblem im Moment ist das ich die Teilenummern der NTSC-Versionen nicht kenne und damit auch nicht gezielt suchen kann. Diese Internen Bezeichnungen helfen bestenfalls bei Panasonic-Teilehändlern wie er hier http://www.4-dj.de/all-parts/panasonic_spare_parts_35.htm > kundenspezifisch? Die Quarze vermutlich auch -- wenn es genau sein soll, > dann lässt man sich die zur Schaltung passend fertigen. Sehr wahrscheinlich kommt das aus dem eigenen Hause. Panasonic ist ja eine Handelsmarke von Matsushita und die stellen durchaus selbst Halbleiter und andere Elektronik her. Ich kenne mich mit diesem HF-Filterzeugs überhaupt nicht aus, ob es solche "Triple" überhaupt zu kaufen gibt. Meine einzige Hoffnung im Moment ist, das ich ein Panasonic-Gerät finde welches genau diese Filter in der PAL-Version verwendet und auch eine saubere Auflistung der NTSC-Version bietet. Beim AVE5 habe ich wohl echt das am schlechtesten dokumentierte erwischt ;-) Ohne die richtigen Filter wird das nie was mit der Farbe. Die Sache mit dem Quarz ist dagegen sicherlich lösbar.
Und ein US-Gerät schlachten wäre keine Option? Die werden auf ebay.com doch regelmäßig angeboten.
Soul E. schrieb: > Und ein US-Gerät schlachten wäre keine Option? Die werden auf ebay.com Tja, wenn nur die hohen Transportkosten und Zoll und auch die relativ hohen Preisvorstellungen nicht wären...
Dinge aus den USA sind bei uns immer sauteuer wg. der exorbitanten Versandkosten. Ich habe gestern mal ein wenig bei Murata gestöbert nach solchen Filtern, aber die Zeiten scheinen vorbei zu sein, in denen sie sowas für PAL und NTSC angeboten haben. Die sind nun eher auf Mikrowellenzeugs und Handyplunder. Über das LPF im R-Y Weg musst du dir vermutlich keine Gedanken machen und ob das BPF bei B-Y umgebaut werden muss, wäre mal zu osszillografieren. Ich vermute eher, das es nicht entscheidend ist. Der LPF im Y Zweig sollte allerdings den Farbträger sperren und ist im Moment auf 4,43 Mhz, d.h., er lässt den NTSC Träger vermutlich passieren. Ob das sichtbar ist, kann ich dir nicht sagen, es könnten allerdings Aliasingeffekte auftreten. Das Drehen an den Kernen ist übrigens sinnlos und musst du gar nicht probieren. Der Einstellbereich geht niemals bis runter auf 3,58MHz. Olli Z. schrieb: > Panasonic ist ja > eine Handelsmarke von Matsushita Ist zwar egal, aber es ist mittlerweile umgekehrt. Alles, was früher National, Technics oder Matsushita hiess, fungiert nun unter dem Namen Panasonic. Und das drucken sie auch auf ihre Chips etc.
Danke Matthias, meinst Du das es irgendwelche Reparaturdienstleister gibt die solches Zeug vielleicht noch an Lager haben? In China habe ich schon gesucht, aber sowas scheinen selbst die nicht zu schlachten und anzubieten ;-) Neben einem Original-Ersatzteil (von dem ich momentan ja noch nichteinmal die genaue Panasonic-Bezeichnung kenne...) gibt es also scheinbar auch keine Universalteile die man dafür nehmen könnte. Was steckt denn da eigentlich drin unter diesen Blech-Bechern? Sind das passive Bauteile (Kondensatoren, Widerstände, Spulen) oder gar doch auch noch Halbleiter wie Transistoren und OpAmps? Ist ein NTSC Farbträger Bandpass/Tiefpass jetzt etwas was nur Panasonic fertigen kann oder nicht auch ein Elektroniker mit konventionellen Mitteln? Sooo speziell scheint mir diese Aufgabe irgendwie auch nicht, selbst wenn ich persönlich mich nicht in der Lage sehe sowas zu designen :-) Was bräuchte ich denn um die Filter zu prüfen? Einen Wobbler meintest Du. Welcher Frequenzbereich, welche Wiederholrate wäre da angesagt? Und brauche ich für das Ergebnis hinten raus dann nicht auch einen Spektralanalyzer? Oder kann ich das ganze auch rein passiv testen, Frequenz anlegen und mit dem DSO schauen was durchgeht?
Wenn ich nochmal Bezug auf meine Gegenüberstellung der Eingangsstufen nehmen darf: Beitrag "Re: Panasonic WJ-AVE5 (PAL) auf NTSC umbauen" So wie es aussieht müsste von der Eingangsstufe ja nur CF4 anders sein, sprich das Helligkeitssignal ist für NTSC und PAL gleich und kann daher mit demselben Filter (CF3) arbeiten? Die Aufgabe des Tiefpasses ist doch das höherfrequente Chroma-Signal zu elimieren, sodass nur ein S/W Signal über bleibt. Was mich wundert ist das da die Farbträgerfrequenz egal sein soll... Und wozu dienen eigentlich CF5 und CF6? Der Dekoder trennt doch schon sauber auf R-Y und B-Y, wozu dann nochmal filtern? Und warum ist da beim AVE5 im B-Y ein BPF und beim AVE7 ist es ein LPF? Druckfehler auf einem der Pläne?
Olli Z. schrieb: > gibt es also > scheinbar auch keine Universalteile die man dafür nehmen könnte. Die gibt es schon, aber bei uns ist nun mal PAL der Standard und damit 4,43MHz Filter. In den USA sind die 3,58MHz Filter der Standard, aber die wohnen so weit weg. PAL Filter kannst du so gut wie aus jeden (TV/Video) Gerät schlachten, aber NTSC hier nur aus alten Multinormern. Olli Z. schrieb: > So wie es aussieht müsste von der Eingangsstufe ja nur CF4 anders sein, > sprich das Helligkeitssignal ist für NTSC und PAL gleich und kann daher > mit demselben Filter (CF3) arbeiten? Genaugenommen auch nicht, denn ein PAL LPF sperrt erst bei knapp unter 4,4 Mhz gut und lässt damit den Farbträger von NTSC voll durch. Olli Z. schrieb: > Und wozu dienen eigentlich CF5 und CF6? Der Dekoder trennt doch schon > sauber auf R-Y und B-Y, wozu dann nochmal filtern? Ohne mit dem Oszi in meinem Pult rumzustochern, kann ich nur vermuten, das am Ausgang des Dekoderchips Frequenzen entfernt werden, die mit dem Y-Signal interferieren würden. Da musst du erstmal nicht ran. Wichtig ist das Chroma Filter vor dem Dekoderchip, sonst kommt da kein 3,58 MHz Signal an. Olli Z. schrieb: > Sind das > passive Bauteile (Kondensatoren, Widerstände, Spulen) oder gar doch auch > noch Halbleiter wie Transistoren und OpAmps? Habe ich doch schon gepostet. 2 oder drei Schwingkreise mit der Mittenfrequenz auf z.B. 4,43MHz. Einer der Kreise liegt etwas darunter und einer etwas darüber, um wenig Welligkeit im Frequenzbereich zu haben. Alles passiv, kein Halbleiter drin. Die Kreise sind kapazitiv gekoppelt.
Olli Z. schrieb: > Was steckt denn da eigentlich drin unter diesen Blech-Bechern? Spulen. Siehe auch diesen Thread: https://radio-bastler.de/forum/showthread.php?tid=4716 > Ist ein NTSC Farbträger Bandpass/Tiefpass jetzt etwas was nur Panasonic > fertigen kann oder nicht auch ein Elektroniker mit konventionellen > Mitteln? Früher gab es das als Bausatz zum Selberwickeln. Ich habe auf die Schnelle nur eine größere Bauform gefunden: https://www.ebay.de/itm/233605073646 > Was bräuchte ich denn um die Filter zu prüfen? Einen Wobbler meintest > Du. Welcher Frequenzbereich, welche Wiederholrate wäre da angesagt? Statt Wobbler würde ich heutzutage einen Nano-VNA nehmen. Der Frequenzbereich sollte den interessierenden Durchlass- und Sperrbereich des Filters abdecken. Wenn man Zeit hat, kann man sich auch mit Signalgenerator und Oszi hinsetzen...
Ich habe mal einen kleinen IST-Vergleich angestellt. PAL-Farbbalken in das PAL-AVE5 NTSC-Farbbalken in das NTSC-AVE5 und dann jeweils am Ausgang des LPF (Pin 7) die Luminanz und BPF (Pin 9) die Chrominanz gemessen. Beim Chroma-Kanal würde mir jetzt auf den ersten Blick nichts auffälliges ins Auge springen. Ganz anders aber beim Luma-Kanal, hier ist deutlich zu erkennen das im NTSC-Aufbau er LPF nicht in der Lage scheint das Farbsignal rauszunehmen. Erwartet hätte ich das jetzt eher ein Unterschied in der Chroma erkennbar ist und das Luma bei beiden saubere "Treppen" bilden, denn der LPF sollte doch für NTSC und PAL gleich sein?
Olli Z. schrieb: > LPF sollte doch für NTSC und PAL gleich sein? PAL hat doch deutlich mehr Bandbreite. Wenn der Tiefpass bei 4 MHz zumacht geht der NTSC Burst noch voll durch. Für NTSC müsste die Grenzfrequenz bei 3 MHz liegen, für ein flimmerfreies Matschbild.
Nochmal, meine Messung belegt das der Y-Tiefpass auf dem PAL-Gerät den Chroma-Anteil des PAL-Farbbalkens sauber entfernt. Auf dem NTSC-Gerät den NTSC-Farbbalken aber zumindest in Teilen drin lässt. Das darf so nicht sein, steht auch im SM: "3-1-1 Composite Video Signal The composite video signal supplied from the composite video input connector CN1 on the rear panel is fed to the filters through buffer Q1. The low pass filter CF1 passes through luminance (Y) signal only and sends it to the Main board. The band pass filter CF2 passes through chrominance (c) signal (4.43 MHz : PAL, 3.58MHz : NTSC component) only and sends it to the Main board." Einen Unterschied soll es nur beim Chrominanz-Bandpass geben. Der Tiefpass CF1 sollte aus prinzipbedingt in der Lage sein sowohl PAL als auch NTSC Chroma aus dem Luminanzsignal völlig herausfiltern zu können, richtig?! Aber warum tut er das nicht? Und was mich jetzt noch viel mehr interessiert: Welche cutoff-Frequenz hat der Tiefpass denn eigentlich? Das Chroma-Signal hat ja eine gewisse Bandbreite (die ich aktuell nicht kenne, wird aber prinzipbedingt deutlich geringer sein als die Luma-Bandbreite) und die Grundfrequenz 3,58 oder 4,43 MHz ist ja nur der Träger (die "Mitte") dieses Signals. So aus dem Bauch raus hätte ich mal auf 1-1,5MHz Bandbreite getippt. Das Luma-Signal hat sicher eine Bandbreite von 4-5 MHz. Ich meine mal irgendwo gelesen zu haben das FBAS ca. 5,5 MHz Bandbreite hat. Somit ergäbe sich aber doch das vom Spektrum her das Farbsignal im Spektrum des Helligkeitssinals befände? Ist das nicht widersinnig? Würde es doch eigentlich bedeutet das man den Tiefpass so berechnen muss das neben dem Farbsignal auch große Teile des Helligkeitssignals verloren gehen? Also beispielsweise Tiefpass mit Cutoff von 3 MHz. Ich lese schon seit Tagen div. Abhandlungen und Erklärungen zum Thema PAL/NTSC, aber irgendwie blicke ich da immer noch nicht voll durch... Diese Tiefpassfilter müssten doch, angesichts ihres Verwendungsgebietes überall zu bekommen sein und massig Info dazu bieten? Würde sogar erwarten das ich sowas mit Matlab und ein paar Teilen aus der Hobbykiste nachbauen können müsste.
Olli Z. schrieb: > Und was mich jetzt noch viel mehr interessiert: Welche cutoff-Frequenz > hat der Tiefpass denn eigentlich? Für PAL ca 4.0 MHz, für NTSC ca 3.2 MHz. An sich reicht es, die Grundfrequenz des Farbträgers auszufiltern, Reste der Seitenbänder bleiben drin. Wenn man die komplett loswerden will wird es aufwändiger. Die nächste Stufe (bzgl des Aufwandes) ist ein Notch (4.43 bzw 3.58 MHz Sperre), Luxus wäre ein Kammfilter. Ein Oszi hast Du. Besorg Dir einen Frequenzgenerator, dann kannst Du die Kennlinien aufnehmen. Die Filter neu abgleichen ist theoretisch möglich, praktisch aber nicht einfach. Wie Klavier stimmen...
Soul E. schrieb: > Für PAL ca 4.0 MHz, für NTSC ca 3.2 MHz. An sich reicht es, die Das aber belegt doch meine These das ein Filter nicht beides können wird. Sprich wenn mein Pult auf PAL ausgelegt wurde dann kommt von NTSC halt ne Menge mehr durch als gewünscht und genau das sehe ich ja auch am Oszi. Die Frage stellt mir aber dennoch: Wieso ist auf den Plänen von Panasonic nur der Chroma-Bandpass als Unterschied PAL/NTSC angegeben und der Luma Tiefpass immer gleich? > Grundfrequenz des Farbträgers auszufiltern, Reste der Seitenbänder Ok, aber selbst da müsste man sich ja für eine der beiden Grundfrequenzen entscheiden, richtig? Entweder PAL oder NTSC. > Die nächste Stufe (bzgl des Aufwandes) ist ein Notch (4.43 bzw 3.58 MHz > Sperre), Luxus wäre ein Kammfilter. Ich meine gelesen zu haben das "Comb" Filter wohl die letzte Evolutionsstufe dieser Luminanzfilter darstellten? Waren Kammfilter wirklich Luxus und ist ein Notch nicht eher ein Bandpass? Hmm, ich denke ich sollte diese Fragen besser als eigenen Thread in einer anderen Kategorie stellen, das führt hier in diesem Kontext vermutlich zu weit...
Natürlich müssen die Grenzfrequenzen unterschiedlich sein. Die Bandbreiten der Signale sind doch unterschiedlich. Ein NTSC-Filter würde bei PAL zuviel abschneiden und damit das Signal unscharf machen, ein PAL-Filter würde bei NTSC den Burst und das Chrominanzsignal mit durchlassen. Der NTSC-Farbträger liegt bei 3.58 MHz und damit voll im Luminanzbereich eines PAL-Signales.
Olli Z. schrieb: > Die Frage stellt mir aber dennoch: Wieso ist auf den Plänen von > Panasonic nur der Chroma-Bandpass als Unterschied PAL/NTSC angegeben und > der Luma Tiefpass immer gleich? Wir haben doch jetzt schon mehrfach festgestellt, das Panasonic diverse Dinge als selbstverständlich voraussetzt. Das galt für die Farbträgerquarze auch. Und diese Filter sind einfach keine serviceable parts, weil sie nie kaputt gehen. Deswegen werden sie sich die Details im Manual einfach gespart haben. Für alte TV/Video-Schrauber sind deswegen viele Dinge selbstverständlich und die Oszillogramme alles, was sie brauchen, Es ist ja bisher noch niemand auf die Idee gekommen, so ein Pult von PAL auf NTSC umzubauen. Du bist vermutlich der erste und das eben etwa 25 Jahre, nachdem das Pult so auf dem Markt war. Das bedeutet leider auch, das diese früher mal sehr gängigen Filter am Markt so schwer erhältlich sind und am besten durch Ausschlachten gewonnen werden. Das die ganze Nummer mit NTSC zu tun hat, macht es auch nicht einfacher im schönen Europa. Olli Z. schrieb: > Waren Kammfilter > wirklich Luxus und ist ein Notch nicht eher ein Bandpass? Kammfilter haben eine flacherere Durchlasskurve und sind für breitbandige Signale der bessere Bandpass. Ein 'Notch' ist das genaue Gegenteil eines Bandpasses und sperrt eine bestimmte Frequenz.
Olli Z. schrieb: > Waren Kammfilter > wirklich Luxus und ist ein Notch nicht eher ein Bandpass? Nicht unbedingt Luxus. Jeder (fast) S-VHS Recorder hatte sowas drinnen. Außer vielleicht die ganz ersten, die kenne ich nicht. Und als unrühmliche Ausnahme der Grundig (VS680 ?). Der hatte als einziger seiner Zeit keins. Die (elektronischen) Combfilter machten wirklich das was der Name sagt, ein Kamm von Notchfiltern. Kämme im Y und in C reichten, weil die wichtigen Spektralanteile von Y und C (die mit der höchsten Energie) eben nicht übereinander liegen, sondern kammartig ineinander verschachtelt sind. So kann man wirklich die Y Anteile (die wichtigen in den Frequenzlücken des C) bis 5MHz trennen vom Chroma und hat somit viel mehr Schärfe, als mit einem 3-3,5MHz Tiefpass
Kommt halt sehr auf die Technologie an. Mit LC-Kreisen ist so ein Filter sehr aufwendig zu realisieren. Mit SAW-Technologie ist es schon einfacher, und digital quasi geschenkt. Auf dem Foto weiter oben sehe ich drei silberne Blechdosen. D.h. der hier verwendete Filter wird aus sechs gekoppelten Kreisen bestehen. Zwei Spulen pro Kern, und untendrunter Kondensatoren. Das reicht für einen steilflankigen Tiefpass oder für eine Bandsperre. Ich würde auch nicht ausschließen, dass das Pult irgendwo Chroma-Kammfilter hat. Aber die sitzen vermutlich in der digitalen Signalverarbeitung und nicht in der Eingangsstufe.
Andi B. schrieb: > den Frequenzlücken des C) bis 5MHz trennen vom Chroma und hat somit viel > mehr Schärfe, als mit einem 3-3,5MHz Tiefpass Ok, also lag ich schon garnicht so falsch mit meiner Annahme :-) mich hat nur verwirrt das man da keine bessere Lösung für verwendete, aber das ist vermutlich wie vieles in der Elektronik einfach eine Preisfrage...
Soul E. schrieb: > Ich würde auch nicht ausschließen, dass das Pult irgendwo > Chroma-Kammfilter hat. Aber die sitzen vermutlich in der digitalen > Signalverarbeitung und nicht in der Eingangsstufe. Ja, hat es. Quasi vor den A/D Wandlern, nach der Matrix die die Differenzsignale R-Y und B-Y aus Chroma/Luma erzeugt sitzen nochmal die gleichen Filter (laut Teileliste).
Matthias S. schrieb: > Wir haben doch jetzt schon mehrfach festgestellt, das Panasonic diverse > Dinge als selbstverständlich voraussetzt. Das galt für die ... oder aber eben nur schlampig dokumentiert. > Du bist vermutlich der erste und das eben etwa 25 Jahre, nachdem das > Pult so auf dem Markt war. Sehr wahrscheinlich. Und jetzt wo ich schon so weit gekommen bin (und dabei Dank Euch auch wieder so viel dazu gelernt habe!!) will ich auch den Rest noch hinbekommen :-) Egal ob ich nun die richtigen Austauschteile auftreiben kann, oder ob ich entsprechende Filter selbst bauen und in die Schaltung integrieren muss. So wie ich das sehe braucht es nur noch diese Tiefpass und Bandpassfilter damit endlich alles 100%ig arbeitet. Ausschlachten wird ja extrem schwierig in Europa wegen der Verfügbarkeit und auf den Asia-Plattformen konnte ich noch keinen Schlachter finden der solche Filter anbietet.
Ich habe hier tatsächlich noch aus einem Hitachi Recorder einen volldigitalen Y/C Separator - FBAS rein und zeitkorrigiertes Chroma und Luminanz raus. Nahezu unglaublich aufwändig mit 8-Bit A/D und D/A Wandlern, einem dicken Custom Controller und 700kB Video-RAM. Das Ding hat die Abmessungen einer Europakarte und ist im massiven Metallgehäuse geschirmt. Ich habe keine Ahnung, warum die das so gemacht haben. Dabei ist nicht mal digtales Standbild oder andere Mätzchen eingebaut.
Olli Z. schrieb: > Ok, aber selbst da müsste man sich ja für eine der beiden > Grundfrequenzen entscheiden, richtig? Entweder PAL oder NTSC. absolut, ich musste alle Filter in einem Pal Modul von 4,43 MHz auf 3,58 MHz umbauen.
Joachim B. schrieb: > ich musste alle Filter in einem Pal Modul von 4,43 MHz auf 3,58 > MHz umbauen. Um welches Modul handelte es sich da und wie hast Du den Umbau umgesetzt?
Das hängt sicher auch von der Bauform ab. Sind die Filter nicht voll gekapselt, ist es einfacher von 4,4 auf 3,5 Mhz zu kommen als umgekehrt, z.B. durch das Parallelschalten von kleinen Kondensatoren unter Beobachtung der Durchlasskurve. Sicher ist dafür ein Wobbler oder der o.a. NanoVNA nützlich, ansonsten geht notfalls auch ein Funktionsgenerator und Oszilloskop. Sind die Filter gekapselt, kann man trotzdem mal am Eingang und am Ausgang mit Parallel-C experimentieren.
Olli Z. schrieb: > Um welches Modul handelte es sich da und wie hast Du den Umbau > umgesetzt? altes Grundig PAL Modul, es gab auch mal irgendwo eine Umbauanleitung http://obsoletetellyemuseum.blogspot.com/2011/04/grundig-super-color-einschub-w8272-it_3770.html Es gab da auch PAL/SECAM Umschaltplatinen vor den PAL/SECAM Kombimodulen, also nahm ich eine Umschaltplatine + Kombimodul und das auf NTSC umgebaute PAL Modul
Ich habe mal am Eingang meines Mischpultes ein Signal vom Signalgenerator angelegt und die Ausgänge des Chroma (BPF) und Luma (LFP) Filters gemessen. Man kann gut erkennen wie mit zunehmender Frequenz die Luminanzanteile (blau) immer mehr gedämpft werden und die Chromanzanteile (Lila) immer besser durchkommen. Bei 2 MHz kommt praktisch nur Luminanz durch. Bei 3,5 MHz ist Limunanz schon sehr klein und Chrominanz langsam sichtbar. Bei 4 MHz ist die Limunanz fast werg und Chrominanz auf dem höchsten Pegel. Bei 4,4 MHz gibt es praktisch ein Luminanzsignal mehr. Ab 5 MHz fängt das Verhältnis an sich leicht umzukehren. Und Frequenzen ab 6 MHz lassen dann beide fast nicht mehr durch. Ich weiss noch nicht wo hier die Schwelle liegt aber ich würde sagen das Die Bandbreite vom Helligkeitssignal nur so ca. 3,5 MHz beträgt und das vom Farbsignal ca. 2,5 MHz. Beim NTSC-Signal liegt das Chroma-Spektrum wohl im Bereich 2,5 - 4,0 MHz. Da der Filter für PAL ausgelegt ist, fängt er am oberen Ende bei 3,5 MHz überhaupt erst an durchzulassen. Daher erscheint das Bild fast s/w. Fakt ist aber ja wohl auch das man durch den Luma-Tiefpass auch ordentlich was an Auflösung einbüst. Das Farbsignal wird ja einfach in das obere Frequenzspektrum des Helligkeitssignals hineingemischt damit man es mit derselben Broadcast-Technik übertragen konnte. Was ich noch nicht ganz verstehe ist das sich das nicht gegenseitig stört weil sich ja im oberen Teil Luma und Chrom zwangsläufig beeinflussen (verstärken/abschwächen).
Olli Z. schrieb: > und das > vom Farbsignal ca. 2,5 MHz. Bei PAL hat der Farbträger eine Bandbreite von etwa 1,2MHz: https://www.elektroniktutor.de/geraetetechnik/ffs_empf.html Siehe den Abschnitt "Aufbereitung des FBAS-Signals und der PAL-Laufzeitdecoder". Man sieht auch gut, wie Y ab etwa 3Mhz bis 3,5Mhz gesperrt wird und gleichzeitig der C Bandpass aufmacht. Geringe Bandbreite ist bei C nicht wichtig, weil Augen für Farbe nicht so viele Zäpfchen (lies Farbpixel) haben.
Olli Z. schrieb: > Was ich noch nicht ganz verstehe ist das sich das nicht gegenseitig > stört weil sich ja im oberen Teil Luma und Chrom zwangsläufig > beeinflussen. Ja, das stört. Wenn Du ein feines Linienmuster hast, also hohe Frequenz, dann schillert das grün/lila. Der Helligkeitsverlauf wird als Farbinformation fehlinterpretiert. Bestimmte Pullovermuster und Jacketts waren beim Fernsehen daher schlicht und einfach verboten.
Matthias S. schrieb: > Bei PAL hat der Farbträger eine Bandbreite von etwa 1,2MHz: > https://www.elektroniktutor.de/geraetetechnik/ffs_empf.html Das erklärt dann wohl auch warum für Chroma garnicht so hochauflösend abgetastet und gespeichert werden muss (Stichwort 4:2:2)? > Siehe den Abschnitt "Aufbereitung des FBAS-Signals und der > PAL-Laufzeitdecoder". Man sieht auch gut, wie Y ab etwa 3Mhz bis 3,5Mhz > gesperrt wird und gleichzeitig der C Bandpass aufmacht. Du meinst auf meinen Bildern? Ja, die Funktion ist also wie erwartet, aber halt nur für PAL, klar. Bei NTSC müsste dieser Umschaltpunkt ja noch 1 MHz früher erreicht werden, wodurch die Auflösung des s/w Signal noch mehr leidet. > Geringe Bandbreite ist bei C nicht wichtig, weil Augen für Farbe nicht > so viele Zäpfchen (lies Farbpixel) haben. Genau, das hatte ich schonmal woanders gelesen und diese Grundlagen helfen wirklich die Schaltungen besser zu verstehen. Mal eine Frage mit meinem Halbwissen: Könnte man zum filtern vom Chroma nicht auch einfach einen Hochpass verwenden? Ein Bandpass ist doch nichts anderes als eine Kombination von Hochpass und Tiefpass und wozu sollte der Tiefpass hierbei gut sein? Sehr interessant fand ich auch diesen Tech-Artikel für Kammfilter (English, eher für NTSC gedacht): https://cupdf.com/document/sencore-tech-tips-558444adc660b.html Das darin beschriebene Prinzip meine ich in meinem Mischpult wieder zu finden (siehe Bild). Dem Signalpfad von C folgend wird das Signal einmal direkt und einmal mit 1 Zeile Verzögerung auf den Analog-Addierer (+) geführt. Wenn ich es recht verstanden habe wird die Phase des Chroma-Signals sowohl bei NTSC als auch bei PAL bei jeder Zeile um 180° verschoben (das wird wohl über den Burst erledigt) und so würden sich alle Nicht-Farb-Anteile im Mischer gegenseitig auslöschen. Das ist doch im Prinzip ein Kammfilter da?! Ich fürchte ich muss auch noch verstehen wie ein solcher analoger Verzögerungsbaustein funktioniert. Ich habe da Dinge von Spulen bis Schieberegistern mit Kapazitivem "Speicher" gelesen. Fakt ist aber doch auch, das die Zeilenlänge bei NTSC und PAL unterschiedlich sind und somit doch auch unterschiedliche Delay-Bausteine zum Einsatz kommen müssten?
Soul E. schrieb: > Olli Z. schrieb: > Farbinformation fehlinterpretiert. Bestimmte Pullovermuster und Jacketts > waren beim Fernsehen daher schlicht und einfach verboten. Und sollten es zum Teil selbst heute noch sein ;-) Aber ja, Du hast völlig recht und inzwischen verstehe ich auch warum. Ich dachte anfangs nur "das kann doch nicht stimmen, so plump, einfach Information wegschneiden", aber ja, das stimmt so, zumindest in der einfachen Technik (NOTCH Filter).
Olli Z. schrieb: > Du meinst auf meinen Bildern? Nö, im verlinkten Artikel. Da sind die Bandbreiten gezeichnet. Olli Z. schrieb: > Könnte man zum filtern vom Chroma > nicht auch einfach einen Hochpass verwenden? Im AVE5 sicher nicht, weil ein Bandpass gleich als Anti-Aliasing Filter wirkt. Man vermeidet so Probleme mit Mischprodukten aus ADC Abtastfrequenz und Nutzsignal. Ähnlich ist es mit dem Fernseher - abgesehen davon, das heute alle Fernseher sowieso das Chroma Signal auch auf einen ADC geben. Olli Z. schrieb: > Fakt ist aber doch auch, das die Zeilenlänge bei NTSC und PAL > unterschiedlich sind und somit doch auch unterschiedliche > Delay-Bausteine zum Einsatz kommen müssten? NTSC braucht keine Verzögerungsleitung. Die ist ja der Witz bei PAL und hat die Leute bei der Fertigung anfänglich vor einige Probleme gestellt. PAL 1 (Simple PAL) kam z.B. auch ohne Delayleitung aus, hier hat man darauf vertraut, das zwei dicht zusammenliegende Zeilen sich schon im Auge des Betrachters mischen werden.
Matthias S. schrieb: >> nicht auch einfach einen Hochpass verwenden? > Im AVE5 sicher nicht, weil ein Bandpass gleich als Anti-Aliasing Filter Ah, ja, stimmt, ich hatte nur den Y/C Separator vom Composite-In im Blick, aber ja da kommt ja nochmal einer hinter dem Matrix-Dekoder. > NTSC braucht keine Verzögerungsleitung. Die ist ja der Witz bei PAL und > hat die Leute bei der Fertigung anfänglich vor einige Probleme gestellt. ?? Verstehe grad nicht was Du meinst. Lass nochmal zusammen über die Funktion von IC2 nachdenken, bitte. Dort ist ein analoger Schalter, welcher SOURCE1 und SOURCE2 bedient, also vergessen wir den. Und es ist ein 1H Delay enthalten. Das unverzögerte, durch Bandpass gefiltere Chroma-Signal wird dann über einen Addierer (vermutlich ein OpAmp oder einfach nur zwei Widerstände) mit dem um 1H verzögergten Signal vermischt. Da wird hier interlaced Video haben reden wir also z.B. davon das Chroma von Zeile 50 mit der von Zeile 49 des ersten Halbbildes (Feldes) addiert wird. Beide Zeilen können ähnliche aber auf keinen Fall gleiche Chroma-Werte haben. Beide Chroma-Signale sind aber um 180° Phasenverschoben. Im Eingangssignal sind noch Luminanzwerte enthalten, welche sich im gleichen Spektrum wie die Chromasignal befinden. Die gilt es doch eigentlich zu eliminieren. Aber was ist nun das Produkt dieser Schaltung? Durch die Phasenverschiebung werden doch der Zeile 50 sämtliche Chroma-Werte von Zeile 49 abgezogen. Übrig bleibt dann ein fast reines Luminanz-Signal. Das ist doch an dieser Stelle völlig falsch? Das müsste wenn doch am IC1 gemacht werden... Was mich stutzig macht ist, das im Blockschaltbild Pin 8 von IC2 auf einen Addierer "(+)" geht, welcher auch von Pin 7 gespeist wird. Im Schaltplan erkennt man davon aber nichts mehr. Da geht Pin 8 direkt nach GND und Pin 7 läuft praktisch ohne weitere Komponenten auf Pin 5 (Chroma IN) von IC5.
Olli Z. schrieb: > Verstehe grad nicht was Du meinst. Welchen Teil von Matthias S. schrieb: > NTSC braucht keine Verzögerungsleitung. ? Olli Z. schrieb: > Und es ist ein 1H Delay enthalten. Nö, das ist ein Fehler. Das ist genau der gleiche Schalter wie IC1 - sogar die Pinbelegung ist die gleiche. Das Blockschaltbild zeigt ja schon den Unsinn. Eine kurzgeschlossene Delayline hat keinen Sinn. Da ist also kein 1H Delay drin. Dafür müsste übrigens auch ein Takt am IC2 anliegen - tut es aber nicht.
Matthias S. schrieb: > Nö, das ist ein Fehler. Das ist genau der gleiche Schalter wie IC1 - > sogar die Pinbelegung ist die gleiche. Das Blockschaltbild zeigt ja Ich glaube zwar auch das das ein Fehler im Plan ist, dennoch, IC1 und IC2 sind NICHT gleich. Hier die Markings: IC1 = 2246 9008B JRC IC2 = 2233B 003B JRC Ich konnte jetzt nichts finden was das für Chips sind. > schon den Unsinn. Eine kurzgeschlossene Delayline hat keinen Sinn. Da > ist also kein 1H Delay drin. Die ist ja nicht wirklich kurzgeschlossen, sondern das (+) Symbol steht für mich für einen Mischer/Addierer. > Dafür müsste übrigens auch ein Takt am IC2 anliegen - tut es aber nicht. Du meinst dann müsste ein Delay-Baustein auch mit H-Sync getaktet sein?
Olli Z. schrieb: > Ich konnte jetzt nichts finden was das für Chips sind. Datenblatt gibts hier: https://datasheetspdf.com/datasheet/2233BD.html Keine Spur einer Verzögerungsleitung - ab und zu weiß ich alter Knacker schon noch, wovon ich rede :-P Die Herren von Panasonic haben den Biasblock verwechselt mit einer Delayleitung. Olli Z. schrieb: >> Dafür müsste übrigens auch ein Takt am IC2 anliegen - tut es aber nicht. > Du meinst dann müsste ein Delay-Baustein auch mit H-Sync getaktet sein? Viel höher. Für eine Verzögerungsleitung analoger Signale innerhalb eines Chips bräuchts Takt in Höhe der Samplerate, also weit über dem Farbträger (min. 8,8MHz).
Echt krass, das da so ein Fehler im Plan ist, aber ok, habs eingesehen und korrigiert. Ich frage mich nur warum die zwei verschiedene ICs eingebaut haben, wo doch beide die gleiche Funktion haben, der 2246 aber eigentlich ein 3fach Umschalter ist. Sonst wird doch überall an Sub-Cent gespart. Aber gut das wir das herausgefunden haben, wieder eine Komponente weniger um die man sich kümmern muss :-) Meine richtigen Quarze sind Dank Arthur gestern auch angekommen, dann fehlt mir jetzt eigentlich nur noch der Comb-Filter und ein Vectorscope.
So ich habe nun X203 gegen einen solchen Quarz ausgetauscht: https://www.mouser.de/ProductDetail/520-ECS-1431-18-9X (14.318180MHz 18pF) Laut Racal Frequenzzähler macht er 14,318124 MHz in der Schaltung. Am TP211 kann ich nun maximal mit VR201 runter auf 3,579675 MHz. Das ist schon deutlich besser als mit dem vorherigen 14,318000 MHz Quarz, aber die laut Abgleichanleitung erforderliche Zielfrequenz von 3,579545 MHz mit +-5 Hz verfehle ich dabei ebenfalls noch um gut 130 Hz. Meine Frage ist nun wie präzise muss es denn wirklich sein? Beim PAL-Gerät, welches auf 4,433619 MHz abgeglichen werden soll, messe ich mit dem Racal 4,433638 MHz, also nur 19 Hz Differenz.
Wenn ich mich recht erinnere, waren +/- 75Hz meistens akzeptabel.
Die Empfangsgeräte müssen ja auch eine gewisse Toleranz zulassen. Schade das der Abgleich nicht perfekt funktioniert, oder wenigstens so nah ran kommt wie beim PAL. Ich frage mich wirklich woran das liegen kann? Beim ersten Mal war klar, da hatte ich den falschen Quarz, zu unpräzise. Aber jetzt sollte ja alles passen... wie genau funktioniert denn diese Einstellung überhaupt? Ich habe natürlich schon versucht den Widerstandswert des Potis zu spreizen, aber ohne Erfolg. Die niedrigste Frequenz erhalte ich, wenn ich das Poti voll auf GND drehe und niedriger geht halt nicht als 0 Ohm ;-) Was ist dann hier falsch, denn in einem NTSC Gerät kann ja doch eigentlich auch nur ein solcher Quarz drin sein... und andere Bauteile scheinen da keinen Einfluß drauf zu haben. Kann das mit der Eigenkapzität des Quarzes zu tun haben? Meiner hat 18 pF und der Originale von Panasonic hat vielleicht einen komplett anderen Wert? Kann das bestimmend für den Einstellbereich sein? Und wie könnte ich die Kapazität vom Original PAL-Quarz bestimmen um einen Anhaltspunkt dafür zu bekommen?
Olli Z. schrieb: > Beim ersten Mal war klar, da hatte ich den falschen Quarz, zu unpräzise. Woher weisst Du dass Du jetzt den richtigen hast? Wurde der nach dem original Panasonic Kaufteilelastenheft gefertigt? > Kann das mit der Eigenkapzität des Quarzes zu tun haben? Meiner hat 18 > pF und der Originale von Panasonic hat vielleicht einen komplett anderen > Wert? Kann das bestimmend für den Einstellbereich sein? Selbstverständlich. Der Quarz muss genau zur Oszillatorschaltung und zum Layout der Leiterplatte passen. Bei ungefähr 8 MHz für den Ardunio ist das egal, aber wenn man auf einige zehn ppm kommen will, dann nicht mehr. In Deinem Fall würde ich nun eher den Oszillator an den Quarz anpassen, also Kondensatorwerte ändern etc.
Olli Z. schrieb: > Kann das mit der Eigenkapzität des Quarzes zu tun haben? Meiner hat 18 Ja natürlich. Ein Quarz schwingt mit seiner Nennfrequenz (+- der angegebenen Toleranz) nur bei Belastung mit der dafür angegebenen Lastkapazität. Gibst du mehr Kapazität dazu, ziehst du den Quarz, also dessen Schwingfrequenz, weiter nach unten. > pF und der Originale von Panasonic hat vielleicht einen komplett anderen > Wert? Kann das bestimmend für den Einstellbereich sein? Wenn dein Oszillator zu hoch schwingt, dann war wohl der originale Quarz einer mit einer niedrigeren Lastkapazität. Ich sehe hier die Quarzschaltung nicht, aber wenn du z.B. mal 10pF, am Besten am XTAL out, dazugibst, wird die Frequenz sinken. Auch bei deinem ev. nicht genau passenden Quarz. > Und wie könnte ich die Kapazität vom Original PAL-Quarz bestimmen um > einen Anhaltspunkt dafür zu bekommen? Eher gar nicht. Ein Quarz wird optimiert (selektiert?), sodass er seine Zielfrequenz genau bei seiner angegebenen Lastkapazität einstellt. Du müsstest schon eine große Zahl von Quarzen mit gleicher Belastungskapazität vermessen, um Rückschlüsse auf seine spezifizierte Lastkapazität ziehen zu können.
Bitte melde dich an um einen Beitrag zu schreiben. Anmeldung ist kostenlos und dauert nur eine Minute.
Bestehender Account
Schon ein Account bei Google/GoogleMail? Keine Anmeldung erforderlich!
Mit Google-Account einloggen
Mit Google-Account einloggen
Noch kein Account? Hier anmelden.




























































