Hallo nochmal. Ich hätte noch die frage, wie man den Vorwiderstand für ein Relais berechnet, den man zwischen Spule und Stromquelle für die Spule schalten muss, um ein Relais dessen Spule für 10V ausgelegt ist an einer Stromquelle anzuschließen deren Spannung zwischen 30 und 42V liegt. Die Spule wird immer nur kurz angesteuert, (Wenige Sekunden) aber ich denke mal nicht, dass es eine gute Idee wäre, ohne vorwiderstand direkt 42V an der Spule anzulegen.
Ohne Datenblatt des Relais kann man auch nur raten.
Spulenwiderstand vom Relais messen und dann einen Widerstand 2,5fachen vom Spulenwiderstand nehmen. Auf die Leisung achten.
Lötfritze schrieb: > wie man den Vorwiderstand für ein Relais berechnet 20V/Stromaufnahme des Relais
ACDC schrieb: > Spulenwiderstand vom Relais messen und dann einen Widerstand > 2,5fachen > vom Spulenwiderstand nehmen. Auf die Leisung achten. Und wenns AC ist, dann klappt das so nicht.
Lötfritze schrieb: > Ich hätte noch die frage, wie man den Vorwiderstand für ein Relais > berechnet, den man zwischen Spule und Stromquelle für die Spule schalten > muss, um ein Relais dessen Spule für 10V ausgelegt ist an einer > Stromquelle anzuschließen deren Spannung zwischen 30 und 42V liegt. Eigentlich wählt man Relais so aus dass sie zur Spannung die man hat passen. Bei deinen wenigen Angaben würde ich mir mehr Sorgen um den Vorwiderstand machen. Und als Tipp: R=U/I
Lötfritze schrieb: > Die Spule wird immer nur kurz angesteuert, ... Steuer sie einfach per PWM an und stell das Tastverhältnis so ein, dass ein passender Strom fließt.
Die Spule hängt an einem Schalter, PWM geht also nicht... Hier das Datenblatt:https://docs.rs-online.com/12bd/0900766b812816c6.pdf Davon gibts leider keines mit passender Spannung...
Modell D10 braucht mindestes 8V und hat 180Ω. 8V / 180Ω = 44mA 30V - 8V = 22V 22V / 44mA = 500Ω Das ist der benötigte Widerstand. Bei 42V bekommt das Relais 11V ab. Der Widerstand muss 2 Watt verheizen können. Bedenke die dazu notwendige Kühlung. Eventuell eignet sich ein kleiner Step-Down Spannungswandler besser, da weniger Abwärme.
Wolfgang schrieb: > einfach per PWM "Einfach per PWM". Ich gebe dafuer 10 von 10 moeglichen Punkten.Sie ist mit Abstand die komplizierteste und anspruchsvollste Loesung. Stefan ⛄ F. schrieb: > Eventuell eignet sich ein kleiner Step-Down Spannungswandler besser, da > weniger Abwärme. Das Dingens soll ja nur ein paar Sekunden aktiviert werden.Ein eventueller Kuehlkoerper wuerde von dem Temperaturanstieg gar nicht mitbekommen.
H. H. schrieb: >> Modell D10 braucht mindestes 8V und hat 180Ω. > Oder 135 Ohm. Nein, das Modell D10 hat 180Ω. Steht klar im Datenblatt.
Toxic schrieb: > Das Dingens soll ja nur ein paar Sekunden aktiviert werden. Was nicht über die Abkühlzeit aussagt.
Stefan ⛄ F. schrieb: > H. H. schrieb: >>> Modell D10 braucht mindestes 8V und hat 180Ω. >> Oder 135 Ohm. > > Nein, das Modell D10 hat 180Ω. Steht klar im Datenblatt. Siehe Anhang.
Lötfritze schrieb: > Hier das Datenblatt: Ok, da gibt es schon mal zwei Varianten, FBR51 und FBR52. Da beide einen unterschiedlichen Spulenwiderstand haben, wird auch der Vorschaltwiderstand unterschiedlich sein. FBR51: 10V/180Ω, es fließen nominal 55mA FBR52: 10V/135Ω, es fließen nominal 74mA Ich rechne mal fürs FBR51: Du willst 20-32V 'vernichten': einmal 20V/55mA bis 32V/55mA gibt 360Ω (>1.1W)... 580Ω (>1,76W). Wählst du 360Ω, dann hast du bei 42V am Eingang am Relais ≈14V - da ist nichts spezifiziert, aber etwas viel auf Dauer. 11V-12V wird es vermutlich aushalten. Wählst du 580Ω, dann hast du bei 30V am Eingang am Relais nur noch 7.1V, Minimum bei Raumtemperatur ist mit 6.3V spezifiziert. Geht also gerade noch. Ich würde mal 510Ω ... 560Ω / 2W vorschlagen. Andere Variante: Wähle einen eher kleineren Wert (390Ω, 430Ω) und schalte dem Relais ein 10V Z-Diode parallel; die Freilaufdiode ist dann schon inbegriffen. Fürs FBR52 rechne selber.
H. H. schrieb: > Siehe Anhang. Oh, habe ich übersehen. Dann geht die Frage also nochmal an Lötfritze zurück: Welches Relais hast du gewählt? > Ich würde mal 510Ω ... 560Ω / 2W vorschlagen. 30V / (180Ω + 510Ω) = 43,5mA 180Ω * 43,5mA = 7,8V 30V / (180Ω + 560Ω) = 40,5mA 180Ω * 43,5mA = 7,3V Das Relais braucht aber 7,9V bei 80°C oder 6,3V bei 20°C. Sicher soll es nicht nur in kaltem Zustand funktionieren. Deswegen komme ich immer noch auf maximal 500Ω.
Toxic schrieb: > Das Dingens soll ja nur ein paar Sekunden aktiviert werden. Er sagte aber nicht, wie lange es danach aus ist ... 😀
Stefan ⛄ F. schrieb: > Deswegen komme ich immer noch auf maximal 500Ω. Meinetwegen, ich bin jetzt nicht davon ausgegangen, dass es den Automotive-Temperaturbereich abdecken muss. Leider kennen wir beide nicht den Einsatzzweck und die weiteren Randbedingungen. Meinen weiteren Vorschlag mit der Z-Diode liegt dann besser, zumal eine Freilaufdiode sowieso fast immer sinnvoll ist; hier wird es dann zu einer Z-Diode.
HildeK schrieb: > Er sagte aber nicht, wie lange es danach aus ist ... Sehr lange, ist ein bistabiles Relais, das nur zum Umschalten zwischen zwei Akkus verwendet wird, ist also 99,9% der Zeit aus. Da müsste ein normaler Widerstand langen.
HildeK schrieb: > Er sagte aber nicht, wie lange es danach aus ist ... 😀 Naja - wenn er sich wie ein Kleinkind benimmt und den Schalter im Sekundentakt ueber Stunden hinweg hin und her wippt,dann kann es je nach Widerstandwahl kritisch werden.....🤔
Lötfritze schrieb: > ist ein bistabiles Relais, Ist es so schwer, die einfache Frage zu beantworten, welches Relais zu verwenden willst?
H. H. schrieb: > ACDC schrieb: >> Ich kann Hell Sehen > > Aber nicht hellsehen. Was arbeitest du? Das du es so genau nimmst? 30 bis 42V sind 10S Lixx und das kommt beim Pedelec vor. Das weis doch jeder.
ACDC schrieb: > H. H. schrieb: >> ACDC schrieb: >>> Ich kann Hell Sehen >> >> Aber nicht hellsehen. > > Was arbeitest du? Das du es so genau nimmst? Hellseher! > 30 bis 42V sind 10S Lixx und das kommt beim Pedelec vor. Das weis doch > jeder. Ich hab aber gar kein Stromfahrrad...
HildeK schrieb: > Das kann ich aus dem Datenblatt nicht entnehmen. Es ist dieses hier:https://de.rs-online.com/web/p/bistabile-relais/7903379/ Laut den Angaben da ist es bistabil, wenn die stimmen, oder stimmt da die Angabe von RS nicht??!
Lötfritze schrieb: > HildeK schrieb: >> Das kann ich aus dem Datenblatt nicht entnehmen. > > Es ist dieses > hier:https://de.rs-online.com/web/p/bistabile-relais/7903379/ > Laut den Angaben da ist es bistabil, wenn die stimmen, oder stimmt da > die Angabe von RS nicht??! Dieses Relais ist bistabil. Du hast uns das falsche Datenblatt präsentiert.
H. H. schrieb: > Lötfritze schrieb: >> HildeK schrieb: >>> Das kann ich aus dem Datenblatt nicht entnehmen. >> >> Es ist dieses >> hier:https://de.rs-online.com/web/p/bistabile-relais/7903379/ >> Laut den Angaben da ist es bistabil, wenn die stimmen, oder stimmt da >> die Angabe von RS nicht??! > > Dieses Relais ist bistabil. > > Du hast uns das falsche Datenblatt präsentiert. Die Anwendung ist klar. 500 Ohm oder nix Ohm wird funktionieren.
Das Relais https://de.rs-online.com/web/p/bistabile-relais/7903379/ ist für 10V und 1,1W. Bei 20°C will es 6,3V, bei 125°C will es 8,9V bekommen. Ich rechne mal mit 8V. Dazu brauchst du einen Vorwiderstand mit 180Ω. Der Widerstand muss 4,3 Watt vertragen.
ACDC schrieb: > 500 Ohm oder nix Ohm wird funktionieren. Nein, so geht das nicht. Nicht mit diesem Relais. Und das "oder nix" ist doppel Unfug.
Das oder nix ist so eine Sache, ich weiß nicht wie viel Strom es dann aufnehmen würde, und wie schnell dann die Spule durchknallen würde, auch weiß ich nciht ob der verwendete Schalter es mögen würde, wenn da was um 2A drüber gezogen werden würde. Das Relais ist recht exotisch, das Datenblatt das ich verlinkt habe stammt von der RS Seite mit dem Relais, müsste also passen. Warum funktioniert das nicht mit einem Widerstand die Spannung soweit abzusenken, dass das Relais nicht stirbt?
Lötfritze schrieb: > Hier das Datenblatt:https://docs.rs-online.com/12bd/0900766b812816c6.pdf Lötfritze schrieb: > Das Relais ist recht exotisch, das Datenblatt das ich verlinkt habe > stammt von der RS Seite mit dem Relais, müsste also passen. Nein, das ist der falsche Link. Der richtige Datenblatt-Link befindet sich direkt daneben auf der Seite https://de.rs-online.com/web/p/bistabile-relais/7903379/ Und zwar https://docs.rs-online.com/d3a9/0900766b813ed24a.pdf Lötfritze schrieb: > Warum funktioniert das nicht mit einem Widerstand die Spannung soweit > abzusenken, dass das Relais nicht stirbt? Keiner hat gesagt, dass das nicht funktioniert. Es ist nur so, dass an dem Widerstand ziemlich viel Wärme abfällt.
Wenn ich richtig liege schaltet dieses Relais zwischen zwei Ausgängen um? Das mit der Wärme dürfte nicht das Problem sein, wie gesagt, wird nur ganz kurz betätigt (max 3s), und steht dann für die nächsten 5 Stunden.
Lötfritze schrieb: > Wenn ich richtig liege schaltet dieses Relais zwischen zwei > Ausgängen > um? > > Das mit der Wärme dürfte nicht das Problem sein, wie gesagt, wird nur > ganz kurz betätigt (max 3s), und steht dann für die nächsten 5 Stunden. Was ist denn jetzt so schwierig, den nötigen Rv einfach mit der Spannungsteilerregel auszurechnen (wenn Spulenwiderstand bekannt), oder mit R=deltaU/I, wenn Strom bekannt? Hinweise gab es doch genug ...
Lötfritze schrieb: > Das mit der Wärme dürfte nicht das Problem sein, wie gesagt, wird nur > ganz kurz betätigt (max 3s), und steht dann für die nächsten 5 Stunden. Dann schliesse es doch einfach direkt an (ohne Vorwiderstand).
LM7812 im TO220 Mantel, lässt sich leicht kühlen und ohne tuts hier auch, er ist thermisch abgesichert. Hühnerfutter außer ner Freilauf Diode, brauchts hier auch nich.
Lötfritze schrieb: > um ein Relais dessen Spule für 10V ausgelegt ist an einer > Stromquelle anzuschließen deren Spannung zwischen 30 und 42V liegt Die Logik könnte ergeben, dass Du den Widerstand dieser Relaisspule misst, dann könntest Du alleine schon wegen dem Übersetzungsverhältnis (10 zu 30 oder 42 Volt) bestimmen, dass Du einen Vorwiderstand mit dem doppelten Widerstand bei 30 Volt brauchst und einen Vorwiderstand mit dem dreifachen Widerstand der Relaisspule bei 42 Volt - also ganz einfach ohne Megarechnerei... Für die Belastungsfähigkeit des Vorwiderstandes benötigst Du den Strom, der durch die Relaisspule fließt bei Deinen 10 Volt, dann kannst Du mit I x I x R die Belastung des Vorwiderstandes leicht berechnen...
Teo D. schrieb: > LM7812 im TO220 Mantel, Die falschen Zahlen im Bauch gehabt (max 35V). :-/ Und was vergleichbares, das die Spannung aushält, ist wohl nur schwer au zu treiben. :[
Lötfritze schrieb: > HildeK schrieb: >> Das kann ich aus dem Datenblatt nicht entnehmen. > > Es ist dieses > hier:https://de.rs-online.com/web/p/bistabile-relais/7903379/ > Laut den Angaben da ist es bistabil, wenn die stimmen, oder stimmt da > die Angabe von RS nicht??! Dort gibt es auch das richtige Datenblatt. https://docs.rs-online.com/d3a9/0900766b813ed24a.pdf Ja, dieses ist bistabil. Jede Spule hat jetzt 90Ω, also brauchst du für 30V einen Vorwiderstand von 180Ω / 5W. (Man kann bei garantierter kurzfristiger Belastung den Widerstand auch mit 2W dimensionieren.) Bei 42V sorgt dann eine 10V Z-Diode für die Begrenzung auf 10V. Sie sollte >0.6W aushalten. Die hier z.B. wäre geeignet, kann 1.3W: https://www.reichelt.de/zener-diode-aec-q101-10-v-1-3-w-5-do-41-do-204al--bzx-85c10-vis-p219432.html?&trstct=pos_11&nbc=1
Teo D. schrieb: > LM7812 im TO220 Mantel, lässt sich leicht kühlen und ohne tuts hier > auch Nein, der verträgt keine 42 Volt.
Stefan ⛄ F. schrieb: > Teo D. schrieb: >> LM7812 im TO220 Mantel, lässt sich leicht kühlen und ohne tuts hier >> auch > > Nein, der verträgt keine 42 Volt. Damit bist Du zu spät. Aber mal generell: da das ja ein bistabiles Ding ist, was spricht dagegen, statt Rv einen Cv (mit Entlade-R) davor zu klemmen. 100µ/50V sollten da lässig reichen ...
Jens G. schrieb: > was spricht dagegen, statt Rv einen Cv (mit Entlade-R) davor zu klemmen Ein hoher Stromstoß, der andere Komponenten stören könnte. Ich würde einen Widerstand bevorzugen, wenn es einfach sein soll.
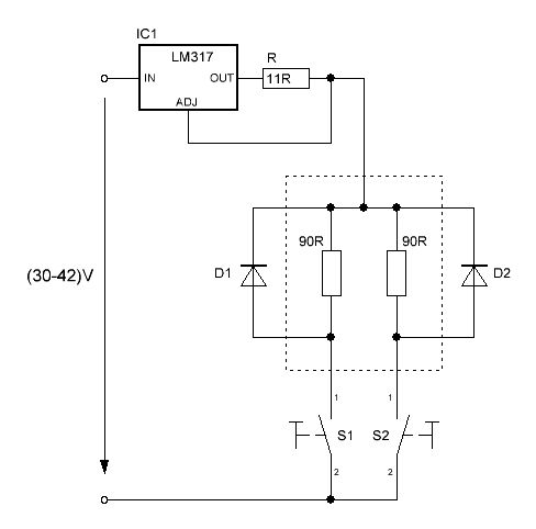
Hallo HildeK, Als Ergänzung deiner Schaltung schlage ich die folgende vor (siehe Anhang). Vorteil: Unabhängig von der Betriebsspannung von (30-42)V ist der Relaisstrom konstant. Die zulässige Eingangsspannung von 40V wird nicht überschritten, da der LM317 nur maximal 32V "sieht". Im Gegensatz zu Widerständen, lässt sich die Verlustleistung von rund 3,5W besser über z.B. ein Gehäuse oder einen kleinen Kühlkörper abführen. Nachteil: Es wird ein Kühlkörper benötigt. rhf
Natürlich geht deine Lösung, ich kommentiere das trotzdem mal 😀: Roland F. schrieb: > Vorteil: > Unabhängig von der Betriebsspannung von (30-42)V ist der Relaisstrom > konstant. Das ist bei der Variante mit der Z-Diode auch so; sie leiten bei den höheren Spannungen den überschüssigen Strom am Relais vorbei. Und die Freilaufdioden hast du ja auch drin, warum nicht gleich als Z-Diode ausführen? > Die zulässige Eingangsspannung von 40V wird nicht überschritten, da der > LM317 nur maximal 32V "sieht". Ja. Der LM317 ist aber größer und teurer als ein 5W-Widerstand - bei der genannten seltenen 1s-Betätigung reicht auch ein 2W-R oder sogar ein 1W-R. Und einen Nachteil hat der 317 auch: die Ausgangsspannung liegt an der Kühlfahne, man muss ggf. isolieren. Beim Widerstand ist das nicht so. > Im Gegensatz zu Widerständen, lässt sich die Verlustleistung von rund > 3,5W besser über z.B. ein Gehäuse oder einen kleinen Kühlkörper > abführen. Einen Kühlkörper wird man nicht brauchen, der TO hat nur seltene und kurzzeitige Betätigung versprochen. Abgesehen davon gibt es auch Rs, die man auf Kühlkörper montieren kann. Gut, meine Lösung hat man bei der hohen Spannung noch 660mW zusätzliche Verlustleistung in den Z-Dioden - das ist der Vorteil deiner Variante. Vielleicht stört das bei 3s 'Ein' und 5h 'Aus'... Ich bin bei einfachen Aufgaben für einfache Lösungen - der LM317 ist mir für den Zweck schon zu komplex 😉.
Hallo, HildeK schrieb: > Und die Freilaufdioden hast du ja auch drin, warum nicht gleich als > Z-Diode ausführen? Das stimmt, die "doppelte Verwendung" der Z-Dioden ist eine gute Idee. > Ja. Der LM317 ist aber größer und teurer als ein 5W-Widerstand Ich habe gerade mal bei Reichelt geschaut: LM317 im TO220-Gehäuse: 0,32€ 1 11Ohm Widerstand: 0,08€ 2 1N4007 Dioden: 0,04€ zusammen 0,42€ 1 180Ohm/5Watt: 0,30€ 2 Z-Dioden BZX85C10: 0,14€ zusammen 0,44€ > - bei der genannten seltenen 1s-Betätigung reicht auch ein 2W-R oder > sogar ein 1W-R. Stimmt, aber im Fehlerfall (Relais bleibt dauerhaft angezogen) sind die kleineren Widerstände überlastet. > Abgesehen davon gibt es auch Rs, die man auf Kühlkörper montieren kann. Der günstigste, montierbare Widerstand kostet bei Reichelt 1,99€, der erlaubt dann aber auch 50W zu verheizen :-). > Ich bin bei einfachen Aufgaben für einfache Lösungen... Da gebe ich dir recht, im vorliegenden Fall brauchst du ein Bauteil weniger :-). > ...- der LM317 ist mir für den Zweck schon zu komplex 😉. Mein Vorschlag kommt eigentlich daher, das ich den LM317 recht häufig verwende, da er ziemlich robust und vielfältig (und oft auch unkonventionell) einsetzbar ist. Und gerade eine einfache Stromquelle geht kaum einfacher. rhf
Für kurze Impulse braucht man vermutlich gar keinen Kühlkörper. Im Zweifelsfall schützt er sich ja auch selbst wenn er heiß wird, oder?
Stefan ⛄ F. schrieb: > Im > Zweifelsfall schützt er sich ja auch selbst wenn er heiß wird, oder? Ja schon, halt nur bis 37V. Ich würd den LM317HV nehmen! ;) (Nich das da noch was falsches bestellt wird...)
Vorwiderstand mit großem Kondensatoror überbrücken, dann reicht es die Schaltung auf den maximalen Haltestrom zu dimensionieren. Achtung, den maximalen Haltestrom bei der höchsten Betriebstemperatur der Relaisspule berücksichtigen + Sicherheitsfaktor.
Stefan ⛄ F. schrieb: > Jens G. schrieb: >> was spricht dagegen, statt Rv einen Cv (mit Entlade-R) davor zu klemmen > > Ein hoher Stromstoß, der andere Komponenten stören könnte. Ich würde > einen Widerstand bevorzugen, wenn es einfach sein soll. Der Stromstoß wäre auch nur max. 4x höher bei 40V, der zudem auch nicht stoßartig kommt, sondern durch die Induktivität der Relaispule im Anstieg gebremst wird. Aber man kann ja, wenn man will, noch einen R in Reihe schalten, um das noch etwas zu dämpfen ...
Gerald K. schrieb: > Vorwiderstand mit großem Kondensatoror überbrücken, dann reicht es die > Schaltung auf den maximalen Haltestrom zu dimensionieren. Achtung, den > maximalen Haltestrom bei der höchsten Betriebstemperatur der Relaisspule > berücksichtigen + Sicherheitsfaktor. Das ist ein bistabiles Relais ... nix Haltestrom.
Toxic schrieb: > "Einfach per PWM". > Ich gebe dafuer 10 von 10 moeglichen Punkten.Sie ist mit Abstand die > komplizierteste und anspruchsvollste Loesung. Dann solltest du gerechterweise die gleiche Punktzahl für den Vorschlag mit dem Step-Down Spannungswandler vergeben. Der macht nichts anderes und braucht zusätzlich noch eine Induktivität. Die kann man sich sparen, wenn man als Speicher direkt die Relaisspule verwendet. Stefan ⛄ F. schrieb: > Eventuell eignet sich ein kleiner Step-Down Spannungswandler besser, da > weniger Abwärme.
Ich gebe zu bedenken, dass die zugesicherte "kurze" Ansteuerzeit, nach Murphy zuverlässig genau dann überschritten wird, wenn sowieso gerade Hängen im Schacht ist. Selbst als Bastler würde ich die Ansteuerung des Relais so machen, dass auch Dauereinschalten kein Problem macht! Gruß Rainer
Roland F. schrieb: > LM317 im TO220-Gehäuse: 0,32€ Du hast recht, ganz so günstig hatte ich den nicht in Erinnerung. Und, es gibt ihn sogar für 26ct ... https://www.reichelt.de/spannungsregler-einstellbar-1-2--37-v-to-220-lm-317-220-p10458.html?&trstct=pos_1&nbc=1 Und 2W-Widerstände (hatte ich oben behauptet, dass die auch gehen) gibt es ab 14ct/Stück. Also: die Kosten machen keinen relevanten Unterschied. Kühlen muss man auch nichts. Der TO mag sich eine Variante heraus suchen.
HildeK schrieb: > Der TO mag sich eine Variante heraus suchen. Lieber nich! Schrub ich nich gerade: Teo D. schrieb: > Ja schon, halt nur bis 37V. Ich würd den LM317HV nehmen! ;) > > (Nich das da noch was falsches bestellt wird...) Das Ding geht bis 60V.
Wann kommt der erste und macht den Vorschlag: Nimm einen Tiny AVR, steuere den an und der laesst Relais dann PWM anziehen. Um den Tiny zu versorgen nimmst du dann noch einen Stepdownregler um auf dessen 5V zu kommen. Frueher hat man da nur einen Vorwiderstand eingesetzt der auf den Haltestrom dimensioniert war und denn mit einem Oeffner des Relais ueberbrueckt (Falls das Relais noch einen Oeffner frei hat).
Für bistabil braucht es m.W. "nur" definierte Umschalt-Pulse. (Noch länger fließender Spulenstrom ist da faktisch unnötig.) Könnte man denn nicht bei bekanntem Spulenstrom einfach einen NPN (pro Spule) mit R_E ausgestattet als Stromsenke für die Ansteuerung benutzen, dann wäre die o. g. Spannungsschwankung egal, auch wenn der NPN mal (durch einen Fehler) "an bliebe"? (Aber sind Fehlerzustände nicht "in Hardware" (also durch z.B. Logik-ICs) vermeidbar/ausschließbar? Das sollte doch incl. der Pulserzeugung einfach machbar sein?)
Helmut L. schrieb: > Frueher hat man da nur einen Vorwiderstand eingesetzt der auf den > Haltestrom dimensioniert war und denn mit einem Oeffner des Relais > ueberbrueckt (Falls das Relais noch einen Oeffner frei hat). Braucht man hier nicht: Bistabiles Relais, Spulen werden für max. ein paar Sekunden zum Schalten betätigt, Tastverhältnis z.B. 3s zu 5h.
Hallo, Teo schrieb: > Schrub ich nich gerade: > > Teo D. schrieb: >> Ja schon, halt nur bis 37V. Ich würd den LM317HV nehmen! ;) >> >> (Nich das da noch was falsches bestellt wird...) > > Das Ding geht bis 60V. Verstehe ich nicht, warum sollte man den HV-Typ nehmen? rhf
Stefan ⛄ F. schrieb: > Teo D. schrieb: >> LM7812 im TO220 Mantel, lässt sich leicht kühlen und ohne tuts hier >> auch > > Nein, der verträgt keine 42 Volt. Prinzipiell ist die Eingangsspannung bei Spannungsreglern aus der 78xx Serie mit max. 15 Volt über der Ausgangsspannung im DB zu finden...
Mani W. schrieb: > Prinzipiell ist die Eingangsspannung bei Spannungsreglern > aus der 78xx Serie > mit max. 15 Volt > über der Ausgangsspannung im DB zu finden... Nettes Büchlein, hab ich auch mal geerbt, aber schau doch lieber in original Dabla! 5-18V Typen max 35V 24V max 40V
Helmut L. schrieb: > Wann kommt der erste und macht den Vorschlag: Nimm einen Tiny AVR, > steuere den an und der laesst Relais dann PWM anziehen. Hatten wir schon, so ähnlich Wolfgang schrieb: > Steuer sie einfach per PWM an und stell das Tastverhältnis so ein, dass > ein passender Strom fließt.
Ideen über Ideen. Leider ist Lötfritze (Gast) bereits am 24.05.2021 21:27 ausgestiegen. Alles zu komplex für ihn.
Erich schrieb: > Leider ist Lötfritze (Gast) > bereits am 24.05.2021 21:27 > ausgestiegen. > > Alles zu komplex für ihn. Ja, Konstantstromquelle um ein Relais zu betreiben.....
ACDC schrieb: > Ja, > Konstantstromquelle um ein Relais zu betreiben..... ... ist bei einer variablen Steuerspannung nicht die dümmste Idee und wurde im µC-net schon eimal durchgekaut. Da hier mit 30V genug Abstand ist, kann man einen 7812 als Stromquelle beschalten, Zweipol wie LM317. Vorteil gegenüber Spannungsregelung: 1. Man verliert keinen Querstrom, alles geht zum Relais. 2. Der 78xx sieht nur die Differenzspannung, damit wären auch 42V noch beherrschbar.
Rainer V. schrieb: > Ich gebe zu bedenken, dass die zugesicherte "kurze" Ansteuerzeit, nach > Murphy zuverlässig genau dann überschritten wird, wenn sowieso gerade > Hängen im Schacht ist. Mit einem Kondensator kannst du das genauso ZUVERLÄSSIG verhindern. Wenn du einem Kondensator nicht traust, weil der einen Kurzschluss haben könnte, schaltest du mehrere in Serie.
Wolfgang schrieb: > Wenn > du einem Kondensator nicht traust,... Natürlich traue ich einem Kondensator - sofern vernünftig dimensioniert - auf jeden Fall mehr, als einer (unbekannten) Ansteuerung! Taster/Mensch oder Controller oder was auch immer...und schlage deshalb dies in Verbindung mit der Stromquelle jetzt noch einmal vor. Gruß Rainer
Manfred schrieb: > Der 78xx sieht nur die Differenzspannung, damit wären auch 42V noch > beherrschbar. Das stimmt nicht. Die im Datenblatt maximale Eingangsspannung bezieht sich auf die Pins 1 (IN) und 2 (GND). Die maximal Spannung variiert je nach Hersteller.Ich habe allerdings keinen gesehen, der 42V verträgt.
Stefan ⛄ F. schrieb: > Manfred schrieb: >> Der 78xx sieht nur die Differenzspannung, damit wären auch 42V noch >> beherrschbar. > > Das stimmt nicht. Die im Datenblatt maximale Eingangsspannung bezieht > sich auf die Pins 1 (IN) und 2 (GND). Du hast die Schaltung nicht verstanden und, weshalb ich 'Zweipol' schrieb. In dieser Beschaltung, identisch der des LM317, gibt es keinen Ground gegenüber der Eingangsspannung, weil dieser am Pin des Relais hängt.
Stefan ⛄ F. schrieb: > Das stimmt nicht. Die im Datenblatt angegebene maximale Eingangsspannung > bezieht sich auf die Pins 1 (IN) und 2 (GND). Da werden die 42V > anliegen. Das is halt ne komplexe Schaltung und kein simpler Widerstand. Ich lehn mich mal aus dem Fenster und behaute, anfänglich sehen die sicherlich die volle Spannung. Da wären mir die ~30V hier zu knapp an Kante genäht. Dann ist die Wahl von 12V für den Regler, nich so schlau, wenn man mal genauer drüber nachdenkt. Das bedeutet doch nichts anderes als das am Widerstand 12V Abfallen und verbraten werden. Noch was mit auf den KK tackern?! Neee, daher is da ja der LM317 mit seien ... schies mich tot ... 1,25V "immer" der empfohlene.
Manfred schrieb: > Du hast die Schaltung nicht verstanden Ich habe verstanden, dass es quatsch ist, einen 78xx mit Shunt als Stromregler zu missbrauchen. Dafür ist der LM317 vorgesehen. Warum soll ich faule Eier in den Kuchen tun, wenn ich genau so gut frische Eier zum selben Preis bekommen kann?
Teo D. schrieb: > Nettes Büchlein, hab ich auch mal geerbt, aber schau doch lieber in > original Dabla! > 5-18V Typen max 35V > 24V max 40V Ach, wie sich doch die Zeiten ändern... Jedenfalls ist es besser, wenn die Eingangsspannung nicht zu hoch angesetzt wird - wegen der Verlustwärme... Trotzdem bevorzuge ich bei Stromversorgungen meist "lineare" Regler, auch mit ihren Verlusten, denn mir sind störungsfreie Versorgungen lieber als ein SNT... Hatte heute so einen Fall von Störung durch SNT: Ein Gast hatte das Tel. mit Wandwarze angesteckt, ein anderer Gast wollte Radio hören - und kein guter Empfang auf allen Sendern... Dann mein Geistesblitz - Handy abstecken - alles Super... Habe das Handy dann an anderer Dose laden lassen - alle waren zufrieden!
Mani W. schrieb: > Jedenfalls ist es besser, wenn die Eingangsspannung nicht zu hoch > angesetzt wird - wegen der Verlustwärme... Ach komm, das hätteste dir wirklich sparen können. :) Mani W. schrieb: > Trotzdem bevorzuge ich bei Stromversorgungen meist "lineare" Regler, > auch mit ihren Verlusten, denn mir sind störungsfreie Versorgungen > lieber als ein SNT... Wer nicht.... Mani W. schrieb: > Hatte heute so einen Fall von Störung durch SNT: Meine DIY-Funkuhr, funst auch nur an schwer Eisenhaltigem. :) Sonnst keine Störungen. Radio???? Seit dem ich nich mehr morgens Auto fahren muss... und SNTs waren 'damals" eher selten in KFZs am laufen.
Teo D. schrieb: > Ach komm, das hätteste dir wirklich sparen können. :) Das ist so richtig eingebrannnt im Geist...;-) Teo D. schrieb: > Meine DIY-Funkuhr, funst auch nur an schwer Eisenhaltigem. :) Na dann...
Bitte melde dich an um einen Beitrag zu schreiben. Anmeldung ist kostenlos und dauert nur eine Minute.
Bestehender Account
Schon ein Account bei Google/GoogleMail? Keine Anmeldung erforderlich!
Mit Google-Account einloggen
Mit Google-Account einloggen
Noch kein Account? Hier anmelden.



