Hallo Forum, ich plane eine Elektronische Last, die von einem uc gesteuert wird. Für meine spezielle Anwendung benötige ich eigentlich nur den Konstant-Spannungs-Modus. Alle Schaltung die ich im Netz gefunden habe, haben nur einen Konstant-Strom-Modus in Hardware(Regelkreis) und machen den Konstant-Spannung dann in Software über den uc. Hat das einen technischen Grund warum das so gemacht wird? Kenn jemand eine Schaltung für Konstant-Voltage in Hardware?
Loaddar schrieb: > Hat das einen technischen Grund warum das so gemacht wird Na ja, wenn man nach 2 Kriterien geht, muss man sie verknüpfen, man landet bei der Maximum-Schaltung der Labornetzteile, die den Nachteil hat, ohne Ansteuerung hochzulaufen, sie soll also eine maximale Spannung und einen maximalen Strom erlauben, erlaubt aber mehr wenn z.B. die Versorgungsspannung der OpAmps noch nicht steht. Daher ist es einfacher, wenn man nur auf 1 Wert regelt, bei dir der Strom. ABER: so eine simulierte Spannungsregelung ist natürlich langsam. Schon die OpAmp Regelung in Hardware (bei dir der Strom) ist für viele Anwendungen zu langsam. Daher habe ich mich davon verabschiedet, überhaupt elektronische Lasten einzusetzen, und nehme nur (ggf. per MOSFET dazugeschaltet) Widerstände als Last. Denn eine Regelung (z.B. der zu testende Schaltregler) schaukelt sich ggf. mit einem anderen Regler sonst auf, die ganze Chose kommt ins Schwingen, zumindest ist die Lastwechselreaktion nicht mehr zuzuordnen, welcher Regler denn für Überschwinger oder so verantwortlich wäre. Die klassische spannungsregelnde elektronische Last sieht man im Datenblatt des TL431 als Power-Z-Diode, geht halt nicht unter 2.5V.
Meine Quelle, die ich belasten möchte, ist sehr gutmütig (Solarmodul, natürliche Strom und Spannungsbegrenzung, wenig Kapazität). Wichtig ist, dass ich einen schnellen Spannungs-Sweep machen kann. Ich probiere dass jetzt einfach mal aus.
Noch eine Frage zu den Mosfet für die Regelung. Ich möchte obwohl ich die Spannung konstant halte verschiedene Strommessbereiche mit verschiedenen Shunts realisieren. Macht es Sinn für die Regelung je Strommessbereich auch verschiedene Mosfets mit unterschiedlichen RDS-On zu verwenden? Vorteil bei einem Mosfet, ich müßte die Gates nicht Multiplexen. Vorteil von mehreren Mosfet, besseres Regelverhalten?
Loaddar schrieb: > Vorteil bei einem Mosfet, ich müßte die Gates nicht Multiplexen. Während du die Source-Widerstände umschaltest springt der Source-Anschluss auf die hohe Spannung der unbelasteten Quelle, was vielleicht deinen Strom-Mess-OpAmp stört. Besser man verbindet den jeweils oberen Anschluss der 3 Shunts über je 10k mit dem OpAmp-Eimgamg (Mittelwertschaltung). Er muss dann zwar 3 mal mehr verstärken, aber die Spannung am OpAmp Eingang fällt dann während seinem Umschaltmoment auf 0. Loaddar schrieb: > Macht es Sinn für die Regelung je Strommessbereich auch verschiedene > Mosfets mit unterschiedlichen RDS-On zu verwenden Nein.
Man kann keine Schaltung entwickeln, ohne erstmal die maximalen V, A und W festzulegen. Erst danach kann man entscheiden, ob ein MOSFET reicht oder mehrere benötigt werden, Stichwort SOAR-Diagramm.
MaWin schrieb: > Loaddar schrieb: >> Vorteil bei einem Mosfet, ich müßte die Gates nicht Multiplexen. > > Während du die Source-Widerstände umschaltest springt der > Source-Anschluss auf die hohe Spannung der unbelasteten Quelle, was > vielleicht deinen Strom-Mess-OpAmp stört. Der hochohmigste Widerstand (R3) muss gar nicht geschaltet werden, die anderen entsprechend hochohmiger auslegen. Wenn in der Schaltung eine Stromregelung vorgesehen wird, kann man evtl. auch deren Sollwertvorgabe umschalten und muss dann nicht im Leistungskreis rumfummeln.
Peter D. schrieb: > Man kann keine Schaltung entwickeln, ohne erstmal die maximalen V, > A und > W festzulegen. > Erst danach kann man entscheiden, ob ein MOSFET reicht oder mehrere > benötigt werden, Stichwort SOAR-Diagramm. Es geht um das Regelverhalten, wenn ich mit einem 10A Mosfet einen Strom von 1mA regeln möchte, dann ist denke ich das Regelverhalten nicht gut, weil kleine Änderungen am Gate große Änderungen am RDS-ON verursachen. Die Frage war, ob für einen kleinen Strommessbereich ein "schlechter" Mosfet besser ist.
ArnoR schrieb: > MaWin schrieb: >> Loaddar schrieb: >>> Vorteil bei einem Mosfet, ich müßte die Gates nicht Multiplexen. >> >> Während du die Source-Widerstände umschaltest springt der >> Source-Anschluss auf die hohe Spannung der unbelasteten Quelle, was >> vielleicht deinen Strom-Mess-OpAmp stört. > > Der hochohmigste Widerstand (R3) muss gar nicht geschaltet werden, die > anderen entsprechend hochohmiger auslegen. > > Wenn in der Schaltung eine Stromregelung vorgesehen wird, kann man evtl. > auch deren Sollwertvorgabe umschalten und muss dann nicht im > Leistungskreis rumfummeln. Strom soll nicht geregelt aber gemessen werden, deswegen die verschiedenen Shunts. Mit R3 stimmt, das ganze muss eh kalibriert werden, deswegen müssen die Widerstände nicht exakt sein.
> > Loaddar schrieb: >> Macht es Sinn für die Regelung je Strommessbereich auch verschiedene >> Mosfets mit unterschiedlichen RDS-On zu verwenden > > Nein. Die Widerstände möchte ich per Mosfet schalten, die Schalter waren nur symbolisch. Da ich also dann sowieso einen Mosfet pro Shunt habe, kann ich den ja auch für die Regelung verwenden?
Loaddar schrieb: > Es geht um das Regelverhalten, wenn ich mit einem 10A Mosfet einen Strom > von 1mA regeln möchte, Loaddar schrieb: > Strom soll nicht geregelt aber gemessen werden, deswegen die > verschiedenen Shunts. Du solltest dir erst mal klarwerden was du wirklich machen möchtest. Als 2. Schritt versuche das so zu formulieren dass es jemand versteht der nicht in deinem Kopf sitzt.
> Du solltest dir erst mal klarwerden was du wirklich machen möchtest. > Als 2. Schritt versuche das so zu formulieren dass es jemand versteht > der nicht in deinem Kopf sitzt. Kurze Zusammenfassung: Ziel ist eine elektronische Last für den Konstantspannungsmodus, die Regelung soll in Hardware sein über OPV, Mosfet und Shunt. Der Strom soll nicht geregelt aber auch gemessen werden über oben genannten Shunt. Es soll mehrere Strommessbereiche geben, deswegen werden verschiedene schaltbar Shunts zum Einsatz kommen. Die Frage war, ob man pro Strommessbereich auch einen Mosfet für die Regelung einsetzt oder ob man die Shunts nur schaltet, und einen gemeinsamen Mosfet für die Regelung einsetzt.
Loaddar schrieb: > die Regelung soll in Hardware sein über OPV, > Mosfet und Shunt. Loaddar schrieb: > Der Strom soll nicht geregelt aber auch gemessen werden über oben > genannten Shunt. Noch mal. Der Strom soll geregelt werden, und ein Satz später der Strom soll NICHT geregelt werden. Vieleicht liegt es ja an mir, aber ich verstehe zumindest nicht was du möchtest. Meine Vermutung: Du möchtest eine elektronische Last, die den Strom so ausregelt das eine definierte Spannung am Eingang (Sollwert) gehalten wird. Also brauchst du eine Stromregelung. Sowas macht man gerne mit normalen bipolaren Transistoren. Die kann man auch gut bei Bedarf parallel schalten und mit Emitterwiderständen symmetrieren.
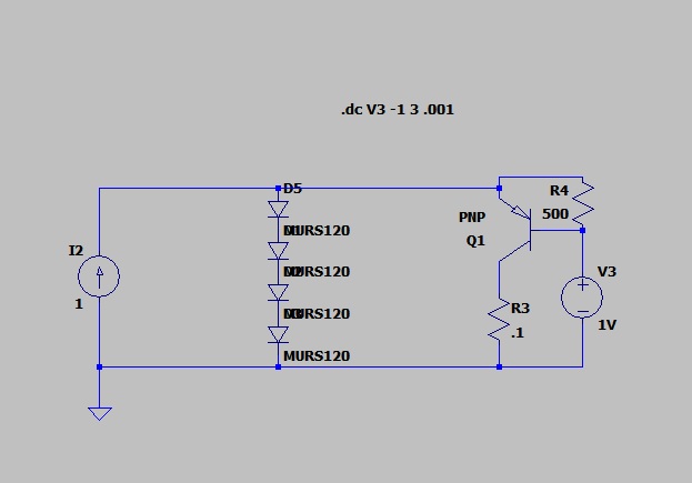
> Noch mal. Der Strom soll geregelt werden, und ein Satz später der Strom > soll NICHT geregelt werden. > Vieleicht liegt es ja an mir, aber ich verstehe zumindest nicht was du > möchtest. Nein, die Eingangsspannung der Last soll geregelt werden, der Strom gemessen. Im Anhang noch mal ein Prinzip-Bild, ich habe den Shunt zur Strommessung eingezeichnet.
Bei nur 5V reicht ein FET dicke aus. Ich hatte das so verstanden, daß es um Solaranlagen geht (900V).
Loaddar schrieb: > Im Anhang noch mal ein Prinzip-Bild Die Schaltung ist zwar statisch prinzipiell richtig, wird aber sicher Stabilitätsprobleme machen. Der Mosfet arbeitet in Sourceschaltung mit hoher Spannungsverstärkung, die die Schleifenverstärkung um den Faktor vergrößert, was in der Frequenzgangkorrektur des OPV nicht vorgesehen ist. Außerdem kommt durch den Mosfet ein relevanter Pol im Frequenzgang dazu.
Können auch 10V sein. Es gibt auch kleine Solarmodule :)
ArnoR schrieb: > Loaddar schrieb: >> Im Anhang noch mal ein Prinzip-Bild > > Die Schaltung ist zwar statisch prinzipiell richtig, wird aber sicher > Stabilitätsprobleme machen. Der Mosfet arbeitet in Sourceschaltung mit > hoher Spannungsverstärkung, die die Schleifenverstärkung um den Faktor > vergrößert, was in der Frequenzgangkorrektur des OPV nicht vorgesehen > ist. Außerdem kommt durch den Mosfet ein relevanter Pol im Frequenzgang > dazu. Deswegen war die Idee, bei wenig Strom einen Mosfet mit hohem RDS-ON zu nehmen, damit die Spannungsverstärkung nicht so hoch ist. Die Leistung wird eh über dem Mosfet verheizt, muss man also keinen guten nehmen. Vgs muss auch nicht klein sein.
Loaddar schrieb: > Deswegen war die Idee, bei wenig Strom einen Mosfet mit hohem RDS-ON zu > nehmen, damit die Spannungsverstärkung nicht so hoch ist. Die Spannungsverstärkung wird nicht vom Rdson bestimmt, sondern von der Steilheit und dem differentiellen Widerstand am Drain.
Bipolar klingt erst mal ganz gut, die Empfindlichkeit kann man dann über den Basiswiderstand einstellen. Wie soll ich mir die Elektronische LAST in Emitter-Schaltung vorstellen?
Loaddar schrieb: > Bipolar klingt erst mal ganz gut Warum? > die Empfindlichkeit kann man dann über den Basiswiderstand einstellen. K.A. was du mit Empfindlichkeit meinst, aber du bist sicher auf dem Holzweg. Loaddar schrieb: > Wie soll ich mir die Elektronische LAST in Emitter-Schaltung vorstellen? Genau so wie die mit dem Mosfet oben, nur den Mosfet gegen einen Bipo tauschen. Allerdings hat Udo von einem Emitterfolger gesprochen, das ist was anderes.
Ich verstehe jetzt nicht ganz, was das Ganze soll! Nehmen wir ein einfaches (aber nicht zu schlechtes...)Labornetzteil. Das kann maximal einen Strom Xi. Innerhalb dieses Bereichs, hält es die Spannung konstant. Da kann der TO alle seine Lastwiderstände dranhängen. "In simpel" macht das nun auch jeder Spannungsregler...natürlich mit "seinen zulässigen" Ausgangsströmen...wo ist das Problem?? Gruß Rainer
Rainer V. schrieb: > Ich verstehe jetzt nicht ganz, was das Ganze soll! Der TO möchte eine Schaltung, die bei einem von aussen eingespeisten Strom (Solarmodul) auf eine konstante (von ihm steuerbare) Spannung regelt.
ArnoR schrieb: > Der TO möchte eine Schaltung, die bei einem von aussen eingespeisten > Strom (Solarmodul) auf eine konstante (von ihm steuerbare) Spannung > regelt. Also einfach einen Shunt Regler?
ArnoR schrieb: > Loaddar schrieb: >> Bipolar klingt erst mal ganz gut > > Warum? > >> die Empfindlichkeit kann man dann über den Basiswiderstand einstellen. > > K.A. was du mit Empfindlichkeit meinst, aber du bist sicher auf dem > Holzweg. Mi Empfindlichkeit meine ich kleine Spannungsänderung am Ausgang des OPV, große Änderung des Widerstandes des Mosfet -> dadurch Neigung zum Schwingen. Beim Bipolar Transistor kann ich über einen großen Basiswiderstand den Basisstrom reduzieren und damit auch die Verstärkung von Ue zu Ua. > > Loaddar schrieb: >> Wie soll ich mir die Elektronische LAST in Emitter-Schaltung vorstellen? > > Genau so wie die mit dem Mosfet oben, nur den Mosfet gegen einen Bipo > tauschen. Allerdings hat Udo von einem Emitterfolger gesprochen, das ist > was anderes. Mosfet gegen Bipolar austauschen habe ich verstanden, den Emitterfolger nicht.
Manfred schrieb: > ArnoR schrieb: >> Der TO möchte eine Schaltung, > > ... deren Gesamtfunktion er nicht beschreiben kann. Ein Solarmodul an einer Elektronischen Last, die im Konstant-Spannungs-Modus arbeitet. Einfacher kann ich es leider nicht erklären.
Loaddar schrieb: > Ein Solarmodul an einer Elektronischen Last, die im > Konstant-Spannungs-Modus arbeitet. Einfacher kann ich es leider nicht > erklären. https://www.ti.com/lit/ds/symlink/tl431.pdf?ts=1636094340338&ref_url=https%253A%252F%252Fwww.google.com%252F Figure 31.
Björn W. schrieb: > Loaddar schrieb: > >> Ein Solarmodul an einer Elektronischen Last, die im >> Konstant-Spannungs-Modus arbeitet. Einfacher kann ich es leider nicht >> erklären. > > https://www.ti.com/lit/ds/symlink/tl431.pdf?ts=1636094340338&ref_url=https%253A%252F%252Fwww.google.com%252F > > Figure 31. Danke für den Tipp, du hast recht, im Prinzip ist es ein Shuntregler. Der Tl431 kommt leider nicht unter 2,5V aber ich kann mir dort einiges abschauen.
Loaddar schrieb: > Danke für den Tipp, du hast recht, im Prinzip ist es ein Shuntregler. Den Tipp hatte MaWin oben schon gegeben. > Der Tl431 kommt leider nicht unter 2,5V aber ich kann mir dort einiges > abschauen. Ja, z.B. was dynamische Stabilität bedeutet und daß man den TL431 besser nicht für sowas nimmt, der ist doch notorisch instabil, siehe Anhang. Die Simu verwendet das verschlüsselte TI-Modell, das auch das Transientverhalten gut abbildet. Der Strom (grün, ganz unten) ist 1A+-0,1A, da flippt die Schaltung völlig aus. Auch Kapazitäten an Ref oder Kathode verschlimmbessern das Verhalten nur.
ArnoR schrieb: > daß man den TL431 besser > nicht für sowas nimmt, der ist doch notorisch instabil Viel besser ist z.B. ein langsamer OPV wie der LM358.
Hab mal den Tipp mit dem Emitterfolger aufgenommen und simuliert, sieht erst mal ganz gut aus. Mit der Spannung an der Basis muss ich negativ werden um auf 0V an den Klemmen zu kommen aber das sollte kein Problem sein. Die Konstantstromquelle und die Dioden bilden das Solarmodul nach.
ArnoR schrieb: > ArnoR schrieb: >> daß man den TL431 besser >> nicht für sowas nimmt, der ist doch notorisch instabil > > Viel besser ist z.B. ein langsamer OPV wie der LM358. Das sieht schon mal vielversprechend aus. Wenn ich es richtig sehe unterscheidet sich deine Schaltung von meiner nur durch den OPV. Welcher Vorteil hat dieser, außer das das Eingangssignal nicht den Basisstrom liefern muss?
Loaddar schrieb: > den OPV. Welcher Vorteil hat dieser, außer das das > Eingangssignal nicht den Basisstrom liefern muss? Die Ausgangsspannung lässt sich präzise einstellen, nur mit dem Transistor allein geht das nicht vernünftig.
ArnoR schrieb: > Loaddar schrieb: >> den OPV. Welcher Vorteil hat dieser, außer das das >> Eingangssignal nicht den Basisstrom liefern muss? > > Die Ausgangsspannung lässt sich präzise einstellen, nur mit dem > Transistor allein geht das nicht vernünftig. Ok verstehe, weil der Spannungsabfall über BE nicht genau definiert ist. Eventuell kann ich damit leben, weil ich die Spannung mit einer ADC-Karte zurück lese und das in der Software kompensieren kann. Danke soweit erst einmal.
ArnoR schrieb: > der ist doch notorisch instabil, siehe Anhang. Da hatte ich bisher noch keine Probleme mit...
Björn W. schrieb: > ArnoR schrieb: >> der ist doch notorisch instabil, siehe Anhang. > > Da hatte ich bisher noch keine Probleme mit... Glück gehabt. Das Ding ist so kritisch, daß der Hersteller extra ein Diagramm zu der Problematik ins Datenblatt gesetzt hat, siehe Anhang. Und der stabile Bereich bedeutet nicht vollkommene Ruhe und gutes Verhalten, sondern nur, daß der nicht von selbst schwingt. Überschwingen und Einstellzeit können dabei beliebig groß sein. Und das alles gilt auch nur dann, wenn der ganz allein ist, ohne einen zusätzlichen Transistor in der Regelschleife ...
ArnoR schrieb: > Glück gehabt. Das Ding ist so kritisch, daß der Hersteller extra ein > Diagramm zu der Problematik ins Datenblatt gesetzt hat, siehe Anhang. Mein Glück ist eher das ich die Dinger immer ohne Lastkapazität betreibe. Was ich nicht ganz verstehe ist das der TL431 in deiner Simu heftig am schwingen ist. Ich benutze z.B. auch das Model von TI und hier ist es in der Konfiguration Power-Z-Diode stabil. In der Realität war es das bisher auch.
Björn W. schrieb: > Ich benutze z.B. auch das Model von TI Es gibt mehrere Modelle, ich hatte extra geschrieben welches ich benutzte. Mit dem einfachen statischen bin ich auch schon mal voll auf die Fresse geflogen, weil da überhaupt kein dynamisches Verhalten berücksichtigt wird.. Und der zusätzliche Transistor gibt dem Ding den Rest.
Naja, langsame SW-Regelung ist "relativ"... Was heute mit richtiger HW+SW möglich ist, siehe Bild:) Das ist eine SW-Last, bipolarer NPN in Darlington-Schaltung, Teensy 3.5 MCU, externer 12 Bit ADC. Last ist ein 2s RC-Lipo. Gemessener Lastsprung von 0 - 14A in CC Mode. Grosser Vorteil, alle Modi (CC/CR/CV/CP) sind gleich schnell, ist ja nur eine Zeile Code mehr:)
Franz schrieb: > Naja, langsame SW-Regelung ist "relativ"... > Was heute mit richtiger HW+SW möglich ist, siehe Bild:) > > Das ist eine SW-Last, bipolarer NPN in Darlington-Schaltung, Teensy 3.5 > MCU, externer 12 Bit ADC. > Last ist ein 2s RC-Lipo. > Gemessener Lastsprung von 0 - 14A in CC Mode. > > Grosser Vorteil, alle Modi (CC/CR/CV/CP) sind gleich schnell, ist ja nur > eine Zeile Code mehr:) Interessant, es gibt keine Regelung in Hardware alles in der Firmware? Wie sieht die Ansteuerung über für den NPN aus, ein DA-Wandler?
Welche Erkenntnisse willst Du mit dieser speziellen Messung am Solarmodul denn gewinnen? Geht das nicht einfacher aus den Modulkennlinien?
Werner H. schrieb: > Welche Erkenntnisse willst Du mit dieser speziellen Messung am > Solarmodul denn gewinnen? > Geht das nicht einfacher aus den Modulkennlinien? Mit dieser Last sollen die I-V-Kurven gemessen und außerdem das Modul im MPP gehalten werden.
Ja, über den integrierten DAC im Teensy 3.5. Wird alles über SW PID Regelung gemacht, läuft erstaunlich stabil. Bin grad an einem neuen Prototyp, mit 16 Bit ADC + DAC und MOSFET. Sieht schon mal gut aus. Ist ein bisschen schwieriger, das MOSFET eher zum schwingen neigt.
Franz schrieb: > Ja, über den integrierten DAC im Teensy 3.5. > Wird alles über SW PID Regelung gemacht, läuft erstaunlich stabil. > Bin grad an einem neuen Prototyp, mit 16 Bit ADC + DAC und MOSFET. > Sieht schon mal gut aus. > Ist ein bisschen schwieriger, das MOSFET eher zum schwingen neigt. Warum die externen ADC und DAC, sind die internen vom Teensy nicht schnell genug?
ADC mit einem MCU ist eher suboptimal, rauscht zu viel. DAC beim Teensy ist eigentlich sehr gut, aber ich will eine höhere Auflösung als 12 Bit. Deshalb 16 Bit ADC + DAC extern. Mal schauen was dabei raus kommt:)
Also bei einer mit DAC einstellbaren Spannung soll der Strom ermittelt werden? Welcher Spannungsbereich?
Helge schrieb: > Also bei einer mit DAC einstellbaren Spannung soll der Strom > ermittelt > werden? Welcher Spannungsbereich? Aktuell Spannung 0-10V, Strom maximal 2A. Strommessung sollte aber mehrere Messbereiche haben, damit auch Module mit wenig Strom/Einstrahlung gemessen werden können.
Loaddar schrieb: > Aktuell Spannung 0-10V, Strom maximal 2A. Strommessung sollte aber > mehrere Messbereiche haben, damit auch Module mit wenig > Strom/Einstrahlung gemessen werden können. Es würde auch ein anständiger D/A-Wandler genügen, man muß nichts umschalten. Meinen Akkutester habe ich für 0,5..15 Volt und 10..1500 mA ausgelegt. Als Last habe ich zwei Festwiderstände 22 und 30 Ohm, die per LL-Fet IRLZ44N zugeschaltet werden - wann, errechnet der Arduino. Den Rest übernimmt ein IRF540, den ich über einen D/A-Wandler MCP4725 variabel steuere. Strom und Spannung misst ein INA219 mit guter Genauigkeit. Du musst Dir Gedanken machen, wie schnell die Regelung sein soll, bei einem Akku interessieren mich 15s Einschwingzeit beim Start nicht. Und Du musst dafür sorgen, dass die Regelschleife keinesfalls durch andere Aktionen blockiert wird und einen Notausstieg hat.
Beitrag #6874889 wurde von einem Moderator gelöscht.
Manfred schrieb: > Loaddar schrieb: >> Aktuell Spannung 0-10V, Strom maximal 2A. Strommessung sollte aber >> mehrere Messbereiche haben, damit auch Module mit wenig >> Strom/Einstrahlung gemessen werden können. > > Es würde auch ein anständiger D/A-Wandler genügen, man muß nichts > umschalten. Die Umschaltung der Messbereiche ist kein so großes Problem, pro Messbereich sind das ein Mosfet und ein R. In meinem Falle ist das sowieso unkritisch weil der Strom nicht in die Regelschleife eingeht. > Meinen Akkutester habe ich für 0,5..15 Volt und 10..1500 mA ausgelegt. > Als Last habe ich zwei Festwiderstände 22 und 30 Ohm, die per LL-Fet > IRLZ44N zugeschaltet werden - wann, errechnet der Arduino. Den Rest > übernimmt ein IRF540, den ich über einen D/A-Wandler MCP4725 variabel > steuere. > > Strom und Spannung misst ein INA219 mit guter Genauigkeit. Regelung also in Software. > > Du musst Dir Gedanken machen, wie schnell die Regelung sein soll, bei > einem Akku interessieren mich 15s Einschwingzeit beim Start nicht. Und > Du musst dafür sorgen, dass die Regelschleife keinesfalls durch andere > Aktionen blockiert wird und einen Notausstieg hat. Einen Akku Entladen ist auch eher eine statische Geschichte, da sich die Akkuspannung nur langsam ändert, da reicht im Prinzip ein sehr langsamer Regler. In meinem Falle benötige ich eine schnellere Regelung, deswegen möchte ich sie in Hardware realisieren.
Die Messwiderstände würde ich so umschalten. Oberer Teil Spannungsfolger. Bauteile nur als beispiel. OPV muß rail-to-rail sein.
Helge schrieb: > Die Messwiderstände würde ich so umschalten. Oberer Teil > Spannungsfolger. Bauteile nur als beispiel. OPV muß rail-to-rail sein. Umschaltung der Messwiderstände habe ich wie im Anhang geplant, deine Version wird auch funktionieren, ich glaube keine Version hat vor oder Nachteile. Als Leistungstransistor würde ich aber immer noch beim pnp anstatt p-Fet bleiben, weil bei allen Simulationen die Fet-Variante zum Schwingen geneigt hat. Ansonsten will es es genauso wie in deinem Schaltplan machen.
Loaddar schrieb: > Als Leistungstransistor würde ich aber immer noch beim pnp anstatt p-Fet > bleiben, weil bei allen Simulationen die Fet-Variante zum Schwingen > geneigt hat. > > Ansonsten will es es genauso wie in deinem Schaltplan machen. Du schreibst pnp und lieferst einen Plan mit N-FETs*), weißt Du eigentlich, was Du willst? Weshalb ein FET im Schaltbetrieb schwingen soll, bräuchte ich auch mal erklärt. Sei mir bitte nicht böse: Je länger ich diesen Thread beobachte, kommt mir das zunehmend verworrener rüber. *) 2N7002 mit I(DS)115mA und RDSon um 2 Ohm sind optimal, um zügig den magischen Rauch zu entlassen.
Manfred schrieb: > Loaddar schrieb: >> Als Leistungstransistor würde ich aber immer noch beim pnp anstatt p-Fet >> bleiben, weil bei allen Simulationen die Fet-Variante zum Schwingen >> geneigt hat. >> >> Ansonsten will es es genauso wie in deinem Schaltplan machen. > > Du schreibst pnp und lieferst einen Plan mit N-FETs*), weißt Du > eigentlich, was Du willst? Die N-Fets sind nur da um die Strommessbereiche umzuschalten, die komplette Regelung fehlt in dem Bild, was dem aufmerksamen Beobachter bestimmt nicht entgangen ist. > > Weshalb ein FET im Schaltbetrieb schwingen soll, bräuchte ich auch mal > erklärt. Ein Fet ist spannungsgesteuert, d.h. kleine Änderungen am Gate verursachen große Änderungen an der Source-Drain-Strecke , d.h. der Regel-OPV arbeitet am Ausgang in einem sehr schmalen Spannungsbereich. Ein bipolarer Transistor ist mehr oder weniger ein Stromverstärker, wenn ich den Basiswiderstand gut dimensioniere kann ich den ganzen Ausgangsbereich des Regel-OPV benutzen. Vielleicht schaffe ich es dazu mal eine Simulation zu machen. > > Sei mir bitte nicht böse: Je länger ich diesen Thread beobachte, kommt > mir das zunehmend verworrener rüber. Ich bin nicht böse. > > *) 2N7002 mit I(DS)115mA und RDSon um 2 Ohm sind optimal, um zügig den > magischen Rauch zu entlassen. Ging nur um das Schaltbild, für den 2A und 200mA werde ich andere Mosfets verwenden.
> Ja, über den integrierten DAC im Teensy 3.5. > Wird alles über SW PID Regelung gemacht, läuft erstaunlich stabil. Naja, das sind solche Saetze die ich eigentlich bei einem Labornetzteil nicht lesen will. Man will keine Schaltung die ueberraschenderweise soweit man das beobachtet hat oft stabil ist. Man will eine die es immer ist. Und sowas laesst sich halt bei einem analogen Regler einfacher verifizieren. Bedenke hier ist der Ort wo sich Leute schon aufregen wenn ihr billiges 100Euro NEtzteil einen 1V ueberschwinger fuer 1ms produziert. Wer weiss was so ein digital geregeltes Netzteil alles dreimal am Tag macht? Wir alle kennen ja genug Geraete die Softwarebugs haben oder? .-) Olaf
Manfred schrieb: > > Weshalb ein FET im Schaltbetrieb schwingen soll, bräuchte ich auch mal > erklärt. Im Anhang eine Simulation, wie sich ein n-Fet im Vergleich zum NPN verhält. V1 soll der Ausgang vom Regel-OPV sein. Bei NPN kann der OPV fast seinen kompletten Ausgangsbereich nutzen, beim n-Fet spielt sich alles bei ca. 1V Ausgangsspannung ab. Beim Emitterfolger ist das etwas anders, da gebe ich dir Recht.
Loaddar schrieb: > Manfred schrieb: >> Weshalb ein FET im Schaltbetrieb schwingen soll, bräuchte ich auch mal >> erklärt. In dem von Dir gezeigten Schaltplan war keine Regelung zu erkennen, lediglich drei FETs mit je einem Widerstand. Jetzt kommst Du mit einer Regelung um die Ecke, na ja, wäre nett, wenn die gezeigten Schaltbilder mit der Frage überein passen. > Im Anhang eine Simulation, wie sich ein n-Fet im Vergleich zum NPN > verhält. > V1 soll der Ausgang vom Regel-OPV sein. > Bei NPN kann der OPV fast seinen kompletten Ausgangsbereich nutzen, beim > n-Fet spielt sich alles bei ca. 1V Ausgangsspannung ab. Wenn man optimal ungeeignete Bauelemente verwendet, muss das so sein. Der AO6408 hat interessante Daten, wenn man bei niedriger Steuerspannung schalten will. Für eine analoge Anwendung schaut man eher nach einen Typ mit geringer Steilheit. Was schrieb ich da, wieso habe ich keinen IRLZxx vwerwendet: Manfred schrieb: > Den Rest > übernimmt ein IRF540, den ich über einen D/A-Wandler MCP4725 variabel > steuere. Die IRF540 hatte ich eher zufällig im Bestand und mal einen gemessen, der lässt sich realistisch regeln. Die Dinger haben in dem Bereich eine erhebliche Streuung, sind aber tendeziell ähnlich. Beitrag "Re: Stromsenke FET vs. bipolar Transistor" Vielleicht hat jemand aus dem Forum eine Tipp zu einem noch flacheren Typ?
Manfred schrieb: > In dem von Dir gezeigten Schaltplan war keine Regelung zu erkennen, > lediglich drei FETs mit je einem Widerstand. > > Jetzt kommst Du mit einer Regelung um die Ecke, na ja, wäre nett, wenn > die gezeigten Schaltbilder mit der Frage überein passen. Die Regelung ist weiter oben zu sehen, die 3 Fets waren lediglich die Umschaltung der Strommessbereiche und eine Antwort auf den Beitrag von Helge. > >> Im Anhang eine Simulation, wie sich ein n-Fet im Vergleich zum NPN >> verhält. >> V1 soll der Ausgang vom Regel-OPV sein. >> Bei NPN kann der OPV fast seinen kompletten Ausgangsbereich nutzen, beim >> n-Fet spielt sich alles bei ca. 1V Ausgangsspannung ab. > > Wenn man optimal ungeeignete Bauelemente verwendet, muss das so sein. > Der AO6408 hat interessante Daten, wenn man bei niedriger Steuerspannung > schalten will. Für eine analoge Anwendung schaut man eher nach einen Typ > mit geringer Steilheit. Auch ein anderer Fet wird sich nicht grundsätzlich anders verhalten, das Prinzip ist das gleiche. Ein bipolarer Transistor wird sich in Basis-Schaltung immer gutmütiger verhalten.
Naja, und wo hat es heute keine MCUs drin? Was passiert wohl wenn dort dieser abstürzt? Und was passiert bei den anderen Milliarden von Geräten die mit MCUs betrieben werden? Und wenn eine gescheite MCU auch gescheit programmiert ist, stürzt da genau gar nix ab... Es gibt ja auch professionelle Lasten die CV/CP/CR mit Software-Regelung anbieten, aber die sind mehrere Grössenordnungen langsamer als meine Lösung. Und ja, wir sind im Jahr 2021 angekommen, da könnte man ja auch mal vorwärts denken und nicht immer einen auf "früher war alles besser" machen... Aber egal, das ist halt typisch europäisch-Ing. denken, ja nix ändern hat auch vorher schon 20 Jahre so funktioniert:)
Bitte melde dich an um einen Beitrag zu schreiben. Anmeldung ist kostenlos und dauert nur eine Minute.
Bestehender Account
Schon ein Account bei Google/GoogleMail? Keine Anmeldung erforderlich!
Mit Google-Account einloggen
Mit Google-Account einloggen
Noch kein Account? Hier anmelden.










