Nach dem das Interesse nicht nur bei mir scheinbar relativ hoch ist die Aktivitäten auf den Militärischen Satteliten zu Verfolgen, dachte ich mir man könnte ja einen kleinen Downconverter mit dem Passiven ADE-1 Bauen. Hintergrund ist, ich kann ihn brauchen um unterwegs mit der Handfunke Mal zu lauschen, eventuell möchte das jemand anderes auch. Jetzt bin ich allerdings nicht so der Sender/Empfänger Bastler sondern mein Steckenpferd sind eher Antennen. Daher bräuchte ich ein bisschen Hilfe von euch. Was ich bisher herausgefunden habe: Der ADE-1 ist ausreichend, geeignet bis 500MHz. Der LO sollte zwischen +7dbm und +10dbm bringen. (Uuurgh! Da ist sie wieder, die von mir so "geliebte" dB rechnerei! Aber auch das bekomm ich noch hin.) Was ich jetzt nicht ganz Durchblicke ist allerdings die LO Frequenz. Beim Umsetzen von QO-100 wird anscheinend die WB Transponderfrequenz - fRX (Empfangsfrequenz des RX) = LO Frequenz benutzt. (Irgendwas bei ~500MHz>) Dann wäre ich bei 270-140=30MHz als LO Frequenz? (Wenn ich die höchste noch zu empfangen Frequenz wähle?) Wie genau berechnet ich die LO Frequenz? P.S Nicht gleich erschlagen, ich hab die halbe Nacht (Allergie) im Halbschlaf nach Infos gesucht. Vermutlich hab ich mir auch nur 50% gemerkt und verstanden.
270-140=130. Das wäre mitten in dem Band, das du vermutlich auswerten willst (243-270 -> 113-140). Doof. Mit LO=100M auf 143-170MHz?
Beitrag #7033372 wurde von einem Moderator gelöscht.
Helge schrieb: > 270-140=130. Das wäre mitten in dem Band, das du vermutlich auswerten > willst (243-270 -> 113-140). Doof. Mit LO=100M auf 143-170MHz? Ach, ja! Ich bin noch nicht ganz wach! Mein RX (was man so als "Standart" ansehen könnte) geht von 136-174MHz. Also so typisch Baofeng und Co. Also es sollte auf jeden "erweiterten" 2m TRX passen. Also LO=100MHz und ich empfange nach dem Mischer zwischen 143-170MHz die Signale von 243-270MHz? So einfach? Das lässt sich kurzfristig mit dem VNA als 100MHz Gen und sogar einstellbarm Pegel testen! Nur der Filter für RF_in, der braucht ein paar "Minuten". ;-)
Du solltest auch bedenken, dass ein Teil des LO-Signals auch über RF_in abgegeben wird. Daher wäre eine kleine Verstärkerstufe oder zumindest ein entsprechendes Filter sehr ratsam, um nicht mitten im UKW-Bereich zu senden.
Kilo S. schrieb: > Also LO=100MHz und ich empfange nach dem Mischer zwischen 143-170MHz die > Signale von 243-270MHz? genau so. Normalerweise setzt man den LO oberhalb der Empfangsfrequenz um bessere Weitabselektion zu bekommen. In deinem Fall wären das 400MHz für den TO. Kilo S. schrieb: > Der LO sollte zwischen > +7dbm und +10dbm bringen. (Uuurgh! Da ist sie wieder, die von mir so > "geliebte" dB rechnerei! Aber auch das bekomm ich noch hin.) Kleine Hilfe mit obiger Tabelle. Links die Leistungstabelle, rechts die Spannungstabelle. dBm ist eine Leistung, also gilt die linke Tabelle. 0 dBm = 1mW 10 dBm = 10mW
Kilo S. schrieb: > Aber auch das bekomm ich noch hin. Vielleicht in dem Zug auch noch die Rechtschreibung optimieren. falsch: Sattelit, richtig Satellit falsch: Standart, richtig Standard 100 mal abschreiben!
Interessant wäre das ja mal , allerdings würde mich Downconverter für das 11 Meter Band eher reizen. Gibt es denn schon einen genaueren Plan dazu.
Tasmota schrieb: > Interessant wäre das ja mal , allerdings würde mich Downconverter für > das 11 Meter Band eher reizen. Das wird nur bedingt klappen. Bei einem normalen CB Gerät hast du gerade Mal 880kHz verteilt auf 80 Kanäle, dabei auch noch verschiedene Abstände usw. Also grundsätzlich möglich dürfte das sein (technisch) jedoch ist das ohne durchstimmbaren Empfänger nicht so wirklich das wahre. Da empfängst du ja nur einen Bruchteil dessen was möglich wäre. Tasmota schrieb: > Gibt es denn schon einen genaueren Plan dazu. Ja, morgen den Mischer von der alten Platine befreien, dann brutzel ich die Anschlüsse nach Datenblatt dran (SMA), Pack ein bisschen Blechgehäuse drum und Bau mir einen saugkreis für 100MHz damit der LO nicht auf die Antenne durchschlägt, ein Hochpass von sagen wir Mal 180MHz Startfrequenz, damit dämpfe ich noch die Signale aus dem 2m Afu. Dann erst Mal den Signalgenerator vom MiniVNA als 100MHz LO dran. Und dann Mal gucken was am Ausgang rauskommt. Ob ich mit der Handfunke das gleiche höre wie auf dem SDR. Schritt 2 ist dann der Aufbau eines brauchbaren 100MHz LO. Passendes Gehäuse, Stromversorgung.
Wenn du mit deinem Eingangssignal direkt auf den Mischer gehst, wirst du nicht viel zu empfangen haben. Du solltest eine Vorverstärkerstufe vor den Mischer setzen.
Phasenschieber S. schrieb: > Du solltest eine Vorverstärkerstufe vor den Mischer setzen. Dann spare ich mir den Saugkreis für 100MHz, dafür kommt ein kleiner LNA davor. Den hab ich sogar als Fertigteil hier liegen. Ich muss jetzt erstmal schauen wie ich den ADE von seiner Platine bekommen kann. Der erste Versuch brachte nur ein leicht angeschmortes Gehäuse, trotz zusätzlich bleilot, Flux und beidseitigem erhitzen mit Heißluft. Glaub der ist zusätzlich aufgeklebt...
Soooo. Erster Test, eigentlich relativ erfolgreich. Der Mischer an und für sich funktioniert, die starken Transpondersignale kann ich so Empfangen. So bald ich allerdings mit dem SDR eine benutzte (NBFM) Frequenz finde und die Handfunke darauf einstelle, ob mit oder ohne LNA, kommen nur ab und an ein paar Wortfetzen durch. LNA am SDR -> Verschlechtert das Signal noch. -> LNA im A.... Also, erst Mal einen funktionierenden LNA Basteln. Bemerkungen zum Bild: Grün Markiert: LO Rot Markiert: IF Ohne Markierung: RF In. Nebenbei läuft der Yaesu auf 100MHz mit damit ich sehe wann der LO "Zu sehr Durchpfeift".. da muss auf alle Fälle noch was zwischen Antenne und Mischer!
Da kotzt der Bastler.... SMA ist ja echt schön und gut, aber einfach zu weich der scheiß! Bröselt mir doch die LO Buchse beim anschrauben des Kabel Mal eben auseinander.... Und dann war's auch noch die letzte! Urrrghhhh!
Projekt leider erst ein Mal auf Eis gelegt! Persönliche Umstände! Wird bei Zeiten weitergeführt oder geschlossen. Sorry, geht gerade nicht anders.
Lehrer Lämpel schrieb: > Vielleicht in dem Zug auch noch die Rechtschreibung optimieren. > falsch: Sattelit, richtig Satellit > falsch: Standart, richtig Standard > 100 mal abschreiben! Herr oberlehrer, ich bekomm die kriese!
Lehrer Lämpel schrieb: > Kilo S. schrieb: >> Aber auch das bekomm ich noch hin. > > Vielleicht in dem Zug auch noch die Rechtschreibung optimieren. > falsch: Sattelit, richtig Satellit > falsch: Standart, richtig Standard > > 100 mal abschreiben! Wenn man schon meckert, dann richtig.
Ich hab den Rechtschreibtyp eigentlich extra ignoriert. ;-) Nicht aufregen. Uff, falscher Alarm! (Gott sei Dank!) Kann weitergehen...
Irgendwie will mir aktuell keine einzige Schaltung Gelingen um eine LNA für den Eingang des Mischer zu haben.
Tasmota schrieb: > Hallo, > > Bilder eventuell Schaltung dazu. Alles was hier zu finden ist und sich mit "Alten" teilen nachbauen lassen könnte. Also alles was mit Transistoren für VHF/UHF nachbaubar wäre. https://www.qsl.net/va3iul/Homebrew_RF_Circuit_Design_Ideas/Homebrew_RF_Circuit_Design_Ideas.htm#Low%20Noise%20Amplifiers
Kilo S. schrieb: > Alles was hier zu finden ist und sich mit "Alten" teilen nachbauen > lassen könnte. > > Also alles was mit Transistoren für VHF/UHF nachbaubar wäre. okay danke
Tasmota schrieb: > okay danke Gerne. Wenn der BFT66 nicht kaputt wäre, da ist im Datenblatt ein so geil einfacher und kompakter LNA von 1-300MHz drin. Mit zwei BFT66 wäre sogar 25-1000MHz machbar. Schaltungsvorschläge (mit teilen von 1970-2000) erwünscht. MRF525, 2NXXXX in verschiedenen Variationen ect.. Da könnte ich was zusammen bekommen.
Kilo S. schrieb: > Wenn der BFT66 nicht kaputt wäre, da ist im Datenblatt ein so geil > einfacher und kompakter LNA von 1-300MHz drin. Der Verstärker hat weder 50 Ohm Ein- noch Ausgangswiderstand. Die 60nH im Kollektor erhöhen zwar die Bandbreite, begünstigen aber auch Instabilität. Mit der Beschaltung aus dem DB fließen keine 5,5mA. Kilo S. schrieb: > Schaltungsvorschläge (mit teilen von 1970-2000) erwünscht. Siehe Anhang. Transistor ist allerdings neueren Datums. Die Schaltung benötigt keine Induktivitäten, ist rauscharm, an Ein- und Ausgang angepasst und hat ausreichend Verstärkung.
Robert M. schrieb: > Siehe Anhang. Transistor ist allerdings neueren Datums. Hab ich aktuell allerdings nicht hier. Und die nächste Bestellung von Neuen teilen wird vermutlich nichts vor nächstem Jahr. Ich muss also Gucken welcher der anderen Transistoren die ich aktuell habe da passen könnte. Aber, ja genau sowas in die Richtung suche ich. Möglichst Kompakt, wenig Bauteile. Danke dir! Alternativ schau ich gleich Mal beim RFT um die Ecke r in. Ob der nicht noch irgendwelche alten BK Verstärker rumliegen hat bei denen das Netzteil durch ist. Ein oder zwei RF2312 oder sowas in die Richtung wären in der bastelkiste nicht übel.
Reicht ja ein fast beliebiger Antennenverstärker, zumindest zur Teilegewinnung, vielleicht auch gleich verwendbar. Gute Teile finden sich auch im frontend von Uralt-Sat-Receivern. Was gibt dein Teilelager her im Bereich low noise UHF, ca. 5-30mA?
Helge schrieb: > Was gibt dein Teilelager her im Bereich low noise UHF, ca. 5-30mA? Mein Teilelager ist winzig, das ist das große Problem. Ich muss erst Mal Datenblätter welzen, dann kann ich dir sagen was noch UHF geeignet ist. Ein paar J310 (die Fets aus der Mini Whip) hätte ich auch noch, sehe ich gerade.
Kleines Update: 2N5109, 2N3866, MRF525. Das war's, die drei hab ich. Und eine KF-164D, aber die wollt ich zum basteln erst Mal nicht Schlachten.
Nix in der Größe vom BFW92 oder ähnlich, wie sie in antennenverstärkern drin waren?
Frohe Ostern wünsche ich euch allen. Helge schrieb: > Nix in der Größe vom BFW92 oder ähnlich, wie sie in antennenverstärkern > drin waren? Ich kann nochmal schauen, glaube aber der ist nicht dabei.
Helge schrieb: > Gute Teile finden sich auch im frontend von Uralt-Sat-Receivern. Da schaut die Schwiegermutter gleich Mal, ob noch was zum zerlegen runfliegt. ;-) TT-Micro C274, ist zwar DVB-C, aber im Tuner dürfte sich doch was passendes finden.
OK, leider nicht. Ist ein BGA von NXP, den Aufwand treibe ich nicht. Aber, mir fiel eben ein alter UKW Tuner in die Hände, ob der Verstärker am Eingang wohl taugt? Bild anbei. Kennt jemand den Transistor? Ohne scheiß, der HF Gott hatte was gegen mich. Gehäuse beim auslösten nur durch den sanften Druck mit der Pinzette in Stücke gebrochen, dabei gleich ein Bein mitgenommen...
Wie verzweifelt muss man wohl sein, wenn man bei der Schwiegermutter nach HF-Transistoren zum Ausschlachten suchen muss.
BC107 schrieb im Beitrag #7037292: > Wie verzweifelt muss man wohl sein, wenn man bei der Schwiegermutter > nach HF-Transistoren zum Ausschlachten suchen muss. Wie doof kann man sein wenn man solche Gelegenheiten nicht nutzt? Immerhin, im alten Kabelreceiver sind ein paar Brauchbare LDO, ein DC/DC ect. Alles komplett mit Beschaltung. Manche Platinen kann man auch ganz gut "Zersägen", und kleine Baugruppen draus machen. Außerdem, zerlegen und Bauteile aus Altegeräten zu gewinnen ist für mich einfach Teil des Hobby. Dienstag geht's zum RFT, dem Kauf ich einfach Mal ne Kiste Platinen ab. Vorzugsweise BK/Antennenverstärker. Da wird der bestimmt noch was haben!
Helge schrieb: > Ist ja gleich schon passend aufgebaut :-) testen.. Ne, eben nicht. Da hing doch die Abstimmung noch mit dran für UKW, mit V103 Varaktordioden. Die hab ich mir natürlich auch gesichert, die werden später interessant.
BC107 schrieb im Beitrag #7037292: > Wie verzweifelt muss man wohl sein, wenn man bei der > Schwiegermutter > nach HF-Transistoren zum Ausschlachten suchen muss. Wie verzweifelt muss man wohl sein, wenn man Ostern nichts anderes zu tun hat als solche Kommentare zu schreiben. Kilo S. schrieb: > Außerdem, zerlegen und Bauteile aus Altgeräten zu gewinnen ist für mich > einfach Teil des Hobby. Das wird und wurde wohl bei einigen so gemacht das man Bestimmte Bauteile auf diese Art günstig erhält.
Kilo S. schrieb: > eventuell möchte das jemand anderes auch. me too. Machen wir doch einen Aufstand? Die Zusammenrottung wär ja eine Straftat, aber ohne Ziel kein Bier!
Hallo Kilo S., hast Du kein alten Empfangsverstärker oder eine alte Oma von deinen Funkexperimenten rum liegen oder ein altes 2 Meter Gerät zum schlachten.
Tasmota schrieb: > hast Du kein alten Empfangsverstärker oder eine alte Oma von deinen > Funkexperimenten rum liegen oder ein altes 2 Meter Gerät zum schlachten. Oma Brauch ich schon lange nicht mehr, das lohnt sich für mich einfach nicht. Empfangsverstärker hab ich aktuell keine da. Ein 2m Gerät hätte ich tatsächlich da, ich glaub da muss ich jetzt Mal Rangehen. Schauen wir Mal ob was passendes drin steckt. Obwohl ich das eigentlich vermeiden wollte .. naja!
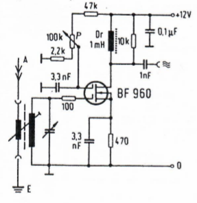
Helge schrieb: > BFW92 BF960, der wäre doch was. https://pdf1.alldatasheet.com/datasheet-pdf/view/26193/TFUNK/BF960.html Jetzt könnte ich allerdings Hilfe brauchen beim auslegen des Schaltplan. Muss auch nicht perfekt sein, hauptsächlich muss die Verstärkung reichen um das empfangene Signal durch den Mischer zu bringen, und der 100MHz LO darf nicht mehr bis zur Antenne Durchschlagen.
Kilo S. schrieb: > Jetzt könnte ich allerdings Hilfe brauchen beim auslegen des Schaltplan. Also wenn ich diese Angelegenheit angehen wollte, dann würde ich die Vorstufe nicht breitbandig, sondern selektiv gestalten. Du nimmst einen passiven Mischer, ohne jedwede Selektionsmittel und führst dem 100MHz zu; der Eingang bekommt von einer Breitbandvorstufe alles was die Antenne bringt. Das würde mir nicht gefallen. Da werden am Ausgang eine Menge Mischprodukte erscheinen mit denen der nachfolgende Empfänger fertig werden muß. Zwar wird die Antenne schon eine gewisse Vorselektion zeigen, aber das wäre mir nicht genug. Meine Idee dazu wäre, einen VV mit selektivem Eingangs- und Ausgangskreis, wobei der Ausgangskreis impedanzmäßig auf den Mischer angepasst sein müsste.
Hi Kilo, vor vielen Jahren gab es mal in der CQ-DL, muss so zwischen 84 und und Anfang der 90'er Jahre, gewesen sein, einen interssanten Konverter für 432MHz-> 144/28MHz in Kammerbauweise. Der Konverter selber kam ohne Platine aus und hatte, meine ich zwei Leitungskreise vor dem Fet und zwei danach. Das ganze war sehr empfindlich und selektiv. Als Mischer diente ein simpler Fet BF256 glaube ich. Das sollte auch für220MHz adaptierbar sein. Ich hatte den damals gebaut um hier die 70cm Relais im Harz zu empfangen. Die Zeitschrift habe ich aber nicht mehr. Vielleicht hat die ja jemand hier parat oder Zugriff auf as Archiv, bn schon sehr lange nicht mehr im Club.... Gruß Ingo
Hallo, hier mal was als Ansatz für deine Schaltung. Ansonsten solltest mal den Ansatz von Phasenschieber verfolgen mit der Selektivität.
Tasmota schrieb: > Ansonsten solltest mal den Ansatz von Phasenschieber verfolgen mit der > Selektivität. Oder die Schwiegermutter fragen, was die dazu meint.
Hi Kilo, >vor vielen Jahren gab es mal in der CQ-DL, muss so zwischen 84 und und >Anfang der 90'er Jahre, gewesen sein, einen interssanten Konverter für >432MHz-> 144/28MHz in Kammerbauweise. Der Konverter selber kam ohne so, Artikel doch noch gefunden, war in der CQ-DL 4/87 sh. https://de1lib.org/book/5749521/632517 Seite 220. Gruß Ingo
Phasenschieber S. schrieb: > Also wenn ich diese Angelegenheit angehen wollte, dann würde ich die > Vorstufe nicht breitbandig, sondern selektiv gestalten. Keine Angst, das kommt noch. Tasmota schrieb: > Hallo, > hier mal was als Ansatz für deine Schaltung. Das sieht doch nicht schlecht aus.
Aber wenn du schon einen SDR hast, warum dann noch einen Konverter? Bau doch für den SDR eine selektive Vorstufe und zack! fertig. Oder verstehe ich da was falsch? Hier noch der simpelste GHz taugliche Buffer von der ganzen Welt:
1 | +5V-----------+ |
2 | | |
3 | - |
4 | | | 220 |
5 | | | |
6 | - |
7 | 22k | |
8 | +-===---+---||--> Out |
9 | | / C |
10 | o-||--+----| |
11 | B \ E |
12 | GND | |
13 | -------------+--------- |
Koppel-C nach Wunsch. Gut geeignet sind der BFW92 und auch der BFR96. Getestet bis 2GHz bei gutem Aufbau. Natürlich nur für kleine Signale, sonst zerrts. Statt 22k gehen auch 27k.
Matthias S. schrieb: > Aber wenn du schon einen SDR hast, warum dann noch einen Konverter? Ein SDR braucht immer das Tablet/Handy/PC. Meine Idee ist es nun den Empfang auch mit den üblichen 2m Handfunkgeräten zu realisieren. Als Beispiel, mein Team Tecom Duo hat RX/TX 136-174MHz. Wirklich Aktivitäten findest du von 255-263MHz. Macht also den Empfang von 155-163MHz möglich. Geplant ist erst ein Mal den Mischer so weit fertig zu haben das der Empfang einfach nur irgendwie funktioniert, danach kommt ein BPF im Empfangszweig von 250-270MHz. Sodala, den BF960 hab ich nun vor mir. Ich suche Mal den Rest so weit raus wi möglich, bei dem übertrager am Eingang muss ich schauen was sich alternativ ergibt.
Hmm. Irgendwie will das nicht. Der erste von 3, hat einfach gar nix gemacht. Der zweite gab beim Anlegen der Betriebsspannung Rauchzeichen von sich und der dritte macht auch wieder garnix!? Drei Stück hab ich noch...
so kleine empfindliche in alufolie lagern, und nur antistatisches Zeugs anhaben beim einbauen.
So, das war's... Also entweder sterben mir die Fets schon beim auslöten oder ... Morgen zum RFT... Ich kotz bald!
Helge schrieb: > so kleine empfindliche in alufolie lagern, und nur antistatisches Zeugs > anhaben beim einbauen. Ich arbeite mit ESD Armband und Unterlage. Darauf liegt zwar noch die Silikonmatte, allerdings alles gut geerdet. Ich verstehe es manchmal nicht, es gibt Tage da geht alles so am Schnürchen... Und manchmal kriegt man garnix auf die Reihe...
Hallo zusammen. Kilo S. schrieb: > So, das war's... Also entweder sterben mir die Fets schon beim auslöten > oder ... Was machst du? Siehe Datenblatt: Gates durch Dioden geschützt, so schnell sterben die Teile nicht. Einpacken in Alu-Folie überflüssig. Kaputt gelötet, Bein abgerissen..?? 6 Stück über den Jordan, das ist schon eine stramme Leistung! Gib es auf. Wer zudem vor dem nächsten Jahr nichts Neues kaufen kann, dem fehlen dann noch die Keramik-Cs, die Trimmer u.v.a.m. Das wird nie fertig; oder erwartest du, dass hier für dich ein CARE-Paket zusammengestellt wird..?? 73 Wilhelm
Kilo S. schrieb: > So, das war's... Also entweder sterben mir die Fets schon beim auslöten > oder ... ... die Schwiegermutter hat ihn kaputtgemacht.
Wilhelm S. schrieb: > Gib es auf. Wer zudem vor dem nächsten Jahr nichts Neues kaufen kann, > dem fehlen dann noch die Keramik-Cs, die Trimmer u.v.a.m. So, bei Zwei Stück tut sich einfach garnix. Der dritte wollte anscheinend, hat sich dann aber doch dazu entschieden lieber in Rauch aufzugehen. Bei zweien sind Beinchen abgebrochen, gut das ließe sich vielleicht gerade so noch irgendwie "flicken", wenn's nicht zu lahm geht und nichts zu heiß wird, und Nummer 6 macht eben auch einfach garnix. Probiert hab ich es sowohl auf Lochraster als auch Luftverdrahtung. Keramik-Cs sind kein Problem, Trimmer hab ich aktuell auch genug. Nur so nebenbei erwähnt, ich werde in knapp 3 Monaten Vater. Ich hab Grad besseres mit meinem Geld zu tun als mir neue Bauteile oder gleich einen LNA zu kaufen. Die Preise sind mir fürs Hobby aktuell zu hoch, weil ich auch nicht weiß wann ich nach der Geburt wieder zum basteln komme. Daher Versuch ich so viel wie möglich mit dem was ich hab, so schnell wie möglich umzusetzen. Gute Nacht.
Kilo S. schrieb: > Als Beispiel, mein Team Tecom Duo hat RX/TX 136-174MHz. Wirklich > Aktivitäten findest du von 255-263MHz. Macht also den Empfang von > 155-163MHz möglich. Hi, nur so eine Idee: Schon mal was von UHF-Konvertern gehört? Die Dinger, die man früher brauchte, um das Zweite (Dritte) TV-Programm zu empfangen. https://de.wikipedia.org/wiki/UHF-Konverter Müsste man doch "umstricken" können, indem man die frequenzbestimmenden Bauteile anpasst. Die solide mechanische Hardware ist doch schon vorhanden. BTW: Wie man das Netzteil nachträglich noch "entstalinisieren" könnte, ist ins Schaltbild nachträglich noch einkopiert worden. Stromverbrauch ist ja nicht so hoch. Aber solide Netztrennung sollte im eigenen Interesse doch vorhanden sein. ciao gustav
Karl B. schrieb: > Schon mal was von UHF-Konvertern gehört? Ja, auch schon von den K11/12 Verstärkern. Die waren ja meist nötig da die Programme auf diesen Frequenzen mit weniger Leistung ausgestrahlt wurden. Eine alte K11/12 Antenne hab ich sogar hier, eine Recht kompakte 3 element Yagi mit Schleifendipol als Speisung. Das Problem in diesem Fall, auch den müsste man erst Mal bekommen um "nur" Änderungen machen zu müssen. Karl B. schrieb: > Wie man das Netzteil nachträglich noch "entstalinisieren" könnte, ist > ins Schaltbild nachträglich noch einkopiert worden. Stromverbrauch ist > ja nicht so hoch. Aber solide Netztrennung sollte im eigenen Interesse > doch vorhanden sein. Ich verwende aktuell nur den Akku der auch später für unterwegs verwendet werden soll (3S3P 18650). Das eliminiert von Anfang an alle Probleme in diese Richtung. Ich werde da schon noch was passendes zusammen bekommen, manchmal braucht es dazu eben etwas Geduld.
Ich Frage mich gerade noch etwas, und zwar ob ich die Belegung aus dem von mir verwendeten Datenblatt auch tatsächlich verwenden kann. Die Wäre dann entsprechend so wie in meinem Bild. Den hab ich gerade noch auf einer Platine gefunden, der sollte also noch tadellos funktioniert.
Ist schlecht zu erkennen auf deinem Bild, am bestem mal messen. https://panda-bg.com/datasheet/2587-061980-Tansistor-BF960-SIEMENS.pdf
Hobby B. schrieb: > Ist schlecht zu erkennen auf deinem Bild, am bestem mal messen. Dabei sogar extra mit Macro aufgenommen. Hmm, vergrößer das Bild Mal. Hobby B. schrieb: > https://panda-bg.com/datasheet/2587-061980-Tansistor-BF960-SIEMENS.pdf Ist im Prinzip das gleiche Datenblatt, abgesehen davon daß der Markierungsstrich für drain bei dem von Siemens zu sehen ist und beim anderen nicht. Also die Belegung stimmt.
Der Sourceanschluß sollte etwas breiter sein. Die anderen Anschlüsse ergeben sich dann automatisch.
Michael M. schrieb: > Der Sourceanschluß sollte etwas breiter sein. Die anderen Anschlüsse > ergeben sich dann automatisch. Ja, ist er. Ich hab das ganze jetzt nochmals aufgebaut, nochmals getestet. Gain am SDR ganz runter, vorher einen starken UKW Sender gesucht, Den LNA dazwischen. Erwartet hatte ich das ich wenigstens den Träger des UKW Sender wieder im Wasserfall sehe. Nix...
Oszi: 2mv/50µs an drain, also es tut sich an und für sich was. Nur nix vernünftiges!...
Du kannst mal am Sourcewiderstand messen, was da für ein Strom durch den FET fliesst. Am Gate 1 sollten 0V stehen und am Gate 2 nicht zu weit aufdrehen.
Matthias S. schrieb: > Du kannst mal am Sourcewiderstand messen, was da für ein Strom durch den > FET fliesst. Am Gate 1 sollten 0V stehen und am Gate 2 nicht zu weit > aufdrehen. Werd ich später machen, danke für den Tipp.
Wenn nach der Schaltung aufgebaut hast die Tosmata hinterlegt hat regelst über Gate 2 die Verstärkung.
Hobby B. schrieb: > Wenn nach der Schaltung aufgebaut hast die Tosmata hinterlegt hat > regelst über Gate 2 die Verstärkung. Genau, wenn ich das richtig verstehe über die Stromstärke. Und genau da passiert nicht wirklich was, aber generell kommt Signal von der Antenne durch. Nur anscheinend sehr frequenzselektiv! Im AM Flugfunk empfange ich tatsächlich etwas, leider absolut unidentifizierbar verstümmelt. Ich werde das ganze nochmal mit mehr Mühe und HF gerecht Aufbauen. Aktuell sieht das aus wie ein kneul Bauteile die ins lötbad gefallen sind. ;-)
Hallo Kilo S. Ich verstehe jetzt einiges nicht: Du hast mal geschrieben, daß du "SDR to go" auf deinem Handy hast. Daran einen RTL-Sick zu betreiben ist ja der Sinn und Zweck dessen. Also Handy und Software und einen RTL-Stick hast du du auch. Was bewegt dich solch einen Downconverter für Handfunken zu bauen? Ist es der reine Basteltrieb? Denn solch einen Eigenbau-Converter, auchnoch mit eigener Stromversorgung, an einer Handfunke zu betreiben, stelle ich mir reichlich unkomfortabel vor, zumindest umständlicher als das vorgenannte Szenario.
Phasenschieber S. schrieb: > Ist es der reine Basteltrieb? In erster Linie. Dazu kommt daß die ganze USB OTG Geschichte schön und gut ist, allerdings ist mir das zu Wackelig und braucht entweder einen Hub mit externer Stromversorgung oder es ist eben Recht schnell den Akku des Tablet oder Handy leer. So oder so muss ich also mindestens eine gute 5V Powerbank mit haben. Da sich das Gewichtsmäßig allerdings nicht viel unterscheidet ob ich nun 16Ah bei 3,7v mit Wandlerverlusten mitnehme oder 12,6V 6Ah die ich direkt für die Schaltung mit deutlich geringeren Verbrauch verwenden kann hab ich mir gedacht ich Versuch mich Mal daran. Dann lieber ein "kleines" Metallgehäuse als Vorsatz für die Handfunke. Der Akku ist ja auch einfach austauschbar, 3S mit 2,2Ah reichen doch auch schon Recht lange. Vielleicht läuft mit ja noch irgendwann eine passende Varaktordiode über den Weg bzw. ich finde die Zeit verschiedene Dioden zu Testen. Eine fertige PA für 2m mit 16-20W@ 50Ohm habe ich in Reserve, vielleicht schick ich dann Mal testweise ein Signal hoch um zu sehen ob's auch wirklich funktioniert. Bzw. Ob 8-10W nach dem verdoppler ausreichend wären, welche Antenne am besten funktioniert ect. Für ein oder zwei DTMF Töne alle paar tage wird mich nicht gleich der nächste Atomschlag treffen wenn man die fast 24/7 laufenden Piraten QSO's hört. ;-) Der Milsat Kram hat irgendwie einen gewissen Reitz und braucht nicht gleich Transverter und LNB für GHz Frequenzen. Wenn man tiefer einsteigen will und Informationen sucht findet man zb. nicht wirklich irgendwelche Schaltungen, nur Beschreibungen:" das die Brasilianer das mit 2m Afu Geräten, etwas Draht und einer Diode hinbekommen". Also gehe ich davon aus das die auf ähnliche Möglichkeiten wie ich zurückgreifen. Das hat natürlich auch einen gewissen Reitz sich diese Technik entsprechend selbst zu erarbeiten.
Kilo S. schrieb: > Im AM Flugfunk empfange ich tatsächlich etwas, leider absolut > unidentifizierbar verstümmelt. Am besten machst du dich mal schlau, welche Flughäfen in deiner Nähe sind und was die Frequenzen für Bodenkontrolle,evtl. ATIS und Tower sind. http://www.funkfrequenzen01.de/index012.htm https://www.funk-technik.info/frequenzen/utilities/100-000-144-000-mhz.html Wenn du was empfängst, nichts davon weitersagen.
So, natürlich kommt einem immer was dazwischen. Anstelle 3,3nf hatte ich nur 1n5, davon je zwei parallel. Der übertrager für den Eingang ist noch "Unbekannt" also noch nicht am VNA Vermessen. Kommt aus einem 2m Gerät. Auch noch nicht perfekt, allerdings besser als fliegende Verdrahtung. Stromaufnahme ect. kann ich allerdings erst später messen.
Hallo zusammen. @ Kilo Das Datenblatt hatte ich schon eingestellt. Wo sind die Probleme mit den Pins? Ist das Datenblatt nicht eindeutig genug? VHF auf VERO-Board, alle Achtung! Der Drehknopf an dem Poti ist grösser als die ganze Schaltung. Sieht aber gut aus. Ich schrieb es schon -> lass es sein... 73 Wilhelm
Wilhelm S. schrieb: > Ich schrieb es schon -> lass es sein... Wenn's dir nicht passt, zwingt dich keiner mit zu lesen oder hier auch zu schreiben! Ich hab schon alte Antennenverstärker gesehen (UHF) die sahen der Platine nach eher nach Pappe aus, auch bei alten Röhrenfernsehern war das bestimmt kein hochentwickeltes Platinenmaterial. Und selbst Röhrenradios hatten da keine probleme. Also, das wird schon noch. Ständig diese Miesenpeter! Und das auch noch mit Rufzeichen... "Nachwuchsförderung"? Hmmm...
Kilo S. schrieb: > Und selbst Röhrenradios hatten da keine probleme. Da waren auch ausgefuchste Entwickler, Meister ihres Faches am Werk. Die haben wirklich das Letzte rausgeknautscht. An einem UKW-Röhreneingang ist kein Millimeter Draht zufällig verlegt und jedes Bauteil ist sorgfältig dimensioniert genau an dem Platz, an dem es sein soll. Das war hohe Entwicklungskunst und nicht mit Drauflosbastelei zu vergleichen.
Kilo S. schrieb: > Ständig diese Miesenpeter! Nein, keine Miesepeterei, aber HF-gerechter Aufbau sieht anders aus. Lochrasterplatine? Versuche doch mal einen Aufbau auf Cu-Leiterplattenmaterial. Mit 'Inseln' als Lötstützpunkte. swl schrieb: > An einem UKW-Röhreneingang > ist kein Millimeter Draht zufällig verlegt und jedes Bauteil ist > sorgfältig dimensioniert genau an dem Platz, an dem es sein soll. Ich habe mal einen UKW-Tuner mit ECC85 zerlegt und analysiert. Sehr lehrreich! 'Wilde' Verdrahtung, aber die Leute wußten genau was sie taten. Auch Kondensatoren mit verschiedenen TK um die Drift möglichst gering zu halten.
Mohandes H. schrieb: > Lochrasterplatine? Habe ich auch schon gemacht , allerdings habe die dann umgedreht und als Lötstützpunkte verwendet. Die nicht benötigten dann runter gemacht ging dann auch ganz gut.
Naja, für Frequenzen bis 300MHz sehe ich da auch keine großen Probleme. Habe früher auch Konverter für 70cm-Band auf 2m-Band damit gebaut und es hat funktioniert. Für erste Versuche ist das durchaus machbar. Wenn dann alles so funktioniert wie man sich wünscht, kann man das ganze immernoch umgestalten in Schön. Ich habe schon schlimmere Bruzzeleien für 430 MHz produziert und hat auch funktioniert. Mohandes H. schrieb: > Ich habe mal einen UKW-Tuner mit ECC85 zerlegt und analysiert. Es gab mal einen Röhrenempfänger fürs 2m-Band, genannt Nogoton, noch genannt Norddeutscher Rauschgenerator. Der hatte als Eingangsröhre die E88CC und deren Verdrahtung, genau wie der Rest des Gerätes, war aus heutiger Sicht überhauptnicht UKW-tauglich und er hat doch funktioniert. Ich hatte dem damals den Drehko amputiert und stattdessen zwei Varaktordioden implantiert. Selbige habe ich mit dem Sägezahn meines Oszis angefahren und an der Demodulationsdiode das Y-Signal abgegriffen. So konnte ich daraus einen sogen. Panorama-Empfänger machen, das ist etwas ähnliches wie SDR nur ohne Wasserfall. ....und ich verrate nochwas: Die Verdrahtung dazu war noch viel schlechter, als eine Lochrasterplatine. Noch nachschieb: Hier ein Bild vom Inneren des Nogoton: http://ve6aqo.com/New_2011/AUG03/Nogoton%202m%20RX-Baustein%20006_mod.jpg ganz rechts die Eingangsröhre und schaut euch mal an, wie lang die Anschlußdrähte bei den Widerständen und Kondensatoren sind, dagegen sind die Lochrasterplatinen schon erste Sahne.
Phasenschieber S. schrieb: > Für erste Versuche ist das durchaus machbar. Ich sehe das auch unkritisch. Phasenschieber S. schrieb: > und ich verrate nochwas: Die Verdrahtung dazu war noch viel schlechter, > als eine Lochrasterplatine. Och, sieht doch recht "Röhrentypisch" aus. Also alles im grünen Bereich. Mohandes H. schrieb: > Lochrasterplatine? Versuche doch mal einen Aufbau auf > Cu-Leiterplattenmaterial. Mit 'Inseln' als Lötstützpunkte. Und die durchgängige Groundplane soll den Riesen Unterschied machen? Nu, CU Kaschiert hab ich nicht mehr da, ist mit samt Ätzbad und Zubehör damals in Bayern bei einem Kumpel geblieben. Ich könnte allerdings ein Stück Weißblech passend machen, muss nur die Schraubendose ausleeren. Anstelle von Lötinseln würd ich "luftverdrahten". So ist es auch im späteren Gehäuse geplant.
Gut geeignet sind alte Tunergehäuse, evtl. mit einer durchgehenden Kupferplatine als Basis für Manhattan Stil. Damit habe ich auch 23cm Sender gebaut, die bestens gespielt haben. BFW92 und BFR96 haben zu diesem Zweck zwei Emitteranschlüsse, so das man sie in die Abschirmwände einlöten kann. Der BF960 sollte so verbaut werden, das die Sourceleitung gleich als Schirm zwischen Ein- und Ausgang wirkt.
Phasenschieber S. schrieb: > ....und ich verrate nochwas: Die Verdrahtung dazu war noch viel > schlechter, als eine Lochrasterplatine. > Noch nachschieb: Hier ein Bild vom Inneren des Nogoton ... Das Nogoton kenne ich (vom Hörensagen). Aber durch die 'wilde' Verdrahtung sollte man sich nicht täuschen lassen. Wenn man versuchen würde so einen Tuner nur nach Schaltbild nachzubauen, dann würde man ziemlich sicher scheitern. Das KnowHow liegt weniger in der Schaltung sondern im Aufbau und den Bauteilen. Lochraster funktioniert natürlich auch, wenn man es gut macht. Habe ich auch schon mit >100 MHz gemacht. Bei den alten Radios war sogar die Montage mit Lötleisten bis Ende der 50er verbreitet bis dann Anfang der 60er die gedruckten Leiterplatten ihren Siegeszug machten. Aber ich würde für solche Frequenzen lieber eine Cu-kaschierte Leiterplatte nehmen (Massefläche) und dann mit Lötinseln aus Schnibseln (aus 0,5 oder 0,7mm-Basismaterial) arbeiten oder auf dem Basismaterial das Cu entsprechend wegkratzen. ICs kopfüber löten. Sieht jetzt nicht so schön aus, ist aber HF-mäßig ein sauberer Aufbau. Kilo S. schrieb: > Auch noch nicht perfekt ... Wie gesagt, keine Miesmacherei. Ich finde es gut, wie Du ein paar Bauteile nimmst, daraus einen Downconverter bastelst und einfach mal schaust was passiert. Aber Luft nach oben im Sinne eines verbesserten Aufbaus ist immer gut.
Mohandes H. schrieb: > Wie gesagt, keine Miesmacherei. Ich finde es gut, wie Du ein paar > Bauteile nimmst, daraus einen Downconverter bastelst und einfach mal > schaust was passiert. Aber Luft nach oben im Sinne eines verbesserten > Aufbaus ist immer gut. Tipps zum Aufbau sind ja auch nichts worüber ich mich im geringsten aufrege. Aber sowas: Wilhelm S. schrieb: > Ich schrieb es schon -> lass es sein... > 73 Sowas ist doch echt unter aller Sau. Also, neue Ergebnisse: Über Die 470ohm an Source gemessen hab ich 0,35V, VCC=12,06V. Berühre ich den 1nf am Ausgang hab ich am Oszilloskop bei 2V/2ms einen leicht Buckelligen Sinus. Bringe also vermutlich die Schaltung damit zum Schwingen. Speise ich zb. 100MHz mit -40dB am Eingang ein so verändert sich am Ausgang nichts! Auch wenn ich den Pegel am Generator anhebe, nichts. Ergo: Eingangsbeschaltung prüfen, übertrager ungeeignet würde ich jetzt vermuten. Hat jemand Tipps für eine alternative Eingangsbeschaltung?
Kilo S. schrieb: > übertrager ungeeignet würde ich jetzt > vermuten. Hi, mit dem Ringkern FT 23-61 mal versuchen. Ist ziemlich klein. 2 Windungen für Antenneneingang 5 Windungen für Ausgang 0,5 mm CuL (mehr geht sowieso nicht drauf.) Vorteil: Kein nennenswertes Streufeld, das irgendwo anders reinkoppeln könnte. Nachteil: geht nominell bis ca. 200 MHz. Eine der zufällig ausgewählten Bezugsquellen: https://www.reichelt.de/ferritring-5961000101-ft-23-61-p7923.html ciao gustav
Karl B. schrieb: > Nachteil: geht nominell bis ca. 200 MHz. Und darüber müsste ich die Dämpfung prüfen um zu sehen ob er für meine Zwecke noch geeignet ist... Danke für den Tipp! Das ist machbar, wenn auch nicht unbedingt sofort. Aber ich hab ja Zeit. Ich hab noch.... 7:3 wdg. (Bild) aus einem alten VHF/UHF Aktivantennen LNA. Leider hab ich die Platine nicht Mehr! :-(
Kilo S. schrieb: > 7:3 wdg. (Bild) aus einem alten VHF/UHF Aktivantennen LNA Und ist das nun damit besser geworden oder auch noch keinen Erfolg da mit ?
Kilo S. schrieb: > Phasenschieber S. schrieb: >> und ich verrate nochwas: Die Verdrahtung dazu war noch viel schlechter, >> als eine Lochrasterplatine. > > Och, sieht doch recht "Röhrentypisch" aus. Also alles im grünen Bereich. Ja, so wie das Ding vom Hersteller kam war es schon recht "bemerkenswert", aber ich meinte damit meine Implantate, die hatte ich noch rein gewürgt. Wenn ich heute sowas baue, nehme ich erstmal vollkaschierte Platten und fräse mit einem Dremel kleine Inseln an die Stellen wo es zu Verbindungen kommt. Die Bauteile setze ich dann obenauf. Das geht recht flott und ist stabil.
Kilo S. schrieb: > Sowas ist doch echt unter aller Sau. Ja, finde ich auch. Zumal Kommentare wie 'funktioniert doch eh nicht' alles andere als hilfreich sind. Wo ist der Pioniergeist, der erstmal ausprobiert und experimentiert bevor neu kaufen?
Mohandes H. schrieb: > Wo ist der Pioniergeist, der erstmal ausprobiert und experimentiert > bevor neu kaufen? Pioniergeist bedeutet nicht, den Stand der Technik beim Design von VHF/UHF Baugruppen zu ignorieren und alle Fehler, die andere schon gemacht haben, nochmal zu machen.
swl schrieb: > Pioniergeist bedeutet nicht, den Stand der Technik beim Design von > VHF/UHF Baugruppen zu ignorieren ... Natürlich nicht. Mein Kommentar bezog sich schlicht auf das, was Kilo als 'Miesmacherei' bezeichnete. Kommentare wie 'das schaffst du sowieso nicht' helfen keinem weiter.
Hobby B. schrieb: > Und ist das nun damit besser geworden oder auch noch keinen Erfolg da > mit ? Ich kam gestern leider nicht mehr dazu es zu testen. Familie geht eben vor. :-) Ich werde mich nachher nochmals Dransetzen.
Also, generell ist es schon besser geworden, jedenfalls der normale Empfang ist wieder möglich. Auch mit Verstärker dazwischen. Lustigerweise lässt sich wieder die Verstärkung nicht ordnungsgemäß einstellen. Bei vorsichtigem einstellen am Poti hab ich maximal einen Unterschied von 1db. Also ich kann ein Signal um maximal 1db anheben, das allerdings sauber und verständlich. Das gilt auch für starke Signale (UKW Rundfunk) die an und für sich stark genug am Eingang sind um nennenswert verstärkt werden zu können, selbst bei starker Fehlanpassung am Eingang. (Meine Vermutung) Ich komme der Sache näher.
Ich werde jetzt auch gleich Mal in den "Sauren" Apfel beißen und mich zumindest schon mal an eine grobe vorselektion machen, die Schaltung mit einem BF966 (laut Datenblatt dürfte der ebenfalls passen) nochmals Aufbauen, diesmal allerdings in einem geschirmten Gehäuse ect. Kann allerdings etwas dauern. Das benötigt jetzt viel Geduld und ne Menge Hitze, ich will eines der KF-164D Filtergehäuse dafür nehmen.
swl schrieb: > Kilo S. schrieb: >> Und selbst Röhrenradios hatten da keine probleme. > Da waren auch ausgefuchste Entwickler, Meister ihres Faches am Werk. Die > haben wirklich das Letzte rausgeknautscht. An einem UKW-Röhreneingang > ist kein Millimeter Draht zufällig verlegt und jedes Bauteil ist > sorgfältig dimensioniert genau an dem Platz, an dem es sein soll. Das > war hohe Entwicklungskunst und nicht mit Drauflosbastelei zu > vergleichen. Soso. Und wie sind die Meister ihres Faches zum Meister geworden? Ging wahrscheinlich nur, weil es noch keine Internetforen mit Leuten gab, die gesagt haben "gib's auf". Vielleicht sind die ja auch schon als Spezialisten auf die Welt gekommen?! Ah, oder es lag an den gut verfügbaren Spektrum- und Netzwerkanalysatoren, mit denen man die Baugruppen vermessen konnte. Oder lag es vielleicht doch daran, das sie auch viele Versuche machen mußten, bis es endlich funktioniert hat, ohne immer sicher zu verstehen warum? Ich habe Hochachtung vor den damaligen Entwicklern, die manche - heute nicht mehr vorstellbare - Anstrengung unternehmen mussten, um zum Ziel zu kommen. Genauso habe ich Hochachtung vor den heutigen Entwicklern, die solche Schaltungskonzepte nachvollziehen wollen und dabei in so manche Falle tappen werden, weil der Schaltplan eben doch nur eine unvollständige Dokumentation ist. So, und nur so, werden wir auch morgen neue Meister des Faches haben!
@Bernd: einfach ignorieren. Ich baue normalerweise keine Sender/Empfänger ect. Also in dem Fall bin ich tatsächlich "Anfänger" was LNA und Mischer und so Kram angeht. Daher, wie du auch richtig angemerkt hast Versuche ich ja gerade dieses Wissen zu Erlangen. Lass die Leute die meinen etwas besseres zu sein ruhig in dem Glauben. Ich kann dafür manch andere Dinge Recht passabel. (Hauptsächlich Antennen aller nur möglichen Arten) Beispielsweise der Filter (das Bild vom NanoVNA ist ja angehängt) entstand auch ohne Rechnen. Ich bin mit dem Bauchgefühl an die Sache Ran das ich im Bereich UKW*2 bin, für UKW würde ich 5-8mm ø der spulen wählen (von Mitte Draht zu Mitte Draht) und zwischen 2 und 5 Windungen. Ich habe also 3-4mm Innendurchmesser gewählt und nur 3-3,5 Windungen und bin ohne eine Formel, mit ziehen und stauchen der spulen + Variation der Trimmer schon Recht nahe am Ziel. Obwohl ich auch beim Thema Filter noch nicht die Menge an Erfahrung habe, das Ergebnis meiner ersten Versuche mit filtern ist auch hier im Forum zu lesen. Inklusive meiner anfangs sehr naiven Herangehensweise. Beitrag "Fug8b-1 "Diplexer/Antennenweiche"" Auch da hab ich mich durchgebissen, auch einige sehr liebe und nützliche Angebote bekommen (und angenommen!) und eine Menge gelernt. Und genauso werde ich hier weiter machen! Und ich habe mir auch vorgenommen (sofern ich alle teile zusammen bekomme) das am ende eine kleine "Satpiraten" Box inklusive verdoppler mit Passiven Bauteilen entsteht. Einfach aus Spaß am basteln und dem Willen neues zu lernen. Ich wüsste ja gerne Mal was in den Anfängen einiger derer alles kaputt ging, die sich so negativ geäußert haben. Ich würde wetten da kommt ein 1-5kg Beutel Bauteile zusammen die sie "vernichtet" haben. Allerdings sehe ich das als völlig normal an. Wie sagte der Grütner* damals: "Kommt vor, da steht's Material. Fang nochmal an!" (*Mein damaliger Lieblingslehrer, Metalltechnik in der Ausbildung.)
Nicht besonders hübsch, allerdings scheint es zu funktionieren. Ich hatte zum testen eine zweite Turnstile Indoor aufgebaut, an dieser empfange ich jetzt in diesem Setup ein NFM Signal das ohne LNA nicht zu hören ist. Weitere Tests stehen noch aus.
Mischer Mal langsam Vorbereiten, die Platine war zu groß. (Bild: LO IN, um möglichst gute Isolationswerte zu erreichen mit Koax Zugeführt.)
Mischer reingefummelt, IF OUT ist ebenfalls unter dem Mischer entlang geschirmt. RF IN direkt an der Durchführung. Jetzt noch den passenden LO finden.
Generelle Frage: Kann ich davon ausgehen das auch ein Quarzoszillator dessen Quarz ein wenig "gezogen" wird, in der Temperaturstabilität einem LC Kreis vorzuziehen ist? 93,xxx MHz, 5,8-7MHz sind aber vermutlich zum Ziehen auch zu viel. 25,xxx, ein paar kleine Varaktordioden hab ich auf den Platinen gehabt, braucht aber vermutlich für +7dbm noch eine zweite Stufe um nach dem vervierfachen noch genug Pegel zu haben.(?) +Zusätzlich Saugkreis.... Dumme Idee! Mit genug Platz. Colpitts?
Kilo S. schrieb: > 93,xxx MHz, 5,8-7MHz sind aber vermutlich zum Ziehen auch zu viel. Ich würde Dir bei der Vermutung mal zustimmen. Kilo S. schrieb: > +Zusätzlich Saugkreis.... Dumme Idee! Mit genug Platz. Naja das würde ich auch lieber lassen.
Kilo S. schrieb: > Kann ich davon ausgehen das auch ein Quarzoszillator dessen Quarz ein > wenig "gezogen" wird, in der Temperaturstabilität einem LC Kreis > vorzuziehen ist? Ja, ein Quarzoszillator läuft immer genauer als ein einfacher LC-Oszillator, auch wenn er gezogen wird. > 93,xxx MHz, 5,8-7MHz sind aber vermutlich zum Ziehen auch zu viel. Viel zu viel. Ziehen kannst Du einen Quarz so im Bereich ±100 ppm. Colpitts geht auch mit Quarz.
Hobby B. schrieb: > Naja das würde ich auch lieber lassen. Wenn das Gehäuse es hergeben würde, dann wäre das für mich allerdings eine Option. Ich hab nur den Platz nicht. Mohandes H. schrieb: > Colpitts geht auch mit Quarz. Die Grundschaltung hab ich bisher nur mit LC gesehen.
Schaut euch doch Mal bitte diesen "VCO" an: http://www.next.gr/rf/vhf-circuits/Voltage-Tuned-Vhf-Oscillator-l14492.html Was haltet ihr von dem? Muss jetzt erst Mal schauen wem ich meinen proxxon geliehen hab... Dann mach ich mir eine Doppelkammer im Gehäuse für mehr Platz.
Scheint "for members only" zu sein. Bei dem Link oben kommt nur: "Geben Sie Kommentar ein." Von Schaltplan weit und breit nichts zu sehen. ciao gustav
Karl B. schrieb: > Scheint "for members only" zu sein. > Bei dem Link oben kommt nur: > "Geben Sie Kommentar ein." Von Schaltplan weit und breit nichts zu > sehen. > ciao > gustav Nein, ist komplett offen. Es sei denn du benutzt zufällig Apple Geräte oder einen seltsamen Internetprovider/vpn.
Kilo S. schrieb: > Nein, ist komplett offen. > > Es sei denn du benutzt zufällig Apple Geräte oder einen seltsamen > Internetprovider/vpn. Ich komme auch nur bis zur Kommentareingabe und besitze weder Apple, noch habe ich einen seltsamen Provider. Deine Schaltbilder zeigen frei schwingende Oszillatoren welche im Prinzip das tun was sie sollen. Jedoch sind solche frei schwingenden Oszillatoren sehr frequenzinstabil und für deinen Zweck nicht geeignet. Solche Oszillatoren nimmt man meist zum Abstimmen von Empfängern mit großem Frequenzbereich und Bandbreite. Schade, daß du keinen Dipper hast, damit könntest du experimentellerweise ein 100MHz-Signal einspeisen und dabei sehen wie sehr solche Oszillatoren davonlaufen. In deinem Fall ist ein Festfrequenzoszillator mit Quarz quasi unabdingbar. Ich habe gerade mal meine Bestände durchgesehen, habe eine Kiste voller Quarze, aber leider keinen 100MHz. Ich könnte dir einen 20MHz-Quarz anbieten, dazu müsstest du den auf der 5. Harmonischen betreiben. So wie oben im Bild. Wenn du möchtest, schicke ich ihn dir, kostenlos.
Mit einem LM7001 und einem 7,2MHz Quarz lässt sich eine preisgünstige UKW/KW PLL bauen, die auch einfach mit einem beliebigen MC gesteuert wird. Es gibt übrigens auch 100MHz Quarzoszillatoren.
Phasenschieber S. schrieb: > Ich habe gerade mal meine Bestände durchgesehen, habe eine Kiste voller > Quarze, aber leider keinen 100MHz. > Ich könnte dir einen 20MHz-Quarz anbieten, dazu müsstest du den auf der > 5. Harmonischen betreiben. > So wie oben im Bild. 20MHz müsste ich auch noch einen haben. Danke für das Angebot, sollte ich doch keinen haben komme ich gerne darauf zurück. Ich probiere die Schaltung von dir Mal.
Kilo S. schrieb: > Ich probiere die Schaltung von dir Mal. Der Ausgangsschwingkreis (L3 und der Trimmer nach Masse) müssen dann auf die 100mhz abgestimmt sein!
Kilo S. schrieb: > Ich probiere die Schaltung von dir Mal. Wenn Du das zum Laufen bekommst, dann poste bitte mal die Dimensionierung. C12 und C13 sind die Rückkopplung für die Colpitts-Schaltung, vermutlich im nF-Bereich. Re ein paar 100 Ohm. Cb etwa 1 nF. Bei L2 parallel zum Quarz tappe ich völlig im Dunklen. Phasenschieber S. schrieb: > Der Ausgangsschwingkreis (L3 und der Trimmer nach Masse) müssen dann auf > die 100mhz abgestimmt sein! Hast Du noch weitere Tipps?
Mohandes H. schrieb: > Bei L2 parallel zum Quarz tappe ich völlig im Dunklen. Ich auch noch, vor Montag wird das erst Mal nichts mit dem Versuch. Eventuell, kann ich allerdings noch ein paar Kleinigkeiten organisieren! Heute geht's ab in die alte Heimat.
Phasenschieber S. schrieb: > Naja, für Frequenzen bis 300MHz sehe ich da auch keine großen > Probleme. > Habe früher auch Konverter für 70cm-Band auf 2m-Band damit gebaut und es > hat funktioniert. > > Für erste Versuche ist das durchaus machbar. > > Wenn dann alles so funktioniert wie man sich wünscht, kann man das ganze > immernoch umgestalten in Schön. > > Ich habe schon schlimmere Bruzzeleien für 430 MHz produziert und hat > auch funktioniert. > > Mohandes H. schrieb: >> Ich habe mal einen UKW-Tuner mit ECC85 zerlegt und analysiert. > > Es gab mal einen Röhrenempfänger fürs 2m-Band, genannt Nogoton, noch > genannt Norddeutscher Rauschgenerator. [..] > > ....und ich verrate nochwas: Die Verdrahtung dazu war noch viel > schlechter, als eine Lochrasterplatine. > > Noch nachschieb: Hier ein Bild vom Inneren des Nogoton: > http://ve6aqo.com/New_2011/AUG03/Nogoton%202m%20RX-Baustein%20006_mod.jpg > > ganz rechts die Eingangsröhre und schaut euch mal an, wie lang die > Anschlußdrähte bei den Widerständen und Kondensatoren sind, dagegen sind > die Lochrasterplatinen schon erste Sahne. ...warum denkst Du das diese Verdrahtung nicht HF tauglich sein müsse? Die langen Anschlüsse sind halt kalkulierter/herausexperimentierter Bestandteil der Kreise, wenn die ohne unerwünschte Selbsterregung in dem Bereich arbeiten wie sie sollen, ist doch Alles in Ordnung? Ich sollte auch noch einen Nogoton herumliegen haben, wohl mit einer ZF Röhre mehr. Die gabs hauptsächlich fürs 3m Band mit unterschiedlicher Röhrenbestückung und die gehörten zum Empfindlichsten was zu haben war. Ja mir ist auch bekannt das es 2M Ausführungen gab. Gruß, Pille
Phasenschieber S. schrieb: [..] > Ich habe gerade mal meine Bestände durchgesehen, habe eine Kiste voller > Quarze, aber leider keinen 100MHz. > Ich könnte dir einen 20MHz-Quarz anbieten, dazu müsstest du den auf der > 5. Harmonischen betreiben. > So wie oben im Bild. > > Wenn du möchtest, schicke ich ihn dir, kostenlos. Ich habe ca. 250 Stk. 99,997, gebe gerne welche (für lau) ab... Das sind die flachen HC49 SMD Gehäuse. Gruß, Pille
Mohandes H. schrieb: > Hast Du noch weitere Tipps? Die Schaltung habe ich von dieser Seite: https://www.robkalmeijer.nl/techniek/electronica/radiotechniek/hambladen/beam/1986/10/page19/index.html Zu der Spule L2 schreibt er: Die Induktivität L2 rechts im Bild kompensiert die Quarz-Parallelkapazität, die allgemein etwa 6 pF, bei Subminiatur-Ausführungen aber häufig auch nur rund 2,5 pF mißt (Angaben des Herstellers beachten). Aber lest selbst.
Pille schrieb: > ...warum denkst Du das diese Verdrahtung nicht HF tauglich sein müsse? Wo habe ich geschrieben, daß die Verdrahtung nicht HF-tauglich ist?
Phasenschieber S. schrieb: > Die Schaltung habe ich von dieser Seite: > https://www.robkalmeijer.nl/techniek/electronica/radiotechniek/hambladen/beam/1986/10/page19/index.html Interessante Seite! Kannte ich schon, aber nie so genau betrachtet. Insbesondere das Diagramm für C12, C13 & Re vs. fo. Daß L2 die Kapazität des Quarzes kompensiert, ist so gesehen klar (min. Impedanz der Rückkopplung zwischen C12/13 & Emitter). Auch ein schönes Beispiel, daß ein reiner Schaltplan bei Frequenzen >100 MHz alleine nicht reicht. Kapazitäten und Induktivitäten des Aufbaus spielen da rein (s. oben): Pille schrieb: > kalkulierter/herausexperimentierter Bestandteil der Kreise
Ich habe die Schaltung mal gerade eben "on the fly" aufgebaut. Sind ja nur ganz wenige Teile. Meine Dimensionierung: Basiswiderstände wie im Plan Transistor = BF199 RE = 470Ohm CB = 1nF an Basis CB = 10nF VCC C12 = 14pF C13 = 16pF Mangels Trimmkondensator ein Fest-C von 10pF genommen Spule 4 Wd. auf 15mm Körper gewickelt. L über den Quarz habe ich weggelassen. Hat sofort auf 100MHz geschwungen.
Karl B. schrieb: > Scheint "for members only" zu sein. Kilo S. schrieb: > Nein, ist komplett offen. > Es sei denn du benutzt zufällig Apple Geräte oder einen seltsamen > Internetprovider/vpn. Zitat: "...Next.gr provides Member with various publishing and community services..." /Zitat Quelle: http://www.next.gr/terms.html Und übersetzt: "...Next.gr bietet Mitgliedern verschiedene Veröffentlichungs- und Community-Dienste..." Hat wohl mit Browser, Virenscanner bzw. und Providerlimits nichts zu tun. Rechts ein paar Vorschaubilder, und durchs Aufklappmenü geklickt, steht nur Überschrift aber kein Text oder Bild. Und, was ich nicht gut finde, kein Hinweis "Uuups, Sie sind nicht angemeldet, oder registrieren Sie sich erst, um ...." Meiner Meinung nach kein guter Stil der Seite. ciao gustav
Karl B. schrieb: > Hat wohl mit Browser, Virenscanner bzw. und Providerlimits nichts zu > tun. Komisch, ich nutze Firefox unter Android (Mi 9) und bin von der Google suche nach "VHF/UHF/SHF Oszillator" auf der Seite gelandet. Ich bin dort weder registriert noch nutze ich (für so etwas) einen VPN. Auch beim erneuten klicken des Link komme ich direkt zum Schaltplan den ich als Screenshot angehängt habe. Phasenschieber S. schrieb: > Meine Dimensionierung: > Basiswiderstände wie im Plan > Transistor = BF199 > RE = 470Ohm > CB = 1nF an Basis > CB = 10nF VCC > C12 = 14pF > C13 = 16pF > Mangels Trimmkondensator ein Fest-C von 10pF genommen > Spule 4 Wd. auf 15mm Körper gewickelt. > L über den Quarz habe ich weggelassen. > Hat sofort auf 100MHz geschwungen. Das sind doch super Vorraussetzungen! Ich werde morgen auf alle Fälle schauen das ich was passendes besorgt bekomme. Der Elektronikladen in der Altstadt hat noch Bestände aus den letzten 10 Jahren übrig.
Noch nachschieb, habe nämlich mal ein bisschen herumgespielt: Um auf ganz genau 100MHz zu kommen, musste ich die Spule etwas auseinander ziehen. Habe ja leider kein variables C gehabt. Durch Manipulation der Spule kann ich die Ausgangsfrequenz von ca. 98,5MHz bis 101 MHz ziehen.
Mohandes H. schrieb: > C12 und C13 sind die Rückkopplung für die Colpitts-Schaltung, vermutlich > im nF-Bereich. Hallo Mohandes, die beiden liegen parallel zum Trimmer und gehen somit in das Schwingkreis-C ein. Die dürfen nicht so groß bemessen sein. In meinem Nachbau resultiert das Schwingkreis-C vor allem aus dem 10pF und den beiden C12 u. C13 in Serie, Gesamt-C ca. 17,5pF.
Kilo S. schrieb: > Komisch, ich nutze Firefox unter Android (Mi 9) und bin von der Google > suche nach "VHF/UHF/SHF Oszillator" auf der Seite gelandet. Yep, der Adblocker wars. Den temporär deaktiviert, dann klappts. ciao gustav
Die Schaltung hat es mir angetan :-) Der Autor empfiehlt für C12 ca. 6pF und für C13 ca. 50pF. Siehe im Bild die Schnittlinien von den beiden Cs mit der 100MHz-Rasterlinie. Werde ich nachher auch mal ausprobieren. Man hat ja sonst nichts zu tun.... :-) Ich sehe gerade, daß der RE ebenfalls in der Graphik angezeigt wird, mit ca. 680Ohm. Dann wären ja alle Werte des Autors beisammen, bis auf die Parallelspule zum Quarz. Na gut, meine Werte tuns auch.
Phasenschieber S. schrieb: > Hallo Mohandes, die beiden liegen parallel zum Trimmer und gehen somit > in das Schwingkreis-C ein. Die dürfen nicht so groß bemessen sein. Ja stimmt, die gehen natürlich in den Gesamtschwingkreis ein. Wie auch die weiteren parasitären Kapazitäten, auch die des Transistors. Für C12 & C13 gibt es ja auch das Diagramm auf seiner Seite. Ich werde die Schaltung bei Gelegenheit auch mal aufbauen. Sinnvolle Vorgehensweise: Erst mal den Oszillator ohne Quarz (Drahtbrücke) auf ca. 100 MHz zum Schwingen bringen. Mein Oszi geht nur bis 20 MHz, also Dippen oder mit dem Küchenradio auf UKW grob abgleichen. Dann mit Quarz. L2 ausprobieren (Luftspule), dürfte im unteren nH-Bereich sein. Phasenschieber S. schrieb: > Die Schaltung hat es mir angetan :-) Mir auch.
So, jetzt ist das Ding so ziemlich verbruzzelt, aber ich habe einige Erkenntnisse gewonnen, die dem TO hier vielleicht weiter helfen: Der kapazitive Spannungsteiler C12/C13 funktioniert mit 6/50pF nicht, zumindest nicht mit dem von mir gewählten Transistor. Mit 14/50pF beginnt er gerade zu schwingen. Besser arbeitet er aber mit 14/39pF. Dadurch, daß dieser Spannungsteiler Bestandteil des Schwingkreises ist und ich kein variabl. C habe, musste ich der Spule jedesmal beim Umkonfigurieren Gewalt antun. Sieht ziemlich übel aus mittlerweile. Der RE ist unkritisch, funktioniert mit 680Ohm, etwas mehr Amplitude erreicht man mit den von mir anfangs dimensionierten 470Ohm. So das wars, jetzt gehe ich in den Garten und greife heute keinen Lötkolben mehr an :-)
Mohandes H. schrieb: > Sinnvolle > Vorgehensweise: Erst mal den Oszillator ohne Quarz (Drahtbrücke) auf ca. > 100 MHz zum Schwingen bringen. Mein Oszi geht nur bis 20 MHz, also > Dippen oder mit dem Küchenradio auf UKW grob abgleichen. Dann mit Quarz. > L2 ausprobieren (Luftspule), dürfte im unteren nH-Bereich sein. Ja, das ist eine Superidee! Habsch gerade auch mal gemacht, Quarz gebrückt (ohne Lötkolben), funktioniert gut. Spule musste ich jedoch nochmal etwas zurecht rücken. Brücke am Quarz wieder wech und...tata... siehe Bild. Für solche Spielereien nehme ich entweder Dipper oder Frequenzzähler. Letzteren habe ich ganz lose (blaue Koppelspule) angekoppelt. Der Oszillator macht genug Dampf.
Man glaubt es kaum, bis auf den Quarz hab ich nun alles beisammen. 4xBF199, der LNA bekommt ein "Upgrade" in Form eines Spindeltrimmer anstelle des einfachen Poti. Eine nette Unterhaltung gab's gratis noch dazu. :-)
Phasenschieber S. schrieb: > Werte des Autors beisammen, bis auf die Parallelspule zum Quarz. Bei einer Parallelkapazität von 6p beträgt die Impedanz bei 100 MHz 265 Ohm. Die Induktivität müßte also bei 420 nH liegen (2•pi•f•420nH = 265 Ohm). Eine Luftspule mit 5mm Durchmesser, 10mm Länge und 15 Windungen hat ca. 450 nH. 1-2 mm auseinanderziehen ergibt 420 nH.
Danke Mohandes, leider kann ich das jetzt nichtmehr ausprobieren, denn gestern abend habe ich das Konstrukt zerfleddert. Ich brauche es ja selbst nicht, war nur mein Forscherdrang. Auch meine Frau wollte es nicht als Kunstobjekt im Wohnzimmer ;-) @Kilo S., wenn du das nachbaust, dann mach die Spule etwas kleiner, als ich sie bemessen habe, die ist eine Idee zu groß geraten, weshalb ich sie unnötigerweise in die Länge ziehen musste. Ich habe sie gerade mal mit meinem Dipper vermessen, siehe Bild. Ohne jedes zusätzliche C (Drehko ganz rausgedreht) komme ich gerademal auf 105 MHz. In die Länge gezogen komme ich auf ca. 114MHz. Aber ich denke diese Spule wäre sowieso zu groß (mechanisch) für dein Projekt. Wenn da noch zusätzliche Kapazitäten dazu kommen, könnte es sein, daß die 100MHz nichtmehr erreicht werden.
Nun, fast alles zusammen! Der Quarz ist zwar noch auf der Platine, aber das geht ja fix. C12/13, die muss ich noch organisieren. Ich will nicht überall Trimmer verbauen. ;-)
Der erste, noch unvollständige und möglichst kleine Aufbau. Ich werde doch mein Glück versuchen alles in eine Kammer zu bekommen.
Kilo S. schrieb: > 2x20pf, fehlt noch L2 und zwei Trimmer. Der Kompressionsfaktor ist schon beeindruckend ;-)
Phasenschieber S. schrieb: > Ich habe sie gerade mal mit meinem Dipper vermessen, Hallo Phasenschieber, nettes Teil der kleine Dipper sowas wollte ich mir auch mal bauen. Hättest Du Info für mich zu dem Dipper, wäre nett. Gruß bastler2022 Hallo Kilo, Kilo S. schrieb: > Ich werde doch mein Glück versuchen alles in eine Kammer zu bekommen. Sieht echt gut aus und funktioniert es jetzt so wie gewünscht ? Gruß bastler2022
Hobby B. schrieb: > Hättest Du Info für mich zu dem Dipper, wäre nett. Ja, aber wir wollen ja nicht diesen Thread hijacken.
Hobby B. schrieb: > Sieht echt gut aus und funktioniert es jetzt so wie gewünscht ? Der LO an und für sich schon... Nur hab ich Trottel gestern den Mischer gekillt! Tja, so ist das bei wenig Platz. Da kommt es schon Mal vor das man VCC versehentlich mit der Spitze vom Multimeter auf den LO Eingang des Mischer bringt... Ist allerdings nicht ganz so tragisch, dann lerne ich eben nun auch noch wie ich mir selbst einen Mischer baue. 8-9€+20€ Versand bei Mauser sind mir dann doch zu viel.
...was denn für ein Mischer? Einen IE500 und ein paar dieser 99,997Mhz Quarze könnte ich Dir in einen Briefumschlag stecken..5er für den Mischer... Gruß, Pille
Pille schrieb: > ...was denn für ein Mischer? ADE-1, Steht auch im Eingangsbeitrag. Pille schrieb: > Einen IE500 Schau ich mir mal an, der Oszillator funktioniert. Hab ja einen mit 20MHz in der bastelkiste gefunden. ;-)
Pille schrieb: > 5er für den Mischer... Wenn du mir eine Nachricht zukommen lässt würde ich zwei Mischer Nehmen. Wenn zwei auch ok sind. ;-)
Geht es hier nochmal weiter oder ist das Projekt eingeschlafen? 73 Wilhelm
Wilhelm S. schrieb: > Geht es hier nochmal weiter oder ist das Projekt eingeschlafen? Wenn ich eine PN wegen der Mischer bekäme... Ich hab halt Null Komma nix an Material da um einen passenden Mischer selbst zu bauen. (Noch, bin bereits auf der Suche) Aber ja, das geht irgendwann weiter!
Kilo S. schrieb: > Wilhelm S. schrieb: >> Geht es hier nochmal weiter oder ist das Projekt eingeschlafen? Kommt noch was? Wann ist irgendwann?
Wilhelm S. schrieb: > Wann ist irgendwann? Dann wenn's so weit ist. Nicht so ungeduldig, ich suche eben immer noch nach einer preislich attraktiven Bezugsquelle für ein paar neue Mischer.
Hallo zusammen. Kilo S. schrieb: > preislich attraktiven Bezugsquelle für ein paar neue Mischer. Ringmischer selbst bauen! Äusserst preiswert. So einer funkioniert auch noch bei 250MHz tadellos. Hast du nicht ein paar Ferritperlen, etwas dünnen Cul-Draht und 4 1n418 Dioden in deinen Schatullen?? 73 Wilhelm
Wilhelm S. schrieb: > Ringmischer selbst bauen! Äusserst preiswert. So einer funkioniert auch > noch bei 250MHz tadellos. Wäre auch eine Überlegung. Wilhelm S. schrieb: > Hast du nicht ein paar Ferritperlen, etwas dünnen Cul-Draht und 4 1n418 > Dioden in deinen Schatullen?? Dioden könnten eventuell knapp sein, muss ich schauen. Ferritperlen hab ich, allerdings sind die als Drosseln in der Versorgungsspannung eines Billigradio gewesen. Ob die sich eignen...?
Wilhelm S. schrieb: > Ringmischer selbst bauen! Hast Du da einen selber gebaut und praktische Tipps plus Schaltplan? Wie so ein Ringmischer funktioniert ist mir klar, mir fehlen Erfahrungen in der Praxis. Bei 250 MHz dürften die Ferritperlen doch auch nicht beliebig sein, oder? Ich bastele gerade selber an einem Mischer, allerdings mit Transistoren (und für weit tiefere Frequenzen).
Hallo zusammen. @ Mohandes GOOGLE kaputt? https://www.google.com/search?q=ringmischer+selbstbau&ie=utf-8&oe=utf-8&client=firefox-b Mohandes H. schrieb: > Bei 250 MHz dürften die Ferritperlen doch auch nicht beliebig sein.. Jein, erstmal nicht. Zwischen 1MHz und 200MHz ist das relativ egal. Unten braucht man einiges an L auf der Windung, also viel µi des Kerns, oben reicht u.U ein Gardinenring ;-) Kilo S. schrieb: > Dioden könnten eventuell knapp sein..... Wilhelm S. schrieb: > und 4 1n418 Dioden Sri, vertan, sollte 1N4148 heissen; solche u.ähnl. Kameraden sollte wohl jeder Bastler in mehr als ausreichenden Menge in den Schatullen haben. Das ist erstmal für das Funktionieren nicht wichtig. Ansonsten habe ich viele trifilare Trafos gebaut, u.a. auch für Ringmischer. Das Grundprinzip ist einfach und funktioniert in annehmbaren Grenzen immer zuverlässig. Tiefste, höhere, höchste Frequenzen, Mischdämpfung, Kompressionspunkt u.v.a.m. kann man je nach Fall optimieren. Man sehe, wieviel diverse Teile allein die Fa. Minicircuits anbietet. Einen Nachbau eines SRA1, IE500, SBL1 o.ä. ist mit Amateurmitteln durchaus möglich. Naja, die Jungs sind ja schon mehr als 40 Jahre alt. Es ist kein Hexenwerk! 73 Wilhelm
Wilhelm S. schrieb: > @ Mohandes > GOOGLE kaputt? > https://www.google.com/search?q=ringmischer+selbstbau&ie=utf-8&oe=utf-8&client=firefox-b Hallo Wilhelm, 'Google kaputt' bringt niemanden weiter. Es geht hier im Forum doch primär um Erfahrungsaustausch. Und manchmal sind es Kleinigkeiten die weiterhelfen. Wie gesagt, ich bastele seit einiger Zeit an einem Transistor-Mischer und auch da bleiben Fragen offen, die so im Netz nicht zu finden sind. Grundsätzlich funktioniert mein Mischer, aber es gibt Optimierungspotential. Ich bin jemand, der die Dinge am liebsten selber ergründet. Manchmal hängt man eben fest. Werde ich bei Gelegenheit hier posten, momentan ist alles noch eine lose-Blatt-Sammlung und einige Simulationen.
Hallo zusammen, hier mal ein Beispiel dazu zwecks Eigenbau. https://www.elektronik-labor.de/Labortagebuch/Tagebuch1112.html Gruß Bastler2022
Mohandes H. schrieb: > Werde ich bei Gelegenheit hier posten, momentan ist alles noch eine > lose-Blatt-Sammlung und einige Simulationen. Gerne, ich hab da durchaus auch Interesse. Kann man immer mal brauchen, Schaltplan Sammlungen fressen ja kein Brot. ;-) Mir fällt auf, ich hab hier doch den Mischer liegen. Ich muss nur den Kern herausoperieren und neu mit gleichen Windungen bewickeln. Ein paar neue Dioden sofern die durch sind. (Wahrscheinlich...) Muss ich später schauen ob ich den Kern da ohne Zerstörung raus bekomme.
Hallo zusammen, da es ja hier nicht weiter geht: Mohandes H. schrieb: > Hallo Wilhelm, 'Google kaputt' bringt niemanden weiter. Es geht hier im > Forum doch primär um Erfahrungsaustausch. Das ist richtig aber, von dir habe ich mehr erwartet. Austausch ja, aber nicht nur dumm fragen und alles vorkauen lassen. Amateurfunk -> experimenteller Funkdienst -> wo sind deine Experimente. Google hilft schon weiter. Schon in diesem Forum gibt es echte Ware: Beitrag "Mischer selber bauen" Durcharbeiten, nicht nur lesen! Da steht alles drin! Dazu noch: http://www.ov-erding.de/Mischer_selbstgebaut.pdf https://www.dl4zao.de/_downloads/VLF_LF_Konverter_DL4ZAO.pdf Dann mach mal. Wenn dann neue! Fragen auftauchen -> nachfragen.. Zu Kilo S. möchte ich mich nicht weiter äussern, Wer einen SMD-Mixer kaputt lötet... Ich hatte es schon weiter oben angedeutet. 73 Wilhelm
Wilhelm S. schrieb: > Wer einen SMD-Mixer kaputt lötet... Prima Werbung für R21! Wieder so ein unerheblicher, sozial inkompetenter Möchtegern im Amateurfunk den keiner braucht!
Wilhelm S. schrieb: > Mohandes H. schrieb: >> Hallo Wilhelm, 'Google kaputt' bringt niemanden weiter. Es geht hier im >> Forum doch primär um Erfahrungsaustausch. > > Das ist richtig aber, von dir habe ich mehr erwartet. > Austausch ja, aber nicht nur dumm fragen und alles vorkauen lassen. > Amateurfunk -> experimenteller Funkdienst -> wo sind deine Experimente. Hallo Willhelm, vielleicht haben wir uns auf dem falschen Fuß erwischt - mir ging es schlicht um die dümmliche Bemerkung 'Google kaputt?', die ja hier im Forum häufiger zu lesen ist. Und wenn Du mich liest, dann weißt Du auch, daß ich nicht einfach 'Wissen abgreife' sondern auch (mein) Wissen gerne teile. Sinn des Forums. Nur ist mein Wissen was Mischer betrifft eben gering bzw. eher theoretischer Natur. Immerhin habe ich jetzt einen Direktmischer auf Transistorbasis für längere Wellen geschafft und eines meiner nächsten Projekte wird sein, den auf KW umzustricken. 73 P.S. A propos: Nächsten Monat gehe ich zum Treffen der örtlichen Funkamateure. Um mal reinzuschnuppern und um interessante Leute kennenzulernen. Die Funkgeräte, die mich interessieren kann ich mir eh nicht leisten, (auch) daher experimenteller Funk. Momentan versuche ich einen Push-Pull-Oszillator zum Laufen zu bekommen um die Frequenz dann mittels Lecherleitung zu bestimmen. 'Alles schwingt, nur der Oszillator nicht' - zumindest nicht im Bereich >>100 MHz, das würde eine lange Lecherleitung.
Mohandes H. schrieb: > Nächsten Monat gehe ich zum Treffen der örtlichen Funkamateure. Darf man fragen wo? Berichte doch mal über die Leute und die Atmosphäre. P.S Es wird mit dem Mischer weitergehen, wenn ich die Zeit dazu habe! P.P.S Der Mischer wurde nicht kaputt gelötet, er wurde durch versehentlichen Kurzschluss beim Einstellen des LO Verstärker getötet. Blöd abgerutscht! Kann mal passieren.
Kilo S. schrieb: > Mohandes H. schrieb: > >> Nächsten Monat gehe ich zum Treffen der örtlichen Funkamateure. > > Darf man fragen wo? > Berichte doch mal über die Leute und die Atmosphäre. Ich lebe in Westfalen, im nördlichen Ruhrpott. Ecke Gelsenkirchen/Recklinghausen. Ja, ich werde berichten. Ich bin gespannt: bestätigen sich die üblichen Vorurteile oder wird es ganz anders? Das Treffen st aber immer am letzten Donnerstag im Monat, diese Woche bin ich weg, also erst im September.
Mohandes H. schrieb: > Das Treffen st aber immer am letzten Donnerstag im Monat Das klingt nach "Schnitzel Ortsverband". Alte Männer treffen sich einmal im Monat in der Kneipe im Nebenzimmer bei Schnitzel und Bier, holen ihre QSL-Karten ab und reden über gestern.
swl schrieb: > Mohandes H. schrieb: > >> Das Treffen st aber immer am letzten Donnerstag im Monat > > Das klingt nach "Schnitzel Ortsverband". Alte Männer treffen sich einmal > im Monat in der Kneipe im Nebenzimmer bei Schnitzel und Bier, holen ihre > QSL-Karten ab und reden über gestern. Das wäre das Albtraum-Szenario, zumal ich weder Bier trinke noch Schnitzel essen. Aber wenn ich nicht hingehe, dann werde ich es nicht herausfinden. Reicht ja auch, wenn da ein oder zwei interessante Genossen dabei sind. Durch Corona habe ich mich schon etwas zurückgezogen, wird Zeit sich wieder unter die Leute zu mischen. Mir fehlen in meiner Umgebung einfach Nenschen die mich inspirieren und umgekehrt und mit denen ich mich unterhalten kann abseits vom Wetter o.ä. Außerdem habe ich einen alten Studienkollegen gefunden, der auch gerne mitkommt.
Mohandes H. schrieb: > Das wäre das Albtraum-Szenario, zumal ich weder Bier trinke noch > Schnitzel essen. Ach, alternativ tut es auch Hänchen und Sprite. Abwarten, ich bin auf den Bericht gespannt. ;-)
Sehr ihr, Geduld zahlt sich aus. Heut sind mir gleich zwei Mischer in die Hände gefallen. IE-500 und HPF-505. Natürlich lagen die Platinen auf denen die drauf waren gaaaanz tief in der bastelkiste vergraben weshalb ich sie heute erst gefunden habe. Beide scheinen geeignet zu sein, nach dem was ich bisher gefunden habe. Jetzt kann's weiter gehen.
Kilo S. schrieb: > Jetzt kann's weiter gehen. Bin gespannt! Kilo S. schrieb: > Abwarten, ich bin auf den Bericht gespannt. ;-) Bericht kommt (da bin ich auch gespannt).
Mohandes H. schrieb: > Bin gespannt! Ja, zu einem ersten Test kam ich vorher ja auch nicht so Recht. Daher ist es besonders interessant zu sehen ob's wirklich klappt. Heute ist allerdings ein eher mäßiger Tag dafür. Am SDR selbst kommen die Signale heute durch den vielen Regen und die entsprechende Wolkendecke merklich schwächer rein. Ich werde sehen wie weit ich heute komme, jetzt steht als erstes das aus und einlöten an, eventuelle mechanische Arbeiten am Gehäuse ect..
Hallo zusammen, hallo Kilo. Jetzt pass bloss auf, wo die richtigen Pins sind. Nicht, dass du schon wieder einen Mixer kaputt dödelst. 5mW Oszillatorleistung!! http://www.amidon.de/contents/de/d188.html 39,50 EU, schon gediegen, was die für 2 Ringkerne, 4 Dioden und ein bisschen Draht verlangen....; aber nur wenn man weiss, wie es geht, ;-) Na, es geht endlich weiter, ich bin gespannt. 73 Wilhelm
Hallo Mohandes, Stolperte gerade über diese Beitragsserie. Bezüglich des Lecherleitungsprojektes ist hier etwas Näheres darüber zu finden, falls Röhrentechnik erlaubt ist: http://ve6aqo.com/lecherleitung.htm http://ve6aqo.com/images/Nostalgy/steinhauser/rpb_2mhfsb_p24.jpg http://ve6aqo.com/ukw_sender.htm http://ve6aqo.com/Roehren_Geraete/UKW_TX/UKW_TX_1b.jpg Vielleicht könnte es Dir nützlich sein, soferne Dir diese Seite unbekannt ist. Gruß, Gerhard
Wilhelm S. schrieb: > Hallo zusammen, hallo Kilo. > > Jetzt pass bloss auf, wo die richtigen Pins sind. > Nicht, dass du schon wieder einen Mixer kaputt dödelst. > 5mW Oszillatorleistung!! > > http://www.amidon.de/contents/de/d188.html > > 39,50 EU, schon gediegen, was die für 2 Ringkerne, 4 Dioden und ein > bisschen Draht verlangen....; aber nur wenn man weiss, wie es geht, ;-) > Na, es geht endlich weiter, ich bin gespannt. < https://www.digikey.de/de/products/detail/mini-circuits/SYM-30DHW/13928324 > ( habe ich gerade auf der Shortlist ) Ab 50€ Warenwert ist der Transport umsonst. Zoll wickeln die auch ab. Nach typ. 2-3 Tagen klingelt der UPS-Mann. Ich habe immer das Problem, dass ich zu viel will. Passender 17 dBm LO-Treiber < https://www.digikey.de/de/products/detail/skyworks-solutions-inc/SKY65017-70LF/2052073 > Gruß, Gerhard
Wilhelm S. schrieb: > Jetzt pass bloss auf, wo die richtigen Pins sind. https://www.qrp4u.de/docs/en/Components/index.htm Ich hab sogar beide Varianten hier liegen. Also sowohl alle 8 Pins einzeln zum selbst verbinden als auch die mit Gehäuse als gemeinsamen GND. Wenn die für den Ersatztyp schon 40€ berappen, wie viel erst für originale IE500/HPF-505?! Wilhelm S. schrieb: > 5mW Oszillatorleistung!! Jau, ich hab's gelesen. Heut kam ich noch nicht dazu, morgen geht's weiter.
Der "richtige" IE500 war der SRA-1. Der IE500 war eine Billig-Version mit reduzierten Specs. Das teuerste an dem Ding ist das hermetische Metallgehäuse. Das ist heute so exotisch wie Metall-Transistoren. Man ist jetzt in der Lage, Silizium-Chips zuverlässig zu passivieren. Bei Funkamateur.de gibt's auch Ringmischer im Shop, wenn man sich Digikey nicht traut. DK liefert an alle, Hauptsache Visa oder Paypal funktioniert. Deren erstes Produkt war übrinx eine Morsetaste für FA. Es gibt auch Mixer von anderen Firmen wie MACOM. Ach ja, und +13 dBm sind natürlich KEINE 5 mW. Und mit ein paar dB mehr stirbt so was auch nicht gleich. Das habe ich oft genug ausprobiert. Die Grenze ist eher der Strom durch die Spulen. Gruß, Gerhard
Gerhard O. schrieb: > Bezüglich des > Lecherleitungsprojektes ist hier etwas Näheres darüber zu finden, falls > Röhrentechnik erlaubt ist ... Danke Gerhard, werde ich mir in Ruhe zu Gemüte ziehen. Ja, Röhrentechnik ist erlaubt. Die Theorie der Lecherleitung ist mir bekannt. Nur der praktische Aufbau nicht, das bedeutet experimentelles Herantasten.
Gerhard H. schrieb: > Der "richtige" IE500 war der SRA-1. Der IE500 war eine > Billig-Version mit reduzierten Specs. Das war auch ironisch gemeint, der steht bei Amidon zum gleichen Preis auf der Seite. ;-)
Um mich selber zu korrigieren: der hat ja nur 7 dBm, das hatte ich als 13 dBm im Hirn. Umso schlimmer. Immerhin hat er 50 mW abs max.
Mohandes H. schrieb: > Gerhard O. schrieb: >> Bezüglich des >> Lecherleitungsprojektes ist hier etwas Näheres darüber zu finden, falls >> Röhrentechnik erlaubt ist ... > > Danke Gerhard, werde ich mir in Ruhe zu Gemüte ziehen. Ja, Röhrentechnik > ist erlaubt. > > Die Theorie der Lecherleitung ist mir bekannt. Nur der praktische Aufbau > nicht, das bedeutet experimentelles Herantasten. Freut mich. Hier ist ein kleiner nostalgischer Leckerbissen: https://nvhrbiblio.nl/biblio/boek/UKW-Sender.pdf https://nvhrbiblio.nl/biblio/boek/Reithofer%20-%20Transistor-Amateurfunkgerate.pdf Zum Suchen: https://www.nvhr.nl/frameset.htm?bibliotheek.asp&ContentFrame
Kilo S. schrieb: > Ich werde sehen wie weit ich heute komme Immer voran, wenns grad geht. Mein Tatterich erlaubt mir auch nicht alle Tage, was gescheites zustande zu bringen. :-)
Helge schrieb: > Immer voran, wenns grad geht. ;-) aktuell noch etwas am recherchieren und lesen. Helge schrieb: > Mein Tatterich erlaubt mir auch nicht alle Tage, was gescheites zustande > zu bringen. :-) Das ist echt Schade. Bei mir die Kinder, die kleine ist Grad schwer am Quengeln und will alle Nase lang ne neue Flasche. ;-)
Hallo zusammen, hallo Kilo Kilo S. schrieb: > Wenn die für den Ersatztyp schon 40€ berappen, wie viel erst für > originale IE500/HPF-505?! Der IE500 hat Anfang der 70er Jahre über 10.-- DM gekostetn einen genaueren Preis weiss ich nicht mehr. Das war für die damalige Zeit doch schon einiges, und für einen Amateur eigentlich unerschwinglich. Im Gegensatz dazu kenne ich Abhandlungen (privat, Anfang 70er Jahre, in Wort und Tat), wo das für einen 2m-Transceiver diskret mit einzelnen Bauteilen gemacht wurde. Damals nicht, aber heute einfachst und billigst zu erledigen. Bist ja leider nicht drauf angesprungen, als ich dir das vorgeschlagen habe. Mohandes hat auch nicht weiter nachgefragt. Wie ich schon schrieb: > ...2 Ringkerne, 4 Dioden und ein bisschen Draht... Dann mach mal weiter. 73 Wilhelm
Wilhelm S. schrieb: > Bist ja leider nicht drauf angesprungen, als ich dir das vorgeschlagen > habe. Mir fehlt es an geeignetem Kernmaterial, die Dioden hab ich sogar auftreiben können, der ADE wäre nicht zerstörungsfrei zu zerlegen gewesen. Ich hab es heute nach dem auslöten probiert. Bzw... Den Aufwand zu versuchen das Ding "Auszukochen" und somit den Kleber und Kunststoff gleichmäßig weich genug zu bekommen kann ich aktuell nicht treiben. ;-) Das Angebot mit für nen guten Kurs einen Mischer zu schicken wollte ich ja später auch annehmen, ist allerdings im Nirvana verpufft. So jetzt endlich mal futtern und dann schau ich ob es weiter gehen kann.
Kilo S. schrieb: > Mir fehlt es an geeignetem Kernmaterial, die Dioden hab ich sogar > auftreiben können, der ADE wäre nicht zerstörungsfrei zu zerlegen > gewesen. Man muss das nicht zwingend mit Breitband-Ringkernen machen, das geht auch ganz konventionell mit Schwingkreisen. Ein Eingangsschwingkreis mit niederohmiger Auskopplung, den Ringmischer mit 4 Schottky, z.B. 1N5711, danach nochmal ein Schwingkreis mit Auskopplung und gut ist. So habe ich das früher mit meinen SSB-Sendern gemacht.
Wilhelm S. schrieb: > Mohandes hat auch nicht weiter nachgefragt. Alles gut. Habe meinen 'NF'-Mischer auf Transistorbasis (Signal = Basis, LO = Emitter) zum Laufen bekommen und Deine Gedanken: > Wie ich schon schrieb: >> ...2 Ringkerne, 4 Dioden und ein bisschen Draht... ... im Hinterkopf für spätere Experimente, wenn die Nächte länger und die Wellenlängen kürzer werden. A propos Mischer/Gilbertzelle: Der NE/SA612 ist ja auch abgekündigt. box73.de hat noch welche, werde ich bei Gelegenheit ein paar bestellen. Diverse Mischer haben sie auch: https://www.box73.de/index.php?cPath=82_138, wobei ich auch erstrmal versuchen werde mit aus Kern und 4 Schottkydioden einen selber zu bauen.
Phasenschieber S. schrieb: > Man muss das nicht zwingend mit Breitband-Ringkernen machen, das geht > auch ganz konventionell mit Schwingkreisen. Bekomme ich das auf dem kleinen Bauraum überhaupt hin? Welche Anordnung ich brauche damit ich die Übersprechdämpfung möglichst hoch bekomme wüsste ich jetzt auch nicht. (?) Wie ich die erreichen kann obwohl die Schwingkreise gut gekoppelt sein müssen um die Durchgangsdämpfung nicht zu hoch zu treiben... LO auf der RF Seite über anzapfung einspeisen und ZF als einzelnen Schwingkreis? Wäre jetzt der erste Schuss ins blaue.
Hallo Kilo, ich habe dir mal gerade das Schema aufgezeichnet, ist also nur ein Beispiel für die Anwendung solch eines Ringmischers. Die Eingangsstufe (d)eines Empfängers hat ganz sicher auch einen Schwingkreis als Arbeitskreis, das wäre in der Zeichnung der "Eingangsschwingkreis" für den Mischer, jedoch Ausgangsschwingkreis für die Vorstufe. Eine Auskopplung zum Ringmischer mittels 2 Windungen und wieder Einkopplung in den ZF-Schwingkreis, ebenfalls 2 Windungen. Danach dann den Empfänger für die herabgesetzte Frequenz. Schematisch habe ich vor langer Zeit auf diese Art meine SSB-Sender gebaut.
Phasenschieber S. schrieb: > Hallo Kilo, ich habe dir mal gerade das Schema aufgezeichnet, ist also > nur ein Beispiel für die Anwendung solch eines Ringmischers. Ja super! Vielen Dank. Mit der anzapfung lag ich gar nicht so falsch. Allerdings wäre es gut wenn du mir kurz auf die Sprünge hilfst. LO besteht aus dem Signal und einem "GND" also einem Bezugspotenzial. Wenn ich jetzt raten müsste würde ich sagen GND als Bezugspotenzial gehört auf den Ausgangskreis bzw. Dessen anzapfung? Phasenschieber S. schrieb: > Die Eingangsstufe (d)eines Empfängers hat ganz sicher auch einen > Schwingkreis als Arbeitskreis Ich hab einen Bandpass vor dem Verstärker, allerdings keinerlei "Arbeitskreis" sondern nur eine vorfilterung für den "LNA/RX_Amp." Und ob das Ding die "L(ow)N(oise)" Anforderungen erfüllt werd ich auch später erst sehen. Phasenschieber S. schrieb: > das wäre in der Zeichnung der "Eingangsschwingkreis" für den Mischer, > jedoch Ausgangsschwingkreis für die Vorstufe. Also so wie jetzt, der Eingang (BPF) auf den LNA* (Vorstufe vor dem Mischer) ... Jetzt komm ich durcheinander. 😅
Kilo S. schrieb: > LO > besteht aus dem Signal und einem "GND" also einem Bezugspotenzial. Das ist kein Problem. Wie du in der Zeichnung sehen kannst, ist dieser Ringmischer völlig potentialfrei. Wenn du die LO-Einspeisung unsymmetrisch machen möchtest, hat das auf die Funktion keinen Einfluss. Kannst du einfach ein Bein auf Masse legen. Kilo S. schrieb: > Ich hab einen Bandpass vor dem Verstärker Was meinst du mit Verstärker? Eingangsverstärker? wo sitzt dieser Verstärker? Ich vermute, du hast einen Breitband-LNA? Bandpass davor? Kilo S. schrieb: > Also so wie jetzt, der Eingang (BPF) auf den LNA* (Vorstufe vor dem > Mischer) Aha, BPF vor dem LNA und dann gehts zum Mischer? Na gut, dann müsste man den Ausgang des LNA auf den Ringmischer anpassen, dürfte auch keine Schwierigkeit sein.
Phasenschieber S. schrieb: > Kilo S. schrieb: >> Mir fehlt es an geeignetem Kernmaterial, die Dioden hab ich sogar >> auftreiben können, der ADE wäre nicht zerstörungsfrei zu zerlegen >> gewesen. > > Man muss das nicht zwingend mit Breitband-Ringkernen machen, das geht > auch ganz konventionell mit Schwingkreisen. > > Ein Eingangsschwingkreis mit niederohmiger Auskopplung, den Ringmischer > mit 4 Schottky, z.B. 1N5711, danach nochmal ein Schwingkreis mit > Auskopplung und gut ist. Nein. Schlecht ist. Abgestimmte Kreise an oder gar in einem Ringmischer ist das übelste was man tun kann. Jedes bisschen Mischprodukt, das aus dem Mischer herauskommt, erzeugt weitere Mischprodukte wenn es wieder in den Mischer hineinreflektiert wird. Der Intercept-point geht zum Teufel, gerne um 20 oder noch mehr dB. Der RF- und der IF-Port müssen sauber an 50 Ohm angepasst sein, und zwar auf allen Frequenzen auf denen HF-Energie vorkommt. Am LO kann man etwas großzügiger sein. DJ7VY hat das sehr überzeugend klargemacht, schon 1975. < http://www.bausch-gall.de/CQDL_1975_06_DJ7VY.pdf > u.a. Und Ulrich Rohde hat ihn durchaus in seinen Büchern zitiert. Von 1 oder 2 7dBm-Mischern würde ich mich für lau trennen, 17 dBm-Nachschub ist gerade heute morgen von Digikey angekommen. Komplett verplant. :-) Passende Ringkerntrafos gibt es von MCL oder MACOM für €1.50 oder so. Meine selbstgewickelten waren immer irgendwie schlechter als die gekauften, sogar mit neu-gewickelten Macom-Trafos. Am Wickeln muss mehr dran sein als man sieht. Gruß, Gerhard
Gerhard H. schrieb: > Abgestimmte Kreise an oder gar in einem Ringmischer ist das > übelste was man tun kann. Hast du übersehen, daß die Ankopplung des Ringmischers mittels niederohmiger Auskoppelspule geschieht? Einer Auskoppelspule die auf die Impedanz des Ringmischers abgestimmt ist? Gerhard H. schrieb: > Jedes bisschen Mischprodukt, das > aus dem Mischer herauskommt, erzeugt weitere Mischprodukte > wenn es wieder in den Mischer hineinreflektiert wird. Warum sollte das geschehen und das wird durch einen Breitbandringkern verhindert? Die Anpassung des Ringmischers an den ZF-Schwingkreis muß genau wie bei einem Breitbandringkernübertrager berechnet werden. Sollte es eine Fehlanpassung zwischen Ringmischer und nachfolgendem ZF-Schwingkreis geben, dann wird es egal sein, ob nachfolgend ein Schwingkreis, oder ein Breitbandübertrager im Signalweg liegt.
Möchte noch anfügen: Gerade ein schwingkreisgekoppelter Mischer hat gravierende Vorteile gegenüber dem Breitbandübertrager: Frequenzen abseits der Resonanzfrequenzen werden sehr stark unterdrückt. Es passiert gerade das Gegenteil dessen, was du behauptest.
Phasenschieber S. schrieb: > Möchte noch anfügen: > Gerade ein schwingkreisgekoppelter Mischer hat gravierende Vorteile > gegenüber dem Breitbandübertrager: Frequenzen abseits der > Resonanzfrequenzen werden sehr stark unterdrückt. Es passiert gerade das > Gegenteil dessen, was du behauptest. Was für ein Geschwafel. Ein Kurzschluss garantiert maximale Reflexion. Was glaubst du, warum DJ7VY den Trennverstärker mit P8000/P8002/CP643 zwischen dem Ringmischer und dem Quarzfilter spendiert hat? Die Power-Fets in TO-220 waren ja nicht gerade billig, auch wenn TI heute die Vaterschaft leugnet. Und ein Leerlauf ist genauso schlimm. Artikel nicht gelesen, aber Kommentare kann man ja schon mal absondern.
Gerhard H. schrieb: > Was für ein Geschwafel. Du disqualifizierst dich selbst für jede weitere Diskussion!
Neusprech für "In der Sache komme ich leider gegen DJ7VY und Rohde nicht an".
Gerhard H. schrieb: > Neusprech für "In der Sache komme ich leider gegen DJ7VY > und Rohde nicht an". Du gehst einem jetzt aber auf den Senkel! Wo habe ich in meinen Posts etwas geschrieben das die Erkenntnisse des DJ7VY in Frage stellt? Ganz im Gegenteil, mein Schaltungsvorschlag lehnt sich eben an diese Erkenntnisse an, mehr dazu: https://www.robkalmeijer.nl/techniek/electronica/radiotechniek/hambladen/ukw-berichte/1975/page218/index.html Deine weiteren Einlassungen werde ich ignorieren, gib dir keine Mühe. Kilo S.: die oben gezeigte Zeichnung zeigt dir, wie der LO unsymmetrisch zugeführt werden kann.
Phrasenschieber S. schrieb: > Wo habe ich in meinen Posts etwas geschrieben das die Erkenntnisse des > DJ7VY in Frage stellt? Überall. In ringmischer2.jpg koppelst du direkt an 2 Parallel- Resonanzkreise an. Auf der Ein- und auf der Ausgangsseite. Auf der Resonanzfrequenz haben die höchstmögliche Impedanz und abseits der Resonanz sind das Kurzschlüsse. Wo soll da der Strom im Diodenring herkommen? Und das wird mit einem niederohmigen Anzapf auch nicht besser. Da geht die Impedanz eben insgesamt näher gegen 0. Breitbandig 50 Ohm ist anders. Im angehefteten Bild von DJ7VY kann man das Intercept-Point- Desaster voll genießen. Und der Parallelkreis ist noch mit 50 Ohm gedämpft, d.h. zumindest auf einer Frequenz ist das Ding halbwegs angepasst, wenn's denn zufällig die richtige Resonanz ist. Und dabei wird der andere Port noch als ideal angenommen. Nein, du hättest das nicht lesen brauchen, aber andere sind vermutlich weniger erkenntnis-resistent.
Phasenschieber S. schrieb: > die oben gezeigte Zeichnung zeigt dir, wie der LO unsymmetrisch > zugeführt werden kann. Vielen Dank.
Gerhard H. schrieb: > Von 1 oder 2 7dBm-Mischern würde ich mich für lau trennen, > 17 dBm-Nachschub ist gerade heute morgen von Digikey angekommen. > Komplett verplant. :-) Hab ich jetzt erst richtig gelesen. Danke für das Angebot, behalte es ruhig mal im Hinterkopf. Ich komme drauf zurück wenn ich mich wieder Verbasteln sollte und was schief geht. ;-) Aktuell ärgere ich mich über einen Chinesen... Laut Tracking aber nur zwei Tage später. Also Montag anstelle Samstag... Phasenschieber S. schrieb: > Aha, BPF vor dem LNA und dann gehts zum Mischer? Genau, ich hab dir mal ein Bild gemacht. ;-)
Hallo Kilo, mein Beispiel für den Ringmischer wäre natürlich nur sinnvoll, wenn du keinen kommerziellen bekommen könntest. Ein kommerzieller wäre in jedem Fall einem selbstgestrickten vorzuziehen. Kilo S. schrieb: > Genau, ich hab dir mal ein Bild gemacht. ;-) Kannst du mal den Schaltplan dieses LNA posten? Dann könnte ich dir eventuell eine Anpassung auf den Diodenringmischer stricken. Die beiden von mir gezeichneten Schwingkreise, sollten vom Prinzip her den jeweiligen Stufen (vor und nach) zugeordnet sein, je nach dem wie diese ausgelegt sind; ist also nur eine Prinzipschaltung. Wenn du jedoch einen kommerziellen Ringmischer nimmst, entfällt eventuell dieses Anpassgedöns.
Phasenschieber S. schrieb: > Kannst du mal den Schaltplan dieses LNA posten? Aber sicher, ist zwar nur vom schmierzettel, das sollte aber verständlich sein. Ist sogar einer der Vorschläge hier aus dem Faden wenn ich mich Recht entsinne. Der eingekreiste eingang ich ist (vorerst) direkt per Draht am LNA verbunden.
Kilo S. schrieb: > Der eingekreiste eingang ich ist (vorerst) direkt per Draht am LNA > verbunden. Du meinst sicher mit dem BPF?
Phasenschieber S. schrieb: > Du meinst sicher mit dem BPF? Genau, dessen ein und Ausgang sind auf 50Ohm ausgelegt. (Transmission Messung auf geringste Durchgangsdämpfung) Allerdings hab ich mir noch nicht die Mühe gemacht zu "errechnen" welche ein und Ausgangsimpedanz der LNA in dieser Konfiguration hat.
Hallo Kilo, ich habe dir mal auf die Schnelle etwas gestrickt. Die Arbeitspunkt-Einstellung des FETs habe ich unverändert und ungeprüft übernommen, nehme an, daß das so passt. Wie gesagt, das wäre nur sinnvoll, wenn du keinen kommerziellen Mischer beschaffen könntest. Noch angehängt: Die Variante mit dem asymmetrischen LO-Eingang
Bitte melde dich an um einen Beitrag zu schreiben. Anmeldung ist kostenlos und dauert nur eine Minute.
Bestehender Account
Schon ein Account bei Google/GoogleMail? Keine Anmeldung erforderlich!
Mit Google-Account einloggen
Mit Google-Account einloggen
Noch kein Account? Hier anmelden.
































