Hallo Wissende! Nach tagelangem erfolglosen Suchen hab ich mich entschlossen mein Problem euch Profis vorzustellen. Eigentlich eine ganz simple Aufgabenstellung: Versorgung: 5.1V Netzteil Über einen Arduino soll mit einem Shift Baustein (74HC595) eine menge Leds gesteuert werden. Weiße Leds 3V/30mA (dzt. 22 Ohm Vorwiderstände) Um den Leds genügend Strom zu liefern habe ich einen ULN2803 Treiber dazwischengeschaltet. Von der Funktion her läuft das ganze wie geplant. Jedoch wie bekannt ist, hat die Darlington-Schaltung einen schwankenden Spannungsabfall je nach Belastung von ca. 0,6-1,7V Dies äußert sich entsprechend in unterschiedlicher Lichtabgabe der LEDs je nachdem wie viele grade was zu tun haben (sind die Vorwiderstände ja konstant und ergeben daher einen anderen Durchlass-Strom). Nun die "Gretchen"-Frage: Welche unaufwändige Möglichkeit gibt es den Spannungsabfall zu stabilisieren, damit die Vorwiderstände in jeder Belastungslage "einigermaßen richtig" sind!? Vielen DANK !
Das ist sicherlich ein Problem des Aufbaus, nicht der Schaltung. Zeig mal ein Foto.
? > ... Darlington-Schaltung einen schwankenden Spannungsabfall > je nach Belastung ... Richtig - pro Kanal des Arrays; der ist aus- oder eingeschaltet, im letzteren Falle ist die Belastung ja konstant, folglich auch der Spannungsabfall. Der Vermutung von H.H. schließe ich mich an; allenfalls noch ein Problem des Netzteils.
Bobby C. schrieb: > Welche unaufwändige Möglichkeit gibt es den Spannungsabfall zu > stabilisieren, Bei LED stabilisiert man schlauerweise den Strom, denn der ist für die Helligkeit zuständig, und ersetzt 74HC595, ULN2893 und die 22 Ohm Widerstände gegen EINEN von selbst Spannungsschwankungen ausregelnden Konstantstromtreiber ST2221A, STP08CDC596, TLC5916 https://www.ebay.ie/itm/165415518156 mit EINEM für alle strombestimmenden Widerstand oder gleich für 16 LEDs https://www.ebay.ie/itm/225089494505, DM13, pinkompatible: STP16CP05 (16*100mA/20V), CAT4016 (16x100mA/5.5V), STP16CL596 (16*90mA 16V ST), A6276=TB62706=TC62D748 (16*90mA 17V), MBI5026 (16*90mA 17V Macroblock) SCT2210 (16*90mA 17V) DM13C (16*90mA SiTi), ST2221C (16*85mA SiTi) TLC5921 (16*80mA), DM13A (16*60mA SiTi), A6282 (16*50mA Allegro Darisus), TLC5923 (16*45mA/20V), SCT2024 (16*45mA 17V), ME2656 (16*45mA 12V) TM1818 (16*60mA 5.5V) TLC5928 (16*35mA 17V), SCT2024 (16x30mA 17V), DM13A-E (16*30mA 5V SiTi)
Zeig mal den richtigen Schaltplan und den Aufbau von Deinem Werkl, denn so kann die Beschaltung vom ULN2803 nicht funktionieren...
Bobby C. schrieb: > Eigentlich eine ganz simple Aufgabenstellung: > > Versorgung: 5.1V Netzteil > Über einen Arduino soll mit einem Shift Baustein (74HC595) Das nennt sich Schieberegister. > eine menge > Leds gesteuert werden. Weiße Leds 3V/30mA (dzt. 22 Ohm Vorwiderstände) > Um den Leds genügend Strom zu liefern habe ich einen ULN2803 Treiber > dazwischengeschaltet. Deine LEDs sind im Schaltplan verpolt. Außerdem ist CD+ KEIN schaltbarer Ausgang, das ist der Sammelpunkt der internen Freilaufdioden. Den brauchst du hier nicht. > Von der Funktion her läuft das ganze wie geplant. Jedoch wie bekannt > ist, hat die Darlington-Schaltung einen schwankenden Spannungsabfall je > nach Belastung von ca. 0,6-1,7V Nö, der Spannungsabfall ist schon recht konstant bei ca. 1,1V > Dies äußert sich entsprechend in unterschiedlicher Lichtabgabe der LEDs Nö. > Welche unaufwändige Möglichkeit gibt es den Spannungsabfall zu > stabilisieren, damit die Vorwiderstände in jeder Belastungslage > "einigermaßen richtig" sind!? Nimm ein Netzteil, das konstant die 5V ausgibt. Außerdem nimmt man für JEDE LED einen eigenen Vorwiderstand, keine Parallelschaltung von LEDs. Siehe LED.
Es ist normalerweise keine gute Idee, LED parallel zu schalten, wenn man keine Ausgleichswiderstände vorsieht. In deinem Fall würde ich die LED Anodenspannung auf 8-12V erhöhen und die LED in Reihe zu schalten. Dann für jede Kette einen Vorwiderstand. Da der ULN bis zu 50V verträgt, hast du die Option auf viele LED in Reihe. MiWi schrieb: > denn > so kann die Beschaltung vom ULN2803 nicht funktionieren... Ja, das Pinout geht völlig durcheinander.
MiWi schrieb: > Zeig mal den richtigen Schaltplan und den Aufbau von Deinem Werkl, > denn > so kann die Beschaltung vom ULN2803 nicht funktionieren... Der ist schon richtig beschaltet, aber die LED sind verkehrt drin.
Naja, das Problem wird eher sein, daß das vermutlich ultrahelle oder weiße LEDs mit 3,3V Flußspannung sind. Minus 1,1V für den ULN, bleiben nur 0,7V für den Vorwiderstand, womit sich eine lausige Stromstabilisierung ergibt. Abhilfe? Die 5V auf 7, 9 oder gar 12V erhöhen, dementsprechend die Vorwiderstände vergrößern. Ist zwar energetisch ineffizient, aber einfach zu machen. Oder man nimmt wie schon vorgeschlagen einen echten LED-Treiber mit Konstantstromausgängen, dann geht das auch mit 5V. TLC5940 & Co sind deine Freunde.
H. H. schrieb: > Das ist sicherlich ein Problem des Aufbaus, nicht der Schaltung. Zeig > mal ein Foto. Mit dem Aufbau hat das ganz gewiß nix zu tun. Der ULN2803 hat nun mal in Abhängigkeit von der Ausgangslast und dem steuernden Eingangsstrom eine unterschiedliche Sättigungsspannung. Daran läßt sich erst einmal nichts ändern, weil das schlichtweg von der Konstuktion des IC vorgegeben ist. Als ertstes muß man sicherstellen, das der für das Aussteuern in die Sättigung erforderliche Eingansstrom erreicht wird. Um dies zu realisieren ist erstmal ein Mindestausgangspegel des 74HC595 nötig. Wie groß die Spannung am Eingang des ULN sein muß kann man dem Datenblatt entnehmen. Dort kann man nachlesen das für 350mA Ausgangsstrom 3V Eingangsspannnung erforderlich sind. Damit ergibt sich im Zusammenhang mit der inneren Schaltung des ULN ein Eingangsstrom von ca. 1mA, was auffällig mit dem Datenblatt übereinstimmt. Also als erstes mal messen was an den Eingängen des ULN2803 an Pegel ankommt. Wenn das passt dann hat man eigentlich nur folgende Möglichkeiten: 1. Jeder Ausgang wird immer gleich belastet, dann sind die LED auch alle in etwa gleich hell. 2. Man kann die Versogungsspannung der LED erhöhen und so für ein besseres Verhältnis von Sättigungsspangung zu Versorgungsspannung herstellen, womit der Strom weniger abhängig von der Sättigungsspannung wird. Die 5V sind für LED sowieso ein bischen kanapp bemessen. Rechnen wir mal kurz mit Deinen weißen LED durch. UF=3V UCE=0,9V min.Wert) ergibt 5V-3V-0,9V=1,1V mit Deinen 22Ohm ergibt sich ein Strom von 50mA. Jetzt das Ganze nochmal mit der maximalen Sättigungsspannung (1,6V) 5V-3V-1,6V=0,4V, woraus ein Strom von 18mA resultiert. Jetzt mal das Ganze für 12V. Der Widerstandswert muß dazu natürlich angepasst werden. Berechnung mit des Widerstandes mit dem Mittelwert der Sättigungsspannung von 2,25V. Es ergibt sich für 30mA ein Wert von rund 258Ohm. Für die minimale Sättigungsspannung ergibt sich jetzt ein Stromwert von 31mA und für die maximale Sättigungsspannung ergibt sich jetzt ein Wert von 29mA. Man sieht sehr deutlich das die Stromdifferenz und damit die Helligkeitsschwankungen bei 12V deutlich geringer sind. Bei 12V ergibt sich eine Differenz von nur 2mA, während es bei 5V mit Deiner Dimensionierung 32mA sind.
Erstmal: Danke für die vielen Rückmeldungen! 1) Der Schaltplan ist natürlich sch... - habe ihn vereinfacht um mein Grundproblem darzustellen und dabei ordentlich Fehler eingebaut. Ja - Leds sind verkehrt (nicht in real) und am CD+ hängt in echt auch nichts dran. 2) Danke MaWin für die Chip-Alternativen, werde ich mir zu Gemüte führen! Habe wohl die falschen Google Suchen durchgeführt - diese Chips kamen mir nicht unter 3) Ja natürlich ist es keine gute Idee 2 LEDs an einem Widerstand, aber in diesem Fall führe ich eine Designentscheidung eines anderen fort. (siehe Bild) Auch hat das Projekt (sollte es jemals fertig werden) insgesamt um die 180+ LEDs. 4) Netzteil: 5V 8A - war davon ausgegangen, mit Arduino, und dem Rest sollte das "genügen". 5) Ja, Falk, das ist das Problem - die Grundversorgungsspannung zu erhöhen kam mir auch schon. Dadurch wären die Stromschwankungen wesentlich geringer. Hatte ursprünglich auch das Problem dass bei meinem Testaufbau bereits (andere) Kabel mit einem hohen Leitungs/Übergangswiderstand die Werte beeinflussten. 6) Bild: Das Schiberegister und der ULN sind auf der kleinen Platine über den Breadboard. Am Arduino/Breadboard ist auch noch eine IR-Led zur Steuerung angeschlossen. Nichts desto trotz: die Verbesserungsvorschläge mal bei Seite gelegt. Eine wirkliche Spannungsstabilisierung ist also demnach (auch wenn eine schlechte) wohl nicht möglich !?
Bobby C. schrieb: > Ja natürlich ist es keine gute Idee 2 LEDs an einem Widerstand, aber in > diesem Fall führe ich eine Designentscheidung eines anderen fort. Ändern. Jede LED einzeln anschliessen. Bobby C. schrieb: > insgesamt um die 180+ LEDs. > Netzteil: 5V 8A - war davon ausgegangen, mit Arduino, und dem Rest > sollte das "genügen". Bei 30mA pro LED reicht das. Aber bei über 5A können an dünnen Drähten schon erhebliche Spannungsabfälle auftreten. Nicht nur Plusleitung, sondern auch Masseleitung.
Bobby C. schrieb: > Erstmal: Danke für die vielen Rückmeldungen! > > 1) Der Schaltplan ist natürlich sch... - habe ihn vereinfacht um mein > Grundproblem darzustellen und dabei ordentlich Fehler eingebaut. Sowas macht man generell nicht, auch nicht Hobbybastler. Man zeichnet ZUERST einen VOLLSTÄNDIGEN, ÜBERSICHTLICHEN Schaltplan und baut danach auf. Alles andere ist Murks^3. > 3) Ja natürlich ist es keine gute Idee 2 LEDs an einem Widerstand, aber > in diesem Fall führe ich eine Designentscheidung eines anderen fort. > (siehe Bild) Was soll das sein? Sieht aus wie der LHC in Cern ;-) > 4) Netzteil: 5V 8A - war davon ausgegangen, mit Arduino, und dem Rest > sollte das "genügen". Das reicht auch. Aber von den 8A wußten wir bisher nichts. > wesentlich geringer. Hatte ursprünglich auch das Problem dass bei meinem > Testaufbau bereits (andere) Kabel mit einem hohen > Leitungs/Übergangswiderstand die Werte beeinflussten. Dann mußt du mit Engelshaar verdrahtet haben. SOOOO dünn können die Kabel gar nicht sein, es sei denn, du brauchst die 8A wirklich und hast dort SEHR dünne Leitungen. > 6) Bild: Das Schiberegister und der ULN sind auf der kleinen Platine > über den Breadboard. Am Arduino/Breadboard ist auch noch eine IR-Led zur > Steuerung angeschlossen. Was für ein Chaos! > Nichts desto trotz: die Verbesserungsvorschläge mal bei Seite gelegt. > Eine wirkliche Spannungsstabilisierung ist also demnach (auch wenn eine > schlechte) wohl nicht möglich !? Du musst nicht die Spannung sondern den STROM stabilisieren! Wie das geht, wurde dir gesagt. Also wähle eine Lösung aus. Bei 180 LEDs wird man sicher NICHT mit 9 oder gar 12V arbeiten wollen, denn die unnötige Verlustleistung wird riesig! Und das beim Klimawandel und 36°C Hitze draußen! ;-) Also mach es richtig und besorg dir passende LED-Treiber. Außerdem sollte man über die Verdrahtung von Masse und +5V nachdenken. Die 180 LEDs in Gruppen aufteilen (16, 32 Stück) und jede einzeln mit einem Leitungspaar sternförmig ans Netzteil anschließen.
Wenn du bei deinen 5V bleiben willst, jag zumindest die ULN2803 zum Teufel und ersetzte sich durch kleine N-MOSFETs (z.B. IRLML2502) direkt angesteuert mit den HC595 Ausgängen. Dann bist du den 1V ULN2803 Spannungsabfall los.
KM schrieb: > Wenn du bei deinen 5V bleiben willst, jag zumindest die ULN2803 zum > Teufel und ersetzte sich durch kleine N-MOSFETs (z.B. IRLML2502) direkt Nö. Ein Treiber mit Konstantstromausgängen ist angesagt, da spart man nicht nur die Vorwiderstände ein, man bekommt auch einen SEHR genauen und STABILEN LED-Strom. All das kann ein einfacher MOSFET/Bipolartranistor ALLEIN NICHT!
>All das kann ein einfacher MOSFET/Bipolartranistor ALLEIN NICHT!
Ist doch klar.
Ich bezog mich auf Bobby's "unwillen" etwas gross am Design in Richtung 
Konstantstrom-Treiber zu ändern.
  H. H. schrieb: > Der ist schon richtig beschaltet, Nö ist er nich, s. hier Falk B. schrieb: > Außerdem ist CD+ KEIN schaltbarer > Ausgang, das ist der Sammelpunkt der internen Freilaufdioden.
KM schrieb: > Ich bezog mich auf Bobby's "unwillen" etwas gross am Design in Richtung > Konstantstrom-Treiber zu ändern. Wasch mich aber mach mich nicht naß. Ein verbreiteter Wunsch. ;-) "Die schnellste und PREISWERTESTE Weise, etwas zu tun, ist es gleich richtig zu tun." https://www.exp-tech.de/module/sonstige/4512/sparkfun-led-driver-breakout-tlc5940-16-channel Ok, das sind natürlich Apothekenpreise! Das geht DEUTLICH preiswerter, muss man halt mal suchen. Uuups, Digikey und Mouser haben fast nix mehr! Ohje! TLC5941NT gibt es noch bei Digikey im DIP28 Gehäuse, aber nur 5034 auf "Marktplatz", was auch immer das bedeuten mag. Der wäre lochrastertauglich. Der Rest, den man noch kaufen kann, ist alles SMD, da braucht es zumindest eine passende Platine.
Bobby C. schrieb: > Welche unaufwändige Möglichkeit gibt es den Spannungsabfall zu > stabilisieren, damit die Vorwiderstände in jeder Belastungslage > "einigermaßen richtig" sind!? > Weiße Leds 3V/30mA (dzt. 22 Ohm Vorwiderstände) So ein ULN2803 hat laut Datenblatt bei Ic = 0...100mA ziemlich genau einen Spannungsabfall von 750mV (+-150mV). Du betreibst deine LED mit 30mA. Kannst mal erklären, wo dich diese +-150mV stören? Oder stören dich die 750mV? Auch dann verstehe ich es nicht - musst Du doch sowieso ordentlich Spannung am Rv verheizen.
Also, bevor das ganze aus dem Ruder läuft... Im ursprungs-post hatte ich die Frage gestellt ob eine Spannungsstabilisierung möglich ist. Den Antworten entnehme ich: Nein - gut, damit kann ich leben. Nachdem meine Elektronikkentnisse veraltet und großteils vergessen sind hantle ich mich halt Stück für Stück vor und bin für jede konstruktive Information dankbar! (Da war viel verwertbares dabei!) Und es gibt halt nicht DEN EINZIGEN Weg zum Ziel. @ Jester - der Spannungsverlust wär mir grundsätzlich egal, wäre er bei 100mA gleich groß wie bei 350mA. @ H.H. Nein, nich alle 180 led an einem ULN! Ich mag zwar kein Ekektronikmeister sein, aber die max 500mA des ULN sind mir doch bewußt. Ja das schöne an den wirklich guten ICs ist, dass sie nicht/schwer verfügbar sind. Aber ich mach mir sowieso eine neue Platine - da lass ich dann all eure guten Ideen einfließen. Im Gegensatz zur allgemeinen Meinung halte ich mich durchaus für lernfähig und das einzige das in Stein gemeisselt ist, sind die Buchsen für die Ledanschlüsse. THX
Bobby C. schrieb: > @ H.H. Nein, nich alle 180 led an einem ULN! Ich mag zwar kein > Ekektronikmeister sein, aber die max 500mA des ULN sind mir doch bewußt. Dir ist auch klar, dass die für den ganzen Chip gelten, also nicht 8*500mA möglich sind?
Bobby C. schrieb: > @ Jester - der Spannungsverlust wär mir grundsätzlich egal, wäre er bei > 100mA gleich groß wie bei 350mA. Jetzt wäre nur noch zu klären, ob die 100/350mA pro ULN-Kanal gelten sollen, oder ob das beispielhaft über alles gelten soll. Wenn das Problem bei unterschiedlichen Strömen pro Kanal sichtbar ist, dann ist dass doch kein wirkliches Problem für später, denn die Anzahl LEDs pro Kanal ist im Endausbau ja sicherlich konstant. Also keine Schwankungen mehr ... Wenn dagegen Helligkeitsschwankungen bei Zuschalten weitere Kanäle auftreten, dann liegt das nicht an den Spannungsabfällen des ULN, sondern an instabiler Betriebsspannung, vermutlich weil zu dünne Leitung und Kontakte.
H. H. schrieb: > Bobby C. schrieb: >> @ H.H. Nein, nich alle 180 led an einem ULN! Ich mag zwar kein >> Ekektronikmeister sein, aber die max 500mA des ULN sind mir doch bewußt. > > Dir ist auch klar, dass die für den ganzen Chip gelten, also nicht > 8*500mA möglich sind? Eigentlich ist das schon pro Kanal, im Ganzen aber begrenzt durch die zulässige Ptot.
H. H. schrieb: > MiWi schrieb: >> Zeig mal den richtigen Schaltplan und den Aufbau von Deinem Werkl, >> denn >> so kann die Beschaltung vom ULN2803 nicht funktionieren... > > Der ist schon richtig beschaltet, aber die LED sind verkehrt drin. Ich weiß das. Die Erfahrung zeigt jedoch das wenn solch hingefetzte Schaltpläne kredenzt werden auch noch anderes im Argen liegt.
Bobby C. schrieb: > @ Jester - der Spannungsverlust wär mir grundsätzlich egal, wäre er bei > 100mA gleich groß wie bei 350mA. Du willst nicht verstehen, dass Dir der Spannungsabfall eben nicht egal sein kann: Falk B. schrieb: > Naja, das Problem wird eher sein, daß das vermutlich ultrahelle oder > weiße LEDs mit 3,3V Flußspannung sind. Minus 1,1V für den ULN, bleiben > nur 0,7V für den Vorwiderstand, > womit sich eine lausige Stromstabilisierung ergibt Also den beherzigen: KM schrieb: > Wenn du bei deinen 5V bleiben willst, jag zumindest die ULN2803 zum > Teufel und ersetzte sich durch kleine N-MOSFETs (z.B. IRLML2502) (da wäre der Spannungsabfall unter 1 Millivolt!)
Manfred schrieb: > Bobby C. schrieb: >> @ Jester - der Spannungsverlust wär mir grundsätzlich egal, wäre er bei >> 100mA gleich groß wie bei 350mA. > > Du willst nicht verstehen, dass Dir der Spannungsabfall eben nicht egal > sein kann: > Manfred - das "egal" war im übertragenen Sinne gemeint!
Bobby C. schrieb: > Aber ich mach mir sowieso eine neue Platine - Dann stell gleich auf Hub75 um, den Standard dafür. Und auf bestücken lassen von (z.B. 2835) SMD Leds, dann wird man auch fertig innerhalb eines Lebens.
Nachdem ich mich durch die Vorschläge von MaWin gearbeitet habe, hätte ich nun den MBI5026 als Kandidaten für den Ersatz entschieden. Der ist recht günstig und auch zu bekommen. Und kann auch das, was ich benötige - Licht an/aus. Der Arduino Code wird noch lustig - gibt kein Library dafür. https://www.neumueller.com/datenblatt/macroblock/MBI5026%20Datenblatt%20-%20Datasheet.pdf Mal sehen, wie viele Fehler ich hier eingebaut hätte :-)
H. H. schrieb: > Dir ist auch klar, dass die für den ganzen Chip gelten, also nicht > 8*500mA möglich sind? 8*500mA geht nicht da gehe ich konform aber sonst, die 500mA gelten schon für den einzelnen Kanal, aber maximal 2,5A nach GND stand mal in einem anderen Datenblatt, der Hersteller hat sich wohl aufgelöst, jetzt findet man bei UTC die 500mA each channel als Angabe aber keinen max Strom nach GND für den Chip.
Falk B. schrieb: >> 3) Ja natürlich ist es keine gute Idee 2 LEDs an einem Widerstand, aber >> in diesem Fall führe ich eine Designentscheidung eines anderen fort. >> (siehe Bild) > > Was soll das sein? Sieht aus wie der LHC in Cern ;-) Das ist ein etwas größeres, von innen beleuchtetes, Enterprise Modell. Habe durch Zufall gerade ein YT-Video dazu gesehen, sonst wüsste ich es auch nicht.
Sehe ich das richtig? Auch im neuen Schaltplan sind wieder zwei LED parallel an einer Quelle? Dieser Bullshit wäre zu ändern, ansonsten gilts Du als beratungsresistent und die gleichmäßige Helligkeit ist nicht zu erreichen. Auch wenns ein Design eines anderen ist. Mist bleibt Mist. Da die Leiterplatten wohl schon fertig sind und es viele verschiedene geometrische Formen gibt, so wäre eine sinnvolle Möglichkeit - schalt die zwei LED in Reihe - erhöhe die Versorgungsspannung der LED - LED - Treiber - Kombination.
..Dann gibt es nur eine Lösung: Scotty, wie lange dauert die Reparatur ? 14 Tage - Ich brauche es in 24 Stunden ! - Ok, Cptn., in 5 Stunden bin ich fertig !
2 Led schrieb: > Auch im neuen Schaltplan sind wieder zwei LED parallel an einer Quelle? > > Dieser Bullshit wäre zu ändern, ansonsten gilts Du als > beratungsresistent Wieso "ansonsten"?
Bobby C. schrieb: > Mal sehen, wie viele Fehler ich hier eingebaut hätte :-) Es fehlt der Entkoppelkondensator. Hier sollte man auch einen größeren Elko vorsehen, so 22-200uF. https://www.mikrocontroller.net/articles/Kondensator#Entkoppelkondensator Jede einzelne LED an einen Treiberausgang. Direkte Linien zur Verbindung zwischen Treiber und Stecker, kein Labelsuchspiel! Wenn du mehrere dieser Boards in Reihe schalten willst, mußt du 2 Stecker vorsehen und auch SDO nach außen führen. Es gibt keine 400 Ohm, nimm 390, die sind Standard. Normale Menschen würden die Stecker D1-D8 oder X1-X8 benennen. PWR und D-C-L sind keine sinnvollen Namen für Steckverbinder.
Bobby C. schrieb: > Nachdem ich mich durch die Vorschläge von MaWin gearbeitet habe, hätte > ich nun den MBI5026 als Kandidaten für den Ersatz entschieden. Der ist > recht günstig und auch zu bekommen. Und kann auch das, was ich benötige > - Licht an/aus. Der Arduino Code wird noch lustig - gibt kein Library > dafür. Ja was nun? 'Hätte mich entschieden' oder 'Habe mich entschieden'? > https://www.neumueller.com/datenblatt/macroblock/MBI5026%20Datenblatt%20-%20Datasheet.pdf > > Mal sehen, wie viele Fehler ich hier eingebaut hätte :-) Dass das mit den parallelen LEDs Mist ist wurde ja schon gesagt, und außerdem solltest du noch die Seite 12 des von dir verlinkten Datenblatt genauer anschauen.
Runner schrieb: > außerdem solltest du noch die Seite 12 des von dir verlinkten Datenblatt > genauer anschauen. Möchtest du mir damit mitteilen, dass der Chip ohnehin für'n Kübel ist? Wenn ich die Seite 12 richtig interpretiere kann der Chip nur 1V per Pin ?
Bobby C. schrieb: > Möchtest du mir damit mitteilen, dass der Chip ohnehin für'n Kübel ist? Das mit dem sinnerfassenden Lesen müssen wir noch ein wenig üben. > Wenn ich die Seite 12 richtig interpretiere kann der Chip nur 1V per Pin > ? Nö, der kann bis zu 17V an seinen Konstantstromausgängen. Aber darum geht es auf Seite 12 gar nicht, sondern um die endliche Verlustleistung des ICs, siehe das Diagramm auf Seite 12, ganz oben.
Falk B. schrieb: > sondern um die endliche Verlustleistung des ICs Naja, wenn die (dauerhaft) überschritten wird, ist er fürn Kübel. SCNR
Bobby C. schrieb: > Nachdem ich mich durch die Vorschläge von MaWin gearbeitet habe, hätte > ich nun den MBI5026 als Kandidaten für den Ersatz entschieden. Der ist > recht günstig und auch zu bekommen. Und kann auch das, was ich benötige > - Licht an/aus. Der Arduino Code wird noch lustig - gibt kein Library > dafür. Der steuert sich doch genauso an wie dein '595, oder? Also ist dein Code schon fertig.... Ansonsten schau dir vielleicht noch den PCA9685 an. Der hat auch 16 Kanäle, kann auch Licht An/Aus pro Kanal, es gibt Arduino-Libraries und kostengünstige fertige Breakout-Boards. Und er könnte zusätzlich noch PWM auf jedem Kanal. Musst du ja nicht benutzen. Könntest du aber, falls du noch einen Dimmer oder Soft-Start etc nachrüsten möchtest. Aber: es bleibt beim Widerstand pro LED, der PCA hat keine Konstantstromausgänge.
Falk B. schrieb: > um die endliche Verlustleistung des ICs, Und ? 16 x 5-3.2V x 30mA liegt weit unter dem zulässigen Limit, ca. 0.8W statt 2W.
MaWin schrieb: >> um die endliche Verlustleistung des ICs, > > Und ? > > 16 x 5-3.2V x 30mA liegt weit unter dem zulässigen Limit, ca. 0.8W statt > 2W. Schön, daß du und ich das wissen, der OP wußte es bisher vermutlich nicht.
Bobby C. schrieb: > Runner schrieb: >> außerdem solltest du noch die Seite 12 des von dir verlinkten Datenblatt >> genauer anschauen. > > Möchtest du mir damit mitteilen, dass der Chip ohnehin für'n Kübel ist? > Wenn ich die Seite 12 richtig interpretiere kann der Chip nur 1V per Pin > ? Sorry, ich habe mich bei dem schnellen Blick auf dein letztes Schaltbild vertan. Ich dachte du hättest nur 2 LEDs pro Ausgang vorgesehen, dann hätte der Chip die Spannungsdifferenz zu den 12V verheizen müssen, und das wäre zu viel. Du hast aber 4 LEDs in Reihe bei 12V Versorgung vorgesehen. Das kann nur funktionieren, wenn die Durchlassspannung der LEDs <=2,8V bei 30mA beträgt. Sonst kann der Chip den Strom nicht mehr regeln. Wenn die Durchlassspannung deiner LEDs höher ist, musst du entweder auf 15V Versorgung gehen, oder die Zahl der LEDs in Reihe auf 3 reduzieren (+ eventuell noch ein Vorwiderstand). Also vermesse doch mal eine oder zwei deiner LEDs, und sage uns wie hoch deren Duchlassspannung beim gewünschten Strom ist. MaWin schrieb: > Falk B. schrieb: >> um die endliche Verlustleistung des ICs, > > Und ? > > 16 x 5-3.2V x 30mA liegt weit unter dem zulässigen Limit, ca. 0.8W statt > 2W. Ist dann halt nur eine LED pro Ausgang, d.h. 16 pro Chip. Da werden bei 180 LEDs schon 12 Chips benötigt. @TO: Was kostet so ein Chip, und wo bekommt man die her?
Runner schrieb: > @TO: Was kostet so ein Chip, und wo bekommt man die her? € 0,48 aus dem Reich der Mitte über die eBucht
Falk B. schrieb: > Naja, das Problem wird eher sein, daß das vermutlich ultrahelle oder > weiße LEDs mit 3,3V Flußspannung sind. Minus 1,1V für den ULN, bleiben > nur 0,7V für den Vorwiderstand, womit sich eine lausige > Stromstabilisierung ergibt. Der TO hat reagiert: Runner schrieb: > Du hast aber 4 LEDs in Reihe bei 12V Versorgung vorgesehen Das ist keine Beratungsresistenz, sondern völliges Unverständnis. 4 x 3,3 V > 12 V, aber das ist dem TO wohl viel zu hoch. Georg
Bobby C. schrieb: > von 3.3V war nie die Rede - aber egal Naja, schon gar nicht mal so schlecht. ;-) Wenn gleich ich die eng liegenden Signale als grenzwertig ansehen würde, kann man damit leben. Die 100uF an jedem IC sind aber Unsinn. Lies nochmal was zum Thema Entkoppelkondensator. 1x 100nF, Keramik 1x 22-100uF Elko, Tantal oder Aluminium Jaja, jetzt kommen gleich die Keramik-Fanboys und protestieren, weil es doch sooo tolle, hochkapazitive 100uF Keramikkondensatoren gibt. Naja, die haben aber keine 100uF bei Nennspannung, eher 10-20%. Plus ein paar andere Problemchen. Die klassische Kombination auf 100nF Keramik und deutlich größerem Elko hat sich bewährt, auch aus HF-Sicht (Dämpfung von HF-Schwingungen durch ESR des Elkos) Wenn du vier dieser ICs auf einem Board hast, reichen auch 2x47uF, es müssen nicht 4x100uF sein. Vielleicht auch 2x22uF. Den genauen Wert müßte man messen, wenn alle LEDs gleichzeitig schalten (VCC messen).
Dem Vorschlag entsprechend mit 2x47uF nah am 1. und letzten IC. HF wird da kein Problem .. das wird sich im max. im Zehntel-Sekundenbereich abspielen.
Bobby C. schrieb: > HF wird da kein Problem .. > das wird sich im max. im Zehntel-Sekundenbereich abspielen. Ein kleiner aber notwendiger Ausflug in die Signaltheorie: für HF reicht eine einzige Signalflanke. Sie muss nur steil genug sein...
Bobby C. schrieb: > HF wird da kein Problem .. das wird sich im max. im > Zehntel-Sekundenbereich abspielen. Doch, HF ist immer ein Problem, wenn digitale ICs schalten. Bei jedem Schaltvorgang entstehen im IC sehr kurze Stromspitzen, die über den Stützkondensator abgefangen werden müssen. Wie häufig geschaltet wird, ist hierbei egal. Also: Ein gößerer Elko irgendwo auf der Leiterplatte und je ein 100n-Keramikkondensator möglichst nahe an jedem IC.
@Bobby C. Bei deinem Layout fällt mir auf: die GND-Leitungen sind sehr dünn. Darüber fließen auch die Ströme der LEDs. Hier können die Spannungabfälle Potentialverschiebungen zwischen der ICs bewirken und die Zuverlässigkeit der gesamten Schaltung beeinträchtigen. Solide Masse ist wie ein stabiles Fundament eines Hauses unbedingt notwendig.
Bobby C. schrieb: > Dem Vorschlag entsprechend mit 2x47uF nah am 1. und letzten IC. Und wo sind die 100nF an JEDEM IC? > HF wird da kein Problem .. das wird sich im max. im > Zehntel-Sekundenbereich abspielen. Der war gut! ;-) HF spielt in einer GANZ anderen Liga. Da geht es auch weniger um die SchaltFREQUENZ, sondern eher um die SchaltGESCHWINDIGKEIT. Die großen Elkos sollen die Schaltpulse beim Ein- und Ausschalten der LEDs puffern und dämpfen. Deine Masse ist ein schlechter Scherz. Wenn du jeden IC mit 16x30mA betreibst, sind das bis zu 480mA/IC bzw. knapp 2A pro Platine. Dafür braucht es schon eine ordentlich breite Masseleitung, so 2mm und mehr. Denn bei 5V Systemen kann man sich nicht viel Spannungsabfall auf der Masse leisten, sagen wir max. 100mV. R = U / I = 0,1V / 2A = 50mOhm Wenn du 35um Basiskupfer nimmt, hast du nach dem Aufkupferprozess ca. 50um Dicke. Macht bei 2mm Breite 0,1mm^2 Querschnitt mit 180 mOHm/m
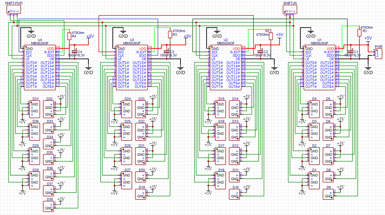
Dietrich L. schrieb: > Also: Ein größerer Elko irgendwo auf der Leiterplatte und je ein > 100n-Keramikkondensator möglichst nahe an jedem IC. Das PCB ist noch nicht fertig - mit dzt. 0.35mm Bahnen. Überlege aber ob ich nicht das ganze in 2 Bereiche teile - je 2 IC's mit jeweils einer eigenen Versorgungsleitung.
ja, mir ist grade aufgefallen, dass die neuen Kondis falsch drinnen waren :-)
Bobby C. schrieb: > ja, mir ist grade aufgefallen, dass die neuen Kondis falsch drinnen > waren :-) Es sollen 100nF (Nanofarad) sein, nicht 100uF (Mikrofarad). In 0603 oder wenn du etwas grobmotorisch bist in 0805.
Bobby C. schrieb: > Der Arduino Code wird noch lustig - gibt kein Library > dafür. Oh Gott jetzt muß sich der Bub selbst Gedanken darüber machen - schlimm, schlimm. Könnte es sein das Du mit diesem Projekt, von Deinen Fähigkeiten her leicht überfordert bist?
Bobby C. schrieb: > ... Was soll jetzt der Käse? 4 LED's á 3V Flußspannung an 12V? Da brauchst Du dann Treiber mit 0V Sättigungsspannung. Laß es lieber sein Du bist ganz bestimmt nicht der Richtige für die Fortführung des Projektes. Bobby C. schrieb: > Das PCB ist noch nicht fertig - mit dzt. 0.35mm Bahnen. > Überlege aber ob ich nicht das ganze in 2 Bereiche teile Wenn Du so konzentriert weiter arbeitest wie bei der Erstellung dieses Planes, dann mußt Du Dir darüber keine Gedanken machen. Einen Schaltplan ordentlich zu zeichnen ist ganz offenbar nicht Dein Ding. Ein Teil der KOndensatoren ist falsch rum drin. Gut das hast ja inzwischen selbst gemerkt. Welchen konkreten Grund gibt es 2 IC's mit 147µF und 2 IC's mit 100µF abzublocken? Das ist wieder so ein Ding, was aufzeigt, Du weist nicht wirklich was Du tust. Du hast keine Ahnung was die Ablockkondensatoren bewirken sollen bzw. welche Funktion sie haben. Und dann noch etwas: Könntest Du Dich mal bemühen für die Versorgungsspannungen nicht das Massezeichen zu benutzen. Auch Dein benutztes Zeichen für GND ist falsch. Das Zeichen welches Du benutzt ist eigenlich für PE gedacht. Auch wenn die meisten hier wissen was gemeint ist, es liest sich schwer und qualifiziert Dich nicht unbedingt als Fachmann.
Zeno schrieb: > Könnte es sein das Du mit diesem Projekt, von Deinen Fähigkeiten her > leicht überfordert bist? Ich hatte mir das durchaus etwas einfacher vorgestellt, aber mit Hilfe qualifizierter Hilfestellung werde ich das schon hinbekommen. Und wenn jeder alles wüsste bräuchte es so ein Forum nicht ;-) Davon abgesehen bin ich recht hartnäckig und geduldig. Und wenn man beim ersten kleinen Stolperstein aufgibt wird man nie was dazulernen.
Bobby C. schrieb: > Und wenn > jeder alles wüsste bräuchte es so ein Forum nicht ;-) Vielleicht wäre ja mal Literaturstudium auch recht hilfreich - so haben wir uns seinerzeit das Wissen erarbeitet, Betonung auf erarbeitet. Das ist nämlich besser als alles vorgekaut zu bekommen. Und ja auch ich habe Lehrgeld bezahlen müssen, das ist nun mal so. Bobby C. schrieb: > Davon abgesehen bin ich recht hartnäckig und geduldig. Und wenn man beim > ersten kleinen Stolperstein aufgibt wird man nie was dazulernen. Da gebe ich Dir durchaus recht. Dennoch sollte man auch seine Grenzen erkennen.
Lieber Zeno mir war nicht bewusst dass dieses Forum für Laien Tabu ist - eventuell sollte das für die Anmeldung berücksichtigt werden. Mir war ja aus anderen Post's schon klar dass der Ton hier manchmal etwas Rauer sein kann, aber du scheinst der Oberkläffer zu sein. Kann dir nur wärmstens einen Therapeuten empfehlen - da scheint viel negatives Potential zu schlummern. Allen anderen die etwas mehr Geduld mit mir hatten und ihr hart erarbeitetes Wissen mit mir/uns geteilt haben ein herzliches Dankeschön!
Bobby C. schrieb: > Allen anderen die etwas mehr Geduld mit mir hatten und ihr hart > erarbeitetes Wissen mit mir/uns geteilt haben ein herzliches Dankeschön! scheint mir nur nicht geholfen zu haben, wie oft wurde dir 100nF an JEDEM IC geschrieben? Wie oft hast du das ignoriert? Ich sehe immer noch 100µF an jedem IC und mal noch in Verbindung mit 47µF wozu?
Joachim B. schrieb: > scheint mir nur nicht geholfen zu haben, wie oft wurde dir 100nF an > JEDEM IC geschrieben? Wie oft hast du das ignoriert? Ich hab's am Schaltplan ausgebessert, diesen aber nicht veröffentlicht. > Ich sehe immer noch 100µF an jedem IC und mal noch in Verbindung mit > 47µF wozu? Siehe: Dietrich L. schrieb: > Also: Ein größerer Elko irgendwo auf der Leiterplatte und je ein > 100n-Keramikkondensator möglichst nahe an jedem IC. Falk B. schrieb: > Wenn du vier dieser ICs auf einem Board hast, reichen auch 2x47uF..
Bobby C. schrieb: > mir war nicht bewusst dass dieses Forum für Laien Tabu ist - eventuell > sollte das für die Anmeldung berücksichtigt werden. Mir war ja aus > anderen Post's schon klar dass der Ton hier manchmal etwas Rauer sein > kann, aber du scheinst der Oberkläffer zu sein. Kann dir nur wärmstens > einen Therapeuten empfehlen - da scheint viel negatives Potential zu > schlummern. Wenn man so wie Du es noch nicht mal fertig bringt einen Schaltplan richtig zu zeichnen - es auch im achten! Anlauf es nicht schafft trotz Hinweis korrekte Symbole für GND und Versorgungsspannung zu benutzen, offensichtlich nicht verstanden hat wozu Abblockkondensatoren gut sind, nicht mit bekommt das eine Reihenschaltung von 4 LED mit 3V UF und 12V Versorgungsspannung nicht funktionieren kann etc. etc. der sollte sich mal etwas zurücknenehmen und nicht ganz so vorlaut sein. Dir wurde mehrfach, von verschiedenen Leuten, aufgezeigt wie Du das Problem lösen kannst und wenn überhaupt haben die Vorschläge erst nach mehreren Anläufen gefruchtet (s. z.B. hier Beitrag "Re: Spannungsstabilisierung ULN2803 Darlington"). Die Leute die Dir hier schreiben dürften über mehrere Jahre Erfahrung im Fach haben, da wäre es schon angemessen wenn der Bub sich auf den Hosenboden setzen würde und mal ein ordentliches Projekt mit vorlegen würde und nicht alle Nasen lang was Hingerotztes. Ja der Ton hier hier im Forum ist schon manchmal etwas rauh, aber er wird auch nicht weicher wenn man beratungsresident ist. Im übrigen solltest Du mal darüber nachdenken, was ich hier Zeno schrieb: > Vielleicht wäre ja mal Literaturstudium auch recht hilfreich - so haben > wir uns seinerzeit das Wissen erarbeitet, Betonung auf erarbeitet geschrieben habe und wie das zu verstehen ist. Du bist ganz offensichtlich zu bequem Dir das fehlende Wissen zu erarbeiten und hoffst das das andere für Dich erledigen. Dummerweise läuft das so nicht.
Bobby C. schrieb: > Ich hab's am Schaltplan ausgebessert, diesen aber nicht veröffentlicht. damit zeigst du aber keinerlei Lernfortschritte! Zeno schrieb: > Wenn man so wie Du es noch nicht mal fertig bringt einen Schaltplan > richtig zu zeichnen - es auch im achten! Anlauf es nicht schafft trotz > Hinweis korrekte Symbole für GND und Versorgungsspannung zu benutzen, > offensichtlich nicht verstanden hat wozu Abblockkondensatoren gut sind, macht es auch nicht besser, entweder du trollst oder bist mit dem falschen Hobby unterwegs!
Bitte melde dich an um einen Beitrag zu schreiben. Anmeldung ist kostenlos und dauert nur eine Minute.
  
  Bestehender Account
  
  
  
  Schon ein Account bei Google/GoogleMail? Keine Anmeldung erforderlich!
Mit Google-Account einloggen
Mit Google-Account einloggen
  Noch kein Account? Hier anmelden.











 Thread beobachten
 Thread beobachten Seitenaufteilung abschalten
 Seitenaufteilung abschalten