Hi, aktuell baue ich gerade ein Fahrzeug mit sequenziellem Schaltgetriebe und Schaltung per Zündunterbrecher auf. Eine Drehung der Schaltwelle (Betätigung zum Gangwechsel) wird per Winkelsensor erkannt, so dass per Arduino Gang-spezifisch für eine bestimmte kurze Zeit die Zündung unterbrochen werden kann (25ms). Dadurch wird das Getriebe entlastet und der Gangwechsel kann sehr schnell erfolgen. Das funktioniert auch alles prinzipiell sehr gut, jedoch macht das aktuell verwendete SSR (Omron G3MB-202P 5DC) Probleme bei höheren Drehzahlen des Motors - es schaltet eigenständig durch (=Zündunterbrechung) und hindert somit den Motor am weiteren Hochdrehen. Durch Parallelschalten eines Kfz-Zündkondensators an die SSR-Ausgänge konnte ich das Problem zwar zumindest weitgehend lösen, jedoch fürchte ich, dass das verwendete SSR an sich nicht optimal gewählt ist. Zum Einen ist es mit 264V~ spezifiziert und ich gehe davon aus, dass die Spannung von der Zündspule höher liegen wird und zum Anderen ist es mit 50/60Hz angegeben. Dies scheint eher das Problem zu sein, denn es würde erklären warum ab einer bestimmten Zündfrequenz das Problem auftritt (schwankend um 5000rpm entsprechend ca. 80Hz beim Zweitakter). Da ich elektronisch nicht sehr fit bin hier die Frage welches Bauteil (SSR) hier evtl. besser geeignet ist oder ob tatsächlich eine entsprechende Beschaltung "drumrum" (vgl. Zündkondensator) zielführend wäre. MfG
Ich Fahrzeug hast Du DC und das SSR ist für AC.
Du solltest einen Schaltplan deiner Zündung posten, incl des SSR.
Wäre schön wenn ich das könnte, jedoch ist die Zündung (die ECU der Zündung) ein Kaufteil, deren Interna ich nicht kenne. Aus der ECU kommt ein Kabel, welches zum Kill-Kontakt gehört. Wird dieses auf Masse geschaltet (Kill-Taster oder Kontakt im Zündschloss), ist die Zündung unterbrochen. Das ist die reguläre Anwendung um den Motor aus zu schalten. Daher habe ich dieses Kill-Kabel an einen der Ausgänge des SSR angeschlossen und Fahrzeugmasse an den anderen. Mehr ist es nicht. Läuft unterhalb der kritischen Drehzahl auch alles genau so wie es soll. Etwas Verbesserung bringt der zusätzliche, zum SSR-Ausgang parallel geschaltete Zündkondensator.
Peter schrieb: > Aus der ECU kommt ein Kabel, welches zum Kill-Kontakt gehört. Dann musst du messen was da an Spannung anliegt, und welcher Strom im Abschaltfall fließt, und das mit einem Oszi.
Kein Oszi vorhanden leider. Aber laut Hersteller der Zündung liegen da 300V bis 500V an mit einem Impuls pro Umdrehung also im Betrieb bis ca. 170Hz.
Dann versuch es mit einem IGBT. Der braucht allerdings noch einen Gatetreiber.
Ok, danke. Jetzt kämen dann die doofen newbie-Fragen von mir (seufz). Kann man die Komponenten dazu fertig kaufen und "einfach" zusammenschalten oder muss eine Schaltung dafür speziell ausgelegt und bestückt werden? Falls letzteres der Fall ist bin ich vermutlich leider raus.
Peter schrieb: > Eine Drehung der Schaltwelle > (Betätigung zum Gangwechsel) wird per Winkelsensor erkannt, so dass per > Arduino Gang-spezifisch für eine bestimmte kurze Zeit die Zündung > unterbrochen werden kann (25ms). Dadurch wird das Getriebe entlastet und > der Gangwechsel kann sehr schnell erfolgen. Warum verstellst Du denn nicht einfach den ZZP auf spät?
Willi schrieb: > Warum verstellst Du denn nicht einfach den ZZP auf spät? Unabhängig von der Zweckmäßigkeit dieser Maßnahme habe ich keinerlei Einflussmöglichkeit auf den ZZP im Betrieb - die Zündkurve ist fest in die ECU einprogrammiert. Die aktuelle Variante incl. Zündkondensator funktioniert auch bisher recht stabil, es bleibt jedoch einerseits die Unsicherheit ob die kritische Drehzahl dadurch einfach nur nach oben verschoben ist. Im ungünstigsten Fall "klaue" ich mir damit ein paar Hundert Umdrehungen Max-Drehzahl ohne es zu merken. Andererseits wäre mir ganz klar eine sauber ausgelegte Auswahl und Dimensionierung der Bauteile für die Schaltfunktion (z.B. o.g. IGBT) lieber als mein aktueller Stand, der "zufällig" zu funktionieren scheint. Genau genommen handelt es sich bei der "Last" auch nicht um (bis zu) 500V Wechselstrom (also +/-500V), sondern um Gleichstromimpulse (0V bis +500V). Das SSR kann also im Null-"Durchgang" Schalten und auch bei 0V wieder abfallen - sonst würde die aktuelle Schaltung ja auch nicht funktionieren - es treten jedoch keine negativen Spannungen auf.
Mit Raten kommt man da nicht vernünftig weiter. AUf jeden Fall ist ein Schaltplan notwendig, wo das ECU meinetwegen als Block gezeichnet ist. Dann muss man messtechnisch herausfinden, was da genau geschaltet werden soll. Nur dann kann man passende Bauteile auswählen. Die üblichen universellen (Relais und SSR) taugen ja offenbar nicht. Wenn ich dann lese, dass mit einem "Arduino" an einem Fahrzeug gebastelt wird, dann ahne ich bereits, dass die Problemursache ganz woanders liegt.
Ich würde an der Stelle wohl kein Phototriac nehmen , eher ein PhotoMOS der auch Dc kann
Peter schrieb: > sondern um Gleichstromimpulse (0V bis > +500V). Die Flybackspannung der Zündspule. Und deshalb sind weder Thyristor/Triac, noch Kondensator eine taugliche Idee. Für den Bereich verwendet man seit Jahren IGBTs, und das aus gutem Grund.
Peter schrieb: > Einen ist es mit 264V~ spezifiziert und ich gehe davon aus, dass die > Spannung von der Zündspule höher liegen wird Kommt drauf an, ob du die Primärwicklung unterbrichst oder die Sekundärwicklung kurzschlisst. Aber TRIAC-basierte Halbleiterrelais haben deutliche Einschränkungen was die Spannungsanstiegsgeschwindigkeit dU/dt betrifft: steigt die Spannung schneller, zündet es einfach auch ohne Ansteuerung, schaltet also ein. Peter schrieb: > Genau genommen handelt es sich bei der "Last" auch nicht um (bis zu) > 500V Wechselstrom (also +/-500V), sondern um Gleichstromimpulse (0V bis > +500V). Na ja, das trifft nicht mal für die Primärseite der Zündspule zu. https://www.picoauto.com/de/library/automotive-guided-tests/primaerantrieb-spannung-stromstaerke-und-sekundaerzuendung-einer-zuendspule/ Hast du dich vor dem Rumbasteln nicht informiert und lässt du dich erst jetzt überraschen ?
Ich würde nach sowas Ausschau halten: https://de.rs-online.com/web/p/halbleiterrelais/9174709 Zugegeben nicht ganz billig, aber vielleicht gibt es von anderen Distributoren entsprechend schnelle IGBT Schalter. Da ich Deine Spec nicht kenne, kann ich auch nicht zu einem Typ raten.
Powermeter schrieb: > https://de.rs-online.com/web/p/halbleiterrelais/9174709 Braucht ziemlich viel Steuerstrom. Und die Paralleldiode am Ausgang kann Ärger machen. > Zugegeben nicht ganz billig, aber vielleicht gibt es von anderen > Distributoren entsprechend schnelle IGBT Schalter. SSR mit IGBT-Ausgang sind eh schon Exoten. > Da ich Deine Spec > nicht kenne, kann ich auch nicht zu einem Typ raten. Die nötige Spec ist ihm doch unbekannt. Er hat lediglich ein wenig Blabla vom Hersteller der Zündanlage.
Aus Interesse: Wie kommt man auf 80hz bei 5000rpm? Wie viele Funken hat man pro Umdrehung?
Wf88 schrieb: > Wie viele Funken hat man pro Umdrehung? Ein einzelner Viertakt Zylinder zündet einmal bei jeder zweiten Umdrehung. Bei einem 2 Zylinder hat man doppelt so viele Zündungen, eine pro Umdrehung. 5000 U/min / 60 = 83 U/s (bzw. Hz)
Stefan F. schrieb: > Wf88 schrieb: >> Wie viele Funken hat man pro Umdrehung? > > Ein einzelner Viertakt Zylinder zündet einmal bei jeder zweiten > Umdrehung. > > Bei einem 2 Zylinder hat man doppelt so viele Zündungen, eine pro > Umdrehung. > > 5000 U/min / 60 = 83 U/s (bzw. Hz) Und dann gibt es ja noch den Fall mit zwei Kerzen an einer Spule...
Wf88 schrieb: > Aus Interesse: Wie kommt man auf 80hz bei 5000rpm? > > Wie viele Funken hat man pro Umdrehung? Einzylinder Zweitakter: Genau einen ;-) Wobei es durchaus modernere Zündanlagen gibt, die pro "Zündnotwendigkeit" mehrfach zünden. Dies ist jedoch bei mir nicht der Fall.
Peter schrieb: > Genau genommen handelt es sich bei der "Last" auch nicht um (bis zu) > 500V Wechselstrom (also +/-500V), sondern um Gleichstromimpulse (0V bis > +500V). Das SSR kann also im Null-"Durchgang" Schalten Das SSR tut sich evtl. schwer bei pulsierendem Gleichstrom einen Nulldurchgang zu erkennen, der im Sinne einer Wechselspannung nicht stattfindet. Ein Modul ohne ZVS, dafür ein Widerstand für's Auffangen der Energie des harten Schaltens erscheint geeigneter. Ideal wäre ein Thyristormodul mit Logiklevel-freundlicher Eingangsstufe. Ein ZVS könnte man mit dem Mikrocontroller realisieren. Ein Kondensator parallel zum SSR könnte für den Motorbetrieb bei hohen Drehzahlen schädlich sein.
MWS schrieb: > Ideal wäre ein Thyristormodul mit Logiklevel-freundlicher Eingangsstufe. Hat dann auch die Probleme wegen zünden durch zu hohes dU/dt.
Hier vielleicht nochmal zu den Spulen: Es handelt sich nicht um eine Batteriezündung, welche mit 12V auf die Primärwicklung der Zündspule geht. Der Stator enthält einen Zündimpulsgeber und eine Hochspannungsspule, welche die (bis zu) +500V erzeugt. Im Originalzustand des Motors war die komplette Zündspule in der Lima (innerhalb des Rotors) integriert (Bild "original.jpg"). Hierbei wäre das braun/weiße Kabel dasjenige, welches zur Unterbrechung auf Masse zu legen ist. Bild "PD-Plan.jpg" zeigt den aktuellen Stand, hierbei geht es um das blaue Kabel. Also selbst wenn die ECU aus dem Signal des Zündimpulsgebers mehrere Funken generieren sollte, kommt nur genau ein Signal pro Umdrehung aus der Hochspannungsspule (vgl. zu schaltende Frequenz). Ok, mein erster Versuch mit dem einfachen 250V-Relais ist misslungen (nachvollziehbar) aber was würde dagegen sprechen statt Halbleitern ein entsprechend dimensioniertes Hochspannungs-Reed-Relais ein zu setzen (z.B. LI 05-1A85, 1000V, 2.5A, 1ms)?
Peter schrieb: > Ok, mein erster Versuch mit dem einfachen 250V-Relais ist misslungen > (nachvollziehbar) aber was würde dagegen sprechen statt Halbleitern ein > entsprechend dimensioniertes Hochspannungs-Reed-Relais ein zu setzen > (z.B. LI 05-1A85, 1000V, 2.5A, 1ms)? Geht wohl ratzfatz kaputt.
Peter schrieb: > LDR schrieb: > >> Geht wohl ratzfatz kaputt. > > Ok, aber warum/woran? Überlast natürlich. Aber da du ja keine richtigen Daten deiner Zündung nennen kannst...
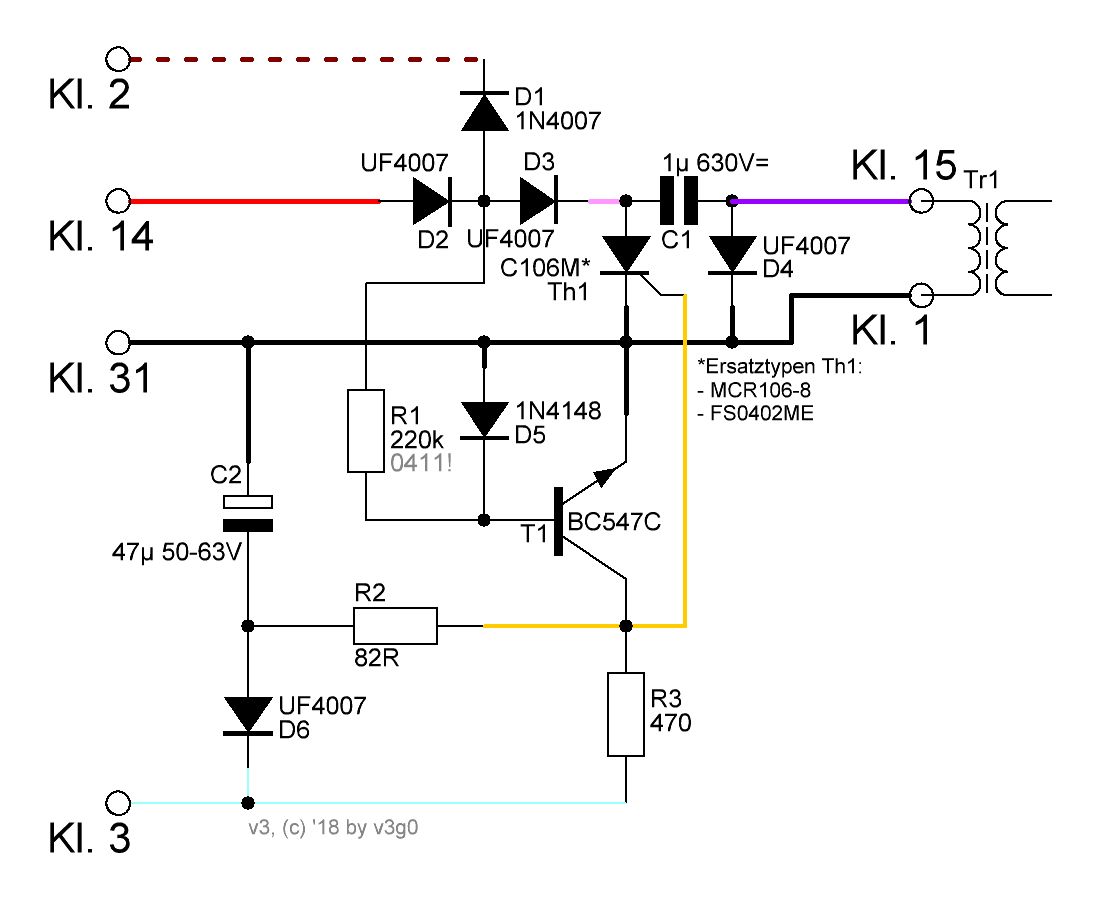
Warum schreibst du nicht gleich in den ersten Post, dass es sich um eine Simson mit Vape Zündung haltet? Ich habe mal den Schaltplan der Zündung angehängt. Hier gefunden: https://www.simsonforum.de/wbb/index.php?thread/101216-schaltpl%C3%A4ne-f%C3%BCr-steuerteile-von-e-z%C3%BCndung-und-vape-z54-z71-rj44-1-v3g0s-eigenbau/ Zum Unterbrechen der Zündung brauchst du nur das blaue Kabel (Kl.2) gegen Masse schalten. Da reicht ein Thyristor.
Ayk N. schrieb: > Warum schreibst du nicht gleich in den ersten Post, dass es sich um eine > Simson mit Vape Zündung haltet? Weil's 'ne Powerdynamo-Anlage mit Delta ECU ist von welcher ich keinen Schaltplan habe. Ist aber vermutlich eine gültige Annahme, dass das prinzipiell nicht viel anders aufgebaut ist als in dem von Dir gezeigten Plan (den ich z.B. noch nicht hatte). > Ich habe mal den Schaltplan der Zündung angehängt. Daher danke dafür, kann tatsächlich helfen! > Zum Unterbrechen der Zündung brauchst du nur das blaue Kabel (Kl.2) > gegen Masse schalten. Genau, dieses Kabel gibt's bei der Delta auch und darum geht es. Vorher habe ich genau das ja auch mit einfachen Tastern an den Schalthebeln gemacht. Da reicht ein Thyristor. Ok, danke. D.h. z.B. ein einfacher BT 151/800R weil nur positive Spannungsausschläge/"Gleichstrom" und Nulldurchgänge zum "Abschalten"? Würde Sinn machen.
Peter schrieb: > Powerdynamo-Anlage mit Delta ECU Die von RZT? Dafür habe ich keinen Schaltplan, aber die unterscheiden sich nur in der Signalverarbeitung. Peter schrieb: > ein einfacher BT 151/800R Naja, etwas sehr überdimensioniert. Der braucht recht viel Gatestrom. Ich würde eher den TIC106 (am besten die N-Variante) nehmen. Gate Vorwiderstand nicht vergessen.
Ayk N. schrieb: > Die von RZT? Dafür habe ich keinen Schaltplan, aber die unterscheiden > sich nur in der Signalverarbeitung. Ja, mit zwei Zündkurven am 100W Powerdynamo Stator/Rotor für's Duo. > Ich würde eher den TIC106 (am besten die N-Variante) nehmen. Gate Prima, danke! Werde es testen. > Vorwiderstand nicht vergessen. hihi, dafür reicht meine El.xpertise zum Glück gerade noch ;-)
Frage von einem Analog-Laien: Ist für diesen Einsatz nicht ein Zündungs-Darlington wie TIP152 am besten geeignet?
So, kurze Rückmeldung: Erste längere Testfahrt mit direkt, nur über Vorwiderstand am Gate angesteuertem MCR106-8G Thyristor über alle Drehzahlen erfolgreich. Danke nochmal, speziell an Ayk ;-)
Bitte melde dich an um einen Beitrag zu schreiben. Anmeldung ist kostenlos und dauert nur eine Minute.
Bestehender Account
Schon ein Account bei Google/GoogleMail? Keine Anmeldung erforderlich!
Mit Google-Account einloggen
Mit Google-Account einloggen
Noch kein Account? Hier anmelden.


