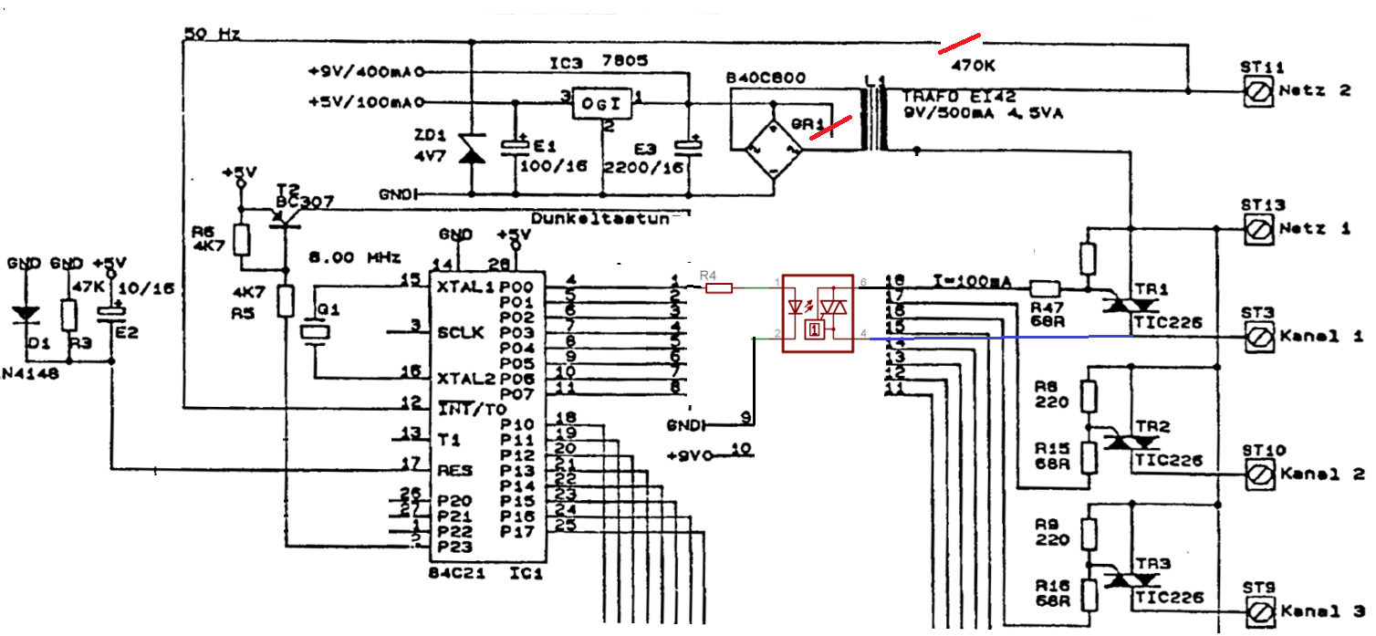
Hallo zusammen, in der Schaltung im Anhang werden Triacs als Schalter eingesetzt. Es ist eine Schaltung mit keiner galvanischen Trennung zwischen Steuer- und Lastteil. Ich habe zwei Dinge die mich wundern: 1.) warum hat man hier den TIC226 gewählt und nicht den TIC225M oder einen aus der Reihe, da der ja einen wesentlich geringeren Gatestrom benötigt? Zumal der TIC226D (der hier genutzt wird) auch noch nur bis 400V geht, mir so oder so etwas knapp bemessen an 230V AC Netz scheint. 2.) Was soll das mit dem Thema "Dunkeltastung" - ist nicht eh alles aus wenn alle Steuerpins vom Prozessor auf null sind, oder hat was mit der Prozessorarchitektur zu tun? 3.) Der Prozessor bekommen die 50Hz auf einen Interruptpin, damit er die Triacs immer wieder zünden kann, richtig? Danke Ich hätte mir wohl für diesen Fall immer einen Optokoppler als bsp. MOC3023 https://www.mikrocontroller.net/attachment/26128/test.PNG https://www.mikrocontroller.net/attachment/32789/triac.png gegönnt, allein damit nicht alles auf Dampf steht...ist nun nachträglich sicher blöd nachzurüsten... denke ich...da ich davon ausgehe dass der Prozessor ja dementsprechend Zündimpulse generiert...die man mit einer Optokopplerlösung ja nicht brauchen dürfte...sofern man nur an und aus schaltet...
:
Bearbeitet durch User
Per Optokoppler galvanisch getrennte Gatesteuerung wäre natürlich eleganter, vermutlich wollte man hier Kosten sparen. Andererseits, wenn man das Ganze in eine schutzisoliertes Gehäuse einbaut, ist eine galvanische Trennung nicht nötig. Gibt es denn Bedienelemente (Taster, Potis), die von außen berührt werden? Die Dunkeltastung verstehe ich nicht ganz, sollen die Schrägstriche an den Kreuzungspunkten Dioden darstellen? Ich vermute mal, dass die ein Triggern während der Hochlaufphase des 84C21 verhindern soll, bzw. wenn er nach dem Reset mal hängt. Hat der Controller eventuell von Anfang ab aktive Pullups? Meine 8051-Erfahrungen sind zu lange her, aber ich erinnere mich dunkel, dass es da ein Problem nach dem Reset gab.
Dennis S. schrieb: > warum hat man hier den TIC226 gewählt und nicht den TIC225M oder > einen aus der Reihe, da der ja einen wesentlich geringeren Gatestrom > benötigt? dv/dt!
Dennis S. schrieb: > Ich hätte mir wohl für diesen Fall immer einen Optokoppler als bsp. > MOC3023 ... gegönnt, allein damit nicht alles auf Dampf steht. Mit einem Optokoppler wäre das nicht getan. Die Triacs stehen sowieso "unter Dampf" und was an P10...17 bzw. Out4...8 liegt, zeigt dein Schaltplanausschnitt leider nicht. Die ganze Schaltung muss sowieso schutzisoliert eingebaut werden.
Dennis S. schrieb: > 3.) Der Prozessor bekommen die 50Hz auf einen Interruptpin, damit er die > Triacs immer wieder zünden kann, richtig? Ja. Habe ich auch damals so gemacht.
Dennis S. schrieb: > 2.) Was soll das mit dem Thema "Dunkeltastung" - ist nicht eh alles aus > wenn alle Steuerpins vom Prozessor auf null sind, oder hat was mit der > Prozessorarchitektur zu tun? Ich glaube das ist wegen dem 2803 der invertiert. Wenn der Prozessor in Reset ist, könnten die Pins highZ sein (und da die Leitungskapazität noch entladen ist würde die Leitung ja Low sein, daher alle triaks einschalten). In dem Fall würde die Dunkeltastung ja dafür sorgen, dass alle Triaks aus bleiben. Dann läuft der uC an, er kann jeder Zeit mit Activ Low auf GND ziehen und Triaks zünden.
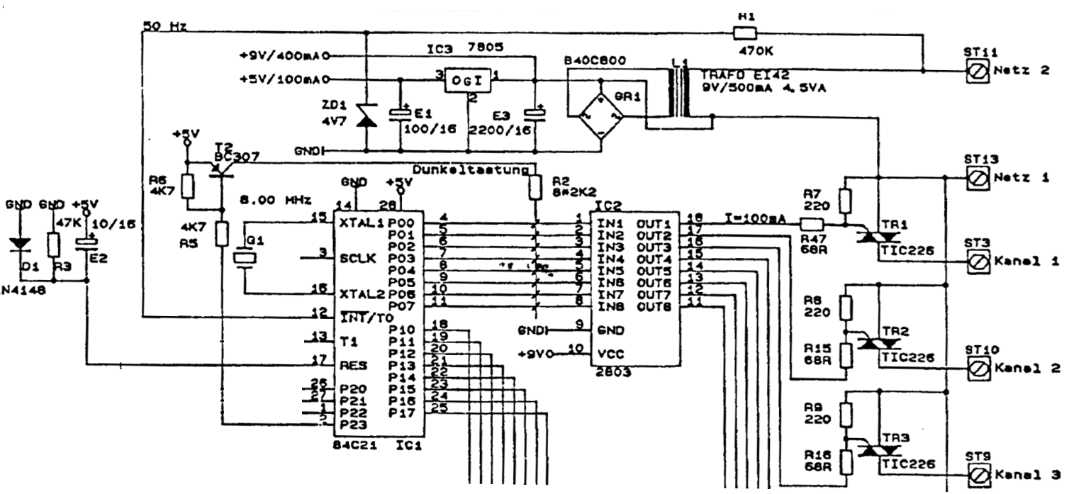
Fritz G. schrieb: > Die Dunkeltastung verstehe ich nicht ganz, sollen die Schrägstriche an > den Kreuzungspunkten Dioden darstellen? Das sind Pullup-Widerstände. Wenn der Prozessor 8051-ähnliche Ausgänge hat, dann können die kräftig nach Masse treiben, haben aber nur schwache Pullups. Der externe Pullup muss mithelfen, den Basisstrom für die Transistoren im ULN2803 zu liefern. Damit der das nicht tut wenn der Controller im Reset ist, schaltet man ihm die Spannung weg. > Ich vermute mal, dass die ein > Triggern während der Hochlaufphase des 84C21 verhindern soll, bzw. wenn > er nach dem Reset mal hängt. Richtig.
Fritz G. schrieb: > Meine 8051-Erfahrungen sind zu lange her, Der PCF84C21A gehört zu den MCS-48, nicht den MCS-51.
Soul E. schrieb: > dann können die kräftig nach Masse treiben, haben aber nur schwache > Pullups. Der externe Pullup muss mithelfen, den Basisstrom für die > Transistoren im ULN2803 zu liefern. So ist es.
Fritz G. schrieb: > vermutlich wollte man hier Kosten sparen Dafür bräuchte man dann keinen ULN2803 usw.. naja, ob es das dann gebracht hätte...hm Fritz G. schrieb: > Gibt es denn Bedienelemente (Taster, > Potis), die von außen berührt werden? Ja, alles Schutzisoliert, allemal ausreichend... Fritz G. schrieb: > Die Dunkeltastung verstehe ich nicht ganz, sollen die Schrägstriche an > den Kreuzungspunkten Dioden darstellen? Sie wie ich das verstehe ist das ein Widerstandsnetzwerk aus 8x2K2, also quasi zuschaltbare Pullups - aber an der Stelle usw... irgendwie seltsam... Fritz G. schrieb: > Ich vermute mal, dass die ein > Triggern während der Hochlaufphase des 84C21 verhindern soll, bzw. wenn > er nach dem Reset mal häng ahh, ok... Fritz G. schrieb: > Hat der Controller eventuell von Anfang ab > aktive Pullups? https://de.scribd.com/document/544577785/MAB-8021-Micro-proccessor-IC Bin mir nicht sicher, auf Seite fünf ist etwas angedeutet... aber ist auch ein mieses Datenblatt... H. H. schrieb: > dv/dt! dV/dt TIC225M 50 V/us https://cdn-reichelt.de/documents/datenblatt/A400/TIC225.pdf dV/dt TIC226 100 V/us https://cdn-reichelt.de/documents/datenblatt/A400/TIC226.pdf https://www.mikrocontroller.net/articles/TRIAC "Empfindlich auf hohes dU/dt (Spannungsanstiegsgeschwindigkeit), ungewünschtes Wiederzünden (Über-Kopf-Zünden) und Zerstörung des Bauteiles möglich. Betrifft Ausschaltmoment für induktive Lasten. Der dazu verwendete Snubber darf nur bei „snubberless“-Typen entfallen. Eine niederohmige Verbindung zwischen Gate und A1 verringert die Empfindlichkeit, daher sind snubberless- und leistungsstarke Typen mit einem integrierten Widerstand (um 100 Ω) ausgestattet und erfordern dementsprechend höhere Zündströme. Das beißt sich mit Logik-Level-Typen (Zündstrom ≤ 10 mA)." Schwer zu verstehen im ersten Moment, was das nun heißt. 1.) Sind "snubberless".Typen gleichzeitg die mit hohem dV/dt? oder sind das zwei Themen die nur indirekt miteinander zu tun haben? 2.) Wäre es so, wenn man hier ein TIC225M eingesetzt hätte, hätte man zwingend ein Snubber gebraucht und deswegen ist es der einfachere Weg einen "schwereren" Typ mit soliderer Gatebeschaltung zu nehmen, damit man dann auf der Lastseite weniger Ärger auch mit induktiven Lasten hat? Rainer W. schrieb: > Die ganze Schaltung muss sowieso schutzisoliert eingebaut werden. Nein, wenn nur der Lastteil - durch Optokoppler getrennt wäre - müsste auch nur dieser entsprechend schutzisoliert verbaut sein, darum macht man das ja in vielen Fällen auch so... Andras H. schrieb: > Ja. Habe ich auch damals so gemacht. Okay, gut zu wissen dass ich da richtig liege...wäre schon reizvoll das zu ändern...für mich. Aber dazu gehört doch mehr gefrickel...
Soul E. schrieb: > Damit der das nicht tut wenn der > Controller im Reset ist, schaltet man ihm die Spannung weg. Toll erklärt, danke - echt interessant. Und über T2 wird die Zuschaltung im Hochstartmoment erreicht, gehe ich von aus. Wenn Prozessor dann hoch ist, wird das ja vermutlich abgeschaltet - schon interessant dass es augenscheinlich nötig war dafür ein Portpin zur "verbrauchen".
:
Bearbeitet durch User
Da die Schaltung hier her stammt: Link: Beitrag "Re: Auerswald DLC 4830 Lichtcomputer" Eine Auerwald DLC... verweise ich mal hierauf. Die ist garantiert in hundertfacher Weise so verkauft worden. Ob dies heute noch so zulässig ist ... ? Mein Weg wäre auch sowas nur netzgetrennt zu bauen.
Thomas S. schrieb: > Ob dies heute noch so zulässig ist ... ? > > Mein Weg wäre auch sowas nur netzgetrennt zu bauen. Die Netztrennung bringt keinen Vorteil. Irgendein Teil der Schaltung muss auf der heißen Seite sein, warum nicht alles? Isoliert man den den uC, dann braucht man einen zusätzlichen Trafo, Gleichrichtung, Siebung, ggf. noch Spannungsregler und 8 oder 9 Optokoppler. Üblich war damals, den Audioeingang (sofern vorhanden) mit einem Übertrager zu isolieren. Gab es einen DMX512-Anschluss hat man den isoliert. Aber du hast recht, heute würde man vermutlich isolieren, weil irgendwo ein USB-Anschluss für Firmware-Updates dran ist.
H. H. schrieb: > Thomas S. schrieb: >> Ob dies heute noch so zulässig ist ... ? > > Wird millionenfach so gebaut. Eigentlich steht die Antwort zwar schon hier (Danke Hinz!), aber die eigentliche Frage war ja nach dem Warum man das so gebaut hat. Dazu muss man immer den Zeitpunkt der Entwicklung sehen. Heute, mit neuen Bauteilen, würde der selbe Entwickler das womöglich ganz anders bauen. Und dann kommt auch immer noch der Faktor dazu, insbesondere bei Mikrocontrollern, dass man da z.B. einen Atmega328 nimmt, weil man die da hat, damit gut umgehen kann, obwohl ein (ich übertreibe bewusst) ein Attiny10 dafür gereicht hätte. Die Beweggründe weiß sicher nur der Entwickler alleine.
Meine beiden Triac-Fragen: Beitrag "Re: Fragen zu älterer Triac-Schaltung Triac-Wahl TIC226 und digitale Ansteuerung" zielten darauf ab: Wenn man das auf Optokoppler umbauen wollte, hat jemand einen Vorschlag was man schaltungstechnisch ändern müsste? Ich denke man würde einen Optokoppler mit Triac und zerocrossing detection wählen MOC3063 oder 3041/2 - was wäre passend für diese Konstallation? Natürlich die Brücke der Netzspannung zur Sekundärseite auftrennen, den 470K für die 50Hz det. entfernen und den ULN raus schmeißen...
:
Bearbeitet durch User
Das Gerät wird Phasenanschnitt machen.
Dimmt nicht. Nur schalten.
Dennis S. schrieb: > Dimmt nicht. Nur schalten. Dennoch keine Koppler mit Nulldurchgangsdetektor verwenden. Und den 2803 kannst du nicht wegsparen, die Koppler brauchen mehr Strom als mit dem µC direkt möglich ist.
Dennis S. schrieb: > warum hat man hier den TIC226 gewählt und nicht den TIC225M Eventuell weil dv/dt Critical rate of rise of off-state voltage VDRM = Rated VDRM IG = 0 TC = 110°C ±50 V/µs dv/dt(c) Critical rise of commutation voltage VDRM = Rated VDRM ITRM = ±12 A TC = 70°C ±1 ±1.5 ±4.5 V/µs beim 226 etwas besser sind und daher mit kleinerem Snibber auskommen. Aber vielleicht auch nur, weil er sie da hatte. Dennis S. schrieb: > Zumal der TIC226D (der hier genutzt wird) auch noch nur bis 400V geht Welcher Buchstabe und damit Spannungsgestigkeit steht zunßchst mal nicht dabei, du musst halt einen passenden wählen je nach dem welche auch kurzzeitigen Spannungsspitzen bei dir auftreten können 800V passt zu einem 300V~ VDR. Dennis S. schrieb: > Ich hätte mir wohl für diesen Fall immer einen Optokoppler als bsp. MOC3023 gegönnt. Überflüssig wenn eh nicht netzgetrennt. Zumal du gerade den wählst der auch nur deine bemängelten 400V aushält. Dennis S. schrieb: > 50Hz auf einen Interruptpin, damit er die Triacs immer wieder zünden > kann, richtig? Richtig. Insgesamt ist die Schaltung halt alt. Heute gibt es snubberless logic level TRIACs die direkt vom uC gezündet werden.
H. H. schrieb: > Und den 2803 kannst du nicht wegsparen, Meine Überlegung war nur an der Stelle zu erweitern, mit einer Adapterplatine mit den Optokopplern drauf, da kann auch ein ULN mit drauf... daran solls nicht liegen...
Michael B. schrieb: > Welcher Buchstabe und damit Spannungsgestigkeit steht zunßchst mal nicht > dabei Jau, aber es ist D verbaut. Michael B. schrieb: > Insgesamt ist die Schaltung halt alt. Heute gibt es snubberless logic > level TRIACs die direkt vom uC gezündet werden. Zum Beispiel? Wäre mal interessant...ganz unabhängig von der Thematik hier. Michael B. schrieb: > Überflüssig wenn eh nicht netzgetrennt. Es geht mir nicht um die Netztrennung, es geht mir vor allem darum den uc diese Aufgabe abzunehmen, da ich eventuell einen anderen selber einsetzen möchte...und ich hätte das gern aus der Schusslinie...
:
Bearbeitet durch User
Dennis S. schrieb: > Michael B. schrieb: >> Insgesamt ist die Schaltung halt alt. Heute gibt es snubberless logic >> level TRIACs die direkt vom uC gezündet werden. > > Zum Beispiel? Wäre mal interessant...ganz unabhängig von der Thematik > hier. Gängig in der Klasse wären BTA08/BTB08/BTA12/BTB12. Im Datenblatt dann nach dem passenden Suffix suchen.
Dennis S. schrieb: > Es geht mir nicht um die Netztrennung Na dann spar dir die 8 Optokoppler. Dennis S. schrieb: > Zum Beispiel? z.B. BTB08 SW CW Dennis S. schrieb: > es geht mir vor allem darum den uc diese Aufgabe abzunehmen, er steuert, oder so. Du müsstest, wenn du nur einschaltest, nichts weiter machen als den Ausgang auf HIGH (nach ULN2x03 LOW) zu lassen, dauerzünden, kostet halt Strom aus dem Netzteil. Er sollte halt nur kurz nach dem Nulldurchgang erstmalig eingeschaltet werden wenn man Phasenanschnitt vermeiden will. Insgesamt gibt es anderes wichtiges was deine veraltete Schaltung voll ignoriert. Ein 300V~ VDR sollte Überspannung aus dem Netz abfangen, der sollte mit einer drangebundenen 98GradC Temperatursicherung vor Abfackeln geschützt werden, die TRIACs müssten dann 775V(800V) aushalten. Jeder Ausgang sollte eine Sicherung mit einem Schmelzintegral A2s kleiner als das Schmelzintegral des TRIACs gegen Kurzschluss bekommen damit die Elektronik bei Kurzschluss nicht kaputt geht. Und man sollte kurze Zundimpulse (100us) nutzen damit man nicht die ganze Zeit Strom aus dem Netzteil braucht. Phasenanschnitt willst du nicht, also braucht es keine Drossel zur Funkentstorung, aber ein Snubber um dU/dt bei induktiven Lasten zu begrenzen könnte sinnvoll sein. All das fehlt deiner Schaltung.
Was noch gar nicht zur Sprache kam: Die Triacs werden in dieser Schaltung mit negativem Strom gezündet, da die A1 auf +9V liegen und die Gates auf Gnd gezogen werden. Das hängt damit zusammen, wie empfindlich Triacs in welchem Quadranten sind. Am günstigsten ist es, wenn der Gatestrom die selbe Polarität hat wie der A2-strom. Am zweitgünstigsten ist es, wenn das Gate immer negativ ist. Der Grund ist, dass bei gegenpoligem Zünden der Gatestrom höher sein muss und es zu Hochfrequenzstörungen kommen kann in dem Augenblick, wenn der Triac intern "umschnackelt". Der ungünstigste Fall ist A2 negativ und Gate positiv. Wenn man das Gate mit einem MOC ansteuert, ist die Gatepolarität immer richtig. https://www.mikrocontroller.net/articles/TRIAC Abschnitt "Ansteuerung"
:
Bearbeitet durch User
> Eigentlich steht die Antwort zwar schon hier (Danke Hinz!), aber die > eigentliche Frage war ja nach dem Warum man das so gebaut hat. > Dazu muss man immer den Zeitpunkt der Entwicklung sehen. Es ist noch viel schlimmer. Man muesste Mitglied des Entwicklungsteams sein. Als jemand der selbst professionell Hardware entwickelt kann ich sagen das die Wege des Ingenieurs manchmal unerforschlich sind. :-D Ein Beispiel: Du hast ein Projekt laufen von dem jedes Jahr 1000000Stk gefertigt werden. Alle Bauteil dafuer sind im Lager und bereits im System. Manche eigentlich eher teure Teile sind erstaunlich preiswert weil sie Rollenweise beim Hersteller eingekauft werden. Wenn du jetzt irgendwas machst was nur in Kleinstueckzahlen von 1000 oder 10000Stk gebraucht wird, dann kann es sehr klug sein so ein Bauteil einzusetzen. (Preis, Aufwand Bauteil anlegen, Verfuegbarkeit) anderes Beispiel: Optokoppler. Du brauchst da nicht nur den Koppler, oftmals brauchst du auch irgendeine Zertifizierung die der Hersteller angestellt haben muss. Das schliesst dann eine Menge preiswertere anderer Typen aus. Und manchmal auch schlicht Werbung. ICh glaube ich habe jedes Jahr bestimmt 5x einen FAE da rumsitzen der mir von seinen neuesten Produkten erzaehlt. Oftmals sogar ein paar Monate bevor die offiziell vorgestellt werden. Von den ganzen Emails garnicht zu reden. Vanye
Bitte melde dich an um einen Beitrag zu schreiben. Anmeldung ist kostenlos und dauert nur eine Minute.
Bestehender Account
Schon ein Account bei Google/GoogleMail? Keine Anmeldung erforderlich!
Mit Google-Account einloggen
Mit Google-Account einloggen
Noch kein Account? Hier anmelden.

