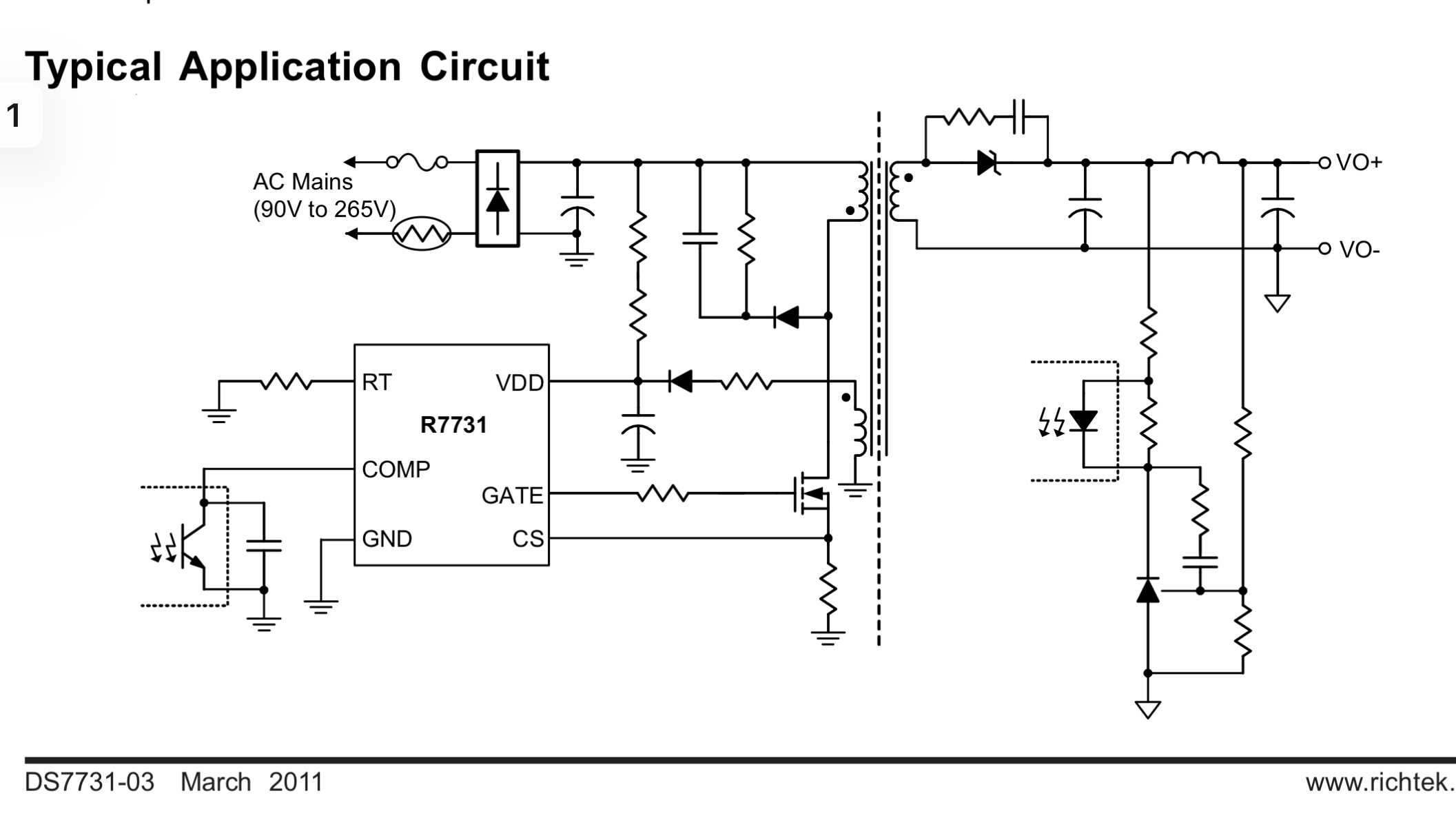
Habe hier ein Netzteil aus einer Medion Nähmaschine, das nicht funktioniert. Liefern soll es (nach Rückmessung der Widerstände am TL431) 24V und 5V über einen simplen 7805. Das Problem ist, das es anfängt zu takten nachdem sich die Spannung am Schaltregler R7731 über die Bias-Widerstände auf ca. 12V aufgeladen hat. Nach einigen Impulsen unterbricht es, die Betriebsspannung am R7731 sackt zusammen und das Spiel geht von vorne los. Auf der Sekundärseite baut sich etwas Spannung auf, aber natürlich nicht genug. Bei den Versuche speise ich das Netzteils über eine Gleichspannungsquelle 100V, Strombegrenzung auf 150mA. (Höhere Spannung auch testhalber) Was ich bis jetzt gemacht habe: - Alle Halbleiter durchgemessen, Dioden auch auf Sperrspannung. - MOSFET manuell angesteuert, Strom fließt bis zur Strombegrenzung. - TL431 samt Optokoppler auf Funktion geprüft. Schaltet sauber bei Anstieg auf 24V bis zur Primärseite durch. Optokoppler auch testhalber ersetzt. - Alle Kondensatoren geprüft, auch ESR. 10uF Betriebsspannungskondensator ersetzt. - Netzwerk D/C/R an der Primärspule überprüft. - Pfad der Strommessung am MOSFET Source überprüft, es bilden sich lt. Datenblatt erwartungsgemäß 0,9V-Nadeln aus am CS Pin. Passt zum Datenblatt. Auf den Fotos: Ich musste den 39k Widerstand R321 am TL431 ersetzen, der war mir zerbrochen. Das Oszillogramm zeigt in Blau die Gate-Ansteuerung des MOSFETs, Gelb der Verlauf der Betriebsspannung des R7731. Was mich wundert ist die Tatsache, dass die Spannung nicht höher wird wenn die Ansteuerung losgeht. Das Schaltbild aus der AppNote anbei, entspricht bis auf Kleinigkeiten dem Aufbau. Da der R7731 schwierig zu bekommen ist (oder eher garnicht) möchte ich alle Möglichkeiten ausschöpfen, vlt. hat ja jemand noch Ideen.
Harald A. schrieb: > Bei den Versuche speise ich das Netzteils über eine > Gleichspannungsquelle 100V, Zu wenig, das entspricht ja nur 70V~ Nimm genug. Protokolliere VDD. Wird absacken weil nicht genug über die Hilfswicklung kommt. Harald A. schrieb: > der war mir zerbrochen Ausser Betrieb oder war er die Ursache warum es nicht mehr geht?
Harald A. schrieb: > Das Oszillogramm zeigt in Blau die Gate-Ansteuerung > des MOSFETs, Gelb der Verlauf der Betriebsspannung des R7731. Was mich > wundert ist die Tatsache, dass die Spannung nicht höher wird wenn die > Ansteuerung losgeht. Ja, das passt nicht. Die ändert sich ja gar nicht. Sollte irgendwie die Hilfswicklung oder Diode/Widerstand/Kondensator für die Versorgungsspannung kaputt sein, hätte ich erwartet dass die zusammenbricht und in der Folge dann das Takten des MOSFET beendet wird. Du schreibst ja auch: > Nach einigen Impulsen unterbricht es, die Betriebsspannung am R7731 > sackt zusammen und das Spiel geht von vorne los. und genau das sehe ich auf dem Oszillogramm nicht. Und auch der Messwert "Vpp" in gelb, also für die Betriebsspannung, mit 2,2V passt nicht zu dem was ich sonst so für solche Schaltregler-ICs kenne. Mit 2,2V wirst Du keinen Netzspannungs-Leistungsmosfet ansteuern können. Meine Vermutung ist erst mal ein Messfehler bei dem Oszillogramm.
:
Bearbeitet durch User
NT nicht ans Netz, sondern mit dem Labornetzteil 15V direkt am Regler einspeisen. Dann das Signal am Gate messen. Wenn das gut aussieht, dann die 15V zusätzlich an den Zwischenkreis anlegen. So lässt sich mit harmloser Spannung alles untersuchen.
Danke für die schnellen Rückmeldungen. Ja, das Oszibild war ungenügend, jetzt besser. Die Spannung steigt bis 14V, dann geht es los. Übrigens jetzt mit 200V DC.
:
Bearbeitet durch User
H. H. schrieb: > NT nicht ans Netz, sondern mit dem Labornetzteil 15V direkt am Regler > einspeisen. Dann das Signal am Gate messen. > > Wenn das gut aussieht, dann die 15V zusätzlich an den Zwischenkreis > anlegen. So lässt sich mit harmloser Spannung alles untersuchen. Wenn ich von 0 auf 15V hochdrehe taktet er für exakt 40ms, danach muss ich neu starten.
:
Bearbeitet durch User
Harald A. schrieb: > Danke für die schnellen Rückmeldungen. Ja, das Oszibild war ungenügend, > jetzt besser. Die Spannung steigt bis 14V, dann geht es los. Übrigens > jetzt mit 200V DC. Ok, die Frage ist jetzt warum die Versorgung für den Schaltregler über die Hilfswindung nicht klappt. Nachdem Du den Kondensator schon ausgetauscht hast, bleiben noch die Hilfswindung selbst, die Lötstellen, die Diode, der Widerstand. Die würde ich mir als nächstes genauer anschauen, evtl. einseitig auslöten und dann vermessen.
Harald A. schrieb: > H. H. schrieb: >> NT nicht ans Netz, sondern mit dem Labornetzteil 15V direkt am Regler >> einspeisen. Dann das Signal am Gate messen. >> >> Wenn das gut aussieht, dann die 15V zusätzlich an den Zwischenkreis >> anlegen. So lässt sich mit harmloser Spannung alles untersuchen. > > Wenn ich von 0 auf 15V hochdrehe taktet er für exakt 40ms, danach muss > ich neu starten. Ah, der Regler hat eine Schutzschaltung gegen defekten Optokoppler, die greift so natürlich unbeabsichtigt. Prüfe R310 und D302.
15V zusätzlich an den Zwischenkreis: er macht ca. 16 Impulse am Gate, dann Ruhe. Spiel wiederholt sich jetzt 18ms.
H. H. schrieb: > Harald A. schrieb: >> H. H. schrieb: >>> NT nicht ans Netz, sondern mit dem Labornetzteil 15V direkt am Regler >>> einspeisen. Dann das Signal am Gate messen. >>> >>> Wenn das gut aussieht, dann die 15V zusätzlich an den Zwischenkreis >>> anlegen. So lässt sich mit harmloser Spannung alles untersuchen. >> >> Wenn ich von 0 auf 15V hochdrehe taktet er für exakt 40ms, danach muss >> ich neu starten. > > Ah, der Regler hat eine Schutzschaltung gegen defekten Optokoppler, die > greift so natürlich unbeabsichtigt. > > Prüfe R310 und D302. R310 4,3Ohm, D302 in Ordnung und auch ausgetauscht. Hilfswicklung ebenfalls gemessen kleiner 1 Ω
Ich muss allerdings sagen, dass ich C310 von 10uF (Original) auf 22uF erhöht habe, hatte nichts anderes zur Hand
Harald A. schrieb: > R310 4,3Ohm, D302 in Ordnung und auch ausgetauscht. Hilfswicklung > ebenfalls gemessen kleiner 1 Ω Keine Ahnung was die Hilfswicklung für nen Widerstand im Normalzustand hat. Könnte durchaus auch höher sein. Wenn die Lötstellen ok sind dann riecht es für mich nach kaputter Hilfswicklung.
Michael B. schrieb: > Harald A. schrieb: >> der war mir zerbrochen > > Ausser Betrieb oder war er die Ursache warum es nicht mehr geht? Mir zerbrochen beim Anlöten eines Stückes Silberdraht.
Gerd E. schrieb: > Harald A. schrieb: >> R310 4,3Ohm, D302 in Ordnung und auch ausgetauscht. Hilfswicklung >> ebenfalls gemessen kleiner 1 Ω > > Keine Ahnung was die Hilfswicklung für nen Widerstand im Normalzustand > hat. Könnte durchaus auch höher sein. > > Wenn die Lötstellen ok sind dann riecht es für mich nach kaputter > Hilfswicklung. 0,4Ω tatsächlich. Hm, was meinst Du hinz? Im Verhältnis werden es ja nur wenige Windungen sein. Ich könnte die Diode mal rauslassen und messen was da rauskommt während der wenigen Taktungen. Irgendwie belasten?
Harald A. schrieb: > Ich muss allerdings sagen, dass ich C310 von 10uF (Original) auf > 22uF > erhöht habe, hatte nichts anderes zur Hand Passt schon.
Harald A. schrieb: > 0,4Ω Nicht ungewöhnlich. > Ich könnte die Diode mal rauslassen und messen > was da rauskommt während der wenigen Taktungen. Mach das. > Irgendwie belasten? Nö.
So, Aufbau wie folgt: Zwischenkreis und Versorgung R7731 jetzt 15V, ständiges Restart wie beschrieben. In diesem Bild jetzt Gelb die Gateimpulse, Blau die unbelastete Hilfswicklung gegen GND.
Trafo in Ordnung. Sieht nach Überlast auf der Sekundärseite aus.
Tja, 5V Kreis aufgemacht, 24V Kreis getestet, kein Kurzschluss. Merkwürdig. Bin jetzt erstmal weg. bis heute Abend, falls noch jemand eine Idee hat.
:
Bearbeitet durch User
Wie sieht es denn mit der Spannung an der Hilfswicklung aus wenn Du die Bauteile auf der Sekundärseite komplett abklemmst und offen hängen lässt? Dann sollte für einen Moment mehr Leistung an der Hilfswicklung ankommen. Bis wieder die Schutzschaltung zuschlägt. Oder die Hilfswicklung hat doch nen Schluss.
Evtl. den ganzen Trafo am Funktionsgenerator testen? Habe ich noch nicht gemacht. Aussicht auf Erfolg?
Harald A. schrieb: > Evtl. den ganzen Trafo am Funktionsgenerator testen? Habe ich noch nicht > gemacht. Aussicht auf Erfolg? Das ist nicht ganz so einfach. Weil wenn Du auf der Sekundärseite oder Hilfswicklung ein Signal siehst, weißt Du noch nicht ob da dann auch ausreichend Leistung drüber übertragen werden kann. Ein Wicklungsschluss kann auch irgendwo in der Mitte der Wicklung auftreten - dann sieht zwar die Signalform ok aus, aber Amplitude und Leistungsübertragung passen nicht.
Harald A. schrieb: > Evtl. den ganzen Trafo am Funktionsgenerator testen? Da tuts der Regler genauso gut. Gerd E. schrieb: > Wie sieht es denn mit der Spannung an der Hilfswicklung aus wenn Du die > Bauteile auf der Sekundärseite komplett abklemmst und offen hängen > lässt? Bei immer noch 15V im Zwischenkreis!
Thomas W. schrieb: > D301 R311 sieht komisch aus. Die sind vor dem Gate, und da siehts ja soweit gut aus.
Das letzte Oszillogramm sieht mir so aus als ob sekundär, hinter der Gleichrichtung, ein Kurzschluss bestände. Speise mal, bei stromlosem Primärkreis, mit dem Labornetzteil DC auf den Ausgang und beobachte die Stromaufnahme. Es fällt auf dass hier ein flyback-plateau von vlt 0,7V erreicht wird, was zustanden kommen kann bei Kurzschluß hinter Gleichrichtung - entweder der Sekundärwicklung oder der Hilfswicklung. Jedenfalls scheint der controller-chip nicht defekt zu sein, der Übertrager auch nicht.
:
Bearbeitet durch User
Wieder da. Ich habe jetzt mal alles mit 15V versorgt und nutze jeweils die ersten 40ms Startversuch für Aufnahmen der Spannungen an den Wicklungen. Siehe Bilder, Gelb jeweils das Gate, Blau die Spannugnen an den Wicklungen, habe GND primär und sekundär hilfsweise verbunden. Alle Wicklungen sind dabei offen und nur einseitig jeweils mit GND verbunden. Mit ist die harte Begrenzung nach unten nicht ganz klar, ich hätte jetzt auch einen Schwinger ins Negative erwartet. IMG_4108 Hilfswicklung IMG_4107 5V-Wicklung IMG_4106 24V-Wicklung
Das sieht alles gut aus. Der Fehler muss im Bereich der jetzt abgeklemmten Sekundärseite zu finden sein.
Der Witz ist noch, das die Maschine angeblich nie in Betrieb war. Gekauft, kurz eingeschaltet, doch nicht gebraucht über Jahre und jetzt nach dem Hervorkramen ging nichts mehr.
H. H. schrieb: > Das sieht alles gut aus. Der Fehler muss im Bereich der jetzt > abgeklemmten Sekundärseite zu finden sein. Okay, will ich gerne glauben. Allerdings fragen ich mich, was ich noch tun kann. Die 5V Schiene abgeklemmt da nicht an der Regelung beteiligt. In der 24V Schiene kein Kurzschluss feststellbar, auch nicht bei Fremdeinspeisung. Gleichrichterdiode probehalber durch eine 1N4007 ersetzt. Alles ohne Wirkung. Der TL431 wird schön bei ca. 24V leitend und schiebt Strom durch die Optokoppler-LED.
Harald A. schrieb: > Die 5V Schiene abgeklemmt Nur am Ausgang, oder z.B. den 7805 ausgelötet, oder dessen Zuleitung durchgekratzt? Kann man ja hinterher wieder flicken, die Leiterbahn.
Gerald B. schrieb: > Harald A. schrieb: >> Die 5V Schiene abgeklemmt > > Nur am Ausgang, oder z.B. den 7805 ausgelötet, oder dessen Zuleitung > durchgekratzt? Kann man ja hinterher wieder flicken, die Leiterbahn. Die Gleichrichterdiode raus
War das Comp Signal, Pin 7 schon als gut befunden worden?
ich würde jetzt mal die Einspeisung in den primären Ladeelko von +15V ausgehend erhöhen. Was passiert dann?
:
Bearbeitet durch User
Danke für die letzten beiden Hinweise. Ich habe jetzt mal alles mit Netzteilen unabhängig gespeist. Beginnend mit 15V VCC, 15V Zwischenkreisspannung und variable Spannung Sekundär 0..30V. Oszilloskop an COMP Signal. Und siehe da, schon bei sehr geringen Spannungen sekundär geht COMP sofort auf 0V. D.h. für mich, dass die ersten Messungen bzgl. TL431 nicht gut genug waren. Da ich den Optokoppler schon getauscht habe bleibt nur der TL431 samt Außenbeschaltung. Habe gerade keinen zur Hand, muss mal gerade irgendeine Warze schlachten um einen zu ernten. EDIT: Das wird so nichts, alles SMD. Ich habe gerade keinen Nerv den da ersatzweise reinzutüdeln. Ich habe welche in TO92 bestellt und werde die Tage berichten. Nochmals DANKE für die überaus kompetenten hilfreichen Antworten an alle Beteiligten!
:
Bearbeitet durch User
Mark S. schrieb: > Hattest Du nicht zuvor korrekte Regelung des TL431 gemessen? Hatte er wohl Mist gemessen. ;-)
H. H. schrieb: > Mark S. schrieb: >> Hattest Du nicht zuvor korrekte Regelung des TL431 gemessen? > > Hatte er wohl Mist gemessen. ;-) Genau! Ich hatte langsam hochgedreht und beim berechneten Punkt gab es den Stromanstieg durch die OK Vorwiderstand. Darauf hatte ich mich konzentriert. Offensichtlich leckt der TL431 aber, genug um den OK schon vorher zu bedienen
Dann erzähl mal demnächst was nach Austausch des 431 ist.
Harald A. schrieb: > Gleichrichterdiode probehalber durch eine 1N4007 ersetzt. Viel zu lahm für Schaltnetzteil.
Heinrich K. schrieb: > Harald A. schrieb: >> Gleichrichterdiode probehalber durch eine 1N4007 ersetzt. > > Viel zu lahm für Schaltnetzteil. Im Leerlauf hier kein Problem.
Heinrich K. schrieb: > Harald A. schrieb: >> Gleichrichterdiode probehalber durch eine 1N4007 ersetzt. > > Viel zu lahm für Schaltnetzteil. Ja, ich weiß, war auch mehr eine Notlösung, da gerade keine bedrahtete Schottky zur Hand und ich die Originaldiode samt Kühlkörper nicht ständig bewegen wollte. Ansonsten wie Hinz schon sagt, unbelastet kein Problem.
Harald A. schrieb: > Offensichtlich leckt der TL431 aber, genug um den OK schon > vorher zu bedienen Das ist beileibe nicht die einzige Möglichkeit, bist ein wenig voreilig in Deinen Schlußfolgerungen
Ich höre mir sehr gerne weitere Möglichkeiten an, nur zu!
Der TL431 braucht einen Mindeststrom von mehreren 100uA, oberhalb dessen er arbeitet. Folglich darf auch die Optokopplerdiode erst so ab ca 0,5mA überhapt "anspringen". Wenn nun z.B eine Lötstelle des zughörigen parallel-Widerstandes morsch ist, können auch solche Sachen passieren. Miß mal das Spannungsgefälle über der Opto-LED, so ab 1V etwa beginnt die Leitung des OC.
:
Bearbeitet durch User
Mark S. schrieb: > Der TL431 braucht einen Mindestarbeitsstrom von mehreren 100uA, oberhalb > dessen er arbeitet. Folglich darf auch die Optokopplerdiode erst so ab > ca 0,5mA überhapt "anspringen". Wenn nun z.B eine Lötstelle des > zughörigen parallel-Widerstandes morsch ist, können auch solche Sachen > passieren. > Miß mal das Spannungsgefälle über der Opto-LED, so ab 1V etwa beginnt > die Leitung des OC. Okay, wir haben den R321 (ersatzweise durch den bedrahteten 39k), R322 und R323 parallel = 4,4k und den 680ohm als Vorwiderstand für den OK. Zusätzlich noch ein C parallel zu REF und C vom TL431. Das war es. Auf der Primärseite nur ein C parallel zu CE Strecke, E auf GND, C an den Schaltregler
Was ist denn mit der Lötstelle am positiven Anschluss vom 68µ Zwischenkreiselko. Sieht auf dem Foto wie gerissen aus....
Und was kommt an der OPTO-LED an bei z.B +10V DC-Ausgang?
Peter O. schrieb: > Was ist denn mit der Lötstelle am positiven Anschluss vom 68µ > Zwischenkreiselko. Sieht auf dem Foto wie gerissen aus.... Das ist tatsächlich eine Spiegelung meiner Tischlupe. Der war auch raus und ist frisch verlötet. Trotzdem danke für den Hinweis.
Da das Problem nun auf die Regelstrecke eingekreist ist müßtest Du nun Fehler eigentlich selbst heraus finden.
Mark S. schrieb: > Und was kommt an der OPTO-LED an bei z.B +10V DC-Ausgang? Guter Punkt, ich werde es voraussichtlich morgen Abend messen.
Falls Dich die Lust verlässt und die Leistung genügt, liegen hier noch ein paar MW 25-24 Platinen im Regal. Die 5V müssten drangebastelt werden.
So kurz vor dem Ziel? Nö! Eine weitere Fehlermöglichkeit wäre natürlich ein Fehler im Spannungsteiler des TL431.
Manfred P. schrieb: > Falls Dich die Lust verlässt und die Leistung genügt, liegen hier noch > ein paar MW 25-24 Platinen im Regal. Die 5V müssten drangebastelt > werden. Vielen Dank für den Hinweis! Da das allerdings im Rahmen eines Repaircafes repariert wird, haben wir die interne Regelung, dass nur mit Originalteilen repariert wird. Jegliche Abwandlung, die ich für mich selbst sofort umsetzen würde, machen wir - aus hoffentlich nachvollziehbareren Gründen - nicht.
Mark S. schrieb: > So kurz vor dem Ziel? Nö! Sehe ich auch so! > Eine weitere Fehlermöglichkeit wäre natürlich ein Fehler im > Spannungsteiler des TL431. Also schalten tut das Ding ja bei ca. 24V, wie ich eingangs sagte. Nur die vorherige Ansteuerung durch - womöglich- Leckstrom hatte ich nicht auf dem Schirm. Also von daher ist der Teiler zu 95% I.O. Schätze mal Di habe ich den TL431. Dann werde ich den einsetzen und alles funktioniert. Träum.
Manfred P. schrieb: > Falls Dich die Lust verlässt und die Leistung genügt, liegen hier noch > ein paar MW 25-24 Platinen im Regal. Die 5V müssten drangebastelt > werden. Harald A. schrieb: > Schätze mal Di habe ich den TL431. Dann werde ich den einsetzen und > alles funktioniert. Träum. Bin gespannt. Auf jeden Fall hat der TL431 schon eine wichtige Rolle, wenn man die Beschreibung im Datenblatt liest. Was ich allerdings auch dort lese, dass ein zu hoher Strom genau zu dem anfangs beschriebenen Verhalten führt.
Frank O. schrieb: > Bin gespannt. > Auf jeden Fall hat der TL431 schon eine wichtige Rolle, wenn man die > Beschreibung im Datenblatt liest. > Was ich allerdings auch dort lese, dass ein zu hoher Strom genau zu dem > anfangs beschriebenen Verhalten führt. Ich hatte vor ein paar Monaten ein 5 & 12V NT, das wegen einem schwächelnden Zwischenkreiselko in den Hickup gegangen ist. Solle man nicht gänzlich aus den Augen verlieren. Wobei das hier eher unwahrscheinlich zu sein scheint, bei der Rückeinspeisung, quasi von hinten.
Gerald B. schrieb: > schwächelnden Zwischenkreiselko Hier nicht. https://www.mikrocontroller.net/attachment/682555/IMG_4101.jpeg
Harald A. schrieb: > Also schalten tut das Ding ja bei ca. 24V, wie ich eingangs sagte. Da hast Du natürlich recht, das hatte ich nicht im Blick Es ist einfach sehr unwahrscheinlich dass so ein IC nur "ein klein wenig kaputt" ist.
:
Bearbeitet durch User
Mark S. schrieb: > Es ist einfach sehr unwahrscheinlich dass so ein IC nur "ein klein wenig > kaputt" ist. Ich bin ja selbst noch skeptisch. Produziert werden die von etlichen Firmen, könnte ja sein, dass da mal etwas schiefgeht in Sachen Qualität. Das Netzteil macht generell nicht gerade den Eindruck, dass der Hersteller auf höchste Qualität gesetzt hat. Ich bin ja schon froh, dass es nicht der Schaltregler ist, den bekommt man nämlich nicht mehr. Wäre es der müsste ich das Gerät abschreiben.
:
Bearbeitet durch User
Harald A. schrieb: > Ich bin ja schon froh, dass > es nicht der Schaltregler ist, Ich halte den aber immer noch für möglich. Auch wenn der Strom außen in Ordnung ist, kann der Regler das intern anders erkennen.
Harald A. schrieb: > Ich bin ja schon froh, dass > es nicht der Schaltregler ist, den bekommt man nämlich nicht mehr. Wäre > es der müsste ich das Gerät abschreiben. Sind diese 24V und 5V nur mit solch einem Netzteil zu generieren möglich?
.● Des|ntegrator ●. schrieb: > Sind diese 24V und 5V nur mit solch einem Netzteil > zu generieren möglich? Natürlich nicht - eine Bastellösung kommt aber laut TO nicht infrage, da es sich bei der Maschine um fremdes Eigentum handelt. Ich wäre in der Beziehung auch pingelig.
Spätestens, wenn es darum geht, ob wegschmeißen oder Bastellösung, wird wohl die Bastellösung akzeptiert werden ;-)
Man muss ja nur an diese ganzen LNKs der Waschmaschinen denken. Da hätte ich sofort ein externes Netzteil genommen und hinterm LNK eingespeist. Zumal du genügend Platz in einer Waschmaschine hast, um das alles dort unterzubringen. Pragmatische Lösungen, dort wo sie angebracht sind.
Frank O. schrieb: > Zumal du genügend Platz in einer Waschmaschine hast, um das > alles dort unterzubringen. *Näh*maschine!
Gerald B. schrieb: > Spätestens, wenn es darum geht, ob wegschmeißen oder Bastellösung, > wird > wohl die Bastellösung akzeptiert werden ;-) Mit externem 24V NT.
Externes Netzteil bedingt u.U. den Austausch der Einspeisesteckverbindung oder festen Kabelanschluss.
:
Bearbeitet durch User
Gerald B. schrieb: > Spätestens, wenn es darum geht, ob wegschmeißen oder Bastellösung, wird > wohl die Bastellösung akzeptiert werden ;-) Siehe auch: Beitrag "Re: Netzteil ESO1AP aus Medion Nähmaschine" Entweder fachgerecht repariert oder weg. Da gibt es leider kein "Ja, aber". Im Einzelfall bitter aber so ist es. Ehrlich gesagt unterschreibe ich das auch vollumfänglich. Es gibt ja auch immer noch die Möglichkeit das an Medion zu senden und dort kostenpflichtig reparieren zu lassen. hhinz schrieb: > *Näh*maschine! Genau, die ist pickepacke voll
:
Bearbeitet durch User
Auch wenn es hier um eine Nähmaschine geht, kann ich die Einschränkung verstehen. Frank O. schrieb: > eingespeist. Zumal du genügend Platz in einer Waschmaschine hast, um das > alles dort unterzubringen. Und in einer Waschmaschine würde ich das erst recht nicht machen. Denn dort hast Du heißes Wasser, damit Dampf und Vibrationen, Vibrationen, Vibrationen. Wenn Du da einfach ein Netzteil irgendwo reinbastelst, fällt Dir das oder seine Kabel ruck zuck wieder ab. Das geht natürlich auch in richtig und haltbar, aber das ist nicht mal so eben schnell gemacht.
:
Bearbeitet durch User
Hat die Nähmaschine einen Namen, Nummer / Hersteller? Bitte immer ALLE verfügbaren Daten schreiben. Auf der Platine steht E123995, am Kern EER28-01 vor dem Kühlkörper steht noch was mit M..., bitte posten! Das Netzteil findet sich sicher auch in anderen Geräten. Der Schaltregler R7731 ist von RichPower. Gibt es ein kompatibles IC? https://www.kleinanzeigen.de/s-medion+n%C3%A4hmaschine/k0 bringt 210 Treffer ab 5 Euro, da ist gewiss was brauchbares (zerlegbares) dabei.
:
Bearbeitet durch User
Torsten B. schrieb: > Hat die Nähmaschine einen Namen, Nummer / Hersteller? > Bitte immer ALLE verfügbaren Daten schreiben. Hat sie bestimmt, habe die Maschine nicht vor Ort. Die Kunden bei uns im Repaircafe sind aus Platzgründen gehalten, den Kram in Behältnissen wieder mitzunehmen. Nur das Netzteil habe ich, da die Ursache nach erster Messung eindeutig war. Ich wüsste aber auch nicht, was das jetzt bringen soll. Bis hier lief der Thread ja auch ohne diese Infos in sehr guten Bahnen. Wenn es Dir gedanklich hilft, denke dir die Nähmaschine einfach weg und tue so, als ob ich nur das Netzteil reparieren möchte. > Auf der Platine steht E123995, am Kern EER28-01 > vor dem Kühlkörper steht noch was mit M..., bitte posten! > Das Netzteil findet sich sicher auch in anderen Geräten. Da steht Model: ESO1AP. > > Der Schaltregler R7731 ist von RichPower. > Gibt es ein kompatibles IC? Nach meiner Einschätzung nicht. Wenn Du etwas weißt bitte sagen! > > https://www.kleinanzeigen.de/s-medion+n%C3%A4hmaschine/k0 > bringt 210 Treffer ab 5 Euro, da ist gewiss was brauchbares > (zerlegbares) dabei. Das raten wir den Kunden auch manchmal, falls wir die Baugruppe endgültig aufgeben müssen. Auch wenn unsere Reparaturquote recht hoch ist garantieren wir dennoch keine 100% Kundenzufriedenheit oder gehen gar in ungefragte Vorleistungen.
:
Bearbeitet durch User
Link zum ausführlichen 11-seitigen Datenblatt des Richtek R7731: https://www.richtek.com/assets/product_file/R7731/DS7731-03.pdf Pinout: 1 Gate output 2 Vdd supply 3 NC no connection 4 CS current sense 5 RT timing resistor (to gnd) 6 NC no connection 7 COMP compensation 8 GND ground Bei digikey gab es die 6-polige SMD-Version in Großmengen: digikey.com/en/products/detail/richtek-usa-inc/R7731AGE/5119815 mit 14-seitigem Datenblatt. bei Taobao auch die DIP-8-Version https://ca.world.taobao.com/item/cnF0RHlVN242TDFtU1Qzb21Nby9wdz09.htm oder AliExpress (5 Stück R7731GN für 2,29 Euro): https://de.aliexpress.com/item/1005001927718325.html
:
Bearbeitet durch User
Die Aliexpress-Angebote hatte ich gesehen. Da der Aufdruck in den Angeboten recht generisch aussieht (stark abweichend von der vorliegenden Version) glaube ich nicht so recht an Originalware. Taobao habe ich schon mehr vertrauen, aber ich bin mit den notwendigen Kaufagenten schon 2x reingefallen (Nehmen den Kauflink an, warten auf Überweisung, ne Woche später heißt es das Teil ist nicht kaufbar und bei Rückerstattung schlagen die vor man solle sich doch ein Pulli für das Guthaben kaufen. Rückerstattung zäh und mit starken Abschlägen). Die 6-polige Variante wäre für mich privat eine Alternative, im Rahmen des Repaircafes scheidet die Bastelei aus. Außerdem wird es daran vermutlich nicht liegen. Er reagiert auf alle Signale und erzeugt auch Gate-Impulse.
Harald A. schrieb: > Mark S. schrieb: >> Und was kommt an der OPTO-LED an bei z.B +10V DC-Ausgang? > > Guter Punkt, ich werde es voraussichtlich morgen Abend messen. Das war noch offen. Ach, hätte ich die Messung doch vorher gemacht. Schon bei 3V auf der 24V Schiene fließen 800uA durch den Optokoppler. Uref kann ich für diesen Punkt gerade nicht mehr sagen, aber bei einer anderen Einstellung habe ich 1,1V Uref gemessen und es flossen schon 3mA. Wenn der TL431 raus ist fließt nichts mehr - logisch, aber damit kann man auch sonstige Effekte (Leiterbahnen, Oxid etc.) ausschließen.
H. H. schrieb: > *Näh*maschine! Schätzelein das war ein Beispiel, wo es Sinn macht solche Sachen zu ersetzen. Gleichzeitig der Hinweis "Wenn da genug Platz für ein anderes Netzteil in der Maschine ist, gleich einbauen!"
Ich hatte schon viele defekte TL431, das kann also schon mal passieren. Macht einen irre, bis man draufkommt, da der kleine Kerl so unscheinbar ist. @TE: den TL431 gibt es in verschiedenen Pinouts, also obacht.
Matthias S. schrieb: > @TE: den TL431 gibt es in verschiedenen Pinouts, also obacht. Danke für den Hinweis. Ich setze den TL431 auch selber gerne in vielen Designs an, allerdings ausschließlich SMD. Anfänglich bin ich da auch die verschiedenen Pinouts reingefallen. Von daher bin ich auf der Hut.
Matthias S. schrieb: > Ich hatte schon viele defekte TL431, Das ist, zumindest für mich, ein nützlicher Hinweis.
H. H. schrieb: > Nainette Hat außer dir noch niemand hier gehört. Jetzt kannst du dir Gedanken darüber machen, ob das nett gemeint war. Das hatte eine liebe, verstorbene Freundin sehr häufig benutzt und nur für Menschen die sie mochte. So ist es auch bei mir.
:
Bearbeitet durch User
Es besteht immer noch die Möglichkeit, dass der Referenzteiler fehlerhaft ist, oder kannst Du das inzwischen mit Sicherheit ausschließen?
Harald A. schrieb: > 1,1V Uref gemessen und es flossen schon > 3mA. Wenn der TL431 raus ist ok, dann ist die Sache wohl ziemlich klar
So, liebe Leute, fast 100 Beiträge für einen defekten TL431. Heute Mittag kam der Ersatz mit der Post, interessanterweise exakt der gleiche Hersteller. Da ich keine Bestellung bei einem etablierten Anbieter offen hatte habe ich notgedrungen beim Premium-Distributor ebay.de bestellt. Nun ja, weiß nicht, ob mich exakt der gleiche Hersteller beruhigt, aber das Teil funktioniert einwandfrei. Habe die Baugruppe 15min an die elektronische Last gehängt, keine Auffälligkeiten. Die Kundin wird sich freuen, dass die Maschine wieder läuft und ich bin um eine Erfahrung reicher. Wie Matthias schon schrieb, offensichtlich doch ein Bauteil, welches sich trotz nicht erkennbarer äußerer Einflüsse auch mal verabschieden kann. Lessons learned: Nicht nur die Spannung hochdrehen und schauen, ob sich beim berechneten Schaltpunkt etwas tut (das war so) sondern doch etwas genauer auf den Strom schauen, der tatsächlich fließt.
Bitte melde dich an um einen Beitrag zu schreiben. Anmeldung ist kostenlos und dauert nur eine Minute.
Bestehender Account
Schon ein Account bei Google/GoogleMail? Keine Anmeldung erforderlich!
Mit Google-Account einloggen
Mit Google-Account einloggen
Noch kein Account? Hier anmelden.













