Hallo, damit sollte sich wohl was anfangen lassen :-))) https://www.pollin.de/search?search=all+ride+wechselrichter Bei dem Preis kann man wohl nicht viel falsch machen. Die französiche Version hat den Vorteil, das der deusche Schuko- und Eurostecker da ohne weiteres passt. Für die Reparatur von Schalnetzteilen, zur Netztrennung, oder was fällt euch dazu spontan so ein? Hab mir mal 2x 150 & 2x die 300W Variante bestellt. Es war irgendwie lange Zeit Flaute, was interessante Bastelobjekte betraf.
Gerald B. schrieb: > damit sollte sich wohl was anfangen lassen :-))) > https://www.pollin.de/search?search=all+ride+wechselrichter > Bei dem Preis kann man wohl nicht viel falsch machen. Und so schön klein/flach gehalten... Top-Features: Max. Ausgangsleistung: 300 W Eingang: 22...30 V- (über Schraubklemmen) USB-Ausgang: 5 V-/0,5 A für mobile Geräte Umfassender Schutz: Überlast-, Übertemperatur- und Kurzschlusssicherung Gesamtmaße (LxBxH): 190x10x60 mm, Gewicht: 0,59 kg
:
Bearbeitet durch User
Gerald B. schrieb: > Die französiche Version hat den Vorteil, das der deusche Schuko- und > Eurostecker da ohne weiteres passt. Nein.
Manfred P. schrieb: > Gerald B. schrieb: >> Die französiche Version hat den Vorteil, das der deusche Schuko- und >> Eurostecker da ohne weiteres passt. > > Nein. Doch! Alle Verlängerungen und Stecker, die nicht gerade musealen Charakter haben, haben im Schutzleiterbügel ein Loch drin, der den Stift der französischen Variante aufnehmen kann. Glaubs nur. Ich war schon mehrere Male auf französischen Campingplätzen. Wo noch kein blauer CE-Stecker ist, hat meine deutsche Verlängerung trotzdem gepasst Hier der Beweis: https://preis-zone.com/netzstecker/1614-mennekes-typ-10754-schuko-stecker-230v-stromstecker-schraubkontakt-schukostecker-netzstecker-4858-4015394034858.html https://www.pollin.de/p/goobay-schutzkontaktkabel-nk-103-s-150-1-5-m-schwarz-563795
:
Bearbeitet durch User
Gerald B. schrieb: > Hab mir mal 2x 150 & 2x die 300W Variante bestellt. Für 6€ fast geschenkt, interessant wäre wie sie sich verhalten, wenn man einige hinten parallel schaltet. Wahrscheinlich gehts nicht. 300W sind nicht viel, wenn man einen Verbraucher mit hohem Anlaufstrom hat wie z.B. meine 370W Wasserpumpe, die einen 2000W Inverter in die Knie zwingt beim Anlaufen.
Lu schrieb: > interessant wäre wie sie sich verhalten, wenn man > einige hinten parallel schaltet. Wahrscheinlich gehts nicht. Das würde ich definitiv nicht ausprobieren... Wahrscheinlich ist, dass die dann entweder alle oder mindestens nacheinander in Rauch aufgehen. Unsynchronisiert Wechselspannungsausgänge zusammenschalten ist nie eine gute Idee.
Gerald B. schrieb: > Für die Reparatur von Schalnetzteilen, zur Netztrennung, oder was fällt > euch dazu spontan so ein? Nicht kaufen oder gekaufte in der Ramschkiste vergammeln lassen. "modifizierter Sinus" heißt dass die eine Zwischenkreisspannung für je 25% der Zeit positiv und negativ welchselweise auf den Ausgang schalten. Damit verbietet sich selbstverständlich die Parallelschaltung. SNT reparieren willst du damit auch nicht. Zur Netztrennung verwende bitte einen Trenntrafo. Und ich wäre arg überrascht wenn die Amplitude tatsächlich 320V beträgt. Bei einem Exemplar, das jetzt in meiner Ramschkiste gammelt, ware es etwa 180V.
Du kannst versuchen die auf 12V / Typ F umzubauen und wieder verkaufen.
Gunnar F. schrieb: > "modifizierter Sinus" heißt dass die eine Zwischenkreisspannung für je > 25% der Zeit positiv und negativ welchselweise auf den Ausgang schalten. > Damit verbietet sich selbstverständlich die Parallelschaltung. Und außerdem sind sie damit für viele Geräte nicht oder nur eingeschränkt brauchbar, bspw. mit klassischen Motoren angetriebene (Kühl- und Haushaltsgeräte, netzbetriebene Werkzeuge etc.). Bei Schaltnetzteilen kann die PFC Ärger machen. Unbedenklich eigentlich nur für ohmsche Verbraucher.
Was auch einen Versuch wert ist (da reicht die kleine Variante), EL Folien, bzw. Schnüre damit betreiben. Wenn man die Frequenz um rund Faktor 10 hochbekommt und die Spannung so auf ca 180V runter, hat man genau die empfohlenen Betriebsparameter. Gibt ja Leute, die mit EL ganze Kostüme gebaut haben ;-)
Gerald B. schrieb: > Bei dem Preis kann man wohl nicht viel falsch machen. Doch, Zeitverschwendung. Alles was bei Po++in als Bastelware rausgeht ist Kram mit Mängeln. Habe da viel Erfahrung gesammelt da Po++in in der Nachbarortschaft ist. Immer wieder fährt man mal hin und holt sich Sachen die dann im Bauhof landen. Waren des täglichen Bedarfs hingegen sind ok.
:
Bearbeitet durch User
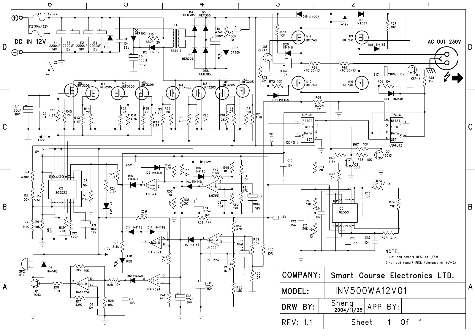
Gerald B. schrieb: > EL > Folien, bzw. Schnüre damit betreiben. Wenn man die Frequenz um rund > Faktor 10 hochbekommt und die Spannung so auf ca 180V runter, hat man > genau die empfohlenen Betriebsparameter. Das wirds gar nicht brauchen, denn intern wird bei so gut wie allen WR erstmal die Zwischenkreisspannung erzeugt mit Trafo. Danach kommt dann die eisenlose Endstufe für den Treppenausgang. Anbei mal ein Schema eines 500W/12V Gerätes.
Gerald B. schrieb: > oder was fällt > euch dazu spontan so ein? Als 320V Gleichspannungsquelle habe ich damit damals mal CCFLs direkt am Zwischenkreis betrieben. Das sollte auch mit LED Mitteln klappen, die ohne Kondensatornetzteil arbeiten. (C-Netzteil geht natürlich nicht, auch nicht am Hauptausgang). 300W Variante hat als erwartete Bestückung 4 x IRFZ44 primär, 4 xIRF840 sekundär. Meist sehr kurz eingelötet, also nur bedingt plünderbar. Wenn einer das Dings bekommt, bitte mal Rückmeldung.
Thomas G. schrieb: > 24V -> LKW - wird wohl nicht jeder haben. So mancher Sorlargartenlaubenakkubesitzer könnte schon über einen Versuch nachdenken? Top-Features: 6€ "modifizierter Sinus" -_- Max. Ausgangsleistung: 150 W /je nach Auswahl Eingang: 22...30 V- (über Zigarettenanzünderbuchse) USB-Ausgang: 5 V-/0,5 A für mobile Geräte Umfassender Schutz: Überlast-, Übertemperatur- und Kurzschlusssicherung Kompakte Maße: 160x10x60 mm, Gewicht nur 0,45 kg Für die Notbeleuchtung könnte es reichen, für die Kaffeemaschine nie.
Matthias S. schrieb: > Anbei mal ein Schema eines 500W/12V Gerätes. Danke, das sieht doch schon mal interessant aus. Und noch nicht, wie befürchtet, alles in einem parmetrierten Controller, der dann nur noch als Blackbox die Leistungsendstufen steuert.
Gerald B. schrieb: > Matthias S. schrieb: >> Anbei mal ein Schema eines 500W/12V Gerätes. > > Danke, das sieht doch schon mal interessant aus. Und noch nicht, wie > befürchtet, alles in einem parmetrierten Controller, der dann nur noch > als Blackbox die Leistungsendstufen steuert. Was jeweils drinnen steckt, weisst Du, wenn Du den ersten geöffnet hast und Bauteilbeschriftungen lesbar sind. Und was an Leistung und Signalform rauskommt, erst nach Messungen.
Lu schrieb: > Christian M. schrieb: >> Habe da viel Erfahrung gesammelt > Glaube ich auch. "modifizierter Sinus" Ich hatte da mal eine billig-USV bekommen, ganz übel: https://www.mikrocontroller.net/attachment/619105/USV-ohne-Last.jpg (Beitrag "Re: USV modifizierte vs. reine Sinus-Spannung?")
300W-Variante. 120mA Leerlaufstrom bei 24V. Kurvenform auf der 12V-Seite einer 20W Halogenlampe mit klassischem Trafo bei 28V. Amplitude skaliert mit Eingangsspannung, Rastgrad regelt dagegen. Controller AZ7500. Mosfet auf 24V Seite FTP23N10A. Lüfter läuft bei Last (20W) sofort an. Habe ihm auch mal 5 Minuten an 240W ohmscher Last laufen lassen und danach noch >2Stunden im Leerlauf, alles am Labornetzteil. Dabei hat es noch nicht Bumm gemacht.
:
Bearbeitet durch User
> Controller AZ7500 TL494 Ist halt "modifizierter" Sinus... oder auch einfach Rechteck mit reduziertem Tastverhältnis, aber vollen 340V Spitzenspannung.
Ben B. schrieb: >> Controller AZ7500 > TL494 > > Ist halt "modifizierter" Sinus... Dieser Chip wird eher für die primäre Erzeugung der Zwschenkreisspannung benutzt werden (wie der 3525 im Schaltplan). Der Ausgang ist mögl. wirklich die simple Freilaufschaltung mit 2 Flipflops. Die Platine sieht so aus, als hätte sie eine stabilisierte Zwischenkreisspannung - Respekt, hat nicht jeder Billig-WR.
:
Bearbeitet durch User
Vor ein paar Tagen habe ich einem Kumpel geholfen, so ein Billigding von 12V auf 60V Eingangsspannung umzubauen. Dieser hatte den TL494 sowohl für den 12V (nun 60V) -> 230V Wandler und einen zweiten zur Erzeugung der Rechteckspannung am Ausgang. Für mich sieht die Platine nicht so aus, als hätte sie eine stabilisierte Zwischenkreisspannung. Dafür bräuchte der Gegentaktwandler mit seinen zwei FETs links noch eine Siebdrossel nach dem Trafo, und die sehe ich nirgends.
> Amplitude skaliert mit Eingangsspannung =nicht stabilisiert. Es gibt zwei Steuerplatinen. Links unten für die 24 V Seite, ist ein LM324 drauf, für Unterspannung usw, PWM Chip nicht lesbar. Rechts neben dem Trafo für die 230 V Seite, da drauf ist der AZ7500. Zwischenkreiselko 400V, 22μ
Beitrag #7965482 wurde vom Autor gelöscht.
Ausgebaut, jetzt sichtbar: Links unten für die 24 V Seite, ist ein LM324 drauf, für Unterspannung usw, PWM Chip ...KA7500 Ausgangs-Fet UTC UF430L. Uiuiui, das ist aber knapp, ein 400V-Typ. Zur Lötung: nein, ich habe da nicht drauf rumgedachdeckert, das war so!
Lu schrieb: > Thomas G. schrieb: >> 24V -> LKW - wird wohl nicht jeder haben. > > So mancher Sorlargartenlaubenakkubesitzer könnte schon über einen > Versuch nachdenken? > (..) > Für die Notbeleuchtung könnte es reichen, für die Kaffeemaschine nie. Wenn da 24V vorhanden sind wird man wohl eher 24V LED-Beleuchtung nehmen, anstatt einen Wechselrichter.
Typo: Ausgangs-Fet UTC UF730L (nicht 430) Dennoch: 400V-Typ
So ein Ding mit 12V/500W habe ich mir vor ziemlich genau 20 Jahren in Thailand für etwa 4 Euro gekauft. Funktioniert im Auto, wobei der "modifizierte Sinus" (wenn das stimmt dann ist eine Europalette ein "modifizierter Tilman-Riemenschneider-Altar") eigentlich nur für Laptopnetzteile reicht. Besonders die Ladegeräte für Braun Oral B-Zahnbürsten gehen daran kaputt. Campingforen sind voll von Leuten, denen das passiert ist. Ich hatte auch mal eine kleinere 220V-Motorsirene daran betrieben, die wurde gut warm, weil die Wicklungen das gar nicht mögen. Also Motorgeräte im Auto verwenden (Staubsauger, Bohrmaschine, Flex) geht damit eher nicht oder nur sehr zeitbegrenzt. Lötkolben geht wiederum gut.
Wollvieh W. schrieb: > Besonders die Ladegeräte für Braun Oral B-Zahnbürsten gehen daran > kaputt. Campingforen sind voll von Leuten, denen das passiert ist. Habe letztens in der Drogerie Wunderzahnbürsten gesehen, die ganz ohne Strom funktionieren sollen. Normale Menschen und besonders Camper brauchen vermutlich etwas Übung, mit solchen Zahnbürsten umzugehen. Nur Mut, ich kann's auch noch. https://www.rossmann.de/de/gesundheit-prokudent-interdental-zahnbuerste-mittel/p/4305615574202
Wollvieh W. schrieb: > eigentlich nur für Laptopnetzteile > reicht. Besser nicht. Der Treppenausgang martert die X-Kondensatoren des Netzeingangs. Ben B. schrieb: > Für mich sieht die Platine nicht so aus, als hätte sie eine > stabilisierte Zwischenkreisspannung. Stellt sich die Frage, was der Optokoppler da macht.
Beitrag #7965604 wurde von einem Moderator gelöscht.
Guten Abend! Mal eine ganz praktische Frage in die Runde: Will so einen 24V/600W Inverter mit 2 kleinen Autobatterien und einem Standard 230V LED-Fluter als autonome transportable Lichteinheit verwenden. Fluter wäre zB https://www.pollin.de/p/daylite-led-fluter-lf100ww-eek-f-100-w-11000-lm-3000-k-warmweiss-539685 Hält das langfristig? ... oder besser einen dimmbaren Fluter suchen ?
Gustav schrieb: > Hält das langfristig? Ohne besondere Kühlung wird sich der "Fluter" wohl von selbst überhitzen, also nicht lange halten.
Nemopuk schrieb: > Ohne besondere Kühlung wird sich der "Fluter" wohl von selbst > überhitzen, also nicht lange halten. Das grössere Problem wird wieder mal die Wellenform des Ausgangs sein. Die Fluter sind an 'Mod. Sinus', wie es sich hochtrabend nennt, nicht brauchbar. Gustav schrieb: > ... oder besser einen dimmbaren Fluter suchen ? Das funktioniert noch weniger. Dimmbar klappt nur an sinusförmigen Spannungen.
:
Bearbeitet durch User
Matthias S. schrieb: > Die Fluter sind an 'Mod. Sinus', wie es sich hochtrabend nennt, nicht > brauchbar. Was denkst du, warum nicht? Die werden doch ganz normal die Eingangswechselspannung gleichrichten und auf einen Ladekondensator legen. Solange da die reichlich 300 V rauskommen, ist denen doch die Kurvenform egal. Selbst ein Rechteck würde da funktionieren (der überlastet nur ohmsche Verbraucher, wenn man ihn auf die Spitzenspannung auslegt). Oder glaubst du wirklich, die hätten noch irgendeine PFC drin?
Jörg W. schrieb: > Die werden doch ganz normal die > Eingangswechselspannung gleichrichten und auf einen Ladekondensator > legen. Das ist nicht der Fall. Abgesehen von einem X-Kondensator wird nur gleichgerichtet und dann auf einen Current Mode Controller vertraut. Schon der X-Kondensator wird die Treppe nicht mögen und der Current Mode Controller sicher auch nicht. Ausserdem wird es stark flimmern. Ein Ladekondensator ist schon wegen der flachen Bauform nicht verbaut. Die ganze Platine ist vollflächig mit der Alufläche verklebt.
Hallo Gerald B. Gerald B. schrieb: > Alle Verlängerungen und Stecker, die nicht gerade musealen Charakter > haben, haben im Schutzleiterbügel ein Loch drin, der den Stift der > französischen Variante aufnehmen kann. Nein, diese sind hierzulande in DL eher selten. Typischerweise gehören sie aber doch oft zum Zubehör elektronischer Geräte, die europaweit mobil sein sollen, wie z.B. Labtops. Aber an z.B. Staubsaugern oder 08/15 Verlängerungen eher ungewöhnlich. Man bekommt sie aber, wenn man explizit danach sucht. > Glaubs nur. Ich war schon mehrere Male auf französischen Campingplätzen. > Wo noch kein blauer CE-Stecker ist, hat meine deutsche Verlängerung > trotzdem gepasst Vermutlich hast Du Deine Verlängerung aus einer Quelle bezogen, die diese europaweite Mobilität schon impliziert (z.B. Camping Zubehör) oder es war Zufall. Da es praktisch ist, dieses Loch zu haben, setzt es sich mit der Zeit immer mehr durch, möglicherweise wird es dann auch irgendwann in die Schuko-Norm aufgenommen, aber in den meisten Privatbeständen sind solche steckertypen eher selten, weniger als 25%. In Firmen mehr, aber auch deutlich weniger als 50%. Du schriebst ja oben auch etwas von "nicht museal". In Beständen wirst Du, und wirst auch noch länger, solche älteren Verlängerungen finden. > Hier der Beweis: > > https://preis-zone.com/netzstecker/1614-mennekes-typ-10754-schuko-stecker-230v-stromstecker-schraubkontakt-schukostecker-netzstecker-4858-4015394034858.html > > https://www.pollin.de/p/goobay-schutzkontaktkabel-nk-103-s-150-1-5-m-schwarz-563795 Mennekes ist eher ein "high-end" Lieferant, und dort kauft, genausowenig wie bei Pollin, der nicht elektrotechnisch vorbelastete Kunde nur selten ein. Letzterer geht in den Baumarkt um die Ecke....wenn auffällt, das eine Verlängerung fehlt oder defekt ist, passiert das meistens auch noch unter Zeitdruck. Trotzdem Danke für den Link mit dem Wechselrichter, auch wenn ich wohl nicht dazu komme, mir einen zu bestellen. Aktuell hat anderes Priorität. Mit freundlichem Gruß: Bernd Wiebus alias dl1eic http://www.l02.de
:
Bearbeitet durch User
Bernd W. schrieb: > Du schriebst ja oben auch etwas von "nicht museal". In Beständen wirst > Du, und wirst auch noch länger, solche älteren Verlängerungen finden. Gerade geschaut: abgesehen von zwei alten DDR-Steckern (also tatsächlich „museal“ :) sind bei mir alle Verlängerungen und Verteilerleisten mit solchen Steckern ausgerüstet. Selbst in der DDR gab es aber passende Stecker – als ich als Student in den 1980ern in Prag studiert habe, ohne mir vorher um sowas wie Steckersysteme Gedanken zu machen, wurde ich dort von diesem Mittelpin überrascht und konnte meinen Tauchsieder nicht betreiben. Beim nächsten Heimaturlaub habe ich mir dann einen entsprechenden Stecker an den Tauchsieder gebaut. > Aber an z.B. Staubsaugern … da findet man eher diese „Konturenstecker“: Größe der Pins wie bei Schuko (also höhere Stromtragfähigkeit als flache „Eurostecker“), aber Aussparungen für alle Arten von Schutzleiterkontakten wegen Schutzklasse 2.
:
Bearbeitet durch Moderator
Bernd W. schrieb: > Aber an z.B. Staubsaugern oder 08/15 Verlängerungen eher ungewöhnlich. Ich bin gerade mal durch den Haushalt und die Vorratskiste gegangen. Alle Stecker haben das Loch. Wirklich alle.
In meiner Stichprobe fand ich 11 von 12 mit Loch.
Jörg W. schrieb: > Matthias S. schrieb: >> Die Fluter sind an 'Mod. Sinus', wie es sich hochtrabend nennt, nicht >> brauchbar. > > Was denkst du, warum nicht? Die werden doch ganz normal die > Eingangswechselspannung gleichrichten und auf einen Ladekondensator > legen. Solange da die reichlich 300 V rauskommen, ist denen doch die > Kurvenform egal. Hm, bei Konstrukten mit vielen LEDs gibt es ICs, die dynamisch, je nach Spannung, unterschiedlich viele LEDs in Reihe legen, bzw. Teile des Stranges kurzschließen, so das Netzspannung und Uf zusammenpassen. Wie die auf modifizierten Sinus oder 310V Gleichspannung reagieren, ist schwer vorherzusagen.
Gerald B. schrieb: > Hm, bei Konstrukten mit vielen LEDs gibt es ICs, die dynamisch, je nach > Spannung, unterschiedlich viele LEDs in Reihe legen, bzw. Teile des > Stranges kurzschließen, so das Netzspannung und Uf zusammenpassen. OK, sowas hatte ich noch nicht gesehen.
Gerald B. schrieb: > Wie die auf modifizierten Sinus oder 310V Gleichspannung reagieren, ist > schwer vorherzusagen. Stichprobegröße 2: Sie leuchten. Also die LEDs, zum Glück nicht die ICs selber. 50W Strahler, von Action. Der flimmert schon an der Netzspannung wie blöde, am Wechselrichter noch etwas mehr. Ist laut Lux-Meter genau so hell. 100W Strahler, V-TAC. Dito.
Hier die Bilder. Das ist der 100W Strahler. Kurvenform ist der Strom irgendeiner Photodiode an 50 Ohm.
:
Bearbeitet durch User
Harry R. schrieb: > IMG_20251115_165357.jpg Da sieht man es auch: kein Ladeelko, ein X-Kondensator und ein Currentmode Controller (hier pro Gruppe). Dem X-Kondensator dürfte das nicht schmecken.
:
Bearbeitet durch User
Das Ding hat keinen Zwischenkreis und flimmert daher mit den 100Hz Halbwellen herum. Entstörkondensatoren bekommen an modifiziertem Sinus so richtig auf die Fresse, die müssen die ganze Zeit mit den steilen 0..+330V..0..-330V Flanken klarkommen, beim Rechteckwechselrichter mit +230V..-230V..+230V..-230V ... das finden die so richtig toll. Dimmer funktionieren an modifiziertem Sinus oft nicht, weil die einfachen Schaltungen über ein RC-Glied einen Kondensator aufladen, der sich früher oder später über den Diac in den Triac entläd. Das setzt aber eine Sinusspannung voraus, modifizierter "Sinus" hat ca. 50% der Zeit gar keine anliegende Spannung (wie man schön an dem Bild vom Oszi sieht), so daß weder die Kondensatoraufladung funktioniert, noch kann eine Leuchte für den Rest der Halbwelle leuchten, wenn der Triac erst ganz am Ende des Spannungspulses gezündet wird.
Jörg W. schrieb: > OK, sowas hatte ich noch nicht gesehen. Alexander schrieb: > Klingt irgendwie ausgedacht. Die alten Seoul Acrich Platinen, waren meines Wissens nach die Ersten, die das gemacht haben. Leider habe ich keine mehr davon greifbar, ich hatte aber damals nach dem Chip gegoogelt, was der macht.
Wie oben schon gesagt, als Quelle für 325V DC sind die Dinger recht nützlich, denn dann umgeht man alle Probleme mit 'Mod. Sinus'. Speist direkt Geräte mit Brückengleichrichter oder kann auch Anodenspannung für Röhrengeräte liefern.
Über sowas habe ich auch schon nachgedacht, um die Alltagsgeräte aus meiner PV mit 36V zu versorgen, ohne große Leerlaufverluste zu haben. Einen 36V->330Vdc Wandler bekomme ich recht einfach zustande... aber ich weiß nicht ob ich mich traue, irgend eines dieser Geräte (mit aktiver PFC) einfach mal mit 330Vdc zu füttern. Theoretisch müsste das über den normalen Netzeingang funktionieren, aber ich hätte wohl doch Schiss, daß es mir um die Ohren fliegt.
Danke für die ernüchternden Zusammenhänge ! Selbst wenn es in der Kombi mit einem Standard-Panel geht wird das sicher genau dann ausfallen wenn es wirklich gebraucht wird. Denke ich werde ein paar für Akkus gebaute Baustrahler nehmen und direkt mit Batterie versorgen, manchmal sind einfache Wege eher zielführend.
Ben B. schrieb: > aber ich > weiß nicht ob ich mich traue, irgend eines dieser Geräte (mit aktiver > PFC) einfach mal mit 330Vdc zu füttern. Theoretisch müsste das über den > normalen Netzeingang funktionieren, aber ich hätte wohl doch Schiss, daß > es mir um die Ohren fliegt. Bisher hier ohne Probleme mit 230V DC getestet: - Laptop-Netzteil - Glühlampe (keine Überraschung) - LED-Birne - Industrienetzteil auf 28V/20A - Wasserkocher (Ausschalter zieht hörbar einen Lichtbogen, also besser abschalten bevor es der Wasserkocher tut).
Es gibt genug Schukostecker, die auch in Tschechien od. Belgien passen. Ob jedoch jedes wertvolle Gerät auf Dauer die steilen Rechteckimpulse dieses Wechselrichters verkraftet, steht auf einem ganz anderen Blatt. Bei einer 1€-LED-Lampe ist das sicher kein Verlust, bei einem Heizungscomputer würde ich gründlicher überlegen.
Ben B. schrieb: > irgend eines dieser Geräte (mit aktiver > PFC) einfach mal mit 330Vdc zu füttern. Aktive PFC ist ein KO Kriterium, da diese auf den Halbwelleneingang direkt nach dem Brückengleichrichter angewiesen ist. Nicht an DC anschliessen.
Würde ich so nicht sagen, viele USV-Geräte selbst namhafter Hersteller (falls man darauf was geben sollte) sind nur einfache Wechselrichter mit modifiziertem Sinus. Wenn ich das nächste Mal einen alten PC (so Haswell/Skylake Generation) finde, werde ich den evtl. mal mit gleichgerichteter und gesiebter Netzspannung bespaßen. Wenn der explodiert, ist es kein Verlust. Allerdings, bei dem Scheißwetter was wir hier im Moment im Berliner Raum haben... keine Ahnung wann das was wird. Damit das eine Chance auf Erfolg wird, muss man das Gerät trocken finden und ich habe auch keine Lust, so eine Bombe in meiner Bude zu zünden... das ist ein Fall für draußen. Alternativ hatte ich auch drüber nachgedacht, so 350..400Vdc direkt in den Zwischenkreis einzuspeisen, nach der aktiven PFC und ohne den Netzeingang zu benutzen. Aber das ist wieder mit Umbaumaßnahmen verbunden und man muss den Netzeingang deaktivieren (Berührungsschutz)... ich glaube letztlich wird es doch mit einem kleinen Wechselrichter enden, der möglichst wenig Leerlauf-Verluste hat. Im Moment habe ich nur einen 5kW Wechselrichter und der will natürlich 22W im Leerlauf sehen, ist etwa 'ne halbe Kilowattstunde am Tag, die dafür draufgehen würde. So viel bringt meine Spiel-PV (mit 1,1kWp) bei aktuellem Wetter nicht mal am Tag.
Ben B. schrieb: > Würde ich so nicht sagen, viele USV-Geräte selbst namhafter Hersteller > (falls man darauf was geben sollte) sind nur einfache Wechselrichter mit > modifiziertem Sinus. Ich war bass erstaunt, als ich mir mal die Ausgangsspannung einer ollen SmartUPS angeguckt habe. Gegen den Sinus, den die produziert, war der Strom vom E-Werk der reinste Oberwellensalat. Das hätte ich von der primitiv anmutenden Schaltung nie erwartet.
Jörg W. schrieb: > Ich war bass erstaunt, als ich mir mal die Ausgangsspannung einer ollen > SmartUPS angeguckt habe. Gegen den Sinus, den die produziert, war der > Strom vom E-Werk der reinste Oberwellensalat. Das hätte ich von der > primitiv anmutenden Schaltung nie erwartet. "Die ollen" APC SmartUPS sind ja die besseren, leider mit einem recht großzügigen Eigenverbrauch. Die billigen BackUPS sehen bestimmt deutlich schlechter aus. Einen richtig guten Sinus hatte ich mal an einer OnLine-USV, wo der Wandler dauerhaft lief. Das Ding war auch gegen Netzstörungen immun wie nichts anderes, aber der Wirkungsgrad beglückte nicht.
Bei einer echten Online-USV läuft die Last auch ständig über den (Sinus)Wechselrichter in der USV, der wiederum aus dem Netz versorgt wird solange das zur Verfügung steht und bei Netzausfall aus dem Akku. Von der Umschaltung bekommt man am Ausgang nichts mit, erkauft sich das aber mit dem Nachteil des ständig laufenden Wechselrichters. Ich habe hier sogar die Platine einer USV mit Wandler ohne echten Zwischenkreis. Also der Wandler läuft während des Notstrombetriebs mit 100Hz und ca. 50% Einschaltzeit getaktet und synchron dazu wird eine der Halbwellen mit einer Vollbrücke umgeklappt, so daß ein modifizierter Sinus entsteht. Kam mir auch sehr komisch vor, habe ich aber nachgemessen und das Ding funktioniert wirklich so. Leider habe ich nicht rausgefunden, was das für ein Typ ist (Fundplatine zur Teilegewinnung, spaßenshalber nochmal angeschmissen um rauszufinden, was es tut), nutzt einen 12V Bleiakku und hat laut Aufschrift auf der Platine mal 800VA gehabt, vermutlich rausgeschmissen weil Akku tot.
Primäre Steuerelektronik und die Unter/Überspannungserkennung läuft mit 12 V. Die 24 V werden "durch zwei geteilt", die beiden Transistoren rechts des Tongebers. Rechts daneben die Widerstände R70 und R71 sowie die 4 Dioden definieren das Teilungsverhältnis. Mit 27k parallel zu R70 kann man es mit "18V" oder "20V"-Werkzeugakkus leidlich(!) nutzen. Beim Einschalten oder sinkender Eingangsspannung geht bei unter 18,6 V der Unterspannungs-Piepers an. Bei 16,8 V schaltet der Ausgang wegen UV ab, Stromaufnahme dann noch 55 mA. Nach dem UV-Aus muss die Spannung auf 20,8 V steigen, damit der Ausgang wieder aktiviert wird. OV wird bei 27,5 V erkannt, Ausgang aus. Der Übertrager (habe nur die 300 W-Version) ist "voll", konnte keine zusätzlichen Wicklung aufbringen und hatte keine Lust, ihn zu zerlegen, ob man vllt. auf der Primärseite jeweils Windungen runternehmen kann. Die Zwischenkreisspannung geht also entsprechend runter, bei 18,6 V sind es nur noch 210 V. Die Regelung auf der Sekundärseite dreht den Tastgrad hoch, der "modifizierte Sinus" wird zum Rechteck. Meiner 20 W Halogen-Schreibtischlampe (klassischer Trafo) und dem 50 W LED-Strahler ist das egal, die leuchten trotzdem noch irgendwie.
:
Bearbeitet durch User
Bitte melde dich an um einen Beitrag zu schreiben. Anmeldung ist kostenlos und dauert nur eine Minute.
Bestehender Account
Schon ein Account bei Google/GoogleMail? Keine Anmeldung erforderlich!
Mit Google-Account einloggen
Mit Google-Account einloggen
Noch kein Account? Hier anmelden.








