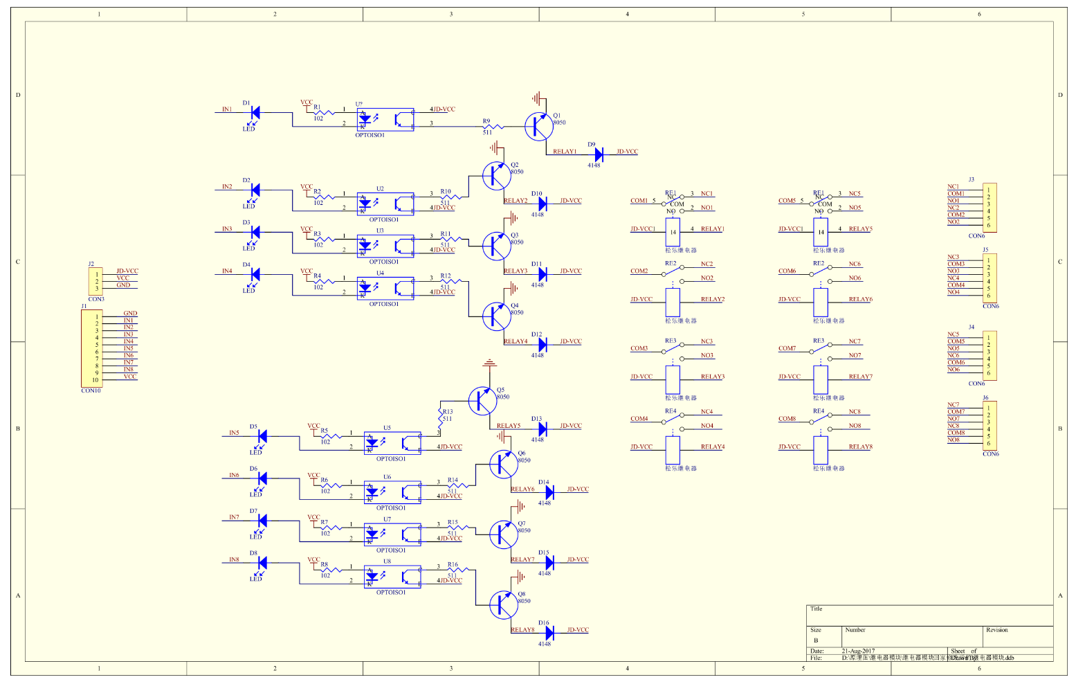
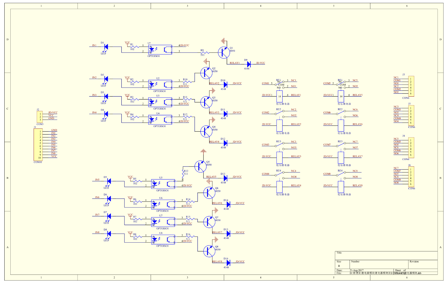
Hallo Forumsgemeinde, nach vielem Lesen hier, will ich Heute mal die Chance nutzen um aktiv das Schwarmwissen hier anzuzapfen. Ich möchte mit einem ELEGOO 5V relaisboard [1] und Mikrocontroller indutkive Lasten (Rolladenmotoren) schalten. Soweit ich verstehe, sollten die Bauteile mit Freilaufdiode und/oder Snubber geschützt werden - könntet ihr mir helfen und beurteilen, ob ich diese bei dem vorhandenen Relaisboard zusätzlich brauche, oder sie schon vorhanden sind? Im Marketing-Blabla ist immernur von "Geschützt durch Optokoppler" die rede - ich glaube das bringt mir aber in diesem Falle nichsts - oder ist nicht ausreichend? Konkret ist meine Frage: Um mit diesem Board Motoren anzusteuern, sollte ich Freilaufdiode und/oder Snubber hinzufügen? Habe das Schaltbild aus dem Datenblatt angehangen, unter [1] gibt es auch noch weitere Informationen :-) Vielen Dank vorab! Max [1] https://www.elegoo.com/blogs/arduino-projects/elegoo-dc-5v-relay-module-tutorial (Datenblatt)
:
Verschoben durch Moderator
Schau hier: https://www.mikrocontroller.net/articles/Relais_mit_Logik_ansteuern Freilaufdiode ist für die Relaisspule gedacht. Ein Snubber für den Kontakt, an die die Last angeschlossen wird. Haben prinzipiell direkt nichts miteinander zu tun. ciao gustav
Max schrieb: > Um mit diesem Board Motoren anzusteuern, sollte ich Freilaufdiode > und/oder Snubber hinzufügen? Natürlich! Max schrieb: > nach vielem Lesen hier, will ich Heute mal die Chance nutzen um aktiv > das Schwarmwissen hier anzuzapfen. Das empfinde ich als Respektlosigkeit/Beleidigung.
Max schrieb: > Ich möchte mit einem ELEGOO 5V relaisboard [1] und Mikrocontroller > indutkive Lasten (Rolladenmotoren) schalten. > > Soweit ich verstehe, sollten die Bauteile mit Freilaufdiode und/oder > Snubber geschützt werden - könntet ihr mir helfen und beurteilen, ob ich > diese bei dem vorhandenen Relaisboard zusätzlich brauche, oder sie schon > vorhanden sind? Die sind natürlich nicht vorhanden. Es weiß ja keiner, wie herum die Gleichspannung gepolt ist. Oder ob es gar Wechselspannung ist. Snubber oder Freilaufdioden für die geschalteten Verbraucher muß du nach Bedarf selber vorsehen.
Das Schaltbild ist grottig. Aus der Abbildung des Boards im Bild könnte man entnehmen, dass die Freilaufdioden schon montiert sind. Die Leitungen sind aber nicht explizit so verständlich gezeichnet. Die Snubber nicht. Und wie man die dimensioniert, kann man auch eine Tabelle finden. Momang. Ich suche sie mal raus. Bitteschöööön: https://www.elektrische-automatisierung.com/elesta/de/ELESTA-Technische-Information.pdf Durchscrollen nach unten. Seite 14 Lichtbogenlöschung durch RC-Glied Dimensionierungsdiagramm ciao gustav P.S: Die Spannungsangabe der KOndensatoren 400V im Tutorial sind zu grenzwertig: Mindestens X2 Kategorie Und nicht mit der Spannung geizen. 450V Wechsel und mehr als 2,5 kV Impulsbelastbarkeit. Such Dir einen raus. Es gibt schon welche mit Serienwiderstand als ferigen "Snubber". Für den Rolladenmotor 0,1µF 100 Ohm nur so aus der Hüfte geschossen.
:
Bearbeitet durch User
Bedenke aber, wenn du Rolladenmotoren schalten willst, dass dann durch Induktion in der inaktiven Wicklung höhere Spannungen auftreten. Siehe auch Beitrag "Re: Rolladenmotor mittels Relais ansteuern" Das halten die Chinakracher nicht lange aus und die Kontakte kleben. Und die 400V für die Snubberkondis sind auch grenzwertig. 630V sollten schon sein.
:
Bearbeitet durch User
Vielen vielen Dank für die zahlreichen lehrreichen Rückmeldungen! Der einfachheit halber würde ich gerne einen fertigen Snubber-Baustein nutzen, bspw. einen "Shelly RC Snubber" [1] mit den folgenden Daten: 0.1 µF, 100 Ω, 600 VAC - der dürfte ja, falls ich eure Beiträge richtig verstehe, von seinen Specs her passen, oder? Danke euch vielmal vorab! [1] https://kb.shelly.cloud/knowledge-base/rc-snubber
Die Optokoppler sind verpolt (C und E).
Die Isolationsabstände auf der Platine und in den Relais sind für 230V
viel zu gering. Nicht VDE konform.
> Der einfachheit halber würde ich gerne einen fertigen Snubber-Baustein nutzen
Ob seine technischen Daten zum Motor passen, kann ich nicht einschätzen.
Ich würde es ausprobieren und nachmessen. Wie dem auch sei, sind diese
Standard Snubber meist ein guter Anfang.
:
Bearbeitet durch User
Denke bitte an den Fehlerfall, wenn der mc auf und ab sagt. Dazu muß der com des 2. Relais an den nc des ersten Relais angeschlossen werden, damit nur einer der beiden Leitungen Strom hat.
Danke für die weiteren Rückmeldungungen :-) Ich habe mir die Verschaltung wie in den angehangenen Diagrammen überlegt, durch das Schalten mit zwei Relais pro Motor möchte ich dem von Hardy beschriebenen Fehlerfall vorbeugen - ist die (hoffentlich auch valide) Alternative zu dem von dir beschriebenen gegeneinander sperren würde ich sagen, oder? Gleichzeitig habe ich in den Diagrammen drei verschiedene Varianten der "Snubberplatzierung" gezeichnet, da ich nicht sicher bin wo er genau richtig aufgehoben ist - ist es a, b oder c? Die Bedenken zu den Relais bezügl. Isolation habe ich nach der Lektüre von [1] auch schon gehabt - ich würde mit dem vorhandenen Board mal den ersten Prototypen bauen um die Schaltung und den Code zu validieren und zu schauen ob sich das so in der Praxis auch tatsächlich bewährt - und dann die Relaiskarte tauschen. Habt ihr Tipps wo ich Relaiskarten mit sinnvollem Aufbau und Bauteilen von Markenherstellern bekommen kann, oder wäre dass dann eher die Variante des Eigenbaus? Vielen Dank vorab & einen schönen Sonntag! [1] https://www.mikrocontroller.net/articles/Relais_mit_Logik_ansteuern#230V_Netzspannung_schalten
Max schrieb: > Ich habe mir die Verschaltung wie in den angehangenen Diagrammen > überlegt Variante c ist ein Scherz oder? Wie gesagt: diese Relais sind für Netzspannung unzulässig. Sie isolieren nur auf 1500V, du brauchst jedoch mindestens 4000V. > Habt ihr Tipps wo ich Relaiskarten > mit sinnvollem Aufbau und Bauteilen > von Markenherstellern bekommen kann Schaltkasten mit Hutschiene und Relais (oder SSR) von Finder.
:
Bearbeitet durch User
Max schrieb: > Ich habe mir die Verschaltung wie in den angehangenen Diagrammen > überlegt, durch das Schalten mit zwei Relais pro Motor möchte ich dem > von Hardy beschriebenen Fehlerfall vorbeugen - ist die (hoffentlich auch > valide) Alternative zu dem von dir beschriebenen gegeneinander sperren > würde ich sagen, oder? So, wie sie verschaltet sind, kannst du immer nur AUF fahren. Der aktive Kontakt des ersten Relais muss auf den Common des zweiten gehen, damit du da zwischen AUF und AB umschalten kannst. Aber wie schon oft hier geschrieben: deine Relais sind für Rolladenmotoren ungeeignet! Du solltest da wirklich auf den Rat erfahrener Elektrotechniker hören! Sicherheitskritisch sind sie auch noch. Bitte lass die Hände von dieser Spielerei oder verwende geeignete Bauteile. Wenn was abbrennt, wird dir deine Versicherung nichts ersetzen. Variante B wäre die Bevorzugte für die Snubber.
:
Bearbeitet durch User
Vielen Dank ihr zwei. Ich bin immerwieder erfreut darüber, welchen guten Spagat diese Community hier zwischen "so würde es prinzipiell gehen" und "tu das bitte (wirklich!) nicht" schafft meist ohne Zeigefinger wie in vielen anderen Foren - Danke! Frage: Wenn ich nun passende Relais von bspw. Finder nutze und hierbei eins finde (hah!) mit 1x Öffner + 1x Schließer, wäre es dann betriebssicher das Relaisboard weiter für das erste Relais zu nutzen und damit dann das zweite Finder Relais zu bestromen, welches sich um AUF/AB kümmert? Oder sollte ich richtigerweise zwei der bspw. Finder-Relais pro Motor nutzen? Und den Snubber brauche ich auch beim Einsatz eines solchen qualitativ Hochwertigen Relais? Edit: Wäre es ausserdem eine Alternative, das Relaisboard wie gewollt zu nutzen, nach dem "zweiten" Relais aber noch ein Trennrelais [1] zu verbauen? Hiervon gäbe es noch ein paar die sowieso vorhanden sind und die dürften ja für genau die auftretenden Problematiken gerüstet sein, oder? [1] https://www.rohrmotor24.eu/mediafiles/Sonstiges/Anleitung-RM-T2-230.pdf Danke mal wieder vorab!
:
Bearbeitet durch User
Max schrieb: > Frage: Wenn ich nun passende Relais von bspw. Finder nutze und hierbei > eins finde (hah!) mit 1x Öffner + 1x Schließer, wäre es dann > betriebssicher das Relaisboard weiter für das erste Relais zu nutzen und > damit dann das zweite Finder Relais zu bestromen, welches sich um AUF/AB > kümmert? Oder sollte ich richtigerweise zwei der bspw. Finder-Relais pro > Motor nutzen? Die Relais liegen ja beidesmal auf Netzpotential. Also brauchst Du für beides immer ordentliche, dafür ausgelegte Relais. Diese ELEGOO-Platine steht Dir daher eigentlich mehr im Weg. Mit ihren 5V hast Du auch eine für ordentliche Hutschinenrelais auch eine eher ungewöhnliche Spannung, da sind 12V oder 24V viel gängiger. Schau mal ob Du nicht vielleicht ein passendes Solid-State-Relais (SSR) findest. Das kannst Du normal mit 5V direkt ansteuern, dann fiele diese ganze Platine weg. > Und den Snubber brauche ich auch beim Einsatz eines solchen qualitativ > Hochwertigen Relais? Ja, wenn es ne Weile halten soll dann schon. Alternative ist Du haust mit mehr Material drauf, nimmst also dicke Schütze statt kleineren Relais. Bei SSRs kann es Dir passieren dass der Spannungsanstieg beim Ausschalten das SSR killt. Es gibt spezielle "snubberless" SSRs, aber auch die gehen nur in Grenzen. Also immer das Datenblatt des Relais oder SSR genau lesen. Das Stichwort ist "Gebrauchskategorie". Bei Dir dürfte das AC-3 sein. Wenn dazu im Datenblatt nichts steht dann ist es nicht geeignet.
Max schrieb: > wäre es dann betriebssicher Nein. Alles was am 230V Netz hängt, muss 4000V Abstand zu berührbaren (leitfähigen) Teilen haben. Max schrieb: > den Snubber brauche ich auch beim Einsatz eines solchen qualitativ > Hochwertigen Relais? Ja
:
Bearbeitet durch User
Wenn es nicht unbedingt was selbstgebasteltes sein muss: für meine Rolladensteuerung habe ich einen Shelly 2PM verwendet. Der ist für Rolladen extra ausgelegt. Gesteuert werden kann der per WLAN. Ich verwende dazu das MQTT-Protokoll und parallel dazu natürlich vor Ort einen entsprechenden Schalter. Der Shelly passte noch dahinter in eine tiefe Dose.
Danke euch! Mit der Shelly Idee bin ich gestartet, bei der Genese dann aber bei einer Art des nun angedachten konstrukts gelandet - aus veschiedensten Gründen. Ich würde glaube ich das erst mal gerne noch etwas weiter denken wollen :) Ich habe nun das Finder 22.23.9.024.4000 mit NO/NC gefunden, der könnte glaube ich von seiner Auslegung ganz nett sein - ich bräuchte hierbei wieder pro Rolladen zwei Stück, was natürlich etwas ins Geld gehen könnte, das ist kein Ausschlusskriterium (Eine gute ewig haltende DIY Lösung ist mir auch Geld wert) ich überlege aber, ob ich nicht doch evtl. den Weg mit dem Trennrelais verfolgen sollte. Die AC Seite wäre dabei denke ich so ausgelegt, dass sie nicht ganz haarsträubend ist - ich müsste dann eigentlich nurnoch den Tastereingang für das AUF/AB Signal emulieren, womöglich dann doch mit dem Relaisboard, welches die Relais nutzt um einen Tastimpuls zu erzeugen. Beide Lösungen gefallen mir ganz gut, bei letzterer könnte ich mehr vorhandenes nutzen - gäbe es Punkte weshalb ihr mir die Trennrelaisvariante eher ausreden wollen würdet?
Max schrieb: > gäbe es Punkte weshalb ihr mir die > Trennrelaisvariante eher ausreden wollen würdet? Wie genau stellst du dir das vor?
Helmut -. schrieb: > Max schrieb: >> gäbe es Punkte weshalb ihr mir die >> Trennrelaisvariante eher ausreden wollen würdet? > > Wie genau stellst du dir das vor? Meine Idee war folgende: Jeder Motor ist an einem solchen verlinkten Trennrelais angeschlossen, dieses Trennrelais hat einen Eingang für Einzelbefehl welcher idR von einem Jalousietaster bedient wird - bis eben dachte ich dieser lässt sich potentialfrei schalten/"tasten", beim erneuten Hinsehen vermute ich aber, dass man hier 230V Steuerspannung für das Relais schaltet. Hierbei müsste ich also mit dem ungeeigneten und unsicheren Board 230V schalten, allerdings würde ich - nur zum verständnis - an dieser Stelle nur wenige mA Steuerspannung des Relais schalten, richtig? Die Verschaltung habe ich im Anhang visualisiert. Edit: "einzelbefehl_trennrelais.png" ist falsch - habe eine korrigierte Version angehangen - wobei man hier auch besser L via Relais 1 mit Relais 2 so sperren würde, dass nicht AUF und AB gleichzeitig bestromt sein können.
:
Bearbeitet durch User
Ok, da hast du aber auch wieder 230V am blauen Relais. Wie sieht denn die Unterseite deines Moduls aus? Ist da eine Ausfräsung auf der Leiterplatte zu sehen? Die sollte um den Mittenkontakt der Relais sein. Wenn nicht, ist's nicht für 230V zu gebrauchen. Auch nicht zum Schalten eines anderen Relais. Wenn du dir das angehängte Foto genauer anschaust, siehst du die Ausfräsungen auf der blauen Platine. Die schwarze hat das nicht.
Helmut -. schrieb: > Ok, da hast du aber auch wieder 230V am blauen Relais. Wie sieht denn > die Unterseite deines Moduls aus? Ist da eine Ausfräsung auf der > Leiterplatte zu sehen? Die sollte um den Mittenkontakt der Relais sein. > Wenn nicht, ist's nicht für 230V zu gebrauchen. Auch nicht zum Schalten > eines anderen Relais. > Wenn du dir das angehängte Foto genauer anschaust, siehst du die > Ausfräsungen auf der blauen Platine. Die schwarze hat das nicht. Cool, vielen Dank für das Bild - bin gerade nicht vor Ort, schaue aber Morgen gleich nach. Zum besseren Verständnis hätte ich noch Fragen bezügl. der Shelly Variante: Wenn man sich die Teile mal so von Innen ansieht, sind die ja auch sehr miniaturmäßig aufgebaut und auch die Abstände sehen für meine Laienaugen nicht SO riesengroß aus - nach allem was man so hört laufen die ja aber ziemlich tadellos, auch mit so ungünstigen induktiven Lasten - wie?
:
Bearbeitet durch User
Helmut -. schrieb: > Ok, da hast du aber auch wieder 230V am blauen Relais. Wie sieht denn > die Unterseite deines Moduls aus? Ist da eine Ausfräsung auf der > Leiterplatte zu sehen? Die sollte um den Mittenkontakt der Relais sein. > Wenn nicht, ist's nicht für 230V zu gebrauchen. Auch nicht zum Schalten > eines anderen Relais. Die Ausfräsung hilft für den Isolationsabstand auf der Platine, nicht aber für den innerhalb des Relais. Hier ist das Datenblatt von den blauen Dingern: https://www.circuitbasics.com/wp-content/uploads/2015/11/SRD-05VDC-SL-C-Datasheet.pdf Da steht ganz klar und unvmissverständlich drin: Dielectric Strength Between coil & contact: 1500VAC 50/60HZ (1 minute) Und das ist halt für die Verbindung zwischen Netzpotential und Schutzkleinspannung viel zu wenig. Der Shelly ist das egal, weil die nirgends Schutzkleinspannung hat und auch nicht nach außen führt, Kommunikation rein über WLAN etc. Damit braucht die nur Funktionsisolation.
:
Bearbeitet durch User
Und wie ist das bei den plus-Varianten, da können Sensoren angeschlossen werden. Diese Kontakte sind auf Schraubklemmen nach Außen geführt …
Hardy F. schrieb: > Und wie ist das bei den plus-Varianten, da können Sensoren angeschlossen > werden. Diese Kontakte sind auf Schraubklemmen nach Außen geführt … Weiß ich nicht wie das bei denen gelöst ist, ich bin kein Shelly-Experte und habe auch selbst keine davon. Ich meinte hier ausschließlich die oben von Helmut angesprochene Shelly 2PM. Denn die hat ja auch extra die für solche Motoren geeigneten Relais, bzw. SSRs. Das werden dann vermutlich Snubberless-SSRs sein.
Nemopuk schrieb: >> wäre es dann betriebssicher > Nein. Alles was am 230V Netz hängt, muss 4000V Abstand zu berührbaren > (leitfähigen) Teilen haben. Stefanus' Düsseldorfer Gebetsmühle schlägt wieder zu. Gerd E. schrieb: > Die Ausfräsung hilft für den Isolationsabstand auf der Platine, nicht > aber für den innerhalb des Relais. > > Hier ist das Datenblatt von den blauen Dingern: > https://www.circuitbasics.com/wp-content/uploads/2015/11/SRD-05VDC-SL-C-Datasheet.pdf > > Da steht ganz klar und unvmissverständlich drin: > Dielectric Strength Between coil & contact: 1500VAC 50/60HZ (1 minute) > > Und das ist halt für die Verbindung zwischen Netzpotential > und Schutzkleinspannung viel zu wenig. Das lässt sich nicht beurteilen, ohne den Gesamtaufbau zu kennen. Wenn die Steuerung in einem Kunststoffgehäuse ohne berührbare Metallteile sitzt, genügen diese Relais. Sie darf auch in einem Metallgehäuse mit Schutzleiter sein, ohne eine Gefahr für den Benutzer darzustellen.
Manfred P. schrieb: > Das lässt sich nicht beurteilen, ohne den Gesamtaufbau zu kennen. Wenn > die Steuerung in einem Kunststoffgehäuse ohne berührbare Metallteile > sitzt, genügen diese Relais. Sie darf auch in einem Metallgehäuse mit > Schutzleiter sein, ohne eine Gefahr für den Benutzer darzustellen. Naja, ganz so einfach ist es nicht. Alle Leitungen die rein und rausgehen müssen auch bedacht werden. Also z.B. Netzwerk/RS232/RS485 etc. oder externe Taster. Dann das Netzteil. Ist das da in dem Kasten schon mit drin und es wird nicht für irgendwas anderes noch mit verwendet. Dann ist natürlich jedes Berühren der Innereien solange nicht die Sicherung ausgeschaltet ist verboten. Also z.B. ein Firmware-Update auf ner SD-Karte einstecken ist ein No-Go. Um das alles richtig einzuschätzen und hier also sicher sagen zu können dass Funktionsisolierung ausreicht, muss man sich mit den dahinterstehenden Konzepten und Normen schon eingehender beschäftigt haben. Und die sind auch nicht schön als Lehrbuch geschrieben, sondern kommen sehr trocken und komplex rüber. Das ist jetzt nichts was ich einem Anfänger zutrauen würde.
Vielen vielen Dank für die weiteren Anregungen! Ich habe ein Bild der Fräsungen an der Unterseite der Platine angehangen und möchte ausserdem die Rahmenbedingungen nochmal etwas besser umreißen: Ziel ist es 8 Rolläden zu steuern (Genaugenommen sind es Raffstore mit Endschalter), dazu plante ich erst 8 Shellys mit Tasmota zu nutzen, der sportliche Ehrgeiz packte mich aber und ich dachte das geht noch etwas "besser" bzw. anders, das Ziel war es das ganze Kabelgebunden steuern zu können und nur eine (bzw. zwei - aber nicht 8) Tasmota Instanz(en) zu haben. Es gibt nun vorhanden daür zwei der ungeeigneten Relaisboards, zwei 5V Meanwell Netzteile (welche nur die Relaisboards versorgen sollten und nicht mit den ESPs verbunden sind), zwei ESPs mit PoE [1] und einiges an 1,5mm² Litze welches alles gemeinsam in einem Installationskasten aus Kunststoff Platz finden sollte. Dass nun das halbgare Konstrukt dieser Relais mit zuwenigem Abstand auch noch per Ethernet mit anderen empfindlichen Geräten verbunden wäre macht, das gnaze vermutlich eher noch schlimmer - wobei ich nicht weiss in wie weit die angepriesene "galvanische Isolation" des Olimex ESP32 daran etwas verbessert. Ich bin noch nicht sicher wie sehr ich bereit wäre das kabelgebundene aufzugeben - mit der WLAN Variante Shelly 2PM mit Tasmota wären natürlich viele Dinge einfacher - um beim Kabelgebundenen zu bleiben bräuchte es mal mindestens 16 Snubber und/oder 16 weitere geeignete bspw. Finder Relais - welche dann weiderum nur mit 12V Spulenspannung betrieben werden können, was die direkte Ansteuerung mit dem ESP auch wieder kompliziert machen - und dann auch einen hohen (Gesamtbauteil-) Preis hätten, nur für meinen Wunsch der wenigen uCs und dem kabelgebundenen ... hmmmm. Mal andersrum für wen der Lust hat etwas zu Philosophieren: Welche (sicheren) Konstruktionsvarianten die ich bisher garnicht bedenke gäbe es, die meine gewünschten Anforderungen (2 Ethernet ESP für 8 Motoren) erfüllen würden? [1] https://www.olimex.com/Products/IoT/ESP32/ESP32-POE-ISO/open-source-hardware
:
Bearbeitet durch User
Max schrieb: > Ich habe ein Bild der Fräsungen an der Unterseite der Platine angehangen Ändert nichts an der mangelnden Netztrennung der Relais, die bieten nur Basisisolation.
Max schrieb: > Ich habe mir die Verschaltung wie in den angehangenen Diagrammen > überlegt, durch das Schalten mit zwei Relais pro Motor möchte ich dem > von Hardy beschriebenen Fehlerfall vorbeugen - ist die (hoffentlich auch > valide) Alternative zu dem von dir beschriebenen gegeneinander sperren > würde ich sagen, oder? Guck mal hier: https://www.mikrocontroller.net/attachment/376395/Trennralais-Rolladen-schaltplan.gif Die Verriegelung muss nicht neu erfunden werden. Bei dir hängen beide Motoren am gleichen Relais, d.h. das Getriebe am Motor knallt, falls du das Relais umschaltest, während der Strom eingeschaltet ist.
:
Bearbeitet durch User
Max schrieb: > nach allem was man so hört laufen die ja aber ziemlich tadellos, auch > mit so ungünstigen induktiven Lasten - wie? Mit den Snubbern, die extra als Zubehör angeboten werden. Max schrieb: > sind die ja auch sehr miniaturmäßig aufgebaut und auch die Abstände > sehen für meine Laienaugen nicht SO riesengroß au Da alles sicher isoliert sind, und keine Leitung mit Kleinspannung heraus geführt ist (auch kein USB), gelten einfachere Anforderungen an das Relais. Das ganze Shelly Gerät muss nur nach außen hin auf 4000V isolieren.
:
Bearbeitet durch User
Nemopuk schrieb: > Das ganze Shelly Gerät muss nur nach außen hin auf 4000V > isolieren. Bei Mary Shelly deutlich mehr.
Rainer W. schrieb: > Guck mal hier: > https://www.mikrocontroller.net/attachment/376395/Trennralais-Rolladen-schaltplan.gif > Die Verriegelung muss nicht neu erfunden werden. Eine der Grundschaltungen mit Relais, die man eh kennen sollte. > Bei dir hängen beide Motoren am gleichen Relais, d.h. das Getriebe am > Motor knallt, falls du das Relais umschaltest, während der Strom > eingeschaltet ist. Ein wichtiger Hinweis! Für mein Deckengelenktor habe ich eine Fernbedienung gebaut, als noch niemand an Arduino oder ESP dachte. Da dieses keine extern zugänglichen Endschalter hat, musste ich eine Zeit festlegen, wie lange es bestromt wird. Eine direkte Richtungsumkehr wird verhindert, weil ein Befehl aus dem Lauf heraus direkt Stop macht und bevor es zufährt, piept ein Signalgeber. Was auch immer der TO vor hat, vermutlich muß auch er über solche Randbedingungen nachdenken.
Da ist vor allem ein anderes Relais-Board erforderlich, eines ohne diese gruseligen Songle-Relais, die vom Pinout her schon nicht zum Einhalten der für 230V-Stromkreise erforderlichen Isolationsabstände geeignet sind. Und Optokoppler ohne galvanische Trennung einzusetzen ist schaltungstechnisch Unfug. Seltsamerweise finden sich im Netz, wenn man nach "Arduino Relaisboard 230V" sucht, fast ausschließlich (99,9%) Karten mit diesem unsäglichen Schrott-Relais. Ein pasr wenige Treffer finden sich aber auch zu Karten mit Relais von Schrack, die neben einem vernünftigen Pinout mit viel Abstand zwischen Kontakt und Spule auch ein Vde-Prüfzeichen haben.
Thorsten S. schrieb: > Seltsamerweise finden sich im Netz, wenn man nach "Arduino Relaisboard > 230V" sucht, fast ausschließlich (99,9%) Karten mit diesem unsäglichen > Schrott-Relais. Das ist weder gut noch gesund, aber ich vermute mal mindestens 50% der Käufer dieser Boards schalten damit munter 230V Lasten und hatten damit bisher keine Probleme. Wie dem auch sei: Nach einigem weiteren Lesen, habe ich noch mehr über das Schalten von (Rolladen)Motoren und den hier besprochenen Dingen gelernt. Der subjektive Eindruck ist, die allermeisten Schalten ohne Snubber und haben damit die allermeiste Zeit Glück und/oder Erfolg, auch bspw. langlebige Trennrelais von Somfy sind ohne Snubber ausgeführt. Auch scheint es so zu sein, dass die jüngeren Modelle der Somfy Rolladenmotoren elektronisch schon recht gut ertüchtigt sind und ihnen einige der unschönen Effekte abgewöhnt wurden. Beim weiteren Überlegen und fast doch wieder in den Shelly Weg abbiegend, habe ich nun die folgende Variante auserkoren, die am Ende trotz Neuanschaffungen vorhandenes nutzt und günstiger bleibt (insg. 200€) als alle Rolläden mit Shelly Modulen zu bestücken und meinem initialen Lastenheft recht treu bleibt: Ich nutze weiterhin das 5V Relaisboard als einfaches IO Board. Dieses steuert neu besorgte Finder Relais (49.61.7.005.0050) mit 5V Steuerspannung, 16A, AgCdO Kontakten, Freilaufdiode und 8mm Isolationsabstand auf Hutschiene - ich denke die würden auch ohne Snubber überleben, aber ich hatte die Snubbermodule sowieso schon geordert, werde sie also zusätzlich verbauen und damit wird das Konstrukt vermutlich länger halten als die Rolläden verbaut sind.
Max schrieb: > Der subjektive Eindruck ist, die allermeisten Schalten ohne Snubber und > haben damit die allermeiste Zeit Glück und/oder Erfolg, auch bspw. > langlebige Trennrelais von Somfy sind ohne Snubber ausgeführt. Dann gehen die davon aus, dass die Entstörmittel an den Rolladenmotoren schon montiert sind. Hast Du das nachgeprüft, um Deine Aussage zu begründen? Max schrieb: > Ich nutze weiterhin das 5V Relaisboard als einfaches IO Board. Wir hatten im Forum schon "mysteriöse" Fälle diskutiert, wo Luftfeuchtigkeit Kriechströme produzierte und Schaltungen plötzlich nicht mehr funktionierten, bzw. es zum zufälligen Auslösen von Schutzeinrichtungen kam. Ich würde so ein Board für den Anwendungszweck nicht verbauen. ciao gustav
Helmut -. schrieb: > Wenn du dir das angehängte Foto genauer anschaust, siehst du die > Ausfräsungen auf der blauen Platine. Die schwarze hat das nicht. Und für wen / was sind diese Fräsungen zwingend? Selbst in anderen 230V Projekten ist mir das nicht zwangsläufig untergekommen. Das eine PE-Leiterbahn ohne Lötstoplack in der Nähe war schon eher.
Thomas S. schrieb: > Und für wen / was sind diese Fräsungen zwingend? > > Selbst in anderen 230V Projekten ist mir das nicht zwangsläufig > untergekommen. Das eine PE-Leiterbahn ohne Lötstoplack in der Nähe war > schon eher. Diese Fräsungen sind zwingend, um die im Gültigkeitsbereich der EN (Europäische Normen) vorgeschriebenen Luft- und Kriechstrecken bei Netzspannung einzuhalten. Ist ja den Chinesen egal. Die bauen irgendwas, was die Leute kaufen. In China gilt CCC und nicht EN. Sicherheit ist denen bei Langnasen egal, wenn man es nicht extra fordert.
Helmut -. schrieb: > Diese Fräsungen sind zwingend, um die im Gültigkeitsbereich der EN > (Europäische Normen) vorgeschriebenen Luft- und Kriechstrecken bei > Netzspannung einzuhalten. Sie sind Quatsch, denn schon die "nackten" Relais sind weit von der Erfüllung der Vorschrift entfernt.
Max schrieb: > Ich nutze weiterhin das 5V Relaisboard als einfaches IO Board. Dieses > steuert neu besorgte Finder Relais (49.61.7.005.0050) mit 5V > Steuerspannung, 16A, AgCdO Kontakten, Freilaufdiode und 8mm > Isolationsabstand auf Hutschiene Wenn Dein Gesamtsystem nur 5 Volt hat, OK. Wenn aber 12V oder 24V vorhanden sind, würde ich Relais mit dieser Erregerspannung verwenden und mir die Umwandlungsverlsute nach 5 V ersparen.
Manfred P. schrieb: > Max schrieb: >> Ich nutze weiterhin das 5V Relaisboard als einfaches IO Board. Dieses >> steuert neu besorgte Finder Relais (49.61.7.005.0050) mit 5V >> Steuerspannung, 16A, AgCdO Kontakten, Freilaufdiode und 8mm >> Isolationsabstand auf Hutschiene > > Wenn Dein Gesamtsystem nur 5 Volt hat, OK. Wenn aber 12V oder 24V > vorhanden sind, würde ich Relais mit dieser Erregerspannung verwenden > und mir die Umwandlungsverlsute nach 5 V ersparen. Jap, Gesamtsystem und Stromversorgung haben 5V, daher habe ich mich für diese Variante entschieden. Nochmal eine Verständnisfrage: Beim Aufbau mit Verriegelung wie von Manfred verlinkt, hängt die inaktive Motorwicklung ja während des Schaltens der aktiven Wicklung in der Luft und hat keinen Kontakt zum restlichen Aufbau - sind die Snubber in diesem Falle nicht überflüssig?
Max schrieb: > sind die Snubber > in diesem Falle nicht überflüssig? Nein, denn die aktive Wicklung induziert hohe Spannung beim Betrieb in die inaktive Wicklung. Um die Relaiskontakte zu schonen sind Snubber angeraten.
Helmut -. schrieb: > Max schrieb: >> sind die Snubber >> in diesem Falle nicht überflüssig? > > Nein, denn die aktive Wicklung induziert hohe Spannung beim Betrieb in > die inaktive Wicklung. Um die Relaiskontakte zu schonen sind Snubber > angeraten. Die inaktive Wicklung hat in diesem Moment ja aber garkeinen Kontakt da sie an NO angeschlossen ist, somit landet die induzierte Spannung ja garnicht am Relais das für diese Wicklung zuständig ist. Wo ist mein Denkfehler?
Arduino F. schrieb: > Max schrieb: >> Wo ist mein >> Denkfehler? > > Ist die inaktive Leitung IMMER inaktiv? Ja. Ich habe die Relais so verschaltet wie angehangen, die inaktive Wicklung hat also nie Kontakt wenn die andere aktiv ist.
Max schrieb: > Ich habe die Relais so verschaltet wie angehangen, die inaktive Wicklung > hat also nie Kontakt wenn die andere aktiv ist. Dann bräuchte man ja nirgends Snubber laut deiner Aussage. Weil Kontakte halten ja, wenn sie offen sind, unbegrenzt hohe Spannungen aus? Hmmm.
Beitrag #7976902 wurde vom Autor gelöscht.
Bitte melde dich an um einen Beitrag zu schreiben. Anmeldung ist kostenlos und dauert nur eine Minute.
Bestehender Account
Schon ein Account bei Google/GoogleMail? Keine Anmeldung erforderlich!
Mit Google-Account einloggen
Mit Google-Account einloggen
Noch kein Account? Hier anmelden.









