Hallo zusammen, erstmal eine ganz kurze Vorstellung Ich heisse Bernd und bin bald 66 Jahre alt. Mein Hobby ist schon seit 50 Jahren der RC Flugmodellbau und seit ein paar Jahren baue ich dafür NC gesteuerte Maschinen und die Steuerungen dazu. Leider fehlt mir oft das Hintergrundwissen dazu, sodass Youtube oder Diverse Foren zur Hilfe genutzt werden. Mein aktuellstes Projekt ist eine Steuerung für eine Heißdrahtschneide. Die vorhandene lief unter DOS und der Rechner dazu wollte nicht mehr! Die Steuerung funktioniert die Maschine läuft auch etwas "geschmeidiger" als vorher. Nun zu meinem Problem: Die MKS kommt ja aus dem 3D Druck Bereich und ich wollte über den BED Anschluss per PWM den Draht mit unterschiedlicher Leistung betreiben. Dazu habe ich auch aus dem 3D Druck Bereich ein Angeek Mosfetmodul 30A gekauft und angeschlossen. Das MKS und der Heißdraht werden aus einem 24 Volt Industrienetzteil gespeist. Es lässt sich auch über die Software ein und ausschalten aber halt immer mit der vollen Spannung. Am BED Ausgang des MKS kann ich aber die Spannung reduzieren (gemessen) Nun hat das Mosfet Modul neben dem Anschluss BED auch nicht SIG und die Masse dazu. Wenn ich aber daran anklemme ist das Mosfet ständig durchgeschaltet Ich habe echt keine Ahnung mehr.
Bernd schrieb: > Am BED Ausgang des MKS kann ich aber die Spannung reduzieren (gemessen) Nö, kannst du nicht. Du kannst lediglich das Tastverhältnis der PWM daran verändern. > Angeek Mosfetmodul 30A Zeig mal den Schaltplan.
Tut mir leid es gibt im ganzen Internet keine Anleitung Das Modul hat BED +- SIG +- auf der einen Seite und auf der anderen einen Ausgang an den Heißdraht und einen Eingang für die 24 Volt vom Netzteil Was meinst Du mit Tastverhältnis? Ich konnte doch bei dem BED Ausgang am MKS bei 50% Reduzierung in der Software nur noch 12 Volt messen Wie bereits geschrieben ich bin Laie auf dem Gebiet Erkläre es bitte so dass es ein Dummer (Ich)versteht
Bernd schrieb: > Angeek Mosfetmodul 30A Nach den ersten paar Google-Suchergebnissen ist das das typische Aliexpress-Arduino-Mosfet-Modul mit Optokoppler. Zwar "Deppensicher" anzuschließen, aber für schnelle PWM oder gar analoge Ansteuerung nicht wirklich geeignet. Aber: So ein Heizdraht braucht auch keine schnelle PWM, also mal deutlich mit der Frequenz runtergehen.
Ersteinmal vielen Dank für deine Unterstützung! Müsste dann der BED Ausgang der MKS an SIG statt an BED? Wie kann ich die PWM Frequenz regeln? In der Schneide-Software konnte ich das nicht finden Hättest du eine Lösung die mit dem Board/der Software funktionieren würde Der Strom liegt maximal bei 10 Ampere
Bernd schrieb: > Tut mir leid es gibt im ganzen Internet keine Anleitung Also eigentlich Müll. > Was meinst Du mit Tastverhältnis? https://www.elektronik-kompendium.de/sites/kom/0401111.htm
Der Heater-Ausgang hat einen Pin fix auf Dauer-Plus, und schaltet den GND-(Minus)-Pin. Je nachdem wie dein Mosfet-Modul arbeitet (z.B. durchverbundenes GND, ggfs. auch über Umweg Netzteil), kann das in "Dauer-An" resultieren.
Hallo Ernst, und welche Lösung gebe es dann dafür oder funktioniert das gar nicht dann schalte ich den Strom Manuell über ein regelbares Netzteil
Bernd schrieb: > Ich konnte doch bei dem BED Ausgang am MKS bei 50% Reduzierung in der > Software nur noch 12 Volt messen Womit gemessen? Nur mit einem Oszi siehst du die wirkliche Spannung mit ihrem zeitlichen Verlauf. Mit einem Multimeter sieht du einen Mittelwert.
Hast du das so verschaltet? https://ae01.alicdn.com/kf/HTB1KgivwFuWBuNjSszbq6AS7FXaN/Hot-selling-3D-Printer-Parts-Heating-Controller-MKS-MOSFET-for-Heat-Bed-Extruder-MOS-Module-Exceed.jpg_640x640.jpg
Εrnst B. schrieb: > Aber: So ein Heizdraht braucht auch keine schnelle PWM, also mal > deutlich mit der Frequenz runtergehen. Kannst Du auch näher erklären wo? Ich denke nicht dass es so einfach zu ändern geht. https://github.com/makerbase-mks/MKS-GEN_L/wiki
zunächst mal sorry mir ging es nicht gut deshalb die späte Rückmeldung @hhinz ja nach diesem Diagramm habe ich das angeschlossen. Mit diesem Anschluss geht das normale Ein und Ausschalten über Software aber keine Änderung beim PWM @rainer, danke wieder was gelernt. Natürlich mit dem Multimeter gemessen! Wie schon geschrieben, wenn jemand eine Lösung für das Problem mit einer selbst gebauten Lösung hätte… löten kann ich!
Bernd schrieb: > Natürlich mit dem Multimeter gemessen! p.s. Die Aussagekraft von deinem Messwert vom Multimeter hängt sogar von der Pulsform ab. Bei einer DC-Spannung von 12V liegt die Leistung an deinem Heizdraht im Vergleich zu einem Betrieb bei 24V bei 25% (1/2 Spannung -> 1/2 Strom, konst. Widerstand des Drahtes angenommen). Bei Betrieb mit 24V und PWM mit Tastverhältnis 50% misst du bei der Spannung als Mittelwert ebenfalls 12V. Es fließt aber über 50% der Zeit der volle Strom, d.h. die mittlere Leistung liegt im Vergleich zu Betrieb mit 24VDC bei 50% (50% der Zeit volle Spannung und voller Strom, d.h. 50% der Zeit volle Leistung).
Wenn du in Marlin evtl für das Heatbed kein PID sondern BangBang konfiguriert hast, schaltet er den Heizer ja nicht schnell an und aus sondern langsam. Nur so eine Idee.
@thomas, ich muss die Konfiguration ja in dem Heissdraht Schneideprogramm machen Ansonsten vielleicht noch in der Firmware auf dem Arduino aber dazu habe ich zuwenig Hintergrundwissen
Hallo zusammen, keiner mehr eine Idee oder Vorschlag für eine Selbstbau Lösung? Ich wünsche allen eine frohe Weihnacht Gruß Bernd
es sind sehr viele China-Mosfet Module auf dem Markt die falsch dimensionierte Widerstände haben Ich hatte erst kürzlich so eines in der Hand - aus PWM macht es dann nur noch an oder aus - sprich ab z.B. 5% PWM war es dauernd an
@heinz und hättest du auch eine Empfehlung für ein funktionierendes?
Bernd schrieb: > @heinz und hättest du auch eine Empfehlung für ein > funktionierendes? Einfach das vorhandene reparieren bzw passend machen. Mach mal ein Foto der kleinen Bauteile neben den kleineren Schraubklemmen, so dass man deren Marking lesen kann. Und ermittle die aktuelle PWM-Frequenz.
Bernd schrieb: > @heinz und hättest du auch eine Empfehlung für ein funktionierendes? leider nein, ich hatte verschiedene bei Amazon bestellt - alle den gleichen Fehler Habe sie dann umgelötet - 2 Widerstände Wenn ich mich recht erinnere 1MOhm auf 10K und 10K auf 1K Was für Widerstände sind auf dem gekauften Modul am Mosfet?
Heinz R. schrieb: > Habe sie dann umgelötet - 2 Widerstände man muss ja nicht umlöten - drauflöten reicht auch Beitrag "Mosfet Treiber von Ali keine funktion"
Alexander schrieb: > man muss ja nicht umlöten - drauflöten reicht auch habe ich auch gemacht - aber wollte hier nicht noch mehr verwirren :-)
Wie sieht denn ein einfacher Schaltplan für so ein Modul aus? Ich hoffe ihr könnt etwas erkennen auf dem Foto
Bernd schrieb: > Ich hoffe ihr könnt etwas erkennen auf dem Foto Die Markings von T1 und T2 schon mal nicht.
Kann man auch unter der Lupe leider nicht erkennen
Zoom mal hier rein. mit Abendsonne (Taschenlampe von der Seite) https://www.amazon.de/dp/B08Z7R9YZ4
:
Bearbeitet durch User
Also BC807/817-25. Wird die Heizung denn warm, wenn man nur diese und die 24V an das Modul anschließt? Die kleinen Klemmen dabei unbeschaltet lassen!
Kann doch nicht sein, wieso findet sich dazu kein Schaltplan? https://www.aliexpress.com/item/1005010367176433.html
@H.H. Ich kann nicht sagen ob es ohne Anschluss irgendeiner der kleinen Klemmen funktioniert aber ich denke eher nicht. Ich muss ja schon aktiv einschalten wenn an BED angeschlossen ist. Nur beim Anschluss an SIG ist das Modul dauernd aktiv
@ Aleksander auf deinem Foto kann man die Werte ja erkennen. Mein Modul ist von Amazon sieht aber soweit gleich aus nur daß es doppelt so teuer war
Bernd schrieb: > Wie sieht denn ein einfacher Schaltplan für so ein Modul aus? > Ich hoffe ihr könnt etwas erkennen auf dem Foto Alexander hat doch oben einen verlinkt? Was vor dem Optokoppler passiert ist meist unkritisch Ich vermute in Deinem Foto - Es sind die Widerstände 7 - 9 die kritisch sind, miss doch die mal nach?
Ich würde jetzt nicht unbedingt davon ausgehen dass die Schaltung identisch ist. Ich weiß nicht warum ich den verlinkt habe, maximal als Orientierung.
Ich sehe in dem Link keinen Schaltplan liegt vielleicht am iPad Denkst du die aufgedruckten Werte stimmen nicht? Ich messe sie heute Nachmittag mal nach
Bernd schrieb: > Ich sehe in dem Link keinen Schaltplan liegt vielleicht am iPad > Denkst du die aufgedruckten Werte stimmen nicht? ich meinte diesen Link: Beitrag "Mosfet Treiber von Ali keine funktion" doch, die aufgedruckten Werte werden schon stimmen - aber es gehören andere Werte rein Hast Du ein Oszi und was um das PWM-Signal zu erzeugen?
Zu diesem Modul nicht, nein. Aber Du kannst einen Schaltplan erstellen anhand der Platine. Schwarz ist leider nicht so optimal.
Nein, leider kein Oszi, Bin ja gerade erst am etwas intensiveren Einstieg in die Elektrotechnik Hab halt mindestens 30 Jahre zu spät angefangen ;-(
Bernd schrieb: > @H.H. Ich kann nicht sagen ob es ohne Anschluss irgendeiner der > kleinen > Klemmen funktioniert aber ich denke eher nicht. Ich muss ja schon aktiv > einschalten wenn an BED angeschlossen ist. Nur beim Anschluss an SIG ist > das Modul dauernd aktiv Du hast also keine Lust das Schritt für Schritt durchzugehen. EOT
Doch natürlich, kann ich nachher probieren. Bin gerade nicht zu Hause
So probiert, ohne Anschluss eines Kabels an BED oder SIG schaltet das Modul nicht!
@heijz Die Widerstände haben die aufgedruckten Werte
Bernd schrieb: > @heijz Die Widerstände haben die aufgedruckten Werte wie sind die Werte? Hast mal gemessen wo die Leitungen von den Widerständen hingehen?
Nochmal, ich muss das Modul nicht unbedingt verwenden! Wenn jemand eine bauteilliste und Ein Fritzing für eine funktionierende Schaltung mit meinen Anforderungen hätte, sehr gerne her damit
Multimeter mit Frequenz Funktion auch nicht vermutlich.
Bernd schrieb: > Hab doch , noch, kein Oszi Das geht in dem Fall auch mit einem einfachen DMM und einem Kondensator. Die LED fürs Heat-Bed gibt es doch auch auf deinem Mainboard?
7,8 kHz sagt mein Multimeter ist das realistisch? Das Teil hat eine Frequenz Messmöglichkeit
Bernd schrieb: > 7,8 kHz sagt mein Multimeter ist das realistisch? > Das Teil hat eine Frequenz Messmöglichkeit Das ist durchaus möglich, und vor allem unnötig hoch. Für das Heizbett wäre 1Hz noch gut ausreichend, für den Draht würde ich dann schon wenige 10Hz verwenden. Gibt es denn keinen Quellcode der Software?
Ich versuche den Verkäufer der Software zu erreichen
Die Software von was gleich noch ? Ich dachte das mosfet Modul hängt an einem 3D Drucker Board MKS? Ich komm da nicht mit. Bei Marlin Firmware wäre das wie geschrieben anstatt PID Mode der BangBang Mode.
Bernd schrieb: > Ich versuche den Verkäufer der Software zu erreichen Gute Idee. Das wurde ja bestimmt über die Einstellungen von Timer 4 des µC so festgelet, und das sollte sich leicht auf angemessene Frequnz ändern lassen. Dennoch wäre es sinnvoll die Schaltung des 30A Moduls aufzunehmen, eigentlich kann man sowas auch für einige kHz tauglich realisieren.
Bernd schrieb: > Ich versuche den Verkäufer der Software zu erreichen Den Verkäufer der GPL lizensierten Open-Source Firmware?
Alexander schrieb: > Bernd schrieb: >> Ich versuche den Verkäufer der Software zu erreichen > > Den Verkäufer der GPL lizensierten Open-Source Firmware? Auf der Hardware darf auch andere Software laufen.
Ich hatte doch geschrieben, daß ich damit eine Heißdrahtschneidemaschine zum Styropor schneiden gebaut habe. Die Software die ich dazu nutze, DEN VORHER GENERIERTEN, Gcode zu schneiden heißt Devfoam CNC Dieses Programm schreibt auch beim ersten Anschluss die passende Firmware auf den Controller Bin gespannt ob ich eine Rückmeldung bekomme.
Bernd schrieb: > Bin gespannt ob ich eine Rückmeldung bekomme. Weise auf die unsinnig hohe PWM-Frequenz hin.
Das PWM am originalen BED Ausgang des MKS Modules würde ja funktionieren aber ich möchte nicht die ganze Leistung über diesen Ausgang laufen lassen. Außerdem sollte ich bei Drahtlängen über 1200mm eine höhere Spannung, 36 besser 48 Volt, haben um die benötigte Wärme am Draht zu erzeugen
Bernd schrieb: > Außerdem sollte ich bei Drahtlängen über 1200mm eine höhere Spannung, 36 > besser 48 Volt, haben um die benötigte Wärme am Draht zu erzeugen So hochohmig ist der Draht?
Ist ja nur 0.2mm dick bis jetzt brauche ich bei 1000mm Drahtlänge und 35 Volt ca. 4 Ampere Das erreiche ich durch ein regelbares Netzteil das ich dann per Hand einschalte. Bei Styrodur z.B. muss der Draht aber noch etwas wärmer sein
Bernd schrieb: > Ist ja nur 0.2mm dick bis jetzt brauche ich bei 1000mm Drahtlänge und 35 > Volt ca. 4 Ampere Was für ein Werkstoff ist denn das? Und weshalb so dünn?
Material kann ich dir nicht genau sagen. Habe ich mal ein paar Meter als Schneidedraht gekauft So dünn, weil sonst der Abbrand immer größer wird Habe aber schon gelesen daß normaler Edelstahldraht weniger Strom benötigen soll
Sorry Bernd, das war OT und sollte von einem Moderator gelöscht werden.
Hallo zusammen, ich wollte euch kurz informieren wie der Stand der Dinge ist. Nachdem der Programmierer der Software sagt, dass die Reduzierung der Frequenz nicht möglich ist habe ich nach einer pragmatischen Lösung gesucht. Ich habe auf dem MKS Board das Gate des BED Mosfet angezapft und an ein einfaches Amazon Mosfet Modul (mit Doppelmosfets) geführt als Spannungsquelle dafür ein Separates 36 Volt Netzteil Was soll ich sagen… es funktioniert! Außerdem habe ich auf einen anderen Heizdraht umgestellt der mit ca. 1,5 Ampere die nötige Wärme erreicht. Soweit so gut, nun zu den Punkten die mir noch nicht so gut gefallen Die Mosfet werden gut warm und es fließt immer ein kleiner Reststrom Nun nochmal zu meiner, schon einmal gestellten Frage Könnte mir jemand den Aufbau einer Schaltung für mein Problem so erklären, daß ich es nachbauen kann 24 Volt PWM mit ca.8 kHz Auf der Lastseite für ein 36 Volt Netzteil und maximal 2 Ampere an Strom gerne auch den Aufbau in z.b. Falstadt Simulator Wie schon gesagt ich möchte auch etwas lernen und eine Erklärung der verwendeten Bauteile wäre wichtig Gruß Bernd
Ach so vergessen: warum wird das jetzt verwendete Modul eigentlich so warm lt Beschreibung kann es 15 Ampere Dauer und das auch bei höheren Frequenzen
:
Bearbeitet durch User
Bernd schrieb: > warum wird das jetzt verwendete Modul eigentlich so warm Welches Modul? Was geht rein, was komm raus (mit Oszilloskop messen)? Wo ist der Schaltplan von dem Modul?
Habe noch kein Oszi nur ein Multimeter, das ist das jetzt verwendete Modul.
Bernd schrieb: > Die Mosfet werden gut warm die schalten halt auch nicht komplett durch, Gatespannung zu niedrig Bernd schrieb: > Nun nochmal zu meiner, schon einmal gestellten Frage > > Könnte mir jemand den Aufbau einer Schaltung für mein Problem so > erklären, daß ich es nachbauen kann > > 24 Volt PWM mit ca.8 kHz muss der Heizdraht überhaupt von der Steuerung versorgt werden? könnte er nicht einfach dauerhaft beheizt werden?
Du hast recht, ich habe den Draht auch schon vor dem Beginn des schneidens mit einem regelbaren Netzteil von Hand eingeschaltet. Ist halt schon komfortabel wenn der Draht beim Start drücken aufheizt und die Maschine dann schneidet. Ich habe mich halt jetzt etwas an dem Thema festgebissen und würde es gern, mit vertretbarem Aufwand, lösen. Eine Frässpindel an einer CNC startet ja auch von der Software gesteuert
Nochmal zu deiner Antwort, warum schalten die nicht komplett durch? Ich dachte man steuert so ein Modul "normalerweise" mit 5Volt PWM
Bernd schrieb: > Ich habe auf dem MKS Board das Gate des BED Mosfet angezapft und an ein > einfaches Amazon Mosfet Modul (mit Doppelmosfets) geführt Oh weh! Wenn das Modul wenigstens einen Gatetreiber hätte...
Bernd schrieb: > Ich > dachte man steuert so ein Modul "normalerweise" mit 5Volt PWM Schau ins Datenblatt der darauf verbauten MOSFETs.
Ok, ich konnte ein Datenblatt mit +-20 Volt finden dafür dann die Drain Spannung Max wäre dann bei mir mit den 36 Volt zu hoch richtig? Um weiterzukommen müsst ihr was wissen? Kann ich die Spannung am Gate bei meiner MKS Karte auch mit dem Multimeter feststellen?
:
Bearbeitet durch User
Bernd schrieb: > Ok, ich konnte ein Datenblatt mit +-20 Volt finden dafür dann die Drain > Spannung Max wäre dann bei mir mit den 36 Volt zu hoch richtig? Ganz weit daneben. Was für welche sind drauf? Und mach besser ein Foto davon. Bernd schrieb: > Kann ich die Spannung am Gate bei meiner MKS Karte auch mit dem > Multimeter feststellen? Da reicht ein Blick in den Schaltplan: ATmega2560 mit 5V betrieben.
:
Bearbeitet durch User
Das MKS Board wird doch mit 24 Volt betrieben oder kommen die dann an dem, benutzten, Pin 8 nicht an?
Bernd schrieb: > Das MKS Board wird doch mit 24 Volt betrieben oder kommen die dann > an > dem, benutzten, Pin 8 nicht an? Was zum Teufel soll jetzt schon wieder Pin_8 sein? Der µC auf der Hauptplatine läuft mit 5V, und genau damit wird der dort verbaute MOSFET fürs Bett gesteuert. Für den kleinen reicht die Treiberleistung des ATmega2560 gerade noch so, für zwei zusätzliche von unbekanntem Hersteller nicht mehr. Und ob die MOSFETs auf dem Modul überhaupt für 5V taugen ist zweifelhaft.
Bernd schrieb: > Nachdem der Programmierer der Software sagt, dass die Reduzierung der > Frequenz nicht möglich ist Das spricht nicht gerade für den Programmierer.
Pin 8 ist der Pin der geschaltet wird und der Teufel ist halt überall
Der Programmierer ist nicht so richtig kooperativ, ich hätte auch gerne daß der Heizstrom über den Gcode gesteuert werden kann, geht bei allen nicht bei ihm!
Weil es in der Software als PIN 8 bezeichnet wird, ist doch aber nicht relevant oder?
Bernd schrieb: > Wieso, daneben? Mehr als V_DS = 30V wäre für den IPD075N03L nicht gut. https://www.infineon.com/assets/row/public/documents/24/49/infineon-ipd075n03lg-datasheet-en.pdf
Bernd schrieb: > Weil es in der Software als PIN 8 bezeichnet wird, Makerscheiße. > ist doch aber nicht relevant oder? Führt zur Verwirrung. Wo genau hast du jetzt das Signal für das neue Modul abgezweigt?
An dem Gate des mosfet der mit Pin 8 geschaltet wird
Bernd schrieb: > An dem Gate des mosfet der mit Pin 8 geschaltet wird Also nochmal 10 Ohm mehr... Das wird so nichts.
Was meinst du? Dann sag doch einfach was ich machen muss damit es funktioniert Kann ja nicht unmöglich sein oder? Ich wäre ja auch bereit etwas nach eurer Angabe aufzubauen Bauteile bestellen und auf einer universalplatine zu verlöten trau ich mir schon zu
Bernd schrieb: > Bauteile bestellen und auf einer universalplatine zu verlöten trau ich > mir schon zu Dann hab etwas Geduld.
vermutlich ist das neue Board das hier, das kannst eigentlich direkt entsorgen: https://www.codrey.com/electronics/dual-mosfet-switch-module/
Ja, das könnte hinkommen. Sind auch spottbillig. Aber wenigstens hat es prinzipiell damit erstmal geklappt. Wenn ihr zu den Aussagen mir immer sagt warum nicht dann kann ich irgendwann auch etwas lernen. An Geduld soll es nicht liegen. Wie gesagt ich spiele gerade auch mit dem Simulator um etwas zu lernen
Hast einen besseren Vorschlag? Bin da nicht festgelegt
Es freut mich, daß die Experten sich auch nicht einig sind.
@hhinz Kann ich deinen Vorsschlag irgendwie in LTspice kopieren Kannst du mir erklären was deine Schaltung macht? Danke für eure Mühe
Heinz R. schrieb: > H. H. schrieb: >> Doch nicht für 8kHz. > > wozu braucht es bei einem Drahtschneider 8 KHz? Lies den Thread.
Bernd schrieb: > @hhinz Kann ich deinen Vorsschlag irgendwie in LTspice kopieren Anhang. > Kannst du mir erklären was deine Schaltung macht? Soll mal ein anderer machen, mir schmerzen die Hände.
Ich finde Falstad einfacher zu bedienen. LTspice hab ich noch nicht zum laufen bekommen.
@hhinz Kopieren in LTspice hat geklappt das Programm lies sich problemlos installieren und starten Wenn deine Hände wieder genesen sind würde ich mich über eine Erklärung sehr freuen! (Natürlich auch gerne von anderen erleuchteten ;-) Schönen Abend noch Gruß Bernd
welche Erklärung suchst DU denn? Du brauchst halt einen Mosfet der bei der zur Verfügung stehenden Gate-Spannung voll durchschaltet Tut er das nur zum Teil wird er warm
Heinz R. schrieb: > Du brauchst halt einen Mosfet der bei der zur Verfügung stehenden > Gate-Spannung voll durchschaltet Oder halt den von hhinz entworfenen Gatedriver
Da ich wie schon mehrfach gesagt, Einsteiger mit noch wenig Ahnung bin wäre eine Art Fahrplan durch den Schaltplan hilfreich um zu verstehen um welche Bauteile es sich handelt, was sie tun und warum das z.B. mit einem Gatedriver besser ist. Ich weiß nicht ob ihr alle Elektronik oder Elektrotechnik studiert habt oder Beruflich damit zu tun habt. Als Anfänger komme ich mir manchmal echt doof vor! Wie würdet ihr in die Materie einsteigen? Ein Verein oder eine Hobbygrubbe in dieser Richtung wäre schon interessant Hab aber noch nichts gefunden hier in der Nähe 724..
Bernd schrieb: > Wie würdet ihr in die Materie einsteigen? mit lesen: https://de.wikipedia.org/wiki/Gate-Treiber
Bernd schrieb: > Da ich wie schon mehrfach gesagt, Einsteiger mit noch wenig Ahnung bin > wäre eine Art Fahrplan durch den Schaltplan hilfreich um zu verstehen um > welche Bauteile es sich handelt, Problem ist, ein Mosfet braucht eine Mindest-Gatespannung um voll durchzuschalten - diese ist im Datenblatt genannt Bernd schrieb: > Ein Verein oder eine Hobbygrubbe in dieser Richtung wäre schon > interessant > Hab aber noch nichts gefunden hier in der Nähe 724.. 726 ist far nicht so weit weg von 726 :-) - bin aber weder Ingenieur noch habe ich einen Verein
Heinz R. schrieb: > Problem ist, ein Mosfet braucht eine Mindest-Gatespannung um voll > durchzuschalten - diese ist im Datenblatt genannt Das Gate will auch schnell genug umgeladen werden.
H. H. schrieb: > Das Gate will auch schnell genug umgeladen werden. das ist dann der nächste Schritt :-)
Heinz R. schrieb: > H. H. schrieb: >> Das Gate will auch schnell genug umgeladen werden. > > das ist dann der nächste Schritt :-) Der fehlte bisher. Deshalb mein Vorschlag.
Heinz R. schrieb: > das ist dann der nächste Schritt :-) Wenn du feststellen möchtest, ob die Erwärmung durch zu geringe Ansteuerspannung oder durch Umschaltverluste entsteht, steuere den FET versuchsweise einmal statisch an, also nicht mit dem PWM-Signal, sondern direkt mit VDD (100kOhm zwischen G und S, 1kOhm von G nach VDD).
Rainer W. schrieb: > Heinz R. schrieb: >> das ist dann der nächste Schritt :-) > > Wenn du feststellen möchtest, ob die Erwärmung durch zu geringe > Ansteuerspannung oder durch Umschaltverluste entsteht, steuere den FET > versuchsweise einmal statisch an, also nicht mit dem PWM-Signal, sondern > direkt mit VDD (100kOhm zwischen G und S, 1kOhm von G nach VDD). Vdd beträgt bei ihm 36V, so viel wird das Gate nicht mögen.
H. H. schrieb: > Vdd beträgt bei ihm 36V, so viel wird das Gate nicht mögen. Woher weißt du? Könnten es nicht eher 5V sein, die da gesteuert werden? Bernd schrieb: > Es lässt sich auch über die Software ein und ausschalten aber halt immer > mit der vollen Spannung.
Rainer W. schrieb: > H. H. schrieb: >> Vdd beträgt bei ihm 36V, so viel wird das Gate nicht mögen. > > Woher weißt du? Thread gelesen. Aktuell 24V, geplant 36V oder gar noch mehr. > Könnten es nicht eher 5V sein, die da gesteuert werden? Nein.
:
Bearbeitet durch User
Ich weiß nicht woher die Verwirrung kommt! Der Heizdraht soll mit einem extra Netzteil mit 36 Volt geheizt werden. Ich hatte mit einem 24 Volt Netzteil Probleme die geforderte Leistung zu erreichen. Nach dem (Material)Wechsel des Heizdrahts komme ich nun bei 36Volt Versorgung mit maximal 2 Ampere, je nach zu schneidendem Material, aus. Noch eine generelle Frage: Wie handhabt ihr das mit dem Bestellen von Bauteilen Ich frage deshalb weil ja oben schon angesprochen wurde, daß die gezeigte Schaltung noch nicht komplett wäre. Ich muss ja immer alle (oder die meisten) Sachen extra bestellen. Kostet halt immer extra Porto! Wo bestellt ihr, habt ihr alle volle Vorratskisten mit allen Bauteilen oder geht das gar nicht für alles?
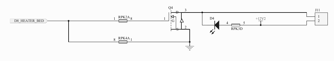
Ist diese Interpretation des Schaltplans von oben richtig? 1. Funktionsablauf des Schaltplans Die Schaltung lässt sich funktional in vier Stufen einteilen: Eingang / Impuls- und Anzeigestufe Signalaufbereitung und Pegelwandlung Treiberstufe Leistungsstufe (Lastschaltung) 1. Eingangsstufe (V1, R1, D3, M2) V1 erzeugt ein Pulssignal: PULSE(0 10 0 100n 100n 50u 125u) → 0 V auf 10 V, 50 µs EIN, 125 µs Periodendauer. R1 (1,8 kΩ) begrenzt den Strom für die LED D3 (NSPW500BS). D3 dient als optische Anzeige des Eingangssignals. M2 (BSP89) ist ein N-MOSFET, der als Low-Side-Schalter arbeitet: Gate wird direkt vom Pulssignal angesteuert. Bei High-Pegel schaltet M2 durch und zieht den Knoten nach Masse. Dadurch entsteht ein sauberes, lastfähiges Logiksignal für die nächste Stufe. Zweck: Anzeige + Entkopplung des Eingangssignals von der restlichen Schaltung. 2. Signalaufbereitung / Vorverstärker (R5, R7, Q3, R6) R5 (22 kΩ) koppelt das Signal von M2 auf die Basis von Q3. R7 (4,7 kΩ) sorgt für einen definierten Basis-Pegel (Pull-Down). Q3 (BC337-40) arbeitet als invertierender Schalter / Vorverstärker: Eingang High → Q3 leitet → Kollektor wird nach GND gezogen Eingang Low → Q3 sperrt → Kollektor wird hochgezogen R6 (4,7 kΩ) wirkt als Kollektorwiderstand bzw. Pull-Up in Richtung der Referenzspannung. Zweck: Saubere Pegelwandlung, Invertierung und Stromverstärkung für die Treiberstufe. 3. Referenz- und Treiberstufe (R3, D1, C1, Q1, Q2, R2) Spannungsreferenz: R3 (4,7 kΩ) speist die Z-Diode D1 (BZX84C12L). D1 erzeugt eine stabilisierte Referenzspannung (~12 V). C1 (1 µF) filtert diese Spannung (Rausch- und Impulsunterdrückung). Gegentakt-Treiber: Q1 (BC337-40, NPN) und Q2 (BC327-40, PNP) bilden einen Push-Pull-Treiber. Dieser kann das Gate des Leistungstransistors: aktiv hochziehen aktiv herunterziehen R2 (10 Ω) begrenzt den Gate-Strom und dämpft Schwingungen. Zweck: Schnelles, verlustarmes Umladen der Gate-Kapazität des Leistungs-MOSFETs. 4. Leistungsstufe (M1, R4, V2) M1 (STP75NF75) ist ein leistungsstarker N-MOSFET. R4 (8 Ω) stellt die Last dar (z. B. Heizung, Lampe, Widerstand). V2 (36 V) ist die Versorgung der Last. Ablauf: Treiber HIGH → Gate von M1 wird hochgezogen → MOSFET leitet → Laststrom fließt Treiber LOW → Gate entladen → MOSFET sperrt → Last stromlos Zweck: Schalten einer niederohmigen, leistungsstarken Last mit hoher Versorgungsspannung.
Bernd schrieb: > Wo bestellt ihr, habt ihr alle volle Vorratskisten mit allen Bauteilen > oder geht das gar nicht für alles? So ein paar Schachteln mit Elkos Transistoren und Widerständen gibt's als Sortiment. Alles was SMD ist braucht ein bisschen Planung. Ich bestelle meist nach Bausatz, dann aber gleich immer bisschen mehr so dass ich Reste da habe. Hier im Forum bietet sich eine Mouser Sammelbestellung an, z.b. von Arthur oder Engelbert. Ansonsten nutze ich die versandkostenfreien AliExpress Choice Angebote.
Du musst nur diesen Teil aufbauen. Links davon ist das was auf deiner Hauptplatine schon ist.
Hallo, vielen Dank für die Nachricht. Ich muss jetzt wieder blöd fragen Woher hast du dann die Info von der linken Seite das Schaltplans Hast du mal oben über die Schaltplan Interpretation drüber geschaut Mich würde interessieren ob sie stimmt.(Hat die KI erstellt) Morgen soll mein Oszi kommen. Mal sehen ob ich’s auch verstehe ;-) Naja, viel zu lernen
:
Bearbeitet durch User
Bernd schrieb: > Woher hast du dann die Info von der linken Seite das Schaltplans Aus dem Schaltplan des MKS GEN_L V2.1. > Hast du mal oben über die Schaltplan Interpretation drüber geschaut Nö.
Wir können aus Prinzip nicht korrigieren was eine KI verzapft.
Mich hätte ja nur interessiert ob es generell stimmt oder nicht
@ H.H. So, ich habe jetzt deinen Plan soweit nachgebaut. Wie muss ich jetzt was testen? Wie geht es dann weiter? Bist du zufällig auch noch gut im Platinen zeichnen? Könntest du das ganze, wenn es fertig ist auf eine Platine anordnen Gruß Bernd
Nee, das kann ich niemandem öffentlich zeigen. Nur auf einem Steckbrett sieht nicht so professionell aus
Bitte melde dich an um einen Beitrag zu schreiben. Anmeldung ist kostenlos und dauert nur eine Minute.
Bestehender Account
Schon ein Account bei Google/GoogleMail? Keine Anmeldung erforderlich!
Mit Google-Account einloggen
Mit Google-Account einloggen
Noch kein Account? Hier anmelden.









