Hallo, gibt es Erfahrung, wie sich ein LM7812 verhält, wenn er durch zu hohe Spannung oder Überlastung zerstört wird? Oder anders gefragt, sind die Dinger so designed, dass die Nennausgangsspannung auch im Extremfall nicht überschritten wird?
Mark T. schrieb: > dass die > Nennausgangsspannung auch im Extremfall nicht überschritten wird? Das habe ich schon erlebt : Die schalten mit viel Pech einfach durch - also U aus = U ein. Ein so "gestorbener" 7815 hatte am Ausgang 21 V und jetzt kann jeder einmal raten, wieviel Reparaturstunden es gekostet hat, "einige" OPs in einem recht wertigen Frequenzzähler zu finden und zu tauschen. Gute Nacht !
Mark T. schrieb: > Oder anders gefragt, sind die Dinger so designed, dass die > Nennausgangsspannung auch im Extremfall nicht überschritten wird? Leider nein.
Da hilft nur eine selektierte Z-Diode gegen Masse und natürlich eine zusätzliche Pico-Fuse in Reihe (-also zwischen Ausgang des Regel-ICs und Z-Di. bzw. Verbraucherzuleitung). Damit wird ein Reglerausfall dann vermutlich etwas besser bemerkt.
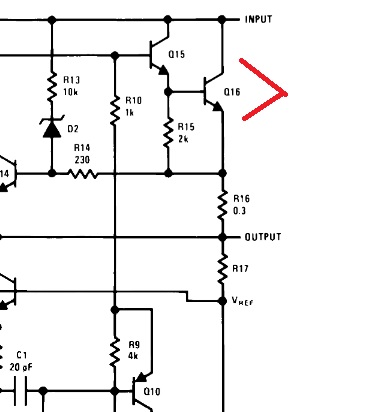
Was glaubst Du, was passiert, wenn Q16 durchlegiert? Schau Dir einfach mal ein Datenblatt an! Ue=Ua Für wichtige, wertvolle Sachen wird man über eine Crowbar nachdenken und einen kräftigen Thyristoren bei Überspannung zünden (der dann hinterher auch kaputt sein kann und die Sicherung auslöst). https://www.elektronik-kompendium.de/public/schaerer/crowbar.htm
Als Längsregler arbeitende Linearregler neigen prinzipbedingt zu Überspannung, wenn sie kaputt gehen. Es ist (war) daher nicht ungewöhnlich, dahinter Crowbar-Schaltungen zu finden.
Mark T. schrieb: > wenn er durch zu hohe Spannung Dan kann er die Eingangsdpannung zum Ausgang durchleiten. Du solltest also zu hohe Spannung sm Eingang vermeiden. Das schaffen Milliarden anderer Benutzer auch. > oder Überlastung zerstört wird Da passiert eher nichts, weil das IC sich gegen Übertemperatur und Überstrom schützt, allerdings sollte er nicht dauernd zu heiss betrieben werden, irgendwann geht er doch kaputt. Ein zur Nominalbelastung angemesserer Kühlkörper ost also zu empfehlen. Eine Überlastung tritt bei ordentlich entwickelter Schaltung nur auf, wenn die Schaltung dahinter kaputt ist. Dann ist es egal ob der Spannungsregler auch noch kaputt geht.
Michael B. schrieb: > Dan kann er die Eingangsdpannung zum Ausgang durchleiten. Du solltest > also zu hohe Spannung sm Eingang vermeiden. Das schaffen Milliarden > anderer Benutzer auch. Das (Dummlall) passt perfekt zu Deinem anderen Gelaber: Michael B. schrieb: >> Warum nehmen die Schwafler nicht einmal selbst den Lötkolben in die Hand > Prust, was erwartest du von unseren DDR Rentnern. Die machen seit 1989 > nichts mehr ausser rumpaulen.
Michael B. schrieb: > wenn die Schaltung dahinter kaputt ist. Dann ist es egal ob der > Spannungsregler auch noch kaputt geht Na ja, das kann aber auch bedeuten, dass z.B. nur ein Tantal-Ko mit Schluß den Spannungsregler tötet (-durch Überhitzung / zu kleiner Kühlkörper) und dann schaltet der durch und dann verbrennt der Tantal-Ko, wird wieder höherohmig und damit fliegt dir der ganze andere Krempel auch noch um die Ohren. ;-)) Ich meine mich erinnern zu können, dass ich so eine Kettenreaktion schon einmal erlebt habe - wäre dann für den Kunden so teuer geworden, dass wir es als Totalschaden in meinen Kofferraum geladen haben und dann hat Onkel Hans das Gerät für sich einmal in einer ruhigen Minute (-20 Arbeitsstunden) repariert. :--)))
Danke für eure Erfahrungen und Einschätzungen. Dann werde ich wohl so etwas parallel zur Last und eine Sicherung davor in Reihe schalten. https://www.reichelt.de/de/de/shop/produkt/tvs-diode_unidirektional_15_v_1500_w_do-201-41857
Bitte melde dich an um einen Beitrag zu schreiben. Anmeldung ist kostenlos und dauert nur eine Minute.
Bestehender Account
Schon ein Account bei Google/GoogleMail? Keine Anmeldung erforderlich!
Mit Google-Account einloggen
Mit Google-Account einloggen
Noch kein Account? Hier anmelden.
