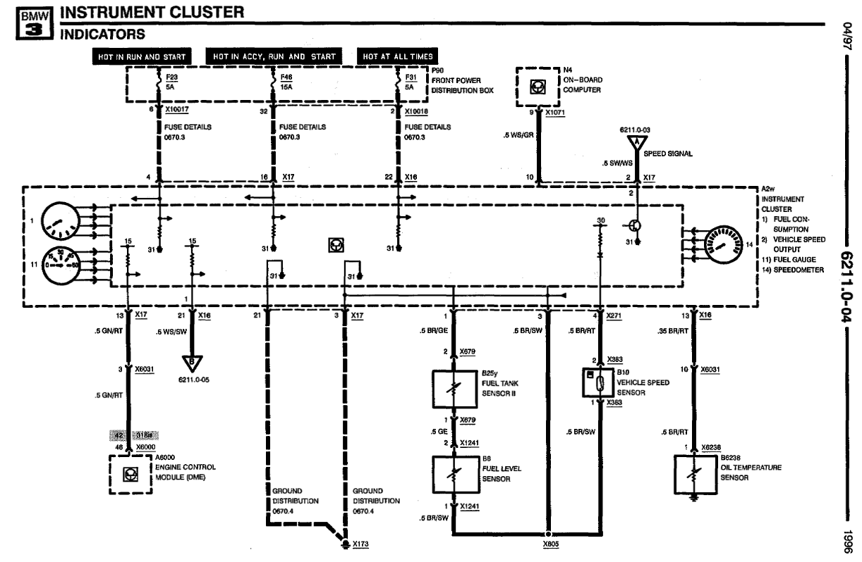
Hallo zusammen, Ich bin aktuell dabei, ein Kombiinstrument eines BMW E36 mithilfe eines Mikrocontrollers anzusteuern. (Aktuell noch Arduino, später S32K Eval. Board) Die Geschwindigkeit und die Drehzahl bekomme ich einfach hin. Bei der Tankanzeige und der Temperatur stehe ich jedoch vor folgendem Problem: Beide Anzeigen bzw. die dazugehörigen Sensoren kann ich mittels eines einfachen Potis Simulieren. Jedoch möchte ich das ganze ja per Mikrocontroller steuern und die Potis nicht per Hand einstellen. Nun meine wirkliche Frage: Hat eventuell jemand einen Vorschlag, wie ich diese Potis mithilfe eines Controllers stuern kann? Ich habe bereits an Digitalpotis gedacht, jedoch sind diese Wahrscheinlich nicht genau genug, da die Tankanzeige einen max. R von 470 Ohm und die Temp. Anzeige von 6k Ohm benötigt. Für die Temperatur würde es villeicht sogar gehen. Ich packe die beschaltung der Orginalsensoren in den Anhang. Ich würde mich sehr über eure Ideen freuen! Mit freundlichen Grüßen Vadim
:
Verschoben durch Moderator
Digitalpoti mittels ein paar Reedrelais und Widerständen bauen. Das ist sicher potentialfrei.
H. H. schrieb: > Digitalpoti mittels ein paar Reedrelais und Widerständen bauen. Das ist natürlich eine sichere Variante. Aber klappert halt ständig beim Ändern der Werte. Vermutlich wird das Teil den Sensorwiderstand mit Spannungsteiler oder Konstantstromquelle messen. Dann könnte man einfach eine passende Spannung per DAC oder PWM erzeugen, mit Opamp skalieren und filtern und dann einspeisen. Hast Du ein Labornetzteil? Dann stell die Strombegrenzung sehr eng ein, also vielleicht so 10 mA, einfach zum Schutz. Dann eine Diode um Rückspannung ins Netzteil zu verhindern (Anode ans Netzteil, Kathode zum Sensoreingang). Dann häng das Netzteil an den Sensoreingang und verändere die Spannung. Nicht über 12V gehen. Wenn an der Anzeige nichts zu sehen ist, dann den anderen Pol des Sensoreingangs probieren. GND des Netzteils an Fahrzeugmasse.
:
Bearbeitet durch User
Gerd E. schrieb: > H. H. schrieb: >> Digitalpoti mittels ein paar Reedrelais und Widerständen bauen. > > Das ist natürlich eine sichere Variante. Aber klappert halt ständig beim > Ändern der Werte. Wer Reedrelais während der Fahrt klappern hört, der hat wahrlich ein feines Gehör. Und so ein Anzeige soll ja eh träge sein, da ist von "ständig" eher keine Rede.
H. H. schrieb: > Digitalpoti mittels ein paar Reedrelais und Widerständen bauen. Das ist > sicher potentialfrei. Tatsächlich würde ich gerne Relais vermeiden, da der Wert sehr häufig übermittelt werden soll und dadurch, denke ich, ein gewisser Lärm entsteht. Dennoch vielen Dank für die Idee! Gerd E. schrieb: > Vermutlich wird das Teil den Sensorwiderstand mit Spannungsteiler oder > Konstantstromquelle messen Wenn ich in die Pins für die beiden Anzeigen messe, kommen 1,3kOhm (Tank) und 1,73kOhm (Temp.) heraus. Also gehe ich auch von einem Spannungsteiler aus. Jedoch hat ein direktes PWM Signal des Controllers auf die Eingänge keinen Einfluss. Gerd E. schrieb: > Hast Du ein Labornetzteil? Ja, habe ich, aber ich habe lediglich das Kombiinstrument. Ich habe kein Sensor oder Fahrzeug. Ich möchte die Sensoren sozusagen Simulieren.
Gerd E. schrieb: > klappert halt ständig beim Ändern der Werte Kommt darauf an, wie schnell du den Motor warm fährst und wie viel Sprit du verheizt ;) Option wäre noch Optomos, aber teuer. Gerd E. schrieb: > Dann häng das Netzteil an den Sensoreingang und verändere die Spannung. > [...] GND des Netzteils an Fahrzeugmasse. Die Sensoren gehen laut https://www.mikrocontroller.net/attachment/686646/Screenshot_2026-01-02_191608.png an Ground. Das Netzteil müsste Strom aufnehmen können, um das zu simulieren. Irgendeine Last R < Rmin-Sensor parallel zum Netzteil beseitigt dies. Viel Erfolg! mfg mf
H. H. schrieb: > Gerd E. schrieb: >> H. H. schrieb: >>> Digitalpoti mittels ein paar Reedrelais und Widerständen bauen. >> >> Das ist natürlich eine sichere Variante. Aber klappert halt ständig beim >> Ändern der Werte. > > Wer Reedrelais während der Fahrt klappern hört, der hat wahrlich ein > feines Gehör. > > Und so ein Anzeige soll ja eh träge sein, da ist von "ständig" eher > keine Rede. Das Kombiinstrument soll nicht wieder in ein Fahrzeug verbaut werden. Deshalb sind die Geräusche leider nicht unwichtig. Normalerweise sollte sie träge sein, ja, aber in meinem Fall soll der Wert recht häufig übermittelt werden.
Vadim schrieb: > Tatsächlich würde ich gerne Relais vermeiden, da der Wert sehr häufig > übermittelt werden soll und dadurch, denke ich, ein gewisser Lärm > entsteht. Du sollst da keine 20kW Drehstromschütze verbauen, sondern winzige Reedrelais. Da brauchst du schon ein Hörrohr, um etwas "klappern" zu hören. Und häufige Übermittlung ist bei den Instrumenten sinnlos, die sollen ja träge sein.
Vadim schrieb: > Normalerweise sollte sie träge sein, ja, aber in meinem Fall soll der > Wert recht häufig übermittelt werden. Dann musst du die beiden Instrumente direkt ansteuern, ohne die Elektronik im Kombiinstrument.
Overengineering🤓 Motorpotentiometer Stereo, mit Regelschleife über den steuernden Mikrocontroller oder Analogregler mit TDA2003 o.ä. mfg mf
Achim M. schrieb: > Overengineering🤓 > Motorpotentiometer Stereo, mit Regelschleife über den steuernden > Mikrocontroller oder Analogregler mit TDA2003 o.ä. Wird natürlich viel leiser als ein Reedrelais.
Achim M. schrieb: > Option wäre noch Optomos, aber teuer. Blödsinn, kostet auch nicht mehr als ein Reedrelais.
H. H. schrieb: > Digitalpoti mittels ein paar Reedrelais und Widerständen bauen. Das ist > sicher potentialfrei. Gerd E. schrieb: > Das ist natürlich eine sichere Variante. Aber klappert halt ständig beim > Ändern der Werte. und mit Photomosrelais ist es auch potenzialfrei und dann klapperts nicht.
:
Bearbeitet durch User
H. H. schrieb: > Achim M. schrieb: >> Overengineering🤓 >> Motorpotentiometer Stereo, mit Regelschleife über den steuernden >> Mikrocontroller oder Analogregler mit TDA2003 o.ä. > > Wird natürlich viel leiser als ein Reedrelais. Muss ja nicht dauernd fahren, wenigstens kein klickerdicklack - und simuliert beim Einschalten die Geräusche diverser Stellgliedtests moderner KFZ ;) Ja, unpassend zum Modell des TO, ich sehe es ein. Ron-Hardy G. schrieb: > Achim M. schrieb: >> Option wäre noch Optomos, aber teuer. > > Blödsinn, kostet auch nicht mehr als ein Reedrelais. Hast du da eine günstige Quelle für solche Low-Power-Out Optomos? mfg mf
Was soll denn da anderes rauskommen als eine Spannung wenn die Anzeige auf den Schleiferabgriff eines Potis reagiert. Also einfach eine Spannung von 0 .. 12 V in das Instrumet geben und fertig. Ich kenn schon die Folgefrage: Mach die Spannung aus den 12 V per PWM.
Nick schrieb: > wenn die Anzeige > auf den Schleiferabgriff eines Potis reagiert. Macht sie ja nicht.
Vorsicht! So einfach wird es nicht unbedingt sein. Dem Schaltplan nach sind das wegen der vier Anschlüsse entweder open Air core OAC) Typen oder Scitec Schrittmotore auf Basis von X25.168. OAC Instrumente funktionieren auf Strom-Basis wo der Anzeigewinkel abhängig vom Verhältnis Sinus und Cosinus des Treiberstroms. Es gibt spezielle SPI ansteuerbare ICs dafür von Allegro oder T.I. Ob sie leicht erhältlich sind, entzieht sich mir momentan. Manche dieser ICs können gleichzeitig mehrere Instrumente ansteuern. Dann gibt es die Scitec X25 Serie. Die funktionieren als Schrittmotor mit mechanischen Referenz Anschlag und haben meist eine 180:1 Zahnraduntersetzung. Diese Schrittmotoren funktionieren auf Basis von Lavell, ähnlich wie sie in Analoguhren eingesetzt werden. Die X25 haben 1080 Schritte für eine fanze Umdrehung, obwohl das wegen des mechanischen Anschlags nicht ausgenützt werden kann. Es gibt auch für sie spezielle Treiber Ics die zum Teil auch mit Mikroschritten ansteuern. Ich baute mir auf dieser Basis einen Wasserstandsanzeiger (Forum) und steuerte sie in FW an. Man kann durch geeignete Ansteuerung und Programmierung ein lebensechtes Anzeigeverhalten mit angenehmer Dynamik erzielen. Beim Einschalten fährt man den X25 zum Anschlag, setzt dann den Anzeigewert auf Null und fährt dann mit Open Loop. Für den X25 gibt es fertige Bibliotheken für AVR. Ob BMW das anders macht, weiss ich nicht - Vermute aber, dass es X25 Basis ist, weil OAC eher in amerikanischen Fahrzeugen verwendet wurden. Hoffe mein Beitrag nützt. Kann mich natürlich komplett irren. Gerhard Nachtrag: ich merke gerade, dass es nicht um Eigenansteuerung der Instrumente geht, sondern um die Signalaufbereitung in die schon vorhandene Elektronik. Da uC Ansteuerung sehr einfach ist, kann man alles komplett selber entwickeln.
:
Bearbeitet durch User
Achim M. schrieb: > Hast du da eine günstige Quelle für solche Low-Power-Out Optomos? Was heisst günstig? €0,75? Find ich jetzt nicht teuer. https://www.digikey.de/de/products/detail/ixys-integrated-circuits-division/CPC1017NTR/655290
Ron-Hardy G. schrieb: > Achim M. schrieb: >> Hast du da eine günstige Quelle für solche Low-Power-Out Optomos? > > Was heisst günstig? €0,75? Find ich jetzt nicht teuer. > https://www.digikey.de/de/products/detail/ixys-integrated-circuits-division/CPC1017NTR/655290 16 Ohm sind aber nicht wenig.
Da ich hier noch neu bin, darf ich nicht so oft antworten. Ich versuche ein bisschen aufzuholen. H. H. schrieb: > Du sollst da keine 20kW Drehstromschütze verbauen, sondern winzige > Reedrelais. Da brauchst du schon ein Hörrohr, um etwas "klappern" zu > hören. Ich dachte immer, Relais würden, egal wie groß, ein deutlich hörbares Geräusch machen? Ich habe leider noch nie mit welchen gearbeitet. H. H. schrieb: > Dann musst du die beiden Instrumente direkt ansteuern, ohne die > Elektronik im Kombiinstrument. Das hatte ich auch schon überlegt, jedoch scheint mir das noch viel komplizierter. Nick schrieb: > Also einfach eine Spannung von 0 .. 12 V in das Instrumet geben und > fertig. Das hatte ich schoneinmal probiert, das funktionierte nicht. Aber ich teste es morgen gerne nocheinmal. H. H. schrieb: > Macht sie ja nicht. Doch. Mein aktueller aufbau sieht so aus: Tank: Pin am KI---Schleifer am Poti---3. Pin des Poti---Pin am KI Temp.: Pin am KI---Schleifer am Poti---3. Pin des Poti---GND des KI So funktioniert es wenn ich die Potis langsam verstelle. Gerhard O. schrieb: > Vorsicht! Entschuldigung, aber ich habe leider absolut gar nichts davon verstanden... So wie ich die ganzen Ideen verstehe, würden mehrere Relais (egal welcher Form), in reihe mit einem R, parallel zueinadner geschaltet werden und je nach Output zu oder abgeschaltet werden? Dadurch wird jedoch die zu erreichende Auflösung viel zu klein oder die Schaltung viel zu groß. Da sich die Anzeigen teilweise bereits bei wenigen Ohm unterschied bewegen
Gerhard O. schrieb: > So einfach wird es nicht unbedingt sein. Ja, hab ich auch gesehen. Will de der TO das Azeigeistrumet direkt asteuer, ohne über die Platine des Azeigeclusters zu gehen? Wen ja, dann hab ich das überlesen und Du hast wohl Recht. Aber da wäre das Poti mit dem er rumexperimentiert hat recht wirkungslos.
H. H. schrieb: > 16 Ohm sind aber nicht wenig. kann man ja in die Wahl der entsprechende Widerstände mit einrechnen, oder?
Nick schrieb: > Gerhard O. schrieb: >> So einfach wird es nicht unbedingt sein. > > Ja, hab ich auch gesehen. Will de der TO das Azeigeistrumet direkt > asteuer, ohne über die Platine des Azeigeclusters zu gehen? > Wen ja, dann hab ich das überlesen und Du hast wohl Recht. Aber da wäre > das Poti mit dem er rumexperimentiert hat recht wirkungslos. Nein, ich möchte die Interne Steuerung des KIs nutzen. Wie gesagt denke ich nämlich, die direkte Ansteuerung der Anzeigen wäre um einiges aufwendiger und noch weiter aus meinem Verständnissbereich.
H. H. schrieb: > 16 Ohm sind aber nicht wenig. denkst du die sind wichtig? angenommen sie zeigen den Tank NICHT leer an, dann würde ich die umdrehen die Logik invertieren so das eben nicht voll angezeigt wird, besser als nicht NULL bei leeren Tank. Man kann die 16 Ohm auch bei den geschalteten Widerständen berücksichtigen.
:
Bearbeitet durch User
Joachim B. schrieb: > Man kann die 16 Ohm auch bei den geschalteten Widerständen > berücksichtigen. Das sind typische Werte, keine garantierten und auch nicht unbedingt stabil. Man muß nicht damit basteln, weil es bessere Bauteile zu gleichen oder ähnlichen Preis gibt,
Dir ist bewusst das die Temperaturanzeige bei älteren BMW gedämpft ist? Ich weiss die genauen Werte nicht, aber z.B. zwischen 80° und 110° steht sie perfekt in der Mitte - um den Kunden nicht zu verunsichern
Manfred P. schrieb: > Man muß nicht damit basteln dann eben nicht, man muß um 16 Ohm auch kein Gewese machen
Vadim schrieb: > Entschuldigung, aber ich habe leider absolut gar nichts davon > verstanden... Dann musst du eben noch sehr *viel* lernen.
Heinz R. schrieb: > Dir ist bewusst das die Temperaturanzeige bei älteren BMW gedämpft ist? > > Ich weiss die genauen Werte nicht, aber z.B. zwischen 80° und 110° steht > sie perfekt in der Mitte - um den Kunden nicht zu verunsichern Ja das ist mir Bewusst, ich habe bereits alle R Werte an allen relevanten Stellen der Anzeige ermittelt.
H. H. schrieb: > Vadim schrieb: >> Entschuldigung, aber ich habe leider absolut gar nichts davon >> verstanden... > > Dann musst du eben noch sehr *viel* lernen. Das versuche ich ja. Da ich für manche sachen aber Hilfe benötige, bin ich hier.
Vadim schrieb: > Das versuche ich ja. Da ich für manche sachen aber Hilfe benötige, bin > ich hier. Dann erzähl mal, um was es eigentlich geht.
H. H. schrieb: > Dann erzähl mal, um was es eigentlich geht. Es geht darum: Ich habe ein Kombiinstrument und möchte an diesem die Tank und Temperaturanzeige ansteuern. Dies habe ich mittels einfacher Potentiometer schon hinbekommen. Jedoch möchte ich das gesamte System per Mikrocontroller steuern. Nun weiß ich jedoch nicht mit was bzw. wie ich die Potentiometer ersetze.
Vadim schrieb: > Jedoch möchte ich das gesamte System > per Mikrocontroller steuern. Was die Leute hier nicht kapieren (wollen) ist, dass Du die Sensoren simulieren willst ud nicht die Instrumente direkt ansteuern. Du willst also nicht die Elektronik auf dem Kombiinstrument ersetzen. Du willst möglicherweise ein Testgerät für die Kombiinstrumente bauen. Oder auch einen Fahrsimulator für einen E36 bauen. Richtig?
Nick schrieb: > Oder auch einen Fahrsimulator für einen E36 bauen. > > Richtig? Ja, ganz genau. Ich dachte ich hätte das klar formuliert. Wenn nicht tut es mir leid.
:
Bearbeitet durch User
Hallo, eventuell hilft dir: https://github.com/SHWotever/SimHub/wiki/BMW-E36-Cluster-Setup Hier wird Temperatur- und Tachoanzeige über PWM gesteuert. Gruss Kai
:
Bearbeitet durch User
Danke für die Idee, aber das funktioniert nicht. Habe ich schon vor einer ganzen Weile mal ausprobiert. Das steht auch in dem Artikel, das Temp. und Tank nicht funktionieren.
Vadim schrieb: > Nick schrieb: >> Oder auch einen Fahrsimulator für einen E36 bauen. >> >> Richtig? > > Ja, ganz genau. Ich dachte ich hätte das klar formuliert. Du hast das noch nicht einmal angedeutet. Noch nicht einmal nach Nachfrage. > Wenn nicht tut es mir leid. Ab nach Canossa. Ansonsten: Da die Sensoren nach Masse geschaltet sind kann man statt Reedrelais auch einfache MOSFETs nehmen, Preislage wenige Cent pro Stück.
Hallo, Vadim schrieb: > Danke für die Idee, aber das funktioniert nicht. Habe ich schon > vor > einer ganzen Weile mal ausprobiert. > Das steht auch in dem Artikel, das Temp. und Tank nicht funktionieren. hier scheint aber genauso zu funktionieren: https://sim-pc.de/tachosketch/ Gruss Kai
Vadim schrieb: > Ich habe bereits an Digitalpotis gedacht, jedoch sind diese > Wahrscheinlich nicht genau genug, da die Tankanzeige einen max. R von > 470 Ohm und die Temp. Anzeige von 6k Ohm benötigt. Ich kenne nichts ungenaueres als übliche Tankanzeigen.
H. H. schrieb: > Du hast das noch nicht einmal angedeutet. Noch nicht einmal nach > Nachfrage. Ich hatte es schoneinmal geschrieben: Vadim schrieb: > Nein, ich möchte die Interne Steuerung des KIs nutzen. Wie gesagt denke > ich nämlich, die direkte Ansteuerung der Anzeigen wäre um einiges > aufwendiger und noch weiter aus meinem Verständnissbereich. H. H. schrieb: > Ansonsten: Da die Sensoren nach Masse geschaltet sind kann man statt > Reedrelais auch einfache MOSFETs nehmen, Preislage wenige Cent pro > Stück. Das fällt dann unter diese Frage: Vadim schrieb: > So wie ich die ganzen Ideen verstehe, würden mehrere Relais (egal > welcher Form), in reihe mit einem R, parallel zueinadner geschaltet > werden und je nach Output zu oder abgeschaltet werden? > Dadurch wird jedoch die zu erreichende Auflösung viel zu klein oder die > Schaltung viel zu groß. Da sich die Anzeigen teilweise bereits bei > wenigen Ohm unterschied bewegen
Kai schrieb: > hier scheint aber genauso zu funktionieren: Also wie gesagt, bei mir tat es nicht. Ich kann es aber gerne nochmals testen. Eventuell mit einem MOSFET und 12V anstelle des direkten PWM vom MC? Frank O. schrieb: > Ich kenne nichts ungenaueres als übliche Tankanzeigen. Ja, das stimmt schon. Aber ich würde sie trotzdem gerne so genau wie möglich ansteuern.
Hab per gefilterter PWM eine Tankanzeige in Betrieb, allerdings nicht in einem E36 Kombi, sondern einem analogen Kreuzspulinstrument wie es früher für solche Anzeigen üblich war. Der E36 wird nicht mehr analog arbeiten, aber scheint noch analoge Sensoren, also Potis zu verwenden, richtig? Das von meiner PWM simulierte Tankpoti hat folgende Kennlinie:
1 | 330 Ohm - 15mA - Zeiger rührt sich |
2 | 220 Ohn - 22mA - Zeiger auf leer |
3 | 100 Ohm - 39mA - 1/2 voll |
4 | 47 Ohm - 57mA - etwas über 3/4 voll |
5 | 18 Ohm voll |
6 | 12 Ohm - 73mA - etwas über Voll |
Am Kollektor des Transistors hängt das „Instrument“. Bei Interesse mehr Details.
Vadim schrieb: > Eventuell mit einem MOSFET und > 12V anstelle des direkten PWM Nicht 12V sondern Masse - die Sensoren liegen einseitig auf Masse.
Vadim schrieb: > Aber ich würde sie trotzdem gerne so genau wie > möglich ansteuern. Völlig sinnlos.
Vadim schrieb: > Ich kann es aber gerne nochmals testen. Eventuell mit einem MOSFET und > 12V anstelle des direkten PWM vom MC? Kannst Du denn die Ausgangsspannung des PWM messen? Oszi hast wohl keines. Evtl. bringt deine PWM nicht genügend Leistung. Zu Deiem Tanksensor (am Fahrzeug) gehen doch 3 Leitungen. 1*Masse, 1*12 V und dann der Schleifer des Potis. Da dran kannst Du dann eine Spannung messen. Und genau die Spannung geht in dein Kombiinstrument. Oder andersrum gemessen, an den 3 Anschlüssen für den Tanksensor am KI muss es auch Masse, Eingang und 12 V geben. Ausser die von mir vermuteten 12 V sind weniger. Wenn Du ein Labornetzteil hast, dann verbinde die Massen, häng + an den Eingang des KI und dreh die Spannung hoch (kanst gerne einen Sicherheitswiderstand dazwischen hängen und Strombegrenzung ganz niedrig einstellen). Dann findest Du raus was Du anlegen musst. BTW: Lass Dich nicht von den hier beteiligten Dauernörglern beeinflussen. Das ist bei denen einfach so, die sind halt arme, verbissene Kerle die nur noch stänkern können.
Wulf D. schrieb: > Hab per gefilterter PWM eine Tankanzeige in Betrieb, allerdings nicht in > einem E36 Kombi, sondern einem analogen Kreuzspulinstrument wie es > früher für solche Anzeigen üblich war. > ... Genau. Eine spannungsgesteuerte Stromquelle und die mit einer PWM, oder wenns ganz luxoriös werden solll per DAC, angesteuert.
Vadim schrieb: > Tankanzeige einen max. R von 470 Ohm und die Temp. Anzeige von 6k Vorausgesetzt, die Anzeigen zeigen max/min mit 470R/0R und 6k/0k, bitte ich um folgende DC-Messwerte: Tank Umax: Spannung am 470R (also Tankanzeige Vollausschlag) Tank Inull: Strom auf der Sensorleitung bei 0R (also Tankanzeige Minimum) Temp Umax: Spannung am 6k (also Temp.Anzeige Vollausschlag) Temp Inull: Strom auf der Sensorleitung bei 0R (also Temp.Anzeige Minimum) Dann die Spannungsmessungen bitte im AC-Bereich wiederholen, daran erkennt man, ob gepulst gemessen wird. Wird nicht gepulst gemessen, ist die AC-Spannung Null.
Wolf17 schrieb: > .. ob gepulst gemessen wird. Wird nicht gepulst gemessen, ist > die AC-Spannung Null. Bei Autos wird da üblicherweise nichts gepulst. Viel zu aufwendig/teuer. Die Tankanzeige war bis zu den Schrittmotoren ein von einem Bimetall mechanisch getriebener Zeiger, welches über das Poti im Tank per Strom erwärmt wurde. Dazu war der Draht um das Bimetall gewickelt. Darüber war ein Komparator, der die rote ReserveLED eingeschaltet hat. So gesehen in einem alten BMW. Das war hinreichend träge, um fahrbedingtes Schwappen im Tank unsichtbar zu machen. Für den OP wäre es zielführend per Labornetzteil und Vorwiderstand erst mal zu ermitteln, bei welchem Strom der Zeiger in seinem Kombiinstrument was anzeigt.
:
Bearbeitet durch User
Wulf D. schrieb: > Der E36 wird nicht mehr analog arbeiten, aber scheint noch analoge > Sensoren, also Potis zu verwenden, richtig? Ich weiß nicht exakt wie die Sensoren arbeiten. Ich weiß nur, sie liefern je nach Füllstand/Temperatur einen Widerstandswert. Das KI verarbeitet diesen und steuert dann so eine Kreuzspule an. Du steuerst also per PWM den Stromfluss durch den Mosfet? Klingt nach einer guten idee! Kai schrieb: > Nicht 12V sondern Masse - die Sensoren liegen einseitig auf Masse. Ja, stimmt. Aber so hatte ich es ja schon. Das ich den PWM Ausgang des MC direkt am Pin am KI hatte Nick schrieb: > Oszi hast wohl > keines. Doch, habe ich. Ich setzte mich die Tage mal ans Messen. Jedoch gehen nur 2 Leitungen zum Tanksensor und 1 zum Tempsensor. Vadim schrieb: > Mein aktueller aufbau sieht so aus: > Tank: > Pin am KI---Schleifer am Poti---3. Pin des Poti---Pin am KI > Temp.: > Pin am KI---Schleifer am Poti---3. Pin des Poti---GND des KI Wolf17 schrieb: > bitte > ich um folgende DC-Messwerte: Messwerte schicke ich die Tage. Ich weiß leider noch nicht wann ich es schaffe. Vielen Dank schoneinmal für die Hilfe, denen die wirklich helfen wollen! :)
Vadim schrieb: > Jedoch gehen nur 2 Leitungen zum Tanksensor und 1 zum Tempsensor. Ah, OK. Kann aber auch durch die Fahrzeugmasse verbunden sein. Bei den übliche Kunststofftanks aber eher blöd. Das würde dann wohl bedeuten, dass die 2. Hälfte des "Potis" mit seine 3 Anschlüssen im KI ist. Somit hätte der Eingang am KI einen Eingangswiderstand von größeordnungsmässig 2k. Kannst Du ja mal nachmessen. Das wäre dann auch die Erklärung, dass du das nicht hinbekommen hast. Dein Signal hatte eine zu hohe Quellimpedanz und die Spannung ist zusammengebrochen. Also mal messen was tatsächlich ankommt. -> Nochmal der Hinweis aufs Labornetzteil. Und damit ich noch mehr Minuspunkte sammle: Die Nörgler ohne wirklichen Beitrag einfach ignorieren. Deren Vorsätze fürs eue Jahr sind nur: Noch besser Beiträge torpedieren. Gebt euch Mühe! Meinen Vorsatz für das Jahr hab ich schon umgesetzt. Das Brösel unter dem "n" meiner Tastatur rausmachen. :-)
Vadim schrieb: > Ich weiß nicht exakt wie die Sensoren arbeiten. Ich weiß nur, sie > liefern je nach Füllstand/Temperatur einen Widerstandswert. Das KI > verarbeitet diesen und steuert dann so eine Kreuzspule an. > Du steuerst also per PWM den Stromfluss durch den Mosfet? Die älteren Tanksensoren liefern je nach Füllstand einen Widerstand zwischen wenigen Ohm (voll) bis einige hundert Ohm (leer) gegen Masse. Ich vermute, dein Kombiinstrument verwendet keine analogen Kreuzspulinstrumente sondern eher Schrittmotoren, die digital angesteuert werden. Ist aber auch egal: ich verwende keinen MOSFET, sondern einen ganz normalen BJT (bipolaren NPN-Transistor), der als Stromquelle geschaltet ist. Ganz wie Roland schon bemerkte, kann der sowohl mit einer PWM als auch per DAC angesteuert werden. Ja nach dem was dein Controller so bietet. Der BJT hat gegenüber dem MOSFET hier den Vorteil, dass dessen Basis-Emitterspannung ziemlich konstant (Ube= ~0,7V) ist. Der Strom ergibt sich (vereinfacht) aus (Uin-Ube)/Re. Re ist in dem Schaltplanschnipsel ~16 Ohm. Genauer muss man Basiswiderstand und Verstärkung mit einrechnen. Nimm bei linearer Ansteuerung mittels DAC keinen zu schwachen Transistor (nicht als sot-23 o.ä.), der sollte schon ca 1W ab können.
:
Bearbeitet durch User
Vadim schrieb: > Jedoch gehen nur 2 Leitungen zum Tanksensor Wenn der Tanksensor nicht einseitig auf Masse liegt, sondern floated, dann erbitte ich nicht nur: [Tank Inull]: Strom auf der Sensorleitung bei 0R (also Tankanzeige Minimum) [Tank Umax: Spannung am 470R] (also Tankanzeige Vollausschlag), das wäre dann gemessen zwischen den 2 Leitungen zum Tanksensor, sondern zusätzlich: [U-Leitung1 gegen Masse] und [U-Leitung2 gegen Masse] bei 470R=Vollausschlag und [U-Leitung1 gegen Masse] bei Null Ohm=Nullausschlag Ohne Kenntnis der verträglichen Spannungen erscheint es mir riskant, dort einfach mit einem 0-12V Netzteil zu experimentieren.
Ich habe es nun nochmals mit einem neuen Arduino Uno probiert. Die Anzeigen an sich steuern aus, jedoch geht die Temp. Anzeige entweder ganz kalt oder ganz warm. Tank geht auf einen Wert und geht dann langsam richtung leer obwohl nichts geändert wird. Nick schrieb: > Kannst Du denn die Ausgangsspannung des PWM messen Ich bekomme von meinem MC bei 95% PWM 4,454V und ca. 21W laut meinem PicoScope. Im Anhang habe ich die Messungen zusammengetragen. Hoffe ich habe nichts vergessen. Zur verschaltung der Sensoren möchte ich gerne nochmal auf den Originalen Post verweisen. Da habe ich Auszüge aus dem Handbuch. Ich habe auch noch Bilder der Anzeigen hinzugefügt.
:
Bearbeitet durch User
Anscheinend habe ich nicht alles verstanden: laut deinem angehängten Notiz-Zettel fließen ca 2,5A in den Eingang für die Tankanzeige? Wäre sehr, sehr ungewöhnlich, hätte keine 100mA erwartet. Und was bedeutet, dass dein MC / PicoScope 21W bekommt? 21 Watt? Das muss doch richtig warm werden, da stimmt etwas nicht. Keinesfalls eine Spannungsquelle anschließen, wo normalerweise nur Sensoren dran hängen! Versuche es so wie ich oben empfahl, da geht schon mal nichts in Rauch auf.
Wulf D. schrieb: > Wäre sehr, sehr ungewöhnlich, hätte keine 100mA erwartet. Das dachte ich mir auch, aber das hat das Multimeter angezeigt.. ICh hatte vergessen das zu beschreiben. Das kann alleine Deshalb schon nciht sein, da das Labornetzteil auf max. 2A eingestellt ist und zu dem Zeitpunkt nur knapp 1A zieht. Eventuell ist mein Multimeter einfach zu schlecht. Wulf D. schrieb: > 21 Watt? Das wird wahrscheinlich nicht stimmen. Das war eine Messung des Oszis. Wulf D. schrieb: > Keinesfalls > eine Spannungsquelle anschließen, wo normalerweise nur Sensoren dran > hängen! Der Aufbau sieht so aus: Das KI bekommt seine 12V von einem Labornetzteil. Die PWM Signale kommen vom MC. (gemeinsame Masse) Die Messungen waren ohne MC, nur mit den Potis (sonnst hätte es ja gar nicht funktioniert). Wulf D. schrieb: > Versuche es so wie ich oben empfahl Ich muss die Teile erst herbekommen, dann teste ich es.
:
Bearbeitet durch User
Wenn bei 6k das Temperaturminimum angezeigt wird und 2,09V anliegen, errechnet sich ein Strom von 0,34mA nicht A. Eine Signalsimulation erfordert eine Spannungsquelle 0 bis 2,09V, die diesen (für sie negativen) Strom aufnehmen kann. Entweder D/A Ausgang oder PWM mit RC Glättung, danach einen x1 OP als Spannungspuffer, der den Strom schluckt. Wenn der OP keine negative Versorgung hat, muss er 0V an Ein- und Ausgang beherrschen. Tankanzeige: Ich hatte um eine Differenzmessung und drei Messwerte gegen Masse unter definierten Bedingungen gebeten. Mit den zwei unklaren Werten kann ich keine Simulationsschaltung empfehlen.
:
Bearbeitet durch User
Wulf D. schrieb: > Versuche es so wie ich oben empfahl Ich bin gerade dabei die Teile herauszusuchen. Wie errechnen sich denn die einzelnen Werte? Was bedeutet 8E2, ich kenne nur 8R2. Sind das dann 8,2kOhm? Und ist es wichtig, dass es ein Elko ist? Auf der linken Seite des R6 speist du dann dein PWM ein oder?
Wolf17 schrieb: > Wenn bei 6k das Temperaturminimum angezeigt wird und 2,09V > anliegen, > errechnet sich ein Strom von 0,34mA nicht A. > Eine Signalsimulation erfordert eine Spannungsquelle 0 bis 2,09V, die > diesen (für sie negativen) Strom aufnehmen kann. > Entweder D/A Ausgang oder PWM mit RC Glättung, danach einen x1 OP als > Spannungspuffer, der den Strom schluckt. Wenn der OP keine negative > Versorgung hat, muss er 0V an Ein- und Ausgang beherrschen. > > Tankanzeige: > Ich hatte um eine Differenzmessung und drei Messwerte gegen Masse unter > definierten Bedingungen gebeten. Mit den zwei unklaren Werten kann ich > keine Simulationsschaltung empfehlen. Es tut mir leid, dass sind die Messwerte die ich aufnehmen konnte. Ich bemühe mich meinen Fehler herauszufinden. Falls ich bessere Werte bekomme schicke ich sie nochmals.
Ja, hatte zwei 8,2 Ohm SMD in 0603 Bauform genommen. Irgend ein beliebiger Widerstand zwischen 10-20 Ohm tut es auch. Auch der Transistor ist fast egal, sollte nur etwa 1W vertragen. Auch ein MOSFET geht, wenn die Ugs Threshold Spannung ca 2,5V nicht übersteigt und dein Controller mindestens 5V ausgibt. Dabei kannst du den Tiefpass vorm Gate auch wesentlich hochohmiger dimensionieren, d.h. z.B. Widerstände x100 größer und Kondensator /100 (verkleinern). Ob Elko oder Keramik ist egal. Es muss halt alles zusammen passen, auch zu der von Dir verwendeten PWM-Frequenz.
:
Bearbeitet durch User
Wulf D. schrieb: > wenn die Ugs Threshold Spannung ca 2,5V nicht übersteigt Was ja einfach mit einem TL431 zu gewährleisten ist. Aber du kannst noch so viel Elektronik dahinter bauen, wenn schon der Tankgeber in der Regel höchst ungenau ist. Ich gehörte auch immer zu denen die das alles nicht glauben wollten (aus Mangel an Wissen) und so etwas selbst ausprobieren musste. Mit dem Ergebnis, dass das dann nach viel vertaner Zeit und zusätzlicher Frustration dann ergebnislos eingestellt wurde.
:
Bearbeitet durch User
Frank O. schrieb: > Was ja einfach mit einem TL431 zu gewährleisten ist. > Aber du kannst noch so viel Elektronik dahinter bauen, wenn schon der > Tankgeber in der Regel höchst ungenau ist. … Was ist denn Dir über die Leber gelaufen? Ungenauer Tankgeber? Wo denn, der TO möchte einen Tankgeber emulieren?! Und ein TL431, also eine Spannungsreferenz, hilft hier ohne weiteres auch nicht. Wenn die HW funktioniert, könnte man anschließend in SW eine Kalibrierung durchführen. Also eine Tabelle mit mehreren Stützpunkten aufstellen und dazwischen linear interpolieren. Das wird schon ziemlich gut, aus eigener Erfahrung. 10 Stützwerte genügen vollkommen. In der Art: -Zeiger bewegt sich gerade - PWM-Registerwert. … Zeiger schlägt rechts an - PWM-Registerwert. Zur Not tun es auch fünf: 0, 1/4, 1/2, 3/4, voll Ganz ohne geht es nicht, da der Strom sowohl erst mit PWM-Offset startet (Ube bzw Ugs) als auch eine unbekannte Steigung hat. Könnte man alles rechnerisch ermitteln, ist aber fehleranfällig. Messe es aus.
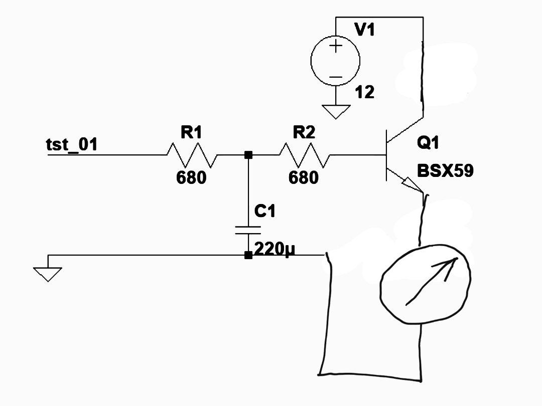
Ich habe nun deine Schaltung mal nachgebaut, in der Hoffnung das es wenigstens von der Funktion her passt mit den Werten. Leider bleibt die Tanknadel kurz vor leer und bewegt sich da auch nicht weg. Ich habe mit dem Oszi mal geschaut, die PWM kommt gar nicht bis an den Transistor. Nach dem ersten 330R bleibt nur noch 0,irgendwas Volt rauschen übrig. Wenn ich den Kondensator entferne kommt die PWM sehr sehr schwach am Transistor an. Ist der Kondensator einfach viel zu groß gewählt? Die PWM hat eine Frequenz von 980Hz. Ich habe meine Schaltung mit Werten angehängt. WICHTIG! : Es sind 220uF nicht 22! P.S. "die" oder "das" PWM?
:
Bearbeitet durch User
Moin, Mit den gewählten Werten wird das wegen der Sättigung des NPN nicht funktionieren können. Bei einem hfe von 100 braucht der Transistor bei 75mA 0.75mA Basisstrom. Bei 660Ohm und 4.3V würde der Transistor also sättigen. Wähle die beiden Werte so, dass der Transistor 75mA bei 5V zieht, sofern sein hfe rund 100 ist. Da wären zwei mal 2.7KOhm ungefähr richtig. Aber ideal ist das auch nicht. Im Anhang habe ich eine 5V PWM Stabdard Spannungs auf Stromwandler skizziert, der mit den angegebenen Werten mit PWM Werten von 1-99% einen Ausgangsstrom von 1 bis 100mA ausgibt. Mit 77% PWM sollte die Instrument Nadel genau auf Vollanzeige stehen. Bei 15% auf Leer. Nachtrag: der OPV Vcc Pin sollte einen 0.1u gegen Masse verpasst bekommen, um eine niedrige Versorgungsimpedanz zu sichern. Auch ist es vorteilhaft, ihn über 100 Ohm zu speisen. Ich rate Dir übrigens mit LTSpice zur Simulation umgehen zu lernen. Da kannst Du alles ohne zu löten ausprobieren. Als Nächstes rate ich Dir die beiden 330 Ohm auf zwei mal 2.7K zu erhöhen. Dann sollte es schlecht und recht funktionieren. Hier ist ein Analog Input Air Core Steuer IC der möglicherweise bei Dir verbaut ist: Analog Eingang: https://www.onsemi.com/download/data-sheet/pdf/cs8190-d.pdf SPI Version: https://www.nxp.com/docs/en/data-sheet/MC33991.pdf Gerhard
:
Bearbeitet durch User
Wulf D. schrieb: > Was ist denn Dir über die Leber gelaufen? > Ungenauer Tankgeber? Wo denn, der TO möchte einen Tankgeber emulieren?! Dann habe ich das falsch verstanden.
Vadim schrieb: > Ich habe mit dem Oszi mal geschaut, die PWM kommt gar nicht bis an den > Transistor. Nach dem ersten 330R bleibt nur noch 0,irgendwas Volt > rauschen übrig. Wenn ich den Kondensator entferne kommt die PWM sehr > sehr schwach am Transistor an. Weiss nicht wie du genau deine PWM (die Pulsweitenmodulation) konfiguriert hast, aber wenn du nur um die 0V am Kondensator oder an der Basis des Transistors siehst, könnte das auf einen Open-Drain-Ausgang am uC deuten. Da fehlt einfach der Strom am i/o-Port. Bitte die Portkonfiguration prüfen. Auch denkbar, dass der Port in einem 5V-Controller mit den 330Ohm bereits überlastet ist und abschaltet. Ich selbst habe die Schaltung mit einem mit 3,3V gespeisten AVR Tiny45 laufen. Wenn du 5V verwendest, vergrößere die Widerstände z.B. auf 470 Ohm - 680 Ohm. Der Kondensator ist ok. Braucht nicht so groß, schadet aber auch nicht. Gerhard O. schrieb: > Mit den gewählten Werten wird das wegen der Sättigung des NPN nicht > funktionieren können. Bei einem hfe von 100 braucht der Transistor bei > 75mA > 0.75mA Basisstrom. Bei 660Ohm und 4.3V würde der Transistor also > sättigen. ... Klar funktioniert das, die Schaltung ist erprobt. Dein Vorschlag mag auch gehen, aber die Bauteilschlacht hat keinen Mehrwert. Der Tipp mit LT-Spice ist aber gut. Die PWM liefert nach dem Tiefpass einen beliebigen(!) Wert zwischen 0V und Vcc. Das ist ja der Witz an einer PWM. Frank O. schrieb: > Dann habe ich das falsch verstanden. Ist ok, aber dein Post hörte sich so desillusioniert an. Da gibt's hier keinen Grund, das Anliegen des TOs ist machbar.
> Klar funktioniert das, die Schaltung ist erprobt.
Was mir aber an der einfachen Transistorschaltung nicht gefällt ist die
starke Temperaturabhängigkeit des hfe. Im Bereich von 25 bis 125 Grad
ändert sich hfe typisch um das Doppelte. Das macht die PWM auf
Stromwandlung ziemlich temperaturabhängig. Der Wert von hFE nimmt
tendenziell mit steigender Temperatur ab. Dies ist auf eine Zunahme der
Minoritätsträgerkonzentration mit der Temperatur zurückzuführen. Der
Wert von hFE variiert übrigens auch mit dem Kollektorstrom. Er steigt im
Allgemeinen zunächst mit Ic an, sinkt aber nach Erreichen eines
Maximalwerts wieder ab. Erschwerend kommt dazu, daß
Herstellungsvariationen im Spiel kommen und langzeitlich Veränderung des
hfe Werts vorkommen können. Ferner wirken sich auch
Versorgungsspannungsänderungen stark aus.
Ein Blick in ausführliche Datenblätter gibt darüber Aufschluss. Man kann
es übrigens in LTSpice schön simulieren.
Ich weiss jetzt zwar nicht wie groß der Spannungsabfall der BMW
Elektronik ist, aber bei 75mA dürfte schätzungsweise 1W im Transistor
verbraten werden. Wenn nun dieser nicht gut gekühlt ist, wird man
merken, daß das Anzeigeinstrument bei höheren Stromwerten merklich
wandern wird. Vermutlich dürfte die Linearität der Schaltung je nach
Stromwert auch etwas suspekt sein - macht aber hier wahrscheinlich nicht
zu viel aus.
Mein Schaltungsentwurf berücksichtigte diese Vorbehalte und vermeidet
solche Komponent (Temperatur) Abhängigkeiten - deswegen die gezeigte U/I
OPV Umsetzschaltung. So ungemein kompliziert und teuer ist sie übrigens
auch nicht, als dass es im Hobbybereich viel ausmachen würde.
Es kommt also endlich anwendungsspezifisch darauf an wie stabil und
linear die Anordnung sein soll, um zu entscheiden welcher Schaltungsart
man hier den Vorzug geben möchte.
:
Bearbeitet durch User
Ja, in der Industrie würde ich meine simple Schaltung nicht einsetzen. Da wäre die wirklich zu temperaturabhängig. Eine Extremsimulation mit den Temperaturen -40°C, 25°C und 100°C, der Strom durch R4. Angesteuert durch eine simulierte PWM (tst_01) von ca 1kHz mit über einen Zeitraum von 100s langsam ansteigendem Tastverhältnis aus der Gleichung über den Parametern.
:
Bearbeitet durch User
Wulf D. schrieb: > Ja, in der Industrie würde ich meine simple Schaltung nicht einsetzen. > Da wäre die wirklich zu temperaturabhängig. Um die Temperaturabhängigkeit bei der Tankanzeige auf ein Mindestmaß zu minimieren, muss das Instrument komplett in den Emitterzweig eingeschleift werden und im Kollektor darf kein Widerstand sein! Sollte das Instrument aber unbedingt an Vcc angeschlossen werden müssen, dann muss man halt die Schaltung umdrehen und einen PNP-Transistor einsetzen und die PWM-Frequenz invertieren.
Marcel V. schrieb: > Um die Temperaturabhängigkeit bei der Tankanzeige auf ein Mindestmaß zu > minimieren, Sollte man den Tank thermostatisieren.
Marcel V. schrieb: > ... muss das Instrument komplett in den Emitterzweig > eingeschleift werden und im Kollektor darf kein Widerstand sein! > ... Beides nicht anwendbar. Sensor arbeitet nach Masse, Instrument hängt (über Umwege) an +12V. Stromspiegel ginge bei einer Kollektorschaltung, aber der ist auch wieder ein Thermometer. Vielleicht mag Gerhard seine Schaltung simulieren, mein PWM-Konstrukt kann er ja übernehmen.
Hallo Zusammen, aus Interesse habe ich die Schaltung von Gerhard simuliert - mit folgenden Abweichungen: 1. Betriebsspannung 5V, aufgrund der Annahme das die Auswertschaltung des Kombiinstrumentes nicht direkt mit Batteriespannung betrieben wird, da diese zu starken Schwankungen unterworfen ist. 2. PWM-Frequenz 100 Hz zur Verringerung der Simulationsdauer. 3. PWM-Quelle durch BV ersetzt. 4. LM324-Modell siehe: https://www.ti.com/product/de-de/LM324#design-tools-simulation -> lmx24_lm2902.lib 5. Modell des BD135 über Spice-Direktive Ergebnis: Die Schaltung funktioniert im relevanten Bereich hervorragend. Bezüglich der im Internet gefundenen Beschreibungen in welchen angegeben wird, die Ansteuerung der Tank- und Wassertemperaturanzeige direkt mittels Arduino-PWM gelöst zu haben, folgende Anmerkungen: Rein theoretisch betrachtet, sollte es auch möglich sein, jede Position des Zeigers zwischen Linksanschlag (Eingang offen) und Rechtsanschlag (Eingang direkt an Masse) mittels PWM-Tastverhältnis einstellen zu können. Allerdings könnte hier eine Plausibilitätsprüfung eingebaut sein, welche keine PWM erlaubt und/oder andere Bedingungen für Tank- / Kühlmittelanzeige erforderlich sein. Eventuell gibt es verschiedene SW-Versionen des KI mit unterschiedlichem Verhalten. Gruß Kai
:
Bearbeitet durch User
Kai schrieb: > Hallo Zusammen, > > aus Interesse habe ich die Schaltung von Gerhard simuliert - mit > folgenden Abweichungen: Sehr schön, die Gegenkopplung des OP kompensiert die temperaturabhängige Kennlinie aus der Shockley-Gleichung. > Rein theoretisch betrachtet, sollte es auch möglich sein, jede Position > des Zeigers zwischen Linksanschlag (Eingang offen) und Rechtsanschlag > (Eingang direkt an Masse) mittels PWM-Tastverhältnis einstellen zu > können. Denke ich auch, zumindest funktioniert das bei einem analogen Instrument. > Allerdings könnte hier eine Plausibilitätsprüfung eingebaut sein, welche > keine PWM erlaubt ... Verstehe ich nicht, der Kombi merkt doch nichts von der PWM. Da fließt Gleichstrom.
Hallo Wulf, Wulf D. schrieb: > Verstehe ich nicht, der Kombi merkt doch nichts von der PWM. Da fließt > Gleichstrom. im Falle, dass der Eingang alleine durch (Arduino-) PWM - also ohne jede Glättung - gesteuert wird, wie in einigen Beiträgen im Internet beschrieben. Gruss Kai
:
Bearbeitet durch User
Kai schrieb: > Wulf D. schrieb: >> Verstehe ich nicht, der Kombi merkt doch nichts von der PWM. Da fließt >> Gleichstrom. > > im Falle, dass der Eingang alleine durch (Arduino-) PWM - also ohne jede > Glättung - gesteuert wird, wie in einigen Beiträgen im Internet > beschrieben. das wäre ein Baufehler, ich hatte auch mal einen Inverter aus PWM vom Arduino erzeugt um ein LCD im Kontrast zu steuern statt diese Potieintellung, aber glätten mußte ich die PWM auch und gehört sich so wer Gleichsapnnung oder Gleichstrom wünscht.
Hallo Joachim, Joachim B. schrieb: > das wäre ein Baufehler, ich hatte auch mal einen Inverter aus PWM vom > Arduino erzeugt um ein LCD im Kontrast zu steuern statt diese > Potieintellung, aber glätten mußte ich die PWM auch und gehört sich so > wer Gleichsapnnung oder Gleichstrom wünscht. genau so - also nur mit PWM und ohne Glättung - ist es aber hier beschrieben: https://sim-pc.de/bmw-e36-tachosteckerbelegung/ Es wird Geschwindigkeit, Drehzahl, Tankanzeige und Wassertemperatur angezeigt. Dabei werden die Werte für Tankanzeige und Wassertemperatur über PWM ausgegeben. Gruss Kai
:
Bearbeitet durch User
Hallo zusammen, ich bin aktuell nicht zu Hause und kann nicht so schnell Antworten und nichts testen. Wow, vielen Dank für die vielen Beiträge! :D Gerhard O. schrieb: > Ich rate Dir übrigens mit LTSpice zur Simulation umgehen zu lernen Kann ich bis zu einem gewissen Punkt, jedoch muss ich ersteinmal wissen und verstehen was ich Simulieren will/soll. Das ist bei mir eher das Problem.. Wulf D. schrieb: > Weiss nicht wie du genau deine PWM (die Pulsweitenmodulation) > konfiguriert hast Gar nicht, ich hab einfach analogWrite am Arduino benutzt. Wulf D. schrieb: > vergrößere die Widerstände z.B. auf 470 Ohm - 680 Ohm. Mache ich, wenn ich wieder daheim bin mal. Gerhard O. schrieb: > Im Bereich von 25 bis 125 Grad > ändert sich hfe typisch um das Doppelte. Das macht die PWM auf > Stromwandlung ziemlich temperaturabhängig. Die Umgebung meiner Schaltung wird sicherlich nicht ausserhalb von 20-30 Grad sein. Oder ist hier die Selbsterwärmung gemeint? Gerhard O. schrieb: > Es kommt also ... darauf an wie stabil und > linear die Anordnung sein soll Es sollte schon einigermaßen stabil sein, jedoch auch nicht Industrie konform oder so. Kai schrieb: > 3. PWM-Quelle durch BV ersetzt. BV == Battery Voltage? Kai schrieb: > Eventuell gibt es verschiedene SW-Versionen des KI mit unterschiedlichem > Verhalten. Ja, die gibt es. Es gibt mindestens zwei verschiedene KI Varianten (nur EU, habe ich beide hier. Obwohl die eine Variante meiner Meinung nach eine defekte Steuerung hat) Deshalb bin ich mir sicher, das die direkte PWM ansteuerung eventuell bei manchen funktioniert, bei mir jedoch leider nicht. Kai schrieb: > Dabei werden die Werte für Tankanzeige und Wassertemperatur über PWM > ausgegeben. Ich habe es auch überall nur so gefunden. Direkt die PWM des Arduino an die Pins des KIs. Wenn es bei mir gleich funktioniert hätte hätte ich auch nie einen Gedanken ans glätten verschwendet.
Vielen vielen Dank, dass ihr euch so viel Mühe macht und euch die Zeit nehmt. Das ist nicht selbstverständlich! Ich werde sobald ich wieder kann die einzelnen Schaltungen selber auch mal Simulieren (Lerneffekt und so ;) ) und testen.
Hallo Vadim, Vadim schrieb: >> 3. PWM-Quelle durch BV ersetzt. > BV == Battery Voltage? nein: arbitrary behavioral voltage or current sources Beitrag "LT Spice BV Quelle" Gruss Kai
Moin, > Die Umgebung meiner Schaltung wird sicherlich nicht ausserhalb von 20-30 > Grad sein. Oder ist hier die Selbsterwärmung gemeint? Das letztere. Ich weiss nicht wie hoch die BMW Messport Spannung ist, aber nehme mal an, sie beansprucht bei 12V Versorgungssoannung ein oder zwei Volt. Dann muss der Transistor die Spannung zwischen C und E "erdulden". Nehmen wir mal überschlägig an, daß am Transistor 8V anliegen. Dann muß der Transistor bei 75mA 0.6W (8V x 0.075 = 0.6W) in Wärme umwandeln. Bei 15mA wären es 0.12W. Je nach Wärmeableitung (mit oder ohne Kühlblech) wird sich der Transistor also fühlbar erwärmen. Je nach Wärmewiderstand zwischen Transistorelement (Die), Gehäuse, Drähten und Luft wird sich der Die innen beträchtlich ändern. Das ist kritisch, weil gerade dieser Temperaturunterschied das temperaturabhängige hFE Verhalten bestimmt. Das merkst Du dann, indem bei hohen Werten der Anzeige die Nadel abdriften wird. Bei niedrigeren Strömen weniger. Das sieht dann so aus, daß momentan der Höchstwert erreicht wird und dann innerhalb einiger Sekunden abdriftet - Probiers aus. Wird bestimmt sehr markant sein. Der Vorteil der OPV Schaltung ist, daß nur noch Komponenten den Temperaturgang bestimmen, vorausgesetzt die PWM Ausgangsspannung ändert sich nicht. Also, der TK-Wert der Metallfilm Widerstände, meist zwischen 50 bis 200ppm liegend und die Offset Temperaturabhängigkeit des OPVs. Im Temperaturbereich von 20-30 C sollte es aber stabil genug sein. Ohne hochauflösendes Strom-Messgerät wirst Du wahrscheinlich die Temperaturabhängigkeit ohnehin nicht observieren können. Hinsichtlich der "Grobheit" Deiner BMW Anzeigen wird es nicht erkennbar sein. Die Open-Core Instrumente dort drin sind allgemein relativ ungenau und haben wegen Friktion der Lager etwas Schlupf und Hysterese. Da sind modernere X25 Instrumente auf Schrittmotorbasis wesentlich präziser in der Anzeige Reproduzierbarkeit. Gerhard
:
Bearbeitet durch User
> Ergebnis: Die Schaltung funktioniert im relevanten Bereich hervorragend.
Danke an Kai, meinen Schaltungsentwurf zu simulieren.
Gerhard
Ich habe nun die schaltungen getestet. Die Schaltung von Wulf funktioniert bei mir leider auch mit 680 Ohm statt 330 nicht. Gleiches verhalten. Die Schaltung von Gerhard hat bei mir leider ebenso nicht funktioniert. Ich konnte biede leider nicht selber Simulieren, da ich noch nicht weiß wie ich die Bauteile (OPV und BJT) in LTSPice bekomme. Im Anhang ist mein Aufbau mit meinen Werten und Screenshots meines OSzis. Vsoll ist im gewünschten Bereich 0-1V, jedoch kommt am Transistor wieder nichts an. Villeicht kann ja jemand erkennen woran es liegen könnte?
:
Bearbeitet durch User
Du könntest zB mal 50% PWM einspeisen und mit dem Multimeter an allen Punkten der Schaltung die Spannung gegen Masse messen, und in den Schaltplan reinschreiben. Dann sieht man schnell, woran es hakt.
Hallo Vadim, für die Simulation müssen sich alle Dateien lediglich im selben Verzeichnis befinden. Geöffnet wird diese durch anklicken der .ASC-Datei. Sinnvoll wäre es, ein Oszillogramm des Sollwertes 0-100mV und der Spannung am Eingang des Instrumentes über 100s aufzuzeichnen. Zusätzlich wäre es hilfreich, auch den Strom zu messen. Welche Werte hast du für die beiden Kondensatoren gewählt und welchen der beiden Eingänge (Tank oder Temperatur) hast du denn geprüft? Was meinst du genau mit "jedoch kommt am Transistor wieder nichts an"? Ich glaube, dass die Beschaltung der Ausgangsstufe nicht ganz richtig ist. Gruß Kai
:
Bearbeitet durch User
Moin, Das folgende ist mir aufgefallen: Der 0.1uF Elko sieht falsch gepolt aus. Der positive Anschluss muss auf den OPV Ausgang zeigen. An sich wäre hier ein ungepolter Keramik oder Film Kondensator besser, aber momentan ist nur die Falschpolung das Problem. Verpasse dem OPV auch einen 0.1uF C zwischen Vcc und Vee. Der 1uF PWM C wäre besser auch ein Film C, sollte aber funktionieren anhand Deiner Angaben. Mach mal diesen Test: Lege den Collector des Ausgangstransistors auf 12V oder auch 5V. Stelle nun die Pwm auf 50% ein. Vsoll muss dann rund 0,5V betragen. Dann miss die Spannung am 10 Ohm Widerstand. Sie muss auch rund 0.5V betragen. Wenn es richtig funktioniert ist der Unterschied zwischen Vsoll und am 10 Ohm OPV-Offset bedingt immer nur unter ein paar mV. Die Spannung am OPV Ausgang muss immer 1V oder mehr höher sein wie die Emitter Spannung (10Ohm) Es ist absolut notwendig, dass am Collector eine Spannung grösser als 2 bis 3V anliegt, sonst funktioniert sie nicht. Bei PWM = 0% soll Vsoll praktisch 0 sein und die Spannung am 10Ohm auch nahe an Null. Bei PWM = 50% soll Vsoll praktisch 0.5V sein und die Spannung am 10Ohm auch. Bei PWM = 99% soll Vsoll praktisch 1V sein und die Spannung am 10Ohm auch. Sei jetzt nicht beleidigt, aber der Steckbrett Aufbau ist sehr unübersichtlich (Dogs breakfast;-) ). Ich rate Dir Steckbrett Draht Schachteln zu kaufen, wo Drahtlängen von 0.1" bis 2-4" schön konfektioniert und gebogen enthalten sind. Da kann man viel schöner und übersichtlicher vorgehen. Diese Drahtboxen mit bis zu 840 Stück gibt es billig bei Ali oder in der Bucht. Auch überwinde dich und schneide die Komponenten Drahtenden kürzer. So verdrahtet es sich leichter. Oft hilft es auch den Aufbau auf Quadrat Papier vorher sauber auszuarbeiten. https://www.amazon.ca/Sunxeke-Breadboard-Assortment-Flexible-Different/dp/B09NCYWK11/ref=asc_df_B09NCYWK11? https://www.amazon.ca/YDELEKS-Resistor-Component-Bending-Forming/dp/B09CLJG9YS/ref=sr_1_19? Die U/I Umwandel-Schaltung funktioniert unbedingt. Ich habe sie ähnlich oft in vielen meiner Arbeits-Schaltungen verwendet und ist sozusagen eine Standard Schaltung. Es lohnt sich also den eigentlichen Fehler zu finden. Also ran! Finde den Übeltäter und berichte. Wünsche viel Erfolg! Gerhard
:
Bearbeitet durch User
Uwe schrieb: > mit dem Multimeter an allen > Punkten der Schaltung die Spannung gegen Masse messen Habe das Ergebnis angehängt. Der zusatz (ohne angehängtes KI) ist falsch, bitte vergessen. Kai schrieb: > Welche Werte hast du für die beiden Kondensatoren gewählt und welchen > der beiden Eingänge (Tank oder Temperatur) hast du denn geprüft? Die C sind einaml 1uF und einmal 0,1uF, wie in der Simulationsschaltung auch. Ich hatte bisher nur die Tankanzeige genommen. Heute habe ich auch die Temperatur anzeige getestet. Da gibt es entweder vollausschlag oder 0. Kai schrieb: > Was meinst du genau mit "jedoch kommt am Transistor wieder nichts an" Das da wieder kein PWM SIgnal ankommt sondern nur ein wenig rauschen bei ca. 0,1 V oder so. Gerhard O. schrieb: > Der 0.1uF Elko sieht falsch gepolt aus Oh man, das ist ja peinlich.. -_-, aber es tut mit richtig gepoltem C leider noch nicht. Gerhard O. schrieb: > Vsoll muss dann rund 0,5V Sind beide 0,48V Gerhard O. schrieb: > Die > Spannung am OPV Ausgang muss immer 1V oder mehr höher sein wie die > Emitter Spannung ist in diesem Test 1,31V Gerhard O. schrieb: > Es ist absolut notwendig, dass am Collector eine Spannung grösser als 2 > bis 3V anliegt Ich glaube das ist das Problem, da liegen mit dem KI nur 0,3V an. Gerhard O. schrieb: > Sei jetzt nicht beleidigt, aber der Steckbrett Aufbau ist sehr > unübersichtlich.. Ja ich weiß... Ich wollte eigentlich schon lange mal aufrüsten, habe es aber noch nicht gemacht.. Die drahtbeinchen, ich denke halt immer villeicht brauche ich den R irgenwann mit langen Beinen. Aber ja, ist dumm das zu denken XD. Ich versuche mich in Zukunft zu bessern was das angeht:)
:
Bearbeitet durch User
Hallo Vadim, für die Temperaturanzeige muss R5 auf 100Ohm geändert werden. Am Transistor soll bei Gerhards Schaltung auch keine PWM anliegen. Denke bitte daran, dass das KI recht stark bedämpft sein wird. Dass heißt, dass der Zeiger erst nach einigen Sekunden ausschlägt. Gruß Kai
Ein Lösungsvorschlag wäre ja ein Digitalpotentionmeter. Das kann man digital ansteueren und sollte die Last des Kombiinstruments locker wegstecken. Die Digitalpotis gibt's in den passenden Widerstandswerten. https://www.reichelt.de/de/de/shop/kategorie/digitalpotentiometer-9982 Grüße vom Piloten
:
Bearbeitet durch User
Kai schrieb: > R5 auf 100Ohm Ah, ok, das hab ich verpeilt, dass es da ja ein anderer R sein muss. Kai schrieb: > Am > Transistor soll bei Gerhards Schaltung auch keine PWM anliegen. OK, dann hatte ich eine falsche Funktion der schaltung im Kopf. Ich setzt mich morgen nochmal dran die schaltung ordentlich zu simulierenm, damit ich sie auch komplett verstehe. Kai schrieb: > Denke bitte daran, dass das KI recht stark bedämpft sein wird. Dass > heißt, dass der Zeiger erst nach einigen Sekunden ausschlägt. Ich habe ja beide nadeln schon per Poti angesteuert, von dem her kenne ich deren Verhalten recht gut. Die Tanknadel ist schon sehr träge, aber die Temp. nadel ist fast sofort an ihrer Position.
Pilot P. schrieb: > Ein Lösungsvorschlag wäre ja ein Digitalpotentionmeter. Das hatte ich auch schon im Kopf, habe auch 2 verschiedene hier. Aber ich bin mir nicht sicher ob die das aushalten. Hab mich nicht viel informiert, aber in dem einen Datenblatt stand etwas von ein paar mA was es nur aushält. Desweiteren ist bei denen die Auflösung doch etwas gering. Wenn die möglichkeit besteht hätte ich die Anzeigen so genau wie möglich ohne große zwischenschritte.
Moin, sehe jetzt gerade Eure neuen Beiträge. Vadim, momentan ist es wichtig, dass Du die Funktion der Schaltung ohne KI pruefst. Das geht ganz einfach, indem der Collector von Q1 an 5 oder 12V angeschlossen wird. Dann setze die PWM wie in meinem vorherigen Beitrag definiert und messe die Spannung am 10 Ohm Widerstand. Bei PWM 99-100% muss die Spannung am 10 Ohm anliegend rund 1V betragen. Bei 50% genau die Hälfte. Bei 0% 0V. Wenn das nachvollziehbar ist, ist Deine Testschaltung in Ordnung. Es ist kritisch, dass der KI Schaltungsteil niederohmig genug ist, genügen Strom durch den Transistor fließen zu lassen. Eine Collector Spannung von unter 2V ist auf alle Fälle unzulässig und führt zum Versagen der Schaltung. Falls die KI Spannung im beabsichtigten Strombereich nicht imstande ist, den Strom zu liefern, ist dieser Schaltungsentwurf nicht geeignet. Bei 10 Ohm ist der Arbeitsbereich der Schaltung 0-100mA für 0-100% PWM Ansteuerung. Du kannst z.B. mittels der Mapfunktion "map()" die PWM so skalieren, dass Du mit 0-100mA ansteuerst und der Ausgangs PWM Wert auf 15-75mA skaliert wird, oder was Du halt brauchst.
1 | val = 50; // 50mA Sollwert |
2 | val = map(val, 0, 100, 0, 255); // skaliere 0-100% auf 0-100mA |
3 | analogWrite(9, val); // PWM output |
Wenn der Maximalstrom weniger sein soll, dann erhöhe den 10 Ohm Widerstand entsprechend. 0-10mA -> 100 Ohm 0-50mA -> 20 Ohm 0-100mA -> 10 Ohm Gerhard
:
Bearbeitet durch User
Vadim schrieb: > Uwe schrieb: >> mit dem Multimeter an allen >> Punkten der Schaltung die Spannung gegen Masse messen > > Habe das Ergebnis angehängt. Sieht gut aus. Der OPV versucht, den Strom aufzudrehen (Ausgangsspannung ist >3V), und treibt einen Strom in die Basis des Transistors. Der Transistor ist durchgeschaltet. An seinem Kollektor liegt die gleiche Spannung wie am Emitter. Heißt, der Eingang vom Kombi bekommt ca. 0V, und die Erwartung ist, dass das einen Stromfluss von der 12V-Versorgung über das Kombi und den Transistor nach Masse erzeugt. Ob da wirklich Strom fließt, könnte man mit einem Strommesser in der Kombileitung messen. Am besten auch im Originalfahrzeug, um zu verstehen, wieviel Strom da normalerweise fließt. Vielleicht hat das Kombi eine Plausibilisierung eingebaut, die bei Masseschluss des Sensorkabels ganz abschaltet.
Gerhard O. schrieb: > ist dieser Schaltungsentwurf nicht geeignet. Die TO Messwerte weisen auf eine Stromquelle I in der Elektronik der Temperaturanzeige hin. Wenn man die Stromquelle mit einer einstellbaren Stromsenke belastet, wird sich an der Leitung Umax ergeben, solange I nicht erreicht ist, danach Umin, aber keine Zwischenwerte. Einen Lösungsvorschlag hatte ich genannt.
Wolf17 schrieb: > Einen Lösungsvorschlag hatte ich genannt. Ich hatte auch einen Lösungsvorschlag genannt, aber wer nicht auf mich hören will, muss fühlen!
Marcel V. schrieb: > Ich hatte auch einen Lösungsvorschlag genannt, ... Aber nicht für diesen Aufbau Wolf17 schrieb: > ... > Einen Lösungsvorschlag hatte ich genannt. Ich glaube du hast Recht mit deiner Vermutung, dass im Kombi eine Stromquelle steckt. Gerhards Schaltung könnte man evtl doch mit leichten Änderungen verwenden, falls der gute alte LM324 den Strom schluckt. Also Transistor weg und den OP zum nichtinvertierenden Verstärker anpassen. Die genauen Widerstandswerte kann man erst nach einigen Messungen am KI festlegen. Also Poti ans KI schalten und Spannung und gleichzeitig Strom (bzw Widerstand des Potis) mindestens bei "Zeiger Leer" und "Zeiger Voll" über dem Poti messen.
Wulf D. schrieb: > OP zum nichtinvertierenden Verstärker anpassen. Siehe mein Lösungsvorschlag > Die genauen Widerstandswerte kann man erst nach einigen Messungen am KI > festlegen. Also Poti ans KI schalten und Spannung und gleichzeitig Strom > (bzw Widerstand des Potis) mindestens bei "Zeiger Leer" und "Zeiger > Voll" über dem Poti messen. Ist zur Temperaturanzeige alles schon gepostet.
Wolf17 schrieb: > Ist zur Temperaturanzeige alles schon gepostet. Der Notizzettel im pdf-Format mit den 2,5A Strom? Gut, da waren auch noch Umax = 2,72V und Umin = 0,69V drauf, sowie Zeigerwerte von 470 Ohm für Voll und 148 Ohm für Leer. Daraus könnte man einen Strom von etwa 5mA ableiten. Dann könnte eine brauchbare Ansteuer-Schaltung so wie im Anhang aussehen.
Wulf D. schrieb: > Der Notizzettel im pdf-Format mit den 2,5A Strom? > Gut, da waren auch noch Umax = 2,72V und Umin = 0,69V drauf, sowie > Zeigerwerte von 470 Ohm für Voll und 148 Ohm für Leer. Es waren nur für die Temperaturanzeige die von mir erbetenen Werte erkennbar: > Wenn bei 6k das Temperaturminimum angezeigt wird und 2,09V > anliegen, errechnet sich ein Strom von 0,34mA nicht A. Wie bei der Tankanzeige die BEIDEN Leitungen verschaltet sind, war für mich mit der Information nicht erkennbar. Die Werte auf dem Zettel entsprachen nicht den erbetenen. Ein LM324 kommt am Ausgang ohne negative Versorgung nicht auf Null Volt.
:
Bearbeitet durch User
Wolf17 schrieb: > Wulf D. schrieb: >> Der Notizzettel im pdf-Format … > Es waren nur für die Temperaturanzeige die von mir erbetenen Werte > erkennbar: … Ja, der Thread ist unübersichtlich und ich kann auch keine verlässlichen Messwerte rauslesen. > > Wie bei der Tankanzeige die BEIDEN Leitungen verschaltet sind, war für > mich mit der Information nicht erkennbar. > Ein LM324 kommt am Ausgang ohne negative Versorgung nicht auf Null Volt. Bei der Tankanzeige wäre das auch nicht nötig, falls die Messwerte im Notizzettel-pdf stimmen.
Hallo zusammen, ersteinmal bitte ich um Entschuldigung für die langen Pausen zwischen meinen Posts. Ich habe leider momentan nicht mehr so viel Zeit daheim. Gerhard O. schrieb: > Wenn das nachvollziehbar ist, ist Deine > Testschaltung in Ordnung. Wenn ich 12V an den Collektor lege bekomme ich folgende Spannungen am R5(10 Ohm): 0%=0,003V; 50%=0,509V; 98%=0,987V. Das Netzteil zeigt dabei einen Strom von 50%=48mA; 100%=90mA an. Also scheint die Schaltung zu funktionieren. Uwe schrieb: > Ob da wirklich > Strom fließt, könnte man mit einem Strommesser in der Kombileitung > messen. Mein Problem die Ströme zu messen ist das, wenn ich mein Multimeter anchließe, kommt kein Strom mehr durch und es werden Ströme von >2A angezeigt. Mein Netzteil zeigt zu diesem Zeitpunkt jedoch gerade einmal ein paar mA an. Wenn ich dagegen die 10A Buchse nehme kommt der Strom zwar durch, aber es zeigt 0,0 an. Deshalb waren meine Stromwerte immer kompletter Müll.. Wulf D. schrieb: > Also Poti ans KI schalten und Spannung und gleichzeitig Strom Strom geht wie gesagt nicht. Aber ich habe im Anhang nochmal genauer gemessen. Ich hoffe das ist jetzt übersichtlicher. Ich habe alles nacheinander gemessen, nicht gleichzeitig. Wulf D. schrieb: > Ja, der Thread ist unübersichtlich und ich kann auch keine verlässlichen > Messwerte rauslesen. Das tut mir sehr leid, jedoch sind auch viele verschiedenen Personen und Ideen beteiligt.
So wird das nichts. Defektes Strommessgerät. (möglicherweise ist nur die Sicherung defekt) Und jetzt hat plötzlich der Temperaturmeßeingang zwei Drähte, im PDF lag der Geber noch an Masse und der Tankanzeigeneingang waren zwei Drähte.
Wolf17 schrieb: > Defektes Strommessgerät Ich schaue mal ob es kaputt ist oder ich irgendwo her ein besseres leihen kann. Wolf17 schrieb: > Und jetzt hat plötzlich der Temperaturmeßeingang zwei Drähte, im PDF lag > der Geber noch an Masse und der Tankanzeigeneingang waren zwei Drähte. Das stimmt nicht, ich habe das von Anfang an so definiert. Ich habe ja extra in meiner ursprünglichen Frage die beiden Seiten aus dem BMW electrical troubleshooting Manual angehängt, damit man sieht wie die echten Sensoren angeschlossen sind. Tut mir sehr leid wenn diese Info verloren gegangen ist. Zur klarstellung: Vom KI geht eine Leitung zum Tanksensor, von da nach GND. Eine weitere Leitung geht vom KI zum Tempsensor und von da wieder zurück ins KI.
Vadim schrieb: > Zur klarstellung: > Vom KI geht eine Leitung zum Tanksensor, von da nach GND. > Eine weitere Leitung geht vom KI zum Tempsensor und von da wieder zurück > ins KI. Die von dir geposteten Schalplanauszüge zeigen es gerade anders herum. Letztlich sind aber beide Sensoren nach Masse geschaltet.
H. H. schrieb: > Die von dir geposteten Schalplanauszüge zeigen es gerade anders herum. > Letztlich sind aber beide Sensoren nach Masse geschaltet. Bei einseitiger Masse sollte mein Lösungsvorschlag mit x1 Puffer-OP zur aktiven Leitung in beiden Fällen funktionieren. Dieser kann den Strom aus der Meßschaltung aufnehmen und die RC gefilterte Spannung einprägen. Tank 0,7-2,7V: da reicht ein LM324 Temp 0-2,1V: da empfiehlt sich ein OP der GND In/Out kann, wie z.B. LT1013.
H. H. schrieb: > Die von dir geposteten Schalplanauszüge zeigen es gerade anders herum. Nein! Siehe erneuten Anhang und meinen vorherigen Post.
Wolf17 schrieb: > sollte mein Lösungsvorschlag ... in beiden Fällen funktioniere Wolf17 schrieb: > Wenn bei 6k das Temperaturminimum angezeigt wird und 2,09V anliegen, > errechnet sich ein Strom von 0,34mA nicht A. > Eine Signalsimulation erfordert eine Spannungsquelle 0 bis 2,09V, die > diesen (für sie negativen) Strom aufnehmen kann. > Entweder D/A Ausgang oder PWM mit RC Glättung, danach einen x1 OP als > Spannungspuffer, der den Strom schluckt. Wenn der OP keine negative > Versorgung hat, muss er 0V an Ein- und Ausgang beherrschen. Meinst du diesen hier? Ich habe noch nicht die Datenblätter angeschaut, aber was ist denn der Hauptunterschied zwischen dem LM324 und dem LT1013?
Vadim schrieb: > Ich habe noch nicht die Datenblätter angeschaut, aber was ist denn der > Hauptunterschied zwischen dem LM324 und dem LT1013? Der LT1013 geht tiefer runter: "Output Swings to Ground While Sinking Current" LM324: der Ausgang geht ohne negative Speisung bei 1mA typ nur bis 0,75V runter. Bei anderen Strömen siehe Figure 6-35. Output Sinking Characteristics https://www.ti.com/lit/gpn/lm324
:
Bearbeitet durch User
Hallo Vadim, warum möchtest Du keine Digitalpotis für das Projekt verwenden? Diese würden sich in diesem Projekt anbieten. In Deinem Fall beim E36 ist der Tankgeber ein 470 Ohm Poti und bei der Temperaturanzeige handelt es sich höchstwahrscheinlich um einen 4,7kOhm @ 25°C NTC-Widerstand. Also beides regelbare Widerstände so wie original im Fahrzeug. Die Spannungsversorgung der Sensoren wird eh vom Kombiinstrument übernommen. Der Strom, der in den betreffenden Schaltkreisen fließt, beträgt meiner Meinung nach nicht mehr als 8mA. Die Spannung liegt unter 5V. Da bietet sich doch der AD8402 in der 1K Ausführung an. Diese vereint zwei Potis in einem Gehäuse, welche Du in Parallelschaltung verwenden kannst. Wenn Du über SPI, was sowohl über den Arduino als auch über das S32K Eval realisierbar ist, beide Regler gleich einstellst, erhältst Du ein Poti von 0 bis 500 Ohm. Bei einer Auflösung von 256 Positionen ergibt dies eine bessere Genauigkeit als der ggf. originale Tankgeber, sofern dieser noch ein Draht-Poti besitzt. Somit ist der Anzeigebereich der Tankanzeige von Anschlag bis Anschlag abgedeckt. Analog verhält es sich mit dem NTC-Widerstand, hier könnte man einen AD8400 in der 10 k Ausführung verwenden.
:
Bearbeitet durch User
Hallo Roland, danke für die ausführliche Idee. Genau das war ursprünglich auch mein Plan. Jedoch habe ich bisher keine DigitPotis gefunden, die bis 8mA über den Wiper vertragen. Das höchste der Gefühle ist 5mA.
Eine andere Idee: Wenn wir annehmen, dass die Zeigerstellung nicht hochauflösend gesteuert werden muss, sondern zB 16 Stufen reichen, kann man vier Widerstände mit jeweils Faktor 2 nehmen, die von vier Kleinsignal-FETs steuern. Ein Controller braucht dann vier Digitalausgänge, um die zu steuern.
Manche Anzeigen werden bei BMW auch vom Bus generiert. Es Low und high Kombis. Prüfe zuerst wie das beim E36 ist.
Uwe schrieb: > Wenn wir annehmen, dass die Zeigerstellung nicht > hochauflösend gesteuert werden muss Das ist das Problem. 16 Stufen sind doch etwas wenig. Aber ich werde es wahrscheinlich so ähnlich machen. Mit Optokopplern eine gewisse Anzahl an Widerständen zuschalten oder trennen.
Vadim schrieb: >> Wenn wir annehmen, dass die Zeigerstellung nicht >> hochauflösend gesteuert werden muss > > Das ist das Problem. 16 Stufen sind doch etwas wenig. In Anbetracht der Größe des Instrumentes und der sehr langen Skala würde ich mindestens 10 Bit = 1024 Stufen empfehlen. Falls das noch immer ruckelt, noch ein paar Bit mehr.
Vadim schrieb: > Hallo Roland, > danke für die ausführliche Idee. > Genau das war ursprünglich auch mein Plan. > Jedoch habe ich bisher keine DigitPotis gefunden, die bis 8mA über den > Wiper vertragen. Das höchste der Gefühle ist 5mA. Was spricht dagegen, für diese Aktion einen originalen Tankgeber zu schlachten und zu verwenden. Der kann den Strom auf alle Fälle.
ein Wasserbecken, darin der Original-Tankgeber? Da kann ich zugegeben mir mit dem Kopf schütteln
Heinz R. schrieb: > ein Wasserbecken, darin der Original-Tankgeber? Genau. Der Sollwert wird über den Wasserspiegel vorgegeben. Lenzventil und Füllpumpe steuert ein Arduino. Oder ein Eurotherm 3500, der über Modbus von einem Raspi gesteuert wird :-)
Manfred P. schrieb: > 10 Bit = 1024 Stufen Ich hatte jetzt eher so an 255 Stufen oder so gedacht. :) Roland E. schrieb: > Was spricht dagegen, für diese Aktion einen originalen Tankgeber zu > schlachten und zu verwenden. Das das System nicht in der Nähe von Flüssigkeit sein sollte.
Vadim schrieb: >... > Roland E. schrieb: >> Was spricht dagegen, für diese Aktion einen originalen Tankgeber zu >> schlachten und zu verwenden. > > Das das System nicht in der Nähe von Flüssigkeit sein sollte. Nicht den kompletten Aufbau. Das Poti was da drin ist. Und das mit einem Servo ansteuern.
Vadim schrieb: > Manfred P. schrieb: >> 10 Bit = 1024 Stufen > Ich hatte jetzt eher so an 255 Stufen oder so gedacht. :) Wie ich 1024 wohl gemeint haben könnte? Du hast ein kleines Instrument mit geschätzt 5cm Skalenlänge und einer Einteilung in Viertel. Wenn jetzt bei 16 Stufen jedes Viertel in vier Schritte geteilt wird, ist das mehr als ausreichend. Der Trick vieler Basteleien ist, den Mittelweg zwischen Perfektion und Realität zu treffen.
Bitte melde dich an um einen Beitrag zu schreiben. Anmeldung ist kostenlos und dauert nur eine Minute.
Bestehender Account
Schon ein Account bei Google/GoogleMail? Keine Anmeldung erforderlich!
Mit Google-Account einloggen
Mit Google-Account einloggen
Noch kein Account? Hier anmelden.



























