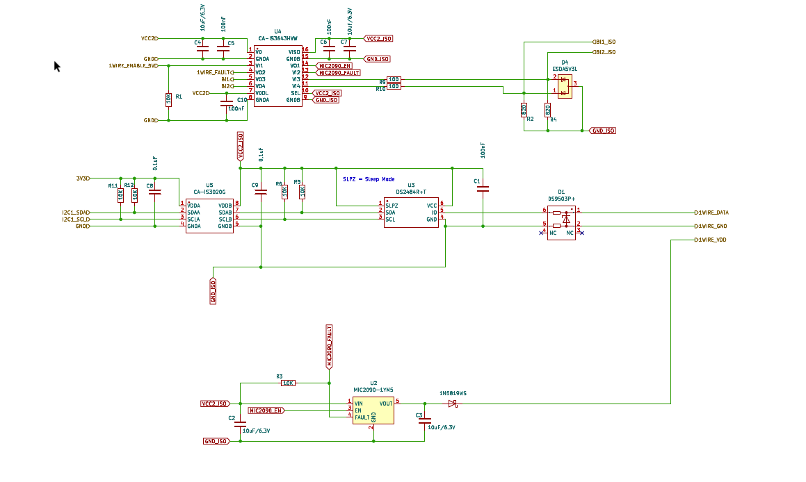
Hallo zusammen, ich bräuchte mal etwas Input zu der angehängten Schaltung. Das Ziel ist eine Stabile Ausgangsspannung hinter dem DC/DC Konverter zu bekommen. Die Spannungsquelle VCC2 kann maximal 100mA@5V liefern, daher soll der MIC2091 dies Sicherstellen und zusätzlich soll eine Pufferschaltung die 5V hinter dem DC/DC Konverter stabil halten da dort ein 1Wire Bus angeschlossen werden soll. Macht dies so Sinn oder ist dies alles völliger Murks? Auch ist der aktuelle DC/DC Konverter nicht optimal da dieser eine der hohe Aufnahme im Leerlauf hat und somit die Spannungsquelle oder Pufferschaltung unnütz belasten würde. Da die PCB bei JLCPCB (ist einfach sehr günstig dort) gefertigt werden soll sind leider auch nur begrenzte DC/DC Konverter verfügbar. Eingebaut werden soll dies dann in ein REG Gehäuse im Schaltschrank ich muss daher auch etwas auf die Wärme achten. Grüße und Danke Marco
:
Verschoben durch Moderator
Das ist völliger Murks, und zwar aus etlichen Gründen. 1. Ein Schaltregler hinter einem Linearregler oder eine niedrig dimensionierten Strombegrenzungsschaltung führt zu einererheblichen Schwingneigungen. So etwas muss nicht immer schwingen, aber dann wenn man es nicht erwartet. 2. Das Überstromverhalten des MIC2091-1 verstärkt auch noch dieses Verhalten, da der MIC2019 nach einer Strombegrenzungsdauer von 5-20 ms doch den Saft abdreht und einen Neustart versucht. Damit bekommt man interessante Impulsgruppen statt einer durchgängigen Schwingung. 3. Laut Datenblatt liegt die Strombegrenzung bei 100-250 mA, also oberhalb der Maximalstroms für VCC2 4. Die ganze Schaltung ist eh völlig hinfällig, da U8 bei solch einer wirren Beschaltung funktionslos ist. Positiv gesehen kann man auch feststellen, dass die Gesamtschaltung wohl nicht schwingen wird.
Hm, ok der ursprüngliche Entwurf war so und da wurde mir gesagt dieser wäre nicht sehr sinnvoll es wäre besser wenn man es so macht wie im ersten Post.
:
Bearbeitet durch User
Ja, dann mach doch Deinen Scheiß genauso wie von der anderen Person vorgeschlagen. Aber anschließend beschwere Dich eben bei genau dieser Person und nicht hier, wenn es irgendwelche Probleme gibt. Du bist doch offenbar gar nicht hierher gekommen, um wirklich eine Einschätzung zu erhalten, sondern einfach nur Deine vorgefertigte Meinung bestätigen zu lassen.
Nein dies war nicht meine Intension, ich hatte mir erhofft hier Tipps zu bekommen wie man am beste vor einen DC/DC Wandler eine Schutzschaltung realisieren kann. Ich möchte nur verstehen warum beide Entwürfe z.B. Mist sind. Ich mache dies halt nur als Hobby und da gibt es nur Google oder halt die KI :-(
> 1. Ein Schaltregler hinter einem Linearregler oder eine niedrig > dimensionierten Strombegrenzungsschaltung führt zu einererheblichen > Schwingneigungen. Du meinst alle unsere Schaltregler schwingen wenn wir sie an unserem Labornetzteil betreiben? :-D Also nee, das ist zu einfach.... Vanye
Marco L. schrieb: > ich bräuchte mal etwas Input zu der angehängten Schaltung. Das ist keine Schaltung, sondern es sind Schaltungsschnipsel, deren Sinn sich dem Nichteingeweihten nicht erschließt. Außerdem sind die Schnipsel in einen unmöglichen Format, die Beschriftungen sind zu klein, es ist viel zu viel leerer Raum auf den Zeichnungen. Und es heißt Schaltplan, nicht Label-Suchspiel. Lern doch erst mal, lesbare Schaltpläne zu erstellen. Im hiesigen Wiki: Schaltplan richtig zeichnen > Das Ziel ist eine Stabile Ausgangsspannung hinter dem DC/DC Konverter zu > bekommen. Welcher DC/DC? Da ist keiner. > Die Spannungsquelle VCC2 kann maximal 100mA@5V liefern, daher soll der > MIC2091 dies Sicherstellen Soll was sicherstellen? Abgesehen davon ist es sinnlos, 5V mit einen linearen Spannungsregler auf 5V "stabilisieren" zu wollen. > und zusätzlich soll eine Pufferschaltung die > 5V hinter dem DC/DC Konverter stabil halten Warum glaubst du, daß die Ausgangsspannung eines (welches?) DC/DC Wandlers "stabil gehalten" werden müßte? > Macht dies so Sinn oder ist dies alles völliger Murks? Es ist vollkommen unverständlich was du erreichen willst. Deswegen kann dir auch keiner sagen, ob deine Schaltungsschnipsel Teil einer Lösung sein können.
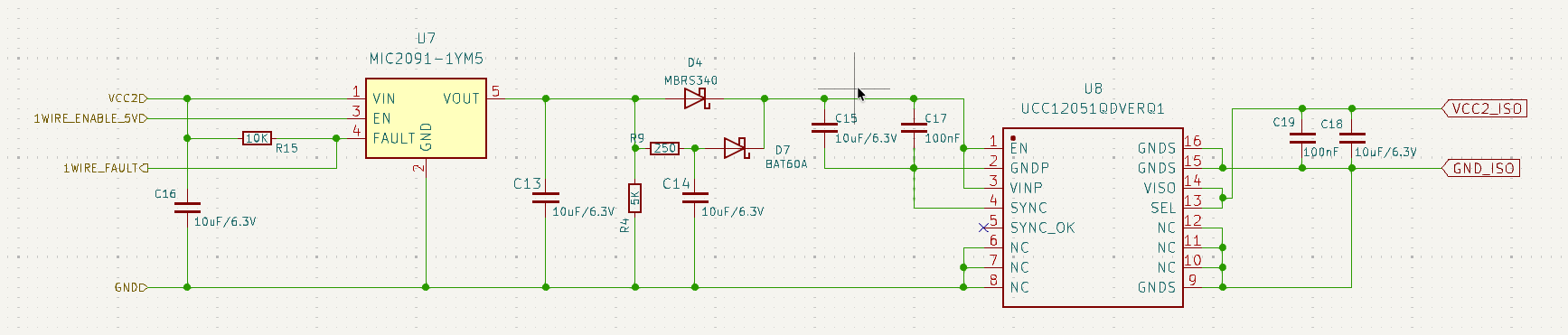
Axel S. schrieb: > (welches?) DC/DC > Wandlers Er wird den UCC12051 aus seinem allerersten Bildchen meinen.
Axel S. schrieb: > Das ist keine Schaltung, sondern es sind Schaltungsschnipsel, deren Sinn > sich dem Nichteingeweihten nicht erschließt. Am Anfang habe ich immer verzweifelt die Spule gesucht, bis ich jetzt endlich kapiert habe, dass die Spule in dem UCC12051 mit integriert ist. Deswegen ist die typische Bauhöhe des UCC12051 auch mindestens 2,65 mm hoch! Das Bauteil wird in einem Wide-Body-SOIC-Gehäuse (SO-MOD, DVE) mit 16 Pins geliefert. Die vollständigen Abmessungen des Gehäuses betragen typischerweise 10,3 mm (Länge) x 7,5 mm (Breite) x 2,7 mm (Höhe).
> Am Anfang habe ich immer verzweifelt die Spule gesucht, bis ich jetzt > endlich kapiert habe, dass die Spule in dem UCC12051 mit integriert ist. Tja, man lernt immer noch mal was neues. :-D Schau mal hier: https://product.torexsemi.com/en/series/xcl233 Vanye
Ich muss mich bei allen entschuldigen, es war nicht meine Absicht euch nicht alle Infos zu geben :-( Also die Anforderung ist folgende: Wir haben einen KNX BUS und hier dann einen Busankoppler dieser liefert mehrer Potentiale, unter anderem VCC2 und da halt maximal 100mA@5V. Nun war die Idee dies mittels dem isolierte DC/DC Wandler zum machen da der Platz in dem 1TE REG Gehäuse beengt ist und 500mW total ausreichen. Er muss also nix umwandelt sondern lediglich die 5V primär und GND auf der Sekundärseite zu Verfügung stellen, nur halt galvanisch getrennt von KNX BUS. Der MIC2091 (wobei der MIC2090 wohl besser passt bei max 100mA) soll dann den Busankoppler vor Überlast und Zerstörung schützen. Es gibt dann noch einen Isolator (ist im zweiten Bild in den Chipanalog integriert für I2c und DI/DO Ports und dieser ist dann primär and VCC1 (3V) und GND primär und VCC2_iso und GND_iso angeschlossen, die Signale dieser Geräte werden dann ebenfalls galvanisch getrennt an einen RP2040 gesendet. An dem sekundären I2c wird dann eine OneWire Busmaster angeschlossen damit man z.B. OneWire Temperatursensoren ins KNX einbinden kann. Die Onewire_VCC (5V) versorgen dann die Onewire Sensoren mit Saft, daher sollen diese sehr stabil sein. Es soll sich daher also um ein Geräte handel das OneWire Geräte und Digitale Eingänge hat und die Werte davon dann an den KNX leitet. Hoffe so ist es etwas klarer.
Marco L. schrieb: > Hoffe so ist es etwas klarer. Welche Eingangsspannungen stehen für den DC-DC Wandler im Schaltschrank zur Verfügung?
:
Bearbeitet durch User
Hi, keine die Spannungen kommen alle aus dem KNX BUS (30V DC aus dem KNX Netzteil im Schaltschrank) über den Busankoppler, der DC/DC hat also nur die 5V/3V3/GND des Busankopplers zu Verfügung.
:
Bearbeitet durch User
Vanye R. schrieb: >> 1. Ein Schaltregler hinter einem Linearregler oder eine niedrig >> dimensionierten Strombegrenzungsschaltung führt zu einererheblichen >> Schwingneigungen. > > Du meinst alle unsere Schaltregler schwingen wenn wir sie an unserem > Labornetzteil betreiben? :-D Also nee, das ist zu einfach.... Diese Interpretation ist völliger Schwachsinn. Das ganze schwingt mit hoher Wahrscheinlichkeit, wenn die Strombegrenzung zu niedrig eingestellt ist.
Bitte melde dich an um einen Beitrag zu schreiben. Anmeldung ist kostenlos und dauert nur eine Minute.
Bestehender Account
Schon ein Account bei Google/GoogleMail? Keine Anmeldung erforderlich!
Mit Google-Account einloggen
Mit Google-Account einloggen
Noch kein Account? Hier anmelden.






