Der Trend zum Plastikgehäuse setzt sich auch im militärischen Bereich fort. Shenzhen Xunlong stellt Schaltbilder der neuesten Prozessrechner zur Verfügung, während Adafruit den Vertrieb der Teensy-Serie einstellt. LilyGo lanciert derweil ein LoRAWAN-Board mit mehr als einem Watt Ausgangsleistung.
Microchip JANPTX – militärisch zertifiziertes Transsil im Plastikgehäuse
Sowohl im militärischen als auch im satellitenelektronischen Bereich geht der Trend zur Nutzung von „Commodity-Komponenten“. Kunststoffgehäuse sind nun einmal wesentlich billiger als die in diesem Bereich gerne verwendete Keramik. Im Hause Microchip nimmt man an diesem Trend naturgemäß gerne teil. Spezifischerweise lanciert man nun ein Transsil, dass trotz Plastikgehäuse die MIL-PRF-19500-Zertifikation besteht:
1 |
These TVS devices are the first in the industry to achieve MIL-PRF-19500 qualification in a plastic package, offering engineers a lightweight, cost-effective solution without sacrificing stringent military performance requirements. The JANPTX product line is available in voltage ranges from 5V to 175V and includes five variants: JANPTX1N5555UJ, JANPTX1N5558UG, JANPTX1N5629AUJ, JANPTX1N5665AUG, JANPTX1N5907UG and JANPTX1N5907UJ. |
2 |
|
3 |
With a high peak pulse power rating of 1.5 kW and clamping response times measured at less than 100 picoseconds in internal tests, . . . |
Interessant ist, dass Microchip in der offiziellen Presseankündigung verspricht, dass das Bauteil bei gewöhnlichen Distributoren erhältlich wäre. Eine OEMSecrets-Preisanalyse bestätigt dies teilweise - zum Zeitpunkt der Abfassung diese Newsmeldung präsentiert sich die Situation wie in der Abbildung gezeigt.

Bildquelle: https://www.oemsecrets.com/compare/JANPTX1N5665AUG
PicoTest Component Test Fixture (CTF) – Testsatz für Komponentenqualifikation mit DC Offset-Fähigkeit
Die immer höher werdenden Ansprüche von Schaltregler und Co. führen dazu, dass passive Komponenten immer stringente Ansprüche erfüllen müssen. Insbesondere bei der Fehlerdiagnose ist es oft notwendig, ein passives Element an einen Vektor-Netzwerk-Analysator anzuschließen. Problematisch ist dabei oft, dass diese keine DC Offset-Funktion mitbringen - im Fall eines Bode 100 war es beispielsweise (siehe https://www.youtube.com/watch?v=P-CjJVL1mrI) notwendig, verschiedenste abenteuerliche Schaltungen zu konstruieren. Im Hause Picotest versucht man nun, dem Problem eine schlüsselfertige Lösung entgegenzuwerfen.

Bildquelle: https://www.picotest.com/product/component-test-fixture-ctf/.
Zur „sonstigen Beschreibung“ vermeldet Picotest an folgendes:
1 |
The Picotest Component Test Fixture (CTF) is a precision, 2-port shunt-through fixture engineered for accurate and repeatable impedance and S-parameter measurements of surface-mount components up to 3 GHz. Designed to integrate seamlessly with any VNA—especially the OMICRON Lab Bode 100/500 or Keysight E5061B —the CTF simplifies calibration, improves repeatability, adds DC bias, and ensures measurement results you can trust. Provided the VNA supports it, both impedance and full 2-port calibration are supported by the CTF. |
Rochester X Infineon - last time buy für verschiedene Cxxx-Mikrocontroller.
Wer „klassische“ Infineon-Mikrocontroller verwendet, muss umdenken - einige Modelle wurden vor einiger Zeit angekündigt. Rochester Electronics - besser bekannt als Obsolence is us - hat nun unter https://www.rocelec.com/news/infineon-legacy-8-bit-and-16-bit? angekündigt, eine last time buy-Gelegenheit anzubieten:
1 |
Rochester Electronics has recently secured the final finished goods for Infineon’s legacy 8-bit and 16-bit microcontroller families. This is an exclusive, last-time-buy opportunity for customers in automotive and industrial markets. Once this inventory is gone, there will be no additional manufacturing capability for these products. |
2 |
|
3 |
These MCUs have been trusted for more than 25 years in a wide range of automotive and industrial applications. With no drop-in replacements available, securing supply now is critical to avoid costly redesigns and production delays. Rochester will offer Infineon-built, final finished goods in automotive-grade variants that cover all SKU requirements across automotive, industrial, and commercial applications. Customers can confidently deploy these highest-reliability parts in any environment. |
4 |
. . . |
5 |
The product families include C505 and C515 (8-bit) and C164 and C167 (16-bit). These legacy ROM/OTP & CAN-based MCUs have been essential to major automotive and industrial customers. |
Shenzhen Xunlong: Schaltbilder für Orange Pi 4pro und Orange Pi 6 Plus verfügbar
Die „neuesten“ Shenzhen Xunlong – Prozessrechner - unter Beitrag "OrangePi 4 Pro / OrangePi 6 Plus – Einplatinencomputer im Zeichen der Leistung", https://youtu.be/RyxSWJNOACw und https://youtu.be/MPT0AErieK0 finden sich mehr Informationen - brachten durchaus beeindruckende Innovationen. Bisher galt allerdings, dass die Schaltbilder nur sehr teilweise zur Verfügung gestellt wurden. Am offiziellen Instagram-Account verkündete der Prozessrechnerhersteller die Verfügbarkeit vollständiger Schaltbilder.

Bildquelle: https://www.instagram.com/orangepixunlong/p/DTZpAoqFH9L/?hl=de
Adafruit: Teensy nicht mehr verfügbar, Freensy in Arbeit
Die Teensy-Plattform hat sich in der Vergangenheit - insbesondere bei SparkFun - durchaus großer Popularität erfreut. Limor Frieds Frauen - ewiger Dank an den Leser, der diesen Scherz einst eingereicht hatte - verkauften die Produkte bisher allerdings ebenfalls. Vor wenigen Stunden verschickte die Truppe ein E-Mail, in dem sie über das „Ende des Vertriebs“ informierte. Als Ursache führte man an, dass SparkFun fortan keine Belieferung von Adafruit mehr vorzunehmen gedenkt:
1 |
Due to supply changes outside of our control, Adafruit is discontinuing the sale and support of Teensy products. |
2 |
We were informed by postal mail from SparkFun (the exclusive provider now) that Teensy products will no longer be available to Adafruit. We contacted Paul Stoffregen to confirm, and were told the decision is final. |
Aus Gründen des Bocks arbeitet man indes an einer hauseigenen Variante, die - als Freensy bezeichnet - derzeit in der Prototyping-Phase ist.

Bildquelle: https://blog.adafruit.com/2026/01/12/discontinuing-the-teensy-at-adafruit/
TensorFlow & PyTorch in CircuitPython mit hoher Geschwindigkeit nutzen
Wo Hardware aus dem Hause Adafruit zum Einsatz kommt, ist CircuitPython normalerweise nicht fern. Bisher galt, dass die Ausführung von AI-Payloads auf diesbezüglicher Hardware eine langsame und durchaus lästige Aufgabe darstellte. Nun erschien ein Tutorium, das die Nutzung einer „nativen“ bzw. C-basierten Ausführungsumgebung vorstellt. Die dadurch erreichbare Performance ist - siehe auch die Abbildung - durchaus beeindruckend.

Bildquelle: https://ashishware.com/2026/01/10/cnn_circuitpython/
Wer keine Angst vor einer Rekompilation der CircuitPython-Umgebung macht, findet unter der Bildquelle konkrete Anweisungen zur Nutzung der Performance-Steigerungen.
ESP32-E22 mit PCIe und als M2-Modul
Der neue WiFi 6-ESP32 war schon vor einigen Tagen Thema. Weitere aufgetauchte Bilder der Demo auf der CES zeigen nun weitere interessante Aspekte.

Bildquelle: https://x.com/tks/status/2009685044101853649/photo/3
Erstens verkündet Espressif, dass der E22 - dies ist für die ist ESP32-Familie ein komplettes Novum - Unterstützung für PCIe mitbringt. Ursache für dieses (sehr schnelle und vor allem im Workstationsbereich verbreitete) Interface könnte sein, dass Espressif den Chip auch als „klassische Netzwerkkarte“ sieht. Dieser Gedanke wird dadurch bestärkt, dass - wie in der Abbildung gezeigt - auch ein Board im M2-Format zu sehen war.
Pikoo – sehr kleines RP2040-Evaluationaboard
In praktischen Designs trifft man immer wieder Systeme, in denen ein Raspberry Pi Pico oder ein ähnliches „Evaluationsboard“ wie ein Compute Module auf die eigentliche Applikations-PCB gelötet wird. Im Rahmen eines Kickstarter-Projekts wird nun-wie in der Abbildung gezeigt - eine kleinere Variante der ersten Version des Raspberry Pi Pico angeboten.

Bildquelle: https://www.kickstarter.com/projects/1450978634/pikoo-mini-rp2040-dev-board-powerhouse
Interessant ist am vorliegenden System auch, dass es-wie in der folgenden Abbildung gezeigt-ein vollständiges GPIO-Komplement mitbringt.

Bildquelle: https://www.kickstarter.com/projects/1450978634/pikoo-mini-rp2040-dev-board-powerhouse
Xibo nun mit (inoffizieller) Raspberry Pi-Unterstützung
Das quelloffene Xibo-System zur Realisierung von „Smart Screens“ erfreut sich weltweit konstanter und hoher Beliebtheit. Bisher galt allerdings, dass die Unterstützung für den Raspberry Pi - wenn überhaupt - rudimentär bzw. miserabel ausfiel. Der im Allgemeinen gut informierte Branchennewsdienst CNX berichtet unter der URL https://www.cnx-software.com/2026/01/12/xibo-open-source-digital-signage-solution-now-works-with-raspberry-pi-5-thanks-to-the-arexibo-project/ nun darüber, dass es eine neue, inoffizielle Version mit Unterstützung für den Raspberry Pi 5 gibt.
HaLowLink 2 – neuer WiFi HaLow-Accesspoint
Der HaLow-Standard nimmt langsam, aber sicher an Fahrt auf. Nun steht ein neuer Router ante Portas, der ein brandaktuelles Morse Micro MM8108-Modul verwendet und deshalb fast 43 Mbps Übertragungsgeschwindigkeit bietet. Weitere Informationen finden sich in der als Bildquelle angegebenen Herstellerwebseite.

Bildquelle: https://store-us.gl-inet.com/products/halowlink2
WisMesh RAK3312 Starter Kit
RAK Wireless bietet mit dem RAK3312 ein Kombinationsmodul an, das einen ESP32-S3 und einen SX1262 in einem Gehäuse verpackt. Nun steht eine Gruppe von Produkten zur Verfügung, die den Einstieg ohne hauseigenes PCB-Design zu ermöglichen suchen.

Bildquelle: https://store.rakwireless.com/products/meshtastic-starter-kit-esp32-s3-lora-sx1262?
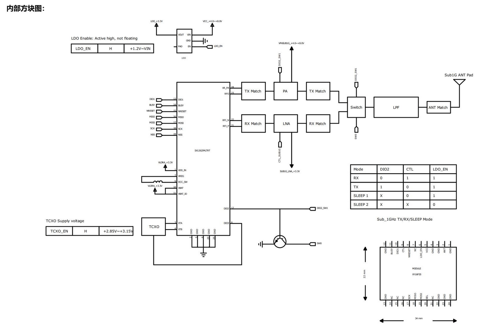
LILYGO T-Beam 1W – Lora-ESP32 mit 32dBm Ausgangsleistung
Ein „Mehr“ an Leistung führt normalerweise auch zu einem Mehr an Reichweite. Im Hause LILYGO geht man dieses Problem insofern an, als man - wie in der Abbildung gezeigt – Verstärker “vorschaltet“.

Bildquelle: LILYGO.
Lohn der Mühen ist, dass das resultierende LoRA-Board bis zu 32dBm an Ausgangsleistung erreicht: beim Anschließen an einen Spektral-Analysator muss man unbedingt mitdenken, weil dies die Eingangsleistung der meisten Geräte überschreitet. Sei dem wie es sei, wirbt LILYGO offiziell mit nur 1 W an Leistung. Wer das um rund € 60 erhältliche Board erwerben möchte, kann dies unter der gezeigten Bildquelle bei AliExpress tun.

Bildquelle: https://s.click.aliexpress.com/e/_c3uBTLqB













