Hallo Zusammen, wiedermal eine Frage zum TTP223. Ich habe eine Lampe mit einem Li-Ion 3,7V Akku. Diese Lampe an sich funktioniert einwandfrei. Für ein Projekt benötige ich nun einen Touchsensor (TTP223), eine Ladebuchse USB - C und einen Buckconverter mit Relaise. Die Batteriekontakte gehen einmal zum USB C und einmal zum Buck Converter. Der Buck Converter versorgt den TTP223 und ein Relaise. Das Signal vom TTP223 schaltet dann das Relaise und damit die Lampe ein. Soweit funktioniert das auch. WENN ich aber nun nur das Gehäuse von einem USB-C Ladegerät verbinde, also noch nicht einstecke, reagiert der TTP223 direkt. Die Suchfunktion hab ich tatsächlich funktioniert und bin mit den Ansätzen aus diesem Beitrag nicht weiter gekommen: Beitrag "Touch Sensoren flackern und triggern ohne Annäherung" Die Spannung des Converters und Netzteil kann ich nur mit einem Multimeter messen. Ein Oszi habe ich leider noch nicht. Den Sensor könnte ich durchaus hochohmig anschließen. Bin mir aber nicht sicher, ob dies mein Problem löst. Geschirmte Leitungen habe ich bereits genutzt, aber ohne Änderung. Eine andere Idee wäre, die Versogungskontakte des Sensors mit einem Kondensator auszustatten, damit ich die Spannung glätten würde, wenn es an einer unsauberen Spannung liegt. Die D+ und D- vom selbstgebauten internen USB-C Kabel sind nicht verbunden. Schnellladung ist also theoretisch nicht das Problem. Bin ich hier auf dem richtigen Weg, oder sind meine Gedanken komplett verdreht? Verwendetet Komponenten: Keine Werbung, nur zum Verständnis. Buck Converter: https://www.amazon.de/dp/B07ZDJPMPJ Relaise: https://www.amazon.de/dp/B0D8Q5NKF9 Sensor: https://www.amazon.de/dp/B0CNSZH2SC Anschlussbuchse: https://www.amazon.de/dp/B0FG7SQ3FL USB C Stecker / Buchse: https://www.amazon.de/dp/B0D5PVDJLX Akku-Leuchten: https://www.amazon.de/dp/B0DT98FH8Y Vielen dank fürs lesen und ggf. für deinen Beitrag. Vermutlich überdenke ich das einfach mal wieder. Edit: Es ist auch so, selbst wenn ich nur den Ladeport mit meinem Finger berühre. Das Labornetzgerät habe ich Spannungslos angeschlossen und die der sensor schaltet sofort durch, bleibt und deaktiviert sich wieder.... Habe ich hier eine Art Schleife drin? Ich bin nun doch etwas ratlos...
:
Verschoben durch Moderator
Eve H. schrieb: > Relaise - Einzahl: das Relais - Mehrzahl: die Relais - Aussprache: "Relää" > Für ein Projekt Zeig einen Schaltplan und ein Foto vom Aufbau. Sonst wird das nur eine Ratestunde. > Buck Converter: https://www.amazon.de/dp/B07ZDJPMPJ Lass den mal aus der Schaltung weg. Könnte sein, dass der als Störstrahler fungiert.
:
Bearbeitet durch Moderator
Relais ... Erwischt :-) Buck converter löte ich gleich mal aus, bin gespannt. Fotos sind unten dran, einen Schaltplan kann ich gleich zeichnen. Bitte nicht für den Heißkleber hassen, ich möchte nur evtl. auftretenden Zug abfangen.
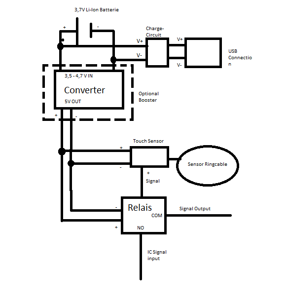
Anbei der Schaltplan. Die Batterie wird direkt vom USB-Stecker geladen. Der Converter ist für die benötigten 5V vom Relais drin. Ich werde es aber gleich noch ohne versuchen. Wenn der Sensor 3S gedrückt anspricht, geht die Lampe an / aus. Bei einem kürzerem Impuls schaltet der Modus um. Edit: Auch ohne Converter ist das Problem das gleiche. Bei Berührung der GND am Ladeport bewirkt ein schalten.
:
Bearbeitet durch User
Julian L. schrieb: > Eher "Rälee" (Einzahl) bzw. "Rälees" (Mehrzahl) Früher musste ich meiner schwäbischen Frau immer mit dem Ausspracheduden beweisen, wer die deutsche Standardsprache besser kennt. Hab ich extra dafür angeschafft. :-) Heute ist das einfacher: https://www.duden.de/rechtschreibung/Relais https://www.dwds.de/wb/Relais
Sei froh, dass dir dein Aufbau noch nicht um die Ohren geflogen ist! Wie kommst du auf die Idee, dass du die 5V vom USB direkt auf den Li-Ion Akku klemmen kannst?
Auch wenn da x-mal Buck-Converter steht: Es ist ein Boost-Converter.
Lothar M. schrieb: > - Aussprache: "Relää" Langes "ä" oder doppel-"ä"? Aber ich kenne die Aussprache "Releh".
Die Kondenstorfläche lässt sich auch auf der "anderen Seite" vergrößern. Mach mal alles so wie immer: Eve H. schrieb: > WENN ich aber nun nur das Gehäuse von einem USB-C Ladegerät verbinde, > also noch nicht einstecke, reagiert der TTP223 direkt. Nur verbinde das Kabel bzw. dessen Schirmung, irgend wo anders mit Erde... Ich, als vollkommener Laie in Sachen Störungen, würde mal ne Gleichtaktdrossel "irgendwo" (vor/nach dem Converter?) einschleifen.
Peter N. schrieb: > Aber ich kenne die Aussprache "Releh". Ist wahrscheinlich auch ein wenig regional verschieden, aber ich würd die Aussprache auch am ehesten als "Releh" transkriptieren.
Mist, falsch gezeichnet. Es ist noch die Ladeelektronik von der Lampe dazwischen. Die Batterie erhält zu keinem Zeitpunkt 5,0V.
Du weißt, das sowohl der Booster als auch der Touch den Akku auch belasten, wenn die Lampe aus ist?
Eve H. schrieb: > Bei Berührung der > GND am Ladeport bewirkt ein schalten. Ist das nicht genau die Funktion eines Touchsensors?
Peter N. schrieb: > Aber ich kenne die Aussprache "Releh". Franzosen sagen "Rölä" oder "Röle" - https://de.forvo.com/word/relais/ Und die beiden sprechen mir aus der Seele: ;-) - https://www.youtube.com/watch?v=lLw-MMNFGrc - https://de.wiktionary.org/wiki/Relais Julian L. schrieb: > Eher "Rälee" (Einzahl) bzw. "Rälees" (Mehrzahl) Ist wie "Yahama" statt "Yamaha". Eve H. schrieb: > Bei Berührung der GND am Ladeport bewirkt ein schalten. Welchen "GND" berührst du da? Den Schirm des USB-Ports? Dann vermute ich, dass dem Sensor im ganzen System ein ordentlicher Bezugspunkt fehlt.
:
Bearbeitet durch Moderator
also hier im Norden wird das deutlich weniger "ä-ig" ausgesprochen.
Lothar M. schrieb: > Ist wie "Yahama" statt "Yamaha". Gern auch: Lüh-bi-en Oder Lizium. Ich kenn auch eher "Releeh". Lothar M. schrieb: > Dann vermute > ich, dass dem Sensor im ganzen System ein ordentlicher Bezugspunkt > fehlt. Klar, ist ja alles transportabel/kabellos. GND verbunden -> System wird geerdet -> Sensor spackt. Ein einfacher Taster hätte einige Vorteile - Kein Ruhestromverbrauch - weniger Zeug (Geld, Gewicht, Platz) - keine Fehlauslösung Nachteile: - Man sieht ihn
Lothar M. schrieb: > Ist wie "Yahama" statt "Yamaha". Neulich wollte einer ein Shomani-Schaltwerk für sein Fahrrad mit Fangba-Motor haben. :D
Würde mich nicht wundern wenn man das kaufen kann. Da wo's auch adidos oder Nika gibt...
den Schirm der USB-Leitung, bzw. das Gehäuse der Buchse. Den Part mit dem Bezug verstehe ich jedoch nicht ganz. Der Sensor ist direkt ohne Booster über die Ladesteuerung am B- und B+ angeschlossen. Direkter sollte es eigentlich nicht gehen. Ja, mir ist durchaus klar, dass der Sensor ganze 1,5 µA (Mikroampere) im Standby-Modus verbraucht. Dieser kleine Verluststrom ist jedoch für die Anwendung nicht relevant. Natürlich wäre ein Taster schöner, ist jedoch nicht gewünscht. Und es gäbe so schöne Lösungen dafür ...
:
Bearbeitet durch User
Eve H. schrieb: > Buck Converter: https://www.amazon.de/dp/B07ZDJPMPJ In den Produktbildern sieht es nicht so aus, als ob der Konverter mehr als 3 Pins besitzt. Dein Schaltplan kann an der Stelle nicht passen. Ground vom USB und Ground auf der Ausgangsseite dürften verbunden sein. Eve H. schrieb: > Schaltplan_Leuchte.png
Guten Abend, gnd war direkt auf dem Booster verbunden. Da aber nun kein Booster mehr verbaut ist, fällt es weg. GND also B- ist nun direkt verbunden.
Bitte melde dich an um einen Beitrag zu schreiben. Anmeldung ist kostenlos und dauert nur eine Minute.
Bestehender Account
Schon ein Account bei Google/GoogleMail? Keine Anmeldung erforderlich!
Mit Google-Account einloggen
Mit Google-Account einloggen
Noch kein Account? Hier anmelden.





