Bauteile: AZ-Delivery ATTiny85 -Digispark Rev.3 PIR Sensor HC-SR505 MOSFETs IRLML2402 LEDs bisher weiß, 5mm Spannungsversorgung bisher Labornetzteil, zukünftig kleine Powerbank. Hey zusammen, habe mich mit der Sufu dieses Forums beschäftigt und eine recht simple Schaltung für das Faden von mehreren LEDs gezeichnet. Sorry bitte, bin ein Newbie und habe seid Wochen eine Vision die ich super gerne erreichen möchte. Könnte bitte hier jemand mal drüber gucken ob das so geht? Idee: Der µC soll den PIR alle ~150ms mit Spannung versorgen, den Signalausgang abfragen und bei Detektion PWM-moduliert eine Reihe von LEDs soft (6s) einschalten und zeitverzögert (5s) wieder ausschalten. Das Abschalten der Spannung zwischend den Abfragen soll Energie sparen. Würde das gerne am Ende mit einer kleinen Powerbank betreiben.
:
Bearbeitet durch User
Dolfo B. schrieb: > Der µC soll den PIR alle ~150µs mit Spannung versorgen, Rechnest du mit Hyperschallmücken? Die Powerbank wird für einen '85 wohl nötig sein. Sparsam steht bei dem halt nicht ganz oben auf der ToDo-Liste.
Sorry, sollten ms sein :-) Habe es geändert.
Dolfo B. schrieb: > Sorry, sollten ms sein :-) > Habe es geändert. Auch das wird nicht viel nützen. Du solltest dich über die in einem PIR-Detektor stattfindende Signalverarbeitung informieren.
OK. Guter Punkt. Auf dem PIR Board ist ein eg4001. Dieser hat laut Datenblatt eine Art TurnOnDelay (20-60sec). Dann geht das wohl mit dem zwischenzeitlichen Abschalten so nicht. Eine smartere Idee zum sparen von Energie fällt mir leider nicht ein.
:
Bearbeitet durch User
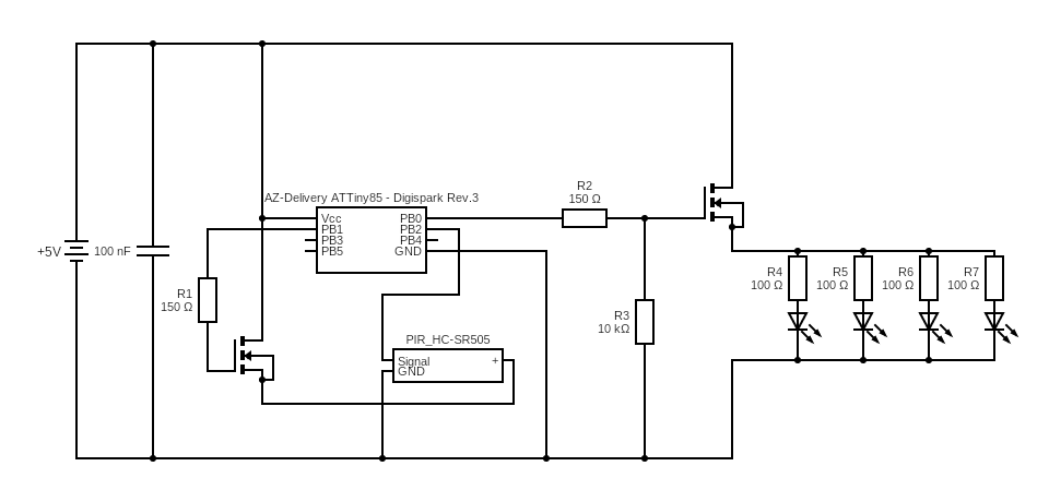
Dolfo B. schrieb: > Bauteile: > AZ-Delivery ATTiny85 -Digispark Rev.3 > PIR Sensor HC-SR505 > MOSFETs IRLML2402 > LEDs bisher weiß, 5mm > Spannungsversorgung bisher Labornetzteil, zukünftig kleine Powerbank. > > Hey zusammen, > habe mich mit der Sufu dieses Forums beschäftigt und eine recht simple > Schaltung für das Faden von mehreren LEDs gezeichnet. Schon mal gut. Es sind aber noch ein paar Fehler im Schaltplan. Deine MOSFETs sind N-Kanal Typen. Da muss die Source an GND und die Last an Drain. Deine LEDs samt Vorwiderständen also neu verdrahten. Wenn du VCC für deinen PIR Sensor schalten willst, brauchst du einen passenen P-Kanal Typen. Source dann an VCC, Drain an VCC vom PIR Sensor. > Der µC soll den PIR alle ~150ms mit Spannung versorgen, Warum so oft? > den > Signalausgang abfragen und bei Detektion PWM-moduliert eine Reihe von > LEDs soft (6s) einschalten und zeitverzögert (5s) wieder ausschalten. LED-Fading. > Das Abschalten der Spannung zwischend den Abfragen soll Energie sparen. > Würde das gerne am Ende mit einer kleinen Powerbank betreiben. Sleep Mode
Dolfo B. schrieb: > OK. Guter Punkt. > Auf dem PIR Board ist ein eg4001. Dieser hat laut Datenblatt eine Art > TurnOnDelay (20-60sec). > > Dann geht das wohl mit dem zwischenzeitlichen Abschalten so nicht. > Eine smartere Idee zum sparen von Energie fällt mir leider nicht ein. Warum überhaupt? Wieviel Strom zieht der PIR-Sensor? Wie lange soll deine Schaltung mit der Powerbank laufen?
Dolfo B. schrieb: > Dann geht das wohl mit dem zwischenzeitlichen Abschalten so nicht. > Eine smartere Idee zum sparen von Energie fällt mir leider nicht ein. Verzicht auf einen PIR-Sensor? Wäre naheliegend...
> Schon mal gut. Es sind aber noch ein paar Fehler im Schaltplan. Deine > MOSFETs sind N-Kanal Typen. Da muss die Source an GND und die Last an > Drain. Deine LEDs samt Vorwiderständen also neu verdrahten. > Wenn du VCC für deinen PIR Sensor schalten willst, brauchst du einen > passenen P-Kanal Typen. Source dann an VCC, Drain an VCC vom PIR Sensor. OK danke. Wie hier schon angemerkt geht das mit dem PIR nicht. Die Verzögerung des ICs auf der PIR Platine ist mit 20-60sec viel zu lang. Also fällt mir für den PIR nichts anderes ein als ihn dauerhaft laufen zu lassen. > >> Der µC soll den PIR alle ~150ms mit Spannung versorgen, > > Warum so oft? Um Energie zu sparen entstand die Idee mit dem zwischenzeitlichen Abschalten des Sensors. Ist wohl eine Sackgasse. Am Ende soll der Sensor das Durchlaufen von Persohnen in einem bestimmten Sichtfenster erkennen. Tatsächlich auch dauerhaft, oder zumindest in kurzen Abständen, so die Idee.
Wenn deine Schaltung zu sparsam ist, dann schaltet die Powerbank nach kurzer Zeit ab.
Falk B. schrieb: > Dolfo B. schrieb: >> OK. Guter Punkt. >> Auf dem PIR Board ist ein eg4001. Dieser hat laut Datenblatt eine Art >> TurnOnDelay (20-60sec). >> >> Dann geht das wohl mit dem zwischenzeitlichen Abschalten so nicht. >> Eine smartere Idee zum sparen von Energie fällt mir leider nicht ein. > > Warum überhaupt? Wieviel Strom zieht der PIR-Sensor? Wie lange soll > deine Schaltung mit der Powerbank laufen? PIR Ruhestromaufnahme: < 60µA Es sollte schon > 1Monat laufen.
H. H. schrieb: > Ob S. schrieb: >> Verzicht auf einen PIR-Sensor? > > Die gibts auch mit nur wenigen µA Strombedarf. Die sind .zB. in PIR-Solarfunzeln, die Mann im Subbamarkt kaufen kann, tatsächlich auch verbaut. Der 8 Pinner der über das Ganze wacht, ist ähnlich sparsam. Nur das eben die Li-Akkus den Frost nicht mögeb, und der Hersteller die Demontage im Winter empfiehlt. ☺ Irgendwas ist ja immer.
Schalte mit dem PIR den MC ein, der PIR selber braucht kaum Strom, das Programm wird auch einfacher, besteht dann nur noch aus PWM-Code, das ganze sleep, watchdog-,... geraffel fällt dann automatisch weg, ein Gebiet mit vielen Fallstricken für Anfänger. Die Verzögerung und Haltezeit kann man bei den meisten PIR-Modulen über Widerstände einstellen.
Ob S. schrieb: > Dolfo B. schrieb: > >> Dann geht das wohl mit dem zwischenzeitlichen Abschalten so nicht. >> Eine smartere Idee zum sparen von Energie fällt mir leider nicht ein. > > Verzicht auf einen PIR-Sensor? Wäre naheliegend... Ohne Sensor geht das leider nicht. Dann fällt mir noch der hier ein. Ist aber alles eher für Fortgeschrittene. - TMF8701 TimeOfFlight 0.26μA power-down current consumption
Frank D. schrieb: > Schalte mit dem PIR den MC ein, der PIR selber braucht kaum Strom, das > Programm wird auch einfacher, besteht dann nur noch aus PWM-Code, das > ganze sleep, watchdog-,... geraffel fällt dann automatisch weg, ein > Gebiet mit vielen Fallstricken für Anfänger. Die Verzögerung und > Haltezeit kann man bei den meisten PIR-Modulen über Widerstände > einstellen. OK Klingt verlockend. Welcher PIR mag dann nur in Frage kommen? Bei dem PIR-Modul MH-SR602 kann immerhin die Sensitivität und die DelayTime geändert werden. Er ist aber schon grenzwertig groß.
Dolfo B. schrieb: >> Warum überhaupt? Wieviel Strom zieht der PIR-Sensor? Wie lange soll >> deine Schaltung mit der Powerbank laufen? > > PIR Ruhestromaufnahme: < 60µA > Es sollte schon > 1Monat laufen. Hast du mal gerechnet? 60uA (MIKROampere) ist weniger als die Selbstentladung deiner Powerbank und vermutlich auch weniger als die Mindestlast welche sie braucht, damit sie nicht automatisch abschaltet. 60uA x 24h = 1440uAh = 1,44mAh 1,44mAh x 31 Tage = 44,6mAh Darüber lacht selbst die kleinste Powerbank mit 2000mAh. Jetzt brauchst du nur eine die a) keine Mindestlast braucht und nicht automatisch abschaltet oder b) eine gepulste Last von ca. 50mA, die alle 10-30s einmal kurz für ein paar hundert ms eingeschaltet wird, damit die Powerbank nicht abschaltet
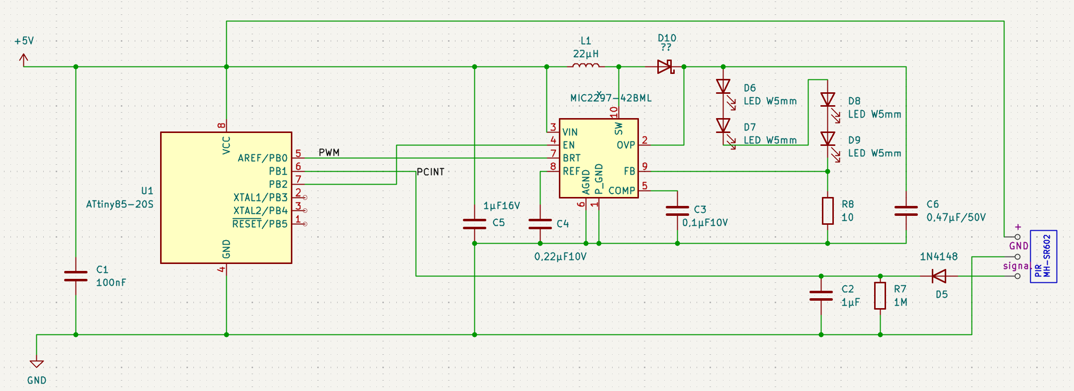
OK. Erstmal herzlichen Dank für jeden Hinweis zur Schaltung und die ganzen Idee zu möglichen Lösungen. Freue mich total! In der Zwischenzeit habe ich nochmal nachgelegt. > Schon mal gut. Es sind aber noch ein paar Fehler im Schaltplan. Deine > MOSFETs sind N-Kanal Typen. Da muss die Source an GND und die Last an > Drain. Deine LEDs samt Vorwiderständen also neu verdrahten. > Wenn du VCC für deinen PIR Sensor schalten willst, brauchst du einen > passenen P-Kanal Typen. Source dann an VCC, Drain an VCC vom PIR Sensor. Im Anhang der neue Plan. Jetzt läuft der PIR dauerhaft und triggert den ATtiny85 aus dem Tiefschlaf. Natürlich ist der PIR soweit eine pragmatische und enegriesparende Lösung. Da hab ich mich zuvor bei dem Energieverbrauch verrechnet. Bin mir nur noch unsicher ob der Kondensator und Widerstand am PIR okay ist (C2, R7). Ebenso der Kondensator C1 zwischen Vcc und GND des ATtiny. Q1 ist leider das falsche Zeichen. Hab kein passendes für den IRLB3813PbF gefunden. Die Sache mit der USB PowerBank ist noch zu lösen. Ich friemel noch an einer Idee die dem Hinweis zu der zyklischen Last am Akku rum.
:
Bearbeitet durch User
Powerbank braucht so um die 100mA Mindeststrom. Würde ich durch 1x Li-IOn 18650 Zelle ersetzen, damit kannst Du den AVR direkt versorgen.
:
Bearbeitet durch User
Soviel Leistung, wie du in den Vorwiderständen der LEDs vergeudest, kannst du im Sleepmode nicht wieder reinholen. Für jede LED eine kleine getaktete KSQ, die kann auch den FET ersetzen, denn die KSQ hat einen Dimmeingang.
Dolfo B. schrieb: > Q1 ist leider das falsche Zeichen. Hab kein passendes für den > IRLB3813PbF gefunden. Was soll an dem Schaltsymbol so falsch sein?` Aber andere Frage: Wie kommst du ausgerechnet auf einen IRLB3813PbF? Als maximalen Dauerstrom verträgt der rund 200 A, kurzzeitig auch 1000 A (bei 10V Ansteuerung, mit 5 V immer noch 400 A). Irgendwie sieht das etwas nach Kanonen und Spatzen aus, falls die im Schaltplan gezeichneten LEDs deiner tatsächlichen Last entsprechen.
:
Bearbeitet durch User
Gerald B. schrieb: > Für jede LED eine kleine > getaktete KSQ, die kann auch den FET ersetzen, denn die KSQ hat einen > Dimmeingang. Vermutlich meinst du die folgende Schaltung? Habe die Schaltung jetzt nochmal mit einem MIC2297 gezeichnet. Er wird direkt vom ATtiny eingeschaltet und mit PWM versorgt. allerdings scheint mir die Kurve für LED Current vs. DUTY CYCLE bei 5V extrem steil. Ich vermute das sich bei einer DCycle von 1-20% nicht mehr so viele Schritte realisieren lassen um die vier LEDs soft mit einer Log-Tabelle über etwa 8sek ohne sichtbare Stufen zu Faden.
Ich habe es beim PIR-Nachtlicht nicht geschafft, viele Dinge zu kombinieren: ● Begrenzte Spannung (Li-Ion) ● LED-Stromquelle ● Fade-out ● PWM deswegen mache ich die Schaltung analog: https://www.mikrocontroller.net/attachment/581331/Fade-out_lang.png
Georg M. schrieb: > Ich habe es beim PIR-Nachtlicht nicht geschafft, viele Dinge zu > kombinieren: > > ● Begrenzte Spannung (Li-Ion) > ● LED-Stromquelle > ● Fade-out > ● PWM Wieso nicht? Was geht denn nicht? Gerade für diese Anwenung ist das ideal und auch nicht wirklich schwer.
Dolfo B. schrieb: > Vermutlich meinst du die folgende Schaltung? Ich hatte da jetzt keinen bestimmten IC auf dem Schirm. Gibts aber auch mit Enable/PWM als ein Pin. Würde dann einen I/O am Controller sparen.
> MIC2297
1. Nicht geeignet
2. Status: End of Life
Georg M. schrieb: >> MIC2297 > > 1. Nicht geeignet > 2. Status: End of Life OK. Das scheint kein einfaches Projekt. Nach viel Sucherei dürfte das hier den Zweck erfüllen. Ist denke ich auch PWM FÄHIG. Jede LED bekommt einen und gut ist. AL5809-20-SOD123 https://www.mouser.de/datasheet/3/175/1/AL5809.pdf Dann ist das ein attiny85 > IRLZ34NPBF > AL5809 > LED. Ich zeichne das mal....
:
Bearbeitet durch User
Kein Schaltregler. Quasi nur ein geregelter Widerstand ;-)
Der Tiny85 kann doch gleich auch den Schaltregler machen.
Ein paar Tage später, aber besser als nie. Bin jetzt doch nochmal dazu gekommen die Zeichnung abzuändern. - Der PIR triggert den ATtiny85 - ATtiny85 wacht aus SLEEP_MODE_PWR_DOWN auf - ATTiny85 beginnt PWM Fade via IRLZ34NPBF die LEDs (~6sec FadeIn, 15sec Hold, 8sec FadeOut, 10000ms Pause - LED @ 20mA maximal (AL5809) - ATtiny85 wechselt in SLEEP_MODE_ADC - die Versorgungsspannung wird intern gemessen + 1000ms Pause - ATtiny85 geht dann in den SLEEP_MODE_PWR_DOWN und wartet auf den nächtsen Trigger via PIR Macht das Sinn?
:
Bearbeitet durch User
Den Attiny mit 6V versorgen ist grenzwertig. 4 weiße in Reihe geschaltete LEDs sind echte Stromsparer bei 6V Betriebsspannung.
Ähm nun ja. Das ganze muss natürlich etwas anders aussehen. :) 4AA Zellen erfüllen die Vorgabe einer Spannungsdifferenz von etwa 1,75V an den AL5809 und liegen über der Vorwärtsspannung der LEDs. Wobei ich die genaue gerade nicht kenne.
:
Bearbeitet durch User
Beitrag #8010315 wurde vom Autor gelöscht.
Auch die 5% sind immer noch zu viel fürs Fade-out.
Dolfo B. schrieb: > 4AA Zellen erfüllen die Vorgabe einer Spannungsdifferenz von etwa 1,75V > an den AL5809 Georg M. schrieb: > Auch die 5% sind immer noch zu viel fürs Fade-out. Die CAT4104V-GT3 haben nur 0.3 Volt Spannungsdifferenz (Dropout), können aber 0.1% bei 200Hz und brauchen max. 1µA im Standby. Das sind vier Konstantstromquellen in einem SO-8 Gehäuse. Zusätzlich braucht man nur 1 Widerstand und keinen FET, also ca. 9 Bauteile weniger. Wenn die 0.1% nicht reichen, könnte man mit 1 bis 3 GPIO den Konstantstrom in 2 bis 8 Stufen umschalten. Wenn's heller werden soll, treibt der CAT4104 auch 7 LEDs in Reihe an 24V mit 4 mal 100mA.
Dolfo B. schrieb: > Ähm nun ja. Das ganze muss natürlich etwas anders aussehen. :) > > 4AA Zellen erfüllen die Vorgabe einer Spannungsdifferenz von etwa 1,75V > an den AL5809 und liegen über der Vorwärtsspannung der LEDs. Wobei ich > die genaue gerade nicht kenne. Schon besser. Ist aber vermutlich Overkill, denn du brauchst keinen präzisen Konstantstrom, wenn die LEDs nur ab und an bissel blinken sollen. Einfache Widerstände reichen. Erst recht, wenn man konstante 5V aus einer Powerbank nutzt. R5, C2 und R7 sind überflüssig. Der AVR kann den MOSFET direkt treiben. Der Pin Change Interrupt kann das Signal direkt erfassen und reagieren. Fertig.
Aufpassen bei routen, D5 ist versehentlich kurzgeschlossen ...
> Schon besser. Ist aber vermutlich Overkill, denn du brauchst keinen > präzisen Konstantstrom, wenn die LEDs nur ab und an bissel blinken > sollen. Einfache Widerstände reichen. Erst recht, wenn man konstante 5V > aus einer Powerbank nutzt. > > R5, C2 und R7 sind überflüssig. Der AVR kann den MOSFET direkt treiben. > Der Pin Change Interrupt kann das Signal direkt erfassen und reagieren. > Fertig. Danke Falk. Jeder fängt mal klein an. Mir war auch nicht klar wie kompliziert das werden kann. Tatsächlich klingt das wie einfaches geblinke. Allerdings ist das als Kunstprojekt etwas anders gedacht. Das ganze soll die Hintergrundbeleuchtung eines Dias werden. Reflektorfolie (spezielle weiße Folie, matt) Streulinsen und Sandwich aus Mikrolinsenfolie und Diffusorfilm liegt bereit (beides aus einem alten TV. Die LEDs aus dem TV sind auch vorhanden, werden aber etwas zu viel des Guten sein. Einfacher sind selektierte ~6000K 5mm LEDs zu bekommen (bisher was aus der eigenen Fundgrube). Das ganze blinkt nicht einfach nur, wie zu vermuten ist. Wichtig ist ein ultrasofter FadeIn über etwa 5sec und ein FadeOut über 8-10sec. Stufenlos bis AUS. Die Helligkeit der LEDs sollte wegen der Bildwirkung nicht von der Spannungsquelle abhängig und idealer Weise via PWM einzustellen sein. Herausforderung scheint eher das Fading bis AUS und ein energiesparender Betrieb über mehrere Monate bei durchschnittliche OnTime von ~10min am Tag. Vermutlich immernoch lowlevel für Profis. Für mich als blutigen Anfänger leider nicht, aber eine schöne Übung :) Danke für jede Hilfe!
:
Bearbeitet durch User
Dolfo B. schrieb: > Danke Falk. > Jeder fängt mal klein an. Ja dann mach aber auch mal WEITER! Dein Eröffnungsbeitrag ist vom 31.01., heute ist der 16.02. > Mir war auch nicht klar wie kompliziert das werden kann. Tatsächlich > klingt das wie einfaches geblinke. Ist es auch. > Allerdings ist das als Kunstprojekt etwas anders gedacht. Jaja, alles ganz dramatisch . . . > Das ganze blinkt nicht einfach nur, wie zu vermuten ist. Wichtig ist ein > ultrasofter FadeIn über etwa 5sec und ein FadeOut über 8-10sec. > Stufenlos bis AUS. Siehe LED-Fading. > Die Helligkeit der LEDs sollte wegen der Bildwirkung nicht von der > Spannungsquelle abhängig und idealer Weise via PWM einzustellen sein. Ja und? Das ist STANDARD! Und es wurde schon ein halbes Dutzend mal geschrieben, wie man es macht. > Herausforderung scheint eher das Fading bis AUS und ein energiesparender > Betrieb über mehrere Monate bei durchschnittliche OnTime von ~10min am > Tag. Ist gar nicht wirklich das Thema. Und da es nur ein Einzelstück und "Kunst" sein soll, muss man keine serientaugliche, hochoptimierte Lösung entwicklen. KISS! https://de.wikipedia.org/wiki/KISS-Prinzip > Vermutlich immernoch lowlevel für Profis. In der Tat. > Für mich als blutigen Anfänger leider nicht, aber eine schöne Übung. Im was? Labern und Proleme wälzen und 1001 Ablenkung hinterher rennen? Nimm die Schaltung wie sie zuletzt gezeichnet wurde mit den Korrekturen. Klemm das Ding an ne ausreichend große Power Bank. Pack LED-Fading rein. Nimm einen ATtiny 24 statt 85, denn der hat einen 16 Bit Timer, damit kriegt man das weiche Dimmen leichter hin. Der größte Verbraucher wird eher die Selbstentladung der Powerbank als die LEDs sein. Vielleicht dann doch lieber normale Akkus. Und wenn die voll 6V haben, wird das den AVR nicht umbringen. Weicheier packen ne Diode in Reihe und gut.
Falk B. schrieb: > Ja dann mach aber auch mal WEITER! Dein Eröffnungsbeitrag ist vom > 31.01., heute ist der 16.02. Häh? Ich würde sagen, das ist Sache von Dolfo, wie lange er sich Zeit lässt für das Projekt! Jedenfalls würde ich mir nicht sagen lassen, wie schnell es gehen soll, damit alle Mitdiskutanten zufrieden sind. <kopfschüttel> ciao Marci
Dolfo B. schrieb: > Das ganze soll die Hintergrundbeleuchtung eines Dias werden. Diese Frage kam doch extrem ähnlich vor ein paar mehr Wochen schonmal? Was passt Dir an dem Vorschlag nicht? Beitrag "Re: LED-Hintergrundbeleuchtung für Mittelformat-Dia + autom. sanftes Ein- und Ausschalten bei Betrac"
Matthias S. schrieb: > Was passt Dir an dem Vorschlag nicht? > Beitrag "Re: LED-Hintergrundbeleuchtung für Mittelformat-Dia + autom. sanftes Ein- und Ausschalten bei Betrac" Alles gut. Es gab nur eine Info an mich, der Beitrag sei am falschen Ort und ich solle das vermeiden. Er war aber auch nicht löschbar. Ich habe das daher nicht weiter kommentiert. Es schien halt nicht zu passen. Deine Idee ist interessant. Allerdings ist mir nicht klar wie sich die Duty Cycle und der Spannungsabfall der Batterie in Beziehung setzen lassen. Das ist vermulich nicht linear und ein Messgerät habe ich privat nicht.
Dolfo B. schrieb: > Deine Idee ist interessant. Allerdings ist mir nicht klar wie sich die > Duty Cycle und der Spannungsabfall der Batterie in Beziehung setzen > lassen. Das ist vermulich nicht linear und ein Messgerät habe ich privat > nicht. Willst du das Problem lösen oder ewig rumlabern?
Dolfo B. schrieb: > ein FadeOut über 8-10sec Das sollte nicht zu kompliziert sein. Meine Nachtlichter haben 40-50s Fade-out, was die Implementierung mit PWM am Ende der Ausblendzeit erheblich erschwert.
Falk B. schrieb: > Georg M. schrieb: >> Ich habe es beim PIR-Nachtlicht nicht geschafft, viele Dinge zu >> kombinieren: >> >> ● Begrenzte Spannung (Li-Ion) >> ● LED-Stromquelle >> ● Fade-out >> ● PWM > > Wieso nicht? Was geht denn nicht? Wie man sieht, kann der LED-Strom mit einfachen Mitteln bestimmt werden, wenn die Batterie nicht unter 3.7V entladen wird, was aber mit dem Li-Ion unpraktisch ist.
Funktioniert auch ohne MOSFET, aber eben ab 3.7V.
Bitte melde dich an um einen Beitrag zu schreiben. Anmeldung ist kostenlos und dauert nur eine Minute.
Bestehender Account
Schon ein Account bei Google/GoogleMail? Keine Anmeldung erforderlich!
Mit Google-Account einloggen
Mit Google-Account einloggen
Noch kein Account? Hier anmelden.









