Hallo zusammen, ich versuche mal, mein Problem ohne Salamitaktik kurz und bündig zu beschreiben: Ich benötige einen sinnvollen Ansatz (idealerweise Step-Down) für eine doppelte, massefreie Spannungsversorgung eines Schirmgitters (Strom 10-50mA). Die Spannung soll 150V +- 2% bei 10-50mA betragen. Als Eingangsspannung steht eine schwankende Spannung von 450-550V mit max. 2Vss Restwelligkeit zur Verfügung. Hintergrund: Ich habe eine Circlotron-Endstufe mit einem Paar EL509 geplant. Konzeptbedingt muss jeder Röhre eine eigene, massefreie Anoden- & Schirmgitterspannung zur Verfügung gestellt werden, wobei die Negativpole der 1. Anode und des 2. Schirmgitter sowie der 2. Anode und des 1. Schirmgitters verbunden sind. Bedingt durch den großen Spannungsunterschied zwischen Anoden- (450V) & Schirmgitterspannung (150V) ist es nicht sinnvoll (bzw. nur unter massiven Verlusten) möglich, mittels RC-Glied die 150V aus der Anodenspannung zur Verfügung zu stellen. Weiterhin hat die EL509 einen sehr niedrigen Schirmgitterdurchgriff, weshalb eine unstabilisierte Schirmgitterspannung den Arbeitspunkt im Leerlauf merklich verschiebt (10V Ug1-Differenz). Somit ist eine Stabilisierung der Schirmgitterspannungen sinnvoll. Für jede Anode & jedes Schirmgitter einzelne Trafoabgriffe zu nutzen war das erste Konzept. Das macht pro Endstufe allerdings 4 Sekundärwicklungen alleine für die Endröhren. Für die Schirmgitter-Spannungsversorgungen habe ich dann jeweils einen diskreten Längsregler vorgesehen, der die Spannung auf 150V mehr oder weniger konstant regelt. Damit ließen sich die Verluste rechnerisch im Vergleich zur Lösung mittels Vorwiderständen schon min. halbieren, aber das würde dennoch getrennte Trafoabgriffe bedeuten. Da mein Trafowickler allerdings für Stereo keine 10 Sekundärwicklungen (4+4x Endröhren, 1x Heizung, 1x Hilfsspannung) auf einen Kern bekommt und ich keine 2 Monoblöcke aufbauen möchte, bleibt im Grunde nur die Erzeugung der Schirmgitterspannungen aus den Anodenspannungen. Auch eine Standard-M2-Schaltung mit 400-130-0-130-400V-Abgriffen ist nicht so wirklich drin, somit fällt auch dies aus. Die einzig für mich sinnvolle Lösung des Problems, ohne massiv Leistung in Hochlastwiderstände zu verbraten, wäre die Nutzung eines Step-Down-Wandlers, der aus der Anodenspannung von bis zu 550V (bei +10% Netzspannung) im Leerlauf bis 450V bei Volllast in stabilisierte 150V wandelt. Konkret dachte ich an einen Minimalaufbau mit TL494 und IR2184 als High-Side-Treiber, die aus der negativen Hilfsspannung (es stehen -50V zur Verfügung) gespeist werden. Als Frequenz würde ich min. 250kHz ansetzen, um oberhalb der Streuspitze des AÜs zu liegen. Das Ganze müsste dann für Stereo insgesamt 4x aufgebaut werden. Dazu folgende Fragen: 1. Gibt es irgendetwas, was gegen die Verwendung eines Step-Down-Wandlers für diesen Zweck spricht? 2. Gibt es irgendwelche zweifach-integrierten PWM-Regel-ICs als Ersatz für den TL494? Dann bräuchte man nur 2 anstatt 4 Regler-ICs. 3. Für die Trennung von massefreier Sekundärspannung zu massebezogener Regelmessung für den Regler einfach ein Optokoppler und TL431? 4. Unter der Verwendung eines IR2184 wäre die Möglichkeit einer Synchronsteuerung mittels Lowside-MOSFET anstatt der Diode möglich. Lohnt das? Mir ist durch das Lesen anderer Threads zu Röhren bewusst, dass einige der Ansicht sind "ein Röhrenverstärker ist ohnehin ineffizient, da macht es das Verbraten über einen Widerstand auch nicht mehr aus" - ich sehe das aber anders. Bei Volllast würden über jeden Widerstand 15W verbraten werden, das wäre für Stereo eine Wärmeentwicklung von 60W - für mich nicht tolerierbar. Ich hoffe, dass ich keine wichtigen Infos vergessen habe und auf Eure Hilfe, Tipps und Anregungen.
Falls eine Gleichspannung zwischen 12V und 32V zur Verfügung steht, gibt es diese DC/DC-Wandler: https://www.ebay.de/itm/146570175841 Die Ausgangsspannung läßt sich über ein Poti einstellen und ist schon recht stabil.
Hallo Bernd, B e r n d W. schrieb: > Falls eine Gleichspannung zwischen 12V und 32V zur Verfügung steht, gibt > es diese DC/DC-Wandler: > https://www.ebay.de/itm/146570175841 > > Die Ausgangsspannung läßt sich über ein Poti einstellen und ist schon > recht stabil. da sehe ich folgende Punkte: - ich weiß nicht, ob die Ausgangsspannung massefrei ist - die Schaltfrequenz von 75kHz ist m.E. zu nah an der Streuspitze des AÜ und allgemein zu niedrig (die Schleifenverstärkung ist in diesem Bereich noch recht hoch)
:
Bearbeitet durch User
Ths S. schrieb: > massefreie Spannungsversorgung eines Schirmgitters am Schirmgitter unmöglich, das ist kein 2pol Wenn du einen galvanisch getrennte Versorgung haben möchtest das ist möglich, aber ein Pol muß dann auf eine dem Schirmgitter zugehörige Masse. B e r n d W. schrieb: > es diese DC/DC-Wandler: > https://www.ebay.de/itm/146570175841 von galvanischer Trennung steht nichts in der Beschreibung und was nicht beschrieben wird wird auch nicht garantiert.
Hallo Joachim, das Circlotron-Schaltungskonzept verlangt massefreie Spannungen. Die Kathoden der Endröhren liegen ebenfalls nicht auf Masse, somit zählt nur die Spannungsdifferenz zwischen Kathode und Schirmgitter. Galvanische Trennung zwischen Ein- und Ausgangsspannung ist nicht unbedingt notwendig, Hauptsache kein Massebezug. Da fällt mir aber auf.. die Ansteuerung (also Regelbaugruppe) müsste ebenfalls massefrei sein, ergo floating.
Ths S. schrieb: > somit zählt nur > die Spannungsdifferenz zwischen Kathode und Schirmgitter und das gibt es nur mit einem 2ten Pol egal ob es verstanden wird oder nicht. Wer elektrische Eisenbahnen oder Carrerabahnen verkabelt hat weiß das. Der Phasenprüfer auch Lügenstift genannt funktioniert nur weil es dabei um Wechselspannung geht und man kapazitiv an Erde angebunden ist, also auch 2polig. Eine Spannungsdifferenz kann nur zwischen 2 Polen existieren.
So in etwa? Dann muss Eingang auch symmetrisch sein. Zeig mal Deine Schaltung als Schaltbild. Ein Schaltbild sagt mehr als tausend Worte. Für mich hat Schirmgitter in einer Pentode immer Bezug auf irgendwas. Schirmgitterstrom plus Anodenstrom Bezug auf Strom über Katode. ciao gustav
Hallo zusammen, Joachim B. schrieb: > Ths S. schrieb: >> somit zählt nur >> die Spannungsdifferenz zwischen Kathode und Schirmgitter > > und das gibt es nur mit einem 2ten Pol egal ob es verstanden wird oder > nicht. > > Wer elektrische Eisenbahnen oder Carrerabahnen verkabelt hat weiß das. > Der Phasenprüfer auch Lügenstift genannt funktioniert nur weil es dabei > um Wechselspannung geht und man kapazitiv an Erde angebunden ist, also > auch 2polig. > > Eine Spannungsdifferenz kann nur zwischen 2 Polen existieren. Kennst Du das Schaltungskonzept? Klar hat die Endstufe als solche Massebezug, aber über die Mittenanzapfung des AÜs. Die Versorgungsspannungen selbst sehen diese Masse zwar über Rcu der Primärwicklung, aber die eigentlichen Spannungsversorgungen jeder der Endröhrenzweige dürfen keinen gemeinsamen Pol haben. Es scheint mir tatsächlich eher, als würde hier ein Verständnisproblem Deinerseits bestehen oder ich habe mich massiv falsch/unverständlich ausgedrückt (was mir leid tut, wenn es so ist). Vielleicht hilft die angehängte Schaltung. Dort mit reiner C-Siebung und ohne G2-Spannungsstabilisierung (um die es eigentlich in diesem Thread gehen sollte). Karl B. schrieb: > So in etwa? > Dann muss Eingang auch symmetrisch sein. > Zeig mal Deine Schaltung als Schaltbild. Ein Schaltbild sagt mehr als > tausend Worte. Klar muss der Eingang symmetrisch sein, so wie es bei Gegentakt-Röhrenendstufen üblich ist. In meinem Fall erfolgt die Symmetrierung mittels Differenzverstärker, welcher, um den nötigen Spannungshub zu schaffen, über die (gegen Masse mit Wechselspannungsbelag ausgestatteten) Anodenspannungen der Endröhren versorgt wird. Das ist aber keine verrückte Schaltungstechnik, sondern üblich. Ich bitte nochmals ausdrücklich darum, dass es mir hier nur um eine sinnvolle G2-Spannungsversorgung gehen soll, nicht um irgendwas Anderes. Ich kenne auch die Eigenheiten dieses Forums (inkl. straffem Umgangston usw.), aber ich weiß, dass hier viel Wissen, gerade im Bereich Schaltwandler vorhanden ist, weshalb ich um Hilfe bitte. Wenn das Ergebnis meiner Anfrage ist, dass sich ein Linearregler wahrscheinlich eher lohnt, dann ist das auch eine Aussage und dann baue ich einfach eine linear geregelte G2-Versorgung auf.
Das hast du dir bei Jogi abgeschaut https://www.jogis-roehrenbude.de/Leserbriefe/Dietmar_Ragoss-100W_PPP_Monobloecke_PL509/100W_PL509_Circlotron_2014.htm Naja, wer in einem Audio-Amplifier mit Röhren Step-Down-Schaltwandler verwenden will, sollte es lieber gleich ganz bleiben lassen. Aber egal, mach mal. Ansonsten ist es fragwürdig, warum man unbedingt die Circlotron-Schaltung mit ihren Problemen verwenden will. Außerdem ist die E/PL509 in Pentoden-Schaltung nur mit Steuergitter Ansteuerung auch nicht gut bedient. Entweder ganz als Triode geschaltet verwenden (Schirmgitter über 100…200 Ohm Schutzwiderstand direkt mit der Anode verbunden) oder mit kombinierter G1/G2-Ansteuerung, wie es z.B. Alan Kimmel gemacht hat, bzw. auch reiner Schirmgitter-Ansteuerung. Zur Schirmgitter-Ansteuerung und Circlotron-Schaltung gibt es da eine nette Idee, siehe Anhang. Das umgeht dann auch gleich das Problem mit der Erzeugung der gegenüber der Anodenspannung niedrigen Schirmgitterspannung. Vorsicht vor den modernen EL509 mit Oktal-Sockel. Die von Swetlana entsprechen zwar von den Daten her den ursprünglichen EL509 mit Magnoval-Sockel, haben aber oftmals Glasprobleme wegen des Oktal-Sockels. Die EL509 von JJ sind gar keine echten EL508 sondern nur „aufgebohrte“ EL34, was man schon am System-Aufbau gut erkennt. Nehme die russische 6P45S, die eine echte EL509 ist, wenn man schon keine NOS EL509 bekommen kann. Trotz allem, erfolgreiches basteln, auch wenn du da 10…20…30…40… Jahre zu spät kommst.
Hallo, Sandra schrieb: > Das hast du dir bei Jogi abgeschaut > > https://www.jogis-roehrenbude.de/Leserbriefe/Dietmar_Ragoss-100W_PPP_Monobloecke_PL509/100W_PL509_Circlotron_2014.htm Falsch. Die von mir entwickelte Vorstufe ist gänzlich anders aufgebaut, auch die Endstufe fährt völlig andere Arbeitspunkte. Abgeschaut habe ich dort nichts. > Naja, wer in einem Audio-Amplifier mit Röhren Step-Down-Schaltwandler > verwenden will, sollte es lieber gleich ganz bleiben lassen. Aber egal, > mach mal. Das ist schonmal eine Aussage. Warum? Was spricht aus Deiner Perspektive dafür oder dagegen? > Ansonsten ist es fragwürdig, warum man unbedingt die > Circlotron-Schaltung mit ihren Problemen verwenden will. Außerdem ist > die E/PL509 in Pentoden-Schaltung nur mit Steuergitter Ansteuerung auch > nicht gut bedient. Entweder ganz als Triode geschaltet verwenden > (Schirmgitter über 100…200 Ohm Schutzwiderstand direkt mit der Anode > verbunden) oder mit kombinierter G1/G2-Ansteuerung, wie es z.B. Alan > Kimmel gemacht hat, bzw. auch reiner Schirmgitter-Ansteuerung. > > Zur Schirmgitter-Ansteuerung und Circlotron-Schaltung gibt es da eine > nette Idee, siehe Anhang. Das umgeht dann auch gleich das Problem mit > der Erzeugung der gegenüber der Anodenspannung niedrigen > Schirmgitterspannung. Der Grund für Circlotron: ich habe schon ein paar konventionelle Gegentaktendstufen berechnet und gebaut. Warum nicht mal was Neues versuchen? Ich kenne die Probleme des Prinzips, beispielsweise die Neigung zu niederfrequenter Oszillation durch rel. niedrige Hauptinduktivität der AÜs. Ich will dennoch mein Glück versuchen - Andere haben es ja auch geschafft. > Vorsicht vor den modernen EL509 mit Oktal-Sockel. Die von Swetlana > entsprechen zwar von den Daten her den ursprünglichen EL509 mit > Magnoval-Sockel, haben aber oftmals Glasprobleme wegen des > Oktal-Sockels. Die EL509 von JJ sind gar keine echten EL508 sondern nur > „aufgebohrte“ EL34, was man schon am System-Aufbau gut erkennt. Nehme > die russische 6P45S, die eine echte EL509 ist, wenn man schon keine NOS > EL509 bekommen kann. Die Thematik kenne ich. Ich habe mich aber explizit auf die Kennlinien der JJ EL509S bei der Auslegung bezogen. > Trotz allem, erfolgreiches basteln, auch wenn du da 10…20…30…40… Jahre > zu spät kommst. Danke.
Ths S. schrieb: > nur um eine > sinnvolle G2-Spannungsversorgung gehen soll In einem anderen Thread wurden mehrere isolierte günstige DC/DC angeraten. Am Eingang parallel (5V oder 12V), Ausgänge in Serie bis man die Spannung hat: Beitrag "Re: 5V in 100V out" Suche nach dem "B0524S-1WR3" findet Datenblatt https://www.mornsun-power.com/html/pdf/B0524S-1WR3.html und es gibt auch 3W Version https://www.mornsun-power.com/html/pdf/WRA0524S-3WR2.html
Hallo Klaus, Klaus F. schrieb: > Am Eingang parallel (5V oder 12V), Ausgänge in Serie bis man die > Spannung hat Ich habe lediglich eine -6V Hilfsspannung für die Konstantstromsenke und kleinere Nebenverbraucher, wie etwa eine Einschaltstrombegrenzung, ein Motorpoti und die Betriebsleuchte vorgesehen. Irgendwie fände ich es auch unsinnig, erst von 230V Netzspannung auf 5V herunterzutranformieren, nur um dann per Step-Up-Wandler wieder auf 150V zu kommen. Ist meine Idee mit dem Step-Down-Wandler so abwegig?
Ths S. schrieb: > Ist meine Idee mit dem Step-Down-Wandler so abwegig? Dazu kann ich nichts sagen (schaue ich mir auch nicht näher an). Andere Idee wäre: (Kleinen) Trafo 230V auf 115V einbauen. Dann mit simplem Brückengleichrichter + Elko ( ab 22 uF , 250 Volt Type ; z.B. Pollin 210440 ) könnte annähernd passende Spannung rauskommen. Notfalls noch Serienwiderstand und Z-Diode ( 3x von den 140581 Pollin ).
Ths S. schrieb: > Hallo zusammen, > > … > > Ich bitte nochmals ausdrücklich darum, dass es mir hier nur um eine > sinnvolle G2-Spannungsversorgung gehen soll, nicht um irgendwas Anderes. > Ich kenne auch die Eigenheiten dieses Forums (inkl. straffem Umgangston > usw.), aber ich weiß, dass hier viel Wissen, gerade im Bereich > Schaltwandler vorhanden ist, weshalb ich um Hilfe bitte. Wenn das > Ergebnis meiner Anfrage ist, dass sich ein Linearregler wahrscheinlich > eher lohnt, dann ist das auch eine Aussage und dann baue ich einfach > eine linear geregelte G2-Versorgung auf. Nachdem ich nun deine Schaltung gesehen habe, frag mal deinen Trafowickler, ob er statt der extra Wicklungen für die G2-Spannungen die 320V Wicklungen für die Anodenspannungen mit einer Mittenanzapfung wickeln kann. Dann hat man zwischen Mittenanzapfung zu den Kathodenanschlüssen der Greatz-Gleichrichter für die Anodenspannungen die jeweils halbe Gleichspannung zur Verfügung. Das verringert dann die notwendige Verlustleistung der Linearregler für die niedrige G2-Spannungen.
Sandra schrieb: > Dann hat man zwischen Mittenanzapfung zu den > Kathodenanschlüssen der Greatz-Gleichrichter für die Anodenspannungen > die jeweils halbe Gleichspannung zur Verfügung. Das verringert dann die > notwendige Verlustleistung der Linearregler für die niedrige > G2-Spannungen. Die Formulierung ist mir ordentlich missglückt. Gemeint ist der Spannungsanschluss für die jeweiligen Kathoden der EL509, was die Anodenanschlüsse der Graetz-Gleichrichter sind, als Bezugspunkt für die positive Gleichspannung an der Mittenanzapfung.
Hallo, hier noch etwas zu lesen zum Schaltungskonzept: https://www.hifi-und-lebensart.de/threads/circlotron.6064/ da hat es schon mal jemand ordentlich aufgebaut: https://www.jogis-roehrenbude.de/Leserbriefe/Dietmar_Ragoss-100W_PPP_Monobloecke_PL509/100W_PL509_Circlotron_2014.htm Ths S. schrieb: > 2. Gibt es irgendwelche zweifach-integrierten PWM-Regel-ICs als Ersatz > für den TL494? Dann bräuchte man nur 2 anstatt 4 Regler-ICs. Wichtig wenn irgend ein Schaltwandler aufgebaut werden soll: Die galvanische Trennung sollte kapazitätsarm sein und auftretende hohe Spannungen verkraften können, damit nichts durchschlägt, egal welche Schieflage die Röhrenendstufe gerade hat. Und wenn man schon Platinen herstellt, kann man auch vier mal mit TL494 mehrere Schaltwandler aufbauen, das kostet nicht viel mehr als nur einer. Es bleibt noch zu überlegen, was bei Ausfall einer der Spannungen mit dem Lautsprecher am Ausgang passieren wird, wenn keine Billigteile dran sollen. mfg
:
Bearbeitet durch User
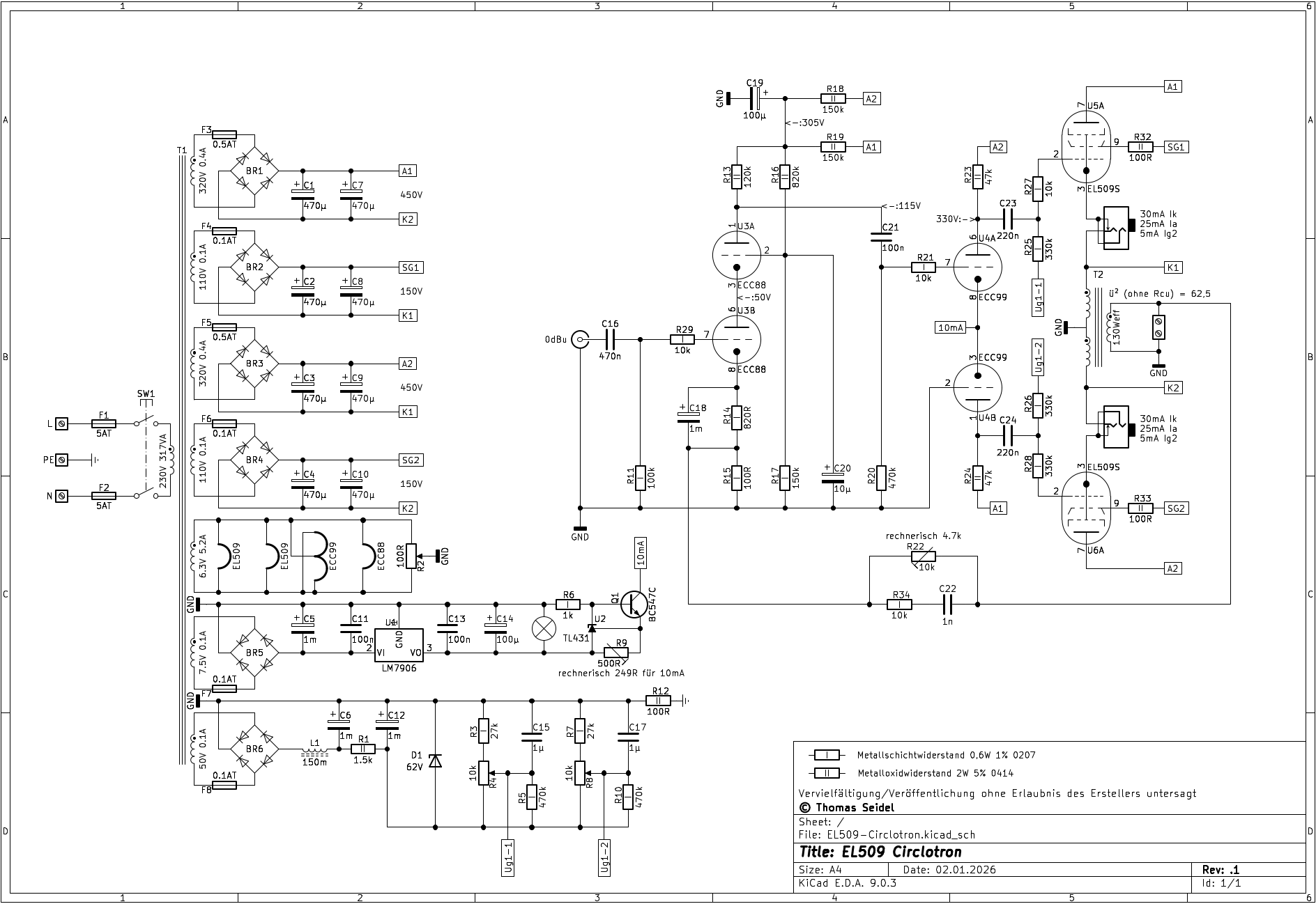
Ein Bild sagt mehr, als Tausend Worte. Die modifizierte Schaltung für die SG2-Spannungen im Anhang. Das ist/sollte ein bekanntes Schaltungs-Prinzip sein und hat z.B. Philips auch bei seiner Circlotron-Schaltung des AG9007 mit EL34 so realisiert.
Hallo zusammen, Sandra - die Idee ist super. Da habe ich im schlimmsten Fall pro Schirmgitter etwa 4W Verlust über die Längsregler, das bekommt man weggekühlt. Alternativ könnte man sogar überlegen, ob man Ug2 auf 200V anhebt oder die Mittenanzapfung mit L-Eingang versieht, dann würden ziemlich genau 150V rauskommen. Damit ist das Schaltwandler-Thema eigentlich vom Tisch. Vielen Dank für die Anregung! Das hatte ich wirklich nicht vor Augen. Im Anhang ein Schaltbild für den von mir angedachten Längsregler. Gibt es da Optimierungspotential? Die dort noch eingezeichnete Graetzbrücke würde natürlich entfallen.
Bitte melde dich an um einen Beitrag zu schreiben. Anmeldung ist kostenlos und dauert nur eine Minute.
Bestehender Account
Schon ein Account bei Google/GoogleMail? Keine Anmeldung erforderlich!
Mit Google-Account einloggen
Mit Google-Account einloggen
Noch kein Account? Hier anmelden.




