Hallo Forum! Mir ist eine LD Systems LDP 102A Aktivbox zugeflogen, die leider ihre 200W nur ansatzweise von sich gibt. Unbekannte Vorgeschichte. Es handelt sich um einen aktiven PA Lautsprecher, mit einer Class A/B Endstufe, Chinch und XLR Line Eingang sowie Klinke und XLR Mikrofon Eingang. Getestet habe ich den Lautsprecher mit Chich zu 3,5mm Klinke sowie einem Klinke Mikrofon. Lautstärke maxima jeweis nur auf Zimmerniveau, wenn ich die Quelle (Laptop) und den Lautsprecher voll aufdrehe (Level und Volume), höre ich auch Verzerrungen (Clip LED bleibt aus), sonst ist der Sound verzerrungsfrei leise. Ich habe mehrere Kabel getestet, ohne Änderung. Handbuch: https://www.huss-licht-ton.de/images/products_download/User_Manual_9553_1.pdf Schaltplan: https://asset.conrad.com/media10/add/160267/c1/-/de/000301702CD01/schema-electrique-301702-enceinte-pa-active-ld-systems-ldp102a.pdf Meine Kenntnisse: Sicher im Umgang mit Lötkolben und Multimeter, nicht unerfahren bei elektrischer Fehlersuche, leider kein Oszilloskop vorhanden. Auf einem Schaltplan kann ich einen Widerstand von einer Spule unterscheiden ... Der Lautsprecher ist schon geöffnet und das Innenleben stellt sich wie folgt dar: Aufbau mit großem Ringkern-Trafo (Alle Spannungen vorhanden) und 3 Platinen. Eine mit allen Reglern, eine mit den Anschlussbuchsen (die zwei verbunden durch ein 8pol Kabel) und eine Platine, ich schätze die Endstufe. Mit der Eingangs-Platine ist die Endstufe nur durch ein 2 adriges Kabel verbunden! Kein Bauteil fällt durch Krater/schwarze Farbe auf und auch olfaktorisch sticht nichts heraus. Wie kann ich hier nun sinnvoll mit der Analyse beginnen (ohne Oszi)? Kann ich die Endstufe testen, indem ich eine Line - Quelle direkt auf die Endstufen Platine stecke? Danke bis hierhin schon mal für's Lesen und im Vorraus für Antworten ;-) Gruß, Mathias
Ich würde von den Endstufen ausgehen, nen Brumm auf die einzelnen Stufen geben. Also nen Finger drauflegen. Ich trau den Koppelkondensatoren, in dem Fall nicht so recht!?
Koppelkondensatoren wären dann C113 15µF für HT und C213 22µF für TT, parallel zu den Lautsprechern, richtig? Testen kann ich nur auf Kurzschluss? Entschuldigt, bei Audio bin ich noch etwas unbelesen...
Zwei Endstufen für einen Kanal. Welchen Lautsprecherausgang hast Du genommen, den für 4 Ohm oder den für 16 Ohm? Dann Spannung über R223/224 bzw. R123/124 messen. Daraus kannst Du den Ruhestrom berechnen. Sollte nicht zu hoch aber auch nicht zu niedrig sein. Kann sein, dass die Schutzschaltung bereits DC-Offset erkennt und "zumacht". ciao gustav
Auch bitte mal prüfen, ob sich die Lautsprechermembran noch frei bewegen lässt und nicht etwa kratzt bei grösseren Auslenkungen. Sofern vorhanden, kann man den LS auch mal aus einer anderen Endstufe speisen.
:
Bearbeitet durch User
Danke schon mal für die zahlreichen Antworten und Hinweise! Damit kann ich arbeiten😇 @Matthias S., Lautsprecher an sich sind tiptop. Hatte beide an einer Endstufe hängen und sie tun was sie sollen - Bass und Hochtöner! @Karl B., das ist ein geschlossenes zwei Wege System. 16 Ohm ist der Hochtöner, 4 Ohm der Bass bzw. Breitband. Ein Abgriff und Kontrolle des Signals aus dem Line Out bringt mir keine neuen Erkenntnisse, oder?
:
Bearbeitet durch User
Mathias schrieb: > Aufbau mit großem Ringkern-Trafo (Alle Spannungen vorhanden) und 3 > Platinen. Eine mit allen Reglern, eine mit den Anschlussbuchsen (die > zwei verbunden durch ein 8pol Kabel) und eine Platine, ich schätze die > Endstufe. Mit der Eingangs-Platine ist die Endstufe nur durch ein 2 > adriges Kabel verbunden! Ein paar Fotos wären kein Fehler.
1. Alle Betriebspannungen kontrollieren, insbesondere +-12V nach den Reglern. 2. Verbindung Coll. V9 zu C74/R81 auftrennen. Einschalten mit vorest abgeklemmten LS, nach ein paar Sekunden LS wieder anschließen, hören & berichten. Edit: Mathias schrieb: > Ringkern-Trafo (Alle Spannungen vorhanden) Spannungen nicht am Trafo, sondern nach Gleichrichtern bzw. Reglern messen.
:
Bearbeitet durch User
Karl B. schrieb: > Zwei Endstufen für einen Kanal. Aktiver Zweiweger, wer hätte es gedacht. > Daraus kannst Du den Ruhestrom berechnen. Zu diesem Zeitpunkt irrelevant. > Kann sein, dass die Schutzschaltung bereits DC-Offset erkennt und > "zumacht". Zeig mal.
Max I. schrieb: > Coll. V9 zu C74/R81 auftrennen. Die "Muting" Schaltung. Aber am zum Verstärker zeigenden Ende einen Widerstand gegen GND, nicht ganz offenlassen, sonst fängt der Verstärker evtl. schon "Schmutz" ein oder fängt ungünstigstenfalls an zu schwingen. Den Test kannst Du (mit Widerstand) dann auch direkt mit angeschlossenen Lautsprechern machen. ciao gustav
:
Bearbeitet durch User
Karl B. schrieb: > Aber am zum Verstärker zeigenden Ende einen Widerstand gegen GND, nicht > ganz offenlassen Oh man, lesen, verstehen: "Verbindung Coll. V9 zu C74/R81 auftrennen.", d.h., C74 und R81 bleiben verbunden.
Karl B. schrieb: > Den Test kannst Du (mit Widerstand) dann auch direkt mit angeschlossenen > Lautsprechern machen. Nein!
Mathias schrieb: > Koppelkondensatoren wären dann C113 15µF für HT und C213 22µF für TT, > parallel zu den Lautsprechern, richtig? Kopppelkonsensatzoren gibt es in der Schaltung etliche, aber diese beiden sind definitiv keine. Die bilden zusammen mit dem in Reihe liegenden Widerstand das sogenannte Boucherot-Glied, das zählt nicht zu den besonders Verdächtigen. Da du ja zwei unabhängige Endstufen/Lautsprecher hast, könntest du IMO per Ohr feststellen, ob eine der Endstufenzweige defekt ist, dann erübrigen sich vielleicht sämtliche Vermutungen in dieser Richtung. Wenn bei Zimmerlautstärke Bässe und Höhen weder fehlen noch eins davon stark überbetont ist (passende Musik wählen!), sind die Endstufen ziemlich sicher ok.
Schutzschaltung um V9 hat angesprochen, warum auch immer (evtl. eine Betriebsspannung weg).
JETZT hab ich ordentlich Hausaufgaben! DANKE!! Heute Abend habe ich den LS wieder vor mir und werde alle angesprochenen Tests durchführen: - Höhen/Bässe gleichmäßig leise - also denke ich eher der Fehler liegt in der Vorstufe. - Spannungen nicht am Trafo, sondern nach Gleichrichtern bzw. Reglern messen. - Verbindung Coll. V9 zu C74/R81 auftrennen. Einschalten mit vorest abgeklemmten LS, nach ein paar Sekunden LS wieder anschließen, hören & berichten. Update heute Nacht oder morgen.
Nur zur Sicherheit: Wenn eine der Spannungen fehlt, machst du das
> Verbindung Coll. V9 zu C74/R81 auftrennen
natürlich erstmal nicht.
:
Bearbeitet durch User
Rolf schrieb: > Mathias schrieb: >> Koppelkondensatoren wären dann C113 15µF für HT und C213 22µF für TT, >> parallel zu den Lautsprechern, richtig? > > Kopppelkonsensatzoren gibt es in der Schaltung etliche, aber diese > beiden sind definitiv keine. Noch dazu sind das 0,15µ und 0,22µ ;)
Ich seh die Sache so: Die "Muting" Schaltung schließt Dir die NF praktisch kurz, bzw. sorgt dafür, dass das NF-Signal stark abgeschwächt wird. Wenn diese Muting Schaltung außer Betrieb genommen wird, sollte der "Kurzschluss" der NF aufgehoben sein. Der Witz: Das FF wird durch Anlegen der Betriebsspannung (12V) resettet. Deswegen der Hinweis vor bzw. nach Einschalten ausprobieren.. Also: Verbindung am Transistor V9 wie oben schon gesagt unterbrechen. Dann müsste der Einschaltknall deutlich zu hören sein. Deswegen ja der Hinweis, die LS vorsichtshalber abklemmen, damit nicht deren Konus rausfliegt. Vor allem, weil bei geöffnetem Gehäuse die "Dämmung" wegfällt, die Membranen voll durchschwingen können. ciao gustav
Und ich sach noch so großspurig, ich kann nen Schaltplan lesen :'D
Zu meinen Erkenntnissen: > - Höhen/Bässe gleichmäßig leise. Definitiv! > - Spannungen nicht am Trafo, sondern nach Gleichrichtern bzw. Reglern > messen. 100V am Ausgang des Endstufengleichrichters V1 +12V Ausgang L7812 -12V Ausgang L7912 > - Verbindung Coll. V9 zu C74/R81 auftrennen. Einschalten mit vorest > abgeklemmten LS, nach ein paar Sekunden LS wieder anschließen, hören & > berichten. Mit getrennter Leiterbrücke (rot im Bild) hat die Kiste richtig Bumms! Gustav, Du bist auf dem richtigen Weg - oder hast mich drauf gebracht. Nächster Schritt wäre V9, V10 und V11 überprüfen, richtig? Widerstände sehen alle gut aus (optisch). Anhänge sind die Platinen und der Bereich rund um V9
Status V10 und V11, saubere Diodenstrecken jeweils von Emitter und Kollektor zur Basis, Rest OL. Gemessen im ausgebauten Zustand. Gleiches Bild bei V9 nur eben PNP. Diodenstrecken von Basis zu jeweils Kollektor und Emitter. Die Diode ist auch in Ordnung, so wie der Elko C58 - über den nach dem Einschalten 12V abfallen, gemessen mit aktiver Schutzschaltung.
:
Bearbeitet durch User
Mathias schrieb: > Mit getrennter Leiterbrücke (rot im Bild) hat die Kiste richtig Bumms! Sag' ich doch ;) > Gustav, Du bist auf dem richtigen Weg - oder hast mich drauf gebracht. Nö, der lag hier schon öfter daneben, selbst bei einfachsten Dingen. Lass' den mal lieber raus. Mathias schrieb: > Gemessen im ausgebauten Zustand. Spannungswerte im eingebauten Zustand messen.
Ich tippe mal auf einen ausgetrockneten C58.
:
Bearbeitet durch User
So. Nächstes Update. Hatte noch zwei 220µF hier rumliegen. Ausgetauscht, jetzt brummt sie nur noch, egal ob mit Coll. Brücke oder ohne - auch mit dem alten Kondensator. 😭 Was noch neu ist, ist die Clip LED. Beim Ausbau der Platine kam mir die entgegen, Beine abgefault. Hab ne neue rein, die leuchtet nun munter direkt nach dem Einschalten. Kein DC an der Übergabe zur Endstufe und kein DC an den LS Anschlüssen. Alle Spannungen noch da (mit allen Bauteilen auf der Platine!).
:
Bearbeitet durch User
Des nächste liad Hob i an nachbarn gewidmet, von mir Der wohnt jetzt nimm'a nebba mir (He he he) Des liad hoaßt "auf gute nachbarschaft" Und der typ hat' a wahnsinnig blöde angewohnheit g'habt, der hat immer, wann i Amoi g'scheid aus'schlaffa woit, soane Box'n raus g'holt Und zwar mit an wahnsinnig groß'n powa amplifyer, der wo furchtbar laut war ..... Jo leit, i sog's eich glei, wenn's so an nochboarn hob's wie'Á mi Maht's eichan Box'n nit mehr lauda in der früh Machts' as wiea mei nochboa, der woass scho' wia si'g'hört Der heard sei musi'n mit' Kopfhöra, damit si' nerm'st' droh stört Frei nach: https://lyricstranslate.com/de/hans-s%C3%B6llner-der-rasenm%C3%A4her-lyrics.html
Ron-Hardy G. schrieb: > Dieter D. schrieb: >> Des nächste liad > > kann mal jemand die Rettung rufen? Er ist doch schon in der Klinik.
Mathias schrieb: > Hatte noch zwei 220µF hier rumliegen. Ausgetauscht, jetzt brummt sie nur > noch, egal ob mit Coll. Brücke oder ohne - auch mit dem alten > Kondensator. 😭 Das hat mit dem Kondensator auch nichts zu tun. > Was noch neu ist, ist die Clip LED. Beim Ausbau der Platine kam mir die > entgegen, Beine abgefault. Hab ne neue rein, die leuchtet nun munter > direkt nach dem Einschalten. Nur kurz, oder dauerhaft?
Mathias schrieb: > die leuchtet nun munter direkt nach dem Einschalten. Es könnte sein, dass der Verstärker schwingt.
Dauerhaft und direkt. Egal ob mit oder ohne Quelle. Hatte alle Transistoren und den Kondensator ausgelötet, durchgemessen und wieder rein. Weil es etwas fummelig war, hab ich dann doch die Platine raus beim Einlöten. Danach der aktuelle Zustand. Alle Lötstellen nochmal kontrolliert, ohne Ergebnis. Jetzt erstmal Feierabend. 🍻
Die erste Messung wäre, ob das Tonsignal vom Eingang bis C14 im Schaltplan kommt. Zweite Messung, ob am Endstufenausgang ohne Ton eine Spannung gegenüber Masse zu messen ist. Eine Messung im DC-Msssbereich und eine Messung im AC-Messbereich.
Guten Morgen! Zur ersten Messung: Am LineOut kann ich das Summensignal von LineIn und Mic abgreifen. Zur zweiten Messung: Über den Lautsprecherausgang gemessen 0V DC und 0,1V AC. Gemessen gegen Masse der Endstufe (Ausgang V1) 51,2V DC an beiden Terminals des LS und AC laut Multimeter 0,2V
Ich habe im Verlauf noch keinen Hinweis gefunden, dass die Lautsprecher geprüft wurden. Sind die Spulen in Ordnung? Nach Überlastung können durchaus beide durch sein
Harald A. schrieb: > Ich habe im Verlauf noch keinen Hinweis gefunden Nur Mut, du wirst ihn schon noch finden. ;)
Mathias schrieb: > Gustav, Du bist auf dem richtigen Weg Nein, @Powermeter war es, der die Idee hatte. Ich hatte sie danach nur etwas "praktischer" dargestellt. Wenn ich den Thread jetzt richtig verstehe, läuft der Verstärker jetzt, nur die verzögerte Lautstärkesperre funktioniert nicht? ciao gustav
:
Bearbeitet durch User
Karl B. schrieb: > Wenn ich den Thread jetzt richtig verstehe Lies halt selbst, was der TO zurückmeldet.
Heinrich K. schrieb: > Lies halt selbst, was der TO zurückmeldet. Mathias schrieb: > Guten Morgen! > Zur ersten Messung: Am LineOut kann ich das Summensignal von LineIn und > Mic abgreifen. > > Zur zweiten Messung: Über den Lautsprecherausgang gemessen 0V DC und > 0,1V AC. Gemessen gegen Masse der Endstufe (Ausgang V1) 51,2V DC an > beiden Terminals des LS und AC laut Multimeter 0,2V Klar, läuft er jetzt, wie er soll, oder nicht? Mit was wird eigentlich gemessen, mit einem 1 kHz Sinuston vom Generator und von welchem Audioeingang. ciao gustav
Der TO hat noch weitere Beiträge verfasst, nicht nur den einen.
Ich weiß, es wird etwas unübersichtlich, also hier eine kurze Zusammenfassung zum aktuellen Stand: - Der Lautsprecher läuft nicht so wie er soll, er brummt nur noch. - Die Kiste hat kurz funktioniert, als ich die Kollektorverbindung von V9 geöffnet hatte, das macht jetzt keinen Unterschied mehr. - Alle Spannungen vorhanden. - C58 getauscht. - Transistoren V9, 10 und 11 getestet, Diodenstrecken i.O., gemessen im ausgelöteten Zustand. - Über LineOut, wird das korrekte Summensignal (Mic + LineIn) ausgegeben. - In Ermangelung eines Frequenzgenerators und eines Oszilloskops teste ich per Gehör mit Popmusik an LineIn und einem Mikrofon an Mic bzw. dem Multimeter. - Tieftonchassis ist in Ordnung, Hochtöner auch. Hab ich was vergessen?
:
Bearbeitet durch User
Mathias schrieb: > Hab ich was vergessen? Lötstellen haste ja geprüft. Aber auch ob alle Bauteile, wieder richtig rum an der richtigen Stelle sitzen?!
:
Bearbeitet durch User
Lötstellen hab ich überprüft, ja. Und die Bauteile sind alle nach Plan wieder eingebaut. Doppelt gecheckt. Was ich vergessen habe: Clip LED (V15) leuchtet kontant.
:
Bearbeitet durch User
Mathias schrieb: > - Der Lautsprecher läuft nicht so wie er soll, er brummt nur noch. Auch wenn du den Eingang der Endstufe abklemmst?
Das muss ich heute Abend testen. Ich verstehe auch die Frage mit den Bauteilen - wenn da was verwexelt wurde ist klar warum es brummt und Clip leuchtet... Ich weiß, dass ich V10 und V11 getauscht habe (länge der Beine, optimalerer Zugriff, warumauchimmer) - da sie beide die gleichen Typen sind, sollte es allerdings keinen Unterschied machen 🫣
:
Bearbeitet durch User
Wenn sowohl Hoch als auch Tieftonkanal betroffen sind würde ich den Fehler eher im Vorverstärkerbereich suchen, bevor die Frequenzbereiche getrennt werden. "Früher" hatte man einen kleinen Signalinjektor mit dem man hochohmig ein 1kHz Signal an beliebiger Stelle einkoppeln konnte. Sowas kann man sich recht einfach bauen. Einfach ein kleiner Rechteckgenerator mit 1Vss und das Signal mit einem 10nF und 1kOhm auskoppeln. Damit kann man sich ausgehend von der Endstufe Stufe um Stufe zurücktasten.
Beitrag #8014575 wurde vom Autor gelöscht.
Mathias schrieb: > jetzt brummt sie nur > noch, egal ob mit Coll. Brücke oder ohne Wie sehen die Platinen auf der Lötseite aus. Hats da einen Pin verbogen, Kurzschluss etc.
Die Vorverstärkerplatine muss ich mir heute Abend wirklich nochmal genau anschauen. Habe die Platine nach dem Löten eigentlich abgebürstet und mit Isoprop gesäubert... Aber zurück zum Ursprung - wie kann ich die Schutzschaltung überprüfen? Ich möchte ungern einen zusätzlichen Schalter nach außen führen, der jedes Mal nach dem Einschalten die Kollektorverbindung öffnet. Den Rechteckgenerator könnte ich mir tatsächlich noch basteln... Habe noch ein paar NE555 hier zu liegen - nur fehlt mir dann wieder das Oszi.
Mal wieder ein Update von mir. Der Lautsprecher ist wieder im ursprünglichen Zustand. Ich habe die Platine ausgebaut, überprüft, keinen Fehler gefunden und wieder eingebaut - zurück zum Flüstermodus. Abschaltbar mit offener Kollektorbrücke. Nächste Aktion: Neue Kondensatoren bestellt, da der Zustand meines Bestandes auch fragwürdig ist (mehr als 10 Jahre alt). Falls jemand Muse hat mir die Schutzschaltung mal zu erklären, bin ich da sehr offen! Ich weiss nur, dass der Kondensator C58 sich nach dem Einschalten über R51 aufläd und damit irgendwann V9 sperrt und damit den Eingang der Endstufe nicht mehr kurzschliesst.
C58 lädt sich über die Basis von V11 auf, der wird leitend und bestromt V9. Fällt +12 aus, entlädt sich C58 über die Basis von V10, der wird leitend... R52 lässt auch noch die restliche Ladung aus C58, ins Nirvana der Schaltung verschwinden. Was die Diode V19, genau abfangen soll, kA.
Die soll eigentlich nur einen Einschalt-Plop unterdrücken.
Mathias schrieb: > Gemessen gegen Masse der Endstufe (Ausgang V1) 51,2V DC an > beiden Terminals des LS und AC laut Multimeter 0,2V Was misst du denn da? "Ausgang V1" ergibt keine Sinn, da liegen gegen den Mittelanzapf vom Trafo +- 50 V an. Die "Masse der Endstufe" ist der Mittelanzapf. Und bitte nicht von der Darstellung des Gleichrichters verwirren lassen, der ist flasch eingezeichnet. Mathias schrieb: > Was noch neu ist, ist die Clip LED. Beim Ausbau der Platine kam mir die > entgegen, Beine abgefault. Wirklich abgefault (Oxidation) oder mittels zweier linker Hände abgebrochen? Wenn abgefault, wird da wohl noch mehr "faulig" sein. Das würde auch die gelegentlichen, scheinbar zufälligen Veränderungen erklären. Gründlich kontrollieren, im Zweifel Bilder einstellen. Max I. schrieb: > Mathias schrieb: >> Gemessen im ausgebauten Zustand. > > Spannungswerte im eingebauten Zustand messen.
:
Bearbeitet durch User
Ein kaputter Lautsprecher kann auch fluestern. Um drn zu testen, muesste ein Kabel abgloetet werden. Eine 1,5V Batterie muesste den Basslautsprecher gut Knacken lassen und die Membranbewegung sichtbar sein.
Dieter D. schrieb: > Ein kaputter Lautsprecher kann auch fluestern. Ach, Schwachkopf Schwurbeldieter. Mathias schrieb: > Lautsprecher an sich sind tiptop. Hatte beide an einer > Endstufe hängen und sie tun was sie sollen - Bass und Hochtöner! Mathias schrieb: > Mit getrennter Leiterbrücke (rot im Bild) hat die Kiste richtig Bumms!
Kontrolliere mal C47, C49 und ggf. C74. Zumindest zwei sehen ungesund aus.
Max I. schrieb: > Kontrolliere mal C47, C49 und ggf. C74. Zumindest zwei sehen > ungesund > aus. Die haben aber nichts mit dem Fehler zu tun.
Mathias schrieb: > Zur ersten Messung: Am LineOut kann ich das Summensignal von LineIn und > Mic abgreifen. Der Line-Out besagt noch nicht, dass das Signal in Ordnung bis zum C74 kommt, weil da noch die Klangregelstufe dazwischen ist. Am Schaltplan wäre dies abzulesen. Habe es vergrößert. C14 war falsch. Es muss C74 lauten.
:
Bearbeitet durch User
Mathias schrieb: > Gemessen gegen Masse der Endstufe (Ausgang V1) 51,2V DC an > beiden Terminals des LS und AC laut Multimeter 0,2V D.h. die Endstufe wird anscheinend mit rund 50V versorgt. Die 0,2V an Ripple-Spannung auf der Versorgung ist auch nicht viel. D.h. C64 und C65 wären erst mal unverdächtig.
Dieter D. schrieb: > Der Line-Out besagt noch nicht, dass das Signal in Ordnung bis zum C74 > kommt, weil da noch die Klangregelstufe dazwischen ist. Am Schaltplan > wäre dies abzulesen. > Habe es vergrößert. C14 war falsch. Es muss C74 lauten. Das hatte ich mir schon gedacht. Der Schaltplan lässt an Auflösung deutlich zu wünschen übrig. Zum "gemessen im ausgebauten Zustand" damit meinte ich die Transistoren. Spannungen habe ich nur gemessen, wenn alles eingebaut war! Danke Max I. für die Bestätigung, dass die Lautsprecher in Ordnung sind 😅 Als ich das Bild gesehen habe, sind mir die Elkos auch aufgefallen. Sie sind aber komplett flach oben und haben keine Lache zwischen den Beinen. Geruch unauffällig. Die rote LED für Clip muss sich abvibriert haben. Habe keinen Grund für Oxidation gefunden. Alle Bauteile rundherum mit silbrig glänzenden Beinchen und der Belag auf der Bestückungsseite ist nur Flussmittel. Danke für die Erklärung der Schutzschaltung! Leuchtet ein. Das nächste Update gibt es, wenn die neuen Kondensatoren da sind. Ach eins noch: habe im eingeschalteten Zustand den Spannungsanfall über den Kondensator C58 gemessen. 12V. Passt das?
Dieter D. schrieb: > Der Line-Out besagt noch nicht, dass das Signal in Ordnung bis zum C74 > kommt Mathias schrieb: > Mit getrennter Leiterbrücke (rot im Bild) hat die Kiste richtig Bumms! Merkste selbst, oder? Dieter D. schrieb: > D.h. die Endstufe wird anscheinend mit rund 50V versorgt. Offensichtlich nicht. Husch zurück ins Zugabteil, selbst für solche Brot- und Buttertechnik bist du zu unfähig. Am besten schweigst du jetzt, das verwirrt Mathias nur.
Mathias schrieb: > Spannungen habe ich nur gemessen, wenn alles eingebaut war! Ja isses denn so schwer... Die Messungen im ausgebauten Zustand sind nett, aber an dieser Stelle überflüssig. Spannungen an V9/10/11 messen und hier berichten. Daraus ergibt sich ein klares Bild.
:
Bearbeitet durch User
Ja es ist scheinbar wirklich so schwer 🤣 Ich schalte ein und messe dann an Kollektor, Emitter und Basis der genannten Transistoren gegen Masse? Idealerweise dem - Pol vom Kondensator? Ich stelle mich gerade wirklich an, Entschuldigung...
:
Bearbeitet durch User
Mathias schrieb: > Ich schalte ein und messe dann an Kollektor, Emitter und Basis der > genannten Transistoren gegen Masse? Genau so. > Idealerweise dem - Pol vom Kondensator? Wenn du C58 meinst, ja den kannst du nehmen. Oder Emitter von V9. > Die rote LED für Clip muss sich abvibriert haben. Habe keinen Grund für > Oxidation gefunden. Könnte am Kleber liegen, manche davon sind bzw. werden agressiv. Und abschließend noch der Hinweis, die Bestückung von V9/10/11 penibel zu kontrollieren. Nicht auf Bestückungsdruck o.ä. verlassen sondern messen! Weil... Mathias schrieb: > Unbekannte Vorgeschichte. ...deswegen ;)
:
Bearbeitet durch User
Letzte Aktion für heute: V11: Emitter 11,6V Basis 12V Kollektor 0.1V nach dem Einschalten, nach 10min 4V V10: Emitter 12V Basis 11,6V Kollektor 0,1V nach dem Einschalten, nach 10min 4V V9: Emitter 0V Basis 0,7V Kollektor 0V Bonus: Über V19 fallen 16V ab - 10min nach dem Einschalten.
Max I. schrieb: > Und abschließend noch der Hinweis, die Bestückung von V9/10/11 penibel > zu kontrollieren. Nicht auf Bestückungsdruck o.ä. verlassen sondern > messen! Leiterbahnen verfolgt und sichergestellt, dass die PNP Transistoren wie im Schaltplan verschaltet sind und der NPN zwischen Masse (Emm) und R51 bzw C74 (Coll) hängt.
:
Bearbeitet durch User
Mathias schrieb: > Über V19 fallen 16V ab - 10min nach dem Einschalten. Wo doch der Teil mit 12V versorgt wird... Du misst wohl Mist.
Genau hingeschaut sieht man, dass das Teil mit einem Bein an -12V hängt. Ich konnte es auch erst nicht glauben. Aber gemessen über Emitter V11, R80 und V19 hab ich tatsächlich 24V.
:
Bearbeitet durch User
Mathias schrieb: > V11: > Emitter 11,6V > ... > V10: > Basis 11,6V Wie das? Das hängt doch direkt an +12! Mir schein, da hats ne Unterbrechung.
Mathias schrieb: > mit einem Bein an -12V hängt. In der tat, da muss man im Schaltplan sehr genau hinsehen. Aber was diese Schaltung zum dauerhaften ansprechen bringt, ist damit immer noch nicht geklärt. Ebenso die Clipping-Diode. Sind denn die +/-12V sauber, ohne nennenswerte Brummspannung?
:
Bearbeitet durch User
Kann auch sein, dass + und - der 12V nicht exakt zeitgleich "hochfahren". Ich suche auch die von mir zusätzlich eingezeichneten, eingekreisten Dioden. Und die Diskussion, wie hoch der Ausgangselko sein darf, hatten wir ja schon mal. 470 µF? hmmm. ciao gustav
:
Bearbeitet durch User
Oje, ein 7912. Die gehen gerne kaput und "brummen" dann auch schon mal.
Karl B. schrieb: > Ich suche auch die von mir zusätzlich eingezeichneten, eingekreisten > Dioden. Da sie von Dir eingezeichnet sind, werde ich sie auch auf der Schaltung nicht finden... Soll ich da einfache 1N4001 reinsetzen? Fliegend? 🧐 Teo D. schrieb: > Oje, ein 7912. Die gehen gerne kaput und "brummen" dann auch schon mal. Werde ihm heute Abend mal auf den (Säge-)Zahn fühlen
Mathias schrieb: > Werde ihm heute Abend mal auf den (Säge-)Zahn fühlen Mathias schrieb: > (ohne Oszi) Hmmm.
Max I. schrieb: > Mathias schrieb: >> Soll ich da einfache 1N4001 reinsetzen? > > Überflüssig. Danke. Max I. schrieb: > Hmmm. Jaaa, ich weiß. Multimeter in AC und hoffen, dass der Brumm groß genug ist, angezeigt zu werden.
Und nicht zu vergessen: Teo D. schrieb: > Mathias schrieb: >> V11: >> Emitter 11,6V >> ... >> V10: >> Basis 11,6V > > Wie das? Das hängt doch direkt an +12! > Mir schein, da hats ne Unterbrechung. Mathias schrieb: > Jaaa, ich weiß. Multimeter in AC und hoffen, dass der Brumm groß genug > ist, angezeigt zu werden. Wenn's denn nur Brumm ist. Diese Mistregler schwingen auch gerne mal, das muss das MM nicht mitbekommen. Kontrolliere zur Sicherheit mal C50 bis C53. Im Zweifel eingangsseitig(!) der Regler mal ein paar hundert µF fliegend drüberverdrahten. Ist aber alles nur stochern im Nebel, wenn die Reglerspanungen so kaputt wären, würde man das hören.
:
Bearbeitet durch User
Etwas mehr systematisches Vorgehen waere angebracht. Sind alle Spannungen im DC (und AC) Bereich gemessen worden? Also die von Masse aus die +12V und die -12V, sowie ueber beide, die 24V? Das gleiche dann auch fuer hoehere Spannung fuer die Endstufen?
OK. Ich wage mich jetzt mal auf sehr dünnes Eis, weil ich mir die Anschaffung eines Oszilloskops ersparen möchte. Lese mich gerade in xoscope für Linux ein, um einen alten Ubuntu Laptop mit externer Soundkarte und Spannungsteiler mit Eingangspuffer als Oszilloskop zu verwenden. Ist kein Präsisionsinstrument, schon klar - dennoch sollte es ein Brummen und vielleicht auch das Schwingen (?) sichtbar machen können.
Wenn der 7912 wirklich ne Macke hat, sollte/könnte/mussnich/kannaberextrem die Spannung etwas abweichen ?-} Aber deutlich eine Lastabhängigkeit zeigen und der Verstärker brummt gewaltig... PS: Mit dem DMM gemessen.
:
Bearbeitet durch User
Hallo Leute, habe den Thread nicht komplett gelesen, aber wenn weder HT noch Bass funktionieren(?), kann es ja an "der Endstufe" kaum liegen. Es müssten dann beide kaputt sein. Schon mal den Lautstärkerregler ordentlich nach links und rechts gedreht. Evtl. irgend ein schlechter Kontakt. Falls Du zwei solche Boxen hast, mal vertauschen und am selben Kabel anschließen... ciao Marci
Mathias schrieb: > Soundkarte und Spannungsteiler mit Obacht, wenn eines der Geraete unguenstig mit Masse oder Erdung verbunden sein sollten.
@Marci - Merci! Aber der Fehler ist schon sehr eindeutig im Bereich der Sicherungsschaltung (oder dem Netzteil) zu suchen, welche die Lautsprecher schützen soll - beide LS funktionieren und die Endstufe auch, wenn die Sicherungsschaltung deaktiviert wird. Neuer C58 ist eingebaut - gleiches Fehlerbild, gleiches Verhalten: Flüstermodus bei normaler Beschaltung. Wenn Kollektor von V9 getrennt wird ... Party ohne Brummen im Lautsprecher!! Clip leuchtet weiter konstant. Brummspannung mit DMM gemessen: 0.08V beim 7812 und 0.12V beim 7912. Nehme jetzt das Projekt Laptop-Oszi parallel an den Start. Das mit dem/der gemeinsamen Ground/Masse hab ich schon gelesen. Überlege mir gerade eine Schaltung, um den Mikrofoneingang vor DC zu schützen.
Mathias schrieb: > Brummspannung mit DMM gemessen: 0.08V beim 7812 Naja. > und 0.12V beim 7912. Zuviel. Elkos und Regler tauschen oder erstmal... Max I. schrieb: > Im Zweifel eingangsseitig(!) der Regler mal ein paar hundert µF > fliegend drüberverdrahten.
:
Bearbeitet durch User
Max I. schrieb: >> und 0.12V beim 7912. > > Zuviel. Elkos und Regler tauschen. Zuvor die Gleichrichter-Dioden prüfen.
Deine Aktivbox hat einen "Ground Lift"-Schalter, der den netzseitigen Schutzleiter "PE" (Aderfarbe gelb-grün) von der sekundärseitigen Schaltungsmasse trennt. Den solltest Du betätigen, auf Stellung "getrennt", mit dem Ohmmeter kontrollieren. So holst Du Dir wenigstens keine direkte Brummschleife/Szörung, wenn das Laptopnetzteil ebenso geerdet sein sollte (=dreipoliger Netzstecker).
Mathias schrieb: > DMM Was für ein DMM, Hersteller, Typ, Modell hast Du? Mathias schrieb: > Brummspannung mit DMM gemessen: 0.08V beim 7812 und 0.12V beim 7912. Bevor ziellos getauscht wird, solltest Du zuerst die Spannung DC & AC vor dem Spannungsregler und danach nach dem Spannungsregler messen. Zur Kontrolle kann noch die Spannungsdifferenz zwischen Eingang und Ausgang des Spannungsreglers gemessen werden.
Dieter D. schrieb: > Bevor ziellos getauscht wird, solltest Du zuerst die Spannung DC & AC > vor dem Spannungsregler und danach nach dem Spannungsregler messen. Zur > Kontrolle kann noch die Spannungsdifferenz zwischen Eingang und Ausgang > des Spannungsreglers gemessen werden. KI-Antwort vom Superdiet!
Mathias schrieb: > Wenn Kollektor von V9 getrennt > wird ... Party ohne Brummen im Lautsprecher!! Wenn Du R81 herausnimmst, dann sollte diese LED nicht mehr leuchten: Mathias schrieb: > Clip leuchtet weiter konstant.
Dieter D. schrieb: > Wenn Du R81 herausnimmst, dann sollte diese LED nicht mehr leuchten: Super Dieter! Das wird an der Lautstärke viel ändern...
Nicht immer sind die Schaltpläne fehlerfrei. Der Teil mit der Einschaltverzögerung und der Clippinganzeige sah ich gemeinsam hinter einem Widerstand an der Spannungsversorgung. Der Spannungsabfall beeinflusste so auch die Einschaltverzögerung, so dass diese auch das Signal abschwächte. Vielleicht ist auch einer der Transistoren V11 oder V10 defekt.
> (ohne Oszi)?
Früher konnten auch viele bei solchen Verstärkern ohne Oszi die Fehler
finden.
Mani W. schrieb: > Dieter D. schrieb: >> Nicht immer sind die Schaltpläne fehlerfrei. > > Alles klar, Dieter! Die Verwendung von beabsichtigten Fehlern (Design-for-Obfuscation) in Schaltplänen ist eine effektive Methode, um geistiges Eigentum (IP) vor Diebstahl, Reverse Engineering oder unbefugtem Kopieren durch Auftragsfertiger zu schützen. Das Ziel ist, dass der gestohlene Plan funktionsunfähig ist, während das Originalprodukt einwandfrei arbeitet.
Dieter D. schrieb: > Die Verwendung von beabsichtigten Fehlern (Design-for-Obfuscation) in > Schaltplänen ist eine effektive Methode, um geistiges Eigentum (IP) vor > Diebstahl, Reverse Engineering oder unbefugtem Kopieren durch > Auftragsfertiger zu schützen. Das Ziel ist, dass der gestohlene Plan > funktionsunfähig ist, während das Originalprodukt einwandfrei arbeitet. Das hat Dir die KI gesagt! Und Du bedienst Dich ja fleißig an ihr, um Dein Defizit aufzubessern! Leider kommt dabei ziemlicher Scheiß und Schwachsinn herüber...
:
Bearbeitet durch User
Teo D. schrieb: > Oje, ein 7912. Die gehen gerne kaput... Wenn alle drei reverse Bypassdioden zwischen den Pins ergaenzt wuerden, waere das nicht mehr so haeufig. Aber zu teuer.
Dieter D. schrieb: > Teo D. schrieb: >> Oje, ein 7912. Die gehen gerne kaput... > > Wenn alle drei reverse Bypassdioden zwischen den Pins ergaenzt wuerden, > waere das nicht mehr so haeufig. Ja, Dieter, Hauptsache irgendwas schreiben!
Dieter D. schrieb: > Wenn alle drei reverse Bypassdioden zwischen den Pins ergaenzt wuerden, > waere das nicht mehr so haeufig. Nein, das liegt an der Schaltungstechnik, die ist ziemlich "rudimentär". Einfach mal die Prinzipschaltbilder von 78xx mit 79xx vergleichen. Aber ich bin ja neugierig. Zeig doch mal wie du da DREI Bypass-Dioden verbaust und erzähle welchen Ströme sie ableiten, bzw. wie diese Zustandekommen! Danke
Nein, Danke! SuperDiet soll eben NICHT den Thread kapern, um sich hier einen abzuwienern. Sein gestörtes Ego mit seinem KI-Gesülze nutzt niemandem.
Mathias schrieb: > beide LS funktionieren und die Endstufe > auch, wenn die Sicherungsschaltung deaktiviert wird. Das wollte ich hören. Um die LS vor "Einschaltstromstoß" zu schützen, hatten andere Schaltungsentwickler Relais mit Verzögerungsschaltung und DC-Erkennung in die Lautsprecherleitung gelegt. Wenn Du Deine Lautsprecher schützen möchtest, dann wäre mein Vorschlag, montiere für jeden Lautsprecher statt des oben erwähnten Relais einen simplen Schalter. Den könntest Du doch leicht montieren. Das wäre eine q&d-Lösung von mir. Dann könntest Du die Aktivbox zumindest zeitweise betreiben, bis die eigentliche Ursache gefunden ist. Die Dringlichkeitsstufe wurde also von rot auf gelb heruntergesetzt. BTW: Sind noch andere Auffälligkeiten bekannt, z.B. wie sieht es mit der Erwärmung der Halbleiter aus? Bei solchen auf Kühlkörper und bei denen, die keinen haben? ciao gustav
Karl B. schrieb: > Das wollte ich hören. Na dann kannst du dich ja mit Superdiet zusammentun, der kann auch nicht sinnentnehmend lesen. Seit 23.02.2026 20:10 ist klar: Wie vermutet läuft die Karre grundsätzlich, lediglich V9 grätscht rein und muted. Damals: Mathias schrieb: > Mit getrennter Leiterbrücke (rot im Bild) hat die Kiste richtig Bumms!
:
Bearbeitet durch User
Max I. schrieb: > lediglich V9 grätscht rein und muted. Mathias schrieb: > Brummspannung mit DMM gemessen: 0.08V beim 7812 und 0.12V beim 7912. Sieht so aus, als ob V9 das richtig macht.
H. H. schrieb: > Max I. schrieb: >> lediglich V9 grätscht rein und muted. > > Mathias schrieb: >> Brummspannung mit DMM gemessen: 0.08V beim 7812 und 0.12V beim 7912. > > Sieht so aus, als ob V9 das richtig macht. Keine Frage. Jetzt warten wir morgen auf die Elkos, Mathias ;)
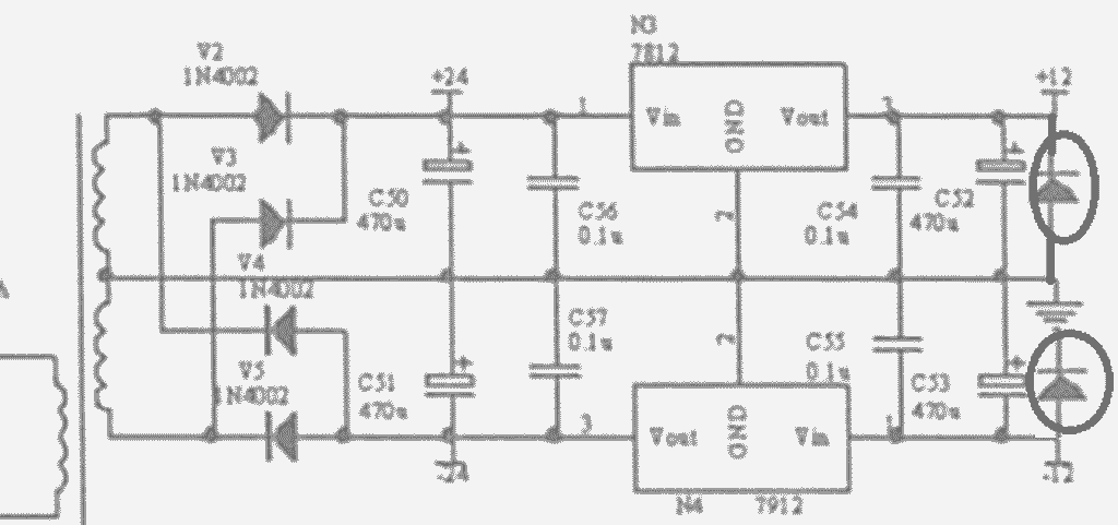
Update - wie immer am fortgeschrittenen Abend. C50 und C51 von 470uF auf 680uF erhöht, hatte ich gerade hier rumliegen. Eingangsspannung der Regler, gemessen über die Kondensatoren C51 und C50 ist -19,31V und +19,38V. Ausgangsspannung der Regler mit den neuen Elkos gemessen über die Elkos C53 und C52 sind -11,96V und +11,99V. Rechnerisch sollte der Eingang (bei angegebenen 14,5V ~ vom Trafo) etwas höher sein nach dem Brückengleichrichter. Ca 20,5V. Ein Zeichen, dass die Dioden nen Schuss haben? Keine weiteren Aktionen gestartet, warte auf ein Oszilloskop. Im Schaltplan ist der 7912 völlig schräg eingezeichnet. Habe die Leiterbahnen verfolgt, da stimmt's. Pin1 GND, Pin 2 Vin, Pin 3 Vout.
:
Bearbeitet durch User
Teo D. schrieb: > Aber ich bin ja neugierig. Beim Negativregler: D1 Verhindert, dass der Ausgang (um nicht mehr als 1V) negativer als der Eingang wird. D2 Verhindert, dass der Ausgang (um nicht mehr als 1V) positver als der Masse-Anschluss wird. D3 Verhindert, dass der Eingang (um nicht mehr als 1V) positver als der Masse-Anschluss wird.
C35 und R81 entfernen, und eine Verbindung von R38 nach C74 legen. Wenn nun ordentlich was zu hören sein sollte, dann schwingt mit großer Wahrscheinlichkeit die Klangregelstufe.
Dieter D. schrieb: > C35 und R81 entfernen, und eine Verbindung von R38 nach C74 legen. > Wenn nun ordentlich was zu hören sein sollte, dann schwingt mit großer > Wahrscheinlichkeit die Klangregelstufe. Halt doch einfach die Fresse, du hast ja so gar keine Ahnung!
Jetzt wird's aber deutlich, hier 😳 Mal was Anderes: V15 (Clipping LED) leuchtet, weil Emitter V9 durchgeschaltet ist auf Masse, damit die Basis von V12 auf Masse liegt, V12 sperrt, damit ein Potential an der Basis von V13 liegt und dieser durchschaltet!? Will ja was lernen...
Mathias schrieb: > Will ja was lernen... Den Teil aus dem Schaltplan V10/11 kannst Du damit unter falstad.com simulieren. https://is.gd/T5Q7pH
Bei einer Brummspannung von 1V tut sich bei der Schaltung eigentlich auch nicht viel. https://is.gd/du93Jb
Mathias schrieb: > Ein Zeichen, dass die Dioden nen Schuss haben? Ist doch schnell nachgemessen. Diodentest am MM, spannungslos, im eingebauten Zustand. Ich dachte, das wäre längst passiert ;) Mathias schrieb: > Jetzt wird's aber deutlich, hier 😳 Ja. Schwachkopf-Schwurbel-Dieter einfach ignorieren.
:
Bearbeitet durch User
Mathias schrieb: > Mal was Anderes: V15 (Clipping LED) leuchtet, weil Emitter V9 > durchgeschaltet ist auf Masse, damit die Basis von V12 auf Masse liegt, > V12 sperrt, damit ein Potential an der Basis von V13 liegt und dieser > durchschaltet!? Nö, wenns am C59 "Wackelt", wackelts auch am Collector von V12. Wenns nimmer wackelt schaltet er dauerhaft durch. V13 schaltet nur durch, wenn V12 C60 entlädt... Wenn also V9 C59 auf GND legt, kann/sollte V15 garnicht leuchten. Daher die Vermutung, da stimmt was nicht mit der Versorgung. Und meine Wenigkeit denkt, da is mehr als nur ein Wurm drin... Oder ich lieg voll daneben. |-/
Max I. schrieb: > Ist doch schnell nachgemessen. Diodentest am MM, spannungslos, im > eingebauten Zustand. Aber jede einzelne Diode des Brückengleichrichters testen! Ich habe mal einen Kurztest gemacht (~/~, +/-, -/+), für ok befunden, und beim Anschließen knallt es!
OK, damit ist mein Abendprogramm gesichert. #TechnoConnectsPeople auf Twitch und mal wieder Schaltungsanalyse. Sonntag bekomme ich ein Philips/Fluke PM97 als Anfang. Macht es Sinn sich V19 nochmal genauer anzuschauen? Warum hat R54 2W???
Mathias schrieb: > Warum hat R54 2W??? Der hat sicher ne Quanten-Kopplung zu R224... Keine Ahnung, Nachbau sicherer Schaltplan?
Mathias schrieb: > Jetzt wird's aber deutlich, hier 😳 Einfach die Beleidigungen ignorieren. Teo D. schrieb: > Nachbau sicherer Schaltplan? Aus bereits genannten Gruenden, war das haeufiger nicht so.
Dieter D. schrieb: > Brummspannung Wenn Du allerdings in der 12V-Versorgung eine Schwingung von vielen kHz hast und damit simulierst, mutet dieser Schaltungsteil das Audiosignal.
Dieter D. schrieb: > Teo D. schrieb: >> Nachbau sicherer Schaltplan? > > Aus bereits genannten Gruenden, war das haeufiger nicht so. Aus dem Kontext heraus, ist ersichtlich, das ich das soo nicht gemeint haben kann. Sicher, aus Sicht des Erstellers... Ich mein, wenn man was Sagt und vorher nicht nachdenkt, OK. Aber beim SCHREIBEN?-O
Dieter D. schrieb: > mutet dieser Schaltungsteil das Audiosignal. Ich wusste es, Quantenkopplung! :DDD Oh, das war unfair... Ich hab das Handbuch gelesen. :D
:
Bearbeitet durch User
Teo D. schrieb: > Aber beim SCHREIBEN?-O... Da fehlt der Hintergrund. Es gibt den Fall, wenn man den grossen Widerstand nimmt, dass die Schaltung schwingt, wie die Seuche, oder nicht nimmt, die Schaltung schwingt, wie die Seuche. Und das Ganze auch noch wochentagsunspezifisch. :o)
Mathias schrieb: > Es handelt sich um einen aktiven PA Lautsprecher, mit einer Class A/B Wenn der Lautsprecher an einer Class A/B Endstufe "flüstert", dass ist es ein Leisesprecher :-D
OK, ich geb's zu - habe das Ding bei TEMU als "Freundlich für Nachbar PA Lautsprecher Aktiv" bestellt
Dieter D. schrieb: > Es gibt den Fall, wenn man den grossen > Widerstand nimmt, dass die Schaltung schwingt, wie die Seuche, oder > nicht nimmt, die Schaltung schwingt, wie die Seuche. Und das Ganze auch > noch wochentagsunspezifisch. :o) Man sollte einen sehr großen und schweren Widerstand nehmen, wobei der Wert egal ist, und mit dem Dich so lange schlagen, bis Du nicht mehr weist, was ein Widerstand ist! Dieter D. schrieb: > Bei einer Brummspannung von 1V tut sich bei der Schaltung eigentlich > auch nicht viel. Dafür brummt es mit hoher Amplitude in einem ganz kleinen Teil in Deinem Schädel...
Peter N. schrieb: > Aber jede einzelne Diode des Brückengleichrichters testen! > > Ich habe mal einen Kurztest gemacht (~/~, +/-, -/+), für ok befunden, > und beim Anschließen knallt es! Erledigt. Bei allen vier Sperrung in die richtige Richtung, Diodenstrecke einheitliche 0,567. Auf der Unterseite der Platine hängt noch ein 100pF Kondensator über R49 - einigermassen sauber verlötet, denke nicht, dass der Probleme macht (Anhang). Und die Dauerleuchtung von V15 habe ich auch eliminiert. R60 und R61 habe ich beim Einlöten der LED verbunden. Jetzt ist Clip aus... Nächstes Finding: Habe jetzt mal ein 3,5mm Klinke auf XLR Kabel verwendet - und alles funktioniert! Jetzt war ich dann doch etwas verwirrt. Habe 3 Klinke zu Cinch Kabel getestet und alle hatten den gleichen Fehler. Auch der Mikrofoneingang! Wobei ich den immer nur zusammen mit gestecktem Cinch verwendet habe. Also Platine raus und nochmal den Cinch Eingang auf der mittleren Platine checken. Schaut Euch das zweite Bild an - hier sieht man im Hintergrund, dass ein blanker Draht von hinten auf die Cinch-Buchse gelötet wurde. Es hat wohl Masse vom linken Kanal gefehlt. Beim Löten des Drahts an die Masse kurz über der Platine wurden C8 und C9 beschädigt. Auf dem Bild nur zu erahnen. Sie hatten keinen kompletten Kurzschluss, aber einen messbaren Widerstand. Beide. Die beiden hab ich getauscht, den Draht entfernt, sichergestellt, dass die Masse von beiden Buchsen verbunden ist - und getestet ... läuft. Long story short: Ich danke Euch allen sehr herzlich für die Unterstützung! Ich habe viel gelernt bzw aufgefrischt was Transistor-Schaltungen und die Fehleranalyse in Audio Schaltungen betrifft. Und, dass ein genauer Blick manchmal viel Arbeit ersparen kann - ja Max I. Du hast es geschrieben... Der letztendliche Fehler lag (zu meiner Verteidigung) auf der zweiten Platine - Spannungsversorgung und Ein- Ausgänge. Danke nochmal - und seid lieb zueinander! Mathes
:
Bearbeitet durch User
Hallo Leute, ich sage nichts zum Thema, sondern nur, dass ich es echt unmöglich finde, wie Dieter hier auf eine schäbige Art und Weise beschimpft und beleidigt wird! Diese Leute sollten mal ihre Sozialisation reflektieren. Wie kann man nur so derart peinlich andere Leute runtermachen?! Schämt euch! So langsam habe ich schon gar keine Lust mehr, an MC teilzunehmen, denn hier artet ja inzwischen jeder 2. Thread in einen Flamewar aus. Für so einen Scheiß ist mir dann meine Zeit doch zu schade. Unglaublich... ciao Marci
Der Type Trollt in JEDEM Thread rum! Mit Dutzend, meist vollkommenen SCHWACHSINNS Beiträgen. ER IST EIN TROLL! Er will das also garnicht anders! Denn was wollen Trolle ? GEFÜTTERT werden, AUFMERKSAMKEIT... Wir sind die Sozialste und netteste Community EVER!
:
Bearbeitet durch User
Mathias schrieb: > Danke nochmal - und seid lieb zueinander! Und finde es gut, dass Du die Lösung des Fehler nennst. Gibt genügend, wo diese Rückmeldung fehlt.
Und es wäre schade, wenn Marci hier aufgeben würde. Es sind immer die Gleichen, die hier beschimpfen. Die Gleichen, die in anderen Threads zum Beispiel Alte Knacker provozieren. Denke mal es ist keine gute Idee die wenigen anständigen hier alleine zurück zu lassen.
Mathias schrieb: >... und die Fehleranalyse in Audio Schaltungen Beitrag "Re: Türklinger verstärken ohne elektrischen Eingriff in Hausanlage" q.e.d. ciao gustav
Marci W. schrieb: > Für so > einen Scheiß ist mir dann meine Zeit doch zu schade. Unglaublich... Tschüss! Teo D. schrieb: > Wir sind die Sozialste und netteste Community EVER! Genau, und wir müssen viele Trolle und Gestörte aushalten... Dieter D. schrieb: > Und es wäre schade, wenn Marci hier aufgeben würde. Wenn er so ein zart Besaiteter ist wie unser Dieter Dieter D. schrieb: > Denke mal es ist > keine gute Idee die wenigen anständigen hier alleine zurück zu lassen. dann muss er sich ein soziales Netzwerk suchen, gibt ja genügend davon...
Bitte melde dich an um einen Beitrag zu schreiben. Anmeldung ist kostenlos und dauert nur eine Minute.
Bestehender Account
Schon ein Account bei Google/GoogleMail? Keine Anmeldung erforderlich!
Mit Google-Account einloggen
Mit Google-Account einloggen
Noch kein Account? Hier anmelden.










