Hallo zusammen, ich habe heute ein gebrauchtes Rad gekauft, und siehe da - das Licht geht nicht. Bild 1 zeigt mein Erlebnis von unterwegs, als ich die Lampe geöffnet habe. Die Platine, und mir fiel aus dem Gehäuse der Lampe ein SMD-Bauteil mit der Aufschrift "M7" in die Finger. Also dachte ich mir "super, das löte ich wieder drauf und dann geht die wieder!" Leider habe ich meine Fähigkeiten überschätzt, sie geht nämlich nicht wieder. Bild 2 zeigt die Platinen-Vorderseite mit der LED. Bild 3 meinen Versuch, das SMD-Bauteil, das aus dem GEhäuse gefallen war, auf den unbestückten Sockel für eine Diode "D16" zu löten. Anlass dafür war die Messung mit Multimeter des SMD-Bauteils, das in eine Richtung sperrt und in die andere ca. 5.7 MOhm hat. Bild 4 Detail des unteren Bereichs in dem "R7" fehlt. Die Spuren, die da zu erkennen sind, stammen auch von mir. Mein Problem ist nun: Wie würdet ihr vorgehen? Ich habe die Lampe an den Nabendynamo angeschlossen, funktioniert nicht (kein Licht). Ich habe gelesen, dass die Nabendynamos Wechselstrom ausgeben, d.h. ich kann das aktuell immer nur am Fahrrad testen. Hat jemand eine Idee für mich oder weiß sogar, wo das Teil wie rum hingehört? Es wäre einfach schön die nicht wegschmeißen zu müssen. Modell der Lampe ist ähnl. Union 4915
:
Bearbeitet durch User
Quantum B. schrieb: > Ich habe gelesen, dass die Nabendynamos Wechselstrom ausgeben, d.h. ich > kann das aktuell immer nur am Fahrrad testen. Die Lampen gehen auch mit Gleichspannung. Polarität i.d.R. egal, denn sonst würden sie nur zu 50% mit Wechselspannung laufen.
Ah, danke für Eure beiden Antworten. Kann ich den Elco testen? Ich habe welche da, also tauschen könnte ich den vermutlich.
Ich habe den rausgelötet und er hat ca. 200 kOhm Widerstand War ein 1000µF, ich habe nur einen 820er, nehme den. DAnke
:
Bearbeitet durch User
Quantum B. schrieb: > Bild 3 meinen Versuch, das SMD-Bauteil, das aus dem GEhäuse gefallen > war, auf den unbestückten Sockel für eine Diode "D16" zu löten. Richtig rum? Für mich sieht das nicht wie eine Diode aus.
Ich weiß leider nicht, wo das Teil hingehört, das ist ja mein Problem.
Google sagt das ist eine Gleichrichterdiode ("SMD M7")
Thomas W. schrieb: > Der Elko ist gebläht. Hat wohl zu viel Spannung abbekommen, wegen der fehlenden Diode. Und ohne den Widerstand R7 wird das auch nichts, der sorgt für die Versorgungsspannung des Reglers. (Im Schaltplan R1)
:
Bearbeitet durch User
Quantum B. schrieb: > Mein Problem ist nun: Wie würdet ihr vorgehen? Man könnte versuchen, die Halbleiter, vor allem die ICs zu identifizieren und von da ausgehend Rückschlüsse auf die Schaltung ziehen, wenn man kein Schaltbild zur Lampe beschaffen kann. Es wäre allerdings möglich, daß der Rest schon defekt ist, nachdem der Qualitätselko Überdruck bekommen hatte. Insgesamt also eine sehr optimistische Reparaturidee Es zeigt sich, daß von Herstellerseite die Lampe nur unzureichend für terrestrischen Betrieb mit Erschütterungen und starken Temperaturunterschieden konstruiert ist. Quantum B. schrieb: > Es wäre einfach schön die nicht wegschmeißen zu müssen. Sehe ich auch so. siehe: Beitrag "Fahrradrücklicht nach Sturz defekt" immer noch defekt. mfg
:
Bearbeitet durch User
Also ich habe jetzt mal testweise einen 1 kOhm Widerstand auf den Sockel R7 gelötet (danke hhinz) und den Elko getauscht. Wenn ich 5 V anschließe (an die Lampe) kommen 5 V an der Diode an. Am Fahrraddynamo aber kein Licht (Dynamo funktioniert). Vielleicht ist auch einfach die LED hinüber.. Falls es das war, vielen Dank an Euch alle.
:
Bearbeitet durch User
Labornetzteil vorhanden? Dann das am Elko anschließen. Ich würde mal auf 6V und 0,5A einstellen.
Leider nicht :-( Den Versuch mit 5 V habe ich mit einem USB-Netzteil gemacht, das 500 mA kann. Die 6 V müsste ich entweder mit einem anderen kleinen Netzteil machen, ich denke ich habe genug in meiner Sammlung. Ich überlege die LED rauszulöten und mal mit Vorwiderstand auf dem Steckbrett zu testen. Das wäre mehr oder weniger das Gleiche wie was Du vorschlägst, oder?
Quantum B. schrieb: > Ich überlege die LED rauszulöten und mal mit Vorwiderstand auf dem > Steckbrett zu testen. Geht auch ohne sie auszulöten.
Quantum B. schrieb: > Wenn ich 5 V anschließe (an die Lampe) kommen 5 V an der Diode an. Dann läuft der Aufwärtswandler nicht an. Quantum B. schrieb: > Den Versuch mit 5 V habe ich mit einem USB-Netzteil gemacht, das 500 mA > kann. Achjeh, welche Notlösung. mfg
Die vom TO beschriebene Lampe Quantum B. schrieb: > Modell der Lampe ist ähnl. Union 4915 kostet zwischen 11 und 17 Euro. Wenn man doch keine Ahnung hat, auch nicht die richtigen Werkzeuge, wieso verschwendet man dann Lebenszeit damit? Dem TO kann ich angesichts der genannten Umstände nur empfehlen sich eine neue Lampe zu kaufen.
Quantum B. schrieb: > das in eine > Richtung sperrt und in die andere ca. 5.7 MOhm hat. Wenn das wirklich mal eine Diode war und du sie im Diodentest deines Messgerätes geprüft hast, hat die es hinter sich - eine Ex-Diode.
Matthias S. schrieb: > Quantum B. schrieb: >> das in eine >> Richtung sperrt und in die andere ca. 5.7 MOhm hat. > > Wenn das wirklich mal eine Diode war und du sie im Diodentest deines > Messgerätes geprüft hast, hat die es hinter sich - eine Ex-Diode. Er wird die Finger an den Messspitzen...
H. H. schrieb: > Er wird die Finger an den Messspitzen... Glaube ich auch. Aber dann hat er nicht die Diodentestfunktion benutzt.
Matthias S. schrieb: > Aber dann hat er nicht die Diodentestfunktion benutzt Genausowenig, wie beim Kondensator die Kapazitätsmessfunktion: Quantum B. schrieb: > Ich habe den rausgelötet und er hat ca. 200 kOhm Widerstand … nach dem Motto „Alles ist ein Widerstand“, oder so. Aber immerhin war’s nix Teures – dennoch hätte es sich wohl angeboten, zumindest erstmal die Grundlagen anzugucken. Also was Dioden und Kondensatoren sind, wie sie sich von Widerständen unterscheiden und wie man sie misst. Eigentlich ist so ’ne billige, verhältnismäßig einfache Lampe ein dankbares Objekt für den Einstieg, aber ganz ohne Lesen geht’s dann halt doch nicht.
:
Bearbeitet durch User
Jack V. schrieb: > Also was Dioden und Kondensatoren > sind, wie sie sich von Widerständen unterscheiden und wie man sie misst. Kann er nun anhand der Lampe üben, aber ohne den Anspruch diese (zumindest z.Zt.) reparieren zu wollen.
Bei Anblick des Platinenaufdrucks frage ich mich, ob das ggf. auf den Herstellungszeitraum hinweist, der idR. irgendwo vor dem Verkaufsdatum liegt. Und ob dann das Jahr vorne oder hinten genannt wird.. Falls am Ende, wäre ja noch jede Menge Gewährleistung und ggf. Garantie auf der Lampe oder dem gesamten Rad. Ausser es war ein sehr günstiger Kauf, wo mancher nicht fragt...
:
Bearbeitet durch User
kauf einfach eine neue, die funktioniert dann auf Anhieb. Wenn du nicht mal erkennst das der Elko gebläht ist
:
Bearbeitet durch User
Das meiste an der Elektronik duerfte fuer das nachleuchtende Ruecklicht sein. Fuer wenige Euronen gibt es Ersatz im Baumarkt bis das repariert sein wird.
Ralf X. schrieb: > Bei Anblick des Platinenaufdrucks frage ich mich, ob das ggf. auf den > Herstellungszeitraum hinweist, der idR. irgendwo vor dem Verkaufsdatum > liegt. Ja, und das Jahr ist vorne, denn da steht auch das Herstellungsdatum der Platine "3614", was KW36 im Jahre 2014 ist. Die "12-02-25" ist dann vom Layouter das Erstellungsdatum, und das muss logischerweise der 25. Februar 2012 sein. Die LED sieht verschlissen aus, der Elko ist dick und die Teile sind durch Überlastung abgefallen, die Wahrscheinlichkeit das es auch den Spannungswandler zerrissen hat ist hoch. Wegwerfen und eine moderne neue kaufen, erledigt. Ja ich bin auch dafür altes Zeug zu erhalten und zu reparieren, aber dazu muss man das können und Teile haben, und das ist in diesem Fall weder ökologisch noch ökonomisch sinnvoll. Dieter D. schrieb: > Das meiste an der Elektronik duerfte fuer das nachleuchtende Ruecklicht > sein. Eher nicht, denn da ist keins angeschlossen. Deine ue-Taste ist kaputt.
:
Bearbeitet durch User
Das Smartphone hat keine solche Taste. Auch nicht fuer u und e, weil keine BlauZahn-Tastatur dran haengt. Da kann nur rumgewischt werden und das mag oft auch nicht so richtig.
[OT] Bei meinem Smartphone muss ich nur etwas länger u gedrückt halten, um das ü auswählen zu können. [/OT]
Dieter D. schrieb: > Das Smartphone hat keine solche Taste. Wie so oft erzählst Du gequirlten Quatsch ohne Realitätsbezug. Natürlich kann man auch mit der reduzierten Smartphone-Wisch-Tastatur Umlaute und ähnliches eingeben; Du aber bist einfach nur zu faul dazu.
Dieter D. schrieb: > Das Smartphone hat keine solche Taste. Meines hat so explizit solche Tasten. Und ansonsten installiert man halt solche eine Tastatur.
Frank O. schrieb: > Und ansonsten installiert man halt solche eine Tastatur. Welche ist das, und kann die Wischen und Wortvorhersage in Deutsch und Englisch? Ich finde keine die das beherrscht, entweder sind alle Vorschläge deutsch, alle englisch oder man kann nicht wischen. Selbst GBoard geht nicht gut.
Jens M. schrieb: > Welche ist das, und kann die Wischen und Wortvorhersage in Deutsch und > Englisch? ASK könnte das. Aber ich sehe nicht, wie’s dem TE mit seiner Lampe helfen soll.
Wirf die Lampe weg, kauf das nächste Glump im Baumarkt oder bei Wish. Oder eher was von Bush & Müller. Supernova wäre auch gut, ist aber definitiv nix für Sparsocken die ohne Können und falsch bedienten Messmitteln altes Zeug reparieren wollen.
Wirklich solide scheinen die Dinger nicht entwickelt zu sein. Bei meiner Pico 30 ging nach wenigen Monaten die Standlichtfunktion nicht mehr. Ich habe jedoch nicht untersucht, ob der Goldcap verstorben ist oder ob es an was anderem liegt. Immerhin leuchtet das Ding noch.
Steffen K. schrieb: > Wirklich solide scheinen die Dinger nicht entwickelt zu sein. Wäre doch viel zu teuer...
H. H. schrieb: > Steffen K. schrieb: >> Wirklich solide scheinen die Dinger nicht entwickelt zu sein. > > Wäre doch viel zu teuer... Mal ehrlich: Gerade die letzten Tage ausreichend erlebt, welche heftigen Stösse bei dem aktuellen Zustand der der Strassen, etc. trotz (nicht allzu gut abgestimmter) Federgabel weiter oben ankommen, insb. mit einer Speed, die man früher ohne Unterstützung dort kaum gefahren wäre. Frage ist u.a., wie eine weiche Montage mit blendfreier Einstellung korreliert. Wäre die Platine vergossen, wäre sie reparaturunfreundlich und was viel wichtiger/schlimmer ist, ein paar Gramm schwerer.. Seit 2 oder 3 Jahren habe ich solche Sets von lidl: https://www.lidl.de/p/crivit-led-fahrradleuchten-set-2-teilig/p100399090 Ab Do wieder in den Filialen für 7,99€. Bisher halten die Gummibefestigungen, ärgerliches Manko (wie bei vielen Akkuleuchten): Bei Aufladung, also auch unterwegs durch PB, lassen sie sich nicht einschalten..
Nick schrieb: > Ralf X. schrieb: >> Ab Do wieder in den Filialen für 7,99€. > > Beide ohne Reflektor. Nach hinten brauche ich keinen roten Scheinwerfer. Im Frontlicht sitzt die LED oben im Gehäuse und strahlt selbstverständich auf einen Reflektor.
Ralf X. schrieb: > Nick schrieb: >> Ralf X. schrieb: >>> Ab Do wieder in den Filialen für 7,99€. >> >> Beide ohne Reflektor. > > Nach hinten brauche ich keinen roten Scheinwerfer. > Im Frontlicht sitzt die LED oben im Gehäuse und strahlt > selbstverständich auf einen Reflektor. Es sind die von der StVZO geforderten Reflektoren gemeint.
H. H. schrieb: > Es sind die von der StVZO geforderten Reflektoren gemeint. Oje, braucht die jemand an einer Akkuleuchte? Weisser Vorrückstrahler vorne und roter Rückrückstrahler sind an den Fahrrädern und Hängern fest installiert, ebenso passend an den Pedalen und Rädern, bei letzteren überwiegend auf den Reifenflanken von Scotch.. An den abnehmbaren Akkuleuchten würden mich zusätzliche Reflektoren tierisch auf den Sack gehen. PS. Bei "Nick" hilft eh nichts zum erleuchten.
:
Bearbeitet durch User
Ralf X. schrieb: > Seit 2 oder 3 Jahren habe ich solche Sets von lidl: > > https://www.lidl.de/p/crivit-led-fahrradleuchten-set-2-teilig/p100399090 Die hats auch schon bei Kaufland gegeben. Kann man das Gehäuse des Frontscheinwerfers ohne Zerstörung auseinanderbekommen um den Akku zu wechseln?
Ralf X. schrieb: > Nach hinten brauche ich keinen roten Scheinwerfer. > Im Frontlicht sitzt die LED oben im Gehäuse und strahlt > selbstverständich auf einen Reflektor. Ralf X. schrieb: > PS. Bei "Nick" hilft eh nichts zum erleuchten. So viel zu deiner "Erleuchtung". Driabe Grabhausfunsel.
Steffen K. schrieb: > Ralf X. schrieb: >> Seit 2 oder 3 Jahren habe ich solche Sets von lidl: > Die hats auch schon bei Kaufland gegeben. Lidl und Kaufland gehören zur Schwarzgruppe. > Kann man das Gehäuse des Frontscheinwerfers ohne Zerstörung > auseinanderbekommen um den Akku zu wechseln? Der eine ja, der andere nicht.. *gg Ich werde es testen, wenn es soweit ist.
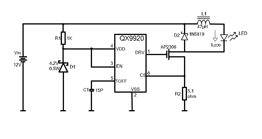
Quantum B. schrieb: > Ich überlege die LED rauszulöten ... Erste Frage wäre, ob Du ein Meßgerät hast? Zweite Frage wäre, ob Du auch eine 9V-Blockbatterie hast? Die erste Messung wäre die 9V Batterie an den Eingang legen und den Stromverbrauch der Platine zu messen. Aber vorsicht, dass es Dir dabei nicht die Sicherung vom Messgerät killt. Für solche Messungen fange ich mit den ungesicherten 10A-Meßbereich an. Wenn kein ungewöhnlich hoher Strom fließen sollte, werden die Spannungen gemessen. Am Schaltungseingang, zwischen den Spannungsversorgungspins des Chips (Plus, Masse), dann vor der LED zuerst gegenüber Masse, dann gegenüber des anderen Pins. Danach könnte die LED mit dem 1k-Widerstand überbrückt werden. https://www.mikrocontroller.net/attachment/691916/Lampe.PNG Wenn dann an R2 mit dem überbrückenden Widerstand eine kleine Spannung gemessen wird, dann arbeitet der Chip noch, aber die LED ist defekt.
Dieter D. schrieb: > Die erste Messung wäre die 9V Batterie an den Eingang legen und den > Stromverbrauch der Platine zu messen. Dieter, da waren doch schon Teile runter gefallen. Das einzige Messgerät ist der Mülleimer, den du für so ein Teil brauchst.
Der TO ist schon weg. Hab ihm angeboten mal drauf zu schauen, aber keine Reaktion mehr.
Thomas W. schrieb: > Der TO ist schon weg. Klaa! Der hat schon längst den Unsinn seiner Idee eingesehen.
Dieter D. schrieb: > Eher unklar. Vermutlich fuhr er ohne Licht. Wurde daher nicht gesehen. Aber er hat doch einen fest verbauten Reflektor! (Was ich aus Beobachtung eher nicht glaube).
Danke für Eure Antworten und Ratschläge, vor allem für die konstruktiven. (Ich mache an der Lampe aktuell nichts mehr.)
Danke für die Lampe, werde ich mir ansehen. Rein aus Interesse was kaputt sein könnte.
Ziemlich viel kaputt. Der AP2306, der QX9920, die LED. zuerst die LED ersetzen... Das Rücklicht ist auch komplett durch, mach ich als nächstes.
Rücklicht geht schonmal wieder. Defekt 2 Doppeldioden BAS40, 2 Widerstände.
Front Lampe geht auch wieder. 0,56Ohm Widerstand war auch hin. Hatte nur 0,604(?)Ohm da. Jetzt kann ich es endlich wegschmeißen.
:
Bearbeitet durch User
Thomas W. schrieb: > Jetzt kann ich es endlich wegschmeißen. Das ist der beste Satz im gesamten Verlauf.
Thomas W. schrieb: > Front Lampe geht auch wieder. > 0,56Ohm Widerstand war auch hin. > Hatte nur 0,604(?)Ohm da. > > Jetzt kann ich es endlich wegschmeißen. Nach der Reparatur?
Mani W. schrieb: > Nach der Reparatur? Er wollte die Lichter nur reparieren. Rein der sportliche Gedanke. Respekt dafür!
Bitte melde dich an um einen Beitrag zu schreiben. Anmeldung ist kostenlos und dauert nur eine Minute.
Bestehender Account
Schon ein Account bei Google/GoogleMail? Keine Anmeldung erforderlich!
Mit Google-Account einloggen
Mit Google-Account einloggen
Noch kein Account? Hier anmelden.











