Hallo Forum, ich habe mir bei Reichelt das DCF77 Modul bestellt und wollte es an einen Atmega32 hängen. Ich habe dabei den Code von UlrichRadig verwendet und das Makefile auf Mega32 umgeschrieben. Der EIN-Eingang auf den Modul ist auf GND gelegt. Díe Signalleitung über 10k auf +5V. Über die Uart wird immer nur folgendes angezeigt: 0-0-0 Time: 0:3:25 Sync: 0 Rx: 0 Dh. er findet kein Signal. Wollte daher mit dem OSZI die Signalleitung überprüfen, doch die liegt immer auf 5V. Hat jemand ähnliche Erfahrung mit dem DCF77-Modul von Reichelt gemacht? Kanns sein, das das Modul so empfindlich ist, dass ich es schon geschossen habe? Gruß Christian
Schau erst mal dass du ordentliche Signale vom Modul kriegst. Vielleicht hast du ganz einfach keinen Empfang? Wenn die Impulse Passen wird's das Programm auch tun! Ich kann übrigen das DCF-Modul von Conrad und ELV empfehlen (9,90€). Das hat den Impulsformer schon drauf und an ordentliche Schraubklemmen geführt.
Es kann aber sein, daß das Modul so unempfindlich ist, daß Du nur auf dem Dachfirst etwas empfängst. Diese Erfahrung habe ich machen müssen und habe darauf hin einen billigen Wecker "geschlachtet". Mit einem NPN-Transistor dahinter bekam ich meinen TTL-Pegel und das funktionierte dann auch störungsfrei. Gruß Sigma N.
Stimmt, mit dem Reichelt-Modul hatte ich auch einige Probleme. Vor allem den Pegel hinten 'rauszukriegen! Die Transistoranschaltung ist ziemlich heikel.
Hallo Christian, leider kann ich dir nur theoretisch Helfen, ich kenne das DCF-Modul von Reichelt nicht. Habe mir mal das Datenblatt angesehen und hoffe es war das Richtige. Hier ist Pin1 +1,2...5V Pin2 GND Pin3 Ein (POW) laut Beschreibung!!! mit GND verbinden. Pin4 DCF Ausgang. Nun müßte man schon am ausgang Impulse messen können. Gruß Thomas
Ich hab' dir mal meine Version von dem Modul drangehängt. Ich hoff' mal dass das das Gleiche ist. Hoffentlich kannst du das Gekrakel entziffern!
Hallo Sonic, ich habe einwenig gegoogelt und bin auf die beiden Seiten unten gestoßen. http://www.hkw-elektronik.de/pdf/radio-dd.pdf http://techwww.in.tu-clausthal.de/Dokumentation/Bauteile/Datenuebertragung/DCF77-Empfaenger/DCF_77_Signal.pdf Schließe an beiden LP6 Maße an, LP3 ca. +3V(Ub), LP4 nur einen 100k Wid. und Oszi. und mach mal den Versuch ob an LP5 maße oder Ub und leg abwechseln LP5 auf Maße oder +Ub anliegen muß. Gruß Thomas
Danke für die Links! Mit dem Modul von Conrad oder ELV für 9.90€ gibt's null Probleme, guter Empfang und saubere Impulse. Habe schon ca. 50 st. verbaut und noch keine Reklamation gekriegt!
Hallo Sonic hat der Christian das gleiche Modul? Dein Module ist doch von Conrad und Chris seins von Reichelt. Gruß Thomas
Habe das Andere nich nachgeschaut, kann sein dass das nicht das Gleiche ist. Die Ausgänge der Teile sind aber ziemlich gleich: Open Collector und können kaum Strom. Deshalb muss ein Transistor mit ordentlich Vestärkung dran.
Hallo, danke erstmal für euere Beiträge. Habe mal die obige Schaltung probiert. Leider gehts nicht, auch nicht wenn ich noch einen 100k als pull up am Schaltungsausgang verbaue. Denke ich bestelle mir jetzt mal bei conrad ein DCF Modul. Ist zwar ärgerlich, weil das von Reichelt ja auch nicht gerade billig war. Evtl bekomme ich es dann noch hin. Wenn jemand eine Lösung für das Problem hat, bitte weiterhin posten. Gruß, christian
Bei mir gehen die Reichelt-Teile ohne Probleme. So wie ich das verstanden habe, haben die Teile einen Push/Pull Ausgang mit 0,1mA Stromfähigkeit. Man kann sie also direkt an einen Portpin hängen. Bei Problemen kann der AVR-interne PullUp eingeschaltet werden. Bei 5V Betriebsspannung blinkt eine LowCurrent-LED ganz schwach, wenn man sie an den Ausgang und nach Masse schaltet.
chris wrote: > Denke ich bestelle mir jetzt mal bei conrad ein DCF Modul. Mir ist nicht bekannt, daß es da merkbare Unterschiede gibt. Sollte also nichts bringen. Hänge mal ne LED (mit Vw.) an den Modulausgang, ob die im Sekundentakt blinkt. Wenn es Empfangsprobleme sind, blinkt sie nervös. Und natürlich alle Monitore, PCs, Fernseher usw. im Raum ausschalten. Peter
Hallo, ich habe ebenfalls dieses Modul von Reichelt und anfangs ebenfalls Probleme festgestellt. 1. Das Modul läuft nicht bei 5V (die Synchronisierung funktioniert nicht) => Ich habe die Versorgungsspannung über zwei seriell geschaltete Dioden reduziert. 2. Habe ich festgestellt, dass das Ausgangssignal des Moduls keine größe Last treiben kann und sehr empfindlich ist. => Ich habe eine kleine Treiberstufe mit MOSFET und Bipolartransistor (hatte ich in der Grabbelkiste)aufgebaut. (auch notwendig, um den Spannungshub wieder auf 5V zu erreichen) ==> Jetzt läuft es stabil! PS: Störungen durch Monitore verhindern den Empfang ebenfalls.
Meine Module laufen mit exakt 5V, allerdings mit R/C-Filter in der Betriebsspannungszuleitung, um Digitalstörungen vom Modul fernzuhalten. Keine Probleme mit der Spannung - wie gesagt. Und keine extra Treiber.
Hallo Ich hatte mit den Reichelt DCF77 Modulen auch zum Anfang Probleme, bei mir hat es geholfen ein Elko (22µF) zwischen UB+ und GND direkt an das Modul zu löten, seid dem funktioniert das Teil ohne Probleme. Gruß Alber
Hallo, danke nochmal für die Beiträge. Habe heute das DCF-Modul von Conrad bekommen. Dies hat auch zunächst nicht funktioniert. Habe die Schaltung dann etwas vom PC ans Fenster verlagert, dann gings. Scheinbar ist bei uns das DCF-Signal schon ziemlich schwach. Ich hoffe dass das Reichelt Modul bei einer besseren Empfangslage dann auch funktioniert. Gruß, Christian
Hey Leute! Also ich hatte auch viele Probleme mit dem DCF Empfänger von Reichelt. Das Problem ist, dass bei dem Ding die Signalleitung mit einem sehr kleinen Keramik Kondensator entkoppelt ist. Der reicht nichtmal aus, um einen 10k Pull up auf Gnd zu ziehen. Deswegen hast du auch immer die 5V an deinem Portpin. Bau dir einfach einen Transistor dazwischen... man erhält dann zwar ein invertiertes signal, doch das kann man mit nem zweiten Transistor beheben. Weiterhin ist das Ding auf spannungsschwankungen stark empfindlich. Deshalb in die Leitung eine kleine Diode einbauen und auch einn 100nF Kerko und eventuell noch einen Elko an die Versorgungspins heften. http://www.stefankneller.de/elektronik/nixieuhr/grafik/plandcfreichelt.gif Da hatte ich mal einen Schaltplan gemacht, der für eine Nixie uhr gemacht war, weil bei mir der Reichelt empfänger auch erst nicht laufen wollte. PS: den Empfänger mindestens 2 Meter von Elekrosachen aufstellen.
>Bau dir einfach einen Transistor dazwischen...
siehe mein .GIF weiter oben.
>Das Problem ist, dass bei dem Ding die Signalleitung mit einem sehr >kleinen Keramik Kondensator entkoppelt ist. Das stimmt nicht. Der Signalausgang geht direkt zum IC, die Kondensatoren haben mit dem Signal nichts zu tun. Der Pin ist in der Lage 0-5V bei 100µA auszugeben, das reicht für CMOS-Eingänge immer. Um das Modul störfest zu machen, ist der oben erwähnte Elko direkt am Modul und eventuell ein Serienwiderstand von 33..100 Ohm in der Plusleitung zu empfehlen. Ein gewisser Abstand von den Digitalschaltungen, an die das Modul angeschlossen ist, ist ebenfalls ratsam.
Also ich finde es ja sehr lustig, wie sich hier die "Experten" über Module austauschen, die sie teilweisse nicht einmal selbst angerührt haben. Ich habe auch mit dem Reichelt Modul "gekämpft" und es lag einzig und alleine an der ungenügend stabilen Versorgungsspannung für das Modul. Laut Beschreibung darf die nämlich nur max. um <100mV schwanken. Abhilfe schaft ein Widerstand und ein Elko (zwischen + und Masse) vor dem Plus Eingang (+UB) des Moduls um störende Schwankungen zu Filtern. Ein 0,1µF zusätzlich und parallel zum Elko kann auch nicht schaden (um höherfreq. Spannungsschwankungen zu filtern). (Der Widerstand kann ruhig >= 2k2 sein, da das Modul eine sehr geringe Stromaufnahme hat. Und genau das macht es wohl im Vergleich zum Control-Modul so teuer. Man brauche keine Transistoren am Ausgang, der Ausgang kann direkt an einen µC Eingang geschaltet werden. Das Reichelt Modul ist wohl in erster Linie für den Betrieb an einer Batterie konstruiert worden (sehr geringer Ruhestrom bei < 5µA (bei PON=+UB, also "Sleep") im normal Betrieb braucht es auch nur < 100µA bei 1,2V-5V +UB. Das Contrad dagegen verbraucht schon 3mA bei 2V-15V Versorgungsspannung, hier reicht eine Mignonzelle also nicht. Ich denke beide Module haben ihre Berechtigung und nur weil man fertige Module bekommt, heisst das noch lange nicht, daß man die einfach so verkabeln kann, ohne zumindest einmal in die Datenblätter zu sehen :-)
gast schrieb: > ... > Ich habe auch mit dem Reichelt Modul "gekämpft" und es lag einzig und > alleine an der ungenügend stabilen Versorgungsspannung für das Modul. > Laut Beschreibung darf die nämlich nur max. um <100mV schwanken. > ... Bei mir war es das selbe. Ich habe das Modul direkt an die Versorgungsspg. des STK500 gehängt, und die machte Schwierigkeiten.
Hallo, ich habe das selbe Modul. Also wenn ich das richtig verstanden habe muß ja EIN mit GND verbunden werden. Zwischen GND und +UB einen 0,22µF und 2k2 in plus. Da meine Schalltung in einem Metal gehäuse sitzt, dachte ich das man da am besten das DCF Extern setzt. Kann ich an das Signal so 1-2m dran hängen?? Danke
@ Michael Lavalle (cybertracker)
>Kann ich an das Signal so 1-2m dran hängen??
Eigentlich schon, ist ja rein digital. Den Filter für Vcc aber DIREKT
ans Modul.
MFG
Falk
Moin, hat sich einer der Beiden Empfänger (Reichelt + C-Control) in Sachen Empfangsqualität als besser rausgestellt? Oder unterscheiden die sich wirklich nur in Spannungs-Empfindlichkeit und Stromverbrauch? Gruß, Jens
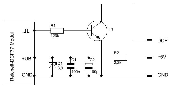
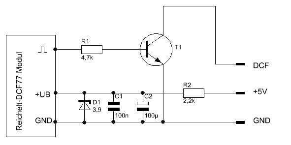
Hallo an alle! Der letzte Beitrag ist zwar schon etwas älter aber schließlich habe ich auch über die Google-Suche hier her gefunden. Vielleicht nützt es noch jemandem, das Modul gibt es immer noch bei Reichelt. Verbaut wurde das Modul für eine Nixie-Uhr nach Stefan Knellers Anleitung. Ein Stepup-Wandler und gemultiplexte Ziffernanzeigen, dazu Fernseher, Wlan-Router, Computer etc., alles in der Nähe vorhanden. Das Modul befindet sich in einem externen Gehäuse mit reichlich langem Anschlußkabel. Erstmal garnix, vollkommen tote Hose. Nachdem ich dem Signalausgang einen Transistor spendiert hatte konnte man an der Kontrollampe schon so etwas wie ein Blinken im Sekundentakt erkennen, allerdings waren da hin und wieder merkwürdige Doppelblitzer oder längere Gedenkpausen dazwischen. Dann habe ich die Betriebsspannung direkt am Modul abgeblockt, einen 100n Keramikkondensator gegen HF-Einstreuungen und einen Elko 100µ zur Glättung. Wieder nix, auch nach 12 Stunden keine Synchronisation, Mist. Dann habe ich im Forum gelesen dass ein Widerstand in der Betriebsspannungszuleitung Wunder wirken soll. Da kam mir die Idee, wenn schon der Widerstand, dann kommts auf eine Z-Diode zur Stabilisierung der stabilisierten Spannung auch nicht mehr an. Ein Blick in die Bastelkiste förderte ein 3,9V-Exemplar zu Tage - sollte passen. Und voilà - keine zwei Minuten und mein Eigenbau-Chronometer hatte die aktuelle Zeit eingefangen. Das Bild zeigt die Schaltung in der engültigen Version. Gruß, Dirk
Ich nochmal, der Fehlerteufel hat zugeschlagen. Der Basiswiderstand des Transistors belastete den Ausgang des Moduls zu stark so dass das Signal immer wieder mal zusammenbrach, das waren dann die Doppelblitzer. Den 4,7k gegen 120k getauscht und gut ist. Das Bild oben ist also nicht die endgültige Version, die habe ich hier nochmal drangepappt. Im Übrigen bin ich mit der Empfangsleistung nicht so wirklich zufrieden. Man muß die Antenne schon in Fensternähe aufstellen und nach Mainflingen ausrichten, sonst produziert das Teil nur Datenmüll. Jeder billige Funkwecker kann das besser, die kann ich hinstellen wo und wie ich will, null Probleme (ca. 480km Luftlinie zum Sender). Ärgerlich dass ich gleich zwei Empfänger gekauft habe, für künftige Projekte würde ich auf jeden Fall ein anderes Modul probieren. Gruß, Dirk
Hallo Schnurrz, welchen transistor benutzt du bei deiner Schaltung? ich bekomme ohne transistor (BC547) ein stabiles Signal am Scope. Inverter angeschlossen kommt allerdings nur datenmüll... Hat jemand eine Idee? Danke für eure Hilfe. Gruß Jens
Jens schrieb: > Hat jemand eine Idee? Hast du die Open Collector Schaltung vom letzten Beitrag benutzt? Hast du da einen Pullup-Widerstand eingebaut?
Habe die angehängte Schaltung verwendet: -> Ausgabe sollte ein invertiertes DCF77 sein. Ohne transistor-schaltung mit direktem Anschluss an den ATMEGA16 PIND7 funzt es. ich hatte nur oben gelesen, dass das reichelt modul probleme macht, weil es so stromschwach ist und wollte daher das Signal durch einen Inverter verstärken, bevor es übers Kabel geht. Gruß Jens
Jens schrieb: > Habe die angehängte Schaltung verwendet: -> Ausgabe sollte ein > invertiertes DCF77 sein. > > Ohne transistor-schaltung mit direktem Anschluss an den ATMEGA16 PIND7 > funzt es. > > ich hatte nur oben gelesen, dass das reichelt modul probleme macht, weil > es so stromschwach ist und wollte daher das Signal durch einen Inverter > verstärken, bevor es übers Kabel geht. > > Gruß Jens Im Datenblatt steht: An seinem Ausgang liefert der Baustein ein pulsförmiges Signal, das dem (invert.)demodulierten DCF-Signal entspricht. --> Mit deiner Schaltung erhälst du ein normales DCF Signal. Übrigens würde ich zwecks des "hohen" Stromverbrauchs den 1k Widerstand durch einen 18k oder einen 10k Widerstand ersetzen :)
Hallo, ich habe zwei Fragen. 1. Was ist das durch den Kreis markierte? 2. Sind PON und GND dadurch verbunden?
snusnu schrieb: > 2. Sind PON und GND dadurch verbunden? Ist dein Multimeter, speziell der Durchgangsprüfer, kaputt?
Nein, aber vielleicht die Platine. Laut Beschreibung ist Modul an, wenn PON an GND liegt. Aus, wenn PON offen oder an Ub.
Ja, dadurch liegt PON immer an GND und ist daher immer auf On
Hey Leute :) Ich habe auch gerade mit folgendem DCF77-Modul zu kämpfen: http://www.neuhold-elektronik.at/datenblatt/N0955.pdf Weiß jemand was für eine "Zusatzbeschaltung" ich benötige? Oder hat vllt. schon jemand eine Uhr mit dem DCF77 Signal gebaut und kann mir Tipps dazu geben? Danke schonmal im Vorraus :)
Sieht aus wie das Pollin DCF77 Modul Dafür gibt es Gooooooogggggg....
Bei mir funktioniert es immer ohne Vorschaltungen und Filter obwohl das Signal hier echt grottig ist.. Hau da immer 2 Transistoren hinter Data und bei PON ein RC-Glied für die Fallende Flanke. Google: site:mikrocontroller.net dcf auf Bilder umstellen hast Du die Qual der Wahl. http://www.mikrocontroller.net/attachment/135740/pollin_dcf1.png nur mit 100k/1M bei den beiden Transistoren wo 3k/1K eingezeichnet sind.
Jens S. schrieb: > Sieht aus wie das Pollin DCF77 Modul hey ich hatte 5 Stück und alle sind an 5V abgeraucht (Datenblatt !) hier durfte ich lesen das das Datenblatt falsch war, nur bis 3,3V ! Pollin musste ich dazu kontaktieren, sie entschuldigten sich und schickten neue mit neuem Datenblatt. Aber nur ein uraltes DVF77 Modul läuft bei mir fuinktionsfähig, ich habe nun mal neu 2 von Pollin und werde auch noch mal 2 von Conrad testen. Die bis 3V Teile werde ich aus 5V mit 78L02 (2,5V Regler) gefiltert versorgen, den Ausgangstreiber mit einem OC Transistor zu 5V auskoppeln, mal sehen ob ich wieder Erfolg habe, wobei ich nun auch an seriell wlan denke um NTP zu befragen, mir ist DCF hier zu unsicher, in meinem Wohnzimmer muss ich eine DCF Uhr nach Batteriewechsel immer auf den Balkon stellen damit sie sich syncronisiert, unmöglich !
Ach garnicht gesehen ist ja der uralte Thread.. dann muss ich schreiben. Wie wärs mal mit lesen.. damit ist man hier genau richtig geholfen.
Für alle die hier noch einmal drüberstolpern. Mit der angehängten Schaltung läuft das Reichelt Modul bei mir auch unter nicht optimalen Empfangsbedingungen. 5V Spannungsversorgung mag es wohl nicht. Am Atmega I/O-Port ist hier der Pull Up aktiviert.
Hi, ich grade den Thread mal aus. Ich habe das aktuelle Modul von Reichelt. Die Doku ist hier zu finden: https://m.reichelt.de/index.html?ACTION=7&LA=3&OPEN=0&INDEX=0&FILENAME=X200%252FDCF77.pdf Meine Schaltung sieht genau so aus wie die von Cube_S. Das dekodieren hat mit dem Atmega328p soweit sehr gut funktioniert. Störungen hatte ich nur, wenn ich meine Funkmaus direkt neben meinem Empfänger platziert habe. Es hängt bei mir auch an 3.3V und den BS108 hatte ich auch noch so liegen. Gestern hatte ich plötzlich Probleme beim Decodieren. Zwischen den Sekunden wurde Datenmüll produziert. Auf dem seriellen Monitor werden die Pulsweiten des LOW Signals ausgegeben. Hier war dann innerhalb einer Sekunde 3-4 statt ein LOW Signal. Nun kam mir in den Sinn, dass ich an der Gate einen Pulldown Widerstand gegen Source verbauen sollte, da ich ähnliches Verhalten mit einem von einem BS108 geriebenem Relais hatte. Hier hat ein Pulldown von 10k Abhilfe gescgaffen. Nun bin ich mir nicht sicher, wie groß der hier sein sollte. Im Reichelt Datenblatt finde ich Angaben wie: Ausgangsstrom (High, ebenso LOW) > 5µA. Ich finde das etwas verwirrend. Den vorherigen Aussagen entnehme ich, dass das für den max. Ausgangsstrom stehen könnte? So müsste statt dem > ein < Zeichen sein oder was soll das bedeuten? Wenn die Angabe für den max. Ausgangsstrom stehen würde, dann würde ich zwischen Gate und Source einen R>3,3V/5*10^-6A=min.660k schalten. Liege ich da richtig oder muss ich noch andere Dinge wie Strom beim aufladen des Gates rechnen? Oder ist der Pulldown hier gar nicht nötig? Gruß
War nicht eingeloggt. Deshalb kann ich leider nicht bearbeiten. Habe hier etwas über das Reichelt Modul gelesen: https://www.mikrocontroller.net/articles/DCF77-Funkwecker_mit_AVR Dort wird erwähnt, dass das Reichelt Modul ein Push Pull Ausgang hat. Sprich meine Verschaltung mit Pulldown wäre umsonst? Was bringt mir dann überhaupt der BS108? Minimieren des Ausgangsstroms (bei mos ja nicht kontinuierlich, sondern nur beim aufladen)? Sehe die Vorteile nicht mehr so richtig. So könnte ich ja gleich direkt in den Atmega ohne pulldown oder pullup Widerstand. Was spricht wenn dagegen? Gruß
unimetal schrieb: > Ausgangsstrom (High, ebenso LOW) > 5µA. > Ich finde das etwas verwirrend ja ist es, die Module haben öfter gewechselt, ich musste feststellen das sie am besten arbeiten mit langer Leine weg vom µC und Störquellen wie Schaltnetzteile oder WS2812b. Dann muss der DCF77 Ausgangstreiber eine lange Kabelkapzität umladen und das verdirbt die Flanken, deswegen Treiber Transistor einsetzen, mit den 5µA egal wie ob min oder max gemeint ist kann man bei ß=100-1000 immerhin im mA Bereich bessere Flanken und einen besseren Schaltstrom am pullup bekommen und die lassen sich auch nicht mehr so von Fremdeinflüssen stören.
Bitte melde dich an um einen Beitrag zu schreiben. Anmeldung ist kostenlos und dauert nur eine Minute.
Bestehender Account
Schon ein Account bei Google/GoogleMail? Keine Anmeldung erforderlich!
Mit Google-Account einloggen
Mit Google-Account einloggen
Noch kein Account? Hier anmelden.





