Ich habe mich wieder mal mit dem RFM12 beschäftigt. Herausgekommen ist eine drahtlose RS232 Übertragung mit einer einfacher FEC (forward error correction). Die Software ist sehr einfach gehalten und funktioniert nach folgendem Prinzip: Das Modul befindet sich im fast immer Empfangsmodus, die RX LED leuchtet. Trifft ein Byte über Funk ein, wird das komplette Paket empfangen und über den UART weitergeleitet, falls dieses fehlerfrei empfangen wurde. Außerdem leuchtet dann die OK LED. Trifft ein Byte über den UART ein, wird es gespeichert und ein 100ms Timer gestartet. Solange können neue Bytes eintreffen, die dem Paket hinzugefügt werden. Nach 100ms oder falls eine entsprechende Anzahl an Daten erreicht ist, wird das Modul auf Senden geschaltet (TX LED an) und das Paket gesendet. Wenn gleichzeitig das andere Modul sendet, gehen Daten verloren. Danach wird wieder auf RX umgeschaltet. Das Paket ist einfach aufgebaut: Anzahl der zu übertragenden Bytes, Daten und die Summe aller Bytes als Prüfsumme. Alle Daten werden über einen einfachen Hamming Code übertragen, um eine gewisse Fehlerkorrektur zu haben. Sollte die Prüfsumme am Ende falsch sein, wird das Paket einfach weggelassen (und die OK LED geht aus). Das ganze ist keine ordentliche Lösung, funktioniert aber recht gut. Meine Erfahrungen mit dem Modul sind, dass entweder die Daten alle korrekt, oder komplett falsch ankommen (da andere Sender dazwischengefunkt haben). Das erkennt dann die Prüfsumme. Die Reichweite liegt bei >100m, solange keine anderen Sender in der Nähe sind.
Hast du ggf nen Schaltplan dazu? (Oder hab ich das jezt im Zip übersehen??)
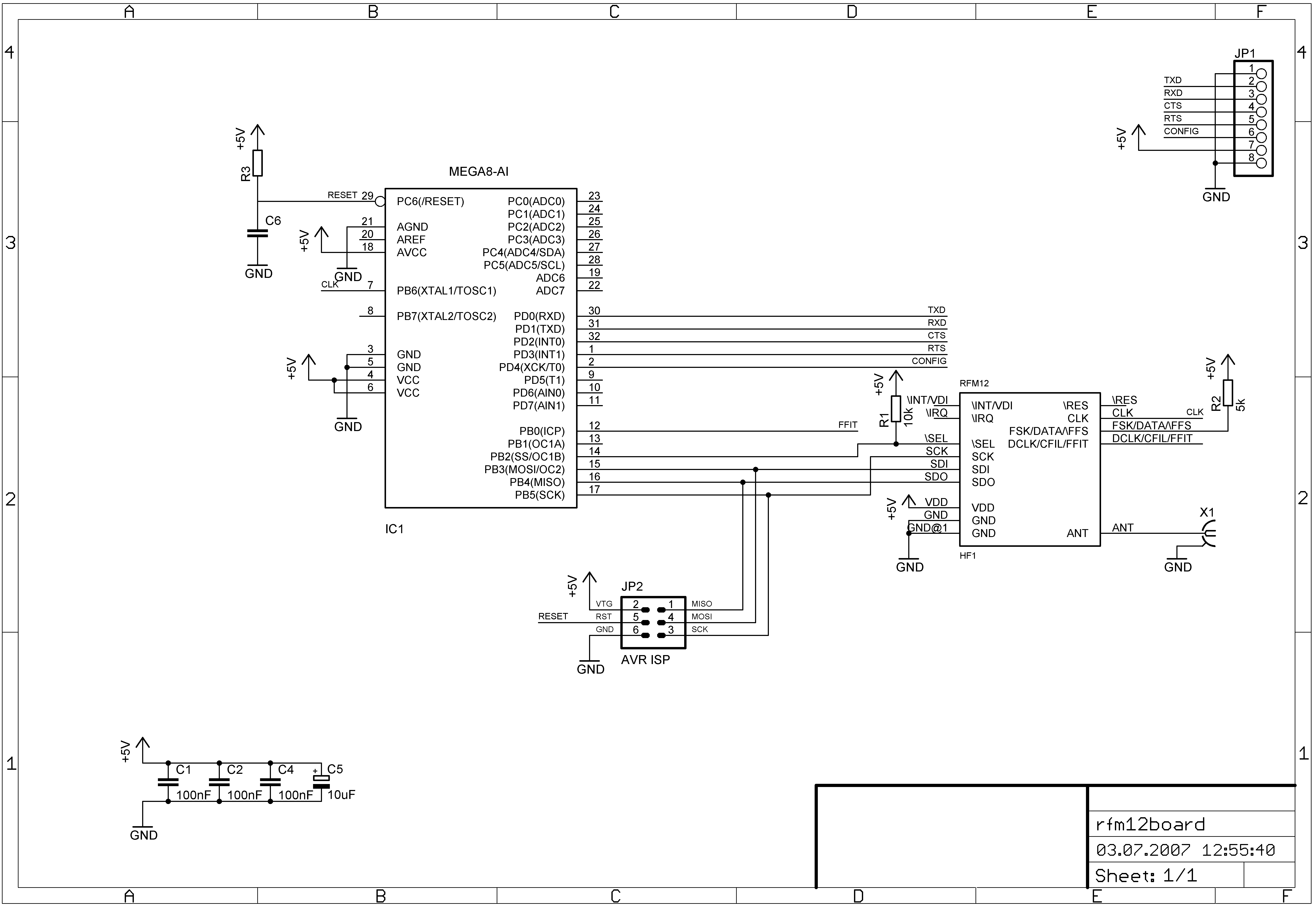
Einen Schaltplan habe ich (noch) nicht gezeichnet, kann ich aber machen. Die Belegung der LEDs ist in der leds.h festgelegt, das RFM12 hängt am SPI Port (PORTB). Mehr braucht man nicht. Ich betreibe den AVR mit dem 10MHz Takt des RFM12.
Hier nochmal das ganze mit leicht optimierten Puffereinstellungen und Schaltplan. Auch die Funktionen der LEDs haben sich leicht geändert. Ich habe das ganze jetzt mehrere Stunden quer durchs Haus senden lassen: Es gab keine Datenfehler außer wenn der 433MHz Sender vom Funkthermometer gleichzeitig sendet. Die Module sind also relativ robust was die Datenqualität angeht.
Joar da wird shcon einiges an Fehlerkorrektur drinnestecken :) Wenn ich mal Zeit hab werd ich das mal versuchen aufzubauen, im Momment ist leider imemr viel zu tun wegen Studium :(
Ich habe das ganze heute Nachmittag mal etwas getestet: Ein Modul ist mit dem PC verbunden, beim anderen sind TXD und RXD verbunden. Das Modul sendet also alle Daten zurück. Beide Module sind etwa 25m und 2 Stockwerke entfernt. Nach 4 Stunden hatte ich folgendes Ergebnis: 36412 gesendete Pakete zu je 64Bytes, davon empfangen: 36386 Das ergibt eine Verlusterate von 0,071%. Beschädigt kamen keine Pakete an. Falls also ein Fehler aufgetreten ist, wurde das Paket garnicht erst weitergeleitet.
Wenn ich das aufgebaut hab kann ich mich ja mal etwas an der Weiterintwicklung der Firmeware beteiligen, da ich diese Semester eh gerade Computernetworks (unter anderem gehts da halt auch um Wireless Kommunikation) und InformationsTheorie/Kanalkodierung (sozusagen das drunterliegende) Man könnte ja noch ne Art ACK System einführen (wird ja eh gepuffert, dann kann man auf dem "Rückweg" ein ACK huckepack tragen und ggf den Buffer neu übertragen oder nen Fehler ausgeben) Was mir gerade so einfällt: das wäre dann nen 1A WireLess ISP (Bootloader vorausgesezt, bzw eine AVR der das in ISP umsezt)
Ich habe eine Version mit Rückantwort gerade ausprobiert: Es funktioniert so naja. Das Problem ist, das bei einer Neuübertragung der Empfangspuffer des Senders überläuft wenn er weiterhin mit Daten vom PC beschäftigt wird. Ich habe ein ganz einfaches System eingebaut: Nach jedem empfangenen Packet sendet der Empfänger ein OK oder beschädigt Zeichen zurück. Sollte innerhalb von 50ms nichts beim Sender ankommen wird das Paket vom Sender automatisch nochmal übertragen. Nach 5 Versuchen geht eine Error LED an. Die Pakete werden fortlaufend nummeriert, für den Fall, dass lediglich die OK Antwort vom Empfänger nicht ankam. Ein weiteres Problem ist, wenn beide Seiten gleichzeitig das Senden anfangen. Noch ein Nachtrag zur bisherigen Version: In der rf12.c muss bei BUFF_SIZE der gleiche Wert eingestellt werden wie in der main.c. Das habe ich in der letzter Version falsch gemacht: In der rf12.c muss ebenfalls 64 eingestellt werden, sonst kann es zu Datenverlust kommen !
Heute Nacht lief der Sender mit der Empfangsbestätigung: Von 27200 Paketen (je 127Bytes) kam 1 Paket nicht an, da der UART Empfangspuffer überlief. Dadurch wurden 507Bytes beschädigt. Um den Sender zu stören, habe ich einen weiteren Sender laufen lassen, der alle 10s etwa 1s lang sendet. Mit der alten Software ohne Korrektur hatte ich dann etwa 8,3% Verlust. Ich glaube ich ersetzte den Hamming Code durch irgendetwas effizienteres (oder lasse diesen ganz weg). Gibt es irgendeine Codierung, die etwa 50% overhead erzeugt, aber trotzdem 1 Fehler pro Byte korrigieren kann ?
Lass den Hamming weg, das wird das Modul eh intern schon machen. Man aknn nicht einen Fehler, sondern mindestens(!) einen Korrigieren, mehr ginge nur mit Softdesicion problem ist nur: Wird der Empfang durch ein anderes Modul gestört, nüzt (meist) die beste Fehlerkorrektur nix! Man könnte höchstens noch mit der Symbolrate rumspielen aber ob das alles was bringt? Leztendlich kommt ja schon das fertige DigitalSignal "raus" Benedikt hast du ICQ oder sowas und magst mir deine Nummer vieleicht mal per mail/PN senden?
Hier der Code mit Neuanforderung der Daten: Er funktioniert an sich problemlos, solange der UART Empfangspuffer (momentan 512Bytes) nicht überläuft. Sobald die Übertragung allerdings bidirektional wird, und beide Seiten gleichzeitig senden kann es zu Problemen kommen. Anonsten sollten die Daten fehlerfrei ankommen. Ich hatte trotz 10%iger Kanalstörung nur 0,004% Verluste und das auch nur weil der Puffer übergelaufen ist. Die 4 LEDs haben nun folgende Bedeutungen: - RX - TX - Fehler oder Neuübertragung - Power Die todo Liste ist bei diesem Code lang: - Wenn beide Module gleichzeitig senden müssen sie sich irgendwie einig werden wer zuerst senden darf. - Eine Flusskontrolle muss eingebaut werden (theoretisch gibt es in den UART Routinen eine CTS Funktion, aber diese habe ich noch nie getestet). Außerdem ist das dann keine echte transparente RS232 Brücke. - Der Hamming Code braucht zuviel Übertragungsbandbreite. Irgendein anderer Code (der z.B. nur etwa 50% overhead erzeugt) wäre besser. Ganz ohne funktioniert es nicht, da zumindest Füllbits eingefügt werden müssen, da der Empfänger ausreichend Pegelwechsel benötigt um den Takt sauber wiederherzustellen (es kann ja sein, dass der Benutzer nur 0x00en oder 0xFFen sendet). Anstelle sinnloser Füllbits ist eine sinnvolle Codierung besser: Man verschwendet dadurch keine kostbare Bandbreite. - Was tun wenn nach n Versuchen die Daten immer noch nicht gesendet sind ? - Die Latenzzeit der Daten beträgt worst case 500ms selbst wenn keine Übertragungsprobleme auftreten (mit Übertragungsproblemen können die Daten um einige Sekunden verzögert werden, falls sie doch noch ankommen).
Für das gleichzeitige Senden würde ich folgendes vorschlagen: - Das Modul chekct ob der Kanal frei ist (Listen befor Talking) - Wartet eine zufällig Zeit (Random Backoff delay) - wartezit bis senden auf 50ms reduzieren ggf lieber eine großen Sende/Empfangsbuffer und dafür weniger Daten/Paket senden. ggf. XON/XOFF Protokoll? Das kann normal jedes Terminal. es sind ja noch ein paar Pins frei am AVR, ggf könnte man sogar ne Hardwareflußkontrolle implementieren, wer das nicht will kann dann einfach RTS und CTS brücken (so wie mans normal auch macht) und verliert dan ggf halt etwas das wäre dann aber noch transparent (vieleicht wäre auch durch DipSchalter Protokoll/Übertragungsrate wählbar machen?) Sollte nach X - Wiederholungen keine Antwort kommen könnte man einfach einen Fehler ausgeben auf die UART und alle Daten verwerfen. (ggf. durch LEDs zu signalisieren)
Benedikt K. wrote: > ...Eine Flusskontrolle muss eingebaut werden (theoretisch gibt es in den > UART Routinen eine CTS Funktion, aber diese habe ich noch nie getestet). > Außerdem ist das dann keine echte transparente RS232 Brücke. Warum dann nicht das altbekannte Software-Handshake (XON/XOFF) nutzen. ein XOFF über die serielle Schnittstelle (zum PC) ausgeben, sobal der Sendebuffer bei 400 Zeichen angekommen ist und ein XON, sobald er wieder unter 100 Zeichen ist. Damit sollten einem halbwegs kontinuierlichen Datenfluss nichts mehr im Wege stehen. Siehe http://de.wikipedia.org/wiki/Datenflusskontrolle#Software-Flusskontrolle.2C_Software-Handshake.2C_Software-Protokoll_oder_X-ON.2FX-OFF Dies wird meines Wissens defaultmäßig von vielen Kommunikationsprogrammen unterstützt. Selbst von Hyperterminal. Oder habe ich hier etwas wesentliches außeracht gelassen? Gruß, Klaus
Das Problem ist aber: Ich möchte das ganze nicht mit Terminalprogrammen verwenden, sondern das ganze soll quasi ein drahtloses RS232 Kabel sein. Im Idealfall sollte daher garkein Handshaking vorhanden sein, damit sich das Kabel möglichst transparent verhält. Ich werde aber mal ein CTS Handshaking implementieren, da das meiner Meinung nach das am weitesten verbreiteste ist, und das ganze oft hardwaremäßig von vielen größeren UARTs unterstützt wird.
Ich habe das ganze mal noch weiter entwickelt. Theoretisch sollten jetzt 19200Baud bidirektional möglich sein. Bei jeder Empfangsbestätigung werden automatisch vorhandene Daten mitgesendet. Dadurch teilt sich die Bandbreite auf beide Richtungen gleichmäßig auf, und die Bandbreite wird besser ausgenutzt. Weiterhin habe ich das ganze Programm etwas aufgeräumt und die Hamming Kodierung entfernt um die vorhandene Bandbreite besser auszunutzen. Stattdessen bekommen 0x00 und 0xFF einfach ein 0xAA Füllbyte hinterhergeschickt, um den Bittakt im Empfänger zu synchronisieren (bei vielen 0x00 oder 0xFF hintereinander gibt es ansonsten Probleme.) Für diesen Tip möchte ich mich bei Läubi bedanken. Die meisten Einstellungen der Paramater für den RF12 werden jetzt anhand der eingestellten Baudrate (laut Datenblatt) optimal eingestellt. Die Sende/Empfangsfrequenz ist in 4 gleichmäßig im zulässigen Frequenzband unterteilten Frequenzen mit je 325kHz Bandbreite unterteil, die sich (zumindest theoretisch) gegenseitig nicht stören dürften. In einer Richtung sind die vollen 19200Baud möglich (wenn es keine Störungen auf dem Funkkanal gibt). Werden Daten in beide Richtungen übertragen, kommt aus irgendeinem Grund ab und zu zu Problemen und schlimmstenfalls springt das ganze in einen Modus in dem viele Daten beschädigt oder garnicht ankommen. Vielleicht findet jemand den Fehler, ich suche jetzt schon seit Stunden, aber finde keinen. Ebenso merkwürdig ist der Fehler beim CTS Handshake: Aus irgendeinem Grund ist der Bytezähler nicht synchron zu den wirklick vorhandenen Bytes im Puffer. So passiert es, dass durchschnittlich etwa 1Byte pro 1kByte verloren geht. Naja, nicht wirklich verloren, die Daten sind schon noch im Puffer, nur der Puffer weiß das nicht, da der Zähler auf 0 steht. Sendet man weitere Daten, dann werden die fehlenden Daten gesendet. Dieses Problem liegt definitiv am UART Empfangspuffer und hat nichts mit dem eigentlichen Sender zu tun. Daher habe ich CTS und RX_COUNT (beides ist für CTS notwendig) in der UART.h deaktiviert. Wenn all diese Probleme gelöst sind, kann man einen Schritt weiter gehen, und eine automatische Kanalbelegung und Baudratenwahl einbauen, je nachdem wie die Übertragungsbedingungen sind. Zusammen mit Läubi haben wir ein paar Ideen überlegt: Man könnte z.b. 1x pro Sekunde ein "Keep Alive" Paket senden (falls keine Daten zu senden sind) um zu prüfen ob der Empfänger noch da ist. Falls keine Antwort nach mehreren Anfragen kommt, wechseln Sender und Empfänger nach einen festen Schema die Kanäle. Hier muss man sich noch genau überlegen, wie man es schafft, dass sich beide irgendwie finden, wenn z.B. einer der beiden neu eingeschaltet wird.
Neue Version: Das CTS Problem ist behoben, die Flusskontrolle ist jetzt eingebaut und aktiv. Auch die bidirektionalen Transfers sollten jetzt problemlos funktionieren. In meinen Tests habe ich in einer Richtung 160kByte mit CTS Flusskontrolle gesendet, und gleichzeitig in der Gegenrichtung 100Bytes alle 0,1s ohne Flusskontrolle. Beide Daten kamen immer vollständig und richtig an (solange keine längeren Störungen durch andere Module vorhanden waren). Die Datenrate lag dabei bei 1,6kByte bzw. 1kByte/s, was insgesamt etwa 21kBit/s reine Nutzdatenrate ergibt. Sollte die Übertragung gestört werden, sinkt die Datenrate, da die übertragenen Daten neu übertragen werden müssen.
Tach auch! Ich habe mir für die Funk-Geschichten mal ein Protokoll ausgedacht und bin gerade dabei eine art netzwerk-stack dafür zu bauen ;) Protokoll siehe hier: http://www.das-labor.org/wiki/AirLAB_Protokoll_Version_0
@Sören H. Wie weit bist du ? Dein Protokoll sieht gut durchdacht aus. Ich hatte auch überlegt ob ich ein etwas komplizierteres einbaue, aber das macht bei einer simplen 2 Punkt Verbindung mit mittelmäßiger Datensicherheit eigentlich keinen Sinn, daher habe ich es gelassen und stattdessen nur 1 Pakettyp eingebaut der 1 Statusbyte und ansonsten 0-128Bytes Nutzdaten enthält. Das hat den Vorteil, dass ich gleichzeitig die Empfangsbestätigung und Nutzdaten senden kann, und sich die Bandbreite so automatisch gleichmäßig auf beide Richtungen aufteilt, da beide aufgrund der Bestätigung immer abwechselnd senden. Im Anhang ist eine neue Version, bei der sich die Einstellungen per DIP Schalter an PortC vornehmen lassen. So kann man leicht die Baudrate und einen von 4 Funkkanälen einstellen ohne die Software anpassen zu müssen. Je höher die Baudrate, desto geringer wird die Reichweite.
Hallo an alle, an dieser Stelle mal - HELP! Ich hatte vor einiger Zeit angefangen diesen Treat hier mitzulesen und auch drüber nachzudenken. Dummerweise war es mir jetzt eine Weile nicht möglich und ich habe völlig den Überblick verloren was Stand der Dinge ist. Gibt es eine "Projektseite" auf der man den momentanen Stand sehen kann? Ich bräuchte nur etwas was sich wie ein serielles Kabel verhält (allerdings mit Fehlerkorrektur) - Handshaking nicht nötig. Ist die Entwicklung schon so weit gediegen? Für den Fall das ich auch was helfen kann: Ich muss demnächst bei PCB Pool bestellen und habe noch Platz auf der Platine - doppelseitig, DK, Verzinnt aber kein Stoplack. Wenn hier jemand an einem vernünfitgen redesign arbeitet bin ich gerne bereit es mit auf die Platine zu setzen, selbige machen zu lassen, wenn sie da ist die anderen Platinen auszufräsen und dem mit demjenigen per post zukommen zu lassen. Sorry das ich jetzt hier nach einer "Zusammenfassung" frage aber in 2 Treats zusammen knapp 400 Einträge lesen ist heftigst zumal hier einige bestimmt mehr Übersicht haben. Grüße! Tobi
Geht mir grad genauso, deswegen weiß ich nicht genau, wie Benedikt jetzt das Protokoll integriert hat, aber ich habe da auch eine Idee: Ein Ping/Pong Protokoll. Sprich: Die beiden Funkmodule spielen sich gegenseitig die Sendeerlaubnis zu. Es kommt dann ein kleiner Header in das Protokoll, mit der Länge der Nutzbytes in diesem Paket. Kommt nun an Transceiver1 ein Datenpaket über das UART, wird es einfach in den TX-Buffer geschrieben - fertig. Jetzt wartet Transceiver auf das nächste empfangene Paket. Guckt nach, ob Bytes im Paket sind. Wenn ja - legt er die Bytes in den RX-Buffer und startet einen Interrupt-gesteuerten UART-Versand. Danach kommt nun sein eigener TX-Buffer an die Reihe. Transceiver1 erstellt jetzt ein Paket und lädt die Bytes aus dem TX-Buffer in das Paket, und sendet das Paket. Das ganze passiert jetzt innerhalb Transceiver2. Also: Wenn keine Daten versendet werden, spielen sich die beiden Transceiver einfach nur leere Pakete zu. Haben sie was zu senden, hängen sie es an. Kommt was an - wirds über den UART ausgegeben. Ich hab nur gerade die böse Ahnung, dass Benedikt das bereits so integriert hat. Aber sicher bin ich mir nicht. PS: Ein Problem hat man bei der Variante noch: Welcher Transceiver startet den ersten Sendeprozess um den Ping/Pong Prozess anzustoßen...
Da sich vermutlich an dieser Software demnächst kaum noch viel an den Features ändern wird, hier mal die zusammenfassung der letzten Version: Die Software stellt eine transparente RS232 Verbindung dar, verhält sich also im Prinzip wie ein RS232 Kabel, allerdings mit einer Laufzeit von worst case wenigen 100ms. Die Baudrate ist über DIP Schalter an PortC von 1200 bis 115200Baud einstellbar (siehe dazu auch Software mit den Zusatzbemerkungen.) Hohe Baudraten werden zwar unterstützt, das Modul wird aber mit maximal 50kBaud betrieben. Man kann die 115200Baud also nicht voll ausnutzen. Bei so hohen Datenraten sind die Fehlerrate und die Reichweite meiner Meinung nach zu schlecht, daher diese Einschränkung. 20m 19200Baud voll ausgenutzt mit Halbduplex über 20m sind aber bei mir zumindest kein Problem. Über die DIP Schalter lässt sicher außerdem eine von 4 möglichen Frequenzen einstellen (alle innerhalb des zulässigen 433MHz Bandes). Die Daten werden mit einem einfachen Protokoll übertragen: - Status (momentan nur als Empfangsbestätigung genutzt) - Anzahl der zu übertragenden Bytes - Paketnummer (um Mehrfachübertragungen zu erkennen) - Nutzdaten Nach jeder Übertragung wird eine Empfangsbestätigung gesendet. Falls diese ausbleibt, wird automatisch das Paket nochmal gesendet, solange bis die Bestätigung eintrifft, oder die Anzahl einen eingestellten Wert überschreitet. Die Empfangsbestätigung wird nur gesendet, wenn die Daten fehlerfrei empfangen wurden. Da das ganze im Ping-Pong Verfahren läuft, und in jedem Paket Nutzdaten enthalten sein können, kommt jeder der beiden Teilnehmer abwechselnd dran um seine Daten loszuwerden. Dadurch teilt sich die Bandbreite auf beide Richtungen gleichmäßig auf. Sollte der 512Byte große Eingangspuffer zu mehr als der Hälfte gefüllt sein, wird ein Pin aktiv der mit CTS verbunden werden kann, um so ein einfaches Handshaking zu ermöglich.
Hi Benedikt! Ersmal danke da Du dir a) die Mühe gemacht hast diesen Riesenhaufen Arbeit zu machen und b) hier alles zusammengefasst hast. Noch ein paar fragen - Geschrieben in AVRGCC vermute ich? Gibt es fertig compilierte HEX files? - Ich bin halt Codevision Anhänger Welche Hardware wird benutzt? Die von Manuel? Gibt es ein Simpel Moduld was kein USB hat oder kann das bestehende ohne USB genutzt werden? Nochmal Sorry fürs blöd fragen aber eine Zusammenfassung ist sicherlich von vielen begrüßt. Sollte ich das mit dem rework des designs besser in den Threat posten in dem das "originaldesign" auch ist? Tobi
Benedikt, wodurch wird denn der "Ping-Pong"-Prozess angestoßen? Durch den, der als erstes was zu senden hat? Was ist wenn beide genau gleichzeitig senden? ;)
Man könnte den Ping Pong prozess anstossen indem wirklich beide zufällig senden jedoch mit unterschiedlichen "Wartezeiten" für die Initiallisierung. Wenn es auf der Luftstrecke kracht dann wartet einer z.B. 200 ms und der andere 500 ms (vielleicht "zufällig"?) bevor er es erneut probiert so das dann einer irgendwann senden kann und der andere es empfängt und bestätigt. Kam mir nur grad so in den Sinn.
Tobias A. wrote: > Man könnte den Ping Pong prozess anstossen indem wirklich beide zufällig > senden jedoch mit unterschiedlichen "Wartezeiten" für die > Initiallisierung. > Wenn es auf der Luftstrecke kracht dann wartet einer z.B. 200 ms und der > andere 500 ms (vielleicht "zufällig"?) bevor er es erneut probiert so > das dann einer irgendwann senden kann und der andere es empfängt und > bestätigt. > > Kam mir nur grad so in den Sinn. Wenn ich beiden unterschiedliche Wartezeiten einprogrammiere, brauche ich ja wieder 2 "verschiedene" Programme. Zufällig: Auch problematisch, da man keine gescheite Zufallsquelle ohne weiteres in nem Mikrocontroller hat.
Hmmmm... die AVRs haben doch ne seriennummer, oder? Können die die selbst lesen? Damit könnte man doch dann was machen, oder? Ausserdem denke ich das das Problem nur dann wirklich kritisch wird wenn beide Module 100 gleichzeitig angeschaltet werden bzw. die zyklen synchron sind. Alternativ könnte man auch mehrere Wartezeiten nehmen und die durchtesten. Alternativ hochzählen so im Stil von For i = 1 to 25 Begin delay_ms(20 * i) End Weil die wahrsch das man dann beide Module synchron hat ist dann sehr gering und notfalls muss man eins mal resetten. Oder man treibt es noch weiter und bringt es dazu sich selbst zu resetten indem man den C am RC des Reset pins mit einem Widerstand und Portpin richtung masse entläd. Die R und C toleranzen sollte dann spätestens ausreichen damit sich das einpendelt. Wie gesagt das kam mir nur so in den Sinn.
Benedikt K. wrote: > Dadurch teilt sich die Bandbreite auf beide Richtungen gleichmäßig auf. Wenn ich den bisherigen Thread und den Rest Deiner Beschreibung richtig verstanden habe, stimmt das nicht ganz. Die Bandbreite wird dann gleichmäßig aufgeteilt, wenn von beiden Seiten ständig Daten gesendet werden. Sobald eine Seite die Pakete aber nicht bis zur maximalen Größe auffüllt, steht die restliche Bandbreite der Gegenseite zur Verfügung. > Sollte der 512Byte große Eingangspuffer zu mehr als der Hälfte gefüllt > sein, wird ein Pin aktiv der mit CTS verbunden werden kann, um so ein > einfaches Handshaking zu ermöglich. Um die Transparenz der Strecke weiter zu erhöhen, könnte man auf beiden Seiten noch die RTS-Leitung des angeschlossenen Geräts überprüfen und in die Flußsteuerung einbeziehen.
Moin, also ich habe schon ein einfaches Ping-Pong gebaut und die Datenpakete und crc16 implementiert. Ich schätze am Ende der Woche wird dann alles fertig & nutzbar sein. Ich werd's dann in ein öffentliches svn stellen und hier verlinken. Zum Thema Device IDs: Ich habe mir schon nen Wolf danach gesucht, die Device ID von nem AVR rauszubekommen, allerdings ohne Erfolg. Allerdings gibt es noch drei evtl. brauchbare Alternativen: 1. Device lauscht erstmal für ein paar Sekunden und guckt, welche Device IDs es denn schon so gibt. Dann fängt es an zu senden und fragt, ob jemand die Adresse bereits hat (via Ping), wenn ja, zählt es die Adresse solange hoch, bis niemand mehr antwortet und nimmt sich dann die Adresse. Dann weiss man allerdings nach einiger Zeit garantiert nicht mehr, welches Gerät welche adresse hat und bräuchte zusätzlich eine Namensauflösung. Aber auch den Namen muss man dem Ding erstmal geben, womit wir wieder am Anfang des Problems wären ;) 2. Man speichert im EEPROM einfach die ID. 3. Man compiled für jedes device die Software neu und generiert sich eine ID aus den Macros _TIME_ und/oder _DATE_ (und brennt diese dann ins EEPROM)...
Tobias A. wrote: > Hmmmm... > > die AVRs haben doch ne seriennummer, oder? Können die die selbst lesen? > Damit könnte man doch dann was machen, oder? Eine Seriennummer nicht. Aber die Idee ist garnicht mal so schlecht: Ich kann mit meinem AVRISP MKII ein Calibration Byte anzeigen lassen. Das könnte ich sogar in die letzte Flashzelle schreiben (so wie das idR auch gemacht wird). Für den einen Prozessor war das für 8MHz zum Beispiel 0xC2 und für den anderen 0xC4.... Hm! > Ausserdem denke ich das das Problem nur dann wirklich kritisch wird wenn > beide Module 100 gleichzeitig angeschaltet werden bzw. die zyklen > synchron sind. Könnte doch durchaus passieren... > Alternativ könnte man auch mehrere Wartezeiten nehmen und die > durchtesten. Alternativ hochzählen so im Stil von > > > For i = 1 to 25 > Begin > delay_ms(20 * i) > End > > Weil die wahrsch das man dann beide Module synchron hat ist dann sehr > gering und notfalls muss man eins mal resetten. Nuja, eben. Man muss einfach eine Unterscheidung zwischen den Mikrocontrollern haben, obwohl das gleiche Programm drin ist. Sag du mal einem Käufer dieser RS232 Funkbrücke "Ja, resetten sie mal die eine Seite" ;) PS: Habe das gerade auch in meine TRW24G 2,4ghz Funkmodule mal implementiert. Im moment habe ich noch eine Präpro-direktive "INITIATE". Für einen Controller setze ich die einfach, für den anderen nicht. Da ich das ganze aber eher als "Modul" in meine Software hängen will, wäre ne möglichst einfache Lösung schon nicht schlecht.
Sören H. wrote: > Zum Thema Device IDs: > Ich habe mir schon nen Wolf danach gesucht, die Device ID von nem AVR > rauszubekommen, allerdings ohne Erfolg. Die kann man nur per Programmer auslesen, und selbst wenn: Aller AVRs eines Typs haben die gleiche ID, also bringt das nichts. Mehrer IDs machen bei 2 Teilnehmern recht wenig Sinn. Sobald es mehr werden braucht man die, das ist klar, aber in den meisten Fällen reicht eine einzige Punkt zu Punkt Verbindung. Simon Küppers wrote: > Benedikt, wodurch wird denn der "Ping-Pong"-Prozess angestoßen? Durch > den, der als erstes was zu senden hat? Was ist wenn beide genau > gleichzeitig senden? ;) Dann gibt es Probleme. Allerdings habe ich den Timer der als Timeout für eine Nochmal-Übertragung dient absichtlich auf 2ms Auflösung eingestellt. Dies ergibt eine hohe Warscheinlichkeit, das eines der Module etwas früher sendet als das andere und dass es danach wieder klappt. Tobias A. wrote: > Noch ein paar fragen - > Geschrieben in AVRGCC vermute ich? Gibt es fertig compilierte HEX files? > - Ich bin halt Codevision Anhänger Ja. main.hex in der Zip. > Welche Hardware wird benutzt? Die von Manuel? Meine, siehe Zip Datei. > Gibt es ein Simpel Moduld was kein USB hat oder kann das bestehende ohne > USB genutzt werden? Meines läuft mit RS232, man kann es also mit TTL RS232, mit einem MAX232 oder einem FT232 verwenden. Reinhard Max wrote: > Benedikt K. wrote: >> Dadurch teilt sich die Bandbreite auf beide Richtungen gleichmäßig auf. > > Wenn ich den bisherigen Thread und den Rest Deiner Beschreibung richtig > verstanden habe, stimmt das nicht ganz. Die Bandbreite wird dann > gleichmäßig aufgeteilt, wenn von beiden Seiten ständig Daten gesendet > werden. Sobald eine Seite die Pakete aber nicht bis zur maximalen Größe > auffüllt, steht die restliche Bandbreite der Gegenseite zur Verfügung. OK, stimmt. Hatte ich etwas dumm beschrieben. Der wo mehr sendet bekommt mehr Bandbreite, aber der wo weniger sendet wird seine Daten trotzdem los. Ist etwas schwierig zu beschreiben. >> Sollte der 512Byte große Eingangspuffer zu mehr als der Hälfte gefüllt >> sein, wird ein Pin aktiv der mit CTS verbunden werden kann, um so ein >> einfaches Handshaking zu ermöglich. > > Um die Transparenz der Strecke weiter zu erhöhen, könnte man auf beiden > Seiten noch die RTS-Leitung des angeschlossenen Geräts überprüfen und in > die Flußsteuerung einbeziehen. Muss ich mal versuchen. Allerdings wird das ein wenig Arbeit, da ich dazu die UART Routinen großteils umschreiben muss, und auch das RTS Signal über Funk an den Sender weiterleiten muss, damit dieser nicht weiter sendet. Es kann also noch ein weilchen dauern, denn ich habe ehrlich gesagt keinen Bedarf dafür, da ich keinerei Hardware besitze die dieses Feature benötigt.
Hi Benedikt danke >> Welche Hardware wird benutzt? Die von Manuel? >Meine, siehe Zip Datei. Sind die Layout files frei verfügbar? Tobi
Wenn es ein Layout geben würde, dann würde ich dieses hier reinstellen. Momentan ist alles auf Lochraster aufgebaut.
Hi Benedikt - ist es ok wenn ich ein Layout gemäß deines Schaltplans erstelle und hier reinstelle? Tobi
Kannst du gerne machen. Seh mal PD3 als CTS Eingang vor mit dem andere Geräte den Empfänger ausbremsen können. Davon abgesehen, denke ich nicht, dass sich demnächst die Pinbelegung ändert. Um ganz sicher zu gehen, könntest du noch FFIT an PB0 legen, falls das Modul auch mal Interruptgesteuert betrieben wird.
Soll ich die Version mit oder ohne Dip Brücke machen? Nur so generell: was meinst Du zu folgendem? Keine Dipbrücke dafür ein extra Pin der dem Mega entweder in einen Konfigmodus versetzt so das die Daten die via rxd reinkommen zum Konfigurieren verwendet werden können. Z.B. Mega Pin auf High - normaler Betrieb - daten werden ans Sendemodul weitergereicht und emfpangene daten vom Sendemodul an TXD ausgespuckt. Mega Pin auf Low - konfigurations betrieb - gesendete Zeichen werden zum setzen von Baudrate etc verwendet und quittiert. Nur ein Vorschlag, bin natürlich auch gerne gewillt eine der exisitierenden Versionen umzusetzen. Tobi
Mir ist es egal, ich kann sowas einbauen. Bei dem DIP Schalter hatte ich mir nur folgendes gedacht: Man kann jederzeit ohne spezielle Software die Einstellungen verändern. Denn die Erfahrung zeigt: Immer genau dann wenn man die Konfigurationssoftware braucht, hat man sie nicht.
Das kommt auf die Gestaltung des Konfigurationsmodus an. Wenn er Textbefehle akzeptiert reicht als Konfigurationssoftware ein Terminalprogramm, was heute bei praktisch allen Betribssystemen zum Bordwerkzeug gehört.
>Bei dem DIP Schalter hatte ich mir nur folgendes gedacht: Man kann >jederzeit ohne spezielle Software die Einstellungen verändern. und es ist eine sichtbare Kontrolle der eingestellten Baudrate da. ohne irgendwelche Ports zu belegen. Ich finde die Dipschalter-Variante durchaus Praktisch. aber das ist wohl sicher Ansichtssache. Respekt Benedikt! Wigbert
Wigbert P. wrote: > und es ist eine sichtbare Kontrolle der eingestellten Baudrate da. > ohne irgendwelche Ports zu belegen. Belegen die DIP-Schalter denn keine Portpins? ;)
Ok, richtig. Ich fand das eben praktischer, als noch LED's einzubauen. und erst noch Software-Einstellungen durchführen zu müssen. Ist vielleicht auch Anwenderbedingt. >aber das ist wohl sicher Ansichtssache!! egal "Jedem das Seine" Wigbert
@ Reinhard genau das hatte ich auch im Sinn Man lässt das Modul bei Startup in einer bestimmten baudrate laufen und ändert sie dann bei bedarf via textcommando.
@ Benedikt <Kannst du gerne machen. Seh mal PD3 als CTS Eingang vor mit dem andere <Geräte den Empfänger ausbremsen können. Davon abgesehen, denke ich <nicht, dass sich demnächst die Pinbelegung ändert. Um ganz sicher zu <gehen, könntest du noch FFIT an PB0 legen, falls das Modul auch mal <Interruptgesteuert betrieben wird. Warum PD3 und nicht 2 so wie im schaltplan? Warum FFIT and PB0 wo doch der Prozessorinterrupt auf PD2 und PD3 liegt? oder meinst Du es umgekehrt - das modul interrupten?
Das passt schon so: PD0 RXD PD1 TXD PD2 CTS PD3 RTS PB0 FFIT Ich nutze den Input Compare Interrupt als Externen Interrupt. So habe ich alle RFM12 Pins an PortB und nirgendwo anderst.
ok wird gemacht. Morgen gegen mittag sollte ich fertig sein. Will gleich mal ins Bett.
ok konnte es doch nicht lassen hier mal der Schaltplan
und hier das Layout bei einer 1.6 mm Platine muss ich nochmal gucken wie das mit den 50 Ohm für die Antenne wird. Aber bei dem Modul wage ich eh zu bezweifeln was passiert wenn man vom Modul auf die Trägerplatine wechselt. Ich hab grad die Formel für Microstrip Transmission Line nicht im Hinterkopf. Irgendwer generelle Kommentare? Ich mag das mit der Konfiguration via Terminal Programm anstatt DIP Schalter. (Wenn Du willst Benedikt mach ich noch ein 2. Layout) Macht die Sache kleiner und billiger (weniger PCB platz und die DIP Brücke spart man auch)
Tobias A. wrote:
> Irgendwer generelle Kommentare?
IEH. Benutzt du keine oktagonalen Vias? ;)
Sieht ansonsten nett aus, aber ich würde dir das .png Bildformat statt 
.jpg empfehlen bei Schaltplänen/Boards.
Jut nacht!
  Wie wird der mega8 programmiert ? Ich sehe nirgends eine Verbindung zu den ISP Pins.
Hi Benedikt ja Du hast recht das ist mir gestern entfallen - wollte ich noch machen. Magst Du mir mal einen Gefallen tun und gucken ob Deine Schaltung noch mit sagen wir 5 bis 10 k in Serie in den Datenleitungen funktioniert? Dann schnall ich die zwischen Funkmodul und ATMEGA und den Programming header direkt dran. Je nachdem werd ich auch noch die LEDs draufsetzen. @ Simon doch auch. Mir war nur grad nach eckig :-) Hast aber natürlich recht - anders siehts besser aus. Tobi
Tobias A. wrote: > Hi Benedikt > > ja Du hast recht das ist mir gestern entfallen - wollte ich noch machen. > Magst Du mir mal einen Gefallen tun und gucken ob Deine Schaltung noch > mit sagen wir 5 bis 10 k in Serie in den Datenleitungen funktioniert? > Dann schnall ich die zwischen Funkmodul und ATMEGA und den Programming > header direkt dran. Das brauch ich garnicht auszuprobieren, denn es geht ziemlich sicher nicht. Was sollen die denn bewirken ?
Hallo Benedikt und Tobias >mach ich noch ein 2. Layout bevor Du Dich in Unkosten stürzt. Ich werde Benedikts Vatiante(mit Dip-Schalter) aufbauen. Benedikt ich hoffe Du bist einverstanden. Dabei werden Dip-Codier-Drehschalter verwendet. Es wird ein Max 3232 o.ä. drauf sein(weil ich das so brauche) Das ganze sollte über ein kleinen Akku(Grösse hängt vom Gehäuse ab) versorgt werden. Und Platinenantenne. Und Gehäuse. Schön wäre es, wenn eine AKkuspannungsanzeige im Code mit eingearbeitet würde.Die 4 LED's leuchten bei 100%, 3 bei 75%,2 bei 50%,1 bei 25% Wenn ein Taster gedrückt ,Sprung in Akkukontrolle.Spannung extern mit Spannungsteiler einstellbar. 2ADC Pins wären ja noch frei. Vielleicht hast Du Benedikt an einen Regentag mal Langeweile. Wigbert
Hi Benedikt die bewirken folgendes: Die Ausgänge des AVR gehen direkt zum programming header und von da aus über einen Widerstand zum Funkmodul. Wenn man nun programmiert und sagen wir ein "high" auf einer Programmerleitung liegt das Funkmodul aber ein "low" zieht würde es ohne die Widerstände "krachen" und es könnte sein, das irgendwas beschädigt wird. Mit den Widerständen sind die Ausgänge der Funkmoduls quasi pullup bzw pulldown je nachdem wie sie grad "stehen". Wenn die Schaltung oben funzt, werd ich noch ein "Master"Modul entwickeln was dann via FTDI chip eine USB verbindung herstellt. @ wigbert ok dann mach Du das. Arbeitsteilung ist immer gut :-) Ich würde allerdings (wenn ich Dir widersprechen darf) sagen das es vielleicht erstmal wichtiger ist die Latenzzeiten etwas zu drücken anstatt das ganze weiter aufzublasen - es sollte ja einfach sein. Ich weiss sowieso nicht wie busy der Mega 8 ist. Wenn der ziemlich ausgelastet ist, ist mit extra programm für andere anwendungen reinbrennen eh nicht viel und man braucht einen 2. µC. (nur daten ins nirvana senden macht ja auch keinen Sinn) und mit dem könnte man dann die Batterieüberwachiung machen. Das hier sollte ja wenn ich es richtig verstehe ein sehr spartanisch gehaltenes, schnick-schnack freies (wie Hornbach G) modul werden was als Funkbrücke fungiert. Tobi
Tobias A. wrote: > Wenn man nun programmiert und sagen wir ein "high" auf einer > Programmerleitung liegt das Funkmodul aber ein "low" zieht würde es ohne > die Widerstände "krachen" und es könnte sein, das irgendwas beschädigt > wird. Häng einfach einen Pullup an nSEL, so wie ich es gemacht habe. Dann ist das RFM12 abgeschaltet und man kann auf den Pfusch mit den Widerständen verzichten. Das funktioniert sicher und ist weniger Aufwand.
"man kann auf den Pfusch mit den Widerständen verzichten." Das ist von einer Atmel appnote aber ok. Ich werd dann gleich die änderungen vornehmen.
Hi Tobi, die Entwicklung dieser Funkbrücke ist wohl soweit abgehakt. Ich möchte wohl so ähnlich wie Benedikt ein "drahtloses RS232 Kabel" mir herstellen, mehr eben nicht. Schnickschack kann hilfreich sein, wie Baudrateneinstellung, na ja und manchmal hätte ich gerne gewusst, schaffst Du den Download mit den Akku oder nicht.Ich wollte eigentlich nur wissen ob ich Pins auf den Board vorsehen kann oder nicht. Aber wenn das nicht geht, auch nicht weiter schlimm. Wigbert
und das layout damit gewinne ich allerdings keinen HF design oder EMV preis.. ist 35 x 35 mm. Die Maße kommen daher damit es in eine meiner Schaltungen passt. Erstmal gucken obs geht - redesign wird dann später gemacht. Tobi
Mag noch jemand daran kritisieren oder Anmerkungen machen bevor ich es auf die Platine schmeisse und wegschicke? (Willst Du auch 2 Benedikt?)
Falls Du es noch etwas kleiner bekommen möchtest, könntest Du den ATmega und das Vogelfutter auf die Rückseite setzen und den ISP-Stecker neben den Antennenanschluß legen.
@ Tobias A. Wie du selbst schon sagtest: HF mäßig ist das Layout nicht so optimal. Vor allem die Masseeverbindung des könnte man sicherlich noch verbessern. z.B. C4 sitzt doch direkt neben dem GND Pin des RFM12. Der Umweg über die Massefläche ist da unnötigt. Ich bin jetzt auch kein HF Profi, aber wäre es nicht für den Anschluss der Antennenbuchse günstiger, wenn auch auf der Oberseite noch eine GND Verbindung zu dieser vorhanden wäre ? Ich brauche von den Platinen keine, ich kann selber ätzen.
Hallo Benedikt, noch eine Frage zu den Dipschalter. Bei 4 Pins kriege ich mehr als 7 Schalterstellungen hin. Auch beim Dualcode würden 3 reichen. Schaltet ein Dipschalter die Baudratenumschaltung zu? Irgenwie kann ich das nicht erkennen. Die Kanäle sind klar. Wigbert
Ich sehe gerade, da bin ich um ein Bit verrutscht: PortC0-2: Baudrate PortC3-4: Kanal PortC5: unbenutzt
Hi Benedikt - ja man könnte es noch oben mit Massefläche machen aber 480 MHz sind ja noch nicht soo schnell.. auf der "Arbeit" arbeiten wir mit bis zu 8.5 GHz.. da gehts dann richtig ab. Kannst Du auch durchkontaktieren Benedikt? Ich bin mit dem Layout soweit und kann Dir gerne das EAGLE file zukommen lassen wenn Du dir 2 Prototypen bauen willst. Falls Du nicht DKen kannst kann ich auch einfach 2 mehr mit auf die Platine setzen und Dir dann per post zukommen lassen. Wie gesagt ich sehe das hier als Prototyp - wenn alles klappt dann werd ich das nochmal weiter optimieren und auch die von Dir angesprochenen Masseflächen hinzufügen. Ich habs halt wirklich spartanisch gehalten mag es aber so. Auch grad mit der Softwareconfiguration (in der Hoffnung das Du die dann noch implementierst). Grüße Tobi
Leider kann ich keine doppelseitigen Platinen ätzen, daher habe ich mir diese Platine im Anhang gebastelt. Angefangen habe ich mit 3 Drahtbrücken, mittlerweile habe ich das ganze auf 1 Brücke optimiert. Diese Platine hat alles was ich brauche: Es sind einige PortC und PortD Pins rausgeführt, um LEDs anzuschließen, ebenso der ISP Port und das ganze ist kompakt. Allerdings bin ich in letzter Zeit dazu übergegangen, die Platine größer zu machen, da dies eine bessere Reichweite ergibt (Groundplane).
Hi Benedikt - das sieht mal richtig gut aus! >Allerdings bin ich in letzter Zeit dazu übergegangen, die Platine größer >zu machen, da dies eine bessere Reichweite ergibt (Groundplane) Schon mal probiert ein Coaxkabel mit dem schirm auf Masse zu legen und den Innenleiter an den ANT Ausgang? Das ganze bisschen weggeführt von der Platine und dann aufgedröselt so das der Schirm einen, der Innenleiter den anderen Arm eines Dipols gibt? Ok man bräuchte generell einen Balun weil der Dipol sonst "schielt" aber ich denke es sollte besser sein als ein Monopol... (die Diskussion sollte man vielleicht sogari m HF Forum führen). Das würde die Platine klein halten. Bei "meinem" Design ist ein SMA stecker vorgesehen das man sich eventuell eine geätzte Antenne aufschrauben kann bzw was extern an einem Kabel anschliessen. Alternativ lässt man den SMA weg und lötet nur ein Stück Draht ein. Wärst Du dann eventuell gewillt die Software für "mein" Layout anzupassen? Sprich "Konfiguration via serieller Schnittstelle"? Wie oben schon erwähnt? Falls ja geht die Platine morgen raus - musste noch eine andere Platine mit auf den Nutzen setzten deshalb die Verzögerung. Tobi
Tobias A. wrote: > Schon mal probiert ein Coaxkabel mit dem schirm auf Masse zu legen und > den Innenleiter an den ANT Ausgang? Das ganze bisschen weggeführt von > der Platine und dann aufgedröselt so das der Schirm einen, der > Innenleiter den anderen Arm eines Dipols gibt? Ok man bräuchte generell > einen Balun weil der Dipol sonst "schielt" aber ich denke es sollte > besser sein als ein Monopol... (die Diskussion sollte man vielleicht > sogari m HF Forum führen). > Das würde die Platine klein halten. Muss ich mal ausprobieren. Was wäre, wenn ich das Kabel 15 cm lang abisolieren, und den Schirm in 4 Teile auftrennen würde, die im 45° Winkel schräg nach unten stehen ? Die würden doch dann die GND Plane für die Antenne darstellen ? > Wärst Du dann eventuell gewillt die Software für "mein" Layout > anzupassen? > Sprich "Konfiguration via serieller Schnittstelle"? Wie oben schon > erwähnt? Ich bin gerade dabei. Sind 19200 Baud OK ?
Hier nun die Software: Wird der Config Pin auf GND gelegt, startet das Modul im Config Mode. Dann wird ein einfaches Menü dargestellt, über das sich Baudraten und Funkkanal einstellen lassen. Sowohl mit Hyperterminal als auch hterm funktioniert das Menü. Die Baudrate im Config Mode ist auf 19200Baud eingestellt. Die Eingabe der Ziffern wird durch ein folgendes Return oder Leerzeichen beendet.
Hallo Benedikt, nur damit ich es richtig verstehe. Wenn alle Dip-Schalter 0 sind, kann ich mit Config Pin die Software-Einstellung vornehmen. Es ist also beides möglich? Der Code sieht wenigsens so aus. Wigbert
Hi Benedikt 19200 klingt gut! Ich hab noch nicht in den Code geguckt, aber "merkt" der Avr sich die Einstellungen? Das mit der von Dir beschriebenen Antenne sollte auch klappen. Ich meine zumindest das schon mal irgendwo gesehen zu haben. Ich komme nur grad nicht auf den Namen. Alternativ kann man die HF mit dem kabel auch irgendwo hinführen wo man eh eine Metallfäche im Gerät hat und dann dort den Monopol hinsetzen. Aber für eine allgemeine Anwendung ist es wie Du schon implizierst schön wenn man eine Antenna hat die alleine funktioniert und nicht auf zusätzliche Teile an einem Gerät angewiesen ist. Tobi
Wigbert P. wrote: > nur damit ich es richtig verstehe. > Wenn alle Dip-Schalter 0 sind, kann ich mit Config Pin die > Software-Einstellung vornehmen. Es ist also beides möglich? Der Code > sieht wenigsens so aus. Nicht ganze: Es funktioniert nur eine von beiden Möglichkeiten. Es wäre zwar möglich beides gleichzeitig einzubauen, aber das macht keinen Sinn. Tobias A. wrote: > Ich hab noch nicht in den Code geguckt, aber "merkt" der Avr sich die > Einstellungen? Ja, wird im EEPROM gespeichert. Standardeinstellung: 19200Baud.
Hallo Benedikt,
>Ja, wird im EEPROM gespeichert
also kann ich code check4 für die Dipschalter-Variante nicht benutzen?
Wigbert
  Wenn du in der Software //#define USE_SOFTCONFIG // DIP Schalter/Jumper an PortC 0-4 #define USE_DIPSWITCH // DIP Schalter/Jumper an PortC 0-4 statte dem schreibst, was momentan drin steht schon. Allerdings ist diese Version dann identisch mit der check3 Version.
Hallo Leute, anbei mein Platinenentwurf der „Bidirektionalen Funkbrücke mit Baudrateneinstellung“ Die Platine sollte aus 2 seitigen beschichteten Epoxyd gefertigt werden, und hat die Abmaße 56mm x 56mm. Die IC’s sollten mind. 5mm vom RF12 Modul entfernt angeordnet werden und der Antennenanschluss so kurz wie möglich. Bedien-, Anzeige- und Schnittstellenbauteile werden seitlich herausgeführt. Das Ganze wird in einem Gehäuse, 100mm x 65mm x 25mm einschließlich 2 Stück 1,2V Akkus, Platz finden. Als Grundlage der Schaltung wurde Benedikts Beispiel verwendet. Die 5V Spannungsversorgung wird mit einen MAX1674 aus der Akkuspannung erzeugt. Bei Tiefentladung schaltet der IC die Spannung ab. Über ein Klinkenstecker kann die Schaltung extern versorgt werden. Bei der Einstellung Lad. ist ein Anschluss eines intelligenten Ladegerätes am selben Stecker möglich und der Ladevorgang wird eingeleitet. Es wurde bewusst 5V Betriebsspannung gewählt da die 10 MHz Takterzeugung bei der Vielzahl der einstellbaren Baudraten die wenigste Fehlerrate besitzt. Eine schnelle Baudratenumschaltung wird durch ein BCD-Codierschalter gewährleistet. Die Kanalwahl wird mit DIP-Schalter durchgeführt, da ein Kanalwechsel nur bei Störsendereinfluss bzw. den Einsatz mehrerer Funkbrücken notwendig ist. Den notwendigen Pegel der RS232-Schnittstelle stellt ein MAX232A….zur Verfügung. Die LED’s sind Low-Current-Typen. Über ISP kann der Controller programmiert werden. Der Antennenanschluss wurde 3pol.(2xGND) ausgeführt. Da die Antenne mit 10cm Koaxialkabel eingespeist wird, habe ich keine Lust noch Verluste am Stecker zu erzeugen. Deshalb wird die Ader mittig angelötet und der Schirm mit Hilfe einer übergestülpten Hülse an den beiden GND-Pins angelötet. Die Platinenantenne(eine Art Magnetantenne) wird nicht im Gehäuse integriert sein, sondern oben drauf. Aus folgenden Gründen: Bei ungünstiger Lage würde die Platine und deren Bauelementen die Antenne Abschirmen, bei ablegen auf metallenen Untergrund würde es bei der Antenne zu Wirbelströmen kommen. Von den Einsatz einer Groundplane (Drahtantenne) nehme ich Abstand, da die Radials ( Massefläche als Gegengewicht) mit zunehmender Miniaturisierung zu klein ausfallen. Die Antenne wird dann immer schwerer beherrschbar. Vielleicht hat jemand noch Verbesserungen und die endgültige Bauteilanordnung wird dann noch mal überarbeiten. Wigbert
Hi wenn Du keine Steckerverluste willst warum ziehst Du nicht einfach die Leiterbahn zum Rand der platine und lötest da das Kabel an? Für so was gibts sogar spezielle SMA stecker mit denen das geht. Beim Kabel einfach mittelpin an den Antennausgang und schirm auf die Massefläche. Ist besser als irgendwas impedanztechnisch unkontrollierbares wo das Kabel dann in dem Loch steckt und der Schirm irgendwie draussen drumherumgelötet ist. Nur als Anregung - generell muss ich sagen gefällt mir die Platine sehr gut. Konnte auch keine Fehler im Design entdecken - ausser eventuell nem Filter hinter dem Schaltregler? Längs L und parallel C filter? Ich weiss nicht wie der RFM12 auf ne "noisy" Spannungsversorgung reagiert. Grüße Tobi
Hallo Tomas, dank Dir. Hatte eigentlich den Stecker weglassen wollen. Werde mal sehen ob ich einen passenden industriellen Übergangsanschluss finde. Das Filter war im DBL nicht zu erkennen und Schaltungsbeispiele waren im Netz ehr dürftig. Wigbert
Hi datenblatt ist ja auch quasi nur Minimalbeschaltung. Kannst es ja eventuell mal vorsehen und im Ernstfall hinzufügen und sonst halt einfach das L mit ner Brücke kurzschliessen. Grüße Tobi
Hallo gemeinde. Ich habe 2 RFM12 Module, und wollte damit eine einfache RS232 Kommunikation aufbauen. Leider sind wir nach 3 Wochen schon so langsam am aufgeben, udn kommen einfach nicht weiter. Wir nutzen einen RFM12 als Dauersender, der ständig Daten in einer schleife raus schickt, und einen anderen um die Daten zu empfangen. Leider bekommen wir vom RX rein garnichts zurück. Wir können zwar die gesamte Konfiiguration setzen, sowei das Statusbyte auslesen, aber in bezug auf das RX-Command bekommen wir ständig nur 0len zurück. Ausprobiert haben wir mitlerweile sämtliche Codes, die hier gepostet wurde, sowie einige andere beispiele in bascom. keine scheinen zu funktionieren. Selbst die SPI Routine haben wir per hand nach geschrieben, um etwailige fehler dort drin auszuschliessen. Ebenfalls erfolglos. Wir haben auch die MISO leitung mit einem Pullup versehen. Nach dem Anlegen des CS Signals zieht der RFM12 die MISO auch herunter, jedoch ohne Daten zu schicken. Beim Statusbyte klaps allerdings problemlos. Leider ist das RFM12 Datenblatt vom Hersteller nicht besonders umfangreich. Deshalb haben wir uns teilweise auch mit dem Datenblatt vom RFM1 und anderen weiter informiert. Dort konnte man informationen über die its im Statusbyte auslesen, was im RFM12 nicht drin stand. Desweiteren ist mir aufgefallen, das auf der Platine RFM12S steht, udn nciht RFM12B oder RFM12 ... ist das ein unterschied?, gibt es hierfür ein gesondertes Datenblatt, das ich noch nicht gefunden habe? Kennt jemand dieses Problem eventuell? MfG TPM
Diese Programme hier funktionieren definitv. Wenn es bei dir nicht geht, hast du beim Aufbau irgendwas falsch gemacht. Wie schnell läuft dein AVR ? Falls er mit mehr als 10MHz versorgt wird, musst du den SPI Prescaler hochsetzen, das RFM12 kann maximal 2,5MHz verdauen.
Nun .. ich habs mit 4 SPI Varianten probiert. Einmal Soft-SPI einmal Hardware-SPI, einmal das SPI selbst gecodet, und einmal via PC ne SPI Routine. Was mich wundert ist einfach, das ich die ganze Konfiguraton setzen kann, auch das Statusbyte ausgelesen bekomme, aber keien Daten mit dem RX Befehl zurück erhalte. Ich versuch jezt einmal 2MHz max. Clockrate. Aber, ich bezweifel, das es was bringt, da ich es schon mit allen Potenzen ab 100KHz probiert hab, aber erfolglos. Wie gesagt, wenn nicht emhr als 2,5MHz verdaut werden können, dann versuch is es mal mit 2MHz clock. Vorerst mal Danke. MfG TPM
Hallo, nicht aufgeben, davor stand ich auch schon und nach einem Bier und einmal schlafen ging es weiter. zB hatte ich angenommen, dass der Fifo 16 Bytes gross ist und wunderte nicht, dass da nur 0 rauskam. Lade Dir mal den C Code runter, den ich gepostet habe und analysiere ob die Einstellungen und Verfahrensweisen die gleichen sind. Lese den Status vor jedem Senden aus und ebenso einmal nach der Empfangsumschaltung. Bei diesen Dingern scheint es auf jedes Detail anzukomen. Ausserdem reduziere die Empfindlichkeit der LNA und RSSI um 1-2 Punkte, sonst fängt sich der Empfänger nur Müll ein und erkennt ggf. die 2DD4 nicht. Viel Glück! PS: mein PIC Programmer (China Clone) gibt grad auf, ist ihm zu warm hier mit 36 Grad in der Dachstube. Nach Eisspray tat er es wieder.... alles schon sehr seltsam.
Christian Julius wrote: > Lese den Status vor jedem Senden aus und ebenso > einmal nach der Empfangsumschaltung. Bei diesen Dingern scheint es auf > jedes Detail anzukomen. Ich lese den Status nie aus, nur das erste Bit, bei mir funktioniert es trotzdem. Es ist also nicht unbedingt notwendig. > Ausserdem reduziere die Empfindlichkeit der LNA und RSSI um 1-2 Punkte, sonst fängt sich der Empfänger nur Müll ein und erkennt ggf. die 2DD4 nicht. Auch dieses Problem hatte ich noch nie. Ich vergleiche mal deinen Code mit meinem, irgendwo muss da ein gravierender Unterschied sein.
Hallo Benedikt, leider sind die Möglichkeiten dieses Forums begrenzt sonst würde ich mal ein paar Bilder schicken, was mein PIC-Baby hier so an Lichtsignalen und Texten ausgibt. Kann gut, sein, dass sich das Modul auch EMV einfängt, denn ist alles Lochraster mit Fädeldraht und dazu noch mit 30-40 Mhz Prozzis drauf. Vielleicht liegt es wirllich daran, ob das jemand mit SPI oder ohne gelöst hat oder ob man nur das erste Bit ausliest. Ich weiss es nicht. Fakt ist: Die Module funktionieren, man kann damit Daten senden und empfangen. Grad mal mit dem Brett in der Hand losmarschiert, den Sender aufs Autodach mit guter Groundplane und einem Schweissdraht als Antenne: ca 100m klappt es, dann ist auf wenige Meter weiter schlagartig Schluss, es gibt da eine sehr scharfe Reichweitengrenze. Mit gescheiter Antenne schätze ich mal müssten 200m Freiluft drin sein. Antennen kann man sich aus einer BNC Doppel Buchse mit Einbaukragen gut selbst bauen, vier Stäbe als Masse an die Löcher des Kragens löten, schräg nach unten, einen Stab in die BNC Buchse hinein und unten dann 50 Ohm BNC Kabel einstecken. (Fotoapparat hat meine Frau grad leider mitgenommen) Ich werde den sender morgen mal mit in die EMV Messkammer in der Firma mitnehmen, mal schauen wieviel dbm er so rausspuckt direkt an der SMA HF Buchse. Für mich bleiben noch die Fragen übrig: 1. Welche Einstellung für die FSK Bandbreite des Senders und welche für die bandbreite des Empfängers sind richtig bei den verschiedenen Baudraten? Da unterscheiden sich Beispiele und Datenblätter, die Beispiele sind alle mit 0x9850 initalisiert beim Sender und 134 khz beim Empfänger. 2. Wieso floaten bei mir die Bits dermassen rum und wieso tut es das FFIT Bit nicht? Das DQD und das RSSI funktioniert doch auch, also ist die Auslesung richtig. Die perfekte Abstimmung ist ohne Dämpfertzwerk und professionellen Geräten kaum machbar und die wird mir die EMV Abteilung kaum leihen, wenn die Stunde in der Absorberkammer (da passen auch Autos rein) dort mit 250€ berechnet wird. Also losmarschieren, Distanz messen, Parameter ändern und das slange bis man maximale Reichweite hat. Hier mal der Sendecode von mir, auf das Lesen des Statusregisters. Nehme ich den Befehl weg kommt kein nIRQ Signal als Reaktion auf ein Byte an das TX Register
1  | // >>>> TX: Senden einer Bytefolge + Checksumme <<<<<
 | 
2  | // <2 x 0xAA>, <Anzahl Bytes>, <Bytes>... <Bytes>, <Checksumme>, < Dummy>
 | 
3  | |
4  | #define RF_TX_ON  0x8239
 | 
5  | #define RF_TX_OFF  0x8209
 | 
6  | |
7  | void RFTX_Send(byte* data, byte size)  | 
8  | {
 | 
9  | byte check;  | 
10  | byte i;  | 
11  | |
12  | SSPSTAT_CKE = 1;  | 
13  | disable_interrupts(GLOBAL);  | 
14  | |
15  | RF_GetStatus(); // Notwendig, sonst klappt Senden nicht (seltsam!)  | 
16  | RF_CMD(0x8238); // Transmitter EIN  | 
17  | |
18  | RF_SendByte(0xAA); // Präambel ins Latch, lockt die PLL  | 
19  | RF_SendByte(0xAA); // Präambel ins Latch, lockt die PLL  | 
20  | RF_SendByte(0xAA); // Präambel ins Latch, lockt die PLL  | 
21  | |
22  | RF_SendByte(0x2D); // FIFO Schlüssel 2DD4 (öffnet das Tor)  | 
23  | RF_SendByte(0xD4);  | 
24  | |
25  |   // --- Ab jetzt benutzerdefiniert ---
 | 
26  | |
27  | RF_Sendbyte(MASTER_START);  | 
28  | RF_Sendbyte(size); // Anzahl folgender Bytes senden (incl Checksumme)  | 
29  | check = size;  | 
30  | for (i=0; i<size; i++) // Datensatz senden  | 
31  |   {
 | 
32  | RF_SendByte(*data);  | 
33  | check += *(data++);  | 
34  |   }
 | 
35  | |
36  | RF_Sendbyte(check); // Checksumme  | 
37  | |
38  | RF_SendByte(0xAA); // Dummy, nachschieben als Pipelineputzer  | 
39  | RF_SendByte(0xAA); // Dummy, nachschieben als Pipelineputzer  | 
40  | RF_SendByte(0xAA); // Dummy, nachschieben als Pipelineputzer  | 
41  | RF_CMD(RF_TX_OFF); // TX off  | 
42  | |
43  | disable_interrupts(GLOBAL);  | 
44  | }
 | 
Christian Julius wrote: > Hallo Benedikt, > > Vielleicht liegt es wirllich daran, ob das jemand mit SPI oder ohne > gelöst hat oder ob man nur das erste Bit ausliest. Ich weiss es nicht. Ich habe es schon mit SPI und ohne laufen lassen. Das kann ich also ausschließen. Deine Initialisierung sieht gut aus. Es gibt zwar einige Unterschiede zu meinem Code, aber die sind alle unbedeutend. Du verwendest Interrupts, ich polle nur das erste Bits. Dies könnte der Unterschied sein. Ich wollte es mal mit Interrupts ausprobieren, bin aber noch nicht dazu gekommen. 100m Reichweite sind auch in etwa mein Messergebnis. Mit hoher Bandbreite und hohem Frequenzhub komme ich weiter als mit den Angaben aus dem Datenblatt. Das ist klar: Es wird mehr Bandbreite ver(sch)wendet, daher fallen Störungen nicht so sehr ins Gewicht. > 2. Wieso floaten bei mir die Bits dermassen rum und wieso tut es das > FFIT Bit nicht? Das DQD und das RSSI funktioniert doch auch, also ist > die Auslesung richtig. Bei mir wackeln alle Bits auch total rum, nur das FFIT Bit funktioniert wunderbar. Und das ist eigentlich das einzigste was mich auch interessiert.
Noch ein Zusatz speziell für Martin W. Wenn Du das Modul in den RX Mode gesetzt hast, alle benötigten Teileinheiten eingeschaltet sind und es richtig angeschlossen ist, dann lösche mal testweise das Flag welches den Fifo abschaltet und die Empfangsdaten auf den Data Pin ausgibt. Das Modul kann auf zweierlei Art betrieben werden, musste Dir mal im Datenblatt von HOPE raussuchen welche Bits das sind. Mit einem Oszi müsstest Du auf diesen Pin dann ein Datenchnos sehen, nämlich digitales rauschen. Auf der Clock Leitung nach aussen ebenfalls einen decodierten Clock. Dann weisst Du, dass Dein Empfänger arbeitet. Wenn Du nun schrittweise den LNA Gain und RSSI Threshold reduzierst, dann wird dieses Rauschen weniger bis es ganz verschwindet. Lege den nIRQ Pin auf einen Interruptsfähigen Pin des uC oder polle meinetwegen auf einem anderen Pin. Wenn das Modul die 2DD4 Squenz empfängt und in den Fifo schreibt geht dieses Signal auf Low und sofort wieder auf High, wenn der Fifo ausgelesen wurde. Nimm dazu das B800 Kommando, das geht schneller. So long, Christian (Autoschrauber und Scirocco Sammler)
Bei mir wackeln alle Bits auch total rum, nur das FFIT Bit funktioniert wunderbar. Und das ist eigentlich das einzigste was mich auch interessiert. -------- Na toll, ich wackel grad auch, wenn ich die Dose Faxe hier auf habe, bei der Hitze hier im Rheinland kriegt man ja einen an der Waffel.... Hier ist übrigens die Lösung für Dein Reichweitenproblem. Mit dem Ding habe ich seinerzeit ca 10km geschafft, gespeist von einem Analog Modul von Radiometrix. ;-)))
Mit dem RX Commando (&hB800) sollten doch die Empfangenen Daten, bzw auch schrott, je nachdem, was grad auf der Welle reitet, auf der MISO leitung zurück kommen .. oder täusche ich mich da? ... so, wie das Statusbyte auf der MISO leitung ab dem ersten 0 Bit zurück geliefert wird. MfG TPM
Martin W. wrote: > Mit dem RX Commando (&hB800) sollten doch die Empfangenen Daten, bzw > auch schrott, je nachdem, was grad auf der Welle reitet, auf der MISO > leitung zurück kommen .. oder täusche ich mich da? Ja, du täuschst dich. Das Modul läd die Daten nur dann ins FIFO wenn das 2DDA Syncword empfangen wurde. Alternativ kann man das auch umstellen, dass das Modul jeden Mist ins FIFO läd, aber das macht eigentlich keinen Sinn. Du kannst es ja mal ausprobieren: Im FIFO Mode Register al auf 1 (always fill) setzen. Dann sollte der FFIT Pin sofort aktiv werden. Christian Julius wrote: > Na toll, ich wackel grad auch, wenn ich die Dose Faxe hier auf habe, bei > der Hitze hier im Rheinland kriegt man ja einen an der Waffel.... Ich habe hier gerade angenehme 22°C bei mir im Keller... > Hier ist übrigens die Lösung für Dein Reichweitenproblem. Mit dem Ding > habe ich seinerzeit ca 10km geschafft, gespeist von einem Analog Modul > von Radiometrix. ;-))) Nett. Wiviel Leistung liefert dieser Verstärker ? Ich habe schon seit Wochen eine halbfertige Platine mit einem 868MHz RFM12 und einer Handy Endstufe mit 3,5Wspitze hier liegen. Ich denke mal 0,5W Dauerleistung wird das Ding schon schaffen...
Benedikt K. wrote: > Nett. Wiviel Leistung liefert dieser Verstärker ? > Ich habe schon seit Wochen eine halbfertige Platine mit einem 868MHz > RFM12 und einer Handy Endstufe mit 3,5Wspitze hier liegen. Ich denke mal > 0,5W Dauerleistung wird das Ding schon schaffen... 7Watt ;) FFIT: Thx. .. probier ich mal MfG TPM
7W Class D Endstufe von Mitsubishi. Die aus dem Handy tun es aber auch, wenn man die Anschlussbelegung herauskriegt. Aber immer schon die Vdd abkoppeln, viele Drosseln einbauen und NIE vergessen die Antenne anzuschliessen, denn sonst raucht es, wie das Modul da oben, nur 47€ für ein Neues gebe ich nicht mehr aus.
isch will ja kein spielverderber sein... aber mehr als 10mw sind auf 433 nicht erlaubt.... ... außer ihr habt sowas http://de.wikipedia.org/wiki/Amateurfunkzeugnis
http://www.ero.dk/ http://www.bundesnetzagentur.de/media/archive/298.pdf http://www.ero.dk/documentation/docs/doc98/official/pdf/REC7003E.PDF 2 sehr interessante "Blätter" JimJim XUN Alternativ kann man auf 800MHz mit 500mW senden, ohne Duty, wenn man einiges aus den Vorschriften (Siehe oben) beachtet. Hatte da schon interessante gespräche mit der Bundesnetzagentur in Bonn. MfG TPM
Wir sind ja alle gebildet und daher weiss ich auch dass man nicht unerlaubt funken darf. Trotzdem liegt dieses Steinchen hier noch seit 3 Jahren herum..... ein 20W Nachbrenner für 430 Mhz Funken. Nur leider kein Datenblatt mehr auftreibbar.
Christian Julius wrote: > Trotzdem liegt dieses Steinchen hier noch seit 3 > Jahren herum..... ein 20W Nachbrenner für 430 Mhz Funken. Nur leider > kein Datenblatt mehr auftreibbar. Schau mal hier .. anderer Typ (warscheinlich anderer Frequenzgang) aber selber baustein -> http://www.alldatasheet.com/datasheet-pdf/pdf/4756/MOTOROLA/MHW720A1.html MfG TPM
Hi, danke für den Link, scheint der Gleiche zu sein, nur minimal anders. Die stammen aus den 90igern hatte sie mal für 1€ bei ebay geschossen und seitdem liegen sie hier rum. Nachteil ist, dass die Dinger in Sekunden hinüber sind, wenn das Design und die Kühlung nicht perfekt stimmt und zudem brauchen sie 250mW Eingangsleistung. Des weiteren muss an den Ausgang ein entsprechendes Bandpassfilter geschaltet werden, das erst einmal dimensioniert sein muss, denn eine Class D Endstufe verursacht nackt wohl ganz erhebliche Oberwellenanteile. Meist gibt es einen Steuereingang für die Leistung. Und fürs testen muss man das eigene Zimmer wohl komplett mit Akufolie auskleiden, denn sonst rücckt einem schneller als lieb ist der Messwagenfuhrpark der ReTP auf die Pelle und das wird sehr sehr teuer. Ohne H Messgeräte zudem sehr schwierig. Einzige Anwendung, die ich sehe wäre eine Alarmalage für meine Halle, wo meine Youngtimer stehen, die ist ca 5km weit weg von mir. Aber da passt schon die Dogge des Landwirts auf, dass kein böser Bube meine Schätzchen klaut ;-) Ich glaube es reicht ein kleiner HF Transistor in Emitterschaltung aus, wenn man diese Minimodule auf ein klein wenig mehr aufbohren will, mit 15mW kommt man schon fast 1km weit. Eine Endstufe mit Bandpassfilter für 100mW habe ich als Schaltplan noch hier liegen, arbeitet mit BFR 193 Transen, die hatte mir mal ein Hersteller solcher Module zugefaxt. Werde das RFM12 heute mal in die EMW Kammer stecken und schauen wieviel da rauskommt, auf 10mW ERP darf man ja kommen.
die motorola module sind recht fein, hab selbst ein paar im einsatz., aber wie gesagt für den anwendungsfall etwas überdimensioniert. bin ja mal gespannt was bei deiner messung rauskommt...
Ich habe hier auch noch so ein Ding rumliegen. Sieht genauso aus, auch von Motorola, hat nur eine dumme Bezeichnung: 33Z01, Datecode: 9316. Stammt aus einem alten D1 Autotelefon. Laut Datenblatt sollten die RFM12 etwa 6mW liefern. Kennt jemand eine einfache Richtantenne (muss keine super Richtantenne sein, mir würde schon eine reichen die nur in 180° sendet und emfpfängt, hauptsache unkompliziert zu bauen) ?
Benedikt K. wrote: > Ja, du täuschst dich. Das Modul läd die Daten nur dann ins FIFO wenn das > 2DDA Syncword empfangen wurde. Alternativ kann man das auch umstellen, > dass das Modul jeden Mist ins FIFO läd, aber das macht eigentlich keinen > Sinn. Du kannst es ja mal ausprobieren: Im FIFO Mode Register al auf 1 > (always fill) setzen. Dann sollte der FFIT Pin sofort aktiv werden. 1A mit Sternchen! ... ENDLICH bekomm ich Datenchaos zurück ... und ich dachte schon, ich bin blöde ,) ... Der rest sollte dann wohl auch gehen, wenn der passende Code vorran gesendet wird. VIELEN DANK! MfG TPM
@benedikt: such mal nach quad oder doppelquad im google .... http://www.darc.de/g25/anleitungen.html
Hallo, habe grad mal einen Schwatz mit unserem HF Freak gemacht, der auch lizensierter Funkamateur ist und hier die EMV Messungen betreut. Diese Module sind seiner Ansicht nach durch Hobbybastler gar nicht zu dimensionieren, da muss man schon Stehwellenmessgeräte und Wobbler haben, um die Ausgangsimpedanz von typisch 1 Ohm auf 50 Ohm zu bringen. Besser wäre es 1:1 fertige Lösungen nachzubauen. Sonst kann es passieren, dass die Module auf allen Frequenzen rausbrüllen. Kam natürlich die eindringliche Warnung, dass er jeden Störer seiner Bänder zur Anzeige bringen wird :-) EMV Absorber Kammer heute leider nicht benutzbar, mal die Tage schauen.... Gruss, Christian
Christian Julius wrote: >Eine Endstufe mit Bandpassfilter für >100mW habe ich als Schaltplan noch hier liegen, arbeitet mit BFR 193 >Transen, die hatte mir mal ein Hersteller solcher Module zugefaxt. Wie kan man einfach Edstufe auf Transceiver einfügen? Wie steht dan mit RX-Teil Eingang-Impedanz/Störungen? Grüße aus Croatien !
@ Christian Julius hmm... das stimmt nicht ganz. grundsätzlich sind die module sogar recht einfach zu handeln. ein freund von mir (auch afu) hat schon ein paar endstufen mit den dingern aufgebaut. und ich müsst mich jetzt schon sehr täuschen, aber normalerweise haben die dinger 50 Ohm ein und ausgangsimpedanz. das mit den störern auf den bänder stimmt natürlich :) das is mit den 10mw geräten schon schlimm genug. aber wenn du mit 7w rausbrüllst, wird jeder amateurfunker im umkreis von 10km sofort nachschaun was da los ist...
Also ich weiss ja nicht... das mit den Richtantennen mag ja für 2.4 GHz praktikabel sein für Heimanwendungen aber bei grob 400 MHz ist alles 6x grösser und wird dann gross und unhandlich. Gleichzeitig sammelt man sich mit der Antenne noch jede Menge "dreck" von andern Bändern auf und die blasen auch munter in das RFM12 rein und keiner weiss was die internen Filter des Moduls aushalten bzw welche Frequenzen die Filtern und ruck zuck ist das ding hinüber. Ich weiss sowieso nicht was ich von dieser etwas undefinierten Ausgangsimpedanz des Moduls halten soll. Wenn ja wenigstens ne 50 Ohm Leitung bis zum Rand des Moduls gehen würde oder im idealfall nen SMA Verbinder dran wäre würd ich ja mal nix sagen aber so... ich weiss nicht.. Man müsste mal bisschen rumprobieren aber dieser Lötübergang von dem halben Bohrloch auf eine darunterliegende Platine scheint mir Impedanztechnisch doch etwas undefiniert zu sein. Zum Verstärkerproblem - ja es gibt da was was erkennt ob es grad "rein" oder "raus" geht. Such mal nach WLAN verstärker - da hatte ich vor einiger Zeit mal nachgefragt. Tobi
Hallo, hatte grad nochmal Rücksprache mit unserem Amateuerfunker. der hat mir diese Nachbrenner empfohlen: MAR-1SM (DC bis 1 Ghz) + 17db. http://www.minicircuits.com/pdfs/MAR-1SM+.pdf Die blasen auf ca 15mW-202mW auf und garantieren, dass vielleicht 10mW ERP an der Antenne anstehen, das wäre dann auch legal. Habe den Disti mal angeschrieben, was die Dinger kosten. Klappt natürlich nur, wenn ein Modul nur sendet, empfangen geht dann damit nicht mehr. Gruss, Christian
Das mit der Impedanz ist halb so wild: Die Länge der Leiterbahn beträgt wenige mm, daher ist das ganze noch weit von der Wellenlänge entfernt. Eine falsche Impedanz bewirkt also fast nichts. Auch wenn es vielleicht nicht ganz ordentlich ist, für <5€ ist das schon OK. Bei dem Preis wäre ja alleine der SMA Stecker teurer. Die Module sind halt einfach nur dafür ausgelegt, dass man ein Stück Draht dranlötet, mehr nicht. Eine Richtantenne sammelt bei ordentlicher Ausrichtung übrigends meistens weniger Störungen ein, als eine normale Antenne, da die Signale nur aus einer bestimmten Richtung empfangen werden.
Hi Benedikt mit der Richtantenne geb ich dir recht - vorausgesetzt das der Störstrahler nicht zufällig grad in Hauptstrahlrichtung liegt. Mit der Leitungslänge hast Du recht.. ich denke immer noch in einigen GHz... frag mich nicht warum mir das bei Leiterbahnen immer entfällt.. @ Christian http://www.minicircuits.com/cgi-bin/modelsearch?search_type=model&model=MAR-1SM&tb_no=TB%2d411%2d1%2b guckst Du da.. ca 1.30 USD / stück. Mach 2 Euro draus dann ist es realistisch. Wenn ich in England was von Minicircuits kaufe ist es meisst Pfund gleich USD preis und zwischen Pfund und Euro steht ein Faktor 1.5 also einfach das auf der Webseite ungefähr mal 1.5 rechnen und Du hast den Preis. Tobi
Hallo, habe grad mit der Fa Municom telefoniert, die wäre bereit, da Gigacom pleite ist auch Endkunden zu beliefern, Dollar = Euro, Mindestbestellwert sind 50€. Einzelstück ca 2€. (1,03€ Listenpreis) Wer will denn noch solche Minibooster haben? Und wieviele? Die sind Plug & Play, also ideal geeignet. Gruss, Christian
Ich hätte prinzipiell interesse an den Dingern, Anzahl muss ich mir noch überlegen, rechne aber mal mit 5-10Stück, wenn der Preis nicht (oder nicht viel) über 2€ liegt.
Nur welcher ist jetzt der bessere? http://www.minicircuits.com/products/amplifiers_monolithic.html Ich meine der MAR 4SM+ bringt 12dbm am Ausgang, der 1SM nur 2,5db. Kosten beide das gleiche. Oder? Ich sage der Frau dann Sie soll 50€ vollmachen, vorrausgestzt es finden sich Leute, die noch welche brauchen, weil mehr als 10 brauche ich auch nicht.
Hi Christian, hätte Interesse an 5 Stück der o.g. Verst. Wigbert
Wenn ich richtig gerechnet habe, schafft der MAR4 etwa 18mW, der MAR1 dagegen nur 1,8mW. Es wäre also kein Verstärker, sondern ein Abschwächer. Leider sagen mir die meisten Daten nichts. Könnte mich mal jemand aufklären, was "N.F. (dB)" und "VSWR (:1), Out" bedeuten ? VSWR ist mir an sich klar, aber was bedeuted der Wert im Zusammenhang mit Ausgang ? "IP3 (dBm)" müsste die Verzerrung sein ?
Hätte auch interesse an 5 stk. ... kommt da eventuell ne sammelbestellungs-thread? MfG TPM
Hallo! Wenn ihr die Verstärker bestellt dann nehm ich auch 4 Stück. Hias
Werde heute abend mal einen Thread starten und Interessenten sammeln. Ich bestelle dann über die Firma die Dinger nachdem die mir ein Angebot gemacht haben. Bezahlung bitte per Vorkasse (zB Paypal) da ich hier niemanden persönlich kenne und das Risiko auch auf 50€ sitzen zu bleiben minimieren will.
Hi nochmal, habe grad mit dem FAE der Firma telefonoiert. Also die Module passen auf die Applikation, wenn vorne ein Sinus reingeht kommt der hinten auch verstärkt raus, jedoch nicht mehr mit 50 Ohm sondern weniger, das sollte klar séin. Um den wieder auf 50 Ohm zu bringen muss ein Anpassnetzwerk dran, was im einafchsten Falle aus einem Pi- Glied besteht aber eben dimensioniert werden will. So ist das nunmal in der HF Technik. Ob man an den Ausgang eine Antenne direkt machen kann weiss ich nicht, da müssten dann mal die HF Freaks hier sich zu Worte melden. Gruss, Christian
also erst ma wärs interessant zu wissen welche leistung die rfm12 module überhaupt von haus aus haben. laut datenblatt ja um die 6mw. von 6 auf 18mw zu verstärken bringt nämlich unterm strich fast garnix (faustformel vierfache leistung für doppelte reichweite)
Die BR-27 von ITE (OOK Modulation) haben ein ERP von 15mW und mit einem -103dbm Empfänger an einer abgestimmten Antenne habe ich damit 500m erreicht. Das Geheimnis der Reichweite liegt übrigens im erzielbaren Gewinn der Antenne, nur kriegt man die nicht für 2€ sondern muss schon 60€ auf den Tisch legen. Und 400m statt 200m sind mir schon 2€ wert.
Mich würde das Netzwerk interessieren das zur 50 Ohm Anpassung nötig ist. Außerdem, wie schauts mit der Rückkoppelung aus? (transceiver) Hias
Hallo Matthias, hier erst einmal ein Link für das Impedance Netzwerk, wobei noch nicht klar ist welche Impedanz dieser Verstärker am Ausgang hat. http://bwrc.eecs.berkeley.edu/Research/RF/projects/60GHz/matching/ImpMatch.html für das Entkopplungsnetz stelle ich hier einen Schaltungsvorschlag ein RX=Empfänger, TX = Sender). es werden also zwei Antennen werden, da die Pins im Chip miteinander verbunden sind. Nur befindet sich der Verstärker hinter dem Netzwerkwerk. Da ich RFM01 und RFM02m verwende ich das für mich weniger wichtig, ich will entweder nur senden oder nur empfangen. die Werte betragen: C1 = 5,6pf C2 = 5.6pf L1 = 22nH D1 = BAV 70 H1 = 50 Ohm Microstripline (2.7mm auf 1.6mm FR4 Epoxy mit Groundplane) Bei geätzen Platinen muss die HF also über eine 2,7mm breite Leiterbahn geführt werden, auf der Unterseite ist eine Groundplane. Für Bastelzwecke ist dieses allerdings nebensächlich, da muss man eh mit Verlusten leben.
Last but not least ein paar Erfahrungen mit den RFM12 von heute bei "Distanzmessungen", die auf einem Feldweg stattfanden. Laptop im Auto um den PIC schnell umzuprogramieren (die Leute hätten mich für gaga gehalten, die da vorbeigingen als ein Irrer mit einer Platine und dem Akku in der Hand losmarschierte ;-) Die angegebene Optimalbandbreite von 30khz ist sicherlich so nicht richtig, mehr Bandbreite des Senders ist so als wäre das Signal "lauter", die Reichweite nimmt deutlich spürbar zu. Habe sie jetzt senderseitig auf ca 90 khz eingestellt, den Empfänger auf 145 khz. Damit kann man locker noch 40 Kanäle spezifizieren mit je 250 khz Abstand. Mit den in den Codebeispielen angegebenen Einstellungen für LNA gain und RSSI Threshold (alles auf Maximum) ist das DQD Bit immer an, d.h. der Empfänger zieht sich jeden Müll rein. Trotzdem erkennt der die 2DD4 Sequenz noch. geht man mit dem Empfänger los so merkt man, dass die Fehlerraten langsam immer grösser werden, ich habe ca 150m auf Sicht erreicht bis gar kein Signal mehr vorhanden war. Stellt man den LNA gain um 1 herunter und ebenfalls den RSSI Threshold um 2 Punkte, so dass das DQD Bit im Takt des Senders blinkt ergeben sich andere Verhältnisse. Der Empfang liegt bis ca 100m bei 0% Fehlerrate, danach reisst er auf ca 5m schlagartig ab auf 0. Im Sinne einer fehlerfreien Datenübertragung durchaus gewünscht. So, das wars auch, gute Nacht! Gruss, Christian
Christian Julius wrote: > Laptop im Auto um > den PIC schnell umzuprogramieren (die Leute hätten mich für gaga > gehalten, die da vorbeigingen als ein Irrer mit einer Platine und dem > Akku in der Hand losmarschierte ;-) Ging mir genauso. Ich bin auch eine Runde ums Haus gefahren. > Die angegebene Optimalbandbreite von 30khz ist sicherlich so nicht > richtig, mehr Bandbreite des Senders ist so als wäre das Signal > "lauter", die Reichweite nimmt deutlich spürbar zu. Habe sie jetzt > senderseitig auf ca 90 khz eingestellt, den Empfänger auf 145 khz. Damit > kann man locker noch 40 Kanäle spezifizieren mit je 250 khz Abstand. Das deckt sich gut mit meinen Versuchen: Ein hoher Frequenzhub des Senders bringt mindestens doppelte Reichweite wie die Werte aus dem Datenblatt. Welche Bandbreite hast du beim Empfänger ingestellt ? 145kHz gibt es nämlich nicht. Mein Problem ist: Wenn man 90kHz Modulation verwendet, und sagen wir mal 19200Baud, dann ergibt das insgesamt etwa 2x 110kHz, also 220kHz Bandbreite des gesendeten Signals. Daher müsste man eigentlich mindestens 220kHz einstellen. Oder liege ich dabei falsch ? Wo sind die HF Speziallisten die sich mit sowas auskennen ? > Der Empfang liegt bis ca 100m bei 0% > Fehlerrate, danach reisst er auf ca 5m schlagartig ab auf 0. Im Sinne > einer fehlerfreien Datenübertragung durchaus gewünscht. Wenn man aber sowiso einen Fehlerkorrektur eingebaut hat, kann man auch falsche Werte empfangen. Damit gewinnt man zusätzlich 50m Reichweite die ab und zu funktionieren.
So, dieser "Elsa" hat mir geantwortet auf meine Mail warum die Bits floaten. Verstehe er nicht. Rev 3.0 wäre bugfrei. Ich solle den Source einschicken. Das Lo des nIRQ Pins wäre übrigens an das Lesen des Status gekoppelt, liest man es geht der Pin nach High. Witzig: Die Chinesen dort haben alle Dienst-Namen, damit die Europäer sie sich besser merken können: Elsa, Tank, Spyder etc. In echt heisst der Typ Hai Wu Fin Cheng oder so ;-)
Ich hab mal ein paar Details ergänzt. 'eb = Vergleichbar mit BrownOutDetection -> Erkennt eine zu geringe Betriebsspannung, und schaltet dann in den RESET Modus (1 = An / 0 = Aus) Steht das irgendwo ? Ich dachte das erzeugt nur einen Interrupt nach draußen, aber das Modul arbeitet normal weiter.
BrownOut .. hmm .. bi ich mir nicht ganz sicher, aber soweit ich das "herausfiltern" konnte, scheint sich das Modul in den Sleep Mode zu versetzen. Will ich jezt aber keinerlei Garantien darüber abgeben!! Wie gesagt, die Infos sind doch recht dürftig, zumindest das, was ich hier hab. TXT: Danke fürs weiter auffüllen ... vieleicht wird das hier mal zu einer guten Register-Beschreibung ;) wäre sicher auf für andere hilfreich. Weis jemand eventuell, was die fest definierten Werte (-unknow-) zu bedeuten haben? .. kann da leider garkeien Infos zu finden. MfG TPM
Hallo, wenn das Ov Bit gesetzt wurde heisst das nicht, dass nicht weiter empfangen werden kann, nur dass die Daten sich ständig überschreiben. Was anderes: Habe grad mein RFM12 durch einen abgerutschten Tastkopf gehimmmelt, VDI Pin und GND kamen zusammen -> Modul mausetot! Pollin sagte Lieferzeiten von 14 Tagen, so wie das letzte Mal auch. Ähmmmm..... hat vielleicht jemand noch ein RFM12 in der smd Variante und könnte mir dieses morgen in einen Briefumschlag stecken? Mir seine Kontodaten per Mail mitteilen, so dass ich die 8€ bezahlen kann? Sonst ist bei mir die nächsten 2 Wochen nämlich Pause, ich hatte nur 2 Stück bestellt. Gruss, Christian
Ich hab noch ein paar Details geändert. Was die Bits die fest auf 1 und 0 sind bedeuten, kann ich auch nicht sagen. Dazu findet sich nirgends etwas.
Benedikt K. wrote: > Was die Bits die fest auf 1 und 0 sind bedeuten, kann ich auch nicht sagen. > Dazu findet sich nirgends etwas. Auch nicht bei dieser anderen Firma (ich komme gerade nicht auf den Namen), von denen Hope offensichtlich sowohl die Chips als auch die Doku abgekupfert hat? Deren Doku schien mir noch etwas vollständiger zu sein, als die von Hope, es könnte aber auch sein, daß Hope von einem früheren Versionsstand der Chips ausgegangen ist, der manche Funktionen noch nicht (dokumentiert) hatte. @Martin: Kannst Du die Liste bitte entweder zu einem Attachment machen oder so editieren, daß alle Zeilen <80 Zeichen haben. So wie es im Moment ist, muß man (zumindest mit Firefox) immer sehr weit nach rechts scrollen, um an die "Antwort"-Links zu kommen.
Bei Integration stehen auch nur die Bits als 1 oder 0 im Datenblatt. Und das mit dem Code ist wirklich ein dummer Bug in dem Forum. Ein Troll könnte das bewusst ausnutzen indem der sehr langen Code postet...
Benedikt K. wrote:
> Bei Integration stehen auch nur die Bits als 1 oder 0 im Datenblatt.
Hmm - das riecht nach Bugs im Chip oder undokumentierten Features.
Einfach mal anders setzen und schauen, was passiert? ;)
Ich frage mich auch die ganze Zeit schon, ob es bei den Modulen nicht 
auch undokumentierte Kommandos gibt, denn so ein richtiges System konnte 
ich hinter den Bit-Kombinationen, die das jeweilige Kommando 
identifizieren, bisher nicht entdecken.
  Bei Integration gibt es noch Zusatzbefehle wie PLL Geschwindigkeit. Den gibt es beim RF12 nicht, nur beim RF02. Ob dieser Befehl auch beim RF12 vorhanden ist kann ich leider nicht ausprobieren, man bräuchte einen guten Spectrum Analyser um zu erkennen, wie schnell sich die Frequenz bei der FSK ändert. Wenn es die anderen Bits beim Integration ICs schon fehlen, wie gut hat HopeRF die ICs dann nachgebaut ? Wobei, das wäre nicht das erste IC, das mitsamt der nicht dokumentierten Befehle nachgebaut wurde...
@Reinhard ... kann leider keine Texte Editieren .. is nur n Löschbutton vorhanden. Aber, macht ja nix .. kanns ja nochmal schreiben ;) ... Da ich gerne alle Register, und deren Funktion verstehen möchte, hab ich eine kleine Liste erstellt, die jedes Bit in jedem Register genau erklären soll. Leider hat das original RFM12B Datenblatt keine wirklich genaue spezifikation der einzelnen Funktionen, bzw. Bits. definiert. Und die anderen Datenbläter vom RF12 (ohne M) reichen leider auch nicht ganz aus, dasmit ich genau verstehe, was die da eigentlich machen!. Daher würde ich euch bitten, meine liste etwas z vervollständigen, soweit ihr das schaft! Schonmal VIELEN VIELEN Dank im vorraus, fürs komplitieren ;) ... Ne andere Firma hat das entworfen? .. jezt würd mich echt interessieren, wer das is .. vieleicht kann man mit denen Kontakt aufnehmen. Das wär ja der hammer. .. Eventuell könnte man danna uch herausfinden, was diese Fixen 0 und 1'sen zu sagen haben .. vieleicht ist das von HOPE n fester wert, so wie bei Pollin mit dem Band, nur mit irgend einer anderen einstellung. PS: Jezt hab ich doch n Bearbeiten Button! .. nice ;) Eventuell gibts das nur beim lezten Posting ... gut zu wissen. PPS: Hab die aktuelle Version vom TXT angehängt. MfG TPM
Wo kriege ich denn jetzt ganz schnell ein RFM12 her ??? Habe "Sendepause" ;-((((((
ich würd dir schon aushelfen, aber meine module sind noch irgendwo zwischen china und warten drauf versendet zu werden :)
Dann würde ich mich gern mal für 10 Stück anmelden :-) Quanta Costa?
Hi, ich versuche grad das RFM02 zum Laufen zu kriegen. Das DQD Bit des letzten verbliebenen RFM12 wird getriggert aber die Daten kommen nicht an. Ich frage mich was in den Hope Codebeispielen die Code CC00 und D040 (Rate/2) bedeuten? Die sind im Datenblatt nicht dokumentiert? Pollin hat ja nu abgekupfert kotz Und ist 4800 baud nun C847 oder C823?
Wo hast du all diese Einstellungen her ? Die gibt es beim RF02 nirgends... Im RF02 Datenblatt ist alles richtig beschrieben. Die Baudrate wird beim RF02 andersts berechnet als bei den anderen Modulen. Hat eigentlich jemand Zugang zu einem Spektrum Analyser oder einem anderen Messgerät mit dem man die Leistung messen kann ? Mich würde mal interessieren, wieviel Leistung wirklich aus einem RFM12 rauskommt, ob diese sich bei 3V Betriebsspannung ändert, und ob die Modulation sich auf die Leistung auswirkt. Meinen Messungen nach ändert sich zwischen 2V und 5V nämlich rein garnichts an der Ausgangsleistung. Weiterhin wäre interessant, ob die Module bei 50Ohm wirklich die größte Leistung liefern.
Klar gibts die! I den beispielen von der Hope HP. D040 ändert laut Oszi das Tastverhältnis des nIRQ Pins für Pollingbetrieh, sobnst snd es scharfe Peaks für Interrupteingänge. Was CC00 macht weiss ich auch noch nicht. Habe um 4 Uhr heute morgen augfgegeben gähn Die Signale sind mit dem Oszi vermessen, der Abstand zwischen den Peaks stimmt aber, also ist die Datenrate richtig, beim rfn12 sind 47 4800 baud, beim rfm02 sind es 23, also die Hälfte. Nur empfangen tue ich nicht, der Fifo geht nicht auf grübel Analyser etc habe ich alles.... kosten rund 300€ für die Stunde Benutzung, es sei denn ich warte mal bis ganz lange nach Dienstschluss und überrede unseren Funk Amateur, dass er mal mitkommt in die Absorberkammer. Der ist ganz begeistert von diesen Basteien :-)
1  | /**********************************************************
 | 
2  |   copyright (c) 2006                             
 | 
3  | Title:             RF02 simple example based on PIC C 
 | 
4  | Current version:   v1.0
 | 
5  | Function:          Package send Demo
 | 
6  | Processor          PIC16F73
 | 
7  | Clock:             10MHz Crystal
 | 
8  | Operate frequency: 434MHz
 | 
9  | Data rate:         4.8kbps
 | 
10  | Package size:      23byte
 | 
11  | Author:            Robben
 | 
12  | Company:           Hope microelectronic Co.,Ltd.
 | 
13  | Contact:           +86-0755-86106557
 | 
14  | E-MAIL:            hopefsk@hoperf.com  
 | 
15  | Date:              2006-11-10 
 | 
16  | ********************************************************/
 | 
17  | |
18  | void main()  | 
19  | {
 | 
20  | uint ChkSum=0;  | 
21  | |
22  | RF2_Init( );  | 
23  | |
24  | WriteCMD( 0xCC00 );  | 
25  | WriteCMD( 0x8B61 );  | 
26  | WriteCMD( 0xA640 );  | 
27  | WriteCMD( 0xD040 );  | 
28  | WriteCMD( 0xC823 );  | 
29  | WriteCMD( 0xC220 );  | 
30  | WriteCMD( 0xC001 );  | 
31  | |
32  | while(1)  | 
33  |    {  
 | 
34  | WriteCMD( 0xC039 );  | 
35  | |
36  | WriteFSKbyte( 0xAA );  | 
37  | WriteFSKbyte( 0xAA );  | 
38  | WriteFSKbyte( 0xAA );  | 
39  | WriteFSKbyte( 0x2D );  | 
40  | WriteFSKbyte( 0xD4 );  | 
41  | |
42  | |
43  | usw..  | 
Christian Julius wrote: > Klar gibts die! I den beispielen von der Hope HP. D040 ändert laut Oszi > das Tastverhältnis des nIRQ Pins für Pollingbetrieh, sobnst snd es > scharfe Peaks für Interrupteingänge. Was CC00 macht weiss ich auch noch > nicht. Die Beispielcodes habe ich direkt wieder gelöscht, da diese derart voller Fehler waren. Fragt sich nur ob die Befehle nicht existieren, im Datenblatt vergessen wurden, ober absichtlich gestrichen wurden. Frag doch mal Elsa, was der zu den Befehlen und den Unterschieden zwischen Datenblatt und Beispielcodes meint. > Analyser etc habe ich alles.... kosten rund 300€ für die Stunde > Benutzung, es sei denn ich warte mal bis ganz lange nach Dienstschluss > und überrede unseren Funk Amateur, dass er mal mitkommt in die > Absorberkammer. Der ist ganz begeistert von diesen Basteien :-) Du musst dazu ja nicht unbedingt in die Absorberkammer: Einfach das Modul direkt an den 50Ohm Eingang klemmen (notfalls über Abschwächer, falls der Spektrum Analyser nicht soviel Spannung verkraftet). Das reicht ja um zumindest die Bandbreite, Leistung usw. zu messen. Ich kann mit meinem selbstgebauten Spektrum Analyser leider nur Relativmessungen machen. Auf dem Spektrum sind die Signale um etwa 20dB schwächer wenn ich Daten senden, als wenn ich nur den unmodulierten Träger sende. OK, ist irgendwie klar, da die Energie nun auf einen größeren Frequenzbereich aufgeteilt ist, aber 20dB kommt mir etwas viel vor. Es kann natürlich auch sein, dass mein Spectrumanalyser Mist misst.
Benedikt K. wrote: > Martin W. wrote: >> Mit dem RX Commando (&hB800) sollten doch die Empfangenen Daten, bzw >> auch schrott, je nachdem, was grad auf der Welle reitet, auf der MISO >> leitung zurück kommen .. oder täusche ich mich da? > > Ja, du täuschst dich. Das Modul läd die Daten nur dann ins FIFO wenn das > 2DDA Syncword empfangen wurde. Alternativ kann man das auch umstellen, > dass das Modul jeden Mist ins FIFO läd, aber das macht eigentlich keinen > Sinn. Du kannst es ja mal ausprobieren: Im FIFO Mode Register al auf 1 > (always fill) setzen. Dann sollte der FFIT Pin sofort aktiv werden. Mir ist gerade aufgefallen, das du hier schreibst, 2DDA, jedoch im Datenblatt 2DD4 steht .. is das n druckfehler im blatt, oder hast du dich vertipt? PS: hab das TXT nochmal etwas erweitert. MfG TPM
Benedikt, frag bDu den Elsa doch mal, ich habe da derzeit etwas viel angefragt :-) Und immer schon eine Firmensignaur unter die Mail schreien und immer "we" sagen, das kiingt besser. Es dürfte sich um eine undokumentierte Funktion handeln, wenn wenn der uC keinen INMT hat, dann ist es schwierig einen Peak von 1,6us Länge abzutasten. Gruss, Christian
Ist ein Schreibfehler von mir. A und 4 sehen ja nahezu gleich aus.
Christian Julius wrote: > Es dürfte sich um eine undokumentierte Funktion handeln, wenn wenn der > uC keinen INMT hat, dann ist es schwierig einen Peak von 1,6us Länge > abzutasten. Kannst du mal genau beschreiben, was der Befehl deiner Meinung nach bewirkt ? Was man also wie einstellen muss, damit ich das mal ausprobieren kann. Im Datenblatt von Integration steht nichts zu dem Befehl. Wenn das also eine undokumentierte Funktion ist, dann haben die das IC gut nachgebaut. Ich habe mal ein wenig die RF12 Software mit einer LCD Ansteuerung kombiniert. Dieses kleine Modul lässt sich per RS232 ansteuern und zeigt den Text dann auf dem LCD an. Weshalb ich das Bild eigentlich zeige: Die Mini Antenne funktioniert erstaunlich gut. Etwa 30m quer durchs Haus sind bei 19200Baud kein Problem, solange der Metallrahmen des LCDs nicht zwischen Sender und Antenne ist. Die HF muss also von hinten kommen.
Benedikt K. wrote:
> Die Mini Antenne funktioniert erstaunlich gut.
Hast Du die irgendwo ausgeschlachtet oder selst gewickelt?
Falls selber gewickelt, bin ich sicher nicht der einzige hier, der gerne 
näheres darüber erfahren würde (Drahtlänge, Windungszahl, Steigung, 
etc.)
  Bei Pollin oder im Baumarkt gibt es oft so eine Funktürklingel (diese hier: http://www.mitglied.lycos.de/bk4/433MHz.htm ). Von der habe ich die Antenne abgeschaut: Etwa 18mm lang, 15 Windungen, gewickelt auf 2,5mm. Der Draht müsste in etwa 0,8mm² sein. Ich habe den nächstbesten genommen den ich rumliegen hatte. Das ganze ist sicher nicht optimal, und verbesserungsfähig, aber ich denke es ist ein guter Einstiegspunkt.
Hallo! Ich bin auch noch auf der Suche nach einer Antenne. Ich braucht auf alle Fälle was robustes. Wie schauts mit der Reichweite bei einer solchen gewickelten Antenne im Vergleich zu sowas aus: http://catalog.digikey.com/scripts/partsearch.dll?Detail?name=ANT-433-PW-QW-ND Oder auch das hier: http://catalog.digikey.com/scripts/partsearch.dll?Detail?name=ANT-433-SP-ND Was hat sichs mit dieser Groundplane. Kann mir das bitte jemand erklären.HF is ned mein Gebiet ;). Hias
Die 1/4 Wave Antenne ist auf jedenfall besser, aber natürlich auch größer. Wie gut die Planarantenne ist, weiß ich nicht. Groundplane ist die Gegenelektrode zur Antenne. Bei 433MHz sollte diese im Idealfall mindestens 30cm groß sein (ich bin aber auch nicht so der HF Profi, daher keine Garantie dass das richtig ist). Gemessen an den Kosten und dem Aufwand ist die Spulenantenne meiner Meinung definitiv brauchbar.
Für 868Mhz gibts im Attachment eine Dimensionierung einer Wendelantenne. Irgendwo habe ich auch noch eine Diemnsionierung für 433Mhz. Gruß Hagen
Hier wieder mal ein Stück Software. Da die Paketisierung usw. bisher auf 2 Dateien verteilt war (main.c und rf12.c) war die Software nur schlecht für andere Projekte verwendbar. Das habe ich jetzt behoben, und die Benutzung stark vereinfacht: RF12 inititialisieren: rf12_init(); RF12 konfigurieren: rf12_config(RF_BAUDRATE, CHANNEL, POWER, RX_GAIN); Daten übertragen: rf12_putc(wert); wert=rf12_getchar(); Dann gibt es noch 2 Funktionen die anzeigt ob Platz im Sendepuffer bzw. Daten im Empfangspuffer sind. Das ganze Interface läuft nur über einzelne Bytes ab. Die Paketbildung, Fehlerprüfung usw. macht die Software in der rf12.c von alleine. Als Beispielprogramm habe ich eine RS232 Funkbrücke geschrieben. Da die gesamte Steuerung intern in den RF12 stattfindet, ist dieses Programm nun nur noch 5 Anweisungen groß. Das ganze läuft jetzt im Hintergund über einen Interrupt gesteuert. Das macht das ganze flexibler, allerdings kann der Interrupt recht lange dauern, da auch die Bestätigung im Interrupt gesendet wird. Ist keine saubere Lösung, aber das kommt noch. Daher garantiere ich auch nicht, das alles fehlerfrei ist, die langen Tests kommen noch. Da der Interrupt High Level aktiv sein muss, wird INT1 mit einem Inverter davor verwendet.
Hallo, ich habe es inzwischen aufgegeben das RFM02 dazu zu bewegen mit dem RFm12 eine Verbindung einzugehen, mir fällt nichts mehr ein. Das DQD Bit des RFM12 blinkt, es kommt also was an aber das war es auch. Ansonsten ist es ein Stochern im Dunklen, wenn man nicht messen kann, was wirklich gesendet wird. Dieser Befehl D040 bewirkt, dass das NIRQ Signal, welches den Mastertakt für die Datenbits angibt, wann diese bereits zur Aufnahme sind, einen 50% Duty Cycle hat, statt nur dünne Peaks. Zwischen den Peaks messe ich 2ms, das ist die Zeit, die ein Bit bei 4800 baud braucht, stelle ich um sind es wieder 2ms aber es ist eben kein Peak mehr, sondern ein breiter Streifen auf dem Oszi. Die werden wohl gemerkt haben, dass langsame Prozessoren oder solche die mit Batterie bei 32 khz betrieben werden es nicht schaffen 1,6us im Polling Betrieb abzutasten. Der Chip ist definitiv ein Nachbau, die Struktur haben auch die Nord-IC Chips, ausserdem kann man ja Lizensen für IP's kaufen, das sind ja bloss VHDL Codes bzw in diesem Falle noch Analog Cores, die da verbaut wurden. Da kann einfach nichts mehr falsch sein...
1  | // TX: Datenbyte raussenden  (1=warten, 0=sofort senden (nur erstes Byte))
 | 
2  | void RF_SendByte(byte data)  | 
3  | {
 | 
4  | byte i;  | 
5  | |
6  | for (i=0;i<8;i++)  | 
7  |   {
 | 
8  | while (!NIRQ); // warte auf steigende Flanke  | 
9  | while (NIRQ); // warte auf fallende Flanke, dann neues Bit  | 
10  | |
11  | if (data&0x80)  | 
12  | SDO = 1;  | 
13  |     else
 | 
14  | SDO = 0;  | 
15  | |
16  | |
17  | data = data<<1;  | 
18  |   }
 | 
19  | |
20  | }  
 | 
21  | |
22  | // >>>>> TXRX: Initialisierung des Moduls <<<<
 | 
23  | //
 | 
24  | //   BR = 344827/(R+1)/(1+cs*7) [baud]   cs=1 => 8 cs=0 => 1
 | 
25  | //
 | 
26  | |
27  | // >>>> TX: Senden einer Bytefolge + Checksumme <<<<<
 | 
28  | // <2 x 0xAA>, <Anzahl Bytes>, <Bytes>... <Bytes>, <Checksumme>, < Dummy>
 | 
29  | |
30  | #define RF_TX_ON  0xC039  // Synth,PLL,Osc = AN
 | 
31  | #define RF_TX_OFF  0xC020  // Osc bleibt an
 | 
32  | |
33  | void RFTX_Send(byte* data, byte size)  | 
34  | {
 | 
35  | byte check,cmd;  | 
36  | byte i;  | 
37  | |
38  | if (size>254)  | 
39  | size = 254;  | 
40  | |
41  | RF_CMD(RF_TX_ON); // Transmitter einschalten  | 
42  | |
43  | NSEL = 0;  | 
44  | SPIRF(0xC6); // Data Transmit Command  | 
45  | SCK = 0;  | 
46  | SSPCON_SSPEN = 0; // SPI abschalten, Bits werden manuell geschoben  | 
47  |             // NIRQ muss jetzt low sein!
 | 
48  | |
49  | RF_SendByte(0xAA); // Präambel ins Latch, lockt die PLL  | 
50  | RF_SendByte(0xAA); // Präambel ins Latch, lockt die PLL  | 
51  | RF_SendByte(0xAA); // Präambel ins Latch, lockt die PLL  | 
52  | |
53  | RF_SendByte(0x2D); // FIFO Schlüssel 2DD4 (öffnet das Tor)  | 
54  | RF_SendByte(0xD4);  | 
55  | |
56  |   // --- Ab jetzt benutzerdefiniert ---
 | 
57  | |
58  | RF_Sendbyte(MASTER_START);  | 
59  | RF_Sendbyte(size); // Anzahl folgender Bytes senden (incl Checksumme)  | 
60  | check = size;  | 
61  | for (i=0; i<size; i++) // Datensatz senden  | 
62  |   {
 | 
63  | RF_SendByte(*data);  | 
64  | check += *(data++);  | 
65  |   }
 | 
66  | |
67  | RF_Sendbyte(check); // Checksumme  | 
68  | |
69  | RF_SendByte(0xAA); // Dummy, nachschieben als Pipelineputzer  | 
70  | RF_SendByte(0xAA); // Dummy, nachschieben als Pipelineputzer  | 
71  | RF_SendByte(0xAA); // Dummy, nachschieben als Pipelineputzer  | 
72  | |
73  | NSEL = 1;  | 
74  | SSPCON_SSPEN = 1; // SPI abschalten, Bits werden manuell geschoben  | 
75  | |
76  | //  RF_CMD(RF_TX_OFF);      // TX off
 | 
77  | }
 | 
Christian Julius wrote: > ich habe es inzwischen aufgegeben das RFM02 dazu zu bewegen mit dem > RFm12 eine Verbindung einzugehen, mir fällt nichts mehr ein. Passt deine Baudrate ? Die wird beim RF02 nämlich anderst berechnet. > Der Chip ist > definitiv ein Nachbau, die Struktur haben auch die Nord-IC Chips, > ausserdem kann man ja Lizensen für IP's kaufen, das sind ja bloss VHDL > Codes bzw in diesem Falle noch Analog Cores, die da verbaut wurden. Nord-IC ?
Hi, wie wird denn die Baudrate anders berechnet? Ich kenne die Formeln, da ist nur ein Bit anders (cs). Wichtiger wäre zu wissen wann der NIRQ Takt das Bit erwartet, auf der steigenden Flanke oder auf der fallenden? Was ich auch nicht kapiere ist, dass der Empfänger mit seinem DQD Bit zappelt, auch wenn ich die Frequenz des Senders grob ändere. Ansonsten: http://www.nordicsemi.no
Welches IC soll den Hope RF ICs entsprechen ? nRF905 ? Die DQD und die VDI Bits sind bei mir nutzlos, die zappeln wie wild. Ich nutze daher eigentlich nur das FFIT Bit. Beim RF02 werden die Daten bei der fallenden Flanke übernommen.
Hello! Wen chips RFxx, Integration-s IA42xx oder IA44xx "clones" sind, auf link : http://www.integration.com/IA_MSC-DKSW1_download.shtml registration aufmachen und aus: https://www.integration.com/cgi-bin/docserv downloaden : CD1 (070702_1151).zip ( hm! 73,8 MB file). Da exist fein Win-config-tool, Chip-Configurator fuer IA422x,IA432x IA442x chips : WDS.exe ! Gruß ! Bengez M.
Das DQD Bit funktioniert wunderbar, wenn Du LNA und RSSI heruntersetzt, was eigentlich auch Sinn der Sache ist. Ist so wie die Squelch Taste an einer Funke. Findest Du einen Fehler in meinem Code für RF02?
http://www.nordicsemi.no glaub ich nicht .. das die von dem sind .. dort finden sich zwar chips, aber die arbeiten alle nur auf max. 3 bänder, ab 433MHz der Post von @Bengez M. jedoch, scheint passender zu sein. Die Componenten arbeiten nämlich auf 4 Bänder, beginndend bei 315MHz. Desweiteren können diese chips auch bis 256KBaud transferrate, als die von nordic mit nur 70K MfG TPM
RF12 ist Integration-s IA4420 oder IA4421 clone mit 50 ohm RX/TX imedance match! Gruß ! Bengez M.
ich glaube, es sind eine dieser beiden Chips http://www.integration.com/docs/IA4420-DS.pdf http://www.integration.com/docs/IA4421-DS.pdf MfG TPM
@ Martin W.
Bitte Win-config-tool downloaden , Chip-Configurator
fuer komplete family : IA422x,IA432x und IA442x chips,
    WDS.exe
probieren, func excellent !!
Gruß !
Bengez M.
  Genau: IA4221 = RF02 IA4320 = RF01 IA4420/1 = RF12 Sind in der ZIP Datei brauchbare Programme oder Infos ? Ich hab leider nur ISDN, daher ist mir die Datei etwas groß...
Könnte mal jemand die WDS.exe (falls diese nicht zu groß ist) posten, damit ich nicht alles runterladen muss ?
@Benedikt : Könnte mal jemand die WDS.exe (falls diese nicht zu groß ist) posten, damit ich nicht alles runterladen muss ? Leider : WDS.exe ist cca. 11MB gross ! Gruß aus Croatien! Bengez M.
@Benedikt >Könnte mal jemand die WDS.exe (falls diese nicht zu groß ist) posten, >damit ich nicht alles runterladen muss ? CD1 (070702_1151).zip und CD2 (070702_1151).zip sind excellente utility soft-package fuer arbeit mit Integration-s IA422x,IA432x und IA442x chips ! Gruß ! Bengez M.
@Begenz M. Die von dir beschriebene Datei existiert in dem ZIP file nicht. MfG TPM
@ Martin W.
>Die von dir beschriebene Datei existiert in dem ZIP file nicht.
Look in path : \CD1 (070702_1151)\Software\Chip Configurator\WDS 
Setup.exe
Gruß !
Bengez M.
  Bitteschön. Bei mir stürzt das Prog leider ab, wenn ich einen Chip auswähle. PS: Das ist eine VB.NET Anwendung. Folglich wird die laufzeitumgebung dafür benötigt. MfG TPM
@Martin W.
>Bei mir stürzt das Prog leider ab, wenn ich einen Chip auswähle.
WDS.exe exiestiert auf mein Acer-notebook und desk-comp.(WinXP)!
Func OK !
Bengez M.
  Hallo, ich habe spasseshalber mal bei beiden Firmen nachgefragt, ob die Kopien aus China denn legal sind. Auf die Antworten bin ich mal gespannt. Die Sache ist nämlich die, dass wenn hier jemand Chips bestellt hat und die Frachtpapiere weisen diese als Clone aus, dann war es das mit den Chips, die wandern dann in den Shredder und die Kohle ist weg. Hintergrund ist auch der, dass wir hier im Prüfinstitut immer wieder Bauteile aus China haben, die exakte Nachbauten sind aber keinesfalls das Datenblatt einhalten. Da diese Bauteile auch in Sicherheitsanlagen wandern ein lebengefährliches Spielchen. Gruss, Christian
@Benedikt Respekt, respekt ! Hast du WDS.exe endlich ausprobieren! @Christian Julius Bin auch gespant was wird ELSA aus China antworten ! Informiren weiter, bitte ! Grusse! Bengez M.
Christian Julius wrote: > Die > Sache ist nämlich die, dass wenn hier jemand Chips bestellt hat und die > Frachtpapiere weisen diese als Clone aus, dann war es das mit den Chips, > die wandern dann in den Shredder und die Kohle ist weg. Was ist dann mit den ganzen TS358, TS34063 usw. ? Was sollte denn in den Frachpapieren stehen ? Second Source, oder garnichts ? Bei mir läuft die WDS.exe. Es gibt zwischen den IA ICs und den RF ICs kleine Unterschiede, vor allem beim RF02: - kein Tasterinteface - kein EEPROM Modus - kein OOK Oder sind die Sachen nur nicht im Datenblatt beschrieben ? Diese funktionen "auszubauen" hätte ja immerhin ein kleines Redesign erfordert. Ich habe gerade mal ein paar Antennenmessungen gemacht. Die RSSI Spannung liegt bei dem getesteten Modul bei 500mV ohne Signal und etwa 1100mV mit maximalem Signal. Der Empfänger war etwa 3m vom Sender entfernt, die Sendeleistung daher auf minimal eingestellt, Modulation aus (also Dauersignal). Mit einem 17cm langen Draht ist die Leistung maximal (etwa 850mV am Empfänger). Die Helixantenne (diese mini Kupferspule) bringt nur etwa 550mV, also fast nichts. Interessant ist, dass selbst mit dieser eine Übertragung quer durchs Haus möglich ist. Allerdings liegt in der anderen Ecke vom Haus das Signal auch nur bei etwa 550mV, und das ist genau auch der Punkt wo die Empfangsprobleme anfangen. 20mV RSSI Spannung entsprechen etwa 1dB. Die 17cm Drahtantenne ist also um etwa 15dB besser als die Mini Spule. Jetzt wären mal die anderen Antennen interessant, die es u.a. bei Digikey gibt (also Chip und Planarantenne). Leider habe ich diese (noch) nicht, daher kann ich diese nicht messen. Ich werde aber sowiso erstmal bei der 17cm Drahtantenne bleiben, da diese an Einfacheit und Reichweite nur schwer zu überbieten ist.
Hab hier ne schöne sammlung von Anleitungen fürs herstellen von Antennen, für genau diesen Chip 4420 .. Die PDFs finden sich auch in Downloadverzeichnss von http://www.integration.com/docs/ Hier gibts die File's jezt als Rar: http://www.file-upload.net/download-340202/IA_ISM_ANT_Design.rar.html MfG TPM
Die Antennen sehen nicht schlecht aus, vor allem die Back IFA gefällt mir. Aber die scheint nur für 868MHz geeignet zu sein, da sie ansonsten zu groß wird. Leider sind die Dinger relativ kritisch in der Dimensionierung, und ohne geeignetes Messequipment nur schwer selbst zu bauen, da man für jede Änderung eine neue Platine ätzen muss. Dazu kommt noch, dass die Dimensionierung auch noch vom Platinenmaterial abhängt, zu dem nicht unbedingt die Daten vorhanden sind. Ich bin mal etwas mit einem tragbaren RFM12 + LCD durchs Haus gewandert. Mit einem 17cm langen Draht ist das Signal etwa 10-15dB stärker als mit der kleinen Drahtspulen Antenne. Die Reichweite ist geschätzt also mindestens doppelt so hoch. In 20m erreiche ich unter günstigen Bedingungen noch 700mV am RSSI Pin. Das RSSI Bit ist bei minimalem Schwellwert immer gesetzt, egal ob der Sender an ist oder nicht. Eine Stufe höher das gleiche. Erst ab der 3. Stufe ist das RSSI Bit gelöscht, wenn der Sender aus ist. Allerdings ist mit dieser Einstellung die Reichweite stark eingeschränkt. Je nach Empfangsposition bekomme ich ab etwa 10m vereinzelt schon ein gelöschtes RSSI Bit, während mit dem Schwellwert auf minmal oder eine Stufe darüber selbst in 20m unter ungünstigen Bedingungen die Daten noch mit hoher Warscheinlichkeit richtig ankommen. Das Clock Recovery Bit, zusammen mit Data quality detector ist eine bessere Anzeige, ob ein gültiges Signal anliegt. Dies erreicht man durch die VDI Einstellung medium. Da aber auch ohne gültiges Signal, die einzelnen Bits ab und zu erscheinen, ist wohl die Slow Einstellung oder alternativ ein Filter am VDI Signal die bessere Wahl, wenn man dieses Signal wirklich als Indikator für gültige Daten nutzt. Ich werde bei meiner Software jetzt folgende Einstellungen verwenden, da diese meiner Meinung nach optimal sind für eine hohe Reichweite: LNA Gain: 0dB Bandwidth: 200kHz RSSI: -97dB Frequenzhub: 90kHz
Kann es sein, dass die RFM12 Moduls sehr breitbandig senden ? Ich habe mal ein paar Messungen gemacht (Frequenzhub 90kHz, Daten mit 20000Baud), das Spektrum sieht aber sehr viel breiter aus. (Es kann natürlich auch sein, dass mein Spektrum Anaylser Mist misst.)
Hier zum Vergleich ein anderer 433MHz Sender von einer Funksteckdose.
Hallo, lässt sich dieses Forum eigentlich für Trolle sperren? Bzw gibt es hier aktive Moderatoren, die gelegentlich säubernd eingreifen, um den anonymen Dünpfiff hier zu begrenzen? Grundsätzlich gilt aber: Don't feed the Trolls, diese armen Menschen haben oft niemanden, der mit ihren redet, daher versuchen sie wenigstens negative Aufmerksamkeit zu erzeugen um überhaupt beachtet zu werden. Es ist mein Beruf Fragen zu stellen, auch sehr unbequeme, ich darf das, dafür werde ich bezahlt :-) Wir werden sehen was die Firmen antworten, das sind Fragen die jeder Kunde auch stellen würde. Warum teuer in den US kaufen, wenn man es zigfach billiger aus China haben kann? Es ist ja auffällig, dass die beiden Datenblätter absolut identisch sind bis ins kleinste Detail. HOPE hat keine deutschen Niederlassungen, es ist eine Tochter der Shenzen Electric Company, einem sehr grossen Hersteller elektronischer Waren, sie werden bei keinem deutschen Disti geführt, verkaufen ihre RF Module ausschliesslich über Pollin. Und Pollin versorgt mehr die Bastler und Schnäppchenjäger. Auch das stellt HOPE her: ------- MAR series RF wideband transistor We can Supply all series of MAR SMD low power low noise high frequency transistors to replace the brand of Philips,NEC,Toshiba and Motorola etc.. ------- Die MAR Series sind bekanntlich ein Produkt der Minicircuits US. Was China alles fälscht steht hier, das stimmen selbst die Bezeichnungen der Hersteller überein wie IRF, Philips, MAR usw. Und Hope mischt da kräftig mit, die sind mehrfach genannt. http://www.made-in-china.com/products-search/hot-china-products/Transistor.html Fälschungen der IRF Transistoren: http://www.made-in-china.com/showroom/chickenv2/product-detailuMFxQsNUCEcS/China-MOSFET-Transistor-IRF540N-IRF740-IRF840-.html Im letzten Fall, den ich dienstlich erlebte wurden zwangsgeführte Sicherheitsrelais eines grossen deutschen Herstellers gefälscht und ebenso die Zertifikate und Prüfsiegel, diese Relais habe ich, sie sind wertloser Schrott, der im Falle eines Versagens Menschenleben kostet. Über Umwege kamen sie nach Deutschland, versehen mit allem was die Fälscherwerkstatt der Chinesen hergibt, damit sie so aussehen wie von einem bekannten deutschen Hersteller. Was chinesische Technik oftmals taugt habe ich ja im Falle des Geländewagens Landwind erlebt, dem wir glücklicherweise zusammen mit dem ADAC die Markteinführung hier versauert haben, damit es nicht noch mehr Tote im Verkehr gibt. Aber vielleicht findet ein Herr "Senf" das ja gut und hat seine Freunde daran wenn andere zu Schaden kommen. Das aber nur nebenbei und etwas OT, sehe grad, dass hier saubergemacht wurde ;-) Christian Julius
Hallo Benedikt, das macht der D040 Befehl beim RF02 aus dem NIRQ Taktsignal für die Bits. Gruss, Christian
Back to topic. Thema Antenne. http://www.tfs.net/~petek/rockets/RDF/70ant.html Diese habe ich gerade eben nachgebaut. Das ging ziemlich flott und die Antenne ist, wie soll ich es am besten beschreiben, einfach nur spitze: Das Signal mit dieser Antenne ist ohne Sendersignal um etwa 5dB schwächer als mit der 17cm Drahtantenne, die unerwünschten Hintergrundstörungen werden also gut unterdrückt (wenn nicht gerade der Störer in der gleichen Richtung liegt). In 20m Entfernung quer durchs Haus, ist der Empfänger mit dieser Antenne immer noch übersteuert (zumindest das RSSI Signal): Das RSSI Signal hängt bei 1130mV fest, genau dem gleichen Wert wie direkt neben dem Sender. Die Antenne ist also um etwa 20dB besser als die 17cm Drahtantenne ! Wie groß die Reichweite ist, habe ich noch nicht ausprobiert, ich komme mir nämlich etwas komisch vor, wenn ich mit einer 70cm langen Yagi Antenne und einer Platine in der Hand die Straße entlang laufe... Ich möchte nicht wissen, was die Nachbarn denken, wenn sie mich so sehen. Mit 2 solcher Antennen sollte die Reichweite ziemlich hoch sein (ich schätze mal 500m oder mehr).
Interessant. Muss ich demnächst unbedingt mal ausprobieren. Bewirkt der Befehl sonst noch was ?
Hallo, netter Nachbau, allerdings fehlt etwas: Das Anpassglied vom 200 Ohm Dipol auf das Koax Kabel. Eine Parallelschaltung aus zwei 75 Ohm Kabeln würde passen, jedoch muss die Länge berechnet werden. Hier ist noch eine Bauanleitung, allerdings für das 2m Band. http://www.mydarc.de/dk7zb/5-el-2m/5Element.htm Was ich noch nicht verstanden habe ist: Sehe ich das richtig oder sind die beiden Litzen des Koax elektrisch miteinander über den Stab verbunden? Was dieser bfehl sonst noch bewirkt weiss ich nicht, der Chip kann leider nicht viel sagen :-((( Werde gleich mal mit der 40 herumspielen, die D0 ist j das Kommando.
Feierabend, RFM02 kaputt, Kurzer gegen 12V... ich habs echt drauf derzeit :-(((
Christian Julius wrote: > netter Nachbau, allerdings fehlt etwas: Das Anpassglied vom 200 Ohm > Dipol auf das Koax Kabel. Eine Parallelschaltung aus zwei 75 Ohm Kabeln > würde passen, jedoch muss die Länge berechnet werden. Denke ich nicht: bei deinem Link werden beide Stäbe angesteuert. Bei meinem Link besteht der gespeiste Stab aus einer Schleife auf einer Seite. Das dient vermutlich als Anpassung. Ich werde mir jetzt noch eine zweite Antenne bauen und dann mal schauen wie weit ich komme. Wenn die Reichweite bei >200m liegt, kann ich in die Wildniss, dann sieht mich (hoffentlich) niemand mit der Antenne.
Besser ist das in der Wildnis, sonst sind die Herren mit den jackenm die nach hinten zugeknöpft werden nicht allzu weit ;-) Löte grad den letzen Chip ein, den ich noch habe...
Lieber die Jungs mit der Jacke, als die Jungs mit der Antenne auf dem Dach. Letzeres wird nämlich schnell teuer...
OT: >>Im letzten Fall, den ich dienstlich erlebte wurden zwangsgeführte >>Sicherheitsrelais eines grossen deutschen Herstellers gefälscht und >>ebenso die Zertifikate und Prüfsiegel, diese Relais habe ich, sie sind >>wertloser Schrott, der im Falle eines Versagens Menschenleben kostet. Redest du von Fa. P*lz? Pollin hat schon ein Problem mit Patentverletzungen gehabt. Die kleine Aderendhülsen-Quetschzange im letzten Sonderkatalog haben sie wegen solcher Probleme zurückziehen müssen... Zum Thema: Bin gerade auch am Basteln mit zwei RFM12. Zeichne gerade das Layout. Ich will sie zur Datenübertragung zwischen einer Außen-Wetterstation und einem Webserver verwenden. Welchen Mindestabstand sollte man zwischen Modul und µC verwenden? Gruß Elektrikser
So fertig, wird mal Zeit Adapterplatinen zu machen, das nervt auf Dauer mit dem Silberdraht auf der Lochraster.... Ok, ich probiere noch ein wenig, morgen kommen meine Frau und die Kiner wieder, dann geht nichts mehr über das WE.
Hallo Leute, anbei mal eine Umwegleitung. Das Bild hat wohl schon Altertumswert. Die Verkürzungsfaktoren sind wohl zu erfahren. Vielleicht kann es jemand gebrauchen. Wigbert
@Christian Julius (Firma privat) (elektroniker1968) : Du Pfeife, habe ich geschrieben die sitzen in Deutschland. Lesen kanner also auch nicht. Man sieht sich im Leben immer 2 mal. Bis demnächst.
Klasse! Sowas Ähnliches habe ich auch noch in meinen alte Röhrenbüchern. Da der PIC auch grad zerschossen wurde dauert es jetzt etwas länger, muss dringend mal wieder bei ebay auf die Jagd nach PICs gehen, die gehen mir langsam aus...
Hi Christian, richtig. Und lass doch nicht Deine Wut an den Pics aus, überrasch uns lieber weiterhin mit Deinen konstruktiven Beiträgen. Es gibt immer neidische Zeitgenossen. Wigbert
Wigbert, ich entspanne grad mit Mozarts "Kleiner Nachmusik", natürlich stilecht :-)
@Wigbert P. ... Hui .. is die seite zufällig aus dem Buch "Antennen" (zeitraum: DDR) ? PICs mag ich nicht .. die hab ich früher immer zerlegt, wie grass, das im Wind bricht. Ich nutz nur noch AVRs, die sind robust, das is teilweise schon wahnsinn. (PS: Habs mal nen Mega8 udn nen Tiny2313 mit knapp über 50MHz angetacktet ... hrrr .. das macht spass! Power ohne ende) MfG TPM
Errrrrrrrrrrrr gäääääääääääääääht ! DAS SCHEISS DING GÄÄÄÄÄÄÄÄHT! (O-Ton Der Sachse, 200 Puls) RFM02 und RFm12 reden miteinander und ich habe es nicht mal bemerkt! Gucke grad auf dei Anzeige und da laufen die Zahlen. Verändert habe ich nichts, vielleicht war der eine RFM02 einfach defekt. Sapperlot und Kruzifix, da gehn ma gleich mal gschwind in den Keller und machen uns ein Bierchen auf ;-)
Hallo Maritin,
>@Wigbert P. ... Hui .. is die seite zufällig aus dem Buch "Antennen"
(zeitraum: DDR) ?
ok, aber manchmal sind auch die einfachsten lösungen, die besten.
Man hat ja das Material der Umwegleitung sowieso über.
Die Yagi ist ja sowieso kompakt und da ist das eine "bequeme"
Lösung. Und spielen tut das Ding allemal.
Wigbert
  Klaus, wie schaut es mit den RFm12 aus? Kann man in die Lieferung noch einsteigen?
Appropro RSSI ... kann es sein, das das RFM12 garkein RSSI ausgang besizt, und ich folglich garkeine Signalstärke messen kann, abgesehen vom DRSSI Bit im Status-register ?!? @Wigbert .. ? .. verstehe deine Antwort in bezug auf meine Frage nicht :] MfG TPM PS: TXT nochmal etwas überarbeitet, udn n grossen fehler behoben g (Dezibel/meter) meiomei .. so ein schmarn von mir ... tz tz tz
@christan: ne du... ich bin da dabei Beitrag "Sammelbestellung RFM12" und steffen hat schon vor längerer zeit bestellt.
Martin W. wrote: > Appropro RSSI ... kann es sein, das das RFM12 garkein RSSI ausgang > besizt, und ich folglich garkeine Signalstärke messen kann, abgesehen > vom DRSSI Bit im Status-register ?!? Jain. Er existiert, aber nur auf dem Modul. Auf einer Seite sind 2 SMD Kondensatoren. Davon ist es der vorderste Kontakt direkt an der Ecke. Christian J. wrote: > RFM02 und RFm12 reden miteinander und ich habe es nicht mal bemerkt! > Gucke grad auf dei Anzeige und da laufen die Zahlen. Verändert habe ich > nichts, vielleicht war der eine RFM02 einfach defekt. Mit dem D040 Befehl aktiv ?
Bitte melde dich an um einen Beitrag zu schreiben. Anmeldung ist kostenlos und dauert nur eine Minute.
  
  Bestehender Account
  
  
  
  Schon ein Account bei Google/GoogleMail? Keine Anmeldung erforderlich!
Mit Google-Account einloggen
Mit Google-Account einloggen
  Noch kein Account? Hier anmelden.















