Hallo, ich habe den Artikel zur Konstantstromquelle http://www.mikrocontroller.net/articles/Konstantstromquelle mal etwas bearbeitet. In den nächsten Tagen werden ich mal die Threads aus dem Forum durchsuchen, auswerten und das in dem Artikel zusammenfassen. Fall jemand etwas beitragen will, ist er dazu herzlich eingeladen. Axel
Ich habe gerade keine Zeit (Ausrede No1 ;) ), aber könntest du noch ein paar Sache mit hineinbringen? Soweit ich weiß, kann man eine Konstantstromquelle auch mittels LM26xx oder MC34063 aufbauen, das sind zwar Konstantspannungsquellen, aber es geht. Was ich ausprobiert habe ist eine Schaltung von www.led-treiber.de. Das funktioniert, ist aber vielleicht nicht so schön. Eine weitere Möglichkeit sind die diversen step-up led-treiber von national semi usw. Gerade bei step-up ist es schwierig sich zu orientieren. Natürlich nur wenn du Zeit und Lust hast :) Ich habe mich einmal hindurchgewühlt. Es wäre schon gut, wenn die ein, zwei sinnvolle Threads verlinkst. Die meisten gehen in sinnlosen geflame unter und es ist zeitverschwendung, sie durch zu lesen.
Hat jemand hier Details zum Startverhalten der angegebenen Konstantstromquellen? Also z.B. mit welcher Frequenz man die maximal ein- und ausschalten kann oder wie sich der Strom am Anfang verhält?
@Axel: Ich Umgehe das Problem der Einschwingzeit mittels einem Mosfet, der die eigendliche Last (=LED) kurzschließt. Habe festgesetellt, dass eine derartige Laständerung wesentlich einfach in Griff zu bekommen ist, das direktes ein/ausschalten der Konstantstromquelle.
Wie machst du das dann, wenn keine Last dran ist? Den Strom einfach über einen Widerstand leiten? Irgendwo muss der ja hin gehen.....
Ich denke mal er schließt die Last kurz. In dem Artikel steht unter Nachteile bei der Stromquelle mit Bipolartransistoren, dass die Verlustleistung höher wäre. Das macht irgendwie keinen Sinn, denn egal ob Bipolar oder FET, die ungenutze Spannung wird bei beiden verbraten...
Ich raffe das wohl noch immer nicht. Was genau heisst "Last kurzschliessen" denn? Ich interpretiere das so, dass in dem Fall z.B beide Anschlüsse der LED zusammengeschaltet werden. Und in dem Fall gibt es ja dann keine Last mehr - nur wo geht dann der Strom hin? Irgendeinen Verbrauche muss ich doch haben...?
@ Axel >Ich raffe das wohl noch immer nicht. Was genau heisst "Last >kurzschliessen" denn? Ich interpretiere das so, dass in dem Fall z.B >beide Anschlüsse der LED zusammengeschaltet werden. Und in dem Fall Genau. >gibt es ja dann keine Last mehr - nur wo geht dann der Strom hin? Der Weg alles Irdischen. Der Strom fliess nach Masse. Und die Stromquelle bekommt die volle Betriebsspannung ab und muss dementsprechend die Leistung verbraten. Ob das so sinnvoll und notwenig ist, sei dahingestellt. Ich behaupte mal, dass eine Stromquelle mit LM317 ein überaus passables Einschaltverhalten zeigt und somit die Brachialmethode überflüssig ist. MfG Falk
>Soweit ich weiß, kann man eine Konstantstromquelle auch mittels LM26xx >oder MC34063 aufbauen, das sind zwar Konstantspannungsquellen, aber es >geht. Eine "schaltgeregelten" Konstantstromquelle würde ich auch sehr gerne sehen :-) Ein sehr schöner Artikel von EDN dazu: http://www.edn.com/contents/images/53002di.pdf (Artikel auf letzter Seite)
> Der Strom fliess nach Masse. Und die Stromquelle bekommt die volle > Betriebsspannung ab und muss dementsprechend die Leistung verbraten. > Ob das so sinnvoll und notwenig ist, sei dahingestellt. Ich behaupte Macht das ein normales Netzteil so ohne weiteres mit - also wird dann einfach nur schön warm? Oder verabschiedet sich das dann irgendwann mal? > mal, dass eine Stromquelle mit LM317 ein überaus passables > Einschaltverhalten zeigt und somit die Brachialmethode überflüssig ist. Was ist denn genau "überaus passabel", kannst du das irgendwie in ns ausdrücken oder eine Ein/Aus Frequenz angeben, über das sich der Strom dann nicht mehr stabilisiert. Mich interessiert bei den Schaltungen auch, was genau passiert - also steigt der Strom einfach von 0 an oder schwingt sich das ein, so dass auch mal höhere Ströme fliessen können, bis das stabil ist?
> Macht das ein normales Netzteil so ohne weiteres mit
Seit wann hat ein Netzteil Probleme mit konstanter Last?
> Ja, dann verheizt die Konstantstromquelle eben die gesamte Leistung. Genau so meinte ich das.. ;-) > Ich behaupte mal, dass eine Stromquelle mit LM317 ein überaus passables > Einschaltverhalten zeigt und somit die Brachialmethode überflüssig ist. Da irrst du leider.. :-/ Mir hat so ein doofer LM317 durch einen Überschwinger (hatte ich damals mitgeloggt) einen Prüfling zerstört.. :(
> Mir hat so ein doofer LM317 durch einen Überschwinger (hatte ich > damals mitgeloggt) einen Prüfling zerstört.. :( Das ist doch gleich mal was, das sich in dem Konstantstromquelle-Artikel verwenden lässt. Wenn du da noch ein paar Details hast, wäre das evtl. noch besser. :) Axel
@ Der Techniker >> Ich behaupte mal, dass eine Stromquelle mit LM317 ein überaus passables >> Einschaltverhalten zeigt und somit die Brachialmethode überflüssig ist. >Da irrst du leider.. :-/ >Mir hat so ein doofer LM317 durch einen Überschwinger (hatte ich damals >mitgeloggt) einen Prüfling zerstört.. :( Hmm, ist das ein prinzipieller Fehler des LM317 oder eher deiner Schaltung? Ist das Problem nachvollziehbar? Wenn du es mitgeloggt (schönes Wort ;-) hast, kannst du dann den Stromverlauf darstellen? Und die Schaltung dazu? MFG Falk
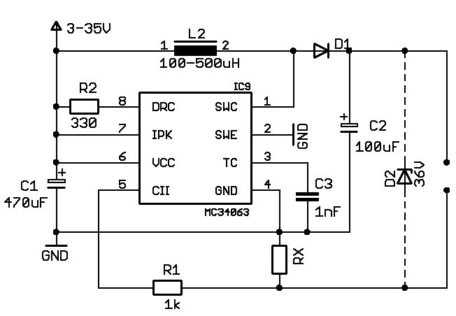
Hier mal eine einfache Konstantstromquelle mit einem MC34063: Der Ausgangsstrom beträgt 1,25V/Rx, die Spannung an der Last muss mindestens 5V betragen, die Stromquelle ist also nicht kurzschlussfest. Das ganze kann man z.B. für mehrer LEDs in Reihe verwenden um diese mit 5V oder mit 4x 1,5V Batterien zu betreiben. Weiterhin ist zu beachten, dass die Schaltung auch nicht leerlauffest ist: Im Leerlauf läuft die Spannung auf >40V, und dann geht der MC34063 kaputt. Daher sollte man zur Sicherheit eine 30-40V Z-Diode parallel zur Last legen, wenn es passieren kann, dass die Last abgeklemmt wird. Aufgrund des Elkos am Ausgang ist die Stromquelle recht träge.
Lustig, bei mir auf dem Rechner funktioniert das Bild. Hier nochmal als gif.
@ Benedikt K. (benedikt) >Hier mal eine einfache Konstantstromquelle mit einem MC34063: Das Bild ist rabenschwarz. >passieren kann, dass die Last abgeklemmt wird. Aufgrund des Elkos am >Ausgang ist die Stromquelle recht träge. Wozu dann der Elko? MFG Falk
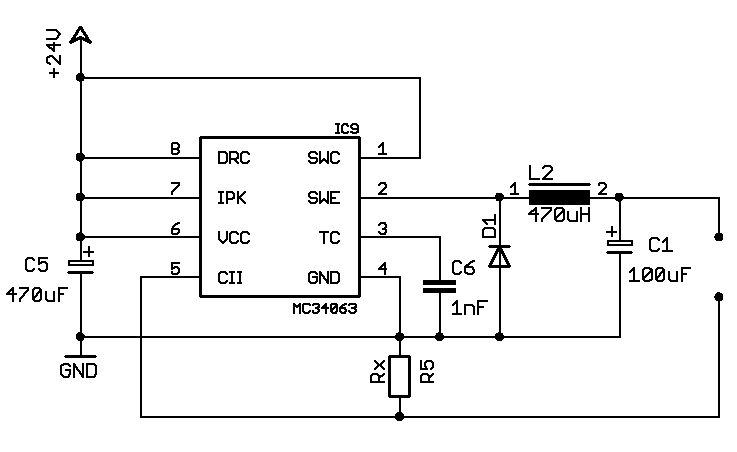
Und hier eine weitere Version als Step-Down: Diese Version ist Leerlauf und Kurzschlussfest. Allerdings entläd sich der Elko erstmal in die Last, wenn man diese im Betrieb anklemmt. Dadurch kann die Last und der MC34063 beschädigt werden. In diesen Fällen sollte man daher einen Widerstand zwischen Rx und Pin5 vom 34063 einbauen, damit dieser nicht beschädigt wird. Das gleiche gilt auch bei der Step-Up Version.
Falk wrote: >>passieren kann, dass die Last abgeklemmt wird. Aufgrund des Elkos am >>Ausgang ist die Stromquelle recht träge. > > Wozu dann der Elko? Das ganze ist ein Schaltregler. Ohne Elko hat man keine Gleichspannung sondern eine gepulste Rechteckspannung am Ausgang.
OK, besser. Aber sollte man nicht a) die Z-Diode zur Spannungsbegrenzung gleich einzeichnen b) Den Sense Widerstand Rx nicht kleiner machen und per OPV die Spannung wieder verstärken? Denn So eine Stromquelle mit Schaltregler ist ja vorzugsweise für grosse Lasten gedacht ala LUXEON LEDs etc. Wenn dort bei 350mA 1,25V abfallen sind das immerhin ~440mW. Nicht soooo wild, aber unschön. c) Muss C1 so gross sein? MfG Falk
Falk wrote: > a) die Z-Diode zur Spannungsbegrenzung gleich einzeichnen OK, mach ich. Wenn z.B. die LEDs aber direkt auf der Platine sind, kann darauf aber verzichten. Nur wenn ein Kabel zwischen 34063 und LEDs sind solle man diese einbauen. > b) Den Sense Widerstand Rx nicht kleiner machen und per OPV die Spannung > wieder verstärken? Denn So eine Stromquelle mit Schaltregler ist ja > vorzugsweise für grosse Lasten gedacht ala LUXEON LEDs etc. Wenn dort > bei 350mA 1,25V abfallen sind das immerhin ~440mW. Nicht soooo wild, > aber unschön. Das ist eine Möglichkeit, ich habe das ganze erstmal so einfach wie möglich gemacht. Allerdings macht das bei der StepUp Variante kaum Sinn, denn diese ist bevorzugt bei Spannungen >10V einzusetzen, und dann gehen nur <10% verloren. Es gibt andere ICs die weitaus besser für Stromquellen geeignet sind, diese haben dann teilweise nur 50mV statt den 1,25V auf die am Feedback Pin geregelt werden. Dafür ist der 34063 aber weit verbreitet und günstig überall zu bekommen. > c) Muss C1 so gross sein? Bei der StepUp Variante je nach Strom und gewünschtem Ripple teilweise ja, bei der StepDown Variante kann man eigentlich auf diesen verzichten, wenn die Induktivität größer gewählt wird.
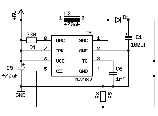
Ich habe das ganze nochmal ein wenig ordentlicher gezeichnet. Die Bauteilwerte sind alle relativ unkritisch. Je nach Betriebsspannung sind die Bauteilwerte etwas anzupassen um den optimalen Wirkungsgrad und die beste Performance zu erziehlen. Die eingezeichneten Bauteilwerte sind für geringe Ströme (<100mA) und Eingangsspannungen zwischen 5 und 15V ausgelegt. R2 sollte bei hohen Spannungen vergrößert werden. Wie man die Werte genau berechnet steht in der Application Note AN920/D: http://www.onsemi.com/pub/Collateral/AN920-D.PDF
Bei der Stepdown Version kann man die Elkos noch kleiner machen, wenn man die Spule vergrößert. Wie immer ist das ein Kompromiss zwischen Wirkungsgrad, Kosten und Bauteilgröße.
@ Benedikt K. Und nun nur noch in den Wiki-Artikel einfügen. ;-) MFG Falk
Könnte mal jemand noch das andere Bild einfügen und einen Abschnitt für den Text ? Ich habe leider keine Ahnung wie das funktioniert, ich kann nur den Text bearbeiten.
@ Benedikt K. (benedikt) >Könnte mal jemand noch das andere Bild einfügen und einen Abschnitt für Hab ich gemacht. >den Text ? Ich habe leider keine Ahnung wie das funktioniert, ich kann >nur den Text bearbeiten. Dann solltest du es lernen. Ist wirklich einfach. Probiers mal. Man kann ja so schnell nix kaputt machen ;-) MFG Falk
Hallo Leute, auf www.led-treiber.de sind noch einige Ideen dazu. Speziell mit TDA2050. Damit will ich mal was mit Akkus probieren aber mit (A2030). Vielleicht findet ihr da noch was interessantes. Gruß Stephan
> Ich Umgehe das Problem der Einschwingzeit mittels einem Mosfet, der die > eigendliche Last (=LED) kurzschließt. Muss das eigentlich unbedingt ein Mosfet sein oder tut das auch jeder andere Transistor, solange er den Strom verträgt?
Hallo, Hat jemand einen Schaltplanentwurf für eine Konstantstromquelle mit dem besagten MC34063A als Buck/Boost-Aufbau (Invertierender Aufbau)?
Datenblatt Seite 8, anstelle der Ausgangsspannung misst du über nen Shunt gegen Masse.
Den Shunt zwischen Pin 5 und Masse? Oder sehe ich da was Falsch? Gibts vielleicht irgendwo ein Schaltbild?
Mathias schrieb: > Gibts vielleicht irgendwo ein Schaltbild? Scroll ganz nach oben, klick auf den Link im ersten Beitrag.
Diese Schaltbilder in dem Link im ersten Beitrag sind für Step Up und Step Down. Ich habe es so aufgebaut und habe dann nur 1,3V am Ausgang!
Bitte melde dich an um einen Beitrag zu schreiben. Anmeldung ist kostenlos und dauert nur eine Minute.
Bestehender Account
Schon ein Account bei Google/GoogleMail? Keine Anmeldung erforderlich!
Mit Google-Account einloggen
Mit Google-Account einloggen
Noch kein Account? Hier anmelden.




