Hallo Leute, Ich bin auf der suche nach einer einfachen Lösung um ein Bistabiles Relay (mit 2 Spulen) mit nur einem Portpin (Mega8) zu betreiben. Habe zwar hier schon ein paar threads gelesen, bin aber noch nicht fündig geworden. Bitte um Hilfe
@Robert Probst (bertinsky) wilst du nur ein relais ansteuern. MfG
Hi Juppi Nun ja in summe werden es 6 Relais mit jeweils 2 Spulen sein. Leider gehen mir chronisch die Ports aus, darum möchte sich ein Relay mit nur einem PIN steuern. Den Freundlichen Beitrag von Düsentrieb find ich zwar nicht so witzig, da ich neu in dem Forum bin und mich scheinbar noch an Eu're Umgangsweise gewöhnen muß. Aber Danke daß Du mir wenigstens ein Paar nützliche Tipps gibst. Ich hab mir den geposteten Beitrag durchgelesen, bin aber noch nicht ganz auf die Lösung gekommen. lg Robert
Du kannst die zwei Spulen mit zwei Transistoren anschalten. C an Spule, E an GND. Nun steuerst Du den einen Tr. über einen Basis-R direkt an, den anderen invertiert (mit einem Tr.). Braucht also nur einen Ausgangs-Pin des µC.
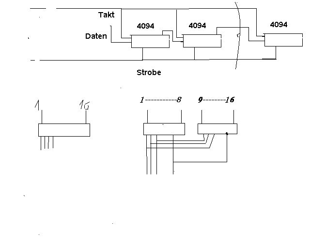
@jack (Gast) mußt alles lesen. @Robert Probst (bertinsky) es werden meistens nur links gezeigt, oder "geschriebene Zeichnungen" Denke daran, es gibt immer Sachliche. Was hält du von schieberegister z.B, 4094 2 stücK Dann brauchst du nur noch 3 bit. mit Dekocer 4 auf 16 geht es auch weil du mit Bi-relais arbeitest. brauchste 4 Bit Wenn dich dies Interessiert poste . MfG
Hi Ihr Danke für Eure Postings! @ Juppi: Ja an ein Schieberegister hab ich schon gedacht, ich wollte aber im vorhinein an eine Lösung denken (Transistoren) wobei ich nicht gleich wieder losziehen muß um ein paar Dinge zu kaufen. (Österreich is ziemlich rückständig wenn es um günstige Bauelemente geht ;) ) Aber deine Lösung gefällt mir sehr gut. @jack: Das müßte dann aber funtionieren, wenn ich zusätzlich 2 Elkos zu den Spulen hänge, um das Stromstoßrelay nicht permanent zu versorgen, oder? - Weiters denke ich an eine Lösung mit 2 XOR Gattern (einmal Portpin gegen VCC und einmal Portpin gegen Gnd), ist aber noch nicht so ausgereift...
@Robert Probst (bertinsky) es gibt noch eine Multiplexen ich glaube brauchst nur 7 transistoren muß malen
>Den Freundlichen Beitrag von Düsentrieb find ich zwar nicht so witzig
immer wieder die gleichen fragen...is ja auch nicht witzig - oder?
kann der pin das relais treiben? impedanz des relais? dann is doch
einfach..
Hi again Danke Juppi, dein Plan schaut wirklich cool aus, und ich wollt' schon immer eine Transistor-Farm gründen ;) - Werd ich morgen probieren. @ Düsendrieb, Ja ich versteh schon daß immer wieder die gleichen Fragen nerven, aber versteh mich bitte auch, daß ich nach längerer Suche nicht 1000 Artikel (gidf) lesen will, um eventuell mein Problem darin wieder zu finden, wenn ich nur gach eine "einfache" schaltung suche. But anyhow, danke dennoch für dein Posting.
ah so, hätt ich fast vergessen: Nein, kann das Relais nicht direkt vom Port treiben (wenn ich deine Frage richtig versteh) 12V relais (RAL-D 12W-K) lg
öh ja, sowas hatte ich heute auch mal aufgebaut, aber bei jedem Flankenwechsel hat das Relais zum prellen angefangen (3k3 + 47uF an der Basis) eventuell falsch dimensioniert?
@Düsentrieb (Gast) solche c-lösungen sollte man nicht einsetzen. @Robert Probst (bertinsky '@ Düsendrieb, Ja ich versteh schon daß immer wieder die gleichen Fragen 'nerven, aber versteh mich bitte auch, daß ich nach längerer Suche nicht '1000 Artikel (gidf) lesen will, um eventuell mein Problem darin wieder 'zu finden, wenn ich nur gach eine "einfache" schaltung suche. But 'anyhow, danke dennoch für dein Posting. auch meine Meinung; wer nichts weis, Antwortet nicht. oder es wird Konkret Nachgefragt wenn man helfen möchte. poste mal welche Lösung du nimmst. MfG
Robert Probst wrote: > öh ja, sowas hatte ich heute auch mal aufgebaut, aber bei jedem > Flankenwechsel Was ist eigentlich ein Flankenwechsel ??? Kann es sein, dass Du einen Pegelwechsel, also eine Flanke meinst? > hat das Relais zum prellen angefangen (3k3 + 47uF an der > Basis) eventuell falsch dimensioniert? Bei 12V-Relais würde ich über billige Mehrfach-OPVs nachdenken (symmetrische Stromversorgung). Den AVR-Ausgang im Ruhhezustand hochohmig (als Eingang ohne PullUp) schalten und mit Widerständen auf halben H-Pegel fixieren, der auch als Referenz am OPV verwendet wird. Bringt der AVR H-Pegel, so schaltet der OPV in die eine Richtung, bei L-Pegel in die andere Richtung. Eine Gegenkopplung sorgt für sauberes Abschalten. ...
@Robert Probst (bertinsky) jetzt hänge ich mich nochmal rein. Du Benutzt die Bi-Relais weil du sie hast. Diese Relais sind teurer als normale. 12V relais Strom ?? MfG
@Robert Probst >Autor: juppi (Gast) >Datum: 22.02.2008 16:55 ist Falsch Dachte eigendlich es merkt jemand. besser!! MfG
Grüße! @hannes, ja ich meine natürlich Pegelwechsel (also bei jeder Flanke) Die Relais verwende ich, weil ich da schon mehrerer habe, und weil bistabile "stromsparender" sind. Die 12V relais schalten bei ca 15mA. Die geschichte mit den Transistoren funktioniert jetzt ganz gut! @ All Danke für Eure Tipps und Eure Geduld.
mein Vorschlag du nimmst ein Latch 74HC573 als Porterweiterung aus einem Port machst du dann einfach 2 allerdings kannst du die Datenrichtung über der Latch nicht ändern.
Bitte melde dich an um einen Beitrag zu schreiben. Anmeldung ist kostenlos und dauert nur eine Minute.
Bestehender Account
Schon ein Account bei Google/GoogleMail? Keine Anmeldung erforderlich!
Mit Google-Account einloggen
Mit Google-Account einloggen
Noch kein Account? Hier anmelden.




