Hallo, ich bin auf der Suche nach einem Schaltplan für ein kleines Labornetzteil (20V/1A), klassisch Aufgebaut mit 2 Operationsverstärkern. Hab auch schon ein bischen die Suche benutzt und bin auf folgende Projekte gestoßen: http://www.electronics-lab.com/projects/power/003/index.html Jedoch scheint es bei der Schaltung zahlreiche Probleme (und regelmäßige Verbesserungen) zu geben. Siehe den 156 Seiten langen zugehörigen Thread: http://www.electronics-lab.com/forum/index.php?topic=7317.0 Doe folgende Schaltung sieht zwar recht gut aus, hat jedoch keine Variable Strombegrenzung http://www.elektronik-kompendium.de/public/schaerer/kdarl2.htm Hat vielleicht jemand von euch einen etwas ausgereifteren Schaltplan oder einen Link zu einem ähnlich gut kommentierten Projekt zur Hand? Schaltungen mit L200 und LM723 scheiden aus, da erst ab 2,85V (L200) bzw. häufigen Problemen mit der Strombegrenzung(LM723). Daher sollte es diskret Aufgebaut sein. Danke für eure Vorschläge Thomas PS: Kennt jemand einen linearen 5V/0,5A Festspannungsregler mit variabler Strombegrenzung? Einen L200 für sowas zu "missbrauchen" wäre ein bischen Perlen vor die Säue.
:
Verschoben durch Moderator
ich würd 2 LM317 empfehlen. Einer als Spannungsregler und Einer als Stromregler. Damit kannst du beide Probleme erschlagen. bye Frank
Das hier ist auch klassisch, aber mit einem LM723: http://blackstrom.derschwarz.de/schaltungen/netzteil/0_30V.gif Gruss, ö
http://comwebnet.weimars.net/index.php?option=com_content&task=view&id=49&Itemid=99999999 hier wäre auch eins,statt PWM kannst auch Potis nehmen.
Hallo Thomas, schau dir mal dieses Netzteil an http://www.elecfree.com/circuit/power-supply/power-supply-regulator-0-50v-2a-by-ic-lm723-transistor-2n3055-bd140-a671/
In der Elektor 12/1982(!) war ein Labornetzteil 0-35V/0-3A. Dieses tut bei mir heute noch in Doppelausführung seinen Dienst. Es ist nie irgendwas durchgebrannt ;-) Es ist auch kein Schlabber-723 verbaut. Leider hab ich aber auf den Schaltplan keinen Zugriff mehr. Aber einer der Mitleser vielleicht... Es war übrigens jene denkwürdige Ausgabe, in der die Crescendo MOSFET Endstufe enthalten ist.
@Thomas (Gast) Wie hoch sollen die Grenzwererte sein (I,U) Genauigkeit der I/U werte Mfg
Es gibt eine Schaltung für den L200 bei der man bis auf 0V herunterregeln kann: http://www.st.com/stonline/products/literature/ds/1318/l200.pdf (Seite 8) Benötigt allerdings noch eine negative Hilfsspannung (-3V/10mA). Die Probleme mit der Strombegrenzung beim LM723 scheinen auf einen fehlerhaften Schaltplan zurückzugehen. Da wurde der Kompensationskondensator falsch dimensioniert (100nF anstelle von 1nF). Diese Vorlage hat sich hartnäckig gehalten... Ich hatte mit meinen LM723-Schaltungen (allerdings als MAA723) nie Probleme.
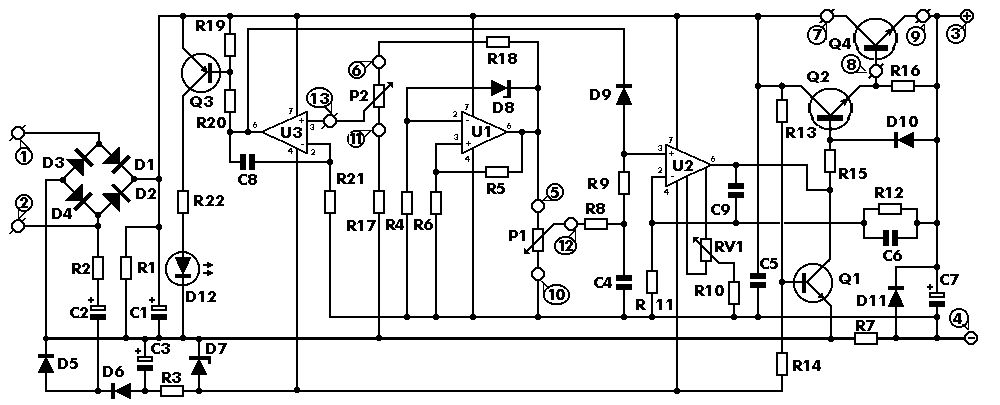
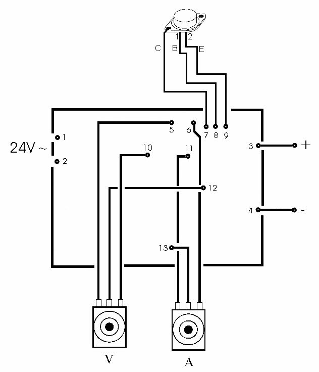
Hallo Thomas, Anbei sind Unterlagen fuer ein professionelles Labornetzgeraet mit einseitigen Platinenlayout. Durch bestimmte Wertefestlegung gewisser Bauteile laesst sich der Ausgangsbereich den individuellen Wuenschen anpassen. Die Geraetekonzeption ist fuer eine Maximalbereich der Spannung/Strom von 6V/10A bis 100V/1A geignet. Die Schaltung erlaubt: - LED MODUS Anzeige, d.h. Konstantvolt oder Konstantstrom - LCD Panelmessgeraete oder Analoginstrumente mit Eichungsregler auf der Platine sind moeglich. - Spannungsregler fuer LCD Panelmeter - Handelsuebliche bedrahtete billige Bauteile - Automatische Laengstransistorumschaltung um Verlustleistung zu minimieren - Getrennte Regler fuer Spannung und Stromeinstellung - Schalter vorgesehen fuer die Einstallung des maximalen Konstantstromwertes (S2) - Externe Anschlussmoeglichkeiten fuer eventuelle Computersteuerung - Minimale externe Bauelemente notwendig - Alle Bauteile bei Digi-Key erhaeltlich - Kurzschluss- und Transienten geschuetzt. - Ausgangspannung ist abschaltbar (SW1). Ich hoffe dass diese Unterlagen fuer Euch vielleicht von Nutzen sind. Habe eine fruehere Version mit 25V/2A und 50V/1A schon seit 20 Jahren im Laboreinsatz. Gruss, Gerhard
In diesem Paket ist noch ein Platinenbild mit den drei notwendigen Drahtbruecken eingezeichnet. Die waren vorher nicht ersichtlich. Wer sich die Platine professionell herstellen lassen will, soll sich bei mir zur Zusendung der GERBER files melden. Diese Version ist zweiseitig kaschiert mit Kupferflaechen auf der Oberseite. Die Drahtbruecken sind bei dieser Version natuerlich nicht notwendig.
Noch eine Korrektur: Die Panel Meter muessen LED Typen sein mit 5V Spannungsversorgung da LCD voltmeter ungleich der LED Typen ICS keinen gemeinsamen Zusammenschluss von Eingang und Versorgungsspannung erlauben. Falls LCD Typen verwendet werden sollen, muss eine galvanische Trennung vorhanden sein. Billige DC-DC Converter Module kann man von alten ISA BUS Netzwerkkarten ausbauen die von entweder 5V oder 12V eine galvanisch getrennte 9V Spannung erzeugen die ideal fuer LCD Module geignet ist.
Anfrage an Thomas: Hi, lass mal was von Dir hoeren. "...ich bin auf der Suche nach einem Schaltplan für ein kleines Labornetzteil (20V/1A), klassisch Aufgebaut mit 2 Operationsverstärkern..." Ist das was Du Dir vorgestellt hast? Hier ist noch eine zweite Link von mir: Beitrag "Funkschau Labornetzgeraet Nachbau aus Funkschauheft 12, 1973" Bin nur ein bischen neugierig. MFG, Gerhard
Hallo Gerhard. erstmal ein dickes Dankeschön für deine Mühe und die 2 eingestellten Schaltpläne und sorry, dass ich nicht früher Antworten konnte. Der erste Vorschlag ist für mich als "relativen" Anfänger einfach noch 2 Nummern zu groß. Wenn da etwas nicht funktionieren würde wäre ich mit der Fehlersuche vollends überfordert. Der 2. Plan sieht schon etwas leichter zu realisieren aus, jedoch immer noch sau viel Arbeit. Auch wenn Ihr mich jetzt totschlagt, zur Zeit tendiere ich eher zu einem alten generalüberholten von Philips, HP, Hameg etc. Wäre Preislich günstiger, Funktionsgarantie und Qualitativ gesehen wahrscheinlich deutlich besser. Dennoch Danke für die Zahlreichen Vorschläge, die evtl. für andere Suchende sehr Hilfreich sein werden.
Hallo Thomas, vielen Dank fuer Deine Nachricht. Ich glaube nicht dass Dich die Funkschauversion ueberfordern wuerde. Ich habe mir damals in 1973 als Anfaenger und Student das Geraet auf Anraten einen Freundes aufgebaut und habe es nie bereut. Das einzige Problem war das Schwingen des Spannungsvergleicher Op-Amps. Ich habe gerade die alten Photokopieseiten gescant und die liegen im Anhang. Wenn Du nach Lesen des Artikels immer noch denkst das waere im Augenblick nicht das Richtige, dann wuerde ich die Augen aufhalten fuer irgendein gutes Gebrauchtgeraet. Die alten Hewlett Packard Netzgeraete waren immer sehr gut. Sonst habe ich keine Meinung ueber die vielen handelsueblichen Importgeraete. Ich bin der Ansicht dass ein Selbstbau eines Netzgeraetes einfach zum Werdegang eines angehenden Fachmann dazugehoert und man kann viel beim Aufbau und der Inbetriebnahme lernen. Abgesehen davon, ist es auch eine gute Uebung Deiner Handwerksfaehigkeiten. Viele Bauteile koennte man aus alten VCRs und anderen Elektroniksachen ausbauen. Das beschriebene Funkschaugeraet ist eigentlich nicht zu aufwendig oder kompliziert. Wenn man sich das mal durchliest geht es schon. Also, nix da mit kaufen - selberbauen musst es Dir; -) Jedenfalls, wie Du Dich immer auch entscheidest, viel Erfolg. Uebrigens, hier wird niemand totgeschlagen; Die tun hier nur immer so...; -) Gruss, Gerhard
Hallo zusammen, ich bin auf der Suche nach dem Schaltplan des Netzteils aus der Ausgabe 12/1982 ELEKTOR. Ich habe das Netzteil damals gebaut - leider ist der Plan jetzt unauffindbar - Danke! Mail an klausmichel@t-online.de Klaus
Hallo (Schwurbel), ich habe auch DAS Netzteil aus der Ausgabe 12/82. Gestern hat es den Geist aufgegeben und jetzt finde ich den Schaltplan nicht mehr. Kannst du mir eine Kopie zukommen lassen? klausmichel@t-online.de Vielen Dank schon mal! Klaus
Hallo Leute Ich hab den Thread hier gefunden und mir gedacht dass mein kleines Projekt hier gut rein passt. Ich bin nur "Elektriker" also bitte nicht schlagen oder ähnliches. Könnt Ihr mir sagen ob der im anhang gezeichnete Schaltplan funktioniert so wie ich mir das denke oder ob ich die Idee gleich übern Jordan schmeissen soll. Grundsätzlich möchte ich die möglichkeit haben übern PC die Spannung bzw den Strom zu regeln. der momentane stand ist nur die PC regelung, sollte aber schlussendlich auch ohne PC Steuerbar werden . Gedacht habe ich mir das mit 0 - 30V und ca 3A. Wenn ihr sagt das kann so ungefair funktionieren, werde ich weiter Planan und anfangen die Bauteile zu berechnen. Falls ihr Tips habt die ich noch miteinbringen könnte, bin für alles offen.. Bitte mit Kritik nicht zu hart um euch schmeissen. Danke Harald
-Die obere Graetzbrücke ist nicht richtig angeschlossen -Der untere Ladekondensator ist mit 10uF ein wenig wenig ;-) -Zur besseren Stomaufteilung noch kleine Emitterwiderstände bei den BD249 einfügen (Größenordnung 0,3-1 Ohm) -Die Ansteuerung der Leistungstransistoren ist nicht so gut gelöst, mach lieber noch einen Widerstand von den Basen der BD249 nach deren Emittern -leg Q2 mit seinem Emitter an Masse und setze R5 zwischen seinen -Kollektor und die Basen der BD249 MfG Paul
Hallo Paul Danke für deine Tips und hinweise! Wenn ich den Emitter von Q2 an masse leg, dann arbeitet der doch als Schalter was das regeln ja recht schwer macht ?? Wenn du aber damit meinst dass ich die BD249 auch über PWM ansterern soll, muss ich dann nicht meine Messundg bezüglich strom und Spannung umbauen und hinter die glättung setzen und eventuell fürn Leerlauf noch einen Lastwiderstand einbauen ? Lg. Harald
Ich sehe gerade, dass der BD249 ein NPN-Transistor ist. Das stimmt dann im Plan auch nicht. Die Erzeugung von Messspannung ist schon an der richtigen Stelle und die 4 Widerstaende rechts stellen doch schon eine Grundlast dar. MfG Paul
Den Controller in den Regelkreis zu verfrachten eröffnet interessante Möglichkeiten was den natürlichen Zustand aller rückgekoppelten Systeme angeht: die Oszillation (Regelschwingung). Wenn die "Endstufe" angeht: Der Grund warum man dabei gerne Kollektorschaltung verwendet ist der gleiche: die Stabilität. Die Schaltung um Q1-3 hat eine recht vernehmliche Spannungsverstärkung, was hier nicht unbedingt von Vorteil sein muss. Ein Problem das man mit LDOs teilt, die sind eben deshalb pingeliger als die klassischen 78xx. Controller-gestützte Labornetzteile macht man besser anders. Der Controller gibt den Sollwert vor und kontrolliert ggf. nach, aber geregelt wird analog.
Hast du dir den OPA548 schon mal angeschaut? Ist ein einfacher Weg ohne viel Bauteile ein ordentliches Netzteil aufzubauen.
Hallo Wenn ich mich nit OPs auskennen würde, hätte ichs sicher anders geplant, da ich mir einiges an Prograsmmieren ersparen würde. Ist es nur nicht üblich den Kontroller direkt zum regeln zu nützen oder gibt es einen gravierenden nachteil? Wenn ich mich nicht verrechnet habe, müsste es der MC in ca 2ms schaffen nachzuregeln, wahrscheinlich sogar schneller. Mir geht es hauptsächlich um die nutzung mit dem PC. Mit dessen hilfe kann ich auch gleich diverse Rechtecksignale, Sägezahn.... ausgeben lassen.
Hey Leuts, ich habe mal versucht die erste Schaltung (aller erster Link ganz oben) http://www.electronics-lab.com/projects/power/003/index.html per Multisim nachzubauen. Wenn ich allerdings den Simulationsmodus Aktivierebekomme ich immer ne Fehlermeldung "Es ist ein Simualtionsfehler aufgetreten"... Könnte einer von euch noch mal über die Schaltung schauen? Bin am verzweifeln, finde den Fehler nicht... Falls jm. Interesse hat aber kein Multisim, hab ich mal ne Bild datei mit hochgeladen... Würde mich freuen wenn sich jm bereit erklären würde xD LG Sogge
Hey, ich habe es nun mit einer Wechselspannung versucht (siehe Bild), klappt leider auch nicht... Ich habe im Bild mal die genaue Fehlermeldung mit angegeben "------ Überprüfe SPICE-Netzliste auf 0-30V 30A Netzteil - 2009-11-05 22:46:40 ------ ======= Prüfung SPICE-Netzliste abgeschlossen, 0 Fehler, 0 Warnung(en) ======= Fehlermeldung aus Simulation: doAnalyses: Timestep too small Fehlermeldung aus Simulation: tran simulation(s) aborted" vielleicht kann diese zur weiteren Fehler-Analyse beitragen... Danke Ingolf O. für die schnelle Antwort! Ps. Habe es auch mit 30Vrms probiert, mit gleichem Ergebnis. LG Sogge
>"------ Überprüfe SPICE-Netzliste auf 0-30V 30A Netzteil - 2009-11-05
Aber hallo! 30A kriegst du damit nicht hin!!
In der Originalschaltung sind es auch nur 3A!
Ja mit der Original-Schaltung nicht... dafür müsst man noch bissl was verändern, mir geht es in erster Lienie darum den Grund-Aufbau zu Simulieren um dann die Schaltung auf 30Ampere "auszubauen" Habe noch die aktuelle "Version" online gestellt... Habe inzwischen 2 Verdrahtungsfehler gefunden =) funtzt aber immer noch nich... Ach und noch ebbes, falls zufällig jm ein Schaltplan hat für ein regelbares netzgerät mit so ungerfähr 2-30V (+-1V Zwischen 20 und 50A (+-0,5A) nach möglichkeit Dauer-Kurzschlussfest würde ich mch total freuen wenn derjenige mir den Haufen Arbeit der noch vor mir liegt ersparen würde... xD
Vielleicht mal ein nützlicher Hinweis für den Längsregel-Transistor. Ich habe mir vor ca. 30 Jahren ein Netzteil aus einer damaligen Funkschau-Anleitung gebaut. Das war 0-30V 5A dimensioniert. Damals hiess es, ein 2N3055 ist dafür ungeeignet; der Schaltplan sah den 2N3771 vor. Der ist mit Imax 30A angegeben. Ich habe daraufhin 2 Stck davon parallel geschaltet (mit 2x Emitterwiderstand) und das Netzteil für 10A ausgelegt. Und das Ding tut's heute noch. Kann also so verkehrt nicht sein. Und der 2N3771 war damals richtig teuer; ist aber heute bei Angelika für unter 1 EUR zu haben.
Also, Verdrahtungsfehler sind immer noch drin! Z.B. Basis von Q3 mit R20; Collector von Q4 hängt in der Luft etc. Dann stimme ich BMK zu: Nehme mehrere Längstransistoren (2N3773/MJE15003 etc.) und füge Emitterwiderstände R22 ein!
> funtzt aber immer noch nich... Ist U2 mit dem Kollektor und nicht der Basis von Q1 verbunden ? Die Schaltung ist zwar nicht ganz schlecht, aber nicht mehr zeitgemäß. Die Referenz für Spannung und Strom aus einer Z-Diode zu gewinnen, als Leistungstransistor einen TO3 Typen, die Stromregelung als nachrangig zu bezeichnen und auszubremsen, ist nicht besonders klug. > Zwischen 20 und 50A Das schafft der eine 2N3055 natürlich nicht. Was gefällt dir an dieser Seite http://dse-faq.elektronik-kompendium.de/dse-faq.htm#F.9.1 tp://www.gb97816.homepage.t-online.de/ (Projekt Stromquelle 0-30V/0-60A/900W) nicht? Ach, ich ahne es, du meinst den Aufwand, den 1500 Watt erfordern. Tja, erst Ansprüche haben wollen, dann nichts tun wollen, so funktioniert die Welt halt nicht. Hier steht eine Sackgasse: http://www.mikrocontroller.net/articles/Projekt:_Labornetzteil
Erstmal danke für die vielen schnellen Antworten, fangen wir Oben an: -An BMK ich hab den 2N3771 mal geCondated in dessem datenblatt steht Ic 15a !?! Den Link Hab ich mal nich eingefügt, ging über einige dutzend zeilen =) Aber mit dem 2N3055 muss es auch gehen, habe 6 Stück davon aus einem Alten (Defekten) Netzgerät geangelt das auch "irgendwann" ging xD Deshalb währe es mir lieber bei dem 2N3055 zu bleiben da ich dazu bereits n passenden Kühlkörper und die transistoren hab... -An Ingolf O. Den Verdratungsfehler kann ich leider nicht bestätigen Q3 mit R20 wie im Plan... Sry, aber ich bräuchte zu dem Fehler genauere angaben.. Q4 Collector hängt in der Luft: ja dort kommt der verbraucher drann Bsp. siehe Bild. Wie gesagt, mir währe es lieber wenn ich den 2N3055 nehmen könnte... Ich wollte es mal mit den 2N3773/MJE15003 probieren, da scheint allerdings Multisim an seine Grenzen zu kommen... sind beide nicht in der Datenbank... -An MaWin Der strom ist mir deshalb nachrangig damit ich möglichst viele Menschen anspreche die entsprechende Pläne haben... Lieber baue ich ein netzgerät mit 20A als garkeins.. Der Link mit der Stromquelle 0-24V 0-80A 999W gefällt mir sehr gut =) ist aber für mein "kleines" netzteil warscheinlich 30V 50A zu groß, dazu muss ich mir erstmal die schaltung anschauen ob ich da doch was draus machen kann... Natürlich bin ich bereit was zu tun... Sitze bereits 6h allein an der vorbereitung und selbst da bin ich noch in den anfängen... -An Alle Ich habe noch mal den Original Plan zur besseren Veranschaulichung mit rein gestellt Nochmals danke für die vielen Antworten =) LG Sogge
-An MaWin Jetzt weiß ich was du mit: Ach, ich ahne es, du meinst den Aufwand, den 1500 Watt erfordern. meintest... Ich hab mir mal die Schaltung bissl genauer angeschaut und gemerkt dass ich lieber rein bei Analogen Bausteinen Bleibe... Schont nicht nur Nerven sondern auch den Geldbeutel... LG Sogge
Muss Dir widersprechen:R20 hängt nicht an der Basis von Q3, da kein Lötpunkt, sondern eine Kreuzung! Die Last hängt nicht am Collector, sondern am Emitter! Irgendwie blickst Du nicht, was eine Leitungsverbindung, was eine -kreuzung ist... Glaube auch nicht, dass dies Multisim egal ist! Eine Verbindung ist immer dort, wo der Lötpunkt gezeichnet ist! Nimm die 2N3055, aber eben ausreichend in der Anzahl inkl. der RE!
vielleicht kommt es im Bild nicht richtig rüber aber eine Verbindung besteht definitiv zwischen der Basis von Q3 zu R20. Im Multisim kann man keine "leiterbahnen" ziehen ohne 2 Endpunkte zu haben. Schau mal zwischen R8 und C4 ist auch nur ein kleiner Punkt, ist trotzdem Verbunden.. Zur sicherheit hab ich die verbindung OHMisch durchgemessen und das Bild an der stelle vergrößert und erneut hoch geladen... LG Sogge
Achso noch wegem Q4, natürlich hängt die Last am Emitter (siehe Bild)
Zur vervollständigung der Daten habe ich noch einen Osziloskop an die Last gehängt und siee bild gemessen...
> Ich hab mir mal die Schaltung bissl genauer angeschaut und gemerkt dass > ich lieber rein bei Analogen Bausteinen Bleibe... Schont nicht nur > Nerven sondern auch den Geldbeutel... Bei 30V 50A also 1500 Watt ? Sicher nicht. Da wäre ein linear geregeltes Netzteil nicht nur viel teurer als das Schaltnetzteil von Georg Braun, sondern braucht auch noch Wasserkühlung. > Lieber baue ich ein netzgerät mit 20A als garkeins.. Ich befürchte, wenn du ein Netzgerät mit 20A bauen willst, läuft das darauf hinaus, dass du gar keins haben wirst. Nur als allerersten Hinweis: Schau dir doch mal ein Datenblatt eines 2N3055 an http://www.datasheetcatalog.org/datasheet/motorola/2N3055.pdf die SOA Kurve zB. bei Motorola. Bei Gleichstrom sind bei 40V nur 3A erlaubt, da brauchst du für 20A schon 7 parallelgeschaltetet, für 50A gar 17, und auch ein 2N3771 (weniger Spannung, mehr Strom) http://www.datasheetcatalog.org/datasheet2/4/09536jar7ci0d6afdyw1twyu6qwy.pdf schafft nur 600mA mehr.
Hallo, Ich weis das ist ein sehr alter Beitrag, aber er wird für mich aktuell, da mein Digi 40 den Geist aufgegeben hat (40 V/5A) und ich gerne mit den Innereien ein ähnliches Netzteil aufbauen würde. Reperatur war unmöglich. Der Beitrag von Gerhard finde ich Interresant, allerdings sind die Transistoren nicht mehr zu bekommen. Weis jemand ein paar Vergleichtypen? Oder hat ein entsprechenden Schaltplan für mich?? Gruß Erdnuss
Wenn du nicht in der Lage bist, ein vorhandenes Gerät mit fertiger Leiterplatte und allen Bauteilen wiederherzustellen, wie soll dann erst ein Neubau klappen ? Das Digi40 kann sicherlich ähnlich wie das Digi35, von dem ich den Schaltplan gerade vorliegen habe, auch problemlos auf Handbedienung mit Potis umgebaut werden, in dem die Sollspannung aus den DACs mit Potis vorgegeben werden. Die Analogschaltung ist einfach und sollte problemlos reparabel sein, auch wenn es den Microcontroller vielleicht zerbraten hat.
Ein Mikrokontoller ist bei meinem DIGI40 nicht drin, aber 2 IC´s(ich schätze OPs) die man nicht mehr bekommt.Frühere ehemalige DDR Bausteine. Schaltpläne vom Digi 40 hab ich mir auch schon kommen lassen, aber keine entspricht dem Schaltungsaufbau. Es gab mehrere Schaltungen aber für meine gibt es anscheinent keinen Plan mehr.
Ich bin mit diesem Bausatz sehr zufrieden. http://www.elv.de/PWM-Schaltnetzteil-Platine,-Komplettbausatz-%28Ohne-Netztrafo,-Gehauml;use,-Panelmeter%29/x.aspx/cid_74/detail_10/detail2_2207/flv_/bereich_/marke_ Habe aus FernOst 2 x 4 Stellige Panelmeter drin und 10 Gang Potis.
> Frühere ehemalige DDR Bausteine
Wahrscheinlich open collector opamps.
Je nach dem was drin war gibt es noch welche:
open collector OpAmp: TAA761/861, TAE/TAF1453/2453/4453,
TAA752/765/765/2761/4761/2765/4761/4765A,
B761D/B765D/B861D/B865D/B2761D/B2765D/B4761D/B4765D
bassenberg.de
Danke für die Hielfe! Es geht um den TAA 2761 den könnte ich dort bekommen. Der SD337A wurde schon durch einen bd137 ersetzt und die KD502 durch BD249C. Allerdimgs ohne erfolg. Da ich keinen passende Schaltplan habe würde ich das Netzteil gerne neu machen.
Erdnuss schrieb: > Der SD337A wurde schon durch einen bd137 ersetzt und die KD502 durch > BD249C. Allerdimgs ohne erfolg. BD249 ist nicht der richtige Ersatz. KU607, KD502/503 oder passender TO3 Ersatz (kein 2N3055, hfe zu gering) sollte zu finden sein. Nach dem OPV Wechsel noch die 2 LEDs überprüfen, die von dessen Ausgängen zur Basis des Treibertransistors gehen (CV/CC Anzeige).
Hallo Leute, und sorry, dass ich einen SO alten Thread wieder hoch hole. Hat jemand noch mehr Informationen von Gerhards vorgeschlagenem Netzteil? Ich finde leider im Internet nichts dazu. Genau gesagt geht es mir um die Widerstände, welche im Bestückungsplan als "SEL" angegeben werden, ohne Wert. Ich bin mir ziemlich sicher, dass es dazu bestimmt noch mehr Infos gibt. Leider ist Gerhard hier nicht angemeldet, so dass ich ihm auch keine PN schreiben kann :-( Beste Grüße Sebastian Gerhard. schrieb: > In diesem Paket ist noch ein Platinenbild mit den drei notwendigen > Drahtbruecken eingezeichnet. Die waren vorher nicht ersichtlich. > > Wer sich die Platine professionell herstellen lassen will, soll sich bei > mir zur Zusendung der GERBER files melden. Diese Version ist zweiseitig > kaschiert mit Kupferflaechen auf der Oberseite. Die Drahtbruecken sind > bei dieser Version natuerlich nicht notwendig.
Sebastian P. schrieb: > Genau gesagt geht es mir um die Widerstände, welche im Bestückungsplan > als "SEL" angegeben werden, ohne Wert. SEL steht für select, also auswählen nach dem was man an Spannungsbereich und Strombreich erreichen will, der Kondensator muss so gewählt werden, dass es nicht schwingt "Durch bestimmte Wertefestlegung gewisser Bauteile laesst sich der Ausgangsbereich den individuellen Wuenschen anpassen. " Wenn du damit überfordert bist, ist das Netzteil nichts für dich. Insbesondere der Kondensator hängt vom Aufbau und Bauteileauswahl ab und muss ausprobiert werden, es gibt dort keinen festen Wert.
SELECT! - Na Mensch... manchmal sieht man den Wald vor lauter Bäumen nicht. Danke fürs nochmal klar machen! Alles gut, die Dimensionieren sollte ich schon hinbekommen. Ist mal was anderes - sonst will ich immer, dass es schwingt (bin eher aus dem HF-Bereich), und diesmal eher nicht ;-)
Sebastian P. schrieb: > Ist mal was anderes - sonst will ich immer, dass es schwingt > (bin eher aus dem HF-Bereich), und diesmal eher nicht ;-) Bekannterweise schwingen fast alle Verstärker, während das Oszillatoren eher nicht tun. :-)
Der TO sollte aber nicht einfach was aus dem Internet nachbauen. Im Netz steht so viel Scheiße drin, dass einem die Augen wehtun. Schade dass der Müll nicht raus gelöscht wird. Der Link ist ganz OK. Gibt aber mehrere. http://www.pegons-web.de/2power1.html Muss man in Ruhe durchschauen. PS: Sorry, ich meinte nicht den TO. Sondern Sebastian. Er hat den Thread aufgeweckt.
:
Bearbeitet durch User
Bitte melde dich an um einen Beitrag zu schreiben. Anmeldung ist kostenlos und dauert nur eine Minute.
Bestehender Account
Schon ein Account bei Google/GoogleMail? Keine Anmeldung erforderlich!
Mit Google-Account einloggen
Mit Google-Account einloggen
Noch kein Account? Hier anmelden.









